生产车间工序流转卡
- 格式:xls
- 大小:37.50 KB
- 文档页数:2
工序流转卡实施细则一、背景介绍工序流转卡是在生产过程中记录和追踪产品制造情况的重要工具。
通过工序流转卡,可以准确了解每个工序的完成情况,及时发现问题并采取相应措施,确保产品质量和生产效率。
二、目的和范围本细则的目的是规范工序流转卡的使用和管理,确保信息的准确性和流转的顺畅。
适用于所有涉及工序流转卡的生产环节。
三、工序流转卡的内容1. 产品信息:- 产品名称:XYZ产品- 产品编号:123456- 规格型号:A1- 计划生产数量:1000个- 生产批次:202105012. 工序信息:- 工序编号:001- 工序名称:加工- 工序负责人:张三- 工序开始时间:2021-05-01 08:00:00- 工序结束时间:2021-05-01 12:00:00- 工序完成数量:200个- 工序合格数量:190个- 工序不合格数量:10个- 工序备注:无3. 工序流转记录:- 流转卡编号:20210501-001- 上道工序:无- 下道工序:002- 流转时间:2021-05-01 12:00:00- 流转人员:李四- 流转备注:无四、工序流转卡的填写和流转流程1. 工序负责人在工序开始前填写工序流转卡,并记录相关信息。
2. 工序负责人在工序结束后,根据实际完成情况填写工序完成数量、合格数量和不合格数量,并添加备注。
3. 工序负责人将工序流转卡交给下一道工序的负责人。
4. 下一道工序负责人按照同样的流程填写和流转工序流转卡,直至产品生产完成。
五、工序流转卡的管理1. 工序流转卡由生产部门统一管理,确保每个工序都有对应的流转卡。
2. 工序负责人负责填写和记录工序流转卡的相关信息,并及时交接给下一道工序负责人。
3. 下一道工序负责人在接收工序流转卡时,要认真核对信息的准确性,并在填写自己的工序信息时进行确认。
4. 生产部门定期对工序流转卡进行审核,确保信息的完整性和准确性。
六、工序流转卡的应用价值1. 实时掌握产品制造进度,及时调整生产计划。
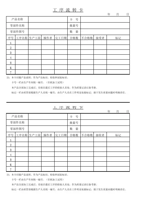
工 序 流 转 卡
注:本卡应随产品流转,作为产品标识,检验和试验标识。
卡号一栏由生产车间统一编号。
(在机加工试用)
本产品全部加工完成后,存放在最后工序的检验人员处,作为质量记录以备考察。
标记一栏由质管部根据生产人员统一编号,由生产人员在工件明显处做标记,便于发生质量问题时明确责任。
工 序 流 转 卡
注:本卡应随产品流转,作为产品标识,检验和试验标识。
卡号一栏由生产车间统一编号。
(在机加工试用)
本产品全部加工完成后,存放在最后工序的检验人员处,作为质量记录以备考察。
标记一栏由质管部根据生产人员统一编号,由生产人员在工件明显处做标记,便于发生质量问题时明确责任。
生产工序)生产工序流转卡产品名称:重力分离器序号:工序号S-Ⅱ-01-36工艺01-09工艺内容及技术要求:1.核对材料表面状况,不允许有裂纹、结疤、折叠、夹渣、分层等缺陷;核对材料标记;实测钢板厚度。
2.按排板图划线,移植材料标记并标记零件编号,检查员做移植确认标记,按线切割,按图加工单面外坡口,角度为30±2.5度,坡口表面不得有裂纹、分层、夹渣等缺陷,钢板长度误差±1mm。
3.钢板宽度误差±1.5mm,对角线误差≤2mm,按滚圆工艺守则要求滚圆,用T003、A003样板检查压头及滚圆质量,间隙不大于1mm,按要求点焊定位,对接间隙为1~2mm,错边量≤2.0mm,清理坡口两侧小于20mm范围内的污物,定位焊长度50mm,间距200mm,两端点固引熄弧板。
4.按焊接工艺卡施焊并填写焊接过程记录(焊缝编号:A),焊缝宽度11±2mm,咬边深度≤0.5mm,连续长度≤100mm,总长不大于焊缝长度的10%,焊缝表面不得有裂纹、未焊透、未熔合、表面气孔、弧坑、未填满和肉眼可见的夹渣。
5.清除焊接熔渣飞溅物,打焊工钢印,按要求检查A焊缝外观质量。
6.按滚圆工艺守则校圆,棱角度E≤2.8mm,最大最小直径差E≤6mm。
7.采用射线探伤,探伤比例20%,符合JB4730-94标准Ⅲ级合格。
注:检测结果一栏由操作者填写。
编制:审核。
加工坡口:按图加工单面外坡口,角度为30±2.5度。
渣等缺陷为钝边2mm。
坡口表面不得有裂纹、分层、夹焊接。
按要求拼接,拼接间隙为1-2mm,错边量不超过1.5mm。
清理坡口两侧小于20mm范围内的污物。
定位焊长度为50mm,间距为200mm。
点固引熄弧板。
按焊接工艺卡施焊并填写焊接过程记录。
清除焊接熔渣飞溅物,打焊工钢印。
对接:按要求检查焊缝外观质量,焊缝宽度为±0.5mm。
咬边深度不超过0.5mm,连续长度不超过100mm,总长不大于焊缝长度的10%。
车间生产工序流转卡
日期:XXXXX
备注:1、此卡随入库单一起作为产品入库标识。
2、此卡片禁止乱涂乱画,此卡作为产品追溯的依据。
3、产品如有任何问题,方便查找。
4、本卡妥善保管。
I稻壳儿文字模板使用说明
(本页为说明页,用户使用模板时可删除本页内容)
01字体说明
中文I字体名称
汉仪中黑简
中文I字体名称
汉仪中黑简
中文I字体名称
无
英文I字体名称
无
英文I字体名称
无
【说明】
模板中使用的字体仅限于个人学习、研究或欣赏目的使用,如
需商用请您自行向版权方购买、获取商用版权。
生产工序流转卡生产工序流转卡是企业生产管理中的一项重要工具,用于记录和跟踪产品在不同工序之间的流转情况和生产进度,以实现生产计划的有效执行。
下面我将介绍生产工序流转卡的主要内容和使用方法。
首先,生产工序流转卡通常包含以下主要内容:产品信息、工序信息、工艺流程、质量要求、加工设备和工具等。
产品信息包括产品名称、型号、规格、数量等。
工序信息包括序号、工序名称、工序描述、工时等。
工艺流程是按照产品的生产顺序编排的,清晰地标明了每个工序需要完成的工作内容。
质量要求包括产品的外观、尺寸、性能等指标。
加工设备和工具则是记录了生产该工序所需要的设备和工具清单。
在使用生产工序流转卡时,首先将产品信息填写在卡片上,包括产品名称、型号、规格和数量等。
然后,按照工艺流程的顺序依次填写每个工序的信息,包括工序名称、工序描述、工时和质量要求等。
在每个工序完成后,工人将卡片交给下一个工序的负责人,负责人会在卡片上填写实际完成情况,包括开始时间、结束时间、实际耗时等。
同时,如果工序中存在异常情况或问题,也需要在卡片上进行记录和备注。
通过使用生产工序流转卡,企业能够更好地协调和管理生产流程,实现生产计划的准时完成。
工序流转卡的使用可以帮助企业及时掌握生产进度,解决生产中的问题,提高生产效率和产品质量。
同时,通过对工艺流程和加工设备的记录,企业能够对生产过程进行优化和改进,进一步提高生产效益。
在使用过程中,企业还可以根据实际需求对流转卡进行定制和修改。
例如,可以增加更多的工序信息,设立质量抽查点,以便更好地控制产品质量。
另外,可以在流转卡上标注员工的姓名和工号,以便更好地进行工人绩效评估和奖惩管理。
总而言之,生产工序流转卡是一项有效管理生产过程的工具,可以帮助企业有效掌控生产进度、提高生产效率和产品质量的同时,也为企业的改进和优化提供了依据和参考。
通过科学地使用和管理生产工序流转卡,企业能够实现生产计划的准时完成,提升竞争力。
生产工序流转卡是企业生产管理中的一项重要工具,用于记录和跟踪产品在不同工序之间的流转情况和生产进度,以实现生产计划的有效执行。
工序流转卡定期检查制度1. 引言2. 定期检查程序2.1 检查频率每周检查对所有工序流转卡进行一次全面检查,确保准确性和完整性每月检查对上个月的工序流转卡进行综合分析和审核。
2.2 检查内容工序流转卡编号是否与实际流程相符工序流转卡上的关键信息是否正确填写,包括产品名称、数量、工序步骤等工序流转卡上的时间记录是否准确工序流转卡上的签名和审核记录是否完整并符合要求工序流转卡的存档是否按照规定进行。
2.3 检查记录检查时间和日期检查人员姓名和职位检查结果,包括工序流转卡的准确性和完整性评估如有异常,应记录异常情况的描述和处理措施。
3. 检查结果要求3.1 完整性要求工序流转卡的完整性是指工序流转卡上必须具备的信息项全部填写完整,且无遗漏。
工序流转卡的完整性要求如下所有工序流转卡上必须填写产品名称、数量、工序步骤等关键信息工序流转卡上的时间记录必须准确填写所有工序流转卡上必须有签名和审核记录。
3.2 准确性要求工序流转卡的准确性是指工序流转卡上的信息必须与实际生产流程相符。
工序流转卡的准确性要求如下工序流转卡上的产品名称和数量必须与生产实际相符工序流转卡上的工序步骤必须按照实际流程填写工序流转卡上的时间记录必须准确无误。
4. 检查结果处理措施4.1 异常情况的处理清查遗漏或错误的信息,并进行补充或更正对于频繁出现错误或遗漏的情况,进行人员培训,提高工作准确性对于涉及重要信息的错误或遗漏,应立即通知相关负责人,并进行及时修正。
4.2 检查结果的反馈检查结果的总结和评估对于发现的异常情况,提出处理建议对于工序流转卡的完整性和准确性存在的问题,提出改进措施。
5. 总结工序流转卡定期检查制度的实施,能够有效确保工序流转卡的准确性和完整性,进一步优化生产流程。
通过建立定期检查程序,规范检查内容和结果要求,以及明确异常情况的处理措施,可以提高员工的工作准确性,保障产品质量,达到提高生产效率的目的。
生产工序流转卡生产工序流转卡是在生产过程中记录产品在每个工序中的信息和流转情况的重要文件。
它的作用是追踪和控制生产进展,确保产品质量和交货时间的准确性。
下面将对生产工序流转卡的内容和使用进行详细介绍。
首先,生产工序流转卡应包括以下基本信息:产品编号、产品名称、规格型号、计划数量、生产日期、负责人等。
这些信息可以帮助生产部门对产品进行准确的识别和管理。
其次,生产工序流转卡应明确每个工序的具体要求和工艺参数。
这些要求和参数可以指导生产操作员进行相应的生产操作,确保产品达到所需的质量标准。
在工序流转卡的每个工序部分,应记录以下内容:工序名称、操作要求、工时、负责人等。
这些信息有助于生产操作员了解自己的工作任务和要求,确保操作的准确性和一致性。
同时,生产工序流转卡还需记录每个工序操作员的姓名和操作时间,以便跟踪生产过程中的责任和问题。
如果在某一工序中出现异常情况,可以通过查看工序流转卡追踪到责任人并及时进行处理。
最后,生产工序流转卡应在生产过程中进行实时更新。
每次产品进入到下一个工序时,操作员应在流转卡上进行必要的记录。
这样可以及时了解产品的生产进度和流转情况,帮助生产部门进行生产计划的调整和生产进度的掌控。
总之,生产工序流转卡是生产过程中必不可少的一项管理工具。
通过记录产品在每个工序中的信息和流转情况,可以实现对生产进展的跟踪和控制,确保产品质量和交货时间的准确性。
同时,它也有助于解决生产过程中的问题和责任追溯。
因此,在生产过程中合理使用生产工序流转卡可以提高生产效率和产品质量,更好地满足客户需求。
生产工序流转卡是一个非常重要的生产管理工具,它可以帮助企业实现对生产过程的控制和监控,确保产品的质量和交货时间的准确性。
下面详细介绍了生产工序流转卡的使用方法和注意事项。
1. 生产工序流转卡应在产品进入生产线之前准备好。
在准备过程中,需确保所有的产品相关信息都被正确地填写在流转卡中,包括产品编号、产品名称、规格型号、计划数量、生产日期等。
产品流转完成后由最后工序检验员处保存作为质量记录以备考察。
产品流转完成后由最后 备注由品质部做标记根据生产情况有产品上做标记,发生质量问题时明确责任。
备注由品质部做标记根 产品流转完成后由最后工序检验员处保存作为质量记录以备考察。
产品流转完成后由最后 备注由品质部做标记根据生产情况有产品上做标记,发生质量问题时明确责任。
备注由品质部做标记根
由最后工序检验员处保存作为质量记录以备考察。
标记根据生产情况有产品上做标记,发生质量问题时明确责任。
由最后工序检验员处保存作为质量记录以备考察。
标记根据生产情况有产品上做标记,发生质量问题时明确责任。
工序流转卡的使用和管理办法(总2页)--本页仅作为文档封面,使用时请直接删除即可----内页可以根据需求调整合适字体及大小--工序流转卡的使用和管理办法一、目的为规范产品工序流程,便于统计、核对生产过程中的产品数量,保证产品质量,实现产品加工过程中可追朔性,逐步形成标准化的工作流程,统一流转卡的使用,使账、物、卡一致,为外协及公司内部各加工工序的工资结算提供真实的原始依据,为生产运作更为顺畅的进行和生产过程控制更为有效的管理提供支持,防止产品实现过程中混淆和误用,达到产品追溯的目的。
二、实施范围本工序流转卡由生产系统实施作生产流程监控使用,统计、检验、仓库配合,财务做账为依据。
三、流程卡实施流程本工序流转卡随产品生产环节第一工序开始起,随产品逐道工序流转,直至产品入库。
四、实施本流转卡的原则本工序流转卡随同《生产计划》发出之日起,直至成品入库作为本批产品的一个生产周期全部完成,中间过程一般不能入库。
五、实施过程中具体要求1.生产部根据《生产计划》编制工序流转卡编号,进行生产安排、跟踪并监督流转卡的运转情况。
原则为每一款产品在投料时,本工序流转卡就开始实施。
2.车间投料员在当天产品投料时,即在流转卡上标明生产日期、班组及所生产的产品型号、名称、数量,并由检验员确认投料产出的半成品质量合格后流转至下一生产环节时,经上下工序双方核对卡号、型号、数量等准确无误后确认签收,以后的各生产环节都依此流程操作。
3.产品流转周期结束时,本工序流转卡随同产品供仓库保管员和车间统计处汇总、做帐,做账要保证流转卡的卡、物、量一致。
以“产品实际入库数+各生产环节报废数=投料数”来核对。
4.本工序流转卡做为操作工的实际操作数量来进行定额考核,并作为今后工资结算依据,严禁徇私舞弊。
5.每道工序完成作业后,本工序操作者先自行检查一遍,并填写好数量、名称、规格型号交质检员确认。
质检员根据所生产的产品质量签名确认,操作工产量方能生效,检验标准由质检部核定。
工序流转卡的使用和管理办法、目的为规范产品工序流程,便于统计、核对生产过程中的产品数量,保证产品质量,实现产品加工过程中可追朔性,逐步形成标准化的工作流程,统一流转卡的使用,使账、物、卡一致,为外协及公司内部各加工工序的工资结算提供真实的原始依据,为生产运作更为顺畅的进行和生产过程控制更为有效的管理提供支持,防止产品实现过程中混淆和误用,达到产品追溯的目的。
二、实施范围本工序流转卡由生产系统实施作生产流程监控使用,统计、检验、仓库配合,财务做账为依据。
三、流程卡实施流程本工序流转卡随产品生产环节第一工序开始起,随产品逐道工序流转,直至产品入库。
四、实施本流转卡的原则本工序流转卡随同《生产计划》发出之日起,直至成品入库作为本批产品的一个生产周期全部完成,中间过程一般不能入库。
五、实施过程中具体要求1.生产部根据《生产计划》编制工序流转卡编号,进行生产安排、跟踪并监督流转卡的运转情况。
原则为每一款产品在投料时,本工序流转卡就开始实施。
2.车间投料员在当天产品投料时,即在流转卡上标明生产日期、班组及所生产的产品型号、名称、数量,并由检验员确认投料产出的半成品质量合格后流转至下一生产环节时,经上下工序双方核对卡号、型号、数量等准确无误后确认签收,以后的各生产环节都依此流程操作。
3.产品流转周期结束时,本工序流转卡随同产品供仓库保管员和车间统计处汇总、做帐,做账要保证流转卡的卡、物、量一致。
以“产品实际入库数+各生产环节报废数=投料数”来核对。
4.本工序流转卡做为操作工的实际操作数量来进行定额考核,并作为今后工资结算依据,严禁徇私舞弊。
5.每道工序完成作业后,本工序操作者先自行检查一遍,并填写好数量、名称、规格型号交质检员确认。
质检员根据所生产的产品质量签名确认,操作工产量方能生效,检验标准由质检部核定。
6.所有工序完工随同产品一起入库,由仓库管理员确认及车间主任汇总并保存。
7.本工序流转卡由车间主任签字后下发给第一道工序操作工(一般为投料员),即开始试行。
产品工序流转统计卡
文件编号:产品名称:产品图号:订单编号:
产品工序流转统计卡
文件编号:产品名称:产品图号:订单编号:
注:1、此表有利于加强车间管理的控制能力,有利于各工序间不合格产品的及时返修;
2、生产计划科在下单时,必须填写此表单,产品流转各工序时必须附带此单一起流转。
3、此卡在流转时如有遗失,将考核相关责任人200~500元/次,此卡需由各部门领导签字确认才能进行补办。
4、此卡流转时,必须由检验员、统计、车间主管签字,方可流至后续工序,否则将考核相关责任人100~500
元/此
5、当产品流至半成品仓库时,此流转卡暂时由半成品仓库保管,待领料出库时,随产品一起流出
6、当产品最后流至成品仓库入库时,由成品仓库管理员对产品进行最终统计、审核,确认数量。
表格类b1 产 品 名 称项目编号 工 艺 号 生产制造流转卡 零 件 编 号 第 1 页 磁盘机共 3 页 序 号工序 工 艺 内 容 及 技 术 要 求 设备 工装 检 测 结 果 操作者 日期 互检人 日期 专检人 日期 1 下料 ①核对材料表面状况,不允许有裂纹、结疤、折叠、夹渣、分层等②核对材料标记③实测钢板厚度2剪切表格类b 2注:“检测结果”一栏由操作者填写。
编制: 审核: 产 品 名 称 项目编号 工 艺 号 生产制造流转卡 零 件 编 号 第 1 页 磁盘机 共 3 页表格类b 3注: “检测结果”一栏由操作者填写。
编制: 审核: 产 品 名 称 项目编号 工 艺 号 生产制造流转卡 零 件 编 号 第 1 页 压榨机 共 3 页表格类b 4注: “检测结果”一栏由操作者填写。
编制: 审核: 产 品 名 称 项目编号 工 艺 号 生产制造流转卡 零 件 编 号 第 1 页 压榨机 共 3 页表格类b 5注: “检测结果”一栏由操作者填写。
编制: 审核:产 品 名 称 项目编号 工 艺 号 生产制造流转卡 零 件 编 号 第 1 页 除油机 共 3 页表格类b 6注: “检测结果”一栏由操作者填写。
编制: 审核:产 品 名 称 项目编号 工 艺 号 生产制造流转卡 零 件 编 号 第 1 页 除油机 共 3 页表格类b 7注: “检测结果”一栏由操作者填写。
编制: 审核:产 品 名 称 项目编号 工 艺 号 生产制造流转卡 零 件 编 号 第 1 页 管混 共 3 页注:“检测结果”一栏由操作者填写。
编制:审核:表格类b 8表格类b 9产 品 名 称 项目编号 工 艺 号 生产制造流转卡 零 件 编 号 第 1 页管混 共 3 页表格类b 10注: “检测结果”一栏由操作者填写。
编制: 审核: 产 品 名 称 项目编号 工 艺 号 生产制造流转卡 零 件 编 号 第 1 页 计量单元 共 3 页表格类b 11注: “检测结果”一栏由操作者填写。
产品工序流转统计卡
文件编号:产品名称:产品图号:订单编号:
产品工序流转统计卡
文件编号:产品名称:产品图号:订单编号:
注:1、此表有利于加强车间管理的控制能力,有利于各工序间不合格产品的及时返修;
2、生产计划科在下单时,必须填写此表单,产品流转各工序时必须附带此单一起流转。
3、此卡在流转时如有遗失,将考核相关责任人200~500元/次,此卡需由各部门领导签字确认才能进行补办。
4、此卡流转时,必须由检验员、统计、车间主管签字,方可流至后续工序,否则将考核相关责任人100~500元/
此
5、当产品流至半成品仓库时,此流转卡暂时由半成品仓库保管,待领料出库时,随产品一起流出
6、当产品最后流至成品仓库入库时,由成品仓库管理员对产品进行最终统计、审核,确认数量。