材料许用应力表A
- 格式:docx
- 大小:59.89 KB
- 文档页数:36
16MnR 低合金钢钢板GB665410012045027515015014713812511310610093664315MnVR 低合金钢钢板GB665468550390183183183183183172159147---15MnVR 低合金钢钢板GB6654616530390177177177177177172159147---15MnVR 低合金钢钢板GB66541636510370170170170170170163150138---15MnVR 低合金钢钢板GB66543660490350163163163163163153141131---15MnVNR 低合金钢钢板GB6654616570440190190190190190190175163---15MnVNR 低合金钢钢板GB66541636550420183183183183183181169156---15MnVNR 低合金钢钢板GB66543660530400177177177177177172159147---18MnMoNbR 低合金钢钢板GB6654306059044019719719719719719719719719717711718MnMoNbR 低合金钢钢板GB66541610057041019019019019019019019019019017711713MnNiMoNbR 低合金钢钢板GB665430100570390190190190190190190190190---13MnNiMoNbR 低合金钢钢板GB6654100120570380190190190190190190190188---07MnCrMoVR 低合金钢钢板-1650610490203203203203203203203----16MnDR 低合金钢钢板GB3531616490315163163163156144131122----16MnDR 低合金钢钢板GB35311636470295157157156147134122113----16MnDR 低合金钢钢板GB35313660450275150150147138125113106----16MnDR 低合金钢钢板GB353160100450255150147138128116106100----07MnNiCrMoVDR 低合金钢钢板-1650610490203203203203203203203----15MnNiDR 低合金钢钢板GB3531616490325163163---------15MnNiDR 低合金钢钢板GB35311636470305157157---------15MnNiDR低合金钢钢板GB35313660460290153153---------09Mn2VDR 低合金钢钢板GB3531616440290147147---------09Mn2VDR 低合金钢钢板GB35311636430270143143---------09MnNiDR 低合金钢钢板GB3531616440300147147147147147147138----09MnNiDR 低合金钢钢板GB35311636430280143143143143143138128----09MnNiDR 低合金钢钢板GB35313660430260143143143141134128119----15CrMoR 低合金钢钢板GB665466045029515015015015014113112511811511211015CrMoR 低合金钢钢板GB66546010045027515015014713813112311611010710410314Cr1MoR 低合金钢钢板-161205153101721721691591531441381311271221160Cr13A1高合金钢钢板GB4237215--1181051011009997959087--0Cr13高合金钢钢板GB4237260--137126123120119117112109105100890Cr18Ni9高合金钢钢板GB4237260--1371371371301221141111071051031010Cr18Ni9高合金钢钢板GB4237260--13711410396908582797876750Cr18Ni10Ti 高合金钢钢板GB4237260--1371371371301221141111081061051040Cr18Ni10Ti 高合金钢钢板GB4237260--13711410396908582807978770Cr17Ni12Mo2高合金钢钢板GB4237260--1371371371341251181131111101091080Cr17Ni12Mo2高合金钢钢板GB4237260--13711710799938784828181800Cr18Ni12Mo2Ti 高合金钢钢板GB4237260--1371371371341251181131111101091080Cr18Ni12Mo2Ti 高合金钢钢板GB4237260--13711710799938784828181800Cr19Ni13Mo3高合金钢钢板GB4237260--1371371371341251181131111101091080Cr19Ni13Mo3高合金钢钢板GB4237260--137117107999387848281818000Cr19Ni10高合金钢钢板GB4237260--11811811811010398949189--00Cr19Ni10高合金钢钢板GB4237260--1189787817673696766--00Cr17Ni14Mo2高合金钢钢板GB4237260--1181181171081009590868584-00Cr17Ni14Mo2高合金钢钢板GB4237260--118978780747067646362-00Cr19Ni13Mo3高合金钢钢板GB4237260--118118118118118118113111110109-00Cr19Ni13Mo3高合金钢钢板GB4237260--11811710799938784828181-00Cr18Ni5Mo3Si2高合金钢钢板GB4237225--197197190173167163-----10碳素钢钢管GB8163103352051121121081019283777169614110碳素钢钢管GB9948163352051121121081019283777169614110碳素钢钢管GB6479163352051121121081019283777169614110碳素钢钢管GB64791740335195112110104988979746866614120碳素钢钢管GB816310390245130130130123110101928683614120碳素钢钢管GB994816410245137137132123110101928683614120G 碳素钢钢管GB647916410245137137132123110101928683614120G 碳素钢钢管GB6479174041023513713212611610495867978614116Mn 低合金钢钢管GB64791649032016316316315914713512611993664316Mn 低合金钢钢管GB6479174049031016316316315311112911911693664315MnV 低合金钢钢管GB647916510350170170170170166153141129---15MnV 低合金钢钢管GB64791740510340170170170170159147135126---09MnD 低合金钢钢管-164002401331331281191069788----12CrMo 低合金钢钢管GB9948164102051281131081019589837775747212CrMo低合金钢钢管GB6479164102051281131081019589837775747212CrMo 低合金钢钢管GB64791740410195122110104989286797472716915CrMo 低合金钢钢管GB994816440235147132123116110101958987868315CrMo 低合金钢钢管GB647916440235147132123116110101958987868315CrMo 低合金钢钢管GB6479174044022514112611611010495898684838112Cr1MoVG 低合金钢钢管GB5310164702551471441351261191101049896959210MoWVNb 低合金钢钢管GB64791647029515715715715615314714113513012612110MoWVNb 低合金钢钢管GB6479174047028515715715615014714113512912411911112Cr2Mo 低合金钢钢管GB64791645028015015015014714414113813413112811912Cr2Mo 低合金钢钢管GB647917404502701501501471411381341311281261231191Cr5Mo 低合金钢钢管GB647916390195122110104101989592898786831Cr5Mo 低合金钢钢管GB647917403901951161049895928986838179780Cr13高合金钢钢管GB/T1497618--137126123120119117112109105100890Cr18Ni9高合金钢钢管GB1329613--1371371371301221141111071051031010Cr18Ni9高合金钢钢管GB/T1497618--13711410396908582797876750Cr18Ni10Ti 高合金钢钢管GB1329613--1371371371301221141111081061051040Cr18Ni10Ti 高合金钢钢管GB/T1497618--13711410396908582807978770Cr17Ni12Mo2高合金钢钢管GB1329613--1371371371341251181131111101091080Cr17Ni12Mo2高合金钢钢管GB/T1497618--13711710799938784828181800Cr18Ni12Mo2Ti 高合金钢钢管GB1329613--1371371371341251181131111101091080Cr18Ni12Mo2Ti 高合金钢钢管GB/T1497618--13711710799938784828181800Cr19Ni13Mo3高合金钢钢管GB1329613--1371371371341251181131111101091080Cr19Ni13Mo3高合金钢钢管GB/T1497618--137117107999387848281818000Cr19Ni10高合金钢钢管GB1329613--11811811811010398949189--00Cr19Ni10高合金钢钢管GB/T1497618--1189787817673696766--00Cr17Ni14Mo2高合金钢钢管GB1329613--1181181171081009590868584-00Cr17Ni14Mo2高合金钢钢管GB/T1497618--118978780747067646362-00Cr19Ni13Mo3高合金钢钢管GB1329613--118118118118118118113111110109-00Cr19Ni13Mo3高合金钢钢管GB/T1497618--11811710799938784828181-20碳素钢锻件JB47261003702151231191131049586797472614135碳素钢锻件JB4726100510265166147141129116108989285614135碳素钢锻件JB4726100300490255159144138126113104958985614116Mn 低合金钢锻件JB472630045027515015014713512911611010493664315MnV 低合金钢锻件JB4726300470315157157157156147135126113---20MnMo 低合金钢锻件JB47263005303701771771771771771771711631561318420MnMo 低合金钢锻件JB47263005005103551701701701701701691631531471318420MnMo 低合金钢锻件JB47265007004903401631631631631631631591501441318420MnMoNb 低合金钢锻件JB472630062047020720720720720720720720717711720MnMoNb 低合金钢锻件JB472630050061046020320320320320320320320317711716MnD 低合金钢锻件JB4727300450275150150147135129116110---09Mn2VD 低合金钢锻件JB4727200420260140140---------09MnNiD 低合金钢锻件JB4727300420260140140140140134128119----16MnMoD低合金钢锻件JB4727300510355170170170170170169163----20MnMoD 低合金钢锻件JB4727300530370177177177177177177171----20MnMoD 低合金钢锻件JB4727300500510355170170170170170169163----20MnMoD 低合金钢锻件JB4727500700490340163163163163163163159----08MnNiCrMoVD 低合金钢锻件JB4727300600480200200200200200200200----10Ni3MoVD 低合金钢锻件JB4727300610490203203---------15CrMo 低合金钢锻件JB472630044027514714714713813212311611010710410315CrMo 低合金钢锻件JB47263005004302551431431351261191101049896959335CrMo 低合金钢锻件JB472630062044020720720720720720720720019415011135CrMo 低合金钢锻件JB472630050061043020320320320320320320320019415011112Cr1MoV 低合金钢锻件JB47263004402551471441351261191101049896959212Cr1MoV 低合金钢锻件JB47263005004302451431411311261191101049896959212Cr2Mo1低合金钢锻件JB472630051031017017016916315915615315014714411912Cr2Mo1低合金钢锻件JB47263005005003001671671661591561531501471441411191Cr5Mo 低合金钢锻件JB4726500590390197197197197197197197190136107830Cr13高合金钢锻件JB4728100--137126123120119117112109105100890Cr18Ni9高合金钢锻件JB4728200--1371371371301221141111071051031010Cr18Ni9高合金钢锻件JB4728200--13711410396908582797876750Cr18Ni10Ti 高合金钢锻件JB4728200--1371371371301221141111081061051040Cr18Ni10Ti 高合金钢锻件JB4728200--13711410396908582807978770Cr17Ni12Mo2高合金钢锻件JB4728200--1371371371341251181131111101091080Cr17Ni12Mo2高合金钢锻件JB4728200--137117107999387848281818000Cr19Ni10高合金钢锻件JB4728200--11711711711010398949189--00Cr19Ni10高合金钢锻件JB4728200--1179787817673696766--00Cr17Ni14Mo2高合金钢锻件JB4728200--1171171171081009590868584-00Cr17Ni14Mo2高合金钢锻件JB4728200--117978780747067646362-00Cr18Ni5Mo3Si2高合金钢锻件JB4728100--197197178163156153-----℃)下的许用应力,MPa---------GB150-98---------GB150-98---------GB150-98---------GB150-98---------GB150-98---------GB150-98---------GB150-98---------GB150-98---------GB150-98---------GB150-98---------GB150-98---------GB150-98---------GB150-98---------GB150-98---------GB150-98---------GB150-98---------GB150-98---------GB150-98---------GB150-98---------GB150-98---------GB150-98---------GB150-98---------GB150-98---------GB150-98---------GB150-98---------GB150-98885837------GB150-98885837------GB150-98885837------GB150-98---------GB150-987253382616----GB150-981009891796452423227GB150-98允许产生微量变形场合747371676252423227GB150-9810310183584433251813GB150-98允许产生微量变形场合767574584433251813GB150-98107106105968165503830GB150-98允许产生微量变形场合797878767365503830GB150-98107--------GB150-98允许产生微量变形场合79--------GB150-98107106105968165503830GB150-98允许产生微量变形场合797878767365503830GB150-98---------GB150-98允许产生微量变形场合---------GB150-98---------GB150-98允许产生微量变形场合---------GB150-98---------GB150-98允许产生微量变形场合---------GB150-98---------GB150-98---------GB150-98---------GB150-98---------GB150-98---------GB150-98---------GB150-98---------GB150-98---------GB150-98---------GB150-98---------GB150-98---------GB150-98---------GB150-98---------GB150-98---------GB150-987150-------GB150-987150-------GB150-986850-------GB150-98815837------GB150-98815837------GB150-98795837------GB150-9889825735-----GB150-9897--------GB150-9897--------GB150-9889614637-----GB150-9889614637-----GB150-986246352618----GB150-986246352618----GB150-987253382616----GB150-981009891796452423227GB150-98允许产生微量变形场合747371676252423227GB150-9810310183584433251813GB150-98允许产生微量变形场合767574584433251813GB150-98107106105968165503830GB150-98允许产生微量变形场合797878767365503830GB150-98107--------GB150-98允许产生微量变形场合79--------GB150-98107106105968165503830GB150-98允许产生微量变形场合797878767365503830GB150-98---------GB150-98允许产生微量变形场合---------GB150-98---------GB150-98允许产生微量变形场合---------GB150-98---------GB150-98允许产生微量变形场合---------GB150-98---------GB150-98---------GB150-98---------GB150-98---------GB150-98---------GB150-9849--------GB150-9849--------GB150-9849--------GB150-98---------GB150-98---------GB150-98---------GB150-98---------GB150-98---------GB150-98---------GB150-98---------GB150-98---------GB150-98---------GB150-98---------GB150-98---------GB150-98885837------GB150-98885837------GB150-987950-------GB150-987950-------GB150-9889825735-----GB150-9889825735-----GB150-9889614637-----GB150-9889614637-----GB150-986246352618----GB150-987253382616----GB150-981009891796452423227GB150-98允许产生微量变形场合747371676252423227GB150-9810310183584433251813GB150-98允许产生微量变形场合767574584433251813GB150-98107106105968165503830GB150-98允许产生微量变形场合797878767365503830GB150-98---------GB150-98允许产生微量变形场合---------GB150-98---------GB150-98允许产生微量变形场合---------GB150-98---------GB150-98。
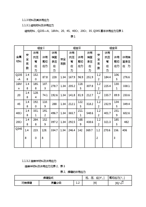
1.1.3材料及其许用应力
1.1.3.1结构材料及许用应力
结构材料,Q235—A、16Mn、20、45、40Cr、20Cr、35 ,Q345基本许用应力见表1
表1
1.1.3.2连接件材料及许用应力
连接件材料及许用应力见表2、表3
表2、焊缝的许用应力
表3、螺栓和销轴连接的许用应力
注:当销轴在工作中可能产生微动时,承压许用应力降低50%。
Q是指钢材屈服点,所以用“屈”字汉语拼音首位字母。
后面是数字是代表屈服点是235N/m m2 ,335N/mm2 ,245N/mm2后面的字母代表是等级为B,共分ABCD几个等级。
Q235表述屈服强度为235MPa的钢板;低合金钢中Q235A和Q235B中的A、B是质量等级的区别,其最主要的区别在于是否需要做常温冲击试验,A不需要做,B需要做。
还存在一些细微区别,Q235A与Q235B的其他区别:
1、化学成分:Q235A:C:0.14~0.22:Mn:0.30~0.65;S:0.050
Q235B:C:0.12~0.20:Mn:0.30~0.70;S:0.045
2、力学性能:拉伸试验没有区别,冲击试验A不做,B做20度冲击试验,V型冲击功(纵向)J不小于27。
Q335B:同上,屈服强度为335MPa的B级钢板
Q345B:同上,屈服强度为345MPa的B级钢板。
Q235A许用应力材料Q235A的许用剪切应力一般,塑性材料〔τ〕=(06~08)〔σ〕脆性材料〔τ〕=(08~10)〔σ〕材料Q235A的屈服强度是235N平方毫米,许用07X235 我们一般采取30KG力平不同的材料其许用应力是不同的在工程中,通常将延伸率dg5%的材料称为塑性材料,延伸率d5%的材料称为脆性材料Q235-A、45钢都属于塑性材料,因此,它们应以屈服应力ss作( 2 ( 2 2 强度条件表示为r ,这里 1 , 2 , 3 为第一、第二和第三主应力, 为材料的许用应力根据车架材料Q235A,其许用应力235 10 Pa ,刚度方面,其在各种工况下的变 64测试结果及分析各工况下最大应力汇总见表1(1)中粱外八字盖板端头131点合成应力最大值为1685MPa,发生在20英尺集装箱工况,大于Q235A钢许用应力161MPa,但超过值在5求助材料Q235A的许用剪切应力李世民111 级别学徒工精华0 发帖1 威望 3 点金钱895 机械币贡献值0 点注册时间最后登录材料Q235A抗弯曲力计算悬赏分:0 |解决时间:2010-12-31 20:45 |提问者:yhw_11234|检举由墙里水平伸出一根钢板,伸出长度2米,钢板厚20mm,宽80mm,(钢板是立着伸出来的,Q235的),我要在端头挂重物,请问下,我最大能挂多重的东西使得钢板不弯曲变形。
这个抗弯曲力是怎么算的,请教下专家,能告诉我具体公式吗,我是学电的不懂力学,想知道个公式以后自己能会算。
谢谢了!最佳答案最大弯矩为:M=P(力)×A(距离)矩形的截面系数W=a×b×b÷6=2×8×8÷6=21.33(厘米3次方)材料的允许应力〔σ〕取1550(kgf/cm^2)=M÷W=P×A÷21.33=P×200÷21.33 P=1550÷200×21.33=165(公斤力)注:从微观来讲,只要点重的东西都会使得钢板弯曲变形,只是弯曲变形量多少的事,现在给你算的是钢板能承受多少力较为符合实际。
压力管道等级表和特性表使用说明及相关规范一.压力管道定义:1. 压力管道的重要性:国家质量监督检验检疫总局颁发的《特种设备监察条例》中,将压力管道列为特种设备监察的管理范筹,轻工协会压力管道管理委员会每四年进行一次换证大检查,其间还有不定期的抽查,不合格者将取消单位资格。
公司每年ISO内审之前各生产室应将该年度的压力管道设计项目内容形成报表上报公司生产技术部。
公司每年的ISO内审,涵盖压力管道设计审查工作,其审核由具有压力管道审核资格的内审员负责压力管道的内审,审核内容单列。
2. 压力管道定义:《特种设备监察条例》第七章规定“压力管道,是指利用一定的压力,用于输送气体或者液体管状设备,其范围规定为最高工作压力大于或等于0.1MPa(表压)的气体、液化气体、蒸汽介质或者可燃、易爆、有毒、有腐蚀性、最高工作温度高于或者等于标准沸点的液体介质,且公称直径大于25mm的管道。
”根据该定义,必须同时满足以下要求的管道才属于压力管道:2.1 输送介质为最高工作压力大于或者等于0.1Mpa(表压)的气体、液化气体、蒸汽或者可燃、易爆、有毒、有腐蚀性、最高工作温度高于或者等于标准沸点的液体;2.2 管道公称直径大于25mm。
2.3 压力管道用管子、管件、阀门、法兰、补偿器、安全保护装置等产品均属于压力管道安全管理及监察的范围。
压力管道用管件包括弯头、弯管、三通、异径管、接管座、法兰、堵头、封头等。
压力管道用管道附件(元件)包括:管件、法兰(含螺栓及螺母)、垫片、阀门及其组合件,绝缘法兰、绝缘接头、清管器、收发筒等管道专用部件。
3. 本公司涉及的常用压力管道本公司热力、暖通、造纸、食品、医药各专业可能涉及的压力管道一般包括:蒸汽管道、液化气、天然气、锅炉给水管道、氨气管道、氨液管道、氧气管道、氢气管道、二氧化碳管道、压缩空气管道、高于沸点的凝结水管道、0.1MPa蒸汽伴热管、环氧丙烷管道、烧碱液(浓度>30%)管道、氯气管道、酒精管道、甲醇管道、酸液管道等以及其它符合上述第1条规定的管道。
第一套一、单选或多选题1. 图中应力圆a 、b 、c 表示的应力状态分别为A 二向应力状态、纯剪切应力状态、三向应力状态;B 单向拉应力状态、单向压应力状态、三向应力状态;C 单向压应力状态、纯剪切应力状态、单向拉应力状态;D 单向拉应力状态、单向压应力状态、纯剪切应力状态。
正确答案是 C2.一点的应力状态如右图所示,则其主应力1σ、2σ、3σ分别为A 30MPa 、100 MPa 、50 MPaB 50 MPa 、30MPa 、-50MPaC 50 MPa 、0、-50MPaD -50 MPa 、30MPa 、50MPa正确答案是 B3.下面有关强度理论知识的几个论述,正确的是 。
A 需模拟实际应力状态逐一进行试验,确定极限应力;B 无需进行试验,只需关于材料破坏原因的假说;C 需要进行某些简单试验,无需关于材料破坏原因的假说;D 假设材料破坏的共同原因。
同时,需要简单试验结果。
正确答案是 D4.对于图示的应力状态,若测出x 、y 方向的线应变x ε、y ε,可以确定的材料弹性常数有:A 弹性模量E 、横向变形系数ν;B 弹性模量E 、剪切弹性模量G ;C 剪切弹性模量G 、横向变形系数ν;D 弹性模量E 、横向变形系数ν、剪切弹性模量G 。
正确答案是 D5.关于斜弯曲变形的下述说法,正确的是 A 、B 、D 。
A 是在两个相互垂直平面平面弯曲的组合变形;B 中性轴过横截面的形心;C 绕曲线在载荷作用面;D 绕曲线不在载荷作用面。
正确答案是 6.对莫尔积分dx EIx M x M l⎰=∆)()(的下述讨论,正确的是 C 。
A 只适用于弯曲变形;B 等式两端具有不相同的量纲;C 对于基本变形、组合变形均适用;D 只适用于直杆。
7.压杆临界力的大小,A 与压杆所承受的轴向压力大小有关;B 与压杆的柔度大小有关;C 与压杆所承受的轴向压力大小无关;D 与压杆的柔度大小无关。
正确答案是 B 、C8. 长为l 、横截面面积为A 的匀质等截面杆,两端分别受1F 和2F 力作用(1F <2F ) ,杆应力沿杆长的变化关系(不计摩擦)是 B 。
表A.1钢管材料许用应力单位为MPa
文案大全
表A.1钢管材料许用应力表(续)单位为MPa
文案大全
表A.1钢管材料许用应力表(续)单位为MPa
文案大全
表A.1钢管材料许用应力表(续)单位为MPa
文案大全
文案大全
表A.2 钢板材料许用应力单位为MPa
文案大全
表A.2 钢板材料许用应力表(续)单位为MPa
文案大全
文案大全
表A.3 螺栓材料许用应力表单位为MPa
文案大全
标准实用
表B.6 符合ASME B31.1标准材料的许用应力表单位为MPa
文案大全
表B.6 符合ASME B31.1标准材料的许用应力表(续) 单位为MPa
文案大全
表B.6 符合ASME B31.1标准材料的许用应力表(续) 单位为MPa
文案大全
表B.7 符合ASME B31.1标准材料的许用应力表(续) 单位为MPa
文案大全
文案大全
表B.7 符合EN 10216-2标准材料的许用应力表
文案大全
表B.7 符合EN 10216-2标准材料的许用应力表
文案大全
文案大全
标准实用。
最新电大专科《建筑力学》机考网考题库及答案一、单项选择题1.若刚体在二个力作用下处于平衡,则此二个力必( D )。
D.大小相等,方向相反,作用在同一直线2.由两个物体组成的物体系统,共具有( 6 )独立的平衡方程。
D.63.静定结构的几何组成特征是( )。
B.体系几何不变且无多余约束4.低碳钢的拉伸过程中,胡克定律在( )范围内成立。
A.弹性阶段1.约束反力中含有力偶的支座为( )。
B.固定端支座2.截面法求杆件截面内力的三个主要步骤顺序为( D)。
D.取分离体、画受力图、列平衡方程3.在一对( )位于杆件的纵向平面内的力偶作用下,杆‘件将产生弯曲变形,杆的轴线由直线弯曲成曲线。
B.大小相等、方向相反4.低碳钢的拉伸过程中,( )阶段的特点是应力几乎不变。
B.屈服1.约束反力中能确定约束反力方向的约束为( )。
D.光滑接触面2.平面平行力系有( )个独立的平衡方程,可用来求解未知量。
C.23.三个刚片用( )两两相连,组成几何不变体系。
A.不在同一直线的三个单铰6.在梁的强度计算中,必须满足( )强度条件。
C.正应力和剪应力7.在力法典型方程的系数和自由项中,数值范围可为正、负实数或零的有( )。
D.副系数和自由项9.利用正应力强度条件,可进行( )三个方面的计算。
C.强度校核、选择截面尺寸、计算允许荷载10.在图乘法中,欲求某点的转角,则应在该点虚设( )。
D.单位力偶1.既限制物体沿任何方向运动,又限制物体转动的支座称为( )。
C.固定端支座2.如图所示结构为( )。
C.几何不变体系,无多余约束3.截面法求杆件截面内力的三个主要步骤顺序为( )。
D.取分离体、画受力图、列平衡方程4.力的作用线都互相平行的平面力系是( ) C.平面平行力系5.结点法计算静定平面桁架,其所取脱离体上的未知轴力数一般不超过( )个。
B.26.低碳钢的拉伸过程中,( )阶段的特点是应力几乎不变。
B.屈服7.轴向拉(压)时,杆件横截面上的正应力( )分布。
表A.1钢管材料许用应力单位为MPa
表A.1钢管材料许用应力表(续)单位为MPa
表A.1钢管材料许用应力表(续)单位为MPa
表A.1钢管材料许用应力表(续)单位为MPa
表A.2 钢板材料许用应力单位为MPa
表A.2 钢板材料许用应力表(续)单位为MPa
表A.3 螺栓材料许用应力表单位为MPa
精品文档
表B.6 符合ASME B31.1标准材料的许用应力表单位为MPa
表B.6 符合ASME B31.1标准材料的许用应力表(续) 单位为MPa
表B.6 符合ASME B31.1标准材料的许用应力表(续) 单位为MPa
表B.7 符合ASME B31.1标准材料的许用应力表(续) 单位为MPa
表B.7 符合EN 10216-2标准材料的许用应力表
表B.7 符合EN 10216-2标准材料的许用应力表
精品文档。
ASME规范规范材料材料性能许用应力ASME锅炉压力容器规范每三年改版一次,2004版规范在去年的8月已经公布。
笔者对照上一版本(含增补),在《ASME在中国》2004 No.4期上撰文《关于2004年版ASME规范第II卷的A篇和D篇的翻译及与2001年版差异的说明》,向读者介绍了第II卷的A篇《铁基材料》新版本的总体变动情况,本文将从6个方面具体介绍第II卷的D篇《材料性能》。
笔者在翻译2004版第II卷的D篇的过程中,与2001年版相比,发现第II卷的D篇在各卷册中变动最大。
通常了解规范各卷内容变更的方法是查阅卷前的“变更一览表”,而第II卷D篇新改版不提供“变更一览表”,只有在后2年发布规范“增补”时才能见到。
尽管第II卷D篇每次增补变动量也不小,但总体上仅仅是页数的变化、各应力表格中钢种的增有减,以及对个别钢材的应力值的调整。
而2004版D篇的变动已经远远超出这种程度,本人认为,造成2004版第II卷D篇发生很大变动的主要原因有以下几点:1)2001版的II卷D篇出了2种单位制的版本,即美国习惯单位版本和公制单位版本。
在公制单位版本中,无论是规格尺寸或厚度、长度尺寸,还有最大许用应力值S和设计应力强度值Sm、各个温度下材料的抗拉强度和屈服强度值,以及对于材料的物理性能数据,都采用公制单位(SI单位)。
首先,温度值不再使用华氏温度。
F,而改变为摄氏温度。
℃;应力值或强度值不再使用psi或ksi,而改用MPa。
因此,在2004版第II卷D篇的名称上还特地示出为:“PART-D ---- PROPERTIES(Metric)”。
在长达近百年的ASME 规范的出版历程中,出版使用国际单位(SI)制的材料性能数据还是首次。
2)2004年版第II卷的D篇第一次针对规范第XII卷《运输罐的建造和连续使用规则》,给出了在设计锅炉及压力容器中所须引用到的规范规定材料的最大许用应力值S以及在规范产品上使用这些材料的过程中需要引用的“注解”。
精选文档,.表A.1钢管资料许用应力单位为MPa产品形式规定的室温拉伸强度金度牌号或级别MPa℃及标准号管壁厚度Rm ReL或Rp0.220250260270280290300310320330340350360370380390400410420mm 无缝管20Ga15MoG12CrMoG15CrMoG12Cr2MoGGB531012Cr1MoVG10Cr9Mo1VNbN t≤7510Cr9Mo1VNbN t>7507Cr19Ni1007Cr18Ni11NbGB308710t≤16t>16410~55024513712512312011811511311110910610210097959289878378 450~600270150116115114113112111110109108107106106105105104104103102 410~560205137114112110108106104102101100999896959493929190 440~640295147147147146145144143141140138136135132132131129128127126 450~600280150123123123123123123123123123123123123123123123123123123 470~640255157156155154153152151149148146144143141140138137135133132 585~830415168166165165164164164163163162161161159157156154153150148 585~830415168166165165164164164163163162161161159157156154153150148≥515205137113111110109108107106105105104103102101100100999898≥520205137131130129128126125124123122122121120119119118118117117 335~47520511210410198969391898785838078767573706866 195精选文档;.表A.1钢管资料许用应力表(续)单位为MPa金属温度℃430 440 450 460 470 480 490 500 510 520530 540 550 560 570 580 590 600 610 620 630 640 650 660标准号牌号或级别无缝钢管72635547413720G 10210110099999415MoG 898989888786868673604912CrMoG 12512412312212011911296826959494115CrMoG 1221201141081039689817467615448423712Cr2MoG131130128126125124121118998879726558GB531012Cr1MoVG 10Cr9Mo1VNb14514314113813513212912612211811511110799.692.283.874.465.057.249.442.035.528.9N≤75mm10Cr9Mo1VNb 14514314113813513212912612211911510910394.085.076.869.261.655.248.842.335.628.9N>75mm 97969594949393929191908988888376706459545046423807Cr19Ni10 117116116116115115115115114114113113112112109104999182736760544907Cr18Ni11Nb 615549GB308710;.表A.1钢管资料许用应力表(续)单位为MPa产品形式 规定的室温拉伸强度金 属 温度牌号或级别及标准号MPa℃管壁厚度Rm ReL 或20250260270280290300310320330340350360370380390400410420mmRp0.2无缝钢管GB308720Q345b 、cGB/T81631020焊接钢管d Q235Bb 、c GB/T3091Q345b 、ct ≤16t>16 u t≤16v 16<t ≤30w t>30 x t ≤16 y 16<t ≤30z t>30 aa t≤16 bb16<t ≤30cc t >30 dd ee t ≤16fft>16gg ≤16t>16410-55024513712512312011811511311110910610210097959289878378 235345470-630325295205335-47519511210410198969391898785838078767573706866 185245410-53023513712512312011811511311110910610210097959289978378 225370235225345325;.,.表A.1钢管资料许用应力表(续)单位为MPa金属温度℃430 440 450 460 470 480 490 500 510 520 530 540 550 560 570 580 590 600 610 620 630 640 650 660牌号或级别无缝钢管20 726355GB3087Q345b、c615549GB/T81631075665720焊接钢管dQ235b、cGB/T3091Q345b、c ;.注1:相邻金属温度数值之间的许用应力可用算数内插法确立,但需舍弃小数点后的数字。
表A.1钢管材料许用应力单位为MPa
文案大全
表A.1钢管材料许用应力表(续)单位为MPa
文案大全
表A.1钢管材料许用应力表(续)单位为MPa
文案大全
表A.1钢管材料许用应力表(续)单位为MPa
文案大全
文案大全
表A.2 钢板材料许用应力单位为MPa
文案大全
表A.2 钢板材料许用应力表(续)单位为MPa
文案大全
文案大全
表A.3 螺栓材料许用应力表单位为MPa
文案大全
标准实用
表B.6 符合ASME B31.1标准材料的许用应力表单位为MPa
文案大全
表B.6 符合ASME B31.1标准材料的许用应力表(续) 单位为MPa
文案大全
表B.6 符合ASME B31.1标准材料的许用应力表(续) 单位为MPa
文案大全
表B.7 符合ASME B31.1标准材料的许用应力表(续) 单位为MPa
文案大全
文案大全
表B.7 符合EN 10216-2标准材料的许用应力表
文案大全
表B.7 符合EN 10216-2标准材料的许用应力表
文案大全
文案大全
标准实用。