标准变更申请审批表
- 格式:doc
- 大小:50.00 KB
- 文档页数:2
设计变更管理办法4.2 设计变更申请流程4.2.1设计、施工、建设单位等参建单位要求对工程设计进行变更时,填写《工程设计变更申请单》(记录格式 202000.08-R1-2013)(见附录A),附变更原因、变更方案(简图)及申请变更费用计算书,报业主项目部和监理单位审核。
4.2.2监理单位根据《工程设计变更申请单》组织召开监理会议,监理会议讨论设计变更内容,确定变更执行方案,当场填写《设计变更会签单》(记录格式 202000.08-R3-2013)(见附录C),参会各方签认,会议讨论变更事项列入监理会议纪要。
4.2.3当设计变更方案较复杂时,监理会议应明确变更方案的主要原则,并进行会签,由设计单位按会议要求在会后5个工作日内出具变更方案,作为设计变更审批的依据。
4.2.4设计变更申请单位填写《工程设计变更审批单》(记录格式 202000.08-R2-2013)(见附录B),附《设计变更会签单》、经审核的变更方案和变更费用计算书,提交相关单位审核签字,并由相应权限部门完成设计变更的审批。
一般设计变更的审批应在5个工作日内完成,重大设计变更的审批应在15个工作日内完成。
4.2.5重大技术方案改变或重大设计变更经项目组织单位审核后,由项目组织单位填写《重大设计变更评审申请表》(记录格式 202000.08-R4-2013)(见附录D),提交公司基建部和规划评审中心,规划评审中心组织进行重大设计变更评审,并出具评审意见,报公司基建部批准。
4.2.6建立单位审核变更工程量,造价咨询单位审核变更费用计算书,小型工程未设造价咨询单位时,变更费用计算书由设计单位技经人员审核、签署意见并加盖造价专业资格执业章,作为该变更的造价控制限价。
4.2.7如审批部门对监理会议形成的变更执行意见存在异议,可组织专家论证,或委托规划评审中心进行审核,但不应超过审批时限。
4.2.8设计人应在取得批准后的《工程设计变更审批单》3个工作日内完成设计变更文件,由监理单位及时下发现场执行。
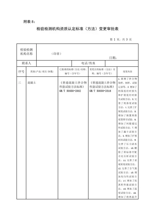
附表8:
检验检测机构资质认定标准(方法)变更审批表
第1 页,共3 页
注:①“序号、资质认定项目名称”应与《证书附表》一致;
②如标准(方法)仅为年号、编号变化,或变更的内容不涉及实际检验检测能力变化,可填写此表;
③机构如选择自我承诺的方式,资质认定部门无需组织专业技术评价组织/专家审查,直接批准,在
后续监督管理中对被审批单位承诺内容是否属实进行检查,发现承诺内容不实,资质认定部门将撤销审批决定,并将相关情况记入诚信档案。
附表8:
检验检测机构资质认定标准(方法)变更审批表
第2 页,共3 页
注:①“序号、资质认定项目名称”应与《证书附表》一致;
②如标准(方法)仅为年号、编号变化,或变更的内容不涉及实际检验检测能力变化,可填写此表;
③机构如选择自我承诺的方式,资质认定部门无需组织专业技术评价组织/专家审查,直接批准,在后续监督
管理中对被审批单位承诺内容是否属实进行检查,发现承诺内容不实,资质认定部门将撤销审批
决定,并将相关情况记入诚信档案。
附表8:
检验检测机构资质认定标准(方法)变更审批表
第3 页,共3 页
注:①“序号、资质认定项目名称”应与《证书附表》一致;
②如标准(方法)仅为年号、编号变化,或变更的内容不涉及实际检验检测能力变化,可填写此表;
③机构如选择自我承诺的方式,资质认定部门无需组织专业技术评价组织/专家审查,直接批准,在
后续监督管理中对被审批单位承诺内容是否属实进行检查,发现承诺内容不实,资质认定部门将撤销审批决定,并将相关情况记入诚信档案。
项目变更审批表一、引言在项目管理中,变更控制是确保项目按照预定的计划和预算进行的重要环节。
当项目的范围、进度、成本或质量发生变更时,需要有一个正式的变更审批流程来加以管理和控制。
本文档旨在提供一份项目变更审批表的范例,以指导项目团队进行变更审批。
二、变更审批表1、变更信息(1)变更名称:______________(2)变更提出者:______________(3)提出日期:______________(4)变更描述:______________2、受影响的范围(1)项目范围:______________(2)进度:______________(3)成本:______________(4)质量:______________3、审批流程(1)提出者将变更申请提交给项目经理。
(2)项目经理对变更进行初步评估,并决定是否需要进一步审批。
(3)如果需要进一步审批,项目经理将变更申请提交给变更控制委员会(CCB)。
(4)CCB对变更申请进行审查,并决定是否批准。
(5)如果批准,CCB将变更通知发送给所有相关干系人。
(6)如果拒绝,项目经理将通知提出者并说明原因。
4、审批结果(1)批准日期:______________(2)批准者:______________(3)批准说明:______________(4)实施计划:______________三、总结项目变更审批表是项目管理中确保变更得到有效控制的重要工具。
通过明确记录变更的信息、受影响的范围以及审批流程,项目团队可以更好地管理和控制项目变更。
在实际应用中,可以根据具体情况对本文档进行修改和调整,以满足不同项目的需求。
项目需求变更审批表一、引言在项目管理中,需求变更是一个不可避免的部分。
然而,有效的需求变更管理对于项目的成功至关重要。
本文将介绍一个实用的方法,通过使用“项目需求变更审批表”来规范化管理需求变更的过程。
二、项目需求变更审批表概述项目需求变更审批表是一个用于记录和审批需求变更的表格。
实验室资质认定标准变更申请/审批表
第页,共页实验室名称
联系人电话/手机
序号产品/参数名称
已批准的标准名
称、代号(含年号)
变更后的标准名
称、代号(含年号)
主要变更内容
注:如有更多标准变更,可增加行。
受理人签字栏和批准意见签字栏放在最后一页即可。
受理人确认
意见
受理人:日期:
发证部门审核
批准意见(公章)
批准人签字:日期:
注:①此表一式两份,“序号、资质认定项目名称”应与《证书附表》一致;
②申请时应携带《证书附表》复印件,及变更标准后《证书附表》的变化部分一式二份和电子版;
③如标准仅为年号、编号变化,或变更的标准经专家文审确认具有检测能力的,经专家签字确认后,由发证机关发放变化部分的《证书附表》,或此审批表。
④标准变更如涉及仪器设备、环境条件、检验方法等检测能力的实质性变化,应按照扩项办理。
吉林省质量技术监督局编制
实验室资质认定标准变更专家审查意见表
第页,共页
序号产品/参数名称
已批准的标准名
称、代号(含年号)
变更后的标准名
称、代号(含年号)
主要变更内容
专家审查意见
(说明新标准是否涉及仪器设备、环
境条件、检验方法等变化,机构检验
能力能否满足新标准要求等)
专家签字
注:如有更多标准变更,可增加行。