2021年塔吊沉降观测记录措施
- 格式:doc
- 大小:28.01 KB
- 文档页数:3
施工塔吊基座的沉降观测方法
为了避免塔吊基座沉降(尤其是不均匀沉降)而影响正常施工,和发生意外事故,因此对塔吊基座进行观测,检查塔吊基础下沉和倾斜状况,以确保塔吊运转安全,工作正常。
加强工程测量管理,提高工程的施工质量在实际施工过程中,我们必须加强工程测量管理,采取确实可行的措施,全方位的做好施工测量放线工作,以保证和提高施工质量。
具体如下:第一、提高测量放线人员的素质。
作为一个合格的、专业的测量员,首先要具备吃苦耐劳、细心谨慎、团结协作的基本条件。
提高读图能力,强化质量意识,养成事前反复考虑,事后认真检查的好习惯。
第二、增加测量仪器的成本投入,采取先进的测量工具,做好测量仪器的定期检测工作。
第三、全员参与,从领导到各专业工程师均要提高对测量工作的认识,参与对测量放线的成果反复检查,及时纠正错误。
第四、合理安排施工工序,为测量放线提供较好的施工环境,从而保证测量放线成果。
以上几点是提高工程施工质量的非常重要地前提。
第五、结束语鉴于建筑工程测量技术的重要性,对当前施工工地上的测量技术从
测量精度和操作简便度入手,不断改进更精确更简便的方法。
同时,应当运用新的科学技术,来寻找新的测量方法。
为保证施工质量,还应该不断总结施工测量中的注意事项,切实在测量中注意到这些容易出问题的环节,使测量工作真正做到位。
纵上所述,工程测量与工程施工质量之间存在必然的联系,测量工作在施工质量管理过程中起到了非常重要的作用。
我们在实际的施工过程中必须充分认识到测量工作的重要性,科学管理,让测量工作更好的为施工质量管理服务,提高施工质量,为国家、为社会建造出更多更好的优质精品工程。
关于泊车楼8#塔吊变形不雅测措施及请求一.情形概述8#塔吊垂直度不雅测记载于9月25日对塔吊基本节顶部程度位移不雅测发明,南北向程度误差约为15mm,为此次塔吊竖直的直接原因.经由对以上数据的统计剖析及对现场的勘探发明,消失以下问题:1.无塔吊装配基本数据及塔吊基本误差数据,无法断定塔吊竖直是由装配误差造成的照样因为应用进程中地基的不平均沉降造成.2.不雅测点安插随便(多次不雅测点仪器装配地位不同一.不雅测频次也无具体请求),不雅测人员,仪器应用不固定.不雅测数据不克不及真实反应塔吊的垂直误差状态.针对以上问题,特制订本措施以规范塔吊不雅测,在一周密两周的时光找出塔吊垂直误差的原因和肯定塔吊的安然状态,进而肯定是正常应用照样裁撤重装.二.测量安插三.不雅测频次1.每两天测一次:定于2009年9月28日.30日,10月2日.4日.6日.8日.10日.2.同期对7#.9#.10#塔吊进行塔吊基本不平均沉降及塔吊垂直度进行测量,至少每周一次(2009年9月28日起),义务人:7#—吴佳禄.9#—段玉龙.10#—包文.四.数据收集及报送不雅测数据整顿后实时报送至:杨勇.陈芝轩.杨寿坤处.报送实时,数据真实.有用.五.不雅测点安插1.位移测量测点固定,每次仪器装配于同一地位进行测量(分1#.2#位进行两个角点的测量),大臂偏向同一置于器械偏向.沿塔高分上.中.下分离测设两个垂直误差值.2.基本不平均沉降测量按图示地位选定一个测点,以15#掌握点为基准进行塔吊四个角点的沉降不雅测六.对8#塔吊限制应用的请求1.在未肯定塔吊已可正常应用和变形仍在增长进程中,均只许可白日应用,制止晚上应用,以免产生平常情形而不克不及实时处理.2.再次对塔吊操纵人员进行技巧交底,应用进程中若发明平常情形,立刻停用.3.批示人员到位(起吊点一人.落点一人),保持旌旗灯号疏浚,亲密存眷塔吊整体变形情形,制止消失拖.拉.拽等违规操纵,保持“十不吊”,在吊运物料的进程中制止挂碰任何物件,防止不测产生.4.由批示人员包管塔吊不超载.云南建工第五扶植有限公司新机场项目部2009年9月28日。
塔吊沉降观测记录
塔吊沉降观测记录
一、观测点布置图
为确保塔吊的沉降观测准确性,需在塔吊基础周围设置观测点。
观测点的位置应按照规范要求进行选择,并绘制观测点布置图。
二、观测点标识
每个观测点应设置明显的标识,以便在观测时能够准确找到每个点的位置。
标识可以包括颜色标识、标签或标志物等。
三、观测时间与周期
沉降观测需要定时进行,观测时间应选择塔吊基础施工完成后,并记录每个观测时间点。
观测周期应根据工程实际情况而定,一般可按照每周一次的频率进行。
四、观测方法与仪器
沉降观测应采用精密水准仪进行测量。
每次观测前应对水准仪进行检查和校准,以确保观测数据的准确性。
同时,应按照规范要求进行测量,确保数据的可靠性。
五、观测数据记录
每次观测后应将数据记录在表格中,包括观测时间、观测点编号、高程等数据。
数据记录应准确、完整,并按照时间顺序进行整理。
六、数据处理与分析
根据记录的数据,可以进行数据处理和分析。
通过计算相邻观测点之间的高差变化,可以得出每个观测点的沉降量。
同时,可以根据沉降量绘制沉降曲线图,以便更好地分析沉降趋势。
七、沉降趋势预测
根据沉降曲线图和数据处理结果,可以对塔吊基础的沉降趋势进行预测。
预测结果可以为工程设计和施工提供参考依据。
八、安全评估与建议
根据沉降观测结果和预测趋势,可以对塔吊的安全性进行评估。
如果发现沉降量过大或沉降不均匀等问题,应及时采取措施进行加固或调整。
同时,可以提出一些建议,如加强塔吊基础的稳定性、定期检查塔吊的运行状态等,以确保工程的安全性。
关于停车楼8 #塔吊变形观测措施及要求一、情况概述8#塔吊垂直度观测记录于9月25日对塔吊基础节顶部水平位移观测发现,南北向水平误差约为15m m,为此次塔吊倾斜的直接原因。
经过对以上数据的统计分析及对现场的勘察发现,存在以下问题:1、无塔吊安装基础数据及塔吊基础误差数据,无法判断塔吊倾斜是由安装误差造成的还是由于使用过程中地基的不均匀沉降造成。
2、观测点布置随意(多次观测点仪器安装位置不统一、观测频次也无具体要求),观测人员,仪器使用不固定。
观测数据不能真实反映塔吊的垂直偏差状况。
针对以上问题,特制定本措施以规范塔吊观测,在一周到两周的时间找出塔吊垂直偏差的原因和确定塔吊的安全状况,进而确定是正常使用还是拆除重装、测量安排三、观测频次1、每两天测一次:定于2009年9月28日、30日,10月2日、4 日、6日、8日、10日。
2、同期对7#、9#、10#塔吊进行塔吊基础不均匀沉降及塔吊垂直度进行测量,至少每周一次(2009年9月28日起),责任人:7#—吴佳禄、9#—段玉龙、10#—包文。
四、数据收集及报送观测数据整理后及时报送至:杨勇、陈芝轩、杨寿坤处。
报送及时,数据真实、有效。
五、观测点布置>1V1 | I ■,H,1、位移测量测点固定,每次仪器安装于同一位置进行测量(分1#、2#位进行两个角点的测量),大臂方向统一置于东西方向。
沿塔高分上、中、下分别测设两个垂直偏差值。
2、基础不均匀沉降测量按图示位置选定一个测点,以15#控制点为基准进行塔吊四个角点的沉降观测六、对8#塔吊限制使用的要求1、在未确定塔吊已可正常使用和变形仍在增加过程中,均只允许白天使用,禁止晚上使用,以免发生异常情况而不能及时处理。
2、再次对塔吊操作人员进行技术交底,使用过程中若发现异常情况,立即停用。
3、指挥人员到位(起吊点一人、落点一人),保持信号畅通,密切关注塔吊整体变形情况,禁止出现拖、拉、拽等违规操作,坚持“十不吊”,在吊运物料的过程中禁止挂碰任何物件,防止意外发生。
建筑物沉降观测记录一、观测目的和背景在城市的快速发展和建设过程中,建筑物沉降一直是一个重要的问题。
建筑物的沉降不可避免地会对结构的稳定性和整体性产生影响,甚至可能给建筑物带来严重的损害。
因此,对建筑物沉降的观测和监测非常重要,可以提早发现沉降情况,采取相应的措施进行修复和加固。
本次观测是对一座新建的多层办公楼进行沉降观测,旨在了解建筑物的沉降情况,评估建筑物的结构稳定性,并提供参考数据,用于建设单位的建筑物质量监督和维护。
二、观测方法和仪器设备1.观测方法本次观测采用了水准法和激光测距法两种观测方法,以提高观测的准确性和可信度。
(1)水准法:使用高精度水准仪对建筑物的各个测点进行高程观测和记录。
(2)激光测距法:使用激光测距仪对建筑物的各个测点进行水平距离的观测和记录。
2.仪器设备本次观测使用的仪器设备主要包括:(1)高精度水准仪:保证高程观测的准确性和稳定性。
(2)激光测距仪:提供了高精度的水平距离观测和记录。
三、观测方案和结果分析1.观测方案为了全面了解建筑物的沉降情况,观测人员选取了建筑物的关键点进行观测,包括主体结构的支柱和墙体等。
观测周期为每半年一次,观测时间为一周,每天进行两次观测,上午和下午各一次。
观测数据通过仪器设备直接记录并保存,同时进行数据处理和分析。
2.观测结果分析经过一段时间的观测和数据处理,得到了如下的观测结果:(1)建筑物各个测点的高程沉降情况:根据水准观测数据,计算出每个测点的高程沉降量,并绘制沉降曲线图。
(2)建筑物各个测点的水平位移情况:根据激光测距数据,计算出每个测点的水平位移量,并绘制位移曲线图。
通过对观测结果的分析,可以得出建筑物的沉降情况和趋势,并及时采取相应的措施进行修复和加固。
四、观测结论和建议根据观测结果的分析和评估,得出了以下观测结论和建议:1.建筑物的沉降情况较为稳定,整体沉降量在合理范围内,没有明显的异常情况。
2.建筑物的沉降趋势为逐渐平稳,未出现大幅度的加剧或减缓。
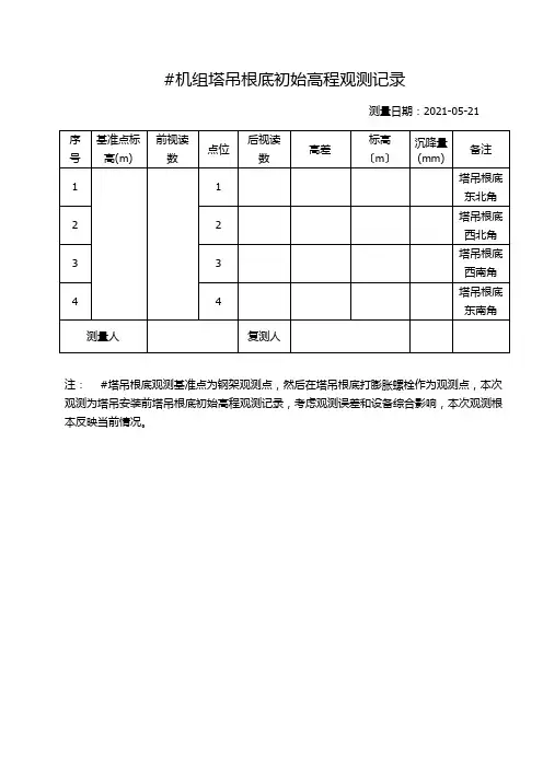
#机组塔吊根底初始高程观测记录
测量日期:2021-05-21
注: #塔吊根底观测基准点为钢架观测点,然后在塔吊根底打膨胀螺栓作为观测点,本次观测为塔吊安装前塔吊根底初始高程观测记录,考虑观测误差和设备综合影响,本次观测根本反映当前情况。
#组塔吊根底高程及塔吊垂直度观测记录
测量日期:2021-05-21
注:1、#1机组塔吊根底观测基准点为锅炉钢架观测点,然后在塔吊根底打膨胀螺栓作为观测点,本次观测为塔吊安装开始顶升前塔吊根底初始高程观测记录,考虑观测误差和设备综合影响,本次观测根本反映当前情况。
建筑塔吊基础沉降观测技术
为了避免塔吊基础沉降(尤其是不均匀沉降)对正常施工和事故的影响,对塔吊基础进行了观测,并对塔吊基础的沉降和倾斜进行了检查,以确保塔吊的安全运行和正常运行。
在实际施工中加强工程测量管理,提高工程施工质量.
为了避免塔吊基础沉降(尤其是不均匀沉降)对正常施工和事故的影响,对塔吊基础进行观测,并检查塔吊基础的沉降和倾斜,以确保塔吊的安全运行和正常工作。
在实际施工过程中,加强工程测量管理,提高施工质量,必须加强工程测量管理,采取切实措施,全方位做好施工测量放线工作,确保和提高施工质量。
具体如下:一是提高测量放线人员素质。
作为一个合格的、专业的测量员,首先要具备吃苦耐劳、细心合作的基本条件。
提高看图能力,强化质量意识,养成事前三思,事后仔细检查的好习惯。
二是增加计量器具成本,采用先进的计量工具,做好计量器具的定期检验工作。
第三,全员参与,从领导到专业工程师都要提高对测量工作的认识,参与测量放线结果的反复检查,及时纠正错误。
第四,合理安排施工过程,为测量放线提供更好的施工环境,保证测量放线的结果。
以上几点是提高工程施工质量的重要前提。
第五,结论鉴于建筑工程测量技术的重要性,目前施工现场的测量技术从测量精度和操作简单性入手,不断改进更准确、更简单的方法。
同时,应该利用新的科学技术来寻找新的测量方法。
为了保证施工质量,我们应该不断总结施工测量中的注意事项,注意测量中这些容易出错的环节,使测量工作真正到位。
以上是“施工中塔吊基础沉降观测技术”的说明。
请登录获取更多信息。
塔吊沉降观测记录塔吊沉降观测是一项重要的安全监测工作,在塔吊使用过程中起着至关重要的作用。
为了确保塔吊的稳定性和安全性,需要进行定期的沉降观测。
下面给出塔吊沉降观测记录可能包含的相关参考内容。
1. 观测日期和观测地点确定观测日期和观测地点是记录中的首要内容,以确保沉降观测的准确性和一致性。
2. 塔吊基础信息记录塔吊的基础信息,包括塔吊的类型、品牌、型号等基本参数,以便后续分析和比较。
3. 塔吊安装时间和使用情况记录塔吊的安装时间和使用情况,包括开始使用日期、使用时长、是否经历过大风、地震等特殊天气条件,这些因素可能会对塔吊的沉降产生影响。
4. 沉降观测方法和仪器详细描述沉降观测的方法和使用的仪器设备,例如是否使用沉降标尺、水准仪、GNSS测量系统等,这有助于了解观测数据的可靠性和准确性。
5. 观测点和观测基准记录观测点的位置和观测基准,观测点通常位于塔吊基础周围,可以选择固定点或网格布点方式进行观测。
6. 观测频率和观测时间段记录观测的频率和观测的时间段,观测频率可能根据具体工程的需求而定,可选择每日、每周或每月进行观测,并记录每次观测的起止时间。
7. 沉降观测数据详细记录每次观测的沉降数据,可包括观测日期、观测点序号、观测点位置、观测点高程、观测点沉降量等信息。
可以选择以表格或图形的形式呈现数据,以便后续分析和比较。
8. 沉降数据分析和比较对观测数据进行分析和比较,可以计算每个观测点的平均沉降速率,观察沉降的趋势和特征,并与之前的观测数据进行比较,以判断沉降是否超过了允许的范围。
9. 异常情况描述和处理措施如出现异常情况,应详细描述异常的原因和表现,并记录采取的处理措施,如是否进行调整、加固、更换等。
10. 结论和建议根据观测数据和分析结果得出结论,并提出相应的建议,例如是否需要采取进一步的措施来保障塔吊的安全和稳定。
综上所述,塔吊沉降观测记录中可能包含的相关参考内容主要包括观测日期和地点、塔吊基础信息、安装时间和使用情况、观测方法和仪器、观测点和观测基准、观测频率和时间段、沉降观测数据、数据分析和比较、异常情况描述和处理、结论和建议等方面,旨在全面记录塔吊的沉降情况并提供安全分析的依据。
塔吊基础沉降观测记录一、观测目的二、观测装置观测采用水平仪、水准仪等装置配合使用。
水平仪用于测量塔吊主体的水平度,水准仪用于测量基础的沉降情况。
三、观测时间和频率观测时间一般为基础施工完工后开始,直到塔吊拆除结束。
观测频率一般为每月一次,也可以根据工程情况适当增减观测频率。
四、观测方法1.检查塔吊主体的水平度,确保塔吊主体稳定。
2.定点观测基础的沉降情况。
选择至少3个稳定的固定点,通过水准仪测量每个点的高程值,并记录下来。
3.每次观测前,确保仪器准确校正。
4.观测时,应避免人员和设备的振动对测量结果的影响。
五、观测记录观测日期:XXXX年XX月XX日观测者:XXXX观测装置:水准仪观测点编号:1、2、3观测结果:观测点编号高程值(m) 沉降量(mm)1XXXXXXX2XXXXXXX3XXXXXXX注:高程值为相对基准面的高度,沉降量为相对观测起始时刻的沉降值。
六、数据分析与处理1.根据观测结果计算每个观测点的沉降量,并与前期观测结果进行对比。
2.如果一些观测点的沉降量超过了设计要求或前期观测结果的变化较大,应立即采取措施进行检修或加固。
七、异常处理与报告如果观测结果发现沉降超过设计要求或前期观测结果变化较大,需要立即上报相关人员,并采取相应的应急措施,避免塔吊安全事故的发生。
八、总结与建议根据观测记录和数据分析结果,对于塔吊基础的沉降情况进行总结和评估,并提出相应的建议。
如沉降量较大,建议进行检修或加固操作;如沉降量正常,建议继续保持每月观测频率,以确保塔吊的正常运行。
总之,塔吊基础沉降观测记录是基于工程安全考虑的重要环节。
通过记录和分析观测数据,可以及时发现基础沉降异常,并采取相应的应急措施,确保塔吊的安全运行。
相关停车楼8#塔吊变形观察方法及要求一、情况概述8#塔吊垂直度观察统计于9月25日对塔吊基础节顶部水平位移观察发觉,南北向水平误差约为15mm,为此次塔吊倾斜直接原因。
经过对以上数据统计分析及对现场勘察发觉,存在以下问题:1、无塔吊安装基础数据及塔吊基础误差数据,无法判定塔吊倾斜是由安装误差造成还是因为使用过程中地基不均匀沉降造成。
2、观察点部署随意(数次观察点仪器安装位置不统一、观察频次也无具体要求),观察人员,仪器使用不固定。
观察数据不能真实反应塔吊垂直偏差情况。
针对以上问题,特制订本方法以规范塔吊观察,在一周到两周时间找出塔吊垂直偏差原因和确定塔吊安全情况,进而确定是正常使用还是拆除重装。
二、测量安排三、观察频次1、每两天测一次:定于9月28日、30日,10月2日、4日、6日、8日、10日。
2、同期对7#、9#、10#塔吊进行塔吊基础不均匀沉降及塔吊垂直度进行测量,最少每七天一次(9月28日起),责任人:7#—吴佳禄、9#—段玉龙、10#—包文。
四、数据搜集及报送观察数据整理后立即报送至:杨勇、陈芝轩、杨寿坤处。
报送立即,数据真实、有效。
五、观察点部署1、位移测量测点固定,每次仪器安装于同一位置进行测量(分1#、2#位进行两个角点测量),大臂方向统一置于东西方向。
沿塔高分上、中、下分别测设两个垂直偏差值。
2、基础不均匀沉降测量按图示位置选定一个测点,以15#控制点为基准进行塔吊四个角点沉降观察六、对8#塔吊限制使用要求1、在未确定塔吊已可正常使用和变形仍在增加过程中,均只许可白天使用,严禁晚上使用,以免发生异常情况而不能立即处理。
2、再次对塔吊操作人员进行技术交底,使用过程中若发觉异常情况,立即停用。
3、指挥人员到位(起吊点一人、落点一人),保持信号通畅,亲密关注塔吊整体变形情况,严禁出现拖、拉、拽等违规操作,坚持“十不吊”,在吊运物料过程中严禁挂碰任何物件,预防意外发生。
4、由指挥人员确保塔吊不超载。
关于停车楼8#塔吊变形观测措
施及要求
欧阳光明(2021.03.07)
一、情况概述
8#塔吊垂直度观测记录
于9月25日对塔吊基础节顶部水平位移观测发现,南北向水平误差约为15mm,为此次塔吊倾斜的直接原因。
经过对以上数据的统计分析及对现场的勘察发现,存在以下问题:
1、无塔吊安装基础数据及塔吊基础误差数据,无法判断塔吊倾斜是由安装误差造成的还是由于使用过程中地基的不均匀沉降造成。
2、观测点布置随意(多次观测点仪器安装位置不统一、观测频次也无具体要求),观测人员,仪器使用不固定。
观测数据不能真实反映塔吊的垂直偏差状况。
针对以上问题,特制定本措施以规范塔吊观测,在一周到两周的时间找出塔吊垂直偏差的原因和确定塔吊的安全状况,进而确定是正常使用还是拆除重装。
二、测量安排
三、观测频次
1、每两天测一次:定于2009年9月28日、30日,10月2日、4日、6日、8日、10日。
2、同期对7#、9#、10#塔吊进行塔吊基础不均匀沉降及塔吊垂直度进行测量,至少每周一次(2009年9月28日起),责任人:7#—吴佳禄、9#—段玉龙、10#—包文。
四、数据收集及报送
观测数据整理后及时报送至:杨勇、陈芝轩、杨寿坤处。
报送及时,数据真实、有效。
五、观测点布置
1、位移测量
测点固定,每次仪器安装于同一位置进行测量(分1#、2#位进行两个角点的测量),大臂方向统一置于东西方向。
沿塔高分上、中、下分别测设两个垂直偏差值。
2、基础不均匀沉降测量
按图示位置选定一个测点,以15#控制点为基准进行塔吊四个角点的沉降观测
六、对8#塔吊限制使用的要求
1、在未确定塔吊已可正常使用和变形仍在增加过程中,均只允许白天使用,禁止晚上使用,以免发生异常情况而不能及时处理。
2、再次对塔吊操作人员进行技术交底,使用过程中若发现异常情况,立即停用。
3、指挥人员到位(起吊点一人、落点一人),保持信号畅通,密切关注塔吊整体变形情况,禁止出现拖、拉、拽等违规操作,坚持“十不吊”,在吊运物料的过程中禁止挂碰任何物件,防止意外发生。
4、由指挥人员保证塔吊不超载。
云南建工第五建设有限公司新机场项目部
2009年9月28日。