无菌滴眼液配制岗位标准操作规程
- 格式:doc
- 大小:23.50 KB
- 文档页数:3
护理员滴眼药操作流程滴眼药是常见的一种护理操作,主要用于治疗眼部疾病。
以下是滴眼药的操作流程。
1.配制滴眼药:将滴眼药取出,确认滴眼瓶的瓶盖是完好且密封的,避免外界的污染。
在操作过程中,可以佩戴一次性手套,以确保操作的清洁卫生。
2.洗手并准备好所需物品:在操作滴眼药之前,护理员需要首先正确地洗手。
然后,确认患者的身份,核对医嘱和药物的名称、剂量、病历号等相关信息的准确性。
准备好所需物品,如药筒、棉签、纱布、药物碎片等。
3.准备患者:给患者讲解滴眼药的操作过程,提醒患者闭紧眼睛,并做好保护工作,如挡板等。
4.滴眼药前的眼部护理:在滴眼药之前,护理员可以先使用生理盐水或温水给患者清洁眼部,确保眼部的清洁卫生。
可以使用棉签蘸取生理盐水或温水轻柔地擦拭眼部,注意避免对眼角膜的刺激。
5.滴眼药操作:将滴眼瓶拧开,装上药筒。
用无名指的手指腹抵住患者的下睑,并要求患者平视前方。
然后,用另一只手左手拇指轻轻拉开患者的上睑,直到完全揭开。
将前方的视野拉宽,为滴眼药的滴入提供良好的条件。
6.滴眼药滴入:将滴眼瓶保持垂直,位于患者的下方,然后用另一只手的中指轻轻敲打滴眼瓶的底部,使得药液能够顺利地滴出。
当药液滴到眼睑上时,可以稍微移动眼睑以利于药液的滴入。
滴眼药时应注意滴眼液的滴数,滴的时间间隔及滴丸的速度。
7.观察患者的反应:滴眼药后,观察患者的反应,包括是否有不适感、疼痛、刺痛、畏光等。
及时向医生反馈患者的状况,并记录在护理记录中。
8.教育患者:在滴眼药完成后,护理员要向患者交代注意事项,如应避免用毛巾擦拭眼部、不揉眼、不用泼洒型眼药液等。
还应告知患者滴眼药的效果和可能的副作用。
9.清理工作:完成滴眼药后,将滴眼瓶上的残余药液擦净并封闭好瓶盖,垃圾和用过的物品要处理妥善,防止交叉感染。
总结:滴眼药操作是一项细致而关键的护理工作,护理员需要准确执行滴眼药的步骤,确保滴眼药的剂量正确,避免不必要的感染和不良反应的发生,提高患者的治疗效果和满意度。
中试工艺规程xxxx制药有限公司1、目的xxxx滴眼液生产工艺规程是按照xxxx滴眼液注册质量标准和企业生产条件而制定的,工艺规程规定了xxxx滴眼液生产的工艺参数,技术要求,原辅材料、包装材料、中间产品和成品的质量标准,关键控制点及监控,物料平衡计算及监控等。
2. 适用范围本工艺规程适用于xxxx滴眼液的生产及质量检查,是生产操作、工艺管理、技术检查、质量控制的依据。
3、产品概述xxxx为天然高分子化合物,是构成组织基质的重要成分,具有较好的黏弹性,对角膜具有保护作用;与纤黏连接蛋白结合,促进角膜上皮细胞的连接和伸延,加快角膜创伤愈合。
此外,xxxx分子具有强亲水能力和润滑作用,可稳定泪膜、防止角结膜干燥和减轻眼组织摩擦,缓解干眼症的不适症状。
xxxx滴眼液(Sodium Hyaluronate Eye Drops)用于干燥综合症、史蒂文斯-约翰逊综合症,干眼症等内因性疾患及各种外因性疾患(如手术,药物性,外伤,佩戴隐形眼镜等)所致的角结膜上皮损伤。
尤其适用于干燥综合症和史蒂文斯-约翰逊综合症需长期用药的患者。
1.1 产品名称:xxxx滴眼液汉语拼音:英文名称:Eye Drops1.2 剂型:滴眼剂1.4 规格:5ml:5mg1.5 本品主要成分:xxxx1.6 化学结构:1.7 性状:本品为无色澄明的黏稠液体。
1.8 适应症:用于干燥综合症、史蒂文斯-约翰逊综合症,干眼症等内因性疾患及各种外因性疾患(如手术,药物性,外伤,佩戴隐形眼镜等)所致的角结膜上皮损伤。
1.9 用法用量:一般1次1滴,一日滴眼5~6次,可根据症状适当增减。
禁忌:对本品任何成分过敏者禁用。
注意事项:仅限滴眼使用。
滴眼时,应注意药瓶前段不要直接接触眼睛,滴眼后应盖紧瓶盖,佩戴软性隐形眼镜时不应使用本品。
1.10 有效期:暂定24个月1.11 贮藏:密闭,室温(1-30℃)保存2、处方和处方依据2.1 处方2.2处方解析2.3处方依据:本处方依据申报资料研究制定。
中试工艺规程xxxx制药有限公司1、目的xxxx滴眼液生产工艺规程是按照xxxx滴眼液注册质量标准和企业生产条件而制定的,工艺规程规定了xxxx滴眼液生产的工艺参数,技术要求,原辅材料、包装材料、中间产品和成品的质量标准,关键控制点及监控,物料平衡计算及监控等。
2. 适用范围本工艺规程适用于xxxx滴眼液的生产及质量检查,是生产操作、工艺管理、技术检查、质量控制的依据。
3、产品概述xxxx为天然高分子化合物,是构成组织基质的重要成分,具有较好的黏弹性,对角膜具有保护作用;与纤黏连接蛋白结合,促进角膜上皮细胞的连接和伸延,加快角膜创伤愈合。
此外,xxxx分子具有强亲水能力和润滑作用,可稳定泪膜、防止角结膜干燥和减轻眼组织摩擦,缓解干眼症的不适症状。
xxxx滴眼液(Sodium Hyaluronate Eye Drops)用于干燥综合症、史蒂文斯-约翰逊综合症,干眼症等内因性疾患及各种外因性疾患(如手术,药物性,外伤,佩戴隐形眼镜等)所致的角结膜上皮损伤。
尤其适用于干燥综合症和史蒂文斯-约翰逊综合症需长期用药的患者。
1.1 产品名称:xxxx滴眼液汉语拼音:英文名称: Eye Drops1.2 剂型:滴眼剂1.4 规格:5ml:5mg1.5 本品主要成分:xxxx1.6 化学结构:1.7 性状:本品为无色澄明的黏稠液体。
1.8 适应症:用于干燥综合症、史蒂文斯-约翰逊综合症,干眼症等内因性疾患及各种外因性疾患(如手术,药物性,外伤,佩戴隐形眼镜等)所致的角结膜上皮损伤。
1.9 用法用量:一般1次1滴,一日滴眼5~6次,可根据症状适当增减。
禁忌:对本品任何成分过敏者禁用。
注意事项:仅限滴眼使用。
滴眼时,应注意药瓶前段不要直接接触眼睛,滴眼后应盖紧瓶盖,佩戴软性隐形眼镜时不应使用本品。
1.10 有效期:暂定24个月1.11 贮藏:密闭,室温(1-30℃)保存2、处方和处方依据2.1 处方2.2处方解析2.3处方依据:本处方依据申报资料研究制定。
中试工艺规程xxxx制药有限公司1、目的xxxx滴眼液生产工艺规程是按照xxxx滴眼液注册质量标准和企业生产条件而制定的,工艺规程规定了xxxx滴眼液生产的工艺参数,技术要求,原辅材料、包装材料、中间产品和成品的质量标准,关键控制点及监控,物料平衡计算及监控等。
2. 适用范围本工艺规程适用于xxxx滴眼液的生产及质量检查,是生产操作、工艺管理、技术检查、质量控制的依据。
3、产品概述xxxx为天然高分子化合物,是构成组织基质的重要成分,具有较好的黏弹性,对角膜具有保护作用;与纤黏连接蛋白结合,促进角膜上皮细胞的连接和伸延,加快角膜创伤愈合。
此外,xxxx分子具有强亲水能力和润滑作用,可稳定泪膜、防止角结膜干燥和减轻眼组织摩擦,缓解干眼症的不适症状。
xxxx滴眼液(Sodium Hyaluronate Eye Drops)用于干燥综合症、史蒂文斯-约翰逊综合症,干眼症等内因性疾患及各种外因性疾患(如手术,药物性,外伤,佩戴隐形眼镜等)所致的角结膜上皮损伤。
尤其适用于干燥综合症和史蒂文斯-约翰逊综合症需长期用药的患者。
1.1 产品名称:xxxx滴眼液汉语拼音:英文名称:Eye Drops1.2 剂型:滴眼剂1.4 规格:5ml:5mg1.5 本品主要成分:xxxx1.6 化学结构:1.7 性状:本品为无色澄明的黏稠液体。
1.8 适应症:用于干燥综合症、史蒂文斯-约翰逊综合症,干眼症等内因性疾患及各种外因性疾患(如手术,药物性,外伤,佩戴隐形眼镜等)所致的角结膜上皮损伤。
1.9 用法用量:一般1次1滴,一日滴眼5~6次,可根据症状适当增减。
禁忌:对本品任何成分过敏者禁用。
注意事项:仅限滴眼使用。
滴眼时,应注意药瓶前段不要直接接触眼睛,滴眼后应盖紧瓶盖,佩戴软性隐形眼镜时不应使用本品。
1.10 有效期:暂定24个月1.11 贮藏:密闭,室温(1-30℃)保存2、处方和处方依据2.1 处方2.2处方解析2.3处方依据:本处方依据申报资料研究制定。
滴眼液生产工艺设计规程完整一、前言滴眼液是一种常用的眼科药物,广泛用于治疗眼疾和缓解眼部不适。
滴眼液生产工艺设计规程的制定旨在确保滴眼液的质量稳定和生产过程的安全性,以提供高效、可靠的滴眼液产品。
二、原料准备制备滴眼液所需的原辅料应符合国家相关医药法规的要求,并与品牌商签订供货合同。
原辅料的采购应在符合质量管理的前提下寻求价格优惠。
原料需按照规定要求进行检品,并建立相应的质量档案。
三、生产设备选择1.设备应具有满足生产能力要求、操作简便、清洗方便等特点。
2.设备类型:滴眼液生产设备通常包括原料混合容器、过滤设备、灌装机、密封设备、灭菌设备等。
3.设备质量标准:设备应选用具备相关质量认证的制造商,设备应符合国家相关标准。
四、工艺流程设计1.清洗消毒:对设备进行彻底清洗和消毒以确保生产环境卫生。
2.药液配置:将已检验合格的原辅料与配方中的比例配制成药液。
3.药液过滤:将药液通过滤纸或其他合适的过滤装置进行过滤,去除杂质。
4.灌装密封:将过滤后的药液通过灌装机灌装到合适的容器中,并进行密封。
5.清洗消毒:对灌装机、容器等进行彻底清洗和消毒。
6.灭菌:对灌装后的容器进行灭菌处理,确保产品的细菌安全。
8.检验:对包装后的产品进行质量检验,确保产品符合国家医药标准。
五、操作规程1.操作人员应接受专业培训,并持有相关资格证书。
2.操作人员应佩戴洁净服,戴口罩、手套等防护用具,并遵守洁净室操作规程。
3.操作人员应按照工艺流程的要求进行操作,严禁随意调整工艺参数。
4.操作人员应定期进行手卫生,避免污染产品。
5.操作人员应及时上报生产过程中的异常情况,并及时采取纠正措施。
六、质量控制1.滴眼液生产过程中应定期抽样进行物理化学指标检验和微生物指标检验。
2.滴眼液生产过程中的危险和关键控制点应设立监测点,进行关键环节的监测和控制。
3.对于检验不合格的批次,应立即停止生产并进行处理。
4.生产车间应配备相应的检验设备和仪器,确保检验结果准确可靠。
滴眼液生产工艺设计规程完整滴眼液是一种常见的眼科用药,主要用于治疗眼部疾病和保护眼部健康。
滴眼液的生产工艺设计规程是为了确保生产过程的安全性和产品质量稳定性。
下面是一个滴眼液生产工艺设计规程的大致内容,供参考:一、工艺流程设计1.原料准备:根据配方要求准备所需的药物原料和辅料,包括溶剂、防腐剂、调节剂等。
2.原料处理:对原料进行检验和筛选,确保原料的质量符合要求。
对需要粉碎的原料进行研磨处理。
3.溶液制备:根据配方比例和生产规模,将原料和辅料按照一定的工艺和操作要求进行配制和混合。
4.过滤消毒:将制备好的溶液进行过滤,去除其中的杂质和微生物。
过滤消毒过程需要控制温度和压力,确保产品的无菌和无杂质。
5.填充包装:将过滤消毒后的溶液装入产品包装容器中,通常为塑料滴液瓶。
包装过程需要注意无菌操作和密封性能。
6.清洁消毒:对生产设备、容器和工作场所进行清洁消毒,确保生产环境的洁净度和无菌状态。
二、工艺参数设定1.温度控制:根据原料和工艺要求,设定合适的制备过程温度,例如溶解温度、过滤温度、灭菌温度等。
2.时间控制:在不同的工艺步骤中,设定合适的处理时间,保证原料彻底混合、消毒彻底等。
3.压力控制:在过滤消毒过程中,根据设备和容器特性,设定合适的过滤压力和灭菌压力,确保产品的无菌性和稳定性。
4.包装密封性能:设定合适的包装工艺参数,确保产品包装容器的密封性能,防止外界污染和药物泄漏。
三、设备选型和质量控制1.设备选型:根据生产规模和工艺要求,选择适当的设备,包括溶解设备、过滤设备、灭菌设备和包装设备等。
2.设备维护和保养:定期对生产设备进行检修和保养,确保设备正常运行和可靠性。
3.质量检测:制定相应的质量检测标准和方法,对原料和成品进行监测和检验,确保产品的质量符合要求。
4.工艺记录和数据管理:建立完善的工艺记录和数据管理体系,记录生产过程中的关键参数和工艺数据,便于追溯和质量管理。
以上是滴眼液生产工艺设计规程的基本内容,根据实际情况还可以根据所在国家和地区的法律法规、GMP等要求进行补充和完善。
中试工艺规程xxxx制药有限公司1、目的xxxx滴眼液生产工艺规程是按照xxxx滴眼液注册质量标准和企业生产条件而制定的,工艺规程规定了xxxx滴眼液生产的工艺参数,技术要求,原辅材料、包装材料、中间产品和成品的质量标准,关键控制点及监控,物料平衡计算及监控等。
2. 适用范围本工艺规程适用于xxxx滴眼液的生产及质量检查,是生产操作、工艺管理、技术检查、质量控制的依据。
3、产品概述xxxx为天然高分子化合物,是构成组织基质的重要成分,具有较好的黏弹性,对角膜具有保护作用;与纤黏连接蛋白结合,促进角膜上皮细胞的连接和伸延,加快角膜创伤愈合。
此外,xxxx分子具有强亲水能力和润滑作用,可稳定泪膜、防止角结膜干燥和减轻眼组织摩擦,缓解干眼症的不适症状。
xxxx滴眼液(Sodium Hyaluronate Eye Drops)用于干燥综合症、史蒂文斯-约翰逊综合症,干眼症等内因性疾患及各种外因性疾患(如手术,药物性,外伤,佩戴隐形眼镜等)所致的角结膜上皮损伤。
尤其适用于干燥综合症和史蒂文斯-约翰逊综合症需长期用药的患者。
产品名称:xxxx滴眼液汉语拼音:英文名称: Eye Drops剂型:滴眼剂规格:5ml:5mg本品主要成分:xxxx化学结构:性状:本品为无色澄明的黏稠液体。
适应症:用于干燥综合症、史蒂文斯-约翰逊综合症,干眼症等内因性疾患及各种外因性疾患(如手术,药物性,外伤,佩戴隐形眼镜等)所致的角结膜上皮损伤。
用法用量:一般1次1滴,一日滴眼5~6次,可根据症状适当增减。
禁忌:对本品任何成分过敏者禁用。
注意事项:仅限滴眼使用。
滴眼时,应注意药瓶前段不要直接接触眼睛,滴眼后应盖紧瓶盖,佩戴软性隐形眼镜时不应使用本品。
有效期:暂定24个月贮藏:密闭,室温(1-30℃)保存2、处方和处方依据处方处方解析处方依据:本处方依据申报资料研究制定。
生产批量:2万支、6万支3.生产工艺操作要求和技术参数工艺流程图:工艺过程和工艺参数本工艺流程共包括8个主要步骤,各个步骤的主要操作叙述如下。
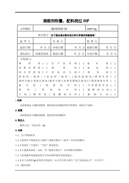
滴眼剂称量、配料岗位SOP1目的本标准规定了滴眼剂称量、配料岗位标准操作程序和要求,规范生产操作。
2 范围本标准适用于滴眼剂称量、配料岗位标准操作。
3 责任人操作人员、车间主任、QA。
4 内容4.1 生产前的检查4.1.1检查生产现场应有上批的“清场合格证”(副本)且在有效期内。
4.1.2设备有“已清洁”,“完好”状态标识。
4.1.3计量器具清洁、完好,有“校验合格证”,并在校验有效期内。
4.1.4检查操作间温湿度是否与本区域环境洁净度相适应。
4.1.5以上各项经QA检查符合要求后,由工序负责人填写“生产状态标识卡”,方可生产。
4.2 操作过程4.2.1称量、配料按《称量SOP》进行操作,按《批生产指令》要求逐一称取所需原辅料,称量时一人称量、一人复核。
4.3 清场4.3.1生产结束后,应对设备、容器、用具、房间按照《清场管理规程》进行清洁。
4.3.2清场结束,填写清场记录,由QA人员检查,确认合格发放《清场合格证》(正副本)。
《清场合格证》正本附入该批生产记录中,副本留于现场作为下一次生产的开工凭证之一。
4.4 异常情况处理和报告4.4.1生产过程中发生偏差时,应按《偏差处理规程》进行处理。
4.4.2偏差处理应如实填写在批生产原始记录中偏差情况处理栏内。
4.4.3若发现异常现象,应马上向车间主管及QA报告,调查原因,加以解决。
4.5 工艺卫生和环境卫生4.5.1所有进入操作间的人员应按《人员出入生产区SOP》进行净化、更衣。
4.5.2所有进入的物料应按相应的净化规程进行净化。
4.6 重点操作的复核与检查4.6.1 称量、配料及关键操作应有人复核。
4.6.2 操作过程中,操作者及复核者应如时填写批生产记录并签名。
滴眼剂生产过程无菌工艺控制
1.空气洁净度控制:滴眼剂生产过程必须在洁净室环境下进行,以避
免微生物污染。
根据药典要求,滴眼剂的生产车间通常应达到百级空气洁
净度,即每立方米空气中不得含有大于0.5微米的颗粒物。
为了维持洁净度,生产车间应进行定期的空气洁净度检测和维护。
2.设备的无菌性:滴眼剂生产过程中使用的设备和容器必须经过有效
的无菌处理。
这包括设备和容器的高温高压灭菌、化学消毒,以及用无菌
吹尘器对设备进行清洁,确保其表面无菌。
3.物料无菌性:滴眼剂生产过程中使用的原辅材料必须经过有效的无
菌处理。
这包括药物原料的灭菌处理、滴眼剂容器和药用辅料的无菌检测,以及确保物料不被外界的微生物污染。
4.包装过程的无菌控制:滴眼剂的包装过程必须在无菌条件下进行,
以确保产品在包装后的无菌性。
包装过程中应使用无菌的包材,包括玻璃瓶、塑料瓶、滴定管等。
包装工艺中还需要使用无菌消毒液对包材和包装
设备进行消毒处理。
5.员工的无菌操作:滴眼剂生产过程中员工需要接受严格的洁净操作
培训,了解无菌操作的要求,并配备相应的防护设备,如手套、口罩、洁
净服等。
员工应定期进行健康检查,确保其身体健康,以减少员工对无菌
环境的污染。
总之,滴眼剂生产过程无菌工艺控制非常重要,只有严格控制各个环
节的无菌要求,才能保证滴眼剂的无菌性和安全性。
随着无菌技术的不断
发展,滴眼剂生产过程中的无菌工艺控制也会更加精细和高效。
滴眼液生产工艺规程Company Document number:WUUT-WUUY-WBBGB-BWYTT-1982GT中试工艺规程xxxx制药有限公司1、目的xxxx滴眼液生产工艺规程是按照xxxx滴眼液注册质量标准和企业生产条件而制定的,工艺规程规定了xxxx滴眼液生产的工艺参数,技术要求,原辅材料、包装材料、中间产品和成品的质量标准,关键控制点及监控,物料平衡计算及监控等。
2. 适用范围本工艺规程适用于xxxx滴眼液的生产及质量检查,是生产操作、工艺管理、技术检查、质量控制的依据。
3、产品概述xxxx为天然高分子化合物,是构成组织基质的重要成分,具有较好的黏弹性,对角膜具有保护作用;与纤黏连接蛋白结合,促进角膜上皮细胞的连接和伸延,加快角膜创伤愈合。
此外,xxxx分子具有强亲水能力和润滑作用,可稳定泪膜、防止角结膜干燥和减轻眼组织摩擦,缓解干眼症的不适症状。
xxxx滴眼液(Sodium Hyaluronate Eye Drops)用于干燥综合症、史蒂文斯-约翰逊综合症,干眼症等内因性疾患及各种外因性疾患(如手术,药物性,外伤,佩戴隐形眼镜等)所致的角结膜上皮损伤。
尤其适用于干燥综合症和史蒂文斯-约翰逊综合症需长期用药的患者。
产品名称:xxxx滴眼液汉语拼音:英文名称: Eye Drops剂型:滴眼剂规格:5ml:5mg本品主要成分:xxxx化学结构:性状:本品为无色澄明的黏稠液体。
适应症:用于干燥综合症、史蒂文斯-约翰逊综合症,干眼症等内因性疾患及各种外因性疾患(如手术,药物性,外伤,佩戴隐形眼镜等)所致的角结膜上皮损伤。
用法用量:一般1次1滴,一日滴眼5~6次,可根据症状适当增减。
禁忌:对本品任何成分过敏者禁用。
注意事项:仅限滴眼使用。
滴眼时,应注意药瓶前段不要直接接触眼睛,滴眼后应盖紧瓶盖,佩戴软性隐形眼镜时不应使用本品。
有效期:暂定24个月贮藏:密闭,室温(1-30℃)保存2、处方和处方依据处方处方解析处方依据:本处方依据申报资料研究制定。
复方氯化钠滴眼液工艺规程
一、目的
本文旨在明确复方氯化钠滴眼液的制备工艺规程,确保产品质量符合相关标准要求。
二、适用范围
适用于复方氯化钠滴眼液的生产制备过程。
三、原料准备
•氯化钠:xx克
•纯净水:xx毫升
•其他辅料:根据产品配方确定
四、仪器设备
•灭菌瓶
•过滤器
•滴液瓶
•灭菌工作台
•pH计
五、制备工艺
1.准备工作:
–洁净化生产环境,确保无尘及细菌
–检查仪器设备,确保正常运行
2.溶液准备:
–将氯化钠加入纯净水中,搅拌至溶解
–运用过滤器进行过滤
3.灭菌:
–将滤液装入灭菌瓶中,置于灭菌工作台中进行高温高压灭菌
4.取样检查:
–取样送至质检部门进行化验,确保符合产品标准
5.装瓶:
–滴液瓶通过灭菌处理,装入灭菌溶液
6.包装:
–完成产品包装,贴上生产日期、有效期等标签
六、质量控制
1.对原料进行检验,确保质量符合标准
2.严格控制生产过程中的环境卫生
3.对制备好的产品进行抽样检测,确保质量稳定
七、记录和报告
1.按规定记录每批次产品的生产过程和质量检测结果
2.定期总结分析生产数据,及时调整工艺参数
八、不合格品处理
1.若产品不符合质量要求,立即停产排查原因
2.对不合格品进行退货或处理,防止流入市场
九、附则
1.本规程经XXX部门批准实施,任何部门不得擅自更改
2.如本规程有变更,应重新报批并推行
以上为复方氯化钠滴眼液的制备工艺规程,望各生产部门认真遵守,确保产品质量,维护消费者权益。
滴眼剂的制备一、实验目的1.熟悉净化工作台的使用。
2.掌握一般滴眼剂的制备方法。
二、实验指导滴眼剂系指一种或多种药物制成供滴眼用的水性、油性澄明溶液、混悬液或乳剂,也包括眼内注射溶液。
滴眼剂一般应在无菌环境下配制,眼部有无外伤是滴眼剂无菌要求严格程度的界限:用于外科手术、供角膜穿通伤用的滴眼剂及眼内注射溶液要求无菌、且不得加抑菌剂与抗氧剂,需采用单剂量包装;一般滴眼剂要求无致病菌,尤其不得有铜绿假单胞菌和金黄色葡萄球菌,可加入抑菌剂三、实验内容1.眼药管、帽、套的处理。
2.氯霉素滴眼剂的制备[处方]氯霉素 0.25 g硼酸 1.9 g硼砂 0.038 g硫柳汞 0.004 g灭菌蒸馏水 9.0 g全量 100 ml[制法]取灭菌蒸馏水约90 ml,加热至沸,加入硼酸,硼砂使溶待冷至约40 ℃,加入氯霉素,硫柳汞搅拌使溶,加灭菌馏水至100 ml,精滤,检查澄明度合格后,无菌分装。
[附注](1)氯霉素易水解,但其水溶液在弱酸性时较稳定,本品选用硼酸缓冲液来调整PH值。
(2)氯霉素滴眼剂在贮藏过程中,效价常逐渐降低,故配液时适当提高投料量,使在有效贮藏期间,效价能保持在规定含量以内。
2.硫酸锌滴眼剂的制备[处方]硫酸锌 0.5 g硼酸 0.88 g甘油 1.32 g灭菌蒸馏水适量全量 100 ml[制法]在避菌操作柜中,一切按要求准备,将硼酸溶于灭菌蒸馏水中,加入硫酸锌溶解后,加入甘油及蒸馏水至全量,过滤澄明后,无菌分装。
[附注]硫酸锌液极易水解,本品加硼酸使溶液呈微酸性以保待稳定。
目的:规范本岗位操作过程适用范围:酊剂溶液的配制。
责任者:操作工1.准备工作1.1按人员进出洁净区S0P4入本岗位。
1.2确认本岗位环境已处于清洁合格状态。
1.3确认本岗位设备、衡器、容器具、工具等已处于完好、清洁待用状态。
1.4确认前后工序均已处于正常无故障状态。
1.5确认本批生产指令已收到,并明确本批生产品种的品名、规格、批号。
1.6确认本岗位的SOP已收到。
1.7确认本批的生产记录已收到。
1.8确认本批使用的物料已到位,处于合格状态。
1.9换上运行状态标志。
2.操作4.2.1通过传递窗接收原辅料。
4.2.1.1确认接收到的原辅料外包装已清洁或拆除,后者应贴有标签,写明品名、批号、重量,内包装应完好。
4.1.2将原辅料归类放置,作好各原辅料的品种状态牌,防止混淆。
4.1.3打开内包装对原辅料外观进行检查,应符合质量标准。
4.2.2将乙醇、纯化水按75%(V/V)的比例加入容器中,用搅拌器搅拌均匀后密闭备用。
4.2.3根据生产指令及品种操作卡,计算本批产品的处方量,根据称量SOP按处方量称取鬼臼毒素、甲紫、枸橼酸分别置于大烧杯中。
4.2.4各用300ml75 %乙醇分别溶解后注入三角锥瓶中。
4.2.5量取处方量的聚乙二醇400,注入三角锥瓶中,最后量取75%勺乙醇补足所要的配制量,搅拌均匀。
426填写半成品请验单,通知QC派人抽样检验。
5.及时记好记录。
6.结束工作6.1换批时或本日工作结束清场工作6.1.1用纯化水擦洗设备外壳、衡器、工具、容器具。
6.1.2用纯化水拖洗地面,擦洗墙面、顶棚。
6.1.3清点多余物料堆放整齐,做好标志。
6.1.4将可回收物品集中整理并堆放于回收点。
6.1.5将废弃物及时从传递窗送出。
6.2换品种时清场工作。
6.2.1清理地面及设备,不得留有本批次产品。
6.2.2按相关设备使用、维护、保养、清洁SOP青洁设备,用纯化水擦洗衡器、容器具及工具,不得遗留本批次的药物。
中试工艺规程xxxx制药有限公司1、目的xxxx滴眼液生产工艺规程是按照xxxx滴眼液注册质量标准和企业生产条件而制定的,工艺规程规定了xxxx滴眼液生产的工艺参数,技术要求,原辅材料、包装材料、中间产品和成品的质量标准,关键控制点及监控,物料平衡计算及监控等。
2. 适用范围本工艺规程适用于xxxx滴眼液的生产及质量检查,是生产操作、工艺管理、技术检查、质量控制的依据。
3、产品概述xxxx为天然高分子化合物,是构成组织基质的重要成分,具有较好的黏弹性,对角膜具有保护作用;与纤黏连接蛋白结合,促进角膜上皮细胞的连接和伸延,加快角膜创伤愈合。
此外,xxxx分子具有强亲水能力和润滑作用,可稳定泪膜、防止角结膜干燥和减轻眼组织摩擦,缓解干眼症的不适症状。
xxxx滴眼液(Sodium Hyaluronate Eye Drops)用于干燥综合症、史蒂文斯-约翰逊综合症,干眼症等内因性疾患及各种外因性疾患(如手术,药物性,外伤,佩戴隐形眼镜等)所致的角结膜上皮损伤。
尤其适用于干燥综合症和史蒂文斯-约翰逊综合症需长期用药的患者。
1.1 产品名称:xxxx滴眼液汉语拼音:英文名称:Eye Drops1.2 剂型:滴眼剂1.4 规格:5ml:5mg1.5 本品主要成分:xxxx1.6 化学结构:1.7 性状:本品为无色澄明的黏稠液体。
1.8 适应症:用于干燥综合症、史蒂文斯-约翰逊综合症,干眼症等内因性疾患及各种外因性疾患(如手术,药物性,外伤,佩戴隐形眼镜等)所致的角结膜上皮损伤。
1.9 用法用量:一般1次1滴,一日滴眼5~6次,可根据症状适当增减。
禁忌:对本品任何成分过敏者禁用。
注意事项:仅限滴眼使用。
滴眼时,应注意药瓶前段不要直接接触眼睛,滴眼后应盖紧瓶盖,佩戴软性隐形眼镜时不应使用本品。
1.10 有效期:暂定24个月1.11 贮藏:密闭,室温(1-30℃)保存 2、处方和处方依据2.1 处方2.2处方解析2.3处方依据:本处方依据申报资料研究制定。
滴眼液生产工艺标准规章一、引言滴眼液是一种常见的眼科药物,用于治疗眼部疾病或者缓解眼部不适。
为了确保滴眼液的质量和安全性,制定一套标准规章是必要的。
本文旨在详细描述滴眼液生产工艺的标准规章,确保生产过程中的合规性和一致性。
二、生产设备和环境1. 生产设备滴眼液生产过程中需要使用的设备应符合GMP(Good Manufacturing Practice)标准。
生产设备应具备以下特点:- 不会对产品造成污染;- 易于清洁和消毒;- 能够准确控制温度、湿度和压力等参数。
2. 生产环境滴眼液的生产应在符合GMP标准的洁净区域进行,以确保产品的质量和安全性。
生产环境应具备以下条件:- 温度、湿度和压力应符合规定的范围;- 空气质量应达到特定的要求,如微生物限度;- 应设置适当的空气过滤系统和洁净室设备。
三、原材料1. 药品原材料滴眼液的原材料应符合药典要求,并具备以下特点:- 纯度高,不含有害物质;- 稳定性好,能够在生产和使用过程中保持一致性;- 与其他原材料兼容。
2. 包装材料滴眼液的包装材料应符合药典要求,并具备以下特点:- 不会对产品造成污染;- 具有良好的密封性,以防止产品的氧化和污染;- 符合适合的法规和标准。
四、生产工艺1. 准备工作- 根据配方准确称取所需原材料;- 对原材料进行检查,确保其符合规定的质量标准;- 检查生产设备和环境,确保其符合要求。
2. 混合- 将所需原材料按照配方比例加入混合容器中;- 使用适当的搅拌设备将原材料充分混合,直至得到均匀的混合物。
3. 调整pH值和温度- 根据配方要求,使用适当的调节剂调整滴眼液的pH值;- 控制温度,确保在规定范围内。
4. 过滤- 将混合物通过合适的过滤设备进行过滤,以去除杂质和微生物;- 过滤后的液体应符合规定的微生物限度。
5. 灭菌- 对滴眼液进行灭菌处理,以确保产品的无菌性;- 使用适当的灭菌方法,如高温高压灭菌或者过滤灭菌。
6. 充填和封装- 将灭菌后的滴眼液充填到适当的容器中;- 对容器进行密封,确保产品的密封性和稳定性。
配液岗位标准操作规程配液岗位标准操作规程第1页共2页标题配液岗位标准操作规程编号 S0P-MM-303 版本 ? 页数共2页起审批签名签名签名草核准日期日期日期人人人起草部门颁发部门生效日期年月日送达部门份数目的:规范本岗位操作过程适用范围:酊剂溶液的配制。
责任者:操作工1. 准备工作1.1按人员进出洁净区SOP进入本岗位。
1.2 确认本岗位环境已处于清洁合格状态。
1.3 确认本岗位设备、衡器、容器具、工具等已处于完好、清洁待用状态。
1.4确认前后工序均已处于正常无故障状态。
1.5确认本批生产指令已收到,并明确本批生产品种的品名、规格、批号。
1.6确认本岗位的SOP已收到。
1.7确认本批的生产记录已收到。
1.8确认本批使用的物料已到位,处于合格状态。
1.9换上运行状态标志。
2.操作4.2.1 通过传递窗接收原辅料。
4.2.1.1 确认接收到的原辅料外包装已清洁或拆除,后者应贴有标签,写明品名、批号、重量,内包装应完好。
4.1.2 将原辅料归类放置,作好各原辅料的品种状态牌,防止混淆。
4.1.3 打开内包装对原辅料外观进行检查,应符合质量标准。
4.2.2将乙醇、纯化水按75%(V/V)的比例加入容器中,用搅拌器搅拌均匀后密闭备用。
4.2.3根据生产指令及品种操作卡,计算本批产品的处方量,根据称量SOP按处方量称取鬼臼毒素、甲紫、枸橼酸分别置于大烧杯中。
4.2.4各用300ml75 %乙醇分别溶解后注入三角锥瓶中。
4.2.5量取处方量的聚乙二醇400,注入三角锥瓶中,最后量取75%的乙醇补足所要的配制量,搅拌均匀。
配液岗位标准操作规程第2页共2页4.2.6填写半成品请验单,通知QC派人抽样检验。
5. 及时记好记录。
6. 结束工作6.1换批时或本日工作结束清场工作6.1.1用纯化水擦洗设备外壳、衡器、工具、容器具。
6.1.2用纯化水拖洗地面,擦洗墙面、顶棚。
6.1.3清点多余物料堆放整齐,做好标志。
目的:建立无菌滴眼液配制岗位的操作程序,规范无菌配制管理,避免差错的发生。
范围:无菌滴眼液的配制操作。
职责:车间主任、工艺员、班长、操作工、QA。
内容:
1.配制前准备工作:
1.1 配制操作工要严格按照“人员进入万级洁净区标准操作规程”进入万级配液过滤间。
1.2检查无菌洁净区空气温度和相对湿度是否在要求限度之内:温度:18~26℃,相对湿
度:45~65%,万级洁净区相对于十万级洁净区是否保持正压差:>5Pa。
1.3 检查操作间是否有上一批生产遗留的物料、残留物等。
1.4检查配液过滤间的门窗、天棚、墙壁、地面是否清洁干净,无浮尘,光洁、明亮;地
漏水封是否足量,水是否清而无浑浊及颗粒物质;使用的容器、用具是否经消毒、灭菌。
1.5检查管道是否清洗干净,以检测冲洗管道后的注射用水的电导率的数据为依据,即:
电导率≤2μs/cm为合格,并记录当时的数据。
1.6 检查记录台是否已清洁干净,无上一批生产记录及与本批生产无关的文件等。
1.7 检查是否有上一次生产的“清场合格证”,“清场合格证”上是否有QA签字。
1.8检查门上的状态标志牌,是否为绿色的“已清洁”,证上是否有检查人员签字,本班生
产日期是否在清洁有效期内。
1.9 配制操作工进行操作前,一定要穿戴经消毒灭菌的医用乳胶手套,严格禁止手与药物
直接接触,造成污染。
1.10配制操作工(至少2人),要仔细阅读产品的“批生产指令”及“配制工序生产操作
指令”,明了产品名称、规格、批号、批量、原辅料的数量、工艺操作要求、工艺技术参数、生产任务等指令。
1.11已准备好批生产记录和足够数量的标签来标明区域设备和容器。
1.12检查称量仪器是否处于计量检定的有效期内,并校正零点。
1.13 由班组申请QA进场检查生产前准备工作。
1.14 检查合格后领取QA签发的“生产许可证”,并将其挂于配液过滤间门上的状态标志
牌上。
2.无菌配制操作:
2.1 准备工作完毕后,由操作工到备料室领取已称量并且经除尘处理后的原辅料,并按物
料限额领料单内容再一次复核原辅料的名称、数量、检验报告书等,完后把原辅料送入配液过滤间。
2.2 进行无菌配制操作时,配液进滤间要限制无关人员进入操作间,一般不得多于3人,
以免影响操作间的空间洁净度。
2.3配料操作工应在工艺员的监督下,严格按“批生产指令”、“配制工序生产操作指令”
中的操作要求,进行原辅料的投料工作。
配液用水一定要用经过滤除菌的注射用水。
2.4配制时遇到有疑问,要及时向工艺员提出,直到问题解决方可进行下一步骤。
2.5配料操作工在配制过程中要即时记录有关的生产原始数据。
2.6配液结束后,通知车间 QA进行取样,送车间检验室或中心化验室进行检验。
3. 结束工作:
3.1 取出挂在配液过滤间门上的状态标志,换上“待清洁”状态标志。
3.2 将所有物料清理出现场,门窗、天棚、墙壁、地面、工具、容器要清洁清洗干净。
设
备、配液过滤系统、管道等按相关的清洁规程进行清洁后,开启纯蒸汽阀,进行蒸汽消毒、灭菌后,挂上“已清洁”标志。
3.3地漏要先用纯化水冲洗,再用注射用水冲洗,后用0.1% (v/v)的苯扎溴铵溶液进行封闭。
3.4配液过滤结束后,按“洁净区空气消毒标准操作规程”对操作间进行空气消毒。
3.5填写“清场记录”。
并请QA检查清场情况,合格后,由QA发放“清场合格证”,“清场
合格证”压在记录台规定位置,作为后续产品开工凭证。
取下门上的“待清洁”标志,换上经QA签字的“已清洁”标志。
3.6填写本班生产记录及其它有关记录,检查在生产记录上的操作步骤和各项原始数据,
任何偏差一定要在批生产记录上加以注明和解释,如果认为复核符合要求,则在操作
者、复核者项目签上姓名。