《职业卫生档案》
- 格式:docx
- 大小:146.88 KB
- 文档页数:58
职业卫生监管办法重庆市安监局职业健康处 2019年2月21日编号:ZW—JB—2014—003重庆市安全生产监督管理局转发国家安全监管总局关于印发职业卫生档案管理规范的通知—1 —重庆市安全生产监督管理局转发国家安全监管总局关于印发职业卫生档案管理规范的通知各区县(自治县)安监局,有关单位:为加强用人单位职业卫生管理,保证职业卫生档案完整、准确和有效利用,国家安全监管总局研究制定了《职业卫生档案管理规范》(安监总厅安健〔2013〕171号),现转发给你们,请结合正在开展的用人单位职业卫生基础建设活动,组织辖区企业认真学习,并督促企业严格对照本规范要求,建立健全职业卫生管理档案,促进用人单位职业病防治主体责任的落实。
重庆市安全生产监督管理局2019年2月21日—2 —职业卫生监管办法国家安全监管总局办公厅关于印发职业卫生档案管理规范的通知安监总厅安健〔2013〕171号各省、自治区、直辖市及新疆生产建设兵团安全生产监督管理局:根据《中华人民共和国职业病防治法》、《工作场所职业卫生监督管理规定》(国家安全监管总局令第47号)、《用人单位职业健康监护监督管理办法》(国家安全监管总局令第49号)的要求,为加强用人单位职业卫生管理,保证职业卫生档案完整、准确和有效利用,推进用人单位职业病防治主体责任的落实,我局研究制定了《职业卫生档案管理规范》,现印发给你们,请认真抓好贯彻落实。
国家安全监管总局办公厅2019年12月31日—3 —职业卫生档案管理规范为提高用人单位(煤矿除外)的职业卫生管理水平,规范职业卫生档案管理,根据《中华人民共和国职业病防治法》、《工作场所职业卫生监督管理规定》(国家安全监管总局令第47号)、《用人单位职业健康监护监督管理办法》(国家安全监管总局令第49号)的要求,制定本规范。
一、用人单位职业卫生档案,是指用人单位在职业病危害防治和职业卫生管理活动中形成的,能够准确、完整反映本单位职业卫生工作全过程的文字、图纸、照片、报表、音像资料、电子文档等文件材料。
职业卫生档案分类(六个档案)职业卫生档案分类 (六个档案)1. 职业健康监护档案1.1 档案概述职业健康监护档案是用于记录企业员工的职业健康体检结果、职业病危害因素接触情况、职业病诊断及治疗情况等信息的档案。
1.2 档案内容1. 职业健康体检记录:体检日期、体检项目、体检结果等;2. 职业病危害因素接触情况:工作岗位、危害因素类型、接触时间等;3. 职业病诊断及治疗记录:诊断时间、诊断结果、治疗情况等;4. 监护意见和建议:针对个体体检结果和职业病危害因素接触情况给出的监护意见和建议。
1.3 适用范围所有员工在岗位上的体检结果和职业病危害因素接触情况都应纳入职业健康监护档案。
2. 职业病危害评价档案2.1 档案概述职业病危害评价档案用于记录企业的工作场所职业病危害因素评价结果、相关安全技术措施以及职业卫生监测数据等信息。
2.2 档案内容1. 职业病危害因素评价结果:包括评价方法、评价结果、评价日期等;2. 相关安全技术措施:职业病危害因素管控措施、个体防护用品配备情况等;3. 职业卫生监测数据:对职业病危害因素进行的定期监测结果、分析和评价。
2.3 适用范围适用于企业对职业病危害进行评价的记录,以及相应的管控措施和监测数据。
3. 职业病诊断档案3.1 档案概述职业病诊断档案用于记录企业员工被诊断为职业病的情况,包括病例基本信息、病例证据和诊疗过程等。
3.2 档案内容1. 病例基本信息:姓名、性别、年龄、职业、工作单位等;2. 病例证据:包括职业病危害接触历史、体检结果、职业病诊断依据等;3. 诊疗过程:就诊日期、医院名称、诊断结果、治疗方案等。
3.3 适用范围适用于被诊断为职业病的员工的相关档案记录。
4. 职业卫生培训档案4.1 档案概述职业卫生培训档案用于记录企业开展的职业卫生培训情况,包括培训内容、培训人员和培训效果等信息。
4.2 档案内容1. 培训内容:培训主题、培训时间、培训形式等;2. 培训人员:参与培训的人员名单、岗位等级、培训记录等;3. 培训效果:培训评估结果、培训效果统计等。
职业卫生个档案职业卫生档案,顾名思义,是关于职业健康方面的各种档案记录。
它主要是为了保障员工的健康,确保企业的生产、经营能够持续发展。
职业卫生档案记录了员工的健康状况,其中包括健康检查、职业病诊断、职业病危害因素检测等方面的内容。
职业卫生档案是每个企业都必须建立的重要档案,因为它直接关系到企业的生产经营和员工的身体健康。
下面我们一起来了解职业卫生档案的重要性和它的建立方式。
1.职业卫生档案的重要性职业卫生档案是企业管理工作中的一项重要任务。
一个良好的职业卫生档案系统,可为企业提供多方面的优势。
首先,职业卫生档案是防范职业病的重要手段。
职业病是劳动者在工作过程中受职业有害因素的影响而引起损害或患病的现象。
通过记录筛查信息、诊疗记录、职业健康监护资料等,可以发现工作场所的职业危害因素,有助于减少或避免职业病的发生。
其次,职业卫生档案是企业实现管理和发展的有力工具。
企业建立档案可以跟踪员工的健康状况,及时了解员工的身体情况,制定有效的管理措施。
同时,它也可以在企业发展过程中提供有力保障,避免职业病人群对企业的经济和声誉造成不利影响。
2.职业卫生档案的建立为了建立健全的职业卫生档案,企业需要关注以下几个方面:(1)确定职业卫生档案的范围:企业应对职业卫生档案有明确的了解,确定档案内容和范围,建立档案编制和维护的标准,以保证赋予档案以权威性和准确性的可靠性。
(2)建立职业病应急处置预案:建立职业病应急处置预案,梳理危险因素并制定相应的预防策略。
同时,对于职业病的临床首诊工作也需要完善。
(3)定期健康检查:建立员工职业卫生档案时,通过定期的健康检查记录员工的个人信息、初次接触职业有害因素及其作业史、接触职业有害因素的时间、剂量、频次及持续时间等信息,以便统计分析、风险评估等目的。
(4)考虑信息安全性:建立职业卫生档案时,应加强信息安全方面的管理,保证档案的私密性和安全性。
3.职业卫生档案的维护在档案的维护方面,企业应该对职业卫生档案实施严格的管理,确保职业卫生档案的完整性、准确性和保密性。
《职业卫生档案》建立要求及格式职业卫生档案是一份记录和管理职业健康与安全信息的文件,它包括了员工的个人与工作信息、职业健康与安全措施、职业病防控措施以及职业卫生监测结果等内容。
下面将介绍职业卫生档案的建立要求及格式。
职业卫生档案的建立要求如下:1.档案建立的依据:根据相关法律法规,雇主应建立职业卫生档案,监测员工在工作环境中受到的健康危害及职业病的发生情况。
2.档案内容的完整性:职业卫生档案应包含员工的个人基本信息、工作岗位及工作环境、职业暴露情况、职业卫生防护及检测措施、职业病情况等内容,确保档案的完整性。
3.数据的真实准确性:建立职业卫生档案需要收集员工的真实个人信息、工作环境及职业病情况等数据,确保数据的真实可靠性。
4.档案保密性:职业卫生档案涉及到员工的个人隐私信息,雇主应加强对档案的保密措施,确保档案信息不被泄露。
职业卫生档案的格式可以按以下内容进行组织:1.封面:包括企业名称、档案名称、档案编号、建档日期等基本信息。
2.员工信息:包括员工的个人基本信息、工作岗位、工作时间等。
3.工作环境:包括工作场所的类型、环境因素情况、职业危害因素等。
4.职业暴露情况:记录员工在工作中接触到的有害物质、频次、暴露途径等信息。
5.职业卫生防护措施:记录企业采取的职业卫生防护措施,包括工程控制措施、个体防护措施等。
6.职业卫生监测:记录对员工进行的职业卫生监测项目、方法、结果等。
7.职业病情况:记录员工职业病的发生情况、治疗情况等。
8.档案管理记录:记录档案的查阅、维护、更新等管理活动。
以上内容只是职业卫生档案中的一部分,具体的建立要求和格式可根据企业的实际情况进行调整和完善。
同时,建议企业建立电子档案,并定期对档案进行备份,以确保档案的安全保存和管理。
职业卫生档案一、用人单位职业卫生档案的定义是什么?用人单位职业卫生档案是指用人单位在职业病危害防治和职业卫生管理活动中形成的,能够准确、完整反应本单位职业卫生工作全过程的文字、图纸、照片、报表、音像资料、电子文档等文件材料。
二、用人单位应该建立哪些职业卫生档案?职业卫生档案是用人单位在职业病危害防治和职业卫生管理活动中形成的,能够反映本单位职业卫生工作全过程的文件材料,这些材料包括:(一)职业病防治责任制文件;(二)职业卫生管理规章制度、操作规程;(三)工作场所职业病危害因素种类清单、岗位分布以及作业人员接触情况等资料;(四)职业病防护设施、应急救援设施基本信息,以及其配置、使用、维护、检修与更换等记录;(五)工作场所职业病危害因素检测、评价报告与记录;(六)职业病防护用品配备、发放、维护与更换等记录;(七)主要负责人、职业卫生管理人员和职业病危害严重工作岗位的劳动者等相关人员职业卫生培训资料;(八)职业病危害事故报告与应急处置记录;(九)劳动者职业健康检查结果汇总资料,存在职业禁忌证、职业健康损害或者职业病的劳动者处理和安置情况记录;(十)建设项目职业卫生“三同时”有关技术资料,以及其备案、审核、审查或者验收等有关回执或者批复文件;(十一)职业病危害项目申报等有关回执或者批复文件;(十二)其他有关职业卫生管理的资料或者文件。
根据安监总局《职业卫生档案管理规范》(安监总厅安健〔2013〕171 号)要求,职业卫生档案资料应分类归档。
上述档案资料可归类为如下七个内容:(一)建设项目职业卫生“三同时”档案;(二)职业卫生管理档案;(三)职业卫生宣传培训档案;(四)职业病危害因素监测与检测评价档案;(五)用人单位职业健康监护管理档案;(六)劳动者个人职业健康监护档案;(七)法律、行政法规、规章要求的其他资料文件。
三、用人单位职业卫生档案管理有何具体要求?(1)用人单位可根据工作实际对职业卫生的样表做适当调整,但主要内容不能删减。
《职业卫生档案》《职业健康监护档案》建立要求及格式职业卫生档案和职业健康监护档案是企业必须建立和维护的重要文件,旨在确保员工的职业健康与安全。
以下是关于这两种档案的建立要求和格式。
1.建立要求:(1)根据《职业病防治法》和相关法律法规的要求,企业必须设立和维护完善的职业卫生档案。
(2)职业卫生档案必须包含全体员工的相关信息,包括职工基本信息、职业暴露情况、职业病检查和诊断结果等。
(3)职业卫生档案必须按照保密原则进行管理,保护员工的隐私权。
(4)职业卫生档案必须定期进行更新和整理,确保数据的准确性和完整性。
2.建立格式:(1)职工基本信息:包括姓名、性别、年龄、证件号码、职业健康检查号码等。
(2)职业暴露情况:包括从业时间、从业岗位、工作场所、暴露的有害物质和工艺、防护设施使用情况等。
(3)职业病检查:包括定期体检、职业病预防接种情况等。
(4)职业病诊断结果:包括已确诊的职业病种类和程度等。
(5)其他相关信息:包括职业危害因素评估报告、职业健康监测数据、职业卫生培训记录等。
1.建立要求:(1)根据《职业病防治法》和相关法律法规的要求,企业必须设立和维护完善的职业健康监护档案。
(2)职业健康监护档案必须包含全体员工的相关信息,包括职业病危害因素接触情况、职业健康监护记录等。
(3)职业健康监护档案必须按照保密原则进行管理,保护员工的隐私权。
(4)职业健康监护档案必须定期进行更新和整理,确保数据的准确性和完整性。
2.建立格式:(1)职业病危害因素接触情况:包括从业时间、职业病危害因素接触情况、个体防护措施等。
(2)职业健康监护记录:包括职业健康体检报告、生物学监测结果、职业健康评价结果等。
(3)个人职业卫生防护用品佩戴情况:包括职业卫生防护用品的种类、规格、发放和使用情况等。
(4)职业健康培训和教育记录:包括职业健康培训和教育的内容、时间、地点等。
综上所述,《职业卫生档案》和《职业健康监护档案》的建立要求和格式主要包括建立要求和建立格式两个方面。
职业卫生监管办法重庆市安监局职业健康处 2014年2月21日编号:ZW—JB—2014—003重庆市安全生产监督管理局转发国家安全监管总局关于印发职业卫生档案管理规范的通知—1 —重庆市安全生产监督管理局转发国家安全监管总局关于印发职业卫生档案管理规范的通知各区县(自治县)安监局,有关单位:为加强用人单位职业卫生管理,保证职业卫生档案完整、准确和有效利用,国家安全监管总局研究制定了《职业卫生档案管理规范》(安监总厅安健〔2013〕171号),现转发给你们,请结合正在开展的用人单位职业卫生基础建设活动,组织辖区企业认真学习,并督促企业严格对照本规范要求,建立健全职业卫生管理档案,促进用人单位职业病防治主体责任的落实。
重庆市安全生产监督管理局2014年2月21日—2 —国家安全监管总局办公厅关于印发职业卫生档案管理规范的通知安监总厅安健〔2013〕171号各省、自治区、直辖市及新疆生产建设兵团安全生产监督管理局:根据《中华人民共和国职业病防治法》、《工作场所职业卫生监督管理规定》(国家安全监管总局令第47号)、《用人单位职业健康监护监督管理办法》(国家安全监管总局令第49号)的要求,为加强用人单位职业卫生管理,保证职业卫生档案完整、准确和有效利用,推进用人单位职业病防治主体责任的落实,我局研究制定了《职业卫生档案管理规范》,现印发给你们,请认真抓好贯彻落实。
国家安全监管总局办公厅2013年12月31日—3 —职业卫生档案管理规范为提高用人单位(煤矿除外)的职业卫生管理水平,规范职业卫生档案管理,根据《中华人民共和国职业病防治法》、《工作场所职业卫生监督管理规定》(国家安全监管总局令第47号)、《用人单位职业健康监护监督管理办法》(国家安全监管总局令第49号)的要求,制定本规范。
一、用人单位职业卫生档案,是指用人单位在职业病危害防治和职业卫生管理活动中形成的,能够准确、完整反映本单位职业卫生工作全过程的文字、图纸、照片、报表、音像资料、电子文档等文件材料。
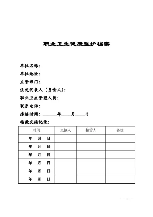
职业卫生健康监护档案单位名称:单位地址:主管部门:法定代表人(负责人):职业卫生管理人员:联系电话:建档时间:______年____月____日档案交接记录:—1 —用人单位基本情况汇总一览表附表一2)所属行业按《国民经济行业分类》(GB/T4754-2011)填写至小类;3)企业规模按《国家统计局关于印发统计上大中小微型企业划分办法的通知》(国统字〔2011〕75号)填写;4)从业人员包括正式工、合同工、临时工和劳务派遣工;外协工是指通过劳务派遣或承包单位到本单位从事生产、检修、工程建设、服务等作业人员;5)职业病危害因素检测和职业健康检查是指由取得国家认可资质的职业卫生技术服务机构进行的检测和检查;6)主要负责人是指董事长、经理、厂(矿)长(含实际控制人)、站长等。
—2 —表1-1 职业卫生管理人员一览表填表时间:年月日注:本表记录用人单位职业卫生管理人员基本情况,人员变化时本表应重新填写并同调整前表格一并存档。
—3 —表2-1 职业卫生管理制度、操作规程一览表Array注:1)本表记录用人单位职业卫生管理制度和操作规程,每年度的职业病防治计划和实施方案应及时归档;2)岗位职业卫生操作规程可与其他操作规程合并,但内容必须有职业病防护设施、应急救援设施和个人防护用品操作的相关规定。
—4 —表2—2注:1)本表记录用人单位收集的职业病防治法律、法规、规范、标准和文件,文件包括上级机关发文和企业发文;2)发布部门是指发文机关或企业发文部门。
—5 —表3-1 生产工艺流程图Array注:1)本图为生产工艺流程图示例。
用人单位应根据本单位实际绘制工艺流程图,注明存在职业病危害因素的环节或部位;2) 生产工艺流程图按产品或车间流程绘制;3)生产工艺流程用方框标明工艺、装置和设备的名称,用箭头标明工艺流程;4)生产工艺发生变化及时更新生产工艺流程图,并将变化前工艺流程图一并归档。
表3-2 职业病危害因素清单、岗位分布及人员接触情况表—6 —填表人:部门负责人:注:1)本表记录用人单位职业病危害因素及岗位分布、人员接触情况,每年1月份填写,内容为上年度数据;2)接触时间是指每个班接触时间,以小时计,可在危害因素种类后以括号内的数字表示,如矽尘(6);3)合计是指一个部门或车间汇总情况,总计是指用人单位汇总情况;4) 其他危害因素是指生物因素、放射性危害因素等;5)岗位人员变动时,应及时将变动情况填入表3-3。
职业卫生监管办法重庆市安监局职业健康处 2014年2月21日编号:ZW—JB—2014—003重庆市安全生产监督管理局转发国家安全监管总局关于印发职业卫生档案管理规范的通知—1 —重庆市安全生产监督管理局转发国家安全监管总局关于印发职业卫生档案管理规范的通知各区县(自治县)安监局,有关单位:为加强用人单位职业卫生管理,保证职业卫生档案完整、准确和有效利用,国家安全监管总局研究制定了《职业卫生档案管理规范》(安监总厅安健〔2013〕171号),现转发给你们,请结合正在开展的用人单位职业卫生基础建设活动,组织辖区企业认真学习,并督促企业严格对照本规范要求,建立健全职业卫生管理档案,促进用人单位职业病防治主体责任的落实。
重庆市安全生产监督管理局2014年2月21日—2 —国家安全监管总局办公厅关于印发职业卫生档案管理规范的通知安监总厅安健〔2013〕171号各省、自治区、直辖市及新疆生产建设兵团安全生产监督管理局:根据《中华人民共和国职业病防治法》、《工作场所职业卫生监督管理规定》(国家安全监管总局令第47号)、《用人单位职业健康监护监督管理办法》(国家安全监管总局令第49号)的要求,为加强用人单位职业卫生管理,保证职业卫生档案完整、准确和有效利用,推进用人单位职业病防治主体责任的落实,我局研究制定了《职业卫生档案管理规范》,现印发给你们,请认真抓好贯彻落实。
国家安全监管总局办公厅2013年12月31日—3 —职业卫生档案管理规范为提高用人单位(煤矿除外)的职业卫生管理水平,规范职业卫生档案管理,根据《中华人民共和国职业病防治法》、《工作场所职业卫生监督管理规定》(国家安全监管总局令第47号)、《用人单位职业健康监护监督管理办法》(国家安全监管总局令第49号)的要求,制定本规范。
一、用人单位职业卫生档案,是指用人单位在职业病危害防治和职业卫生管理活动中形成的,能够准确、完整反映本单位职业卫生工作全过程的文字、图纸、照片、报表、音像资料、电子文档等文件材料。
职业卫生档案职业卫生档案是员工在工作中所接触到的各种有害因素以及相关健康信息的记录档案。
它是企业保障员工健康和安全的重要工具,也是管理职业卫生的基础。
职业卫生档案的重要性职业卫生档案记录了员工在工作环境中可能接触到的各种有害因素,包括化学品、物理因素、生物因素等。
通过及时、准确地记录和分析这些信息,可以帮助企业了解员工的健康状况,发现潜在的职业病危害因素,制定相应的应对措施,保障员工的身体健康。
此外,职业卫生档案还能为企业的职业病防控工作提供科学依据。
通过对员工的职业卫生档案进行分析,可以及时采取相应措施,减少职业病发生的风险,提高员工的工作生产能力。
职业卫生档案的内容职业卫生档案的内容主要包括以下几个方面:1.员工基本信息:包括员工的姓名、性别、年龄、身体状况等基本信息。
2.工作过程:记录员工在工作中所从事的具体工作内容、工作时间、工作地点等信息。
3.有害因素接触情况:记录员工在工作中可能接触到的各种有害因素,包括化学品、粉尘、噪音、振动等。
4.职业病史:记录员工是否曾经患有职业病或有相关症状的情况,以及接受过的职业病防护措施。
5.健康情况:记录员工的健康状况,包括体格检查、生化检查、职业卫生检查等信息。
6.职业卫生监测数据:记录员工定期进行的职业卫生监测数据,如空气中有害物质浓度、生产场所噪声等。
职业卫生档案的管理职业卫生档案的管理需要严格遵守相关法律法规和规章制度,确保档案的真实性、完整性和保密性。
企业应建立健全的职业卫生档案管理制度,明确工作流程和责任分工,提高档案管理的效率和规范性。
同时,企业应加强对员工的职业卫生保护教育,提高员工对职业卫生档案的重视程度,促使员工自觉遵守相关规定,积极配合档案管理工作。
结语职业卫生档案是企业管理职业卫生的重要手段,是维护员工健康的重要保障。
企业应高度重视职业卫生档案的建立和管理工作,不断完善档案管理制度,促进职业卫生工作的持续改进和发展,共同创造一个安全、健康的工作环境。
职业卫生监管办法重庆市安监局职业健康处 2014年2月21日编号:ZW—JB—2014—003重庆市安全生产监督管理局转发国家安全监管总局关于印发职业卫生档案管理规范的通知—1 —重庆市安全生产监督管理局转发国家安全监管总局关于印发职业卫生档案管理规范的通知各区县(自治县)安监局,有关单位:为加强用人单位职业卫生管理,保证职业卫生档案完整、准确和有效利用,国家安全监管总局研究制定了《职业卫生档案管理规范》(安监总厅安健〔2013〕171号),现转发给你们,请结合正在开展的用人单位职业卫生基础建设活动,组织辖区企业认真学习,并督促企业严格对照本规范要求,建立健全职业卫生管理档案,促进用人单位职业病防治主体责任的落实。
重庆市安全生产监督管理局2014年2月21日—2 —国家安全监管总局办公厅关于印发职业卫生档案管理规范的通知安监总厅安健〔2013〕171号各省、自治区、直辖市及新疆生产建设兵团安全生产监督管理局:根据《中华人民共和国职业病防治法》、《工作场所职业卫生监督管理规定》(国家安全监管总局令第47号)、《用人单位职业健康监护监督管理办法》(国家安全监管总局令第49号)的要求,为加强用人单位职业卫生管理,保证职业卫生档案完整、准确和有效利用,推进用人单位职业病防治主体责任的落实,我局研究制定了《职业卫生档案管理规范》,现印发给你们,请认真抓好贯彻落实。
国家安全监管总局办公厅2013年12月31日—3 —职业卫生档案管理规范为提高用人单位(煤矿除外)的职业卫生管理水平,规范职业卫生档案管理,根据《中华人民共和国职业病防治法》、《工作场所职业卫生监督管理规定》(国家安全监管总局令第47号)、《用人单位职业健康监护监督管理办法》(国家安全监管总局令第49号)的要求,制定本规范。
一、用人单位职业卫生档案,是指用人单位在职业病危害防治和职业卫生管理活动中形成的,能够准确、完整反映本单位职业卫生工作全过程的文字、图纸、照片、报表、音像资料、电子文档等文件材料。
职业卫生档案范本1.职业健康档案文本和国职业病防治法》的规定,结合本公司的实际,对公司各单位建立职业卫生档案,员工个人职业健康监护档案,简称“两档”,并由专人保管。
二、职业卫生档案包括:1、企、事业单位职业卫生记录卡;2、厂区各生产单位职业病危害因素分布平面示意图、厂区各生产单位重点职业病危害因素分布平面示意图;3、厂区各生产单位工艺流程简图(用箭头表示);4、各生产单位接触职业病危害因素人员一览表;5、各生产单位接触职业病危害因素人员作业人员登记卡;6、职业病危害、职业中毒记录卡;7、职业病危害因素检测结果汇总资料;8、职业病危害因素程度分级管理表;9、职业中毒事故报告与处理记录表等;10、职业病防治法律、法规、规范、标准、文件、监督文书清单及有关文本;11、职业卫生管理方针、计划、目标、方案、程序、指导书、管理制度;12、职业卫生专(兼)职管理组织、职能及人员分工;13、建设项目职业病危害管理档案;14、职业病预防控制措施技术档案;15、职业病防护设施和防护用品档案;16、职业卫生培训教育汇总资料;17、职业病事故应急救援预案及演练有关资料。
三、员工个人健康档案包括:1、员工的职业史、既往史和职业病危害接触史;2、作业场所职业病危害因素监测结果;3、职业健康检查结果、职业禁忌证名单及处理情况;4、职业病诊断、职业病病例登记表等员工个人健康资料;5、职业健康监护委托书或合同;6、职业性健康检查工种及人员名单;7、职业病人处理、安置情况汇总资料。
四、“两档”资料按档案管理的要求建立目录、统一编号、专册登记;分永久、长期、短期三种期限及时进行归档。
五、“两档”资料应字迹清楚、图表清晰、文字准确可靠,并管好和用好“两档”。
六、随时、定期地根据公司人员的变动,及时调整和补充“两档”,各表卡每年10月前系统地调整一次。
七、“两档”档案中各种资料按要求每三年复核一次;日常职业卫生工作须将测定结果、健康检查结果、职业病管理情况随时过录,以备分析。
职业卫生档案目录概述(六个档案)职业卫生档案目录概述1. 个人健康档案个人健康档案是记录员工的健康情况和职业病监测的重要档案之一。
记录员工的基本信息、身体状况、过往病史以及职业病暴露情况等。
个人健康档案有助于监测员工的职业健康状况,及时预防和干预潜在的职业病风险。
2. 职业危害评估档案职业危害评估档案记录企业对工作环境中潜在危害的评估结果。
包括评估方法、评估指标、评估结果、评估报告等内容。
职业危害评估档案有助于了解企业工作环境中可能存在的危害源和危险因素,为制定有效的职业卫生管理措施提供依据。
3. 职业病问卷调查档案职业病问卷调查档案用于收集员工的疾病病史、职业史、工作环境暴露史以及可能存在的健康问题等相关信息。
这些信息有助于了解员工的职业病风险,识别潜在的职业病受害者,并采取相应的保护措施。
4. 职业病筛查档案职业病筛查档案用于记录员工职业病的筛查结果,包括体检报告、病理检查结果、职业病诊断等。
职业病筛查档案能够及时发现存在的职业病问题,并采取相应的治疗和干预措施,保护员工的健康。
5. 职业卫生培训档案职业卫生培训档案记录员工参加的职业卫生培训内容、培训时间、培训人员等。
培训档案有助于评估员工对职业卫生知识的掌握程度,确保员工具备必要的职业卫生防护知识和技能。
6. 职业卫生监督档案职业卫生监督档案是监管机构对企业的职业卫生状况进行监督和评估的记录。
包括监督机构的检查报告、整改措施、监察意见等。
通过职业卫生监督档案,监管机构能够及时发现和纠正职业卫生问题,促进企业职业卫生管理的改善。
以上所述的六个档案是职业卫生管理中的重要内容,通过建立和维护这些档案,可以有效地管理和控制职业卫生风险,保护员工的健康。
企业应建立完善的档案体系,并定期更新档案内容,以确保职业卫生管理工作的有效性和持续性。
职业卫生档案根据职业病防治法的要求,用人单位应当建立职业卫生档案,其内容主要包括:1职业卫生基本情况一览表。
2生产工艺流程图。
3有害因素分布图。
4原材料清单。
5技术、工艺清单。
6有毒有害物质清单。
7作业岗位清单。
8劳动者名册。
9历年有毒有害因素动态监测结果汇总。
10职业健康检查结果汇总表。
11职业病人名单。
12疑似职业病人名单。
13职业禁忌症患者名单。
14防护设施名单。
15作业场所管理制度或作业环境监测制度书面文件。
16职业病危害因素检测、评价管理制度书面文件。
17职业有害因素的监测点分布图。
18职业病危害因素的检测与评价委托书。
19职业病危害因素检测方案。
20职业病危害因素检测结果、评价报告书。
21职业病危害因素检测、评价结果上报材料复印件。
22其他有关资料。
监督检查的内容一、听取用人单位汇报有关情况时应当了解的内容(1)用人单位的一般情况包括主要产品。
工艺流程、职工总数、生产工人数、接触有害作业人数等。
(2)主要职业危害种类,分布的车间、岗位,工人接触情况。
(3)企业职业病防治工作的开展情况。
二、查阅相关资料时应重点查看的内容(1)职业健康管理资料:是否制订了职业健康管理制度、操作规程、检测及评价制度、职业危害事故应急救援预案;职业健康档案、健康监护档案是否完整齐全;是否制定了年度职业危害防治工作计划。
(2)培训资料:上岗前、在岗间的职业卫生培训和教育情况。
(3)查看健康监护资料:一岗前体检;二在岗体检;三离岗体检(4)查看职业危害项目的申报资料:主要看申报表(5)查看职业危害因素监测资料:主要看检测报告(6)抽查劳动合同:职业危害劳动告知;职业危害防护用品使用注意事项(7)近两年有无新建、改建和扩建或技术改造、技术引进生产性建设项目,是否经过“三同时”审查和验收。
(8)职业危害监测评价结果是否定期上报当地有关部门。
三、到生产现场重点观察的内容(1)职业危害因素来源。
编号:ZYWSZ001用人单位职业卫生档案(汇总档案)单位****** 有限公司(公章)负责人 ___________________建档时间2017.1.27 _________________附表附表填表人: 部门负责人: 主要负责人:填表时间:年月曰编号:ZYWSF001用人单位职业卫生档案(职业卫生管理机构和职业病防治责任制文件)单位*** 有限公司(公章)负责人_____________________建档时间2017.1.27 ________________(内部资料注意保密专人保管)表1-1职业卫生管理机构与组成人员一览表-7 -注:本表记录用人单位职业卫生管理人员基本情况,人员变化时本表应重新填写并同调整前表格一并存档- 8 -编号:ZYWSF002用人单位职业卫生档案(职业卫生管理规章制度、操作规程)单位杆** 有限公司(公章)负责人___________________建档时间2017.1.27 _________________(内部资料注意保密专人保管)制表2-1 职业卫生管理制度、操作规程一览表注:)本表记录用人单位职业卫生管理制度和操作规程,每年度的职业病防治计划和实施方案应及时归档;2)岗位职业卫生操作规程与其他操作规程合并的,内容必须有职业病防护设施、应急救援设施和个人防护用品操作的相关规定-10 -表2-2 职业病防治法律、法规、规范、标准、文件一览表注:)本表记录用人单位收集的职业病防治法律、法规、规范、标准和文件,文件包括上级机关发文和企业发文;2)发布部门是指发文机关或企业发文部门。
编号:ZYWSF003用人单位职业卫生档案(工作场所职业病危害因素种类清单、岗位分布以及作业人员接触情况等资料)单位***** _________ (公章)负责人______________________建档时间2017.1.27 _________________(内部资料注意保密专人保管)表3-1-1 生产工艺流程图注:1)本图为生产工艺流程图示例。
用人单位应根据本单位实际绘制工艺流程图,注明存在职业病危害因素的环节或部位;2)生产工艺流程图按产品或车间流程绘制;3)生产工艺流程用方框标明工艺、装置和设备的名称,用箭头标明工艺流程;表3-1-1 生产工艺流程图4)生产工艺发生变化及时更新生产工艺流程图,并将变化前工艺流程图一并归档。
表3-2 工作场所职业病危害因素清单、岗位分布及人员接触情况表填表人:部门负责人:注:1)本表记录用人单位职业病危害因素及岗位分布、人员接触情况,每年1月份填写,内容为上年度数据;2)接触时间是指每个班接触时间,以小时计,可在职业病危害因素种类后以括号内的数字表示,如矽尘(6);3)合计是指一个部门或车间汇总情况,总计是指用人单位汇总情况;4)其他危害因素是指生物因素、放射性危害因素等;5)岗位人员变动时,应及时将变动情况填入表3-3。
表3-3表3-3 人员变动表注:本表记录用人单位各岗位人员每年变动情况。
本表应和表3-2 一并存放归档。
表3-4表3-4产生职业病危害的设备、材料及警示标识一览表填表 注: i人:韩克新 部门负责人:韩克新 1) 本表记录用人单位产生职业病危害的设备、材料,材料是指各种原辅材料及产品、副产品和中间产品;2) 设备、材料名称按工艺流程顺序填写,先填设备,后填材料;3) 产量的单位可根据企业实际情况填写;4) 警示标识设置种类是指 图形标识”警示线”警示语句”告知卡”等,详见GBZ158-2003编号:ZYWSF004用人单位职业卫生档案(职业病防护设施、应急救援设施基本信息,以及其配置、使用、维护、检修与更换等记录档案)单位杆** 有限公司 _____________ (公章)负责人_____________________建档时间2017.1.27 _________________(内部资料注意保密专人保管)-21 -表4-1 主要职业病防护设施、应急救援设施配置基本信息表注:1)本表记录用人单位职业病防护设施、应急救援设施配置情况,按工艺流程顺序填写;2)使用状态是指正常、异常、停用等状态;-22 -3)如配置发生变化应重新填写,并与变化前配置表一并归档。
-23 -注:1)本表记录用人单位职业病危害防护设施、应急救援设施的检修、维护与更换汇总情况,备注栏注明”检修” ”维护或”更换”和其他事项;2)本表每半年汇总归档,其日常记录可由检修、维护、更换实施部门保存。
-24 -编号:ZYWSF005用人单位职业卫生档案(工作场所职业病危害因素检测、评价报告与记录)单位杆** 有限公司 _____________ (公章)负责人______________________建档时间2017.1.27 _________________(内部资料注意保密专人保管)-25 -表5-1 职业病危害因素浓度(强度)日常监测记录注:)本表记录用人单位进行的职业病危害因素日常监测情况;2 )是否达标填写“达标”或“不达标”。
-26 -注:1)本表记录用人单位委托职业卫生技术服务机构开展检测情况;2 )委托检测点填写所有检测的“车间/部门”“岗位或工种”及工艺、材料、设备、设施等。
-27 -注:)本表记录用人单位委托职业卫生技术服务机构开展现状评价情况;2 )委托评价车间/区域指现状评价覆盖的整个用人单位。
-28 --29 -编号:ZYWSF006用人单位职业卫生档案(职业病防护用品配备、发放、维护与更换等记录)单位杆** 有限公司 _____________ (公章)负责人______________________建档时间2017.1.27 _________________(内部资料注意保密专人保管)-30 -表6-1 职业病防护用品购买基本信息记录填表人:审核人:注:本表记录用人单位职业病防护用品购买情况基本信息,及时整理汇总归档表6-2 职业病防护用品发放/更换/维护记录注:1)本表记录用人单位职业病防护用品发放、更换与维护情况,每半年整理汇总归档,备注栏注明“发放”、“更新”或“维护”和其他事项;2)发放周期以“月”为单位,随时发放的可标注“随时”;3)防护类型是指“头部防护”、“呼吸防护”、“眼面部防护”、“听力防护”、“手部防护”、“足部防护”、“躯体防护”、“坠落防护”、“劳动护肤”、“逃生防护”等,详见《山东省劳动防护用品配备标准》DB37/1922-2011-33 -编号:ZYWSF007用人单位职业卫生档案(主要负责人、分管负责人、职业卫生管理人员和职业病危害严重工作岗位的劳动者,及因变更工艺、技术、设备、材料或岗位调整导致职业病危害因素发生变化等相关人员职业卫生培训)单位*** 有限公司(公章)负责人______________________建档时间2017.1.27 ________________(内部资料注意保密专人保管)表7-1 20仃年度职业卫生培训计划填表人:韩克新审核人:韩克晓制定日期:年月日注:历年职业卫生培训计划要与此表一并存档。
表7-2填表人:韩克新审核人:韩克新注:1)本表记录用人单位职业卫生培训的主要内容;2 )开展所有职业卫生培训均应附《职业卫生培训记录》(表7-2 )。
表7-3主要负责人(分管负责人)、职管员职业卫生培训情况注:1)本表记录用人单位主要负责人(分管负责人)、职管员职业卫生培训情况;2)《职业卫生培训记录》(表7-2 )一并存档表7-4职业病危害严重岗位劳动者职业卫生培训情况注:1)《职业卫生培训记录》(表7-2 )一并存档;2)职业卫生培训相关考核材料(如试卷等)一并存档;3)职业卫生培训现场影像资料一并存档。
表7-5注:1)本表记录用人单位主要负责人、分管负责人、职业卫生管理人员经安监部门职业卫生培训情况;2)《职业卫生培训记录》(表7-2 )一并存档;上级进行培训的,培训结束后填写《职业卫生培训记录》(表7-2)-39 -注:1)本表记录用人单位组织的职业卫生日常培训情况,《职业卫生培训记录》(表7-2 )一并存档;2)培训范围是指全员、中层、班组长、作业人员等;3)培训类别是指上岗前职业卫生培训、在岗期间定期职业卫生培训、因变更工艺、技术、设备、材料,或者岗位调整导致劳动者接触职业病危害因素发生变化而重新进行上岗前的职业卫生培训等;4)培训方式是指理论培训或实际操作培训。
-40 -编号:ZYWSF008用人单位职业卫生档案(职业病危害事故报告与应急处置记录)单位*** 有限公司_____________ (公章)负责人______________________建档时间2017.1.27 _________________(内部资料注意保密专人保管)编号:ZYWSF008淄博市安全生产监督管理局表8-1填表人:审核人:注:职业病救治、诊断、调查及应急处置等相关记录和影像资料一并存档编号:ZYWSF009用人单位职业卫生档案(劳动者职业健康检查结果汇总资料,存在职业禁忌证、职业健康损害或者职业病的劳动者处理和安置情况记录)编号:ZYWSF009单位*** 有限公司 _____________ (公章)负责人_______________________建档时间2017.1.27 _________________(内部资料注意保密专人保管)注:)本表记录用人单位接触职业病危害劳动者职业健康检查情况;2)检查机构是指具有卫生行政主管部门认定的有相应资质的职业健康体检、诊断机构; 3)体检种类是指上岗前、在岗期间、离岗时、应急、离岗后医学随访等检查。
-46 -注:1)本表记录用人单位职业健康检查结果处理安置情况;2)处置情况是指调离、暂时脱离工作岗位、复查、医学观察、职业病诊断等处理和安置情况;3)接害年限是指与造成职业损害有关的接触职业病危害因素的年限;4)本记录包括用人单位设立以来所有职业病病例。
-47 -表9-3 职业健康检查结果告知记录职业健康检查机构:检查时间:2013年6月15日编号:ZYWSF010用人单位职业卫生档案(建设项目职业卫生“三同时”有关技术资料,以及其备案、审核、审查或者验收等有关回执或者批复文件)单位杆** 有限公司______________ (公章)负责人 ____________________建档时间2017.1.27 _________________(内部资料注意保密专人保管)表10-1注:)本表记录用人单位建设项目职业卫生“三同时”执行情况;2)类别是指新建、改建、扩建、技术改造、技术引进。
-50 -。