最新单层厂房排架结构课程设计
- 格式:doc
- 大小:1.10 MB
- 文档页数:34
学号2012021129混凝土结构课程设计单层厂房排架结构设计院(系)名称:航天与建筑工程学院专业名称:土木工程学生姓名:杨浩指导教师:郭庆勇2014年6月目录单层厂房排架结构设计1. 设计资料及要求(1)工程概况某金工装配车间为两跨等高厂房,跨度均为18m ,柱距均为6m ,车间总长度为66m 。
每跨设有起重量为150/30t 吊车各2台,吊车工作级别为A5级,轨顶标高9.30m 。
厂房无天窗,采用卷材防水屋面,围护墙为240mm 厚双面清水砖墙,采用钢门窗,钢窗宽度为4.8m ,室内外高差为350mm ,素混凝土地面。
建筑平面及剖面分别如图1和图2所示。
(2)结构设计原始资料厂房所在地点的基本风压为0.4kN/m 2,地面粗糙度为B 类;基本雪压为0.5kN/m 2。
风荷载的组合值系数为0.6c ψ=,雪荷载的组合值系数为0.6cψ=其余可变荷载的组合值系数均为0.7cψ=。
基础持力层为粉土,粘粒含量ρc =0.8,地基承载力特征值f ak =180kN/m 2,埋深-2.0m ,基底以上土的加权平均重度γm =17kN/m 3,基底以下图的重度γ=18kN/m 3。
(3)材料基础混凝土强度等级为C20;柱混凝土强度等级为C30。
柱中纵向受力钢筋采用HRB335级;箍筋和分布钢筋采用HPB300级。
(4)设计要求分析厂房排架内力,并进行排架柱和基础的设计;绘制排架柱和基础的施工图。
图1 厂房平面图图4 厂房剖面图2. 结构构件选型、结构布置方案确定说明因该厂房跨度在15〜36m 之间,且柱顶标高大于8m ,故采用钢筋混凝土排架结构。
为了保证屋盖的整体性和刚度,屋盖采用无檩体系。
由于厂房屋面采用卷材防水做法,故选用屋面坡度较小而经济指标较好的预应力混凝土折线形屋架及预应力混凝土屋面板。
普通钢筋混凝土吊车梁制作方便,当吊车起重量不大时,有较好的经济指标,故选用普通钢筋混凝土吊车梁。
厂房各主要构件选型见表1。
单层厂房排架结构设计一、设计资料某金工车间为两跨等高厂房,跨度均为21m ,柱距均为6m ,车间总长度66m ,每跨设有150/30kN 吊车各2台。
吊车工作级别为A5级,轨顶标高为7.8m ,采用卷材防水屋面,240mm 厚双面粉刷围护砖墙,钢窗宽度3.6m ,高4.2m ,室内外高差为150mm ,素混凝土地面。
厂房建设剖面如图,厂房所在地衡阳的基本风压为0.4kN/m ²,地面粗糙度为B 类,基本雪压为0.35 kN/m ²,修正后的地基承载力特征值为300 kN/m ²,钢筋等级Ⅱ或Ⅲ级,柱、基础采用C25~C30混凝土。
活荷载组合值系数φc =0.7,风荷载组合值系数取0.6,柱顶标高为10.5m ,基底标高为-0.5m ,高窗为3.6×1.8m 。
要求进行排架结构设计。
二、结构构件选型及柱截面尺寸确定因该厂房跨度在15~36m 之间,且柱顶标高大于8m ,故采用钢筋混凝土排架结构。
为了使屋盖具有较大刚度,选用预应力混凝土折线形屋架及预应力混凝土屋面板,选用钢筋混凝土吊车梁及基础梁。
表1 主要承重构件选型表图1 厂房剖面图由图1可知柱顶标高为10.5m ,牛腿顶面标高为6.6m ,室内地面至基础顶面的距离为0.5m ,则柱的总高度H ,下柱高度H l 和上柱高度H u 分别为:H=10.5+0.5=11.0m H l =6.6+0.5=7.1m H u =11.0-7.1=3.9m根据柱的高度,吊车起重量及工作级别等条件可确定柱截面尺寸:表2柱截面尺寸及相应的计算参考图2 计算单元和计算简图三、荷载计算1.恒载(1)屋盖恒载SBS改性沥青 0.3 kN/m²20mm厚水泥砂浆找平层 20 kN/m3×0.02m=0.40 kN/m²20mm厚挤塑板 0.1 kN/m3×0.02m=0.002 kN/m²20mm厚水泥砂浆找平层 20 kN/m3×0.02m=0.40 kN/m²预应力混凝土屋面板 1.4kN/m²钢屋盖支撑 0.05 kN/m²2.552kN/m²屋架重力荷载为88.8kN/榀,则作用于柱顶的屋盖结构重力荷载标准值为:G1=2.552×6×21/2+88.2/2=205.2kN(2)吊车梁及轨道重力荷载标准值G3=39.5+0.8×6=44.3kN(3)柱自重重力荷载标准值A、C柱上柱 G4A=G4C=4×3.9=15.60kN下柱 G5A=G5C=4.44×7.1=31.52kNB柱上柱 G4B=6×3.9=23.4kN下柱G5B=44.4×7.1=31.52kN图3 荷载作用位置图(单位:kN)2.屋面活荷载屋面活荷载标准值为0.5kN/m²,雪荷载标准值为0.35 kN/m²,后者小于前者,故仅按前者计算,作用于柱顶的屋面活荷载标准值为:Q1=0.5×6×21/2=31.5 kN ,Q1的作用位置与G1相同3.风荷载风荷载的标准值按ωk=βzμsμzω0计算,其中ω0 =0.4 kN/m²,βz =1.0,μz 根据厂房各部分标高及B 类地面粗糙度确定,μs 如图4:柱顶(标高10.5m)μz =1.014檐口(标高10.5m)μz =1.070屋顶(标高10.5m)μz =1.106图4 风荷载体型系数及排架计算简图故排架迎风面及背风面的风荷载标准值分别为:ω1k=βzμs1μzω0 =1.0×0.8×1.014×0.4=0.324kN/m²ω2k=βzμs2μzω0 =1.0×0.4×1.014×0.4=0.162kN/m²则作用于排架计算简图4上的风荷载标准值为:q1=0.324×6=1.94kN/mq2=0.162×6=0.97kN/mF w=[(μs1 +μs2) μz h1+(μs3 +μs4) μz h2] βzω0 B=[(0.8+0.4)×1.070×2.0+(-0.6+0.5)×1.106×1.3]×1.0×0.4×6=5.82kN4.吊车荷载查表得150/30kN吊车的参数为:B=5.55m,K=4.40m,g=69kN,Q=150kN,F p,max=175kN,F p,min=43kN。
《单层工业厂房砼排架课程设计》任务书专业:班级:姓名:指导老师:年学期钢筋砼单层工业厂房排架课程设计任务书一、工程名称:××厂装配车间二、设计资料:(一)建筑地点:长沙地区(非抗震区)(二)气象资料:温度:最热月平均28℃,最冷月平均6.2℃,极端最高39.8℃,极端最低-9.5℃。
主导风向:全年为偏北风,夏季为偏南风。
雨雪量:年降雨量1450mm,最大积雪深度100mm。
(三)地质条件厂区自然地坪下0.8m内为填土,填土下层3.5m内为粉质粘土,地基承载力特征值fak=260KPa,地下水位为-4.05m,无腐蚀性,B 类地面粗糙程度。
(四)根据生产工艺要求,车间的平面布置图如下图1,剖面图如图2,车间内设有两台200/50KN(或150/30KN)A5中级工作制桥式吊车。
(五)车间的主要承重构件采用装配式钢筋砼结构,厂房中标准构件选用如下:1、层面板:采用04G410-1标准图集中的预应力砼大型层面板,板重(包括灌缝在内)标准值为1.4KN/m2。
YWB-2Ⅱ(中间跨)、YWB-2Ⅱs(端跨)。
2、天沟板:采用04G410-1标准图集中的TGB68天沟板,板自重标准值为2.13KN/m。
3、天窗架:采用04G316中的Π型钢筋砼天窗架CJ9-03,自重标准值为2×36KN/榀;天窗端壁:选用04G316中的DB9-3,自重标准值为2×57KN/榀(包括自重、侧板、窗档、窗扇、支撑、保温材料、天窗、电动启动机、消防栓等)。
4、屋架:采用04G415-1标准图集中的预应力砼折线屋架,屋架YWJ24-2A自重标准值为106KN/榀。
YWJ21-2A自重标准值为92.9KN/榀。
5、吊车梁:采用04G323-2标准图集中砼吊车梁DL-9,吊车梁高1200mm,DL-9Z(中间跨),自重标准值为39.5KN/根,DL-9B(边跨),自重标准值为40.8KN/根,轨道及零件重1KN/m,轨道及垫层构造高度为200mm。
钢筋混凝土排架结构单层厂房课程设计任务书一、设计资料:(一)工程名称:唐山学院金工实习车间建筑地点:唐山学院内。
(二)单跨车间长60m,柱距6m,两端有山墙,不设天窗,室内外高差0.15m。
车间内设有两台A4级软钩吊车。
(三)计算参数:1.跨度:18m、24m。
2.吊车起重量:10t、15/3t、20/5t。
3.吊车梁顶面标高:7.2m、7.5m、7.8m、8.1m、8.4m、8.7m、9.0m。
4.以上参数进行组合,以班为单位按学号排列。
(四)屋面构造为:SBS卷材防水层(0.30kN/㎡);20㎜厚水泥砂浆找平层;100㎜厚保温层(容重7.5 kN/m3);大型屋面板承重层。
(五)围护墙为240㎜厚清水砖墙,砌筑在基础梁上。
圈梁及门窗自定。
(六)地基土质为粉土,粘粒含量为12%,地基承载力特征值f ak=160kN/㎡,基础底面标高-1.5m左右。
二、主要构件选用1.屋面板:标准图集G410-1 1.5×6m。
嵌板及内天沟板:G410-2。
2.屋架:G415预应力混凝土折线型屋架。
3.吊车梁:G426 6m跨预应力混凝土等截面吊车梁。
轨道连接构造高度约为170-190㎜(1.0kN/m)。
4.基础梁:G320预制钢筋混凝土基础梁。
5.柱:混凝土C30,纵筋HRB400,箍筋HPB300。
基础:混凝土C30,钢筋HRB400。
三、设计内容和要求:(一)单层厂房结构设计计算书1.单层厂房结构平面、剖面设计及主要构件选型,屋架及屋盖支撑平面布置图,柱、柱间支撑布置图。
2.排架内力分析(计算简图、荷载计算及排架内力分析)。
3.排架柱内力组合。
4.排架柱设计(配筋构造、吊装验算、牛腿设计)。
5.柱下独立基础设计。
(二)绘制2号施工图一张1.一个排架柱施工图(模板图及配筋图)。
2.一个柱下独立基础的平面及剖面图。
3.结构设计说明(混凝土强度等级、钢筋的级别、混凝土保护层厚度等)。
四、课程设计目的:通过设计实践进一步巩固学生在《建筑钢筋混凝土与砌体结构设计》相关章节所学的内容,深入领会厂房结构设计特点,熟悉厂房的结构型式及构造,学会查阅设计资料,掌握厂房设计的规定,使学生在设计计算、提高专业绘图能力等方面获得必要的训练,并达到一定的熟练程度。
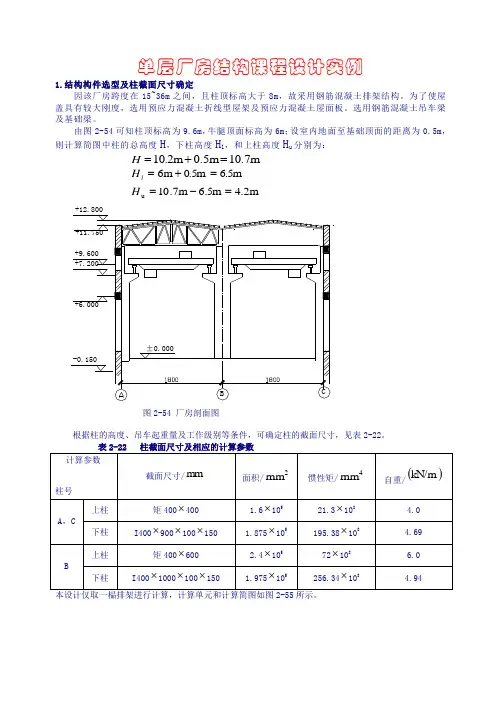
单层厂房结构课程设计实例1.结构构件选型及柱截面尺寸确定因该厂房跨度在15~36m之间,且柱顶标高大于8m,故采用钢筋混凝土排架结构。
为了使屋2.屋面活荷载 屋面活荷载标准值为20.5kN/m ,雪荷载标准值为20.4kN/m ,后者小于前者,故仅按前者计算。
作用于柱顶的屋面活荷载设计值为: .8kN 3718/2m 6m kN/m5.04.121=⨯⨯⨯=Q1Q 的作用位置与1G 作用位置相同,如图2-56所示。
3.风荷载 风荷载的标准值按0s z z k w w μμβ=计算,其中20kN/m5.0=w ,0.1=z β,z μ根据厂房各部分标高(图2-54)及B 类地面粗糙度确定如下: 柱顶(标高9.6m ) 000.1z =μ 檐口(标高11.75m ) 049.1z =μ 屋顶(标高12.80m ) 078.1z =μsμ如图2-57所示,则由上式可得排架迎风面及背风面的风荷载标准值分别为:220s1z z k /4.00.5kN/m1.00.81.0mkN w w =⨯⨯⨯==μμβ220s2z z 2k /2.00.5kN/m1.00.41.0mkN w w =⨯⨯⨯==μμβ6m 1200F pmax 0.80.1334000F pmax 0.3331.06m4000F pmax =174KNF pmax1112⎪⎫ ⎛--λ310.011181113411=⎥⎦⎤⎢⎣⎡⎪⎭⎫ ⎝⎛-+⎥⎦⎢⎣⎪⎭⎫ ⎝⎛-+=n n C λλ)( kN 52.100.3110.1m -3.36kN/m 111A ←-=⨯⨯=-=HC q R)( kN 52.100.3110.1m kN/m 112C ←-=⨯⨯-=HC q R)( 26.67kN 10.89kN5.26kN kN 52.10W C A ←-=---=++=F R R R各柱顶的剪力分别为)( 3.13kN 26.67kN 0.277kN 52.10A A A ←-=⨯+-=-=R R V η )( .89kN 1126.67kN 0.446B B →=⨯==R V η)( 2.13kN 26.67kN 0.277kN 26.5C C C →=⨯+-=-=R R V η排架内力如图2-62b 所示q 1BF wq 2CBC10.50139.7642.80120.0918.5519.10107.2011.8930.81(a) (b)图2-62 左吹风时排架内力图(2)右吹风时计算简图如图2-63a 所示。
单层排架结构课程设计一、课程目标知识目标:1. 让学生理解单层排架结构的基本概念、分类及应用场景;2. 掌握单层排架结构的设计原理及关键参数;3. 了解单层排架结构的受力分析及计算方法。
技能目标:1. 能够运用所学知识,进行单层排架结构的初步设计;2. 能够分析单层排架结构在实际工程中的应用,并提出优化方案;3. 能够运用专业软件进行单层排架结构的受力分析和计算。
情感态度价值观目标:1. 培养学生对建筑结构工程的兴趣,激发学习热情;2. 培养学生的团队协作精神,提高沟通与交流能力;3. 增强学生对工程质量和安全的责任感,树立正确的工程观念。
课程性质:本课程为专业核心课程,以实践性、应用性为主。
学生特点:学生具备一定的力学基础,具有较强的学习能力和实践操作能力。
教学要求:结合教材内容,注重理论与实践相结合,强调实际操作能力的培养。
通过课程学习,使学生能够掌握单层排架结构的设计方法,具备解决实际工程问题的能力。
同时,关注学生的情感态度价值观的培养,提高学生的综合素质。
将课程目标分解为具体的学习成果,为后续的教学设计和评估提供依据。
二、教学内容1. 单层排架结构基本概念:包括排架结构的定义、分类及其特点;2. 排架结构设计原理:介绍排架结构的设计方法、原则,以及关键参数的选取;3. 受力分析及计算方法:讲解排架结构受力分析的基本原理,列举常用的计算方法;4. 单层排架结构设计实例:分析实际工程案例,使学生了解排架结构在工程中的应用;5. 排架结构优化与改进:探讨如何优化排架结构设计,提高工程质量和效益;6. 专业软件应用:介绍常用的排架结构分析软件,并进行实操训练。
教材章节关联:1. 教材第1章:单层排架结构基本概念;2. 教材第2章:排架结构设计原理及关键参数;3. 教材第3章:受力分析及计算方法;4. 教材第4章:单层排架结构设计实例;5. 教材第5章:排架结构优化与改进;6. 教材第6章:专业软件应用。
《单层工业厂房混凝土排架课程设计》任务书专业土木工程班级土木三班学号姓名王书英指导老师肖四喜目录一、设计资料二、计算内容1.1柱截面尺寸确定1.2荷载计算1.2.1恒载1.2.2屋面活荷载1.2.3风荷载1.2.4吊车荷载1.3排架内力分析1.3.1恒载作用下排架内力分析1.3.2屋面活荷载作用下排架内力分析1.3.3风荷载作用下排架内力分析1.3.4吊车荷载作用下排架内力分析1.4内力组合1.5柱截面设计1.5.1上柱配筋计算1.5.2下柱配筋计算1.5.3柱的裂缝宽度验算1.5.4柱箍筋配置1.5.5牛腿设计1.5.6柱的吊装验算1.6基础设计1.6.1作用于基础顶面上的荷载计算1.6.2基础尺寸及埋置深度1.6.3基础高度验算1.6.4基础底板配筋计算1.1 柱截面尺寸确定由图2可知柱顶标高为12.4 m,牛腿顶面标高为8.6m ,设室内地面至基础顶面的距离为0.5m ,则计算简图中柱的总高度H、下柱高度H l 、上柱高度Hu 分别为:H=12.4m+0.5m=12.9m ,H l =8.6m+0.5m=9.1mHu =12.9m-9.1m=3.8m根据柱的高度、吊车起重量及工作级别等条件,可由表2.4.2并参考表2.4.4 确定柱截面尺寸,见表1。
1.2 荷载计算3 1.2.1 恒载(1).屋盖恒载:两毡三油防水层0.35KN/m2 20mm厚水泥砂浆找平层20×0.02=0.4 KN/m2 100mm厚水泥膨胀珍珠岩保温层4×0.1=0.4 KN/m2一毡二油隔气层0.05 KN/m2 15mm厚水泥砂浆找平层;20×0.015=0.3 KN/m2预应力混凝土屋面板(包括灌缝) 1.4 KN/m2 2.900 KN/m2天窗架重力荷载为2×36 KN / m2,天沟板2.02 KN/m,天沟防水层、找平层、找坡层 1.5 KN/m,G1=1.2×(2.90 KN/m2×6m×24m/2+2×36 KN/2+2.02 KN/m×6m +1.5 KN/m×6m+106 KN/2) =382.70 KN(2) 吊车梁及轨道重力荷载设计值:G3=1.2×(44.2kN+1.0KN/m×6m)=50.20 KN(3)柱自重重力荷载设计值:上柱G4A= G4B =1.2×4kN/m×3.8m =18.24 KN下柱G5A= G5B=1.2×4.69kN/m×9.1m =51.21KN1.2.2 屋面活荷载屋面活荷载标准值为0.5 KN/m2,雪荷载标准值为0.35 KN/m2,后者小于前者,故仅按前者计算。
单层厂房排架柱课程设计一、课程目标知识目标:1. 让学生掌握单层厂房排架柱的基本概念、分类及结构特点。
2. 使学生了解单层厂房排架柱的受力分析及其在工程中的应用。
3. 引导学生掌握单层厂房排架柱的设计原则和计算方法。
技能目标:1. 培养学生运用所学知识进行单层厂房排架柱结构设计的能力。
2. 提高学生运用绘图工具(如CAD)进行排架柱施工图绘制的能力。
3. 培养学生分析工程案例,解决实际问题的能力。
情感态度价值观目标:1. 培养学生对建筑结构工程的兴趣,激发学生探索精神。
2. 培养学生的团队协作意识,提高沟通与交流能力。
3. 引导学生关注建筑行业的发展,树立正确的职业观念。
课程性质:本课程为专业实践课程,强调理论知识与实际工程相结合。
学生特点:学生具备一定的建筑结构基础知识,具有较强的学习兴趣和动手能力。
教学要求:结合学生特点,注重理论与实践相结合,提高学生的实际操作能力和创新能力。
通过本课程的学习,使学生能够达到上述课程目标,为将来的职业生涯打下坚实基础。
二、教学内容1. 单层厂房排架柱基本概念:介绍排架柱的定义、作用及其在单层厂房结构中的重要性。
教材章节:第二章第二节2. 排架柱的分类及结构特点:分析各种类型排架柱的结构形式、受力特点及工程适用性。
教材章节:第二章第三节3. 排架柱受力分析:讲解排架柱在荷载作用下的内力计算方法及稳定性分析。
教材章节:第三章第一节4. 排架柱设计原则及计算方法:阐述排架柱设计的基本原则,介绍相关规范及计算方法。
教材章节:第三章第二节5. 排架柱结构设计实例:分析典型单层厂房排架柱设计案例,使学生掌握实际操作流程。
教材章节:第四章6. 排架柱施工图绘制:教授利用CAD等绘图工具进行排架柱施工图的绘制方法。
教材章节:第五章7. 工程案例分析:分析实际工程案例,培养学生解决实际问题的能力。
教材章节:第六章教学内容安排与进度:本课程共计16课时,按以下进度进行教学:1. 基本概念及分类(2课时)2. 结构特点及受力分析(4课时)3. 设计原则及计算方法(4课时)4. 设计实例及施工图绘制(3课时)5. 工程案例分析及讨论(3课时)三、教学方法1. 讲授法:通过系统的讲解,使学生掌握单层厂房排架柱的基本概念、分类、结构特点及设计原则。
《混凝土结构与砌体结构》课程设计题目:单层工业厂房排架结构设计姓名:学号:专业:班级:指导教师:完成时间:目录设计资料 (1)一.柱截面尺寸确定 (2)二.荷载计算 (2)1.恒载 (2)2.屋面活荷载 (3)3.风荷载 (3)4.吊车荷载 (4)三.排架内力分析 (5)1.恒载作用下排架内力分析 (5)2.屋面活荷载作用下排架内力分析 (6)3.风荷载作用下排架内力分析 (7)4.吊车荷载作用下排架内力分析 (8)四.内力组合 (12)五.柱截面设计 (16)A柱: (16)1.上柱配筋计算 (16)2.下柱配筋计算 (16)3.柱的裂缝宽度验算 (17)4.柱箍筋 (18)5.牛腿设计 (18)6.柱的吊装验算 (18)B柱: (19)1.上柱配筋计算 (19)2.下柱配筋计算 (20)3.柱的裂缝宽度验算 (21)4.柱箍筋计算 (21)5.牛腿设计 (21)6.柱的吊装验算 (21)C柱: (22)1.上柱配筋计算 (22)2.下柱配筋计算 (23)3.柱的裂缝宽度验算 (24)4.柱箍筋 (24)5.牛腿设计 (24)6.柱的吊装验算 (25)六.基础设计 (26)1.作用于基础顶面的荷载计算 (26)2.基础尺寸及埋置深度 (28)3.基础高度验算 (29)4 基础底板配筋计算 (30)单层工业厂房设计计算书设计资料双跨装配车间,总长90.48m,柱距6m,车间平面布置如图1,剖面图如图2。
AB 跨2 台电动桥式吊车,BC 跨有1 台桥式吊车,A4 级工作制,其轨顶标高为9.3m,柱顶标高12.5m,不考虑抗震设防。
(AB 跨24m,BC 跨24m,采用C40 混凝土,AB 跨吊车起重量200/50kN,1一.柱截面尺寸确定柱顶标高 12.5m ,牛腿顶面标高为 9.3-1.5(吊车梁高)=7.9m ,设室内地面至基础顶面的距离为 0.5m ,则计算简图中柱的总高度H 、下柱高度H l 和上柱高度H u 分别为:H = 12.5 + 0.5 = 13m H l = 7.9 + 0.5 = 8.4m H u = 13 - 8.4 = 4.6m根据柱的高度、吊车起重及工作条件,可由书表 2.4.2 并参考书表 2.4.4 确定柱截面尺寸。
单层厂房钢屋架课程设计一、课程目标知识目标:1. 学生能够理解并掌握单层厂房钢屋架的基本结构原理,包括杆件受力分析、节点类型及其特点。
2. 学生能够描述单层厂房钢屋架的施工流程、材料选择和安装要点。
3. 学生能够运用相关公式计算单层厂房钢屋架的受力情况及稳定性。
技能目标:1. 学生能够运用CAD软件绘制单层厂房钢屋架的施工图,并进行简单的结构分析。
2. 学生能够通过团队合作,完成单层厂房钢屋架模型的制作,提高实践操作能力。
3. 学生能够运用所学知识,针对实际问题提出合理的解决方案,提高解决问题的能力。
情感态度价值观目标:1. 学生通过学习,培养对建筑结构工程的兴趣,激发学习热情。
2. 学生在团队合作中,学会互相尊重、沟通协作,培养团队精神和责任感。
3. 学生能够认识到建筑结构工程在国民经济和社会发展中的重要性,树立正确的职业观念。
课程性质:本课程为专业实践课程,以理论为基础,实践为主,注重培养学生的动手能力和解决实际问题的能力。
学生特点:学生为中职建筑类专业二年级学生,具备一定的建筑基础知识,对实践操作有较高的兴趣。
教学要求:结合学生特点,注重理论与实践相结合,充分调动学生的学习积极性,提高学生的实践操作能力和解决问题的能力。
通过课程学习,使学生在知识、技能和情感态度价值观方面均取得明显成果。
二、教学内容1. 理论知识:- 单层厂房钢屋架结构原理及分类;- 杆件受力分析及内力计算;- 钢屋架节点类型及特点;- 钢结构材料性质及选用标准;- 钢屋架施工流程及安装要点。
2. 实践操作:- CAD软件绘制钢屋架施工图;- 钢屋架模型制作;- 受力分析及稳定性计算;- 施工现场参观学习。
3. 教学大纲:- 第一周:单层厂房钢屋架结构原理及分类,杆件受力分析;- 第二周:钢屋架节点类型及特点,钢结构材料性质及选用;- 第三周:钢屋架施工流程及安装要点,CAD软件绘制施工图;- 第四周:钢屋架模型制作,受力分析及稳定性计算;- 第五周:施工现场参观学习,总结交流。
单层工业厂房课程设计一、课程目标知识目标:1. 让学生掌握单层工业厂房的基本结构、功能布局及设计原则。
2. 使学生了解工业厂房建筑材料的选用、施工工艺及其对环境的影响。
3. 帮助学生理解工业厂房在设计过程中涉及的规范、标准及安全要求。
技能目标:1. 培养学生运用CAD软件绘制单层工业厂房平面图、立面图的能力。
2. 提高学生分析工业厂房建筑图纸,识别和解决实际问题的能力。
3. 培养学生团队协作,进行项目设计、讨论、展示的能力。
情感态度价值观目标:1. 培养学生对工业建筑设计的兴趣,激发创新意识。
2. 增强学生的环保意识,使其在设计过程中关注建筑与环境的和谐共生。
3. 引导学生关注我国工业发展,培养热爱祖国、服务社会的责任感。
本课程针对高年级学生,结合学科特点和教学要求,以实际案例为载体,注重理论与实践相结合,旨在提高学生的专业知识水平和实际操作能力。
通过课程学习,使学生具备独立完成单层工业厂房设计的能力,为未来从事相关工作奠定基础。
同时,注重培养学生的团队协作、创新思维和情感态度,使其成为具有全面素质的工业建筑设计人才。
二、教学内容1. 工业厂房基本概念:厂房的定义、分类及其功能。
2. 单层工业厂房结构体系:结构类型、特点及适用范围。
3. 工业厂房功能布局:生产区、仓储区、办公区等空间布局原则。
4. 建筑材料选用:各类建筑材料性能、适用范围及环境影响。
5. 施工工艺:基础、主体结构、屋面及围护结构施工方法。
6. 设计规范与标准:国家及地方相关设计规范、安全要求。
7. CAD软件应用:绘制平面图、立面图、剖面图等。
8. 环境保护与可持续发展:工业厂房设计与环境保护、节能降耗。
教学内容依据教材相关章节,结合课程目标进行组织。
教学大纲分为八个部分,按照以下进度安排:第一周:工业厂房基本概念、分类及功能。
第二周:单层工业厂房结构体系、特点。
第三周:工业厂房功能布局原则。
第四周:建筑材料选用、性能分析。
第五周:施工工艺、方法及注意事项。
钢筋混凝土排架结构单层厂房课程设计指导书一、结构布置(一)柱距:6m、9m、12m, 6m是常用柱距,12m是发展方向。
跨度:12m、15m、18m、24m、30m、36m等,经济指标显著时可选用21m、27m、33m等。
伸缩缝间距:室内或土中100m,露天70m。
(二)上柱高度二预制吊车梁高度+吊车轨道连接高度+吊车轨顶以上高度+ 吊车安全运行最小距离220mm, 上柱高度应符合300 模数。
(三)屋盖支撑布置:1. 横向水平支撑:一般布置在温度区段两端及柱间支撑所在柱间。
上弦横向水平支撑遇下列情况之一时设置:(1)跨度较大的无檩体系屋盖,当屋面板与屋架连接点的焊接质量不能保证,且抗风柱与屋架上弦连接时;(2)厂房设有天窗,且天窗通到厂房的第二柱间,应在厂房第二柱间天窗范围内布下弦横向水平支撑遇下列情况之一时设置:(1)山墙抗风柱与屋架下弦连接;(2)厂房内有较大的振动源(如硬钩吊车、5吨以上锻锤等);(3)有纵向运行的悬挂吊车,且吊点设最高设备±0.000屋架下弦底标高£^—1在屋架下弦时,可在悬挂吊车轨道尽头柱间设置。
2. 纵向水平支撑:一般设在屋架下弦。
遇下列情况之一时设置:(1)厂房高大,吊车吨位大(30吨以上),或厂房内设有硬钩吊车及5吨以上锻锤等,此时,等高厂房可沿边列柱下弦端部各设一道通长的纵向水平支撑;(2)厂房内设有托架,纵向水平支撑布置在托架所在柱间并向两端各延伸一个柱间。
3. 屋架垂直支撑:应和横向水平支撑布置在同一柱间。
屋架端部垂直支撑:当屋架端部高度大于1.2m时,应在屋架两端各设一道。
屋架跨中垂直支撑:厂房跨度小于18m 时可不设,厂房跨度为18m—24m时可设一道。
(四)柱间支撑:上柱柱间支撑布置在厂房温度区段两端及中间,与横向水平支撑相对应,下柱柱间支撑布置在厂房温度区段中间,与横向水平支撑相对应。
二、主要构件选型(一)排架柱:上柱:矩形,可采用400m M 400mm,下柱:工字形,宽b=400mm,高h申』14 (Q< 10t,高h注』11 (Q=10t-20t),式中H为基础顶面至吊车梁顶面的高度。
第一章 设计资料1.1设计资料(1) 工程名称: 某锻工车间。
(2) 建筑地点: 车间所在场地,天然地面下0.8m 内为填土,填土下层3.5m 内为粉质粘土,地基承载力设计值2/200m kN f =,设计水位很低,不予考虑。
(3) 自然条件: 基本风压 20/3.0ωm kN =基本雪压 20/25.0m kN s =。
屋面积灰荷载2/5.0m kN (4)建筑平面、剖面如图1-1和图1-2所示。
图1-1 建筑平面布置图图1-2 I-I 剖面图第二章 厂房标准构件及排架柱材料选用2.1 厂房中标准构件选用情况2.1.1 屋面做法两毡二油防水层上铺小石子: 0.35kN/m 220mm 水泥沙浆找平层: 0.4kN/m 2 100mm 珍珠岩保温层: 0.5kN/m 2一毡二油隔气层: 0.05kN/m 220mm 水泥沙浆找平层: 0.4kN/m 2合计: 21/7.1Σm kN g g k ==屋面活荷载: 21/0.1m kN q k =屋面外荷载: 211/7.20.17.1m kN q g k k =+=+屋面板采用G410(一)标准图集:1.5m ×6m 预应力混凝土屋面板(卷材防水) 中间跨: YWB —2II 边 跨: YWB —2IIS 允许外荷载: 2/46.2m kN板自重: 22/30.1m kN g k = 灌缝重: 23/10.0m kN g k =2.1.2檐口板、嵌板檐口板、嵌板采用G410(二)标准图集体。
中间跨: YWB —1 边 跨: YWB —1S 允许外荷载: 2.50kN/m 2板自重: 1.65kN/m 2 灌缝重: 0.10kN/m 22.1.3屋架屋架采用G415(一)标准图集的预应力混凝土折线型屋架(YWJ —24—1Ba ) 允许外荷载: 4.00kN/m 2屋架自重: 24/5.60m kN g k =2.1.4天沟板天沟板采用G410(三)标准图集。
单层工业厂房课程设计单层工业厂房课程设计学院:建筑与土木工程学院班级: 09土木本一姓名:王健学号:指导老师:周华飞第一章设计资料1.1设计资料一、设计题目单层工业厂房课程设计二、主要内容1.完成结构选型及结构布置;2.编制荷载、内力计算说明书;3.内力计算到基础顶面即可,基础设计不作要求;4.柱(中柱或边柱)配筋计算;5.柱(中柱或边柱)牛腿尺寸确定和配筋计算;6.根据计算结果绘制排架柱(中柱或边柱)结构施工图(模板图、配筋图)。
三、使用的原始资料(数据)及设计技术要求:1.建筑地点:××市郊区2.某单层单跨钢筋混凝土装配车间跨度18米,长66米,柱距6米。
3.内设两台A5级桥式吊车,吊车吨位及轨顶标高见设计分组。
厂房室内地坪标高为±0.000m,室外地坪标高为-0.300m,基础顶面至室内地面距离自行确定。
4.自然条件:基本风压、基本雪压取值等均根据工程地点查阅相关设计规范确定。
地面粗糙度类别为B类;无抗震设防要求。
5.屋面做法:二毡三油坊水层上铺小豆石(0.35kN/m2)20mm厚水泥砂浆找平层(0.4 kN/m2)100mm厚加气混凝土保温层(0.60 kN/m2)冷底子油一道、热沥青二道(0.05 kN/m2)预应力屋面板(自重查相关图集)6.厂房中标准构件选用情况:a.屋面板采用G410标准图集中的预应力大型混凝土屋面板,自重标准值为1.4 kN/m2;b.天沟板采用G410标准图集中的TGB68-1沟板,自重标准值为1.91 kN/m2;c.屋盖支撑自重0.05 kN/m2;(沿水平方向)d.吊车梁采用G323标准图集中钢筋混凝土吊车梁,梁高为1200mm,自重标准值39.5 kN/根;轨道及零件自重0.8 kN/m,轨道高度取0.2m;e.屋架采用G415标准图集中预应力钢筋混凝土折线型屋架,自重69.0 kN/榀,屋架底部至顶部高度为2950mm,屋架在檐口处高度为1650mm。
单厂排架课程设计一、课程目标知识目标:1. 让学生理解单厂排架的基本概念、结构和功能;2. 掌握单厂排架的设计原则、施工流程和验收标准;3. 了解单厂排架在我国建筑行业中的应用及发展趋势。
技能目标:1. 培养学生运用CAD软件绘制单厂排架施工图的能力;2. 提高学生根据实际工程需求,进行单厂排架设计和计算的能力;3. 培养学生分析单厂排架施工过程中可能出现的问题,并提出解决方案的能力。
情感态度价值观目标:1. 培养学生对建筑行业的热爱和责任感,增强职业素养;2. 培养学生团队协作、沟通交流的能力,提高合作意识;3. 引导学生关注环境保护,认识到绿色建筑的重要性。
本课程针对高年级土木工程及相关专业学生,结合学科特点和实际工程需求,以提高学生的专业素养和实践能力为核心,注重培养学生的创新意识和职业精神。
课程目标具体、可衡量,旨在帮助学生全面掌握单厂排架相关知识,为今后的工作打下坚实基础。
在教学过程中,教师需关注学生个体差异,因材施教,确保课程目标的实现。
二、教学内容1. 单厂排架基本概念:包括单厂排架的定义、分类及结构组成;2. 单厂排架设计原则:介绍设计原则、设计依据和相关规范;3. 单厂排架施工流程:详细讲解施工准备、施工工艺及验收标准;4. 单厂排架计算方法:讲解排架内力分析、构件计算及稳定性分析;5. 单厂排架施工图绘制:教授CAD软件在单厂排架施工图绘制中的应用;6. 单厂排架工程案例:分析典型工程案例,让学生了解实际工程中的应用;7. 单厂排架发展趋势与新技术:介绍行业发展趋势、新技术和新材料的应用。
教学内容按照以下进度安排:第一周:单厂排架基本概念及分类;第二周:单厂排架设计原则与规范;第三周:单厂排架施工流程及验收标准;第四周:单厂排架计算方法;第五周:单厂排架施工图绘制;第六周:单厂排架工程案例分析;第七周:单厂排架发展趋势与新技术。
教学内容与教材紧密关联,注重科学性和系统性,旨在帮助学生全面掌握单厂排架相关知识,提高实践能力。
单层厂房排架结构课程设计单层厂房排架结构设计一、设计资料某金工车间为两跨等高厂房,跨度均为21m ,柱距均为6m ,车间总长度66m ,每跨设有150/30kN 吊车各2台。
吊车工作级别为A5级,轨顶标高为7.8m ,采用卷材防水屋面,240mm 厚双面粉刷围护砖墙,钢窗宽度3.6m ,高4.2m ,室内外高差为150mm ,素混凝土地面。
厂房建设剖面如图,厂房所在地衡阳的基本风压为0.4kN/m²,地面粗糙度为B 类,基本雪压为0.35 kN/m²,修正后的地基承载力特征值为300 kN/m²,钢筋等级Ⅱ或Ⅲ级,柱、基础采用C25~C30混凝土。
活荷载组合值系数φc =0.7,风荷载组合值系数取0.6,柱顶标高为10.5m ,基底标高为-0.5m ,高窗为3.6×1.8m 。
要求进行排架结构设计。
二、结构构件选型及柱截面尺寸确定因该厂房跨度在15~36m 之间,且柱顶标高大于8m ,故采用钢筋混凝土排架结构。
为了使屋盖具有较大刚度,选用预应力混凝土折线形屋架及预应力混凝土屋面板,选用钢筋混凝土吊车梁及基础梁。
表1 主要承重构件选型表图1 厂房剖面图由图1可知柱顶标高为10.5m ,牛腿顶面标高为6.6m ,室内地面至基础顶面的距离为0.5m ,则柱的总高度H ,下柱高度H l 和上柱高度H u 分别为: H=10.5+0.5=11.0m H l =6.6+0.5=7.1m H u =11.0-7.1=3.9m根据柱的高度,吊车起重量及工作级别等条件可确定柱截面尺寸:表2 柱截面尺寸及相应的计算参考图2 计算单元和计算简图三、荷载计算1.恒载(1)屋盖恒载SBS改性沥青 0.3 kN/m²20mm厚水泥砂浆找平层 20 kN/m3×0.02m=0.40 kN/m²20mm厚挤塑板 0.1 kN/m3×0.02m=0.002 kN/m²20mm厚水泥砂浆找平层 20 kN/m3×0.02m=0.40 kN/m²预应力混凝土屋面板 1.4kN/m²钢屋盖支撑 0.05 kN/m²2.552kN/m²屋架重力荷载为88.8kN/榀,则作用于柱顶的屋盖结构重力荷载标准值为:G1=2.552×6×21/2+88.2/2=205.2kN(2)吊车梁及轨道重力荷载标准值G3=39.5+0.8×6=44.3kN(3)柱自重重力荷载标准值A、C柱上柱 G4A=G4C=4×3.9=15.60kN下柱 G5A=G5C=4.44×7.1=31.52kNB柱上柱 G4B=6×3.9=23.4kN下柱G5B=44.4×7.1=31.52kN图3 荷载作用位置图(单位:kN)2.屋面活荷载屋面活荷载标准值为0.5kN/m²,雪荷载标准值为0.35 kN/m²,后者小于前者,故仅按前者计算,作用于柱顶的屋面活荷载标准值为:Q1=0.5×6×21/2=31.5 kN ,Q1的作用位置与G1相同3.风荷载风荷载的标准值按ωk=βzμsμzω0计算,其中ω0 =0.4 kN/m²,βz =1.0,μz 根据厂房各部分标高及B类地面粗糙度确定,μs 如图4:柱顶(标高10.5m)μz =1.014檐口(标高10.5m)μz =1.070屋顶(标高10.5m)μz =1.106图4 风荷载体型系数及排架计算简图故排架迎风面及背风面的风荷载标准值分别为:ω1k=βzμs1μzω0 =1.0×0.8×1.014×0.4=0.324kN/m²ω2k=βzμs2μzω0 =1.0×0.4×1.014×0.4=0.162kN/m²则作用于排架计算简图4上的风荷载标准值为:q1=0.324×6=1.94kN/mq2=0.162×6=0.97kN/mF w=[(μs1 +μs2) μz h1+(μs3 +μs4) μz h2] βzω0 B=[(0.8+0.4)×1.070×2.0+(-0.6+0.5)×1.106×1.3]×1.0×0.4×6=5.82kN4.吊车荷载查表得150/30kN吊车的参数为:B=5.55m,K=4.40m,g=69kN,Q=150kN,F p,max=175kN,F p,min=43kN。
根据B及K,可算得吊车梁支座反力影响线中各轮压对应的竖向坐标值,如图5:图5 吊车荷载作用下支座反力影响线(1)吊车竖向荷载吊车竖向荷载标准值为:D max= F p,max∑y i=175×(1+0.808+0.267+0.075)=376.25kND min= F p,min∑y i =43×2.15=92.46kN(2)吊车横向水平荷载作用于每一个轮子上的吊车横向水平制动力:T=1/4α(Q+g)=1/4×0.1×(150+69)=5.475kN作用于排架柱上的吊车横向水平荷载标准值:T max=T∑y i =5.475×2.15=11.77kN四、排架内力分析该厂房为两跨等高排架,可用剪力分配法进行排架内力分析,其中柱剪力分配系数η,结果见表:表3 柱剪力分配系数1.恒载作用下排架内力分析恒载作用下排架的计算简图如图,图中的重力荷载G及力矩M是根据图3确定的,即:G1=G1=205.20kN G2=G3+G4A=44.3+15.6=59.9kNG3=G5A=31.52kN G4=2G1=2×205.2=410.40kNG6=G5B=31.52kN G5=G4B+2G3=23.4+2×44.3=112.00kNM1=G1e1=205.2×0.05=10.26kN•mM2=(G1+G4A)e0-G3e3=(205.2+15.6)×0.2-44.3×0.35=28.66kN•m由于图6 所示排架为对称结构且作用对称荷载,排架结构无侧移,故各柱可按柱顶为不动铰支座计算内力。
柱顶不动铰支座反力R i 可以由相应公式计算。
对于A 、C 柱,n=0.148,λ=0.355,则:C 1=3[1-λ2(1-1n )] 2[1+λ3(1n -1)] =2.058 C 3=3(1-λ2) 2[1+λ3(1n -1)]=1.042R A =M 1H C 1+M 2H C 3=10.26×2.058+28.66×1.04211.0=4.63kN R C =-4.63kN R B =0求得Ri 后,可用平衡条件求出各截面的弯矩和剪力。
柱各截面的轴力为该截面以上重力荷载之和,恒载作用下排架结构的弯矩图和轴力图分别见图6(b )(c )。
图6(d )为排架柱的弯矩、剪力和轴力的正负号规定。
图6 恒载作用下排架内力图2.屋面活荷载作用下排架的内力分析 (1)AB 跨作用屋面活荷载排架计算简图如图7(a )所示,其中Q1=31.5kN ,它在柱顶及变阶处引起的力矩为M 1A =31.5×0.05=1.58kN•m ,M 2A =31.5×0.2=6.3kN•m ,M 1B =31.5×0.15=4.73kN•m 。
对于A 柱,C1=2.058,C3=1.042。
则: R A =M 1A H C 1+M 2AH C 3=1.58×2.058+6.30×1.04211.0=0.89kN(→) 对于B 柱,n=0.501,λ=0.355,则: C 1=3[1-λ2(1-1n)]2[1+λ3(1n -1)]=1.616R B =M 1BH C 1 =4.73×1.61611.0=0.69kN(→) 则排架柱顶不动铰支座总反力为: R=R A +R B =0.89+0.69=1.58kN(→)将R 反向作用于排架柱顶,计算相应的柱顶剪力,并与柱顶不动铰支座反力叠加,可得屋面活荷载作用于AB 跨时的柱顶剪力,即:V A =R A -ηA R=0.89-0.312×1.58=0.40kN(→) V B =R B -ηB R=0.69-0.376×1.58=0.10kN(→) V C =-ηC R=-0.312×1.58=-0.49kN(←)排架各柱的弯矩图、轴力图及柱底剪力图如图7:图7 AB 跨作用屋面活荷载时排架内力图(2)BC 跨作用屋面活荷载由于结构对称,且BC 跨与AB 跨作用荷载相同,故只需将图7中各内力图的位置及方向调整一下即可,如图8所示:图8 BC 跨作用屋面活荷载时排架内力图3.风荷载作用下排架内力分析 (1)左风吹时计算简图如图9(a )所示,对于A 、C 柱,n=0.148,λ=0.355,则: C 1=3[1+λ4(1n-1)]8[1+λ3(1n-1)]=0.325R A =-q1H C11=-1.94×11.0×0.325=-6.94kN(←) R C =-q2H C11=-0.97×11.0×0.325=-3.47kN(←) R=R A +R C +Fw=-6.94-3.47-5.82=-16.23kN(←) 各柱顶剪力分别为:V A =R A -ηA R=-6.94+0.312×16.23=-1.88kN(←) V B = -ηB R=0.376×16.23=6.10kN(→) V C =R C -ηC R=-3.47+0.312×16.23=1.59kN(←) 排架内力图如图9(b )所示图9 左风吹时排架内力图(2)右风吹时计算简图如图10(a )所示,将图9(b )所示A 、C 柱内力图对换且改变内力符号后可得,如图10(6)所示:图10 右风吹时排架内力图4.吊车荷载作用下排架内力分析 (1)D max 作用于A 柱计算简图如图11(a )所示,其中吊车竖向荷载D max ,D min 在牛腿顶面处引起的力矩为: M A =D max e 3=376.25×0.35=131.69kN•m M B =D min e 3=92.46×0.75=69.35kN•m 对于A 柱,C3=1.042,则: R A =-M AH C 3=-131.69×1.04211.0=-12.47kN(←)对于B 柱,n=0.501,λ=0.355,则: C 3=3(1-λ2) 2[1+λ3(1n -1)]=1.255R B =M BH C 3 =69.35×1.25511.0=7.91kN(→) R=R A +R B =-12.47+7.91=-4.56kN(←) 排架各柱顶剪力分别为:V A =R A -ηA R=-12.47+0.312×4.56=-11.05kN(←) V B =R B -ηB R=7.91+0.376×4.56=9.62kN(→) V C =-ηC R=0.312×4.56=1.42kN(→)排架各柱的弯矩图、轴力图及柱底剪力值如图11(b )(c )所示:图11 D max作用在A柱时排架内力图(2)D max作用于B柱左:计算简图如图12(a)所示,MA、MB计算如下:M A=D max e3=92.46×0.35=32.36kN•mM B=D min e3=376.25×0.75=282.19kN•m柱顶不动铰支座反力R A,R B及总反力R分别为:R A=-M AH C3=-32.36×1.04211.0=-3.07kN(←)R B=M BH C3=282.19×1.25511.0=32.20kN(→)R=R A+R B=-3.07+32.20=29.13kN(→)排架各柱顶剪力分别为:V A=R A-ηA R=-3.07-0.312×29.13=-12.16kN(←)V B=R B-ηB R=32.20-0.376×29.13=21.25kN(→)V C=-ηC R=-0.312×29.13=-9.69kN(←)排架各柱的弯矩图、轴力图及柱底剪力值如图12(b)(c)所示:图12 D max作用在B柱左时排架内力图(3)D max作用于B柱右:根据结构对称性及吊车吨位相等的条件,内力计算与“D max作用于B柱左”的情况相同,只需将A、C柱内力对换并改变全部弯矩及剪力符号,如图13所示:图13 D max 作用在B 柱右时排架内力图(4)D max 作用于C 柱:同理,将“D max 作用于A 柱”的情况的A 、C 柱内力对换,并注意改变符号,可求得各柱的内力,如图14所示:图14 D max 作用在C 柱时排架内力图(5)T max 作用于AB 跨柱:当AB 跨作用吊车横向水平荷载时,排架计算简图如图15(a )所示。