钢筋安装检验批质量验收记录
- 格式:pdf
- 大小:86.40 KB
- 文档页数:2
钢筋工程检验批质量验收记录1. 引言本文档记录了对于钢筋工程检验批的质量验收过程和结果。
通过对钢筋工程进行严谨的质量验收,可以确保工程质量符合相关标准和要求,提高工程的安全性和可靠性。
2. 检验批信息检验批名称:钢筋工程检验批施工合同编号:[合同编号]合同工程量:[工程量]施工单位:[施工单位名称]监理单位:[监理单位名称]验收日期:验收日期3. 验收标准和方法本次钢筋工程的验收标准遵循国家相关标准和要求,并根据构造配置和设计文件的要求进行验收。
具体的验收方法包括:•检查钢筋清理情况:检查钢筋表面是否有锈蚀、油污等污染物,保证钢筋的清洁度。
•检查钢筋尺寸:对钢筋的直径、长度和弯曲情况进行检查,确保符合设计要求。
•检查钢筋的连接方式:检查钢筋的焊接质量、螺纹连接质量等,确保连接牢固可靠。
•检查钢筋的布置情况:检查钢筋的布置是否符合设计要求,保证钢筋覆盖层的厚度达到要求。
4. 验收过程和结果4.1 验收过程•检查钢筋清理情况:对钢筋表面进行观察和检查,未发现明显的锈蚀、油污等污染物。
•检查钢筋尺寸:使用钢筋直径测量仪对钢筋的直径进行测量,结果显示符合设计要求。
对钢筋长度进行测量,未发现明显的偏差。
对弯曲钢筋进行测量,结果显示符合设计要求。
•检查钢筋的连接方式:对焊接的钢筋进行外观检查,未发现焊接缺陷。
对螺纹连接进行检查,未发现松动或断裂等情况。
•检查钢筋的布置情况:对钢筋布置进行观察和测量,发现布置符合设计要求。
对钢筋覆盖层厚度进行测量,结果显示符合设计要求。
4.2 验收结果根据以上的检验过程,本次钢筋工程检验批的质量验收结果如下:•钢筋清理情况:合格•钢筋尺寸:合格•钢筋连接方式:合格•钢筋布置情况:合格5. 验收结论本次钢筋工程检验批的质量验收结果显示符合相关的验收标准和要求,工程质量达到了预期的要求。
经过严谨的验收过程,保证了钢筋工程的安全性和可靠性。
基于对钢筋工程的质量验收结果,提出以下验收意见:•完善施工单位的质量管理体系,以确保施工过程中质量控制的有效性。
钢筋安装检验批质量验收记录目前,我国建筑施工企业的素质参差不齐,建设监管不到位,建筑钢筋工程施工中普遍都存在着问题,如新旧规范的混淆,设计规范和施工规范要求准则有差异,验收判断尺度宽严不一,检验项目的遗漏,验收中数据不真实,验收工作不负责任,对规范的理解不同等,都是造成钢筋工程质量问题的所在,这样不仅使施工和验收工作不协调,也容易给工程留下严重的质量隐患,遗患无穷。
1关于钢筋的进场验收 1.1主要问题混凝施工规范规定,钢筋进场检验属于强制性条文,必须严格执行,应采取如下措施:钢筋进场时,应检查产品合格证出厂检验报告,并按现行国家标准规定抽样进行力学性能试验,确认复验合格后才能在工程上使用。
监理人员应现场见证复验取样,确保送验样品的真实性,复验结果是该批钢筋能否使用的重要依据。
做好抗震用钢筋强度实测值的复核工作,混凝施工规范5.22条规定,对一二级抗震等级的框架结构,其纵向受力钢筋的强度实测值应符合下列规定,即抗拉强度实测值与屈服强度实测值之比不应<1.25,屈服强度实测值与强度标准值的比值不应>1.3。
施工图未注明抗震等级时,监理人员在图纸会审时提请设计人员予以明确,应将抗震钢筋强度实测值复核工作列入监理实施细则并作为关键控制点,经复验合格才能同意该钢筋在抗震结构中使用。
2关于钢筋的连接 2.1钢筋连接的验收原则钢筋的接头宜设置在受力较小处,同一纵向受力钢筋不宜设置两个或两个以上接头,这作为钢筋验收的一般项目要求。
实际的大跨度或长构件的受力钢筋,必须产生两个或两个以上接头,接头数量主要由接头面积百分率控制。
所以“宜”和“不宜”并不能作为质量判罚依据,而是条件许可时的一种选择。
以下两条验收原则是必须遵循的:纵向受力钢筋的连接方式应符合设计要求。
钢筋接头面积百分率应符合设计要求,当设计无具体要求时,应按施工规范规定执行。
2.2接头面积百分率的控制2.2.1同一连接区段的概念。
规范规定同一连接区段长度为:焊接接头为35d且不<500mm,绑扎接头为1.3倍接长度。
钢筋绑扎检验批质量验收记录
钢筋绑扎检验批质量验收记录是一种质量评估和验收的表格,用于记录钢筋绑扎施工的质量检查结果。
以下是一个可能的钢筋绑扎检验批质量验收记录的示例:
钢筋绑扎检验批质量验收记录
工程名称:XXXX
检验批部位:XXXX
检验批容量:XXXX
验收部位:XXXX
施工单位:XXXX
施工执行标准名称及编号:XXXX
专业工长(施工员):XXXX
分包单位:XXXX
分包项目经理(负责人):XXXX
验收项目
1. 钢筋规格和数量:检查钢筋的规格和数量是否符合设计要求。
2. 钢筋间距:检查钢筋的间距是否符合设计要求。
3. 钢筋搭接长度:检查钢筋的搭接长度是否符合设计要求。
4. 钢筋绑扎质量:检查钢筋的绑扎质量,包括是否牢固、是否错位等。
5. 钢筋焊接质量:如果钢筋采用焊接方式连接,检查焊接质量是否符合要求。
6. 钢筋保护层厚度:检查钢筋的保护层厚度是否符合设计要求。
7. 钢筋垫块设置:检查钢筋垫块是否按照要求设置。
8. 其他要求:根据具体情况,填写其他需要检查的内容。
验收结果:合格□ 不合格□ 返工□同意验收□ 不合格□ 返工□ 拒绝验收□
验收人员签字:
建设单位(项目)负责人:XXXX
监理单位(项目)负责人:XXXX 施工单位(项目)负责人:XXXX 日期:XXXX年XX月XX日。
钢筋连接检验批质量验收记录钢筋连接是建筑工程中非常重要的一环,其质量直接关系到整个结构的安全性和稳定性。
为了保证钢筋连接的质量,需要进行验收和记录,并且严格按照相关规范和标准进行检验,以确保质量合格。
下面是钢筋连接检验批质量验收记录的一份样板,供参考。
项目名称:项目地址:检验单位:编制人:日期:一、基本信息:1.批次号:2.钢筋连接构件号:3.钢筋种类、规格及强度等级:4.检验日期:5.样本编号:二、工作范围:对钢筋连接进行质量验收,包括但不限于以下内容:1.钢筋连接间距的测量;2.钢筋连接是否达到预定的标高,是否有错位;3.钢筋连接的密实性;4.钢筋连接的角度、夹角;5.钢筋连接的质量是否符合设计要求;6.其他必要的检验项目。
三、检验设备:1.量具:卷尺、角尺、直尺等;2.灯光设备;3.相机或摄像设备。
四、检验过程和结果:1.检验前准备:a)检验人员准备好相应的检验设备;b)样本准备:-随机选择一定数量的钢筋连接构件进行检验;-对每个钢筋连接构件进行编号,并记录在验收记录中。
2.检验过程:a)进行钢筋连接间距的测量;-使用卷尺等量具测量钢筋连接的间距;-检查测量结果是否符合设计要求,并记录在验收记录中。
b)检查钢筋连接是否达到预定的标高,是否有错位;-使用直尺等量具测量钢筋连接的标高;-检查是否有错位现象,并记录在验收记录中。
c)检查钢筋连接的密实性;-通过目视、触摸等方法检查钢筋连接的密实程度;-检查是否有裂缝、松动等现象,并记录在验收记录中。
d)检查钢筋连接的角度、夹角;-使用角尺等量具测量钢筋连接的角度、夹角;-检查测量结果是否符合设计要求,并记录在验收记录中。
e)检查钢筋连接的质量是否符合设计要求;-根据设计要求对钢筋连接进行视觉检查、尺寸检查等;-检查钢筋连接的焊缝、锈蚀等情况,并记录在验收记录中。
3.检验结果:对每个样本的检验结果进行记录,包括合格、不合格等。
五、检验结论和建议:根据以上检验结果,对钢筋连接的质量进行结论和建议。
基础钢筋安装检验批质量验收记录项目名称:XXX工程合同号:XXX工程地点:XXX施工单位:XXX监理单位:XXX验收时间:XXXX年XX月XX日一、检验项目1.钢筋加工质量a.钢筋规格、型号是否符合设计要求。
b.钢筋的弯曲度、直线度是否达到标准要求。
c.钢筋的截面形状是否完整,无明显缺损。
d.钢筋表面有无明显锈蚀、污渍等缺陷。
e.钢筋的切割、焊接是否符合规范要求。
2.钢筋布置质量a.钢筋的布置是否符合图纸要求。
b.钢筋的间距、覆盖层是否符合设计要求。
c.钢筋在布置过程中是否有明显的错位、沉浮、弯曲等问题。
d.钢筋连接、绑扎是否稳固可靠。
3.钢筋固定质量a.钢筋固定件的安装是否符合规范要求。
b.钢筋与模板的连接是否结实可靠。
c.钢筋支撑件的设置是否坚固、稳定。
d.钢筋固定件与钢筋之间的连接是否牢固。
二、检验过程1.针对钢筋加工质量进行检验。
观察检查钢筋的规格型号、表面的缺陷及截面形状等情况,并进行记录。
2.针对钢筋布置质量进行检验。
对照设计图纸和规范要求,检查钢筋布置的准确性、间距是否符合要求,并通过测量覆盖层的厚度来验证钢筋布置的质量。
3.针对钢筋固定质量进行检验。
对安装的钢筋固定件进行检查,验证其安装是否符合规范要求,并观察钢筋与模板的连接情况,以及钢筋支撑件的设置是否牢固。
4.钢筋连接、绑扎质量进行检验。
通过观察钢筋连接件的安装情况,检查连接件是否结实可靠,并验证绑扎的质量。
5.对以上检验结果进行总结和评定。
根据检验结果,评定基础钢筋安装的质量,并制定相应的整改方案。
三、检验结果1.钢筋加工质量:经检验,钢筋的规格、型号符合设计要求;弯曲度、直线度达到标准要求;截面形状完整,无明显缺损;表面无明显锈蚀、污渍;切割、焊接符合规范要求。
2.钢筋布置质量:经检验,钢筋的布置符合图纸要求;间距、覆盖层符合设计要求;无明显错位、沉浮、弯曲等问题;连接、绑扎稳固可靠。
3.钢筋固定质量:经检验,钢筋固定件的安装符合规范要求;与模板的连接结实可靠;支撑件坚固、稳定;固定件与钢筋连接牢固。
钢筋连接安装加工模板安装检验批验收记录
1. 项目概况
本次验收项目为钢筋连接安装加工模板的安装检验批验收。
该项目由施工单位负责,施工单位已达到合同要求并完成了相关验收准备工作。
2. 检验批次
本次验收共分为3批次,每批次需要进行纵横向的检查。
3. 检查项目及标准
3.1 钢筋连接组件
检查点标准要求检查结果
连接件尺寸长度、宽度、厚度符合图纸要求符合
钢管连接处准确安装于钢筋进线处,焊缝均匀、坚固符合
连接件间隙间隙均匀、尺寸准确符合
3.2 施工现场
检查点标准要求检查结果
施工质量现场整洁,钢筋连接装配顺序合理,压力是否均匀符合
施工安全安装人员戴好安全帽,戴防滑鞋,个人用品整齐符合
3.3 施工材料
检查点标准要求检查结果
钢筋材质、规格符合协议标准符合
补强材料工业胶水应无毒害污染符合
4. 检验批验收结果
经过检查,三批次钢筋连接安装加工模板的安装检验批验收符合相关标准,现场施工整洁有序,操作人员个人用品也保持了良好的状态,一致通过验收。
5.
本次钢筋连接安装加工模板的安装验收,施工单位认真负责,勤勉尽责,技艺扎实,达到了业主的要求和期望,同时验收结果及时、准确、公正,对验收过程也全面、严谨、细致,验收通过。
钢筋原材料检验批质量验收记录一、前言钢筋作为建筑工程中常用的建筑材料,其质量的好坏直接关系到整个工程的安全性和稳定性。
因此,在采购钢筋原材料时,需要对其进行质量检验,确保所采购的钢筋符合国家标准和要求。
本文将详细介绍钢筋原材料检验批质量验收记录。
二、检验项目1. 钢筋规格:检查钢筋规格是否符合国家标准和要求。
2. 外观质量:检查表面是否平整光洁,无裂纹、折叠、翘曲等缺陷。
3. 化学成分:对采样的钢筋进行化学成分分析,确保其成分符合国家标准和要求。
4. 机械性能:通过拉伸试验和弯曲试验等方法测试钢筋的机械性能,并与国家标准和要求进行比较。
5. 几何尺寸:测量钢筋直径、长度、弯曲度等尺寸参数,并与国家标准和要求进行比较。
三、检验方法1. 钢筋规格:使用卡尺或其他测量工具测量钢筋直径和长度,并与国家标准和要求进行比较。
2. 外观质量:使用肉眼或显微镜等工具对钢筋表面进行检查,确保表面平整光洁,无裂纹、折叠、翘曲等缺陷。
3. 化学成分:采取钢筋样品,使用化学分析仪器进行化学成分测试,并与国家标准和要求进行比较。
4. 机械性能:采用拉伸试验机和弯曲试验机等设备测试钢筋的机械性能,并与国家标准和要求进行比较。
5. 几何尺寸:使用卡尺或其他测量工具测量钢筋直径、长度、弯曲度等尺寸参数,并与国家标准和要求进行比较。
四、检验结果记录1. 钢筋规格:将检测结果记录在检验批质量验收记录表中,包括钢筋直径、长度等信息,并注明是否符合国家标准和要求。
2. 外观质量:将检测结果记录在检验批质量验收记录表中,包括表面是否平整光洁,无裂纹、折叠、翘曲等缺陷,并注明是否符合国家标准和要求。
3. 化学成分:将检测结果记录在检验批质量验收记录表中,包括钢筋的化学成分信息,并注明是否符合国家标准和要求。
4. 机械性能:将检测结果记录在检验批质量验收记录表中,包括钢筋的拉伸强度、屈服强度、伸长率等机械性能信息,并注明是否符合国家标准和要求。
钢筋(连接、安装)工程检验批质量验收记录1.1.9钢筋(连接、安装)工程检验批质量验收记录1.1.9钢筋(连接、安装)工程检验批质量验收记录1.1.9钢筋(连接、安装)工程检验批质量验收记录1.1.9钢筋(连接、安装)工程检验批质量验收记录1.1.9钢筋(连接、安装)工程检验批质量验收记录1.1.9钢筋(连接、安装)工程检验批质量验收记录1.1.9钢筋(连接、安装)工程检验批质量验收记录1.1.9钢筋(连接、安装)工程检验批质量验收记录1.1.9钢筋(连接、安装)工程检验批质量验收记录1.1.9钢筋(连接、安装)工程检验批质量验收记录1.1.9钢筋(连接、安装)工程检验批质量验收记录1.1.9钢筋(连接、安装)工程检验批质量验收记钢筋(连接、安装)工程检验批质量验收记录1.1.9钢筋(连接、安装)工程检验批质量验收记钢筋(连接、安装)工程检验批质量验收记录钢筋(连接、安装)工程检验批质量验收记钢筋(连接、安装)工程检验批质量验收记录钢筋(连接、安装)工程检验批质量验收记钢筋(连接、安装)工程检验批质量验收记录钢筋(连接、安装)工程检验批质量验收记钢筋(连接、安装)工程检验批质量验收记录钢筋(连接、安装)工程检验批质量验收记钢筋(连接、安装)工程检验批质量验收记录钢筋(连接、安装)工程检验批质量验收记钢筋(连接、安装)工程检验批质量验收记录钢筋(连接、安装)工程检验批质量验收记钢筋(连接、安装)工程检验批质量验收记录钢筋(连接、安装)工程检验批质量验收记钢筋(连接、安装)工程检验批质量验收记录钢筋(连接、安装)工程检验批质量验收记钢筋(连接、安装)工程检验批质量验收记录钢筋(连接、安装)工程检验批质量验收记钢筋(连接、安装)工程检验批质量验收记录钢筋(连接、安装)工程检验批质量验收记。
钢筋原材料检验批质量验收记录时间:2024年6月1日地点:建筑工地一、检验批基本信息1.项目名称:XX工程2.检验批名称:钢筋原材料检验批3.检验单位:XX建筑检验检测有限公司二、检验依据和要求1.《钢筋原材料检验规范》(GB/T1499-2024)三、检验项目及结果1.钢筋材质检验(1)钢筋种类:HRB400(2)材质标准:GB/T699-2024(3)必要性能指标:a.抗拉强度:≥400MPab.屈服强度:≥400MPac.伸长率:≥14%(4)检验结果:样品通过检验,符合要求。
2.钢筋外观质量检验(1)表面净度要求:a.允许轻微氧化锈蚀和机械处理痕迹b. 不得有粗大凹坑、氧化皮层厚度超过0.5mm(2)检验结果:样品通过检验,符合要求。
3.钢筋尺寸检验(1) 直径尺寸:12mm ±0.5mm(2)弯曲度要求:允许存在一定的弯曲和鳞母变形,不得有裂纹。
(3)检验结果:样品通过检验,符合要求。
四、检验过程描述1.本次检验从供应商采购的钢筋中随机抽取20根进行检验。
2.对每根钢筋进行外观检验,查看表面净度、氧化皮层厚度等指标是否符合要求。
3.对样品进行尺寸测量,包括直径和弯曲度等参数。
4.从样品中取出试样进行材质检验,包括抗拉强度、屈服强度和伸长率等指标的测定。
5.根据检验结果,判定样品是否合格。
五、检验结论经过对20根钢筋样品的检验,全部样品通过检验,符合相关标准的要求,达到使用标准。
六、检验记录保存1.检验记录将保存在建筑工地的档案室中,以备工程验收和后续质量问题处理时参考。
2.检验报告将向建设单位和施工单位进行报送。
备注:本检验记录仅为对钢筋原材料进行质量验收的一部分,不包括对现场加工和焊接后的钢筋结构的质量检验。
钢筋工程检验批质量验收记录钢筋工程检验批是针对钢筋混凝土工程施工中按照设计要求进行的检查和测试,其目的是保证工程施工的质量水平,确保工程实现设计要求。
随着建筑钢筋的质量要求不断升级,检验批质量验收记录也越来越受到重视。
一、检验批质量验收记录的意义检验批质量验收记录是对建筑钢筋工程质量进行的评估和证明。
它为工程质量监督提供了收据,可以有效地避免因施工过程中的错误和不合格品导致的损失。
记录保留了项目经理、监理、施工方等相关人员的签字,可以在后期出现疑问时有力地证明质量问题的责任方。
通过与最初的设计要求对比,检验批质量验收记录可以为进一步改善工程质量提供有价值的信息。
二、检验批质量验收记录具体内容1. 基本信息:该部分应该包括工程项目名称、施工单位、检验批名称、工程初始状态、监管机构、检查时间和日期等。
2. 验收项:该部分应该按照检验项目逐一列出,例如钢筋材质、直径、切割长度、弯曲半径、收头等。
3. 检验结果:该部分应对每一项验收指标进行记录,包括合格和不合格状态,并对不合格处进行详细描述。
记录应该具体到位于哪个钢筋、在什么位置、何处不符合要求、不合格级别、原因、维修措施等,以便在后期查找问题时能够快速有效地定位。
4. 验收结论:本次检验的结果应该进行汇总,总结是否存在问题,以及是否通过验收。
本部分应该有监理或施工负责人进行签名或盖章,以表示本检验项目的整体质量和组成部分均被认可。
5. 不符合项处理:本条款记录了在验收过程中出现的问题,如如何解决问题、谁负责解决问题等。
在本条款的最后要求相关人员对本次不合格问题进行处理,并签署协议。
同时,本个问题将会被记录到损失质量识别系统中。
6. 签署和日期:最后,应提供建筑师、监理或其他施工负责人、施工队长或其他工程专业人员的签名或盖章,以表示对本记录的承认。
三、检验批质量验收记录的审核检验批质量验收记录应在施工完成之后提交给相关监理部门进行审核。
经过审核,确定检验批质量验收记录中的数据是准确的、合理的,符合相关的法规标准。
钢筋连接检验批质量验收记录1. 概述本文档记录了钢筋连接检验批的质量验收记录,对钢筋连接工程进行质量检验,确保连接质量符合标准要求。
2. 项目信息•项目名称:•工程名称:•编制日期:3. 检验批信息•检验批编号:•检验日期:•检验人员:4. 检验内容和要求本次检验批的主要内容包括以下项目: - 焊接质量检验:检查焊接接头的焊缝质量,包括焊缝的密度、均匀性和焊缝表面的缺陷等。
- 螺纹连接检验:检查螺纹连接件的螺纹质量,确保螺纹连接的紧固性良好。
- 维护检验:检查钢筋连接的维护情况,包括防腐、除锈等维护工作的执行情况。
5. 检验结果根据对钢筋连接的检验,以下为本次检验批的质量验收结果:5.1 焊接质量检验结果•焊接接头1:合格•焊接接头2:合格•焊接接头3:合格•螺纹连接件1:合格•螺纹连接件2:合格•螺纹连接件3:合格5.3 维护检验结果•防腐处理:合格•除锈处理:合格6. 验收意见根据本次检验结果,对钢筋连接的质量进行验收意见如下:6.1 焊接质量验收意见根据焊接接头的质量检验结果,认为焊接质量符合标准要求,可以进行验收。
根据螺纹连接件的质量检验结果,认为螺纹连接质量符合标准要求,可以进行验收。
6.3 维护验收意见根据钢筋连接的维护检验结果,认为维护工作符合标准要求,可以进行验收。
7. 验收结论综上所述,经过本次钢筋连接检验批的质量验收,验证钢筋连接的质量符合标准要求,同意进行验收。
8. 验收人员•验收人员1:•验收人员2:•日期:9. 相关附件•附件1:焊接检验报告•附件2:螺纹连接检验报告•附件3:维护检验报告以上为钢筋连接检验批的质量验收记录,用于记录钢筋连接工程的质量验收情况。
钢筋成型和安装检验批质量验收记录(二) 项目介绍
本文档是钢筋成型和安装检验批质量验收记录的第二部分,主要记录了第二阶
段的验收情况。
日期
2022年1月10日
验收内容
本次验收的内容为钢筋成型和安装的质量。
包括钢筋成型和钢筋安装两个部分。
钢筋成型
经过前期的准备工作,施工方开始进行钢筋成型。
在成型的过程中,监理人员
对其进行了认真地检查:
1.钢筋搭接是否符合设计要求?
2.钢筋是否在成型过程中变形?
3.钢筋成型后是否达到设计要求的长度和直径?
经过检查,问题不大,成型质量符合设计要求。
钢筋安装
随后是钢筋安装环节,施工方在进行安装前,按照设计图纸确定了钢筋的位置
和长度。
监理人员对其进行了检查:
1.钢筋是否安装到位?
2.钢筋是否符合设计图纸的位置?
3.钢筋是否达到了规定的间隔要求?
4.钢筋的长度是否符合设计要求?
经过检查,发现部分位置没有安装到位,需要加强监督。
验收
根据以上的验收内容,本次施工方的钢筋成型和安装质量较为合格,但在安装
位置问题上还需要予以改进。
监理人员现场提出了整改建议,并要求施工方加强施工过程中的质量控制。
同时要求施工方在下一步的施工过程中加强对钢筋成型和安装的监管,确保施工质量的稳步提升。
验收人员
本次的验收人员包括:
•监理人员:张三
•施工方代表:李四
•建设单位代表:王五。
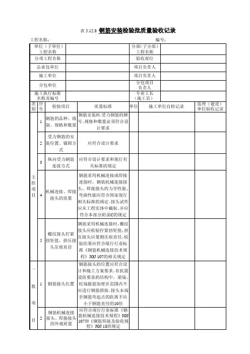
钢筋安装检验批质量验收记录及检验规定和说明编号:单位工程名称分项工程名称分部工程验收部位施工总承包项目专业工单位经理长专业承包单项目施工班位经理长施工执行标准名称及编号监理(建施工质量验收规范的规定施工单位检查评定设)单位记录验收记录第主 1 纵向钢筋的连接方式8.2.11控条项机械连接和焊接接头第目28.2.12的力学性能条第受力钢筋的品种、级38.2.18别、规格和数量条第1接头的位置和数量8.2.13条第机械连接、焊接的外观2质量8.2.14条第机械连接、焊接的接头38.2.15一面积百分率条般第项绑扎搭接接头面积百48.2.16目分率和搭接长度条第搭接长度范围内的5箍筋8.2.17条钢绑长、宽± 106筋扎(mm)安钢网眼尺寸± 20装筋(mm)允网许绑长(mm)± 10偏扎差钢宽、高筋± 5(m m)骨架间距± 10(m m)排距± 5(m m)受保基础±10力护柱梁±5钢层筋厚板墙度± 3壳(mm)绑扎钢筋、横向± 20钢筋间距( mm)钢筋弯起点位置20(mm)预中心线位置埋(mm)件水平高差(mm)5 +3,0施工单位检查评定结果:质量检查员:年月日监理或建设单位验收结论:监理工程师或建设单位项目专业技负责人:年月日检验规定和说明适用范围:本表适用于明挖车站钢筋安装工程质量的验收。
检验批的划分:每一浇筑段为一检验批。
主控项目:1.纵向受力钢筋的连接方式应符合设计要求。
检验数量:施工单位、监理单位全数检查。
检验方法:观察检查。
2.在施工现场,应按国家现行标准《钢筋机械连接通用技术规程》( JGJ107)、《钢筋焊接及验收规程》(JGJ18)的规定抽取钢筋机械连接接头、焊接接头试件作力学性能检验,其质量应符合有关规程的规定。
检验数量:施工单位、监理单位按机械连接:同一批材料的同等级、同形式、同规格的接头每500 个为一检验批,不足 500 个接头也按一检验批计,每一检验批必须在工程结构中随机截取 3 个试件做单向拉伸试验;钢筋焊接:同一接头形式、同钢筋级别每300 个接头为一检验批。
地下室钢筋安装检验批质量验收记录表一、引言地下室钢筋安装是建筑工程中至关重要的环节之一,其质量直接关系到建筑物的安全性和稳定性。
为了严格把关地下室钢筋的安装质量,保证建筑工程的可靠性和耐久性,施工单位需要制定并执行地下室钢筋安装的质量验收标准。
地下室钢筋安装检验批质量验收记录表是施工单位对地下室钢筋安装质量进行验收时的必备文件,其完整记录了地下室钢筋的安装情况和验收结果,对保证地下室钢筋安装质量具有非常重要的作用。
二、地下室钢筋安装检验批质量验收记录表的内容1. 工程名称:____________2. 分部工程名称:地下室钢筋安装3. 施工单位:____________4. 监理单位:____________5. 检验批号:____________6. 钢筋型号:____________7. 规格:____________8. 长度:____________9. 数量:____________10. 单位:____________11. 施工单位负责人:____________12. 监理单位负责人:____________13. 检验员:____________14. 日期:____________三、地下室钢筋安装检验批质量验收记录表的填写要求1. 施工单位负责人、监理单位负责人和检验员需要在检验批质量验收记录表上亲笔签字,对验收结果负责。
2. 验收记录表的内容齐全、准确,所有项目均应填写完整。
3. 验收记录表应清晰、易读,不得有涂改、涂抹现象。
4. 验收结果可以是合格、不合格、待整改等。
四、地下室钢筋安装检验批质量验收记录表的重要性地下室钢筋安装检验批质量验收记录表是地下室施工的重要阶段性文件,它体现了地下室钢筋安装的质量状况和验收结果。
根据该记录表,监理单位可以判断钢筋安装质量的好坏,施工单位可以及时发现问题并进行整改,为后续施工提供可靠的基础。
五、个人观点和理解地下室钢筋安装检验批质量验收记录表在建筑工程中的作用不可小视。
钢筋安装检验批质量验收记录
注:本表内容的填写需依据《现场验收检验批检查原始记录》。
本检验批质量验收的规范依据见本页背面。
填写说明
一、填写依据
1 《混凝土结构工程施工质量验收规范》GB50204-2015。
2 《建筑工程施工质量验收统一标准》GB50300-2013。
二、检验批划分
混凝土结构工程采用的材料、构配件、器具及半成品应按进场批次进行检验。
属于同一工程项目且同期施工的多个单位工程,对同一厂家生产的同批材料、构配件、器具及半成品,可统一划分检验批进行验收。
如:钢筋安装,可按楼层施工段或伸缩缝划分,基础可按照一个楼层计。
三、GB50204-2015规范摘要
主控项目
5.5.1 钢筋安装时,受力钢筋的牌号、规格和数量必须符合设计要求。
检查数量:全数检查。
检验方法:观察,尺量。
5.5.2 受力钢筋的安装位置、锚固方式应符合设计要求。
检查数量:全数检查。
检验方法:观察,尺量。
一般项目
5.5.3 钢筋安装偏差及检验方法应符合表5.5.3的规定。
梁板类构件上部受力钢筋保护层厚度的合格点率应达到90%及以上,且不得有超过表中数值1.5倍的尺寸偏差。
检查数量:在同一检验批内,对梁、柱和独立基础,应抽查构件数量的10%,且不应少于3件;对墙和板,应按有代表性的自然间抽查10%,且不应少于3间;对大空间结构,墙可按相邻轴线间高度5m左右划分检查面,板可按纵、横轴线划分检查面,抽查10%,且均不应少于3面。