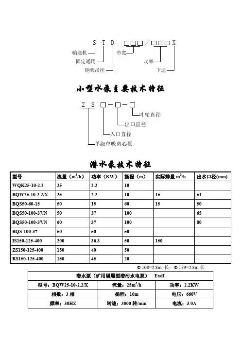
各种水泵型号及参数..
- 格式:doc
- 大小:859.50 KB
- 文档页数:18
柴油机水泵型号及技术参数以下是柴油机水泵的几个常见型号和技术参数的详细介绍:1.柴油机水泵型号:XBC-BY系列消防柴油机水泵组技术参数:-额定流量:15-1500m³/h-额定扬程:13-150m-功率范围:1.5-530KW- 进/出口直径:65-600mm-柴油机型号:YC2108ZD、YC2115ZD、YC4108ZD等-柴油机功率:18-150KW-燃料消耗率:225-238g/kW.h-启动方式:电启动、手动启动2.柴油机水泵型号:IS系列柴油机水泵技术参数:-流量范围:10-550m³/h-扬程范围:10-125m-功率范围:1.5-400KW- 进/出口直径:50-300mm-柴油机型号:R4105ZD、R6105ZD、R8105ZD等-柴油机功率:26-100KW-燃料消耗率:230-238g/kW.h-启动方式:电启动、手动启动3.柴油机水泵型号:R系列柴油机水泵组技术参数:-流量范围:20-600m³/h-扬程范围:15-125m-功率范围:2.2-315KW- 进/出口直径:50-300mm-柴油机型号:R4105ZD-T、R6105ZD-T、R6105IZLD-T等-柴油机功率:36-116KW-燃料消耗率:230-238g/kW.h-启动方式:电启动、手动启动4.柴油机水泵型号:DP系列柴油机水泵组技术参数:-流量范围:6-300m³/h-扬程范围:5-80m-功率范围:2.2-160KW- 进/出口直径:25-200mm-柴油机型号:R170A、R175A、R180A等-柴油机功率:3.68-11.03KW-燃料消耗率:258-277g/kW.h-启动方式:电启动、手动启动通过以上介绍可见,不同型号的柴油机水泵在流量范围、扬程范围、功率范围以及柴油机型号和功率等方面都有所差异。
客户在选购柴油机水泵时,要根据具体需求选择合适的型号和技术参数,以确保水泵能够满足工作要求并提供可靠的水力输送能力。
井用潜水泵型号及参数井用潜水泵是一种以潜水方式工作的水泵,主要用于从井中抽取地下水或其他液体。
它一般由电机、泵体、联轴器、导叶管路、减振或减震装置等组成。
不同型号的井用潜水泵具有不同的参数,本文将介绍几个常见的井用潜水泵型号及其参数。
1.QJ型井用潜水泵QJ型井用潜水泵是一种多级离心潜水泵,适用于较深的井。
其主要参数包括:-流量:1~600m³/h-扬程:5~600m-功率:0.37~185kW-电压:380V- 进口直径:32~150mm- 出口直径:32~150mm- 转速:2850r/min2.QJD型井用潜水泵QJD型井用潜水泵是一种小型单级离心潜水泵,适用于浅井。
其主要参数包括:-流量:0.5~3.2m³/h-扬程:10~95m-功率:0.25~0.75kW-电压:220V- 进口直径:25~32mm- 出口直径:25~32mm- 转速:2850r/min3.QJR型井用热水泵QJR型井用热水泵是一种常用的高温潜水泵,适用于地热井等高温液体的抽取。
其主要参数包括:-流量:5~250m³/h-扬程:10~900m-功率:2.2~800kW-电压:380V- 进口直径:40~350mm- 出口直径:40~350mm- 转速:2950r/min4.QY型井用潜水泵QY型井用潜水泵是一种用于清洁水的单级离心潜水泵,适用于家庭或工业用途。
其主要参数包括:-流量:2~16m³/h-扬程:13~120m-功率:0.37~1.1kW-电压:220V- 进口直径:25~40mm- 出口直径:25~40mm- 转速:2850r/min井用潜水泵的型号及参数根据不同的使用需求和井口情况进行选择。
使用者在选购井用潜水泵时,需要根据井的深度、水位、需求流量和扬程等因素来确定合适的型号和参数。
同时,在使用过程中也需要根据实际情况进行维护保养,确保泵的正常运行和使用寿命。
油泵的水泵型号及技术参数AY型离心油泵:流量Q 6.25~500m3/h 扬程H 60~300m AY型系列离心油泵可用在石油精致、石油化工和化学工业及其它输送不含固体颗粒的石油、液化石油气等介质。
DY型多级离心泵:流量Q 10~540m3/s 扬程H 87~690m DY型单吸多级离心输油泵适用于石油化工厂,用来输送不含固体颗粒、粘度小于120厘沲的无腐蚀油类和石油产品,被输送介质温度不得高于105℃。
允许进口压力0.6MPa。
YZ型自吸油泵:本单位生产的YZ型自吸油泵是根据国内外有关技术资料经消化、吸收、改进后研制而成的最新泵类产品,国内空白独一无二,该泵适用于石油行业、陆地油库、油罐车的理想产品,并适合于作船用货油泵、舱底泵、消防泵和压载泵及机器冷却水循环等,分别输送汽油、煤油、柴油、航煤等石油产品和海水、清水,介质温度-20℃~140℃,如输送化工液体可改用耐腐蚀机械密封。
YZ自吸油泵性能参数:流量4~400m3/h 扬程12~80m产品特点:1. 该泵属自吸离心油泵,它具有结构简单、操作方便、运行平稳、维护容易、效率高、寿命长,具有较强的自吸能力等优点。
管路中不需底阀,工作前只需保证泵体内储有定量引油即可。
用于油轮或输水船舶上时,可兼作扫舱泵,扫舱效果良好。
2. 该泵是选用优质材料精制而成,密封采用硬质合金机械密封,经久耐用,吐出管路不需要安装安全阀,吸入管路不需安装底阀,因此简化了管路系统,又改善了劳动条件。
IY型单级单吸离心油泵:流量Q 6.3~200m3/h 扬程H 8~125m IY型单级单吸离心油泵,适用于输送不含固体颗粒,粘度小于120厘沲的无腐蚀油类和石油产品,输送液体温度-20℃~80℃,允许进口压力0.6Mpa。
ZY型自平衡多级离心油泵:流量Q 10~540m3/s 扬程H 87~690m ZY自平衡多级离心油泵适用于石油化工厂,用来输送不含固体颗粒、粘度小于120厘沲的无腐蚀油类和石油产品,被输送介质温度不得高于105℃。
水泵型号及技术参数大全油泵的水泵型号及技术参数AY型离心油泵:流量Q 6.25~500m3/h 扬程H 60~300m AY型系列离心油泵可用在石油精致、石油化工和化学工业及其它输送不含固体颗粒的石油、液化石油气等介质。
DY型多级离心泵:流量Q 10~540m3/s 扬程H 87~690m DY型单吸多级离心输油泵适用于石油化工厂,用来输送不含固体颗粒、粘度小于120厘沲的无腐蚀油类和石油产品,被输送介质温度不得高于105℃。
允许进口压力0.6MPa。
YZ型自吸油泵:本单位生产的YZ型自吸油泵是根据国内外有关技术资料经消化、吸收、改进后研制而成的最新泵类产品,国内空白独一无二,该泵适用于石油行业、陆地油库、油罐车的理想产品,并适合于作船用货油泵、舱底泵、消防泵和压载泵及机器冷却水循环等,分别输送汽油、煤油、柴油、航煤等石油产品和海水、清水,介质温度-20℃~140℃,如输送化工液体可改用耐腐蚀机械密封。
YZ自吸油泵性能参数:流量4~400m3/h 扬程12~80m产品特点:1. 该泵属自吸离心油泵,它具有结构简单、操作方便、运行平稳、维护容易、效率高、寿命长,具有较强的自吸能力等优点。
管路中不需底阀,工作前只需保证泵体内储有定量引油即可。
用于油轮或输水船舶上时,可兼作扫舱泵,扫舱效果良好。
2. 该泵是选用优质材料精制而成,密封采用硬质合金机械密封,经久耐用,吐出管路不需要安装安全阀,吸入管路不需安装底阀,因此简化了管路系统,又改善了劳动条件。
IY型单级单吸离心油泵:流量Q 6.3~200m3/h 扬程H 8~125m IY型单级单吸离心油泵,适用于输送不含固体颗粒,粘度小于120厘沲的无腐蚀油类和石油产品,输送液体温度-20℃~80℃,允许进口压力0.6Mpa。
ZY型自平衡多级离心油泵:流量Q 10~540m3/s 扬程H 87~690m ZY自平衡多级离心油泵适用于石油化工厂,用来输送不含固体颗粒、粘度小于120厘沲的无腐蚀油类和石油产品,被输送介质温度不得高于105℃。
离心泵水泵型号及参数大全离心泵水泵是一种常用于工业、民用和农业领域的重要设备,用于输送清水、污水、化工介质、石油产品等。
不同的使用环境和流体介质需要选择不同型号和参数的离心泵水泵。
以下是关于离心泵水泵型号和参数的大全,以供参考。
一、离心泵水泵型号及参数大全1. XA型离心泵水泵- 流量范围:5-1500m³/h- 扬程范围:5-125m- 功率范围:0.55-132kW- 排渣直径:40-350mm- 特点:适用于输送清水及物理化学性质类似于水的液体。
2. ISW型离心泵水泵- 流量范围:1-2400m³/h- 扬程范围:5-125m- 功率范围:0.55-450kW- 排渣直径:40-350mm- 特点:适用于供水、给排水、冷却循环、消防等领域。
3. IH型化工离心泵水泵- 流量范围:6.3-400m³/h- 扬程范围:5-125m- 功率范围:0.55-110kW- 排渣直径:50-150mm- 特点:适用于输送腐蚀性介质、温度不超过100℃的化工液体。
4. S型双吸离心泵水泵- 流量范围:68-38000m³/h- 扬程范围:7-305m- 功率范围:15-2200kW- 排渣直径:150-1600mm- 特点:适用于供水、排水、空调循环、工业循环等领域。
5. GDL型多级离心泵水泵- 流量范围:2-155m³/h- 扬程范围:24-250m- 功率范围:1.5-45kW- 排渣直径:40-150mm- 特点:适用于建筑加压供水、市政给排水、消防给水等领域。
以上所列离心泵水泵型号及参数仅为部分常见型号,实际选型应根据具体工程需求和流体特性进行综合考虑。
二、离心泵水泵选型注意事项1. 流量和扬程:根据输送介质的流量和扬程要求选择合适的离心泵水泵型号,确保设备能够满足工程需求。
2. 材质选择:根据输送介质的化学性质选择合适的泵体材质,以防止腐蚀和损坏。
常用水泵规格、型号、参数一览表一、离心泵离心泵是最常见的水泵类型之一,其工作原理是通过叶轮的旋转产生离心力,将液体甩出并吸入新的液体。
1、 IS 型单级单吸离心泵规格:流量范围一般为 63 400m³/h,扬程范围为 5 125m。
型号示例:IS80 65 160,其中“IS”表示单级单吸离心泵,“80”表示进口直径为 80mm,“65”表示出口直径为 65mm,“160”表示叶轮名义直径为 160mm。
参数:电机功率通常在 055 90kW 之间,转速为 1450 2900r/min。
2、 ISW 型卧式离心泵规格:流量可达 1 1100m³/h,扬程最高可达 160m。
型号:ISW50 160(I)A,“I”表示流量和扬程经过一次切割,“A”表示叶轮经过二次切割。
参数:配套电机功率范围较广,从 037kW 到 160kW 不等,工作转速常见为 2900r/min。
3、 IH 型化工离心泵规格:流量从 15 400m³/h,扬程范围在 5 125m 之间。
型号:IH50 32 160,各数字代表的含义与 IS 型类似。
参数:电机功率通常在 055 90kW 之间,转速为 2900r/min。
二、潜水泵潜水泵通常用于深井提水、河流和池塘抽水等场合,其电机与泵体一体化,可浸没在水中工作。
1、 QJ 型深井潜水泵规格:流量范围为 10 500m³/h,扬程可高达几百米。
型号:QJ250 40/2,“250”表示适用最小井径为 250mm,“40”表示流量为 40m³/h,“2”表示级数为 2 级。
参数:电机功率从 3kW 到 300kW 不等,转速一般为 2850r/min 或1450r/min。
2、 WQ 型潜水排污泵规格:流量可达 10 2200m³/h,扬程一般在 10 60m 之间。
型号:WQ100 15 11,“100”表示排出口径为 100mm,“15”表示流量为 15m³/h,“11”表示电机功率为 11kW。
说到潜水泵,大家都知道是深井提水的重要设备,使用时整个机组潜入水中工作。
但是目前随着技术的不断发展进步,潜水泵被应用的领域也越来越广泛了,不仅仅局限于深井取水, 还被广泛的应用于海洋平台,楼宇供水以及地热温泉等多个领域,因此,型号规格及参数也是多种多样,那具体有哪些呢,下边一起来看看吧。
1、高电压QZB潜水轴流泵功率:15-2500 kw扬程:1-10 m 流量:350-50000 m³/h2、QZB 潜水轴流泵功率:15-2500 kw扬程:1-10 m流量:350-50000 m³/h 3、QHB 潜水混流泵功率:15-2500 kw扬程:1-10 m流量:350-50000 m³/h4、QZB 卧式潜水轴流泵功率: 15-2500 kw扬程: 1-10 m流量: 350-50000 m³/h5、ZLB 轴流泵功率: 15-2500 kw扬程: 1-10 m流量: 350-50000 m³/h6、QSZ 潜水轴流泵(中吸式)功率: 15-2500 kw扬程: 1-10 m流量: 350-50000 m³/h7、QSZ 漂浮式潜水轴流泵(中吸式)功率: 15-2500 kw扬程: 1-10 m流量: 350-50000 m³/h8、QZB 漂浮式潜水轴流泵(底吸式)功率: 15-2500 kw扬程: 1-10 m流量: 350-50000 m³/h9、HW 混流泵功率: 15-2500 kw扬程: 1-10 m流量: 350-50000 m³/h综上就是比较常见潜水泵有关型号规格参数的介绍,希望对大家进一步的了解有所帮助,同时,如想了解更多有关潜水泵知识可咨询德能泵业(天津)有限公司。
各种水泵型号及全参数
在市场上有各种类型和型号的水泵,每个型号都具有不同的参数和功能。
以下是几种常见的水泵型号及其参数的详细介绍。
1.游泳池水泵:
游泳池水泵是专门设计用于过滤和循环游泳池水的水泵。
其参数包括功率、流量、扬程和转速。
常见的游泳池水泵型号有0.5马力、1马力和
1.5马力等。
2.离心水泵:
离心水泵是一种常见的水泵类型,广泛应用于建筑、供水、排水、农田灌溉等领域。
其参数包括功率、流量、扬程、效率和压力。
常见的离心水泵型号有IS型、IR型和IH型等。
3.潜水泵:
潜水泵是一种在水中工作的水泵,通常用于排水、灌溉和水处理等场合。
潜水泵的参数包括功率、流量、扬程、耐用深度和电压。
常见的潜水泵型号有QDX型、QY型和QJ型等。
4.自吸泵:
自吸泵是一种具有自吸功能的水泵,可在不用外部注水的情况下自行开始工作。
其参数包括功率、流量、扬程和转速。
常见的自吸泵型号有ZX型、ZW型和W型等。
5.轴流泵:
轴流泵是一种用于输送大流量液体的水泵,常用于排水、排泥和水利工程等领域。
其参数包括功率、流量、扬程、转速和效率。
常见的轴流泵型号有QZ型、QH型和QZNL型等。
除了以上几种常见的水泵型号外,还有许多其他类型的水泵,如真空泵、搅拌泵、混流泵等。
每种水泵都有其特定的参数和用途,购买时应根据实际需求选择适合的型号和规格。
总结起来,水泵的参数包括功率、流量、扬程、转速、电压、耐用深度、效率和压力等。
根据这些参数,可以选择适合特定应用的水泵型号。
循环水泵的型号参数表一、型号名称1. GDL型循环水泵2. WFB型循环水泵3. ISW型循环水泵4. CHL型循环水泵5. S型单级双吸循环水泵6. SH型双吸循环水泵二、技术参数1. GDL型循环水泵- 流量范围:1~150m3/h- 扬程范围:6~132m- 叶轮直径:65~200mm- 电源:380V/50Hz- 功率:0.55~22kW2. WFB型循环水泵- 流量范围:15~100m3/h- 扬程范围:20~100m- 叶轮直径:130~200mm- 电源:380V/50Hz- 功率:2.2~18.5kW3. ISW型循环水泵- 流量范围:1.1~216m3/h - 扬程范围:8~150m- 叶轮直径:125~500mm - 电源:380V/50Hz- 功率:0.75~110kW4. CHL型循环水泵- 流量范围:1~200m3/h- 扬程范围:3~60m- 叶轮直径:40~200mm- 电源:380V/50Hz- 功率:0.37~55kW5. S型单级双吸循环水泵- 流量范围:22.4~700m3/h - 扬程范围:6~105m- 叶轮直径:200~980mm - 电源:380V/50Hz- 功率:5.5~400kW6. SH型双吸循环水泵- 流量范围:68~3000m3/h- 扬程范围:7~200m- 叶轮直径:286~1700mm- 电源:380V/50Hz- 功率:22~1800kW三、特点和应用1. GDL型循环水泵- 适用于给水系统,工业和市政供水- 运行稳定,噪音低,维护简单- 叶轮采用优质不锈钢,耐酸碱腐蚀2. WFB型循环水泵- 适用于设备循环水系统,制冷空调和饮料工业- 循环液体温度:-20°C~120°C- 叶轮采用优质黄铜材质,密封性强3. ISW型循环水泵- 适用于工业循环水系统,市政供水和大型建筑- 高效能,流量大,扬程高- 叶轮采用铸铜材质,坚固耐用4. CHL型循环水泵- 适用于工业和家庭循环水系统- 轴封采用机械密封或填料密封- 叶轮采用不锈钢材质,防腐性能好5. S型单级双吸循环水泵- 适用于大型水处理系统,市政供水和工业水循环- 双叶轮设计,流量大,扬程高- 叶轮采用耐腐蚀铸铁材质,寿命长6. SH型双吸循环水泵- 适用于水处理和市政供水- 双吸设计,流量大,抗堵塞性能好- 叶轮采用合金耐腐蚀材质,防腐性能强以上为循环水泵的型号参数和特点,根据不同的应用场景和要求,选择适合的循环水泵能够提高生产效率,并且降低能耗和维修成本。
各种水泵参数型号大全介绍1、液体泵1)按泵轴方向可分为卧式、立式、斜式;2)按壳体剖分型式分为径向剖分式和轴向剖分式;3)按级数分为单级和复级;4)按吸入形式分为单吸和双吸;5)按水泵形式分各*支承式,管道式、共座式、分座式、可移式;6)按驱动方式分为直接连接、齿轮传动式、液力偶合传动式、皮常传多式和共轴式;7)按特殊结构分为液下式、筒式、双壁壳式、地坑筒式、抽出式、自吸式、潜液式和屏蔽式;8)按轴向力平衡方式分为平衡鼓式、平衡盘式、自身平衡式和平衡孔式;9)按用途不同主要分为锅炉给水泵、循环水泵、排污泵、杂质泵、砂泵、渣浆泵、泥浆泵、污水泵、清水泵、消防泵、流程泵、增压泵、耐腐蚀泵;10)按材质不同分为:铸铁泵、不锈钢泵、塑料泵、氟塑料泵、工程塑料泵;11)按结构形式分为离心泵,隔膜泵,齿轮泵,柱塞泵,往复泵,真空泵,喷射泵;2、离心泵及离心泵的型号离心泵型号、品种规格及其变型产品在农用泵中是*多的。
根据水流入叶轮的方式、叶轮多少、泵本身能否自吸以及配套动力大小和动力品种等,离心泵有单级单吸离心泵、单级双吸离心泵、多级离心泵、自吸离心泵、电动机泵和柴油机泵等。
1)单级单吸离心泵老的泵型号有BA、B型单级单吸离心泵80年代,我国根据国际标准和排灌机械实际情况,对离心泵产品进行更新换代研制工作,并生产IB型、IQ型单级离心泵系列产品,已列为国家专业标准和行业标准。
单级单吸离心泵,水由轴向单面进入叶轮,叶轮只有一个,因此称为单级单吸离心泵。
其特点是,与混流泵、轴流泵相比,扬程较高,流量较小,结构简单,使用方便。
IQ型单级单吸离心泵(又称轻小型离心泵)是针对我国国情并满足用户提出结构简单、重量轻、价格低、性能好和配套方便的要求而设计的,共有84种产品,分3个派生系列,413个规格型号。
(1)性能范围泵口径50~200毫米,流量12.5~400立方米/时,扬程8~125米,配套动力有柴油机直联、皮带传动,电动机直联,功率1.1~110千瓦,转速1450~2900转/分。
“吸程”也叫“最大自吸高度”(也可以理解为“自吸的程度”)。
即微型泵在不加引水的情况下,能自动将水吸上来的最大高度(泵抽水口距离待抽液面的垂直距离)。
一般水源低于等于泵的摆放位置时,就需要泵有自吸能力。
例如户外旅游时,需要抽取河中的水,最好用带自吸能力的微型水泵(不可能人跑到河里先往进水管加点引水吧)。
又或者抽的液体有腐蚀、不方便加引水等等场合。
例如:有种水泵,型号叫某某BSP系列,体积并不大,但标称的吸程可以到4米,确实可以不加引水到4米,算微型水泵里比较高的。
微型水泵里,不是所有的泵都有自吸能力(“吸程”)的。
有些离心式的水泵就没有自吸能力,第一次使用必须加引水才行。
有的微型水泵虽然也有自吸能力,但标的“吸程”往往与“进水管里全部是空气”下,能抽起水的垂直高度有差距,甚至可能只有一半不到。
所以水泵选型时,吸程是个比较重要的参数。
水泵的扬程是指水泵能把水扬高的能力。
通常扬程用英文字母H表示,常用单位为米。
通俗的讲扬程就是能把水泵到多高,从水面到泵体为吸程,从泵体至抽水高度为扬程,吸程和扬程之和为总扬程,如果吸程不够扬程再高也是无法泵上水耒.潜水泵除外根据液体压强公式p=ρgh,估算大气压可压起的水柱高为h=p/ρg=10m。
各类泵的扬程计算是通过流体力学中的伯努方程式来计算的,公式可在流体力学书中查到。
一般来说可用简单的方法计算,扬程等于该泵的功率乘102倍的效率再除以流量和该液体的密度计算步骤如下:1、计算管道的比阻S,如果是旧铸铁管或旧钢管,可用舍维列夫公式计算管道比阻s=0.001736/d^5.3 其它管用s=10.3n^2/d^5.33,n为管道内壁糙率;2、计算管道两端的水头差,即管道的沿程水头损失hf=sLQ^23、计算泵的扬程:H=hf+kh=sLQ^2+kh式中: Q——喷射流量,以m^3/s为单位;d——管道内径;h——喷射高度,以m计; hf ——管道的沿程水头损失,以m为单位;L——管道起端至末端的长度,以 m为单位;k——大于1的系数,可取k=1.1(射流在空中因有空气阻力)。
潜水泵型号及参数说明潜水泵是一种将电机和泵体结合在一起的设备,能够将液体从一处抽送到另一处。
潜水泵常用于家庭排水、市政污水处理、农田灌溉、工业排水等领域。
下面将介绍几种常见的潜水泵型号及其参数说明。
1.QDX系列潜水泵QDX系列潜水泵是一种小型潜水泵,适用于家庭排水、农田灌溉等场合。
其参数包括:-流量:最大流量为5立方米/小时;-扬程:最大扬程为40米;-功率:功率范围从0.25千瓦到1.1千瓦;-电压:220V。
2.QJR系列不锈钢潜水泵QJR系列不锈钢潜水泵适用于清洁水或极少含有颗粒的液体。
其参数包括:-流量:最大流量为25立方米/小时;-扬程:最大扬程为120米;-温度范围:介质温度范围从-15摄氏度到+120摄氏度;-功率:功率范围从0.4千瓦到7.5千瓦;-电压:380V。
3.QY系列潜水泵QY系列潜水泵适用于农田排灌、市政污水处理等领域。
其参数包括:-流量:最大流量为50立方米/小时;-扬程:最大扬程为220米;-温度范围:介质温度范围从0摄氏度到40摄氏度;-功率:功率范围从0.75千瓦到11千瓦;-电压:380V。
4.QS系列潜水泵QS系列潜水泵适用于大型工业排污、市政工程等场合。
其参数包括:-流量:最大流量为980立方米/小时;-扬程:最大扬程为380米;-温度范围:介质温度范围从0摄氏度到40摄氏度;-功率:功率范围从2.2千瓦到45千瓦;-电压:380V。
总结:以上介绍了几种常见的潜水泵型号及其参数。
根据不同的应用场合和要求,选择适合的潜水泵可以提高工作效率和效果。
在购买潜水泵时,除了关注型号和参数外,还需考虑品牌信誉、售后服务等因素,以确保选择到适合自己需求的产品。
常用水泵规格型号参数一览表-互联网类哎呀,说起水泵,这玩意儿在咱们生活和工作中的用处可大着呢!今天就来给大家好好唠唠常用水泵的规格型号参数。
我记得有一次,我去一个工厂参观。
那时候正好赶上工厂的设备维护期,工人们在忙着检查各种机器,其中就包括水泵。
我看到一台台水泵整齐地排列在那里,个头有大有小,样子也各不相同。
先来说说 IS 型单级单吸清水离心泵吧。
这可是常见的一种水泵型号,就像我们身边默默无闻但又特别靠谱的朋友。
它的流量范围通常在 63 立方米/小时到 400 立方米/小时之间,扬程能达到 5 米到 125 米。
比如说 IS50-32-125 这个型号,“50”表示的是进口直径为 50mm,“32”是出口直径 32mm,“125”则是叶轮名义直径 125mm。
再看看 Sh 型单级双吸中开式离心泵,它就像个大力士,干活特别有劲。
流量能达到 126 立方米/小时到 12500 立方米/小时,扬程在 9 米到 140 米左右。
比如说 Sh100-160A 这个型号,“100”指的是泵进口直径为 100mm,“160”表示泵叶轮名义直径 160mm,“A”表示叶轮经过第一次切割。
还有 DG 型多级离心泵,它就像是个有层次有深度的高手。
流量一般在 63 立方米/小时到 600 立方米/小时,扬程能达到 100 米到 650 米。
像 DG25-50×5 这个型号,“25”是泵的流量 25 立方米/小时,“50”是单级扬程 50 米,“5”表示级数为 5 级。
ZW 型自吸式无堵塞排污泵呢,就像个不怕脏不怕累的小勇士。
它的流量范围在 5 立方米/小时到 800 立方米/小时,扬程在 12 米到 60 米之间。
比如 ZW65-25-30 这个型号,“65”表示进出口直径 65mm,“25”是流量 25 立方米/小时,“30”是扬程 30 米。
QJ 型深井潜水泵,如同一个深藏不露的高手。
流量能从 10 立方米/小时到 500 立方米/小时,扬程能达到 10 米到 200 米。
上海沈泉泵阀制造有限公司是一家专业生产,销售管道泵,排污泵,消防泵,化工泵等给排水设备的厂家,产品涉及工矿企业、农业、城市供水、石油化工、电站、船舶、冶金、高层建筑、消防供水、工业水处理和纯净水、食品、制药、锅炉、空调循环系统等行业领域。
潜水泵的型号和规格以及参数通常会因为不同的生产厂家而有所差异。
以下是一些常见的潜水泵型号、规格和参数:
QW50-30-30-7.5型潜水泵。
流量30m³/h,扬程30m,电机功率7.5kw,转速
2900r/min。
QW65-25-15-2.2型潜水泵。
流量25m³/h,扬程15m,电机功率2.2kw,转速
2900r/min。
QW65-30-40-7.5型潜水泵。
流量30m³/h,扬程40m,电机功率7.5kw,转速
2900r/min。
QW80-40-15-4型潜水泵。
流量40m³/h,扬程15m,电机功率4kw,转速2900r/min。
QW100-100-25-11型潜水泵。
流量100m³/h,扬程25m,电机功率11kw,转速
1450r/min。
QW100-80-30-15型潜水泵。
流量80m³/h,扬程30m,电机功率15kw,转速
1450r/min。
以上型号的潜水泵主要参数均符合国家GB标准,可广泛用于农田排灌、印染、造纸、化工、矿山及城市生活污水的排放等方面。
水泵规格型号表表中列出了各种常见水泵的规格型号,包括用途、流量、扬程、功率等参数。
该规格型号表可以帮助用户选择适合的水泵产品。
型号用途流量扬程功率WP1 注水100m³/h 5m 1.5kWWP2 抽水200m³/h 8m 3kWWP3 冷却300m³/h 12m 5.5kWWP4 循环400m³/h 15m 7.5kWWP5 排水500m³/h 20m 11kWWP1•用途:注水•流量:100m³/h•扬程:5m•功率:1.5kWWP1型号水泵适用于注水场景,具有100m³/h的流量和5m的扬程。
其功率为1.5kW。
WP2•用途:抽水•流量:200m³/h•扬程:8m•功率:3kWWP2型号水泵适用于抽水场景,具有200m³/h的流量和8m的扬程。
其功率为3kW。
WP3•用途:冷却•流量:300m³/h•扬程:12m•功率:5.5kWWP3型号水泵适用于冷却场景,具有300m³/h的流量和12m的扬程。
其功率为5.5kW。
WP4•用途:循环•流量:400m³/h•扬程:15m•功率:7.5kWWP4型号水泵适用于循环场景,具有400m³/h的流量和15m的扬程。
其功率为7.5kW。
WP5•用途:排水•流量:500m³/h•扬程:20m•功率:11kWWP5型号水泵适用于排水场景,具有500m³/h的流量和20m的扬程。
其功率为11kW。
以上是几种常见水泵的规格型号以及其主要参数。
根据实际需求,用户可以选择相应的型号来满足不同场景下的水泵需求。
“吸程”也叫“最大自吸高度”(也可以理解为“自吸的程度”)。
即微型泵在不加引水的情况下,能自动将水吸上来的最大高度(泵抽水口距离待抽液面的垂直距离)。
一般水源低于等于泵的摆放位置时,就需要泵有自吸能力。
例如户外旅游时,需要抽取河中的水,最好用带自吸能力的微型水泵(不可能人跑到河里先往进水管加点引水吧)。
又或者抽的液体有腐蚀、不方便加引水等等场合。
例如:有种水泵,型号叫某某BSP系列,体积并不大,但标称的吸程可以到4米,确实可以不加引水到4米,算微型水泵里比较高的。
微型水泵里,不是所有的泵都有自吸能力(“吸程”)的。
有些离心式的水泵就没有自吸能力,第一次使用必须加引水才行。
有的微型水泵虽然也有自吸能力,但标的“吸程”往往与“进水管里全部是空气”下,能抽起水的垂直高度有差距,甚至可能只有一半不到。
所以水泵选型时,吸程是个比较重要的参数。
水泵的扬程是指水泵能把水扬高的能力。
通常扬程用英文字母H表示,常用单位为米。
通俗的讲扬程就是能把水泵到多高,从水面到泵体为吸程,从泵体至抽水高度为扬程,吸程和扬程之和为总扬程,如果吸程不够扬程再高也是无法泵上水耒.潜水泵除外根据液体压强公式p=ρgh,估算大气压可压起的水柱高为h=p/ρg=10m。
各类泵的扬程计算是通过流体力学中的伯努方程式来计算的,公式可在流体力学书中查到。
一般来说可用简单的方法计算,扬程等于该泵的功率乘102倍的效率再除以流量和该液体的密度计算步骤如下:1、计算管道的比阻S,如果是旧铸铁管或旧钢管,可用舍维列夫公式计算管道比阻s=0.001736/d^5.3 其它管用s=10.3n^2/d^5.33,n为管道内壁糙率;2、计算管道两端的水头差,即管道的沿程水头损失hf=sLQ^23、计算泵的扬程:H=hf+kh=sLQ^2+kh式中:Q——喷射流量,以m^3/s为单位;d——管道内径;h——喷射高度,以m计;hf——管道的沿程水头损失,以m为单位;L——管道起端至末端的长度,以m为单位;k——大于1的系数,可取k=1.1(射流在空中因有空气阻力)。
WL立式污水泵性能参数表ZW型自吸式无堵塞排污泵发布于:2011-3-7点击:319隶属于:排污泵系列概述与用途:ZW型自吸式无堵塞排污泵集自吸和无堵塞排污于一身,既可象一般清水自吸泵那样不需按底阀,不需引灌水、又可抽吸含有大颗粒固体块、长纤维的污物、沉淀物废矿杂质、粪便处理及一切工程污水物,完全减轻工人的劳动强度,而且使用、移动、安装方便、极少维修、性能稳定。
主要用途:①环境温度≤45℃,介质温度≤60℃。
②介质PH值铸铁泵为6~9,不锈钢泵为1~14。
通过颗粒最大直径为泵口径的60%,纤维长度为口径的5倍④介质中杂质总重量不超过介质总重量的15%,介质比重不超过1240千克/立方米。
产品特点:1、排污能力强:特殊的叶轮防堵设计,确保了泵高效且无堵塞。
2、高效节能:采用优秀水力模型,效率比一般自吸泵高3~5%。
3、自吸性能好:自吸高度比一般自吸泵高1米,且自吸时间更短。
技术参数:性能:流量范围:5m³/h~800m³/h扬程范围:15m~80m电机功率:2.2kw~55kw注:如果您有特殊要求,请联系我们的技术人员!(6)型号意义:例子:ZW25 -8 -1525-------进口直径ZW-----------自吸式无堵塞排污泵8-----------额定流量15---------额定扬程性能参数:型号流量(m3/h)扬程(m)功率(KW)转速(r/min)效率(%)汽蚀余量(%)ZW25-8-15815 2.22900452 ZW32-5-20520 2.2290045 2.5 ZW32-10-201020 2.2290045 2.5结构说明:订货须知:一、您在订购产品时需提供流量(Q)、扬程(H)、及介质等。
并指出介质的易燃性、易爆性、毒性、腐蚀性、结晶性及是否允许封液渗入介质内。
二、若您对原动机有特殊要求时,应说明应用现场条件,环境温度、安装地点及类别(防爆、防火等要求)电压大小等。
三、当使用的场合非常重要或环境比较复杂时,请您尽量提供设计图纸和详细参数,由我们永球科技的技术专家为您审核把关。
详细介绍QW系列高效节能无堵塞排污泵·无堵塞·高效率·节能显著·国际先进水平·不缠绕·不须专人看管·极大的排污能力·电机自动保护产品介绍该泵是引进国外高效节能无堵塞排污泵先进经验,结合本单位技术力量研制而成,各项性能指标均达到国家标准同类产品水平。
由于采用独特的单通道叶轮、动密封采用两组特殊材料的硬质合金机械密封装置。
电机用油室隔开,具有无堵塞、高效率、节能显著,是我国泵类更新换代的最新产品,深受用户欢迎和好评。
应用范围:该泵最大优点能输送含有固体颗粒和含有纤维材料的污水,不堵塞、不缠绕。
适用于输送工业废水和城市生活污水,还可用作疏水泵、纸浆泵、过过滤冲洗冷凝循环泵,灌溉用泵等污水处理场合也可用于抽送清水。
QW潜水型特别适用于经常移动或临时急用场合,不用固定安装,套上橡胶管,接上管子将泵放入水底摆平即可。
GW管道型可作一般高层建筑,管道加压输送污水之用,还适用于作疏水泵过滤冲洗冷凝循环泵等。
LW直立型既可移动,亦可固定安装,适用于建筑施工、农田排灌、企事业工序中的污水抽吸和排送,还可作纸浆泵灌溉等之用。
型号转速(r/min)功率(kw)效率(%)型号口径-流量-扬程(mm)(m3/h)(m)转速(r/min)功率(kw)效率(%)[1]详细介绍LW系列高效节能无堵塞排污泵·无堵塞·高效率·节能显著·不缠绕·国际先进水平·极大的排污能力·安全连续运行时间长·不须专人看管产品介绍该泵是引进国外高效节能无堵塞排污泵先进经验,结合本单位技术力量研制而成,各项性能指标均达到国家标准同类产品水平。
由于采用独特的单通道叶轮、动密封采用两组特殊材料的硬质合金机械密封装置。
电机用油室隔开,具有无堵塞、高效率、节能显著,是我国泵类更新换代的最新产品,深受用户欢迎和好评。
应用范围:该泵最大优点能输送含有固体颗粒和含有纤维材料的污水,不堵塞、不缠绕。
适用于输送工业废水和城市生活污水,还可用作疏水泵、纸浆泵、过过滤冲洗冷凝循环泵,灌溉用泵等污水处理场合也可用于抽送清水。
QW潜水型特别适用于经常移动或临时急用场合,不用固定安装,套上橡胶管,接上管子将泵放入水底摆平即可GW管道型可作一般高层建筑,管道加压输送污水之用,还适用于作疏水泵过滤冲洗冷凝循环泵等。
LW直立型既可移动,亦可固定安装,适用于建筑施工、农田排灌、企事业工序中的污水抽吸和排送,还可作纸浆泵灌溉等之用。
YW液下型适应安水池或水槽的支架上,电机在上,泵体淹没在液下的长度为1~2.5米适用于固定或移动场合输送生活污水,建筑污水。
含粒块状介质的工业液体.型号意义型号口径-流量-扬程(mm)(m3/h)(m)转速(r/min)功率(kw)效率(%)25-8-22-1.1 2825 1.1 38.1 32-12-15-1.1 2825 1.1 40 40-15-15-1.5 2840 1.5 45.1 40-15-3-2.2 2840 2.2 48 50-20-7-0.75 1390 0.75 54 50-10-10-0.75 1390 0.75 56 50-20-15-1.5 2840 1.5 55 50-15-25-2.2 2840 2.2 56 50-18-30-3 2880 3 58 50-25-32-5.5 2900 5.5 53 50-20-40-7.5 2900 7.5 55 65-25-15-2.2 2840 2.2 52 65-37-13-3 2880 3 55 65-25-30-4 2890 4 58 65-30-40-7.5 2900 7.5 56型号口径-流量-扬程(mm)(m3/h)(m)转速(r/min)功率(kw)效率(%) 150-200-30-37 1480 37 70 200-300-7-11 970 11 73 200-250-11-15 970 15 74 200-400-10-22 1470 22 76 200-400-13-30 1470 30 73 200-250-15-18.5 1470 18.5 72 200-300-15-22 1470 22 73 200-250-22-30 1470 30 71 200-350-25-37 1480 37 75 200-400-30-55 1480 55 70 200-350-40-75 980 75 70 250-600-9-30 980 30 74 250-600-12-37 1480 37 78 250-600-15-45 1480 45 75 250-600-20-55 1480 55 7365-35-50-11 2930 11 60 65-35-60-15 2930 15 63 80-40-7-2.2 1420 2.2 52 80-43-13-3 2880 3 50 80-40-15-4 2890 4 57 80-65-25-7.5 2900 7.5 56 100-80-10-4 1440 4 62 100-110-10-5.5 1440 5.5 66 100-100-15-7.5 1440 7.5 67 100-85-20-7.5 1440 7.5 68 100-100-25-11 1460 11 65 100-100-30-15 1460 15 66 100-100-35-18.5 1470 18.5 65 125-130-15-11 1460 11 62 125-130-20-15 1460 15 63 150-145-9-7.5 1440 7.5 63 150-180-15-15 1460 15 65 150-180-20-18.5 1470 18.5 75 150-180-25-22 1470 22 76 150-130-30-22 1470 22 75 150-180-30-30 1470 30 73250-600-25-75 1480 75 73 250-800-12-45 1480 45 76 300-500-15-45 980 45 70 300-800-15-55 980 55 73 300-600-20-55 680 55 75 300-800-20-75 980 75 78 300-950-20-90 980 90 80 300-1000-25-110 980 110 82 350-1100-10-55 980 55 84.5 350-1500-15-90 980 90 82.5 350-1200-18-90 980 90 83.1 350-1100-28-132 740 132 86.2 350-1000-36-160 740 160 78.5 400-1500-10-75 980 75 82.1 400-2000-15-132 740 132 85.5 400-1700-22-160 740 160 82.1 400-1500-26-160 740 160 86.5 400-1700-30-200 740 200 83.5 400-1800-32-250 740 250 82.1 400-1760-7.5-55 540 55 82.1 500-2500-10-110 740 110 82[1]详细介绍一、概述WL型系列立式排污泵是本公司在引进国外先进技术的基础上研制而成的,该产品具有三个突出特点:•高效节能;•功率曲线平坦,可以在全扬程范围内运行而无过载之忧;•采用单(双)大流道叶轮,无堵塞、防缠绕性能良好,能顺利地输送含大固体颗粒、食品塑料袋等长纤维或其它悬浮的液体。