作业指导书编写程序(含表格)
- 格式:doc
- 大小:219.00 KB
- 文档页数:6
规范工厂生产作业指导书的正确制作。
2.适用范围公司所有产品的生产作业指导书。
3.职责3.1.工程部工程师/技术员负责编写制作生产作业指导书。
3.2.工程部主管负责审核生产作业指导书。
3.3.品质部ISO专员负责最终评审生产作业指导书,并受控、存档、发放。
3.4.生产部按生产作业指导书操作。
3.5.品质部负责监督生产车间的正确执行。
4.定义4.1.作业指导书是指为保证过程的质量而制订的程序,有时也称为工作指导令或操作规范、操作规程、工作指引等。
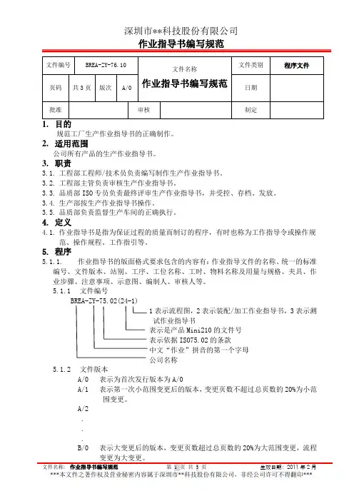
5.程序5.1.1.作业指导书的版面格式要求包含的内容有:作业指导文件的名称、统一的标准编号、文件版本、站别、工序、工位名称、工时、物料名称及用量与规格、夹具、作业步骤、注意事项、示意图、编制人、审核人等。
5.1.1文件编号BREA-ZY-75.02(24-1)1表示流程图,2表示装配/加工作业指导书,3表示测试作业指导书表示是产品Mini210的文件号表示依据ISO75.02的条款中文“作业”拼音的第一个字母公司名称5.1.2文件版本A/0 表示为首次发行版本为A/0A/1 表示第一次小范围变更后的版本,变更页数不超过总页数的20%为小范围变更。
A/2...B/0 表示大变更后的版本,变更页数超过总页数的20%为大范围变更,流程5.1.3站别站别分为手柄、眼部、顶壳、后壳、前壳、组装、测试、包装5.1.4工序用字母+数字表示各工序A-1 表示前加工第一道工序A-----前加工 S-----装配T-----测试 P-----包装5.1.5工位名称此工位所要做的工作内容名称。
5.1.6工时完成一个工作内容所需要的时间,以秒计算。
5.1.7物料名称及用量与规格以BOM为依据,将物料名称、用量、规格进行简单、清晰的描述。
5.1.8夹具完成一个工作内容所需的工装、夹具。
5.1.9作业步骤对工作内容进行详细的描述。
5.1.10注意事项在作业过程中必须注意的相关事项。
5.1.11示意图作业内容的图示。
MSOP-00-03 作业指导书编写管理程序1 目的控制作业指导书的编制出版发放及实施确保施工作业方案措施规范化及贯彻实施2 范围适用于我公司承担的建筑安装工程施工作业指导书的编写3 职责3.1 项目部工程部负责组织作业指导书的编制3.2 项目部检测中心负责组织焊接作业指导书的编制3.3 项目部安监部负责专项安全措施编制的督促及技术措施中安全部分的审核3.4 项目部档案中心负责作业指导书的打印出版与发放管理3.5 专业工程处负责作业指导书的编制4 程序4.1 作业指导书的编制审批出版与发放4.1.1 工程开工后项目部工程部根据合同及工程形象进度下发作业指导书编制计划的通知专业工程处技术组长根据工程施工网络计划人员配备工程特点等情况确定必须编制作业指导书的项目编制人员编制日期等项目编制本专业工程处作业指导书的编制计划,交项目部工程部项目部工程部专工汇总审核后制订本项目作业指导书的编制计划,经工程部主任审核项目总工/分管副总批准后下达4.1.2 专业工程处技术人员编制完作业指导书后交本工程处技术组长或专工审核后将原稿附上标准封面交项目部工程部由项目部工程部对口专工负责按MSP-00-07文件控制程序附件07-2中规定的审批权限进行审批并负责文件审批时原稿的传递a. 一般项目的作业指导书由班组技术员或单位工程技术负责人编制送专业工程处专工审核后交项目部工程部对口专业的专责工程师审批b. 重要施工项目(见MSP-00-13施工过程控制程序中之附件13-1重要施工项目划分表)的作业指导书由专业工程处专工编制项目部工程部及安监部检测中心专工负责审核项目总工/副总批准其中汽包吊装定子吊装等项目应报公司工程部审核由公司总工或其委派的专业副总批准c.项目部工程部专工负责施工技术和工程质量部分的审核项目部安监部专工负责安全部分的审核焊接及热处理作业指导书或涉及焊接热处理工作的作业指导书由检测中心负责审核d.机械公司所负责的必需编制作业指导书项目如大件吊装机械工况变动等其作业指导书由机械公司技术人员编制项目部工程部机械部安监部审核后交项目总工批准e.需单独编制安全措施的施工项目由专业工程处技术员负责编制经本专业工程处专工工程部安监部审核后交项目总工批准f.需甲方及其代表审查的作业指导书由项目部工程部专工负责送审4.1.3 作业指导书需按计划进行编制项目部工程部专工应根据工程进展情况适当调整编制计划下达作业指导书编制的月度滚动计划保证作业指导书必须在工程项目开工前二周内编审批完在各部门审批传递过程中一般项目不得超过一天重要项目不得超过三天4.1.4 作业指导书审批完毕后,交项目部档案中心进行打印经原编制人校稿后由档案中心负责出版加编序号并盖受控标识后按确认的范围进行发放并保留原稿一般项目作业指导书的发放范围由项目部工程部对口专业专工确认重要项目由项目总工确认4.2 作业指导书应编写的内容作业指导书一般应包括以下内容4.2.1工程概况4.2.2编制依据包括施工图纸厂家图纸/说明书标准规范安规本项工程质量目标等4.2.3 施工准备作业所需的计量器具工具机械劳动力等4.2.4 施工作业方案4.2.5 施工工艺流程注明W H R等质量管理点4.2.6 施工注意事项4.2.7 环境注意事项4.2.8 危险点分析和预防措施4.2.9 有关计算如有时4.2.10 措施性材料目录如有时4.2.11 附件如有附图附表时4.3作业指导书的实施4.3.1 作业指导书是指导具体施工作业的技术文件,施工前必须根据已编制审批完毕的作业指导书对施工人员进行交底,接底人在交底记录上签字对工程施工周期较长如跨年度施工/工程结构复杂/施工人员变化较大/安全性要求较高的工程项目应根据工程进展情况重新进行交底4.3.2施工人员在施工作业过程中必须按照作业指导书的规定要求进行若施工过程中变更作业指导书的有关内容应执行MSP-00-07文件控制程序之5.5条款执行4.3.3各专业工程处负责人技术管理人员和项目部管理部门的有关人员在日常工作中应对作业指导书的执行情况进行监督检查公司工程部根据质量监察计划中确定的范围和项目对作业指导书的执行情况进行监督检查4.4形成的记录执行MP-00-09记录控制程序5 相关文件清单MSP-00-07文件控制程序MSP-00-13施工过程控制程序MP-00-09记录控制程序。
XXXXXXXX有限公司作业指导书制定管理规定文件编号:版本:编制:审核:批准:XXXXX有限公司发布作业指导书编制管理规定1.目的确保生产按操作规范作业,辅料、工具、物料的合理使用,保证产品质量及生产过程顺畅,和作业指导书的制作和管理。
2.范围管理办法规定了制造生产现场作业指导书的编制原则、依据、结构内容、格式、文本要求及应用管理的基本内容。
本管理办法适用于制造中心现场管理的作业指导书的编制和管理,其它二级企业可参照执行。
3.规范性引用文件(无)4.定义4.1现场标准化作业以企业现场安全生产、技术活动的全过程及其要素为主要内容,按照企业安全生产的客观规律与要求,制定作业程序标准和贯彻标准的一种有组织活动。
4.2全过程控制针对现场作业过程中每一项具体的操作,按照技术标准、工艺标准、规程规定的要求,对制造现场作业活动的全过程进行细化、量化、标准化,保证作业过程处于“可控、在控”状态,不出现偏差和错误,以获得最佳秩序与效果。
4.3现场作业指导书对每一项作业按照全过程控制的要求,对作业计划、准备、实施、总结等各个环节,明确具体操作的方法、步骤、措施、标准和人员责任,依据工作流程组合成的执行文件5.作业指导书的编制原则5.1体现对设备的全过程管理,包括设备验收、运行检修、缺陷管理、技术监督和反措要求等内容;体现对现场作业的全过程控制。
5.2现场作业指导书的编制应依据工程部提供的流程图、控制计划、PFMEA、特殊特性清单,防错计划书等工艺文件内容和技术标准内容,应施行刚性管理,变更应严格履行审批手续。
5.3应在作业前编制,注重策划和设计,量化、细化、标准化每项作业内容。
做到作业程序有要求,安全有措施,质量有标准,考核有依据。
5.4针对现场实际,进行危险点分析,制定相应的防范措施。
5.5应体现分工明确,责任到人,编写、审核、批准和执行应签字齐全。
5.6围绕安全、质量两条主线,实现安全与质量的综合控制。
优化作业方案,提高效率、降低成本。
SOP标准作业程序与作业指导书1. 概述SOP(Standard Operating Procedure)标准作业程序是一种详细描述和规范化特定任务或者工作流程的文档。
它提供了一个标准化的方法来执行任务,确保操作的一致性和质量。
作业指导书是SOP的一种形式,它更加详细地描述了特定任务的步骤、要求和注意事项。
2. 目的SOP标准作业程序的目的是确保操作的一致性、可追溯性和高效性。
通过明确的步骤和要求,SOP可以匡助员工正确地执行任务,减少错误和风险,提高工作效率和质量。
3. 适合范围本SOP标准作业程序适合于公司内部所有相关部门和岗位,涵盖以下任务:xxxx,xxxx,xxxx等。
4. 定义和缩写在本SOP中,以下术语和缩写的定义适合:- SOP:标准作业程序(Standard Operating Procedure)- xxx:xxx的缩写,表示xxxx5. 责任和权限- 部门经理负责确保SOP的编写、更新和培训,并监督员工的执行。
- 相关岗位的员工应遵守SOP的要求,并及时反馈任何问题或者改进建议。
6. SOP编写和更新- SOP应由相关部门的专业人员编写,确保准确性和完整性。
- SOP应定期进行审查和更新,以确保其与实际操作的一致性。
7. SOP结构SOP标准作业程序通常包含以下部份:- 标题:清晰地描述任务或者工作流程的名称。
- 目的:解释SOP的目的和重要性。
- 适合范围:明确SOP适合的部门、岗位和任务范围。
- 定义和缩写:解释在SOP中使用的术语和缩写的含义。
- 责任和权限:说明相关岗位的责任和权限。
- SOP编写和更新:描述SOP的编写和更新过程。
- SOP结构:列出SOP的结构和各个部份的内容。
- 步骤:详细描述执行任务的步骤和要求。
- 注意事项:提醒员工注意事项、风险和安全措施。
- 相关文件:列出与SOP相关的文件和表格。
- 培训和执行:说明员工培训和执行SOP的要求。
- 附录:包含任何相关的附加信息和参考资料。
工艺文件管理作业指导书1.0目的规范图纸的收集、绘制、发行、变更和保管的作业程序,使图纸及工艺资料维持最新的版本状态。
2.0适用范围客户提供的原图和公司内部加工使用的图纸、工艺文件和资料均属管理范围。
3.0职责3.1工程部:负责绘制加工图纸、编制工艺流程,并对其进行变更管理。
3.2品质部:QE负责编制检验工艺,文控中心负责图纸及工艺文件和资料的保管、分发和回收。
3.3相关部门负责本部门所使用的图纸及工艺文件和资料的妥善保管。
4.0定义无5.0工作程序5.1图纸接收和工艺编制5.1.1工程部收到顾客提供的原图后,应仔细检查图纸,若有疑问,需及时以书面方式联络客户。
5.1.2图纸检查合格后,由工程部直接使用顾客图纸的编号,完成图纸转换工作。
5.1.3工程部和品质部按产品要求,编制工序图、《加工作业指导书》和《检验作业指导书》,需注明一些技术要求或特别注意事项等。
5.1.4对于有RoHS要求的产品,应加盖绿色“RoHS”章印或标识“RoHS”字样。
5.1.5工艺文件经校对后,附顾客原图,由部门经理审核后批准。
5.2图纸的归档管理经审批后的工艺文件,统一送往文控中心,文控中心根据《文件和资料管理程序》进行管理,并登录在《工艺文件管理台帐》上。
5.3发行和回收5.3.1文控中心根据《生产指令》复印工艺文件,在复印件上加盖“受控文件”和“副本”印章后,分发给各个需要的部门。
5.3.2工艺文件若需回收,由文控中心统一负责,在回收的文件上加盖“作废”章,予以作废,不需保存。
5.3.3所有工艺文件的发行和回收,需记录在《工艺文件分发和回收记录表》中。
5.4变更管理5.4.1变更分为顾客要求变更和公司内部调整变更两种。
5.4.2若顾客提出变更要求,由其以书面的形式说明变更细节。
工程部根据顾客要求进行变更的初步评估和可行性评估后提出变更联络。
若评估通过,由工程部组织进行变更调整,并由各相关部门收回现场已经发行的旧版图纸和工艺;若评估不通过,由工程部通知顾客,进行沟通说明。
SOP标准作业程序与作业指导书一、引言SOP(Standard Operating Procedure)标准作业程序与作业指导书是一种规范化的文件,用于指导和规范组织内部的工作流程和操作步骤。
本文旨在提供一份详细的SOP标准作业程序与作业指导书,以确保工作的高效性、一致性和质量。
二、适用范围本SOP标准作业程序与作业指导书适用于公司内部的所有部门和岗位,包括但不限于生产、质量控制、销售、人力资源等。
三、术语定义1. SOP(Standard Operating Procedure):标准作业程序,是一份详细记录工作流程和操作步骤的文件。
2. 作业指导书:根据SOP编写的具体操作指南,用于指导员工在具体工作中的操作步骤。
四、SOP标准作业程序编写要求1. 标题:SOP标准作业程序的标题应简明扼要,能够准确描述该工作流程或操作步骤。
2. 目的:明确该SOP标准作业程序的目的和意义,以及所要达到的效果。
3. 适用范围:明确该SOP标准作业程序适用的部门和岗位。
4. 责任人:指明该SOP标准作业程序的负责人和相关人员。
5. 定义:对于该SOP标准作业程序中涉及的术语和定义进行解释和说明,以确保操作的一致性。
6. 流程图:使用流程图的形式清晰地展示工作流程和操作步骤,方便读者理解。
7. 步骤说明:逐步详细描述每个操作步骤,包括所需材料、设备、操作方法等。
8. 注意事项:列出需要特别注意的事项,如安全注意事项、操作细节等。
9. 常见问题与解决方案:列举常见问题,并提供相应的解决方案,以便操作人员能够及时应对和解决问题。
10. 相关文件:列出与该SOP标准作业程序相关的文件和表格,方便读者查阅。
五、作业指导书编写要求1. 标题:作业指导书的标题应与对应的SOP标准作业程序相对应,以便读者能够准确找到对应的操作指南。
2. 目的:明确该作业指导书的目的和意义,以及所要达到的效果。
3. 适用范围:明确该作业指导书适用的部门和岗位。
SOP标准作业程序与作业指导书一、引言标准作业程序(Standard Operating Procedure,简称SOP)与作业指导书是组织内部用于规范和指导工作流程的重要文档。
本文将详细介绍SOP标准作业程序与作业指导书的定义、编写流程、内容要点以及实施与维护等方面的内容。
二、定义SOP标准作业程序是一种详细描述和规范特定工作流程的文档,旨在确保工作的一致性、高效性和安全性。
作业指导书是SOP的具体实施指南,包含了操作步骤、安全注意事项、质量要求等具体内容。
三、编写流程1. 确定编写目的和范围:明确SOP的目的、适合范围和受众,确保编写的SOP具有明确的目标和适合范围。
2. 采集必要信息:与相关部门和人员沟通,采集关于工作流程的详细信息,包括操作步骤、安全要求、质量控制等方面的内容。
3. 制定SOP草稿:根据采集到的信息,编写SOP的草稿,包括标题、引言、目的、适合范围、操作步骤等内容。
4. 审核和修改:将草稿提交给相关部门和人员进行审核,并根据他们的反馈进行修改和完善。
5. 最终编写和发布:根据审核和修改的结果,完成最终版的SOP,并将其发布给相关人员。
四、内容要点1. 标题和引言:明确SOP的名称和目的,简要介绍所描述的工作流程。
2. 目的和适合范围:明确SOP的目的和适合范围,确保读者能够准确理解SOP的用途和适合范围。
3. 定义和缩写:对于特定的术语和缩写,提供清晰的定义和解释,以便读者理解和正确使用。
4. 责任和权限:明确相关人员的责任和权限,确保工作流程能够顺利进行。
5. 操作步骤:详细描述工作流程的每一个步骤,包括所需材料、设备和工具,以及具体操作方法。
6. 安全注意事项:列出工作过程中需要注意的安全事项,包括防护措施、危(wei)险品处理等。
7. 质量要求:明确工作流程中的质量要求,包括产品检验、记录和报告等。
8. 故障排除:提供常见问题和解决方法的列表,以便处理工作中可能浮现的故障。
(三)试验用药物管理制度标准作业流程编写程序编制部门:企划部适用区域:□全国□总部□所有平台□其它:发布范围:分销全体培训岗位:分销主管以上及内审员执行负责王建辉人:流程王础Owner:文件批准王玲人:生效日期:年月日填写说明:1、“执行负责人”由起草人手签姓名,“流程Owner”由编制部门负责人手签姓名,“文件批准人”需要编制部门上级领导手签姓名。
2、适用区域、发布范围、培训岗位、生效日期需要执行负责人进行勾选或者填写。
1目的1.1指导SOP文件编写者能够高效的编写出符合要求的文件。
2范围2.1此文件适合所有编写SOP(标准作业流程)的文件编写人员。
3职责3.1执行负责人负责起草文件初稿,在文件审批通过后执行此文件,并反馈意见。
3.2流程Owner审核文件初稿,对文件的有效性、合理性和兼容性负责,保证流程通俗易懂,逻辑严密,操作性强;对执行负责人提出的反馈意见进行审核、汇总、修改。
3.3文件批准人作为文件最终定稿者,对文件的发生效力负责,对该文件与相关文件的兼容性进行审核。
4定义4.1SOP:SOP是标准作业流程(StandardOperationProcedure)英文的第一个字母的缩写。
为各部门共性的、可以固化的业务活动。
4.2工具书:制定的作为岗位快速参考的文件,例如:单位换算表,目标值等贴或放在工作区域附近用于员工工作时参考的文件,这类文件主要包括操作方法,测试标准,流程图等限于特定岗位使用的操作指南,可以作为程序文件的一部分,也可以单独使用,也包括国家发布的一些制度法规,国家标准,技术标准等。
4.3附件:指SOP文件中所引用的文件,执行文件的同时也必须同时执行的文件,主要包括管理规定,规章制度和标准,可以作为程序文件的一部分,也可以单独使用。
4.4SOP流程体系:共由四部分组成,SOP-规范制度-表单-手册。
其中,规范为各部门之间在共性流程操作之上的不同的业务管理的规定,是对SOP 的支持和补充;表单是与SOP,和管理规范相匹配的单据、附件等文件;手册是已经固化的指导我们进行SOP操作或执行规范制度的指南性文件。
一、概述在任何组织或企业中,质量手册、程序文件、作业指导书和记录表单都是非常重要的文档。
它们记录了组织的工作流程、质量标准和相关规定,是保证产品或服务质量、管理流程的重要工具。
本文将从这四个方面进行论述,分别介绍其作用、编写要点和管理方法。
二、质量手册1. 作用质量手册是组织的质量管理体系的核心文件,包括了组织的质量方针、目标、结构和职责分工等内容。
其作用主要包括:1)规范组织的质量管理体系,确保质量管理工作有章可循;2)为组织内部员工提供质量管理的基本原则和要求;3)为组织外部人员(如客户、合作伙伴等)提供对组织质量管理体系的了解。
2. 编写要点编写质量手册时,需要关注以下几个要点:1)明确质量方针和目标,确保符合组织整体战略目标;2)提供详细的质量管理体系结构和职责分工,确保质量管理的科学性和系统性;3)关于质量管理相关的规定和程序的描述,确保清晰明了;4)核心流程和关键环节的控制措施,确保质量管理的有效性。
3. 管理方法要保证质量手册的有效性和实用性,需要进行相关的管理工作,主要包括:1)定期审查,确保质量手册内容的及时更新;2)培训员工,确保员工对质量手册的理解和执行;3)与实际工作相结合,确保质量手册的具体落实。
三、程序文件1. 作用程序文件是质量管理体系中的重要组成部分,它涵盖了组织内各项工作的具体流程、规定和要求,对保证质量管理工作的顺利开展起着至关重要的作用。
2. 编写要点编写程序文件时,需要注意以下几点:1)明确程序文件的适用范围和目的,确保程序文件的针对性和实用性;2)详细描述工作流程和关键环节的控制要点,确保程序文件的全面性和系统性;3)考虑到实际情况的变化,程序文件需要具有一定的灵活性和可操作性。
3. 管理方法程序文件的管理需要注重以下几点:1)定期审查和更新程序文件,确保其符合实际工作需要;2)进行程序文件的培训和宣传,确保员工对程序文件的理解和执行;3)在实际工作中不断进行监督和完善,确保程序文件的有效性和可操作性。
SOP标准作业程序与作业指导书一、介绍标准作业程序(Standard Operating Procedure,简称SOP)是一种详细描述特定任务或者过程的文件,旨在确保工作的一致性、可重复性和高质量。
作业指导书是SOP的一种形式,它提供了更具体的指导和步骤,以匡助操作员正确执行特定的工作任务。
本文将详细介绍SOP标准作业程序与作业指导书的编写规范和内容要求。
二、编写规范1. 标题:SOP标准作业程序与作业指导书的标题应简明扼要地描述所涉及的任务或者过程。
2. 适合范围:明确SOP适合的部门、岗位或者场景,以及适合的时间范围。
3. 目的:阐明编写SOP的目的和意义,以及所期望的效果。
4. 定义术语:对于特定的术语或者缩写词,提供明确的定义和解释,以确保操作人员的理解和一致性。
5. 责任和权限:明确相关人员的责任和权限,包括编写、审核、批准和执行SOP的人员。
6. 引用文件:列出所有与SOP相关的参考文件和标准,确保SOP的一致性和合规性。
7. 步骤和流程:详细描述执行任务或者过程的步骤和流程,按照逻辑顺序进行罗列,确保操作人员能够准确执行。
8. 安全注意事项:列出执行任务或者过程时需要注意的安全事项,包括个人防护装备的使用、危(wei)险品的处理等。
9. 故障排除:提供可能浮现的故障和解决方法,以匡助操作人员处理问题和保证任务的顺利进行。
10. 记录和报告:明确所需的记录和报告要求,包括填写表格、记录数据等。
11. 培训和验证:描述对操作人员进行培训和验证的方法和要求,以确保其理解和掌握SOP。
三、内容要求1. 清晰明了:SOP应以简明的语言和逻辑的结构编写,确保操作人员能够轻松理解和执行。
2. 详细准确:SOP应提供详细的步骤和流程描述,确保操作人员能够准确地执行任务或者过程。
3. 可操作性:SOP应具有可操作性,即操作人员能够根据SOP进行实际操作,并获得预期的结果。
4. 一致性:SOP应与相关的标准和程序保持一致,以确保工作的一致性和合规性。
进料检验作业指导书(IATF16949-2016/ISO9001-2015)1.0目的确保原物料、辅料及外加工之产品品质能达到本公司要求的水准,满足生产及客户需求。
2.0适用范围本公司对外采购原材料、半成品和外加工半成品、成品。
3.0职责:3.1品质部负责原物料、辅料及外加工半成品、成品质量检验,判定及记录。
3.2品质部主管负责确认原物料、辅料及外加工半成品、成品质量达到我司要求。
4.0定义急料:因产线停线或将要停线的急需物料,客户急需物料。
5.0作业流程5.1准备工作:5.1.1接到仓库《验收入库单》相关检验人员在4H-24H内对物料进行检验。
5.1.2核对检验之物名称、规格、型号生产厂家,数量以及随货之《出货检验单》。
5.2检验步骤:5.2.1按照GB2828-2012逐批检查,计数抽样按AQL正常随机抽检进行,CR:0,MA:0.65,MI:1.5,特殊抽样按S-2进行。
5.2.2.1根据《外协、外购产品检验指导书》对各项目进行检验。
5.2.2.2对检验结果在《进货检验记录表》中予以记录。
5.2.2.3供应商初期供货前5批产品采加严检验,具体转换程序为:a.从正常检验到加严检验当进行正常检验时,若在连续五批来料中有两批经检验不合格,则后续来料转到加严检验。
b.从加严检验到正常检验当进行加严检验时,若连续五批来料合格,则后续来料转到正常检验。
c.从正常检验到减量检验当进行正常检验时,若连续10批来料检验合格,则后续来料转到减量检验。
d.从减量检验到正常检验当进行减量检验时,若有一批来料检验不合格,则后续来料转到正常检验。
e.从加严检验到停止检验当进行加严检验时,若连续五批加严检验不合格,则停止检验。
f.从减量检验到免检当进行减量检验时,若连续五批减量检验合格,则后续来料转为免检。
g.从免检到正常检验当生产线抱怨来料异常时,或品质部主管认为有必要回到正常检验,则后续来料转到正常检验。
5.2.2.4如果因检测能力或手段不足,相关物料验收依据是供应商提供的出厂检验报告、第三方测试报告及我司试用结果,以上条件全部符合物料才可做为合格品入库。
作业指导书(QIS )编制规程1、目的为作业指导书的编制、更新和控制管理提供指南,让作业指导书反映最佳的生产作业现状,指导班组成员进行标准化的操作,并保证作业指导书成为有价值的班组培训工具和目视化管理工具.2、适用范围公司生产车间(含铝窗、单元体幕墙、复合车间)。
3、定义OIS —— 作业指导书(Quality Information System),是一种编制标准作业状态的工具,它定义了工位上工作任务的范畴,强调安全、质量等方面至关重要的步骤。
它既是班组建立持续改善和浪费消除的基础,又是班组降低成本、提高效益、优化工作后结果的反映。
WES -— 工作要素表,是作业指导书有利的补充说明,它用语言描述和图像更进一步的介绍了在OIS 上标注了安全、品质检查等要点符号的作业步骤。
WES 强调并传达为什么要突出标有要点符号的步骤,并且怎样才能保证这些步骤的特性.-—/人体工学标识,该标识表示作业工作中安全方面的工作性质。
作业员按作业指导书上的动作步骤进行作业时,通过在动作步骤后加注该标识,提醒作业员要注意的安全事项或国家法规中规定在特定场合中需要满足的安全生产条件(由安全部门提供相关资料或对车间进行指导,进行安全辩识,并填充相关内容)。
术参数(参考资料:控制计划、工艺特性清单等)品质检查标识,该标识反映工艺资料上应有的工艺要求(参考资料: 工艺相关资料)C—- 在制品标识,该标识表示作业内容是对来料进行再一次加工形成安装上车体的组装部分的动作步骤.QCO ——快速转换标识,通过改善或优化动作实现了工作步骤的精简需注以该标识。
—- 可视化工厂标识,作业指导书若附有可视化教具且与作业者操作有关,需加注该标识提醒作业者查看可视化教具。
CTPM——设备维护标识,若班组作业内容中涉及设备检查等内容的需加注该标识。
——防呆措施标识,改良改善的措施在实施过程中涉及与作业者操作内容有关的需加注该标识。
—- 环保标识,作业完后产生的废物,作业员按车间要求放入指定地点.若作业后有此项工作内容需加注该标识说明.4、职责●车间QOS要素员负责本程序在车间范围内得到正确理解。
标准作业指导书标准作业指导书(Standard Operating Procedure,简称SOP)是一种文件或手册,用于指导员工或操作人员按照事先确定的程序正确地执行特定的工作任务或操作流程。
下面是一个标准作业指导书的范例,以供参考。
标准作业指导书范例1.0 目的:确保员工在执行特定工作任务或操作流程时能够按照标准程序进行操作,确保操作的准确性、高效性和安全性。
2.0 范围:适用于本公司XXX部门的所有员工。
3.0 责任:3.1 部门经理:负责确保SOP的编写和更新。
3.2 员工:负责遵守和执行SOP中的工作程序。
4.0 步骤:4.1 准备工作:- 确保使用的工具和设备的正常运行。
- 准备所需的原材料和文档。
4.2 操作流程:- 步骤 1:详细说明第一个操作步骤,包括具体的工作内容和程序。
- 步骤 2:详细说明第二个操作步骤,包括具体的工作内容和程序。
- 步骤 3:详细说明第三个操作步骤,包括具体的工作内容和程序。
- ...继续编写下去,直到最后一个操作步骤。
4.3 检查工作:- 每个员工在完成工作之后,需要自行检查工作的准确性和完整性。
4.4 清理工作:- 员工在完成工作之后,需要按照规定清理工作区域,并将工具和设备妥善放置。
5.0 风险控制:5.1 安全风险:- 确保员工在操作中遵守安全规定,佩戴必要的个人防护装备。
- 针对存在可能的安全风险制定相应的防范措施。
5.2 业务风险:- 确保员工在操作中遵守公司的法律、法规和规定。
- 提供必要的培训和指导,确保员工具备执行工作任务所需的技能和知识。
6.0 监督和改进:6.1 监督:- 部门经理负责监督员工的工作执行情况,确保符合SOP的要求。
- 员工汇报任何发现的问题或潜在的改进措施。
6.2 改进:- 部门经理定期审核SOP的有效性,并根据需要进行修改和更新。
- 员工提供改进意见和建议,以便不断完善和优化工作流程。
7.0 附件:- 相关的图表、流程图、工具清单等附属文件。
程序文件和作业指导书编写方法程序文件和作业指导书编写方法一、程序文件的编写原则(1)程序文件必须是涉及到质量管理体系的一个逻辑上的独立部分或活动由于程序文件是对质量管理体系的某项质量活动实施内容、方法和顺序要求的规定,因此程序文件所描述的应该是能够构成一个逻辑上独立的质量活动,这种逻辑上的独立可以是质量管理体系的一个条款的一部分,或涉及多个相关的条款。
程序文件对质量活动应规定目的和范围,实施的具体步骤,实施结果的处理、反馈,以及在实施过程中与各部门的关系等,形成一个逻辑上独立的部分(2)程序文件应简练、准确,具有很强的可操作性的要求程序文件编写应力求简明,用词要准确,避免赘述。
要清楚地规定整个质量活动在实施过程中的每一步骤和环节,相关部门的责任及其义务。
即使是没有从事过此项工作的人通过程序文件也能清楚地了解此项质量活动的内容和过程,并能很快地明确按其流程应该做什么和怎样去做的要求。
(3)程序文件不涉及到纯技术性的细节问题程序文件是质量活动的具体实施方法和步骤,在实施某项质量活动时,会涉及到一些技术细节和工作细节,这些细节一般情况下由工作文件来确定。
二、程序文件编写规则1.目的2.范围3.职责4.程序5.附表或记录6.相关程序文件三、程序文件编写的要求1.人员要求编写程序文件要落实好编写人员。
选择合适的编写人员对程序文件的质量起着非常重要的作用。
文件编写人员应具备以下条件:1)应该是本部门能胜任的代表a.程序文件的编写,原则上是自己的部门编写自己的文件,并且编写人员应该是本部门能够胜任的代表。
有些组织在建立文件化的质量管理体系时,组织专职编写人员编写某些责任部门的程序文件,这样的程序文件难以得到实施,其重要的原因就是因为没有得到实施部门的认可。
b.若条件不具备,本部门无胜任编写者而要由其他人员代为编写时,所编写的程序文件在定稿之前,必须经过本部门的讨论通过和认可。
2)熟悉所编写程序的质量活动的内容和要求:程序文件的编写人员只有非常熟悉所编程序质量活动的编写内容和要求,编写出的文件才能准确、全面、具有可操作性。
CMK设备能力作业指导书(IATF16949:2016)1.目的本程序提供机器能力调查的方法,使该过程规范、受控;为后期过程能力提升和分析提供基础。
2.适用范围适用于本公司所有设备的能力调查。
3.职责3.1总师办负责组织相关部门/人员进行新设备和在用生产设备的能力调查。
3.2 各车间参加设备能力调查采集数据,计算机器能力指数。
5.3 生产部、动力能源部、研究院在过程控制及优化过程中参与改进。
5.4 车间工艺员完成分析用控制图,操作者完成控制用控制图。
5.5计量中心负责确保测量系统的合理性和有效性。
4.术语定义cpk:是现代企业用于表示制程能力的指标。
(过程能力指数-短期的)制程能力是过程性能的允许最大变化范围与过程的正常偏差的比值。
ppk:spc中控制图中用来计算工序能力或过程能力的指数,(过程性能指数-长期的)是指考虑过程有偏差时,样本数据的过程性能。
cmk:考虑短期离散,强调设备本身因素对质量的影响.5.工作程序5.1测量系统:在对一项目或过程进行统计之前,首先须对该项目或过程的测量系统进行分析(msa),确保该测量系统是可接受的,否则须改进测量系统后才可进行统计分析,此过程参照《监测装置管理程序》,相关标准见msa手册。
5.2选定控制对象:选定控制的对象应是影响产品质量的特性(质量特性、质量指标、工艺参数),这些特性要是能够计量或者计数的,并且在技术上可以控制。
5.3 机器能力调查要求/说明5.3.1 对于机器能力调查必须确定特性值和方法。
对于机器设备包括工装,在新购时由机器和工装制造商或用户在使用以前验证其能力。
在能力调查时,机器应同工装,必要时同一体化的检具和调整装置一起被视为一个实体。
5.3.2 在特定情况下,重复能力调查。
例如:a、新设备b、新零件订单c、工程更改 (精度提高时)d、机器维修后(对产品有影响)e、机器搬迁后(对机器有影响)f、长期停产后(十二个月以上)5.3.3 机器能力的证明应该提供给机器能力的评价。
过程审核作业指导书(IATF16949-2016)1. 目的确保过程具有能力并受控,以及验证产品生产的过程活动和有关结果是否符合公司的产品生产的过程策划以及公司产品生产的过程是否被正确有效实施,并适时发掘产品在生产过程中的质量问题,同时采取有效的纠正和预防措施,使公司产品在各种环境和因素的影响下仍能稳定地生产和运行。
2. 范围本程序适用于有限公司内部与质量管理体系一切有关的新产品和已批量生产的常规产品(亦称为老产品)的生产制造过程。
3. 引用文件IATF16949 《质量管理体系要求》(最新版本)4 术语和定义过程审核:用于检查生产制造过程是否符合产品质量要求,生产制造过程是否受控和其是否有能力的活动。
计划内过程审核:公司质量体系运行过程中针对体系和项目进行的审核。
依据年度内部审核计划,由内部审核小组对与质量管理体系有关的生产管理活动、质量手册、程序文件、作业指导书、检验标准、操作说明书、表单、质量记录、外部文件/资料和实施部门的工作环境及生产现场的所有工作班次进行计划内审核。
计划外过程审核:公司质量体系运行过程中针对事件/问题进行的审核。
当出现下列情形时,由管理者代表指派/任命的内部审核小组或/特定人员进行的计划外审核。
a. 质量管理体系发生重大变化时。
即:生产流程更改;b.产品质量或可靠度有重大异常发生时。
即:过程不稳定;c. 必须对受审核部门采取纠正与预防措施和查证时。
即:强制降低成本;e.当发生内部和/或外部较严重不合格或顾客抱怨时。
即:顾客抱怨/退货和索赔。
5 职责体系管理处负责公司年度过程审核计划的制订、审核小组的组建。
审核小组负责审核计划的执行及不符合项的跟踪验证。
受审核单位负责对不符合项制订纠正和预防措施并有效实施。
6工作流程和内容6.1过程审核策划6.1.1机构和人员体系管理处负责组织实施过程审核,系统独立地行使质量审核职能。
审核员(接受厂内/外有培训资格的外部培训机构ISO/TS16949过程审核教育培训达6 小时(含)以上,并经考试合格且具有合格证书资格证明者;经最高管理者或管理者代表聘任。
作业指导书编写程序
(IATF16949-2016/ISO9001-2015)
1.0目的
使作业指导书的编制达到统一化、规范化,使作业指导书更能起到指导生产、方便管理的作用。
2.0适用范围
适用于本公司产品在生产、检验、包装、搬运及存储等过程的作业指导书的编制。
3.0定义
作业指导书:指导生产、检验、包装、搬运、存储等实际作业的标准化文件。
4.0职责
5.0程序内容
5.1编制作业指导书的目的
(1)使所有的过程作业有其相应的操作规程,并形成文件。
即:以文件的方式规定出过程中的每一项操作或每一个动作的相应的标准。
(2)指导作业者高效安全地生产出符合设计要求的产品。
5.2编制作业指导书的要求
(1)作业指导书的编制由技术部在控制计划编制完成之后根据控制计划中的规定和要求在试生产、生产之前完成编制。
(2)用通俗易懂的语言、图示,简洁明确地描述特定工位的操作内容、方法、步骤及质量要求,内容(如果适用,但不仅限于)一般包括:对原材料和/或上工序结果的检查、本工序操作、本工序操作结束时自检三个部分。
(3)所有的工序指导书必需使用统一的格式,并在表头用大标题写明工序名称及其文件编号。
(4)在相应的栏目里写明(如果适用,但不仅限于)材料及编号,设备与工夹具名称、编号以及必要的操作维护、调试,质量要求,生产安全等。
(5)按工艺流程,技术部必须为每一工位都编制其相应的作业指导书。
(6)作业指导书必须经过审核,批准和受控后才可正式发行使用。
5.3作业指导书的编制和实施步骤
(1)技术部根据工艺流程图、PFMEA、过程控制计划、技术规范,图纸等到文件编制过程作业指导书。
(2)生产部对编制完成的指导书进行的评审(如果有必要可以要求质量部、技术部共同参与),并由生产部对在评审中发现的不足进行补充、修订。
(3)经评审修订的作业指导书经技术部经理审批后,由生产部交到质量部进行受控。
(4)质量部加盖受控章并负责存档及发放给生产部,并由工艺工程师进行工艺培训。
(5)生产部按指导书要求进行操作,由生产部监督标准作业的实施情况,质量部监督相关产品的质量情况。
5.4作业指导书各单元格的具体应用介绍,所述各项的序号都标在对应的栏目中。
(1)工位名称:填入工位名称;
(2)文件编号:填入与产品及工位名称对应的文件编号,文件编号按技术文件管理办法进行;
(3)更改号:在修订栏填入更改的作业指导书的更改号和及相关更改内容;(4)版本号:作业指导书需要换版时,在版本号一栏,填入升级后的版本号;(5)车型:对应车型系列;
(6)编制:填入负责编制作业指导书工作人员的签名;
(7)审核:填入使用部门主管的签名;
(8)批准:填入编制部门主管的签名;
(9)所需材料:填入本工位加工/装配所需的材料及其对应的材料编号,以便于与其它品种的材料区分;
(10)设备和工具:填入本工位加工/装配所需的设备、工具以及与它们相对应的设备、工夹具编号,以便于与生产其它产品时,所使用的设备、工夹具区分;(11)作业加工图;用图示标明重点关注的项目,方便操作人员理解;
(12)作业步骤:用通俗易懂的语言,分步骤、简洁明确地描述特定工位的操作内容、方法;
(13)重点管理项目:用通俗易懂的语言,简洁明确地描述特定工位的质量要求及重点检查项目;
(14)更改项目:填入相关的更改内容。
5.5作业指导书的修改
5.5.1出现下列情况,必须于规定工作日内修订完成作业指导书
(1)控制计划更改;
(2)工艺、工序、工位发生改变;
(3)新的方法已被确认能更有效地实现现有作业;
(4)现有指导书不能有效地指导作业者进行正常的操作;
5.5.2作业指导书的修改程序
(1)需作修改或增加内容的作业指导书,应经由对应部门或人员提出,并经提出部门主管审核,技术部确认后修改或增加,修改方式可在原指导书进行划改,在修订栏注明修订内容,并有技术人员的签名。
如需换版,需重新打印后在版本号一栏,填入升级后的版本号,并将之前修订内容添加到新版文件中;
(2)需重新打印下发的,重新打印出的作业指导书必须经生产部和技术部审批,交由质量部受控,并由质量部负责存档及发放到使用部门,同时收回原指导书;(3)由于其它原因,需要作出临时作业指导书时由技术部组织编写临时作业指导书,并经生产部、质量部、技术部主管批准后发放生产使用。
6.0相关文件
6.1文件管理程序;
6.2技术文件管理办法;
6.3作业,包装,检验指导书格式
SOP标准作业指导书格式.xls 作业指导书WI样板
格式.xls
包装规范指导书格
式.xls
测试作业指导书通
用WI.xls。