DKBARevB压铆紧固件技术要求
- 格式:docx
- 大小:43.64 KB
- 文档页数:45
压铆螺母技术要求
压铆螺母的技术要求主要包括以下几个方面:
1. 材料:根据不同的应用场景和性能需求,压铆螺母的材料选择也有所不同。
通常采用不锈钢、易切削铁等材料,以满足不同工况的要求。
2. 硬度:压铆螺母的硬度应符合要求,以确保其具有良好的耐磨性和耐腐蚀性。
同时,硬度的控制也要考虑到螺母的加工和安装。
3. 精度:压铆螺母的精度要求较高,包括尺寸精度、形状精度和位置精度等。
这些精度的控制对于保证螺母的装配效果和性能至关重要。
4. 表面处理:根据使用环境和性能要求,压铆螺母需要进行适当的表面处理,如镀锌、喷塑等,以提高其耐腐蚀性和外观质量。
5. 安装:压铆螺母的安装方式应符合要求,安装过程中应避免过度用力或冲击,以免造成损坏或影响性能。
6. 检验:压铆螺母应进行严格的检验,包括尺寸检验、外观检验、性能检验等,以确保其质量和性能符合要求。
综上所述,压铆螺母的技术要求涉及多个方面,需要综合考虑材料、硬度、精度、表面处理、安装和检验等方面的要求。
DKBA0.480.0128 结构外购件技术要求DKBA0.480.0128 Rev.E 压铆紧固件技术要求主要起草人:汪磊审核人:肖春秀会签人:胡邦红批准人:朱立军2018年03月12日发布2016年03月13日实施华为技术有限公司Huawei Technologies Co., Ltd.修订声明本规范拟制与解释部门:整机工程部本规范的相关系列规范或文件:相关国际规范或文件一致性:替代或作废的其它规范或文件:本规范替代DKBA0.480.1601。
相关规范或文件的相互关系:DKBA0.480.1601的内容已纳入本规范。
发布日期版本号更改说明主要起草人主要评审专家2007-7-26 A 新发布曾献科周伟、张斌、王文华、张明灿2010-3-1 B 1.将压胀铆螺母合并到此规范;2.增加SP系列压铆螺母、TSO/TSOS/TBSO/TBSOS系列薄型压铆螺柱、FHP系列压铆螺钉、TNFH/TNFHS系列薄型六角平齐压铆螺钉、TP系列压铆导销规格;3.增加了抗推力、松脱扭矩等性能要求指标;4.增加了建模命名说明;5.增加了压铆工艺及质量要求;刘树忠欧阳华周伟、潘建军、肖春秀、郑玲、魏华、孟耐尔、李俊周、和永超、董创、张斌、王文华、陈志明、钟荣华2014-2-20 C 1.新增部分压铆件不同基线值,及在不同基线值下所需满足力学性能参数;2.增加压铆螺钉、压铆螺柱抗拉力指标;3.增加铜排常用压铆件力学性能参数。
汪磊潘建军胡邦红、肖春秀、郑玲、范国良、黎良元、吕旺春2016-2-20 D 1.删除设计相关内容;2.优化盲孔螺柱有效螺纹长度。
汪磊胡邦红、刘冠辉、潘建军、黎良元、吕旺春、邓陶勇2018-3-8 E 1.增加部分压铆件压铆结合力参数温广旭HU BANGHONG 黎良元、王华、穆君伟、袁文文、陈华、章园红2018-4-22 F 1.增加葫芦挂钉技术要求曹志宇HU BANGHONG 黎良元、王华、穆君伟、袁文文、陈华、章园红目录List1 目的和适用范围 (5)1.1 目的 (5)1.2 适用范围 (5)2 引用的相关标准 (5)3 项目编码与建模命名 (5)3.1 建模命名 (5)4 功能描述 (6)5 要求 (6)5.1 结构尺寸 (6)5.1.1 压铆螺母(S、CLS、SP系列)结构尺寸 (6)5.1.2 压胀铆螺母结构尺寸 (7)5.1.3 平装压铆螺母(F系列)结构尺寸 (8)5.1.4 压铆螺柱(SO、SOS、BSO、BSOS系列)结构尺寸 (9)5.1.5 薄型压铆螺柱(TSO、TSOS、TBSO、TBSOS系列)结构尺寸 (10)5.1.6 压铆螺钉(FH、FHS、FHP系列)结构尺寸 (10)5.1.7 薄型六角平齐压铆螺钉(TNFH、TNFHS系列)结构尺寸 (11)5.1.8 压铆导销(TP系列)结构尺寸 (11)5.2 材料工艺及使用环境 (14)5.3 机械性能及压铆力 (15)5.4 表面质量 (17)5.5 铆接性能 (19)5.6 环保要求 (20)5.7 耐腐蚀要求 (20)6 检验规则 (20)7 说明 (20)8 附录:压铆工艺及质量要求 (20)8.1 通用压铆质量要求 (20)8.2 通用压铆工艺要求 (21)8.3 压铆螺母压铆要求 (21)8.4 压铆螺柱压铆要求 (23)8.5 压铆螺钉压铆要求 (24)8.6 压铆导销压铆要求 (25)表目录List of Tables表1压铆螺母结构尺寸表(单位:mm) (7)表2压胀铆螺母结构尺寸表(单位:mm) (8)表3平装压铆螺母结构尺寸表(单位:mm) (8)表4压铆螺柱结构尺寸表(单位:mm) (9)表5螺纹长度与螺柱长度对应表(单位:mm) (10)表6薄型压铆螺柱外型尺寸规格表(单位:mm) (10)表7压铆螺钉结构尺寸表(单位:mm) (11)表8薄型六角平齐压铆螺钉结构尺寸表(单位:mm) (11)表9压铆导销外型尺寸规格表(单位:mm) (12)表10压铆紧固件材料工艺及适用板材硬度表 (14)表11压铆紧固件性能及压铆力(适用于钢板或铝板) (15)表12压铆紧固件性能及压铆力(适用于不锈钢板) (16)表13 SP系列压铆螺母压铆砧套尺寸表 (22)表14压胀铆螺母胀开尺寸表 (23)表15薄型压铆螺柱压铆砧套尺寸表 (24)表16压铆螺钉压铆砧套尺寸表 (25)表17 FHP系列压铆螺钉压铆砧套尺寸表 (25)表18压铆导销压铆砧套尺寸表 (26)图目录List of Figures图1压铆螺母结构尺寸图 (7)图2压胀铆螺母结构尺寸图 (8)图3平装压铆螺母结构尺寸图 (8)图4压铆螺柱结构尺寸图 (9)图5薄型压铆螺柱尺寸图 (10)图6压铆螺钉结构尺寸图 (11)图7薄型六角平齐压铆螺钉结构尺寸图 (11)图8压铆导销尺寸图 (12)图9压铆紧固件压铆后示意图 (19)图10压铆螺柱压铆变形示意图 (20)图11压铆螺母压铆示意图 (21)图12 SP系列压铆螺母压铆砧套及压铆示意图 (22)图13压胀铆螺母压铆及胀铆示意图 (22)图14压胀铆螺母铆接后示意图 (23)图15 F系列平装压铆螺母压铆示意图 (23)图16压铆螺柱压铆示意图 (23)图17薄型压铆螺柱压铆砧套及压铆示意图 (24)图18压铆螺钉压铆砧套及压铆示意图 (24)图19 FHP系列压铆螺钉压铆砧套及压铆示意图 (25)图20薄板压铆导销压铆砧套及压铆示意图 (26)1目的和适用范围1.1目的结构外购件技术要求是描述公司结构外购件的受控性文件,其作用为:●供应厂商进行产品设计、生产和检验的依据。
压铆螺栓标准
本标准规定了压铆螺栓的规格尺寸、材料、力学性能、表面处理、抗腐蚀性能、紧固件连接、检验与试验、标志与包装等方面。
本标准适用于各种机械、电子、建筑等领域的压铆螺栓。
1.规格尺寸
压铆螺栓的规格尺寸应符合的规定。
包含M4等主要规格尺寸。
2.材料
压铆螺栓的材料应符合相关标准的规定,一般采用优质碳钢或不锈钢。
3.力学性能
压铆螺栓的力学性能应符合相关标准的规定,包括抗拉强度、屈服强度、伸长率等。
4.表面处理
压铆螺栓的表面处理应符合相关标准的规定,以保证其美观度和耐腐蚀性能。
常见的表面处理方法包括镀锌、喷塑、烤漆等。
5.抗腐蚀性能
压铆螺栓的抗腐蚀性能应符合相关标准的规定,以保证其在各种环境下的使用寿命。
6.紧固件连接
压铆螺栓应采用适当的紧固件连接方式,以保证其牢固性和可靠性。
常见的紧固件连接方式包括螺栓连接、螺母连接等。
7.检验与试验
压铆螺栓应按照相关标准进行检验与试验,以保证其质量和性能符合要求。
检验与试验项目包括外观检验、尺寸检测、力学性能试验等。
8.标志与包装
压铆螺栓应按照相关标准进行标志与包装,以保证其在使用前不受损坏。
标志应清晰明了,包括产品名称、规格型号、生产日期等信息。
包装应采用适当的材料和方式,以保证其在运输和存储过程中的安全性和可靠性。
压铆螺母柱标准压铆螺母柱是一种常见的紧固件,广泛应用于机械设备、汽车制造、航空航天等领域。
它具有固定牢固、安装简便、使用方便等优点,因此备受青睐。
然而,为了确保压铆螺母柱的质量和可靠性,制定了一系列的标准,以规范其生产和使用。
本文将对压铆螺母柱的标准进行详细介绍,以便读者更加全面地了解这一紧固件。
首先,压铆螺母柱的标准主要包括材料、尺寸、表面处理、力学性能等方面。
在材料方面,一般采用碳素钢、不锈钢、铝合金等材料,具体材料的选择需根据使用环境和要求来确定。
在尺寸方面,标准规定了不同规格的压铆螺母柱的直径、长度、螺纹规格等参数,以确保其能够与其他零部件配合良好。
此外,对于表面处理和力学性能也有详细的规定,以保证其耐腐蚀、耐磨损、承载能力等性能符合要求。
其次,压铆螺母柱的标准还涉及到生产工艺和质量控制。
在生产工艺方面,标准规定了压铆螺母柱的加工工艺、热处理工艺、表面处理工艺等,以确保产品的质量稳定可靠。
同时,对于产品的质量控制也有严格的要求,包括原材料的检测、生产过程的控制、成品的检验等,以确保产品符合标准要求。
此外,压铆螺母柱的标准还涉及到使用和安装方面的规定。
在使用方面,标准规定了压铆螺母柱的使用环境、使用条件、使用要求等,以确保其能够正常工作并具有良好的可靠性。
在安装方面,标准规定了压铆螺母柱的安装方法、安装要求、安装注意事项等,以确保其能够正确安装并发挥作用。
总之,压铆螺母柱的标准是保证其质量和可靠性的重要依据,对于生产厂家和使用单位来说,都具有重要的指导意义。
只有严格遵守标准要求,才能够生产和使用高质量的压铆螺母柱,确保设备和产品的安全可靠。
因此,我们应该加强对压铆螺母柱标准的学习和理解,提高对标准的执行力度,促进压铆螺母柱行业的健康发展。
DKBA0.480.0128结构外购件技术要求DKBA0.480.0128 Rev.B 压铆紧固件技术要求主要起草人:刘树忠、欧阳华审核人:周伟会签人:张斌、王文华、陈志明标准化审核人:洪霓玉批准人:钟荣华2010年06月30日发布2010年07月01日实施华为技术有限公司Huawei Technologies Co., Ltd.版权所有侵权必究All rights reserved修订声明本规范拟制与解释部门:整机工程部本规范的相关系列规范或文件:目录List1 目的和适用范围...............................................................................................................................1.1 目的.............................................................................................................................................1.2 适用范围 .....................................................................................................................................2 引用的相关标准...............................................................................................................................3 项目编码与建模命名........................................................................................................................3.1 建模命名 .....................................................................................................................................4 功能描述..........................................................................................................................................5 要求 .................................................................................................................................................5.1 结构尺寸 .....................................................................................................................................5.1.1 压铆螺母(S、CLS、SP系列)结构尺寸.............................................................................5.1.2 压胀铆螺母结构尺寸 .............................................................................................................5.1.3 平装压铆螺母(F系列)结构尺寸.........................................................................................5.1.4 压铆螺柱(SO、SOS、BSO、BSOS系列)结构尺寸.........................................................5.1.5 薄型压铆螺柱(TSO、TSOS、TBSO、TBSOS系列)结构尺寸 ........................................5.1.6 压铆螺钉(FH、FHS、FHP系列)结构尺寸........................................................................5.1.7 薄型六角平齐压铆螺钉(TNFH、TNFHS系列)结构尺寸...................................................5.1.8 压铆导销(TP系列)结构尺寸..............................................................................................5.2 材料工艺及使用环境 ...................................................................................................................5.3 机械性能及压铆力.......................................................................................................................5.4 表面质量 .....................................................................................................................................5.5 铆接性能 .....................................................................................................................................5.6 环保要求 .....................................................................................................................................5.7 耐腐蚀要求..................................................................................................................................6 检验规则..........................................................................................................................................7 说明 .................................................................................................................................................8 附录:压铆工艺及质量要求.............................................................................................................8.1 通用压铆质量要求.......................................................................................................................8.2 通用压铆工艺要求.......................................................................................................................8.3 压铆螺母压铆要求.......................................................................................................................8.4 压铆螺柱压铆要求.......................................................................................................................8.5 压铆螺钉压铆要求.......................................................................................................................8.6 压铆导销压铆要求.......................................................................................................................表目录List of Tables表1压铆螺母结构尺寸表(单位:mm).......................................................................................... 表2压胀铆螺母结构尺寸表(单位:mm) ...................................................................................... 表3平装压铆螺母结构尺寸表(单位:mm)................................................................................... 表4压铆螺柱结构尺寸表(单位:mm).......................................................................................... 表5螺纹长度与螺柱长度对应表(单位:mm)............................................................................... 表6薄型压铆螺柱外型尺寸规格表(单位:mm) ........................................................................... 表7压铆螺钉结构尺寸表(单位:mm).......................................................................................... 表8薄型六角平齐压铆螺钉结构尺寸表(单位:mm).................................................................... 表9压铆导销外型尺寸规格表(单位:mm)................................................................................... 表10压铆紧固件材料工艺及适用板材硬度表 ................................................................................... 表11压铆紧固件性能及压铆力(适用于钢板或铝板)..................................................................... 表12压铆紧固件性能及压铆力(适用于不锈钢板) ........................................................................ 表13 SP系列压铆螺母压铆砧套尺寸表.............................................................................................. 表14压胀铆螺母胀开尺寸表............................................................................................................. 表15薄型压铆螺柱压铆砧套尺寸表.................................................................................................. 表16压铆螺钉压铆砧套尺寸表 ......................................................................................................... 表17 FHP系列压铆螺钉压铆砧套尺寸表 ........................................................................................... 表18压铆导销压铆砧套尺寸表 .........................................................................................................图目录List of Figures图1压铆螺母结构尺寸图 .................................................................................................................. 图2压胀铆螺母结构尺寸图............................................................................................................... 图3平装压铆螺母结构尺寸图........................................................................................................... 图4压铆螺柱结构尺寸图 .................................................................................................................. 图5薄型压铆螺柱尺寸图 .................................................................................................................. 图6压铆螺钉结构尺寸图 .................................................................................................................. 图7薄型六角平齐压铆螺钉结构尺寸图 ............................................................................................ 图8压铆导销尺寸图.......................................................................................................................... 图9压铆紧固件压铆后示意图........................................................................................................... 图10压铆螺柱压铆变形示意图 ......................................................................................................... 图11压铆螺母压铆示意图 ................................................................................................................ 图12 SP系列压铆螺母压铆砧套及压铆示意图................................................................................... 图13压胀铆螺母压铆及胀铆示意图.................................................................................................. 图14压胀铆螺母铆接后示意图 ......................................................................................................... 图15 F系列平装压铆螺母压铆示意图 ................................................................................................ 图16压铆螺柱压铆示意图 ................................................................................................................ 图17薄型压铆螺柱压铆砧套及压铆示意图....................................................................................... 图18压铆螺钉压铆砧套及压铆示意图 ..............................................................................................图19 FHP系列压铆螺钉压铆砧套及压铆示意图 ................................................................................ 图20薄板压铆导销压铆砧套及压铆示意图.......................................................................................1目的和适用范围1.1目的结构外购件技术要求是描述公司结构外购件的受控性文件,其作用为:●供应厂商进行产品设计、生产和检验的依据。
压铆技术操作规范
1. 引言
本操作规范旨在规范压铆技术的操作,确保操作的安全性和高效性。
压铆技术是一种常用的连接技术,适用于连接金属和非金属材料,广泛应用于机械制造、航空航天等行业。
2. 操作要求
在进行压铆技术操作时,以下要求应被严格遵守:
2.1 设备准备
- 确保所使用的压铆设备符合相关标准,并经过定期维护和检修。
- 检查压铆设备是否正常运行,及时发现并修复设备故障。
2.2 操作规范
- 操作人员应经过专业培训,熟悉压铆技术操作流程。
- 在操作前,检查压铆设备和连接件的质量和完整性,确保符合要求。
- 检查所需的压铆件是否配备齐全,包括铆钉、垫圈等。
- 根据产品规格和要求,选择合适的压铆件进行操作。
- 在操作过程中,确保材料的刚性支撑以避免材料变形。
- 控制压铆机的压力和时间,确保连接效果良好。
- 检查压铆结果,确保连接牢固,不出现松动和裂纹等问题。
2.3 安全措施
- 操作人员应穿戴符合安全标准的个人防护装备,包括安全帽、护目镜、防护手套等。
- 在操作过程中保持良好的工作环境,确保空气流通和充足的
照明。
- 确保周围没有可燃和易爆物品,避免引发意外事故。
- 在操作过程中,严禁离开岗位或与他人交谈,集中注意力进
行操作。
3. 引用标准
- GB/T XXXX-XXXX《压铆设备技术要求》
以上是对压铆技术操作的规范要求,希望所有从事压铆技术的
操作人员能够认真遵守,确保操作的安全和质量。
如对本规范有任
何疑问或建议,请与相关部门联系。
铆钉技术条件铆钉技术条件是指在进行铆接过程中需要满足的一系列条件,以确保铆接的质量和可靠性。
铆钉技术是一种常用于连接金属件的方法,它通过将铆钉插入孔中,然后利用冲击力或压力将铆钉固定在金属件上。
下面将逐一介绍铆钉技术中的一些关键条件。
1. 铆钉选材:铆钉的材料应根据具体应用环境和工作要求进行选择。
常见的铆钉材料包括铝合金、不锈钢和碳钢等。
选择合适的材料可以确保铆接件的耐腐蚀性、强度和刚性等性能。
2. 孔洞准备:在进行铆接之前,需要对金属件进行孔洞准备。
孔洞的直径和深度应与铆钉的尺寸相匹配,以确保铆钉插入孔中后具有足够的结合力。
3. 铆钉直径和长度:铆钉的直径和长度应根据连接件的厚度和强度要求进行选择。
过小的铆钉直径可能导致连接件的强度不足,而过长的铆钉可能会导致连接件的变形或破坏。
4. 铆钉头形状:铆钉头的形状有不同的类型,包括圆头、扁头和半扁头等。
不同的头形状适用于不同的连接需求,可以提供不同的结合力和外观效果。
5. 压接力和冲击力:铆钉的固定需要通过压接力或冲击力来实现。
压接力是指通过压力将铆钉固定在金属件上,而冲击力是指通过冲击力将铆钉插入孔中。
合适的压接力和冲击力可以确保铆接的牢固性和稳定性。
6. 铆接工艺:铆接工艺是指进行铆接过程中的具体操作步骤和技术要求。
铆接工艺包括孔洞预处理、铆钉安装、压接或冲击等步骤。
在进行铆接时,需要控制好每个步骤的时间、力度和顺序,以确保铆接的质量。
7. 铆接设备和工具:进行铆接需要使用特定的设备和工具。
常见的铆接设备包括铆接机和铆钉枪等,而铆接工具则包括钳子、锤子和钻头等。
选择合适的设备和工具可以提高铆接的效率和质量。
8. 质量控制:铆钉技术条件中还包括对铆接质量的控制要求。
通过检查连接件的外观、尺寸和结合力等指标,可以确保铆接的质量符合要求。
在质量控制过程中,可以使用一些测试方法和仪器,如拉力试验机和金相显微镜等。
9. 环境要求:在进行铆接过程中,需要考虑环境因素对铆接质量的影响。
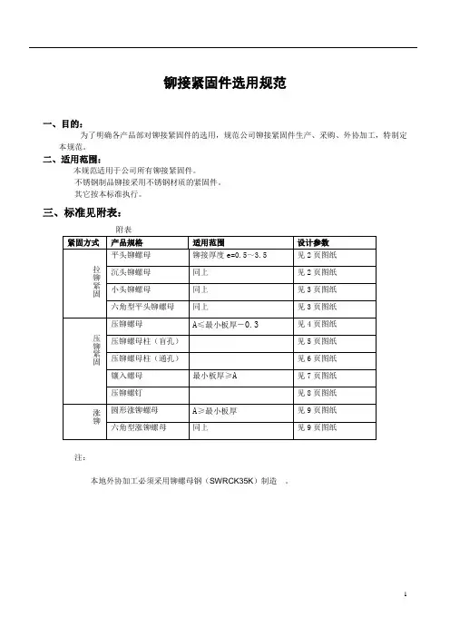
铆接紧固件设计规范(公司实⽤)铆接紧固件设计规范拟制: ⽇期:审核: ⽇期:审核: ⽇期:批准: ⽇期:版权所有侵权必究修订记录⽬前我公司的产品中钣⾦件应⽤较多,钣⾦件之间的连接、固定相应的也很多,并且连接、固定的⽅式也有很多种。
在以往的设计中,由于设计的缺陷和经验因素导致很多连接、固定不是很牢靠,产⽣了很多废件、废品,严重影响了装配的⽣产效率,降低了产品的质量,增加了产品的成本,损害了公司的形象。
采⽤TOX连接⽅式是⼀种⽅便、可靠、美观的连接⽅式,现在已经⼤量应⽤,在设计中应优先采⽤。
为了⽅便操作、提⾼效率、增强品质、减少成本以及从产品的外观考虑,特制定本规范。
本规范分为两⽅⾯内容:◆铆接紧固件PBSO(PTSO)⾃铆式螺套PS(PSS)系列⾃嵌式螺母PFH(PFHS)系列⾃铆螺钉ARB-HEX系列⾃铆螺母TOX联接铆接紧固件的选⽤说明◆铆接⼯艺1 铆接紧固件原则上涉及铆接的零件,尤其是与⾛纸通道相关的铆接,从成本及外观⽅⾯考虑,能采⽤⾃铆螺套、螺母的,⼀律采⽤TOX连接。
设计时尽量选⽤现有的铆接紧固件,必要时可以定作。
⼀、PBSO(PTSO)⾃铆式螺套PBSO(PTSO)⾃铆式螺套,作为⼀种垫⽚或隔⽚设计⽽成,其⼴泛应⽤于⾦属板材及控制箱、电源柜等产品壁板的镶嵌⼯艺。
其结构的特殊性,装配时,只须将螺套放⼊⾦属板材的孔中,以压铆作业实现装配,⾃铆式螺套具有以下的优点:●实现了“距离”范围的长度保证,⼤⼤简化装配过程,并加快装配式间距⾯板和元件的⽣产进度;●板材背⾯保持完全嵌平,同时保证了螺套头部与板材平⾯平整光滑;●原材料采⽤中碳钢或不锈钢。
【1】应⽤技术指南:1.选⽤螺套时,必须根据所⽤板材的厚度,才能确定E的尺⼨范围,低碳钢板材硬度必须⼩于70RB(150威⽒⾓锥硬度值);不锈钢板材硬度必须⼩于80RB(150威⽒⾓锥硬度值)。
2.产品材料:中碳钢淬⽕和表⾯镀锌(⽩⾊)处理;不锈钢保持原⾊,⽤户可根据需要按表中型号规格定货。
压铆岗位技能要求
压铆岗位技能要求主要包括以下几个方面:
1. 操作技能:压铆工需要熟练掌握压铆设备的操作技能,包括设备的启动、运行和停止等基本操作。
同时,还需要了解设备的维护和保养知识,以确保设备的正常运行和使用寿命。
2. 铆接技能:压铆工需要掌握铆接技术,包括铆钉的选择、铆接前的准备、铆接过程以及铆接质量检查等方面的技能。
能够根据不同的材料和工艺要求,选择合适的铆钉和工艺参数,以确保铆接质量和效率。
3. 安全生产意识:压铆工需要具备高度的安全生产意识,严格遵守安全生产规定和操作规程,确保工作过程中的安全和卫生。
4. 质量意识:压铆工需要具备强烈的质量意识,严格控制产品质量,确保每一项工作都符合质量标准。
5. 团队协作能力:压铆工需要具备良好的团队协作能力,能够与其他工人和管理人员密切配合,共同完成工作任务。
以上是压铆岗位的一些技能要求,压铆工需要通过不断的学习和实践,提高自己的技能水平和综合素质,以适应不断变化的工作要求和市场环境。
压铆螺钉标准
压铆螺钉是一种常用的连接件,广泛应用于航空航天、汽车制造、机械设备等领域。
由于其连接牢固、安装方便等优点,因此在
工程设计中得到了广泛的应用。
为了确保压铆螺钉的质量和安全性,制定了一系列的标准来规范其生产和使用。
首先,压铆螺钉的材料选择要符合相关的标准要求。
通常情况下,压铆螺钉的材料为碳钢、不锈钢、铝合金等。
这些材料在使用
过程中需要具备一定的强度和耐腐蚀性能,因此需要根据具体的使
用环境和要求来选择合适的材料。
其次,压铆螺钉的尺寸和形状也需要符合标准规定。
包括螺纹
的规格、长度、直径等参数,都需要符合相关的标准要求。
只有在
符合标准的情况下,才能确保在使用过程中能够正确地安装和连接,从而保证连接的牢固性和可靠性。
另外,压铆螺钉的安装工艺也需要按照标准进行。
在安装过程中,需要严格按照相关的工艺要求进行操作,包括预压、拉伸、膨
胀等步骤,以确保压铆螺钉能够正确地与被连接件形成牢固的连接。
同时,还需要对安装工艺进行严格的检验和控制,以确保安装质量
符合标准要求。
此外,压铆螺钉的使用环境和条件也需要符合标准规定。
包括使用温度、湿度、腐蚀性环境等因素都需要考虑在内。
只有在符合标准要求的使用环境中,才能确保压铆螺钉能够发挥其应有的连接功能,从而保证设备或结构的安全性和可靠性。
总的来说,压铆螺钉标准的制定和执行对于保证其质量和安全性具有重要意义。
只有严格按照标准要求来选择材料、设计尺寸、控制工艺和使用环境,才能确保压铆螺钉能够正确地发挥其作用,从而为工程设计和制造提供可靠的连接解决方案。
压铆强度标准
一、压铆件材料标准
1. 压铆件应采用符合国家或行业标准的优质钢材,确保材料具有良好的机械性能和抗疲劳性能。
2. 对于关键部位,建议采用合金钢或不锈钢,以提高压铆件的强度和耐久性。
二、压铆件制造精度标准
1. 压铆件的外形尺寸应符合设计要求,制造误差应在允许范围内。
2. 压铆件的表面粗糙度应符合标准要求,以确保良好的接触面和抗疲劳性能。
3. 压铆件的孔径和孔距应精确控制,以确保安装精度和强度。
三、压铆件安装精度标准
1. 压铆件在安装过程中应确保与被连接件的平行度和垂直度,以避免应力集中和影响强度。
2. 压铆件的安装应按照设计图纸进行,不得随意更改连接方式和安装尺寸。
四、压铆件表面处理标准
1. 压铆件表面应进行防锈处理,以增强其耐腐蚀性能。
2. 对于特殊环境下的使用,如高温、高湿等,应对压铆件进行特殊的表面处理,以提高其环境适应性。
五、压铆件强度试验方法标准
1. 压铆件在出厂前应进行强度试验,以验证其是否符合设计要求。
2. 强度试验应按照国家或行业标准进行,包括试验条件、试验方法、试验步骤等方面的规定。
六、压铆件质量检验标准
1. 压铆件的质量检验应贯穿于整个制造过程中,包括材料检验、尺寸检验、表面处理检验等环节。
2. 对于关键部位或重要部件的压铆件,应进行100%的检验,以确保其质量和可靠性。
七、压铆件安全性能标准
1. 压铆件的设计应符合安全规范,避免因结构不合理或材料选择不当而导致的安全隐患。
2. 压铆件的制造和安装应遵循安全操作规程,避免因操作不当导致的安全事故。
铆焊件通用技术条件1 总则1.1 用于焊接、铆接件母材的牌号,应符合国家标准。
1.2 焊接、铆接件的制造应符合图样,工艺文件和本标准的规定。
1.3 焊接件所用焊条按母材强度条件选择。
1.3.1 常用焊条应按图样规定牌号,符合GB980—76《焊条分类及型号编制方法》的规定。
1.3.2 焊接低碳钢、低合金钢的焊条应按图样规定牌号,符合GB981—76《低碳钢及低合金高强度钢焊条》的规定。
1.3.3 焊接钼和铬钼钢的焊条应按图样规定牌号,符合GB982—76《钼和铬钼耐热钢焊条》的规定。
1.3.4 焊接不锈钢的焊条应按图样规定牌号,符合GB983—76《不锈钢焊条》的规定。
1.3.5 堆焊焊条应符合GB984—76《堆焊焊条》的规定。
1.3.6 焊接结构件的焊条,在图样中未对焊条规定时,可用T422焊条焊接。
1.4 焊接中所用的焊丝应符合GB1300—77《焊接用钢丝》的规定。
1.5 在下雨、雪及大雾的情况下,不得进行露天焊接。
气体保护焊只能在室内进行。
1.6 焊接处应预先清除氧化皮、油、油漆等表面污物。
1.7 结构件选用新钢种时,应对材料进行必要的可焊性试验,证明符合质量要求后,方可投入生产。
1.8 焊接后,溶渣、溅粒等均应清除干净。
1.9 焊接尺寸应符合图样规定,焊接表面应呈现均匀平滑的鳞状波纹,并在焊缝的全长上保持一致。
1.10 图样中的焊缝代号必须符合GB324—80《焊缝代号》的规定。
1.11 接触食品焊接、铆接件所选用的焊条、铆钉,应符合“食品卫生法”的规定。
1.12 凡接触食品的焊接、铆接件,应平滑,无毛刺,不允许食品接触而残存,造成污染食品。
1.13 焊接和铆接件由制造单位技术检验部门按图样及工艺进行检验。
1.14 各类焊接、铆接件应按不同的材料配备工艺设备和选用加工方法。
2 一般钢结构件2.1 各类钢材在下料后应进行校正,其位置公差和形状公差应符合表1的规定。
2.2 钢材切断后,边棱应与表面垂直,斜度允差不超过1:10,边棱上堆积物和毛刺必须铲除。
DKBA0.480.0128结构外购件技术要求DKBA0.480.0128 Rev.B压铆紧固件技术要求主要起草人:刘树忠、欧阳华审核人:周伟会签人:张斌、王文华、陈志明标准化审核人:洪霓玉批准人:钟荣华2010年06月30日发布 2010年07月01日实施华为技术有限公司Huawei Technologies Co., Ltd.版权所有侵权必究All rights reserved修订声明本规范拟制与解释部门:整机工程部本规范的相关系列规范或文件:相关国际规范或文件一致性:替代或作废的其它规范或文件:本规范替代DKBA0.480.1601。
相关规范或文件的相互关系:DKBA0.480.1601的内容已纳入本规范。
目录 List1 目的和适用范围 (11)1.1 目的 (11)1.2 适用范围 (11)2 引用的相关标准 (12)3 项目编码与建模命名 (12)3.1 建模命名 (13)4 功能描述 (15)5 要求 (16)5.1 结构尺寸 (16)5.1.1 压铆螺母(S、CLS、SP系列)结构尺寸 (16)5.1.2 压胀铆螺母结构尺寸 (19)5.1.3 平装压铆螺母(F系列)结构尺寸 (20)5.1.4 压铆螺柱(SO、SOS、BSO、BSOS系列)结构尺寸 (21)5.1.5 薄型压铆螺柱(TSO、TSOS、TBSO、TBSOS系列)结构尺寸 (24)5.1.6 压铆螺钉(FH、FHS、FHP系列)结构尺寸 (25)5.1.7 薄型六角平齐压铆螺钉(TNFH、TNFHS系列)结构尺寸 (26)5.1.8 压铆导销(TP系列)结构尺寸 (27)5.2 材料工艺及使用环境 (28)5.3 机械性能及压铆力 (30)5.4 表面质量 (35)5.5 铆接性能 (35)5.6 环保要求 (36)5.7 耐腐蚀要求 (36)6 检验规则 (36)7 说明 (36)8 附录:压铆工艺及质量要求 (37)8.1 通用压铆质量要求 (37)8.2 通用压铆工艺要求 (37)8.3 压铆螺母压铆要求 (39)8.4 压铆螺柱压铆要求 (41)8.5 压铆螺钉压铆要求 (42)8.6 压铆导销压铆要求 (44)表目录 List of Tables表1 压铆螺母结构尺寸表(单位:mm) (16)表2 压胀铆螺母结构尺寸表(单位:mm) (19)表3 平装压铆螺母结构尺寸表(单位:mm) (21)表4 压铆螺柱结构尺寸表(单位:mm) (22)表5 螺纹长度与螺柱长度对应表(单位:mm) (23)表6 薄型压铆螺柱外型尺寸规格表(单位:mm) (24)表7 压铆螺钉结构尺寸表(单位:mm) (25)表8 薄型六角平齐压铆螺钉结构尺寸表(单位:mm) (26)表9 压铆导销外型尺寸规格表(单位:mm) (27)表10 压铆紧固件材料工艺及适用板材硬度表 (28)表11 压铆紧固件性能及压铆力(适用于钢板或铝板) (30)表12 压铆紧固件性能及压铆力(适用于不锈钢板) (34)表13 SP系列压铆螺母压铆砧套尺寸表 (39)表14 压胀铆螺母胀开尺寸表 (40)表15 薄型压铆螺柱压铆砧套尺寸表 (42)表16 压铆螺钉压铆砧套尺寸表 (43)表17 FHP系列压铆螺钉压铆砧套尺寸表 (44)表18 压铆导销压铆砧套尺寸表 (45)图目录 List of Figures图1 压铆螺母结构尺寸图 (16)图2 压胀铆螺母结构尺寸图 (19)图3 平装压铆螺母结构尺寸图 (21)图4 压铆螺柱结构尺寸图 (22)图5 薄型压铆螺柱尺寸图 (24)图6 压铆螺钉结构尺寸图 (25)图7 薄型六角平齐压铆螺钉结构尺寸图 (26)图8 压铆导销尺寸图 (27)图9 压铆紧固件压铆后示意图 (35)图10 压铆螺柱压铆变形示意图 (37)图11 压铆螺母压铆示意图 (39)图12 SP系列压铆螺母压铆砧套及压铆示意图 (39)图13 压胀铆螺母压铆及胀铆示意图 (40)图14 压胀铆螺母铆接后示意图 (40)图15 F系列平装压铆螺母压铆示意图 (41)图16 压铆螺柱压铆示意图 (41)图17 薄型压铆螺柱压铆砧套及压铆示意图 (41)图18 压铆螺钉压铆砧套及压铆示意图 (42)图19 FHP系列压铆螺钉压铆砧套及压铆示意图 (43)图20 薄板压铆导销压铆砧套及压铆示意图 (44)1目的和适用范围1.1目的结构外购件技术要求是描述公司结构外购件的受控性文件,其作用为:供应厂商进行产品设计、生产和检验的依据。
品质部门验货、退货的依据。
物料部门进行采购的依据。
对供应厂商产品质量进行技术认证的依据。
结构设计部门选用结构外购件的依据。
1.2适用范围本技术要求适用于压铆螺母、压胀铆螺母、平装压铆螺母、压铆螺柱、压铆螺钉、压铆导销等压铆件的采购与检验。
2引用的相关标准下列文件中的条款通过本规范的引用而成为本规范的条款。
凡是注日期的引用文件,其随后所有的修改单(不包括勘误的内容)或修订版均不适用于本规范,然而,鼓励根据本规范达成协议的各方研究是否可使用这些文件的最新版本。
凡是不注日期的引用文件,其最新版本适用于本规范。
DKBA1828 华为采购物料环保规范ASTM B117 盐(喷)雾装置的标准试验方法DKBA0.400.0100 不锈钢紧固件质量要求DKBA0.450.0017 电镀锌质量要求3项目编码与建模命名压铆紧固件由供应商根据华为技术要求采购,无单独编码。
3.1建模命名4功能描述压铆螺母:S、CLS系列压铆螺母可压铆在最小厚度为0.8mm的钢板或铝板上;SP系列压铆螺母可用于不锈钢板的压铆;压胀铆螺母可用于0.5/0.6/0.8mm厚板材的压铆,并且能提供比较大的接合力;平装压铆螺母可用于最小厚度为1.5mm 厚板材的压铆,压铆后两面均不凸出板材表面。
压铆螺母常配合螺钉使用,可用于两个结构件的连接。
压铆螺柱:SO、SOS、BSO、BSOS系列压铆螺柱可压铆在最小厚度为1mm的钢板或铝板上;TSO、TSOS、TBSO、TBSOS系列压铆螺柱可用于0.6/0.8mm厚板材的压铆。
压铆螺柱可起支撑柱的作用,常配合螺钉使用,用于固定单板。
压铆螺钉:FH、FHS系列压铆螺钉可压铆在最小厚度为1mm的钢板或铝板上;FHP系列压铆螺钉可用于不锈钢板的压铆;TNFH、TNFHS系列压铆螺钉可用于0.8mm 厚板材的压铆。
压铆螺钉常配合螺母使用,可用于两个结构件的连接或接地。
压铆导销:TP系列压铆导销可压铆在最小厚度为0.8mm的钢板或铝板上,常用于单板及零部件的导向定位。
5要求5.1结构尺寸5.1.1压铆螺母(S、CLS、SP系列)结构尺寸压铆螺母结构尺寸如下图及下表所示:图1 压铆螺母结构尺寸图表1 压铆螺母结构尺寸表(单位:mm)注:SP-M6的型号只有“1”,没有型号“0”和“2”。
5.1.2压胀铆螺母结构尺寸压胀铆螺母结构尺寸如下图及下表所示:图2 压胀铆螺母结构尺寸图表2 压胀铆螺母结构尺寸表(单位:mm)5.1.3平装压铆螺母(F系列)结构尺寸平装压铆螺母结构尺寸如下图及下表所示:图3 平装压铆螺母结构尺寸图表3 平装压铆螺母结构尺寸表(单位:mm)5.1.4压铆螺柱(SO、SOS、BSO、BSOS系列)结构尺寸压铆螺柱结构尺寸如下图及下表所示,左侧为通孔型(SO、SOS系列),右侧为封闭型(BSO、BSOS):图4 压铆螺柱结构尺寸图表4 压铆螺柱结构尺寸表(单位:mm)表5 螺纹长度与螺柱长度对应表(单位:mm)5.1.5薄型压铆螺柱(TSO、TSOS、TBSO、TBSOS系列)结构尺寸薄型压铆螺柱结构尺寸如下图及下表所示,左侧为通孔型(TSO、TSOS系列),右侧为封闭型(TBSO、TBSOS):图5 薄型压铆螺柱尺寸图表6 薄型压铆螺柱外型尺寸规格表(单位:mm)5.1.6压铆螺钉(FH、FHS、FHP系列)结构尺寸压铆螺钉结构尺寸如下图及下表所示:图6 压铆螺钉结构尺寸图表7 压铆螺钉结构尺寸表(单位:mm)5.1.7薄型六角平齐压铆螺钉(TNFH、TNFHS系列)结构尺寸薄型六角平齐压铆螺钉压铆后要求端面与板材平齐,其结构尺寸如下图及下表所示:图7 薄型六角平齐压铆螺钉结构尺寸图表8 薄型六角平齐压铆螺钉结构尺寸表(单位:mm)5.1.8压铆导销(TP系列)结构尺寸压铆导销结构尺寸如下图所示:图8 压铆导销尺寸图表9 压铆导销外型尺寸规格表(单位:mm)5.2材料工艺及使用环境各压铆紧固件的材料、表面处理及适用板材硬度要求如下:表10 压铆紧固件材料工艺及适用板材硬度表5.3机械性能及压铆力各压铆紧固件压铆后的性能及压铆力应符合下面要求:表11 压铆紧固件性能及压铆力(适用于钢板或铝板)①表中标识的抗推力及松脱力矩为按照推荐的压铆工艺作业后压铆件的性能平均值;②平装压铆螺母不提供松脱扭矩的要求,要求M3最大紧固力矩为0.36 N·m,M4最大紧固力矩为0.58 N·m;表12 压铆紧固件性能及压铆力(适用于不锈钢板)5.4表面质量各压铆件表面不允许有裂缝、裂纹、条痕、凹痕、切痕、皱纹、损伤、毛刺和螺纹折叠等影响使用的有害缺陷。
5.5铆接性能压铆后,当放大5倍目测检查时,各压铆件不应有变形、开裂、螺纹折叠等影响使用的有害缺陷。
各压铆紧固件压铆后示意图如下所示:图9 压铆紧固件压铆后示意图5.6环保要求满足华为“DKBA1828 华为采购物料环保规范”的相关要求。
5.7耐腐蚀要求不锈钢压铆件必须符合DKBA0.400.0100——“不锈钢紧固件质量要求”;镀彩锌压铆件必须符合DKBA0.450.0017——“电镀锌质量要求”。
6检验规则本检验规则适用于华为公司来料检验,其检验应符合华为技术有限公司质量部门的规定。
对于未规定的产品采用批次检验的方式,检验方法采用GB2828逐批检验中一次抽样方案。
7说明1、本技术要求的解释权归华为技术有限公司整机工程部。
2、供求双方有技术上的分歧时,以本技术要求作为仲裁。
8附录:压铆工艺及质量要求8.1通用压铆质量要求压铆件压铆完成后,被压铆板的变形范围不得超过Φ5*X(以压铆件圆心为中心,X为压铆件螺纹直径),变形量(平面度)不得大于0.3mm。
比如下图示压铆螺柱压铆后,应满足:H≤0.3mm;D≤5*X。
图10 压铆螺柱压铆变形示意图8.2通用压铆工艺要求压铆工艺要求:被压铆板的变压铆变形区域对于任一种规格压铆件,其安装孔大小必须与要求值相同;压铆件要压铆在板材的冲裁面/侧(非毛刺面/侧);压紧前请确认压铆件的导柱部分已放置在安装孔内;上模冲压面与压铆面要保持平行,即压力与压铆面垂直;使用合适的压力使压铆件的压铆端完全压入板材表面,并使压铆件的铆接面四周与板材平齐;压铆注意事项:不要压铆后电镀或喷涂后压铆;不要在压铆前清除安装孔两侧的毛刺---清除毛刺也会去除将压铆件压铆到板材上所需要的材料导致压不牢;压铆力不能太大,这会使压铆件端部变形、破坏螺纹和压弯板材。