2021年四分制验布标准
- 格式:doc
- 大小:75.01 KB
- 文档页数:7
四分制验布标准四分制验布标准1.验布标准及数量不同种类的布有其本身的特性,同样地,相同的布种在不内供应商生产会因所用的纱及机种而有不同的质量,因此,不同的的布种及供应商有不同的收货标准.2.建议不同布种的平均及最高分数标准梭织针织/经编以上的分数标准应用在以下情况:●如果整个抽查完成后,平均分数是等如或低于所同意的平均分数标准,该单帽可以接受。
●如果其中一疋布的分数是高于所同意的每疋最高分数标准,该疋布则不可能接受。
●如果整个抽查完成后,平均分数是高于所同意的平均分数标准,该单则不可能接受及由管理层决定如何处理该单布疋。
3.每疋布的驳口每一疋布不可以超过一个驳口。
4.验布百分比●在正常情况下,应检查百分之十的大货布疋,并包括各色各缸号。
●如果该单的平均分数高于所同意的平均分数标准或其中一疋的分数高于所同意的每疋最高分标准,则需要另加检查百分之十五的布疋。
5.其重要事项弯曲差异在下列情况下,弯曲的程度是可能接受的(即最高弧点高度)梭织布匹染---------可接受为≤3% (布封为150厘米,最高可接受的弧点高度为4.5厘米)纱染或印花---------可接受为≤2% (布封为150厘米,最高可接受的弧点高度为3.0厘米)针织:布匹染------------可接受为≤5% (布封为150厘米,最高可接受的弧点高度为7.5厘米) 纱染或印花-------可接受为≤4% (布封为150厘米,最高可接受的弧点高度为6.0厘米)倾斜差异在下列情况下,倾斜的程度是可能接受的(即由经纱90度角向上最度至倾斜点)梭织:布匹染----------可接受为≤3% (布封为150厘米,最高可接受的高度为4.5厘米)纱染或印花-----可接受为≤2% (布封为150厘米,最高可接受的高度为3.0厘米)针织:布匹染----------可接受为≤5% (布封为150厘米,最高可接受的高度为7.5厘米)纱染或印花------可接受为≤4%(布封为150厘米,最高可接受的高度为6.0厘米)。
四分制验布标准一.一、织物疵点评分标准:织物疵点按“四分制”评分1.评分方法疵点在3寸或以下评一分疵点超过3英寸而到6英寸评二分疵点超过6英寸到9英寸评三分疵点超过9英寸评4分2.连续性疵点,每1码计四分;3.较大的疵点(有破洞等)不计大小,每1码计四分;4.横档、中变色、不对色、幅不足、幅不同、有皱、整理不良等,连续发生时,每1码计四分。
一、以平方码为单位计算方法1.每匹布:(常用)总评分数×36×100 评分=码数×有效幅宽(寸)100平方码2.每单货:(整批布)每码总分数×36×100 评分=总码数×有效幅宽100平方码二、验收标准(以100平方码为基础)每匹布1组15分/100平方码2组20分/100平方码3组25分/100平方码4组40分/100平方码5组60分/100平方码三、全面疵点的评分标准★连续性疵点1、连续有规律性疵点,1码计4分2、连续性3码以上,作不合格对待。
★整幅疵点3、合格品内不允许有以下疵点存在A. 长度超过6英寸全幅疵点。
B. 较细小的全幅疵点,100码内超过5处。
C. 以100码为单位,每10码中严重疵点平均2处以上。
D. 布头、布尾3码内有严重疵点或整幅疵点的。
E. 在平放裁床时,有边绉、预缩皱、波浪皱、折皱、皱条等疵布。
★幅宽4、每匹布最少测三次。
5、达不到加工要求幅宽,则记不合格。
6、幅宽计算:整幅宽:两布边之间距有效幅宽:去除布边、针洞、无印花部分的幅宽。
7、对色:分色最多接受3个LOT色,每LOT色最小码数为500码以上,每LOT色之间色差按AATCC灰色卡4-5级8、每匹布中边、头尾色差不能低于4-5级。
9、要求供应商取6英寸匹头,编号后留提供。
10、客人QC来验货时,若色板在(4-5级以下)则该单货不合格,需要供应商重新检验、返修。
11、码长差异:核对实际长度同卡片标码差异查过1%则该批布不合格。
面料四分制检验标准布匹的检验方法常见的是”四分制评分法"。
在这个"四分制评分法"中,对于任何单一疵点的最高评分为四分.无论布匹存在多少疵点,对其进行的每直线码数(Linear yard)疵点评分都不得超过四分.对于经纬和其他方向的疵点将按以下标准评定疵点分数:一分: 疵点长度为3寸或低于3 寸两分: 疵点长度大于3寸小于6 寸三分: 疵点长度大于6寸小于9 寸四分: 疵点长度大于9寸对于严重的疵点,每码疵点将被评为四分。
例如: 无论直径大小,所有的洞眼/抽纱都将被评为四分。
对于连续出现的疵点,如:横档、边至边色差、窄封或不规则布宽、折痕、染色不均匀等的布匹,每码疵点应被评为四分。
每码疵点的评分不得超过四分。
———--——-—--—--—--——----—----——-—---—-——-——---—--———————-—---——----—-—-—-—一/评分的计算二/不同布种的接受水平三/抽样程序四/评定布匹等级的其他考虑因素五/织物疵点专用术语评分的计算:原则上每卷布经检查后,便可将所得的分数加起来.然后按接受水平来评定等级,但由于不同的布封便须有不同的接受水平,所以,若用以下的公式计算出每卷布匹在每100平方码的分数,而只须制订一在100平方码下的指定分数,便能对不同布封布匹作出等级的评定。
(总分数x 36 x 100) / (受检码数 x 可裁剪的布匹宽度) = 每100平方码的分数—-—-—------———-—---———--———---———--—--———----—---—-—-—----——-——--—-—--—--不同布种的接受水平不同类型的布匹被分为以下四大类。
超过指定分数的单卷布匹应被定为二等品。
如果整批布匹的平均评分超过了指定的分数水平,则该批布匹应被视为未通过检验。
分组面料类型单卷可接受分数平均可接受分数梭织布匹类型布匹种类单卷整批1 全人造布匹,聚酯/尼龙/醋酸纤维制品衬衫衣料纺人造纤维织物精纺毛料20点/100平方码 16点/100平方码2 粗斜纹棉布帆布府绸/牛津条纹或方格纹棉布衬衫衣料纺人造纤维织物毛织品条纹或格子花纹的布/染成的靛青纱所有专用布匹,提花织物/多比灯芯绒/天鹅绒/伸展粗斜纹棉布/人造布匹/混纺28点/100平方码 20点/100平方码3 亚麻布薄细棉布40点/100平方码 32点/100平方码4 多皮奥尼丝绸/轻丝绸50点/100平方码 40点/100平方码针织布匹类型布匹种类单卷整批1 全人造布匹,聚脂/尼龙/醋酸纤维制品人造丝精纺毛料混纺丝绸20点/100平方码 16点/100平方码2 全专业布匹,提花织物/多比灯芯绒纺人造纤维织物毛纺品染成的靛青纱丝绒/斯潘德克斯25点/100平方码 20点/100平方码3 基本针织布匹(精梳棉布/混纺棉布)30点/100平方码 25点/100平方码4 基本针织布匹(经梳毛机梳理过的棉布)40点/100平方码 32点/100平方码抽样程序选择待检卷完全是随机挑选。
面料美标四分制检验标准美国四分制是用于检验出口坯布或印染布外观质量的标准,其中常用的检验方法是“四分制评分法”。
在这个方法中,每个单一疵点的最高评分为四分,无论布匹存在多少疵点,对其进行的每直线码数(linear yard)疵点评分都不得超过四分。
经纬和其他方向的疵点将按照长度进行评分,一分表示疵点长度为3寸或低于3寸,两分表示疵点长度大于3寸小于6寸,三分表示疵点长度大于6寸小于9寸,四分表示疵点长度大于9寸。
严重的疵点每码疵点都将被评为四分,例如所有的洞眼都将被评为四分,连续出现的疵点如横档、边至边色差、窄封或不规则布宽、折痕、染色不均匀等的布匹,每码疵点应被评为四分。
每码疵点的评分不得超过四分。
另外,美国四分制标准还规定了织物疵点评分标准,其中疵点按照“四分制”评分,评分方法为疵点在3寸或以下评一分,疵点超过3英寸而到6英寸评二分,疵点超过6英寸到9英寸评三分,疵点超过9英寸评四分。
对于连续性疵点,每1码计四分,较大的疵点不计大小,每1码计四分。
横档、中边色、不对色、幅不足、幅不同、有皱、整理不良等连续发生时,每1码计四分。
最后,验收标准以100平方码为基准,适用于欧洲、美国、日本等国家。
每匹布的评分标准为:1组15分/100平方码,2组20分/100平方码,3组25分/100平方码,4组40分/100平方码,5组60分/100平方码。
现通用标准是选用2组、3组、4-5组不用四、全面疵点的评分标准。
对于连续性疵点,连续有规律性疵点1码计四分,连续性3码以上作为不合格品对待。
对于整幅疵点,合格品内不允许有长度超过6英寸的全幅疵点、100码内超过5处较细小的全幅疵点、以100码为单位每10码中严重疵点平均2处以上、布头、布尾3码内有严重疵点或整幅疵点的情况。
对于幅宽,每匹布最少测三次。
面料四分制检验评分欧阳歌谷(2021.02.01)一.布料检验包括外观质量和内在质量两大方面。
外观上主要检验面料是否存在破损、污迹、织造疵点、色差等等问题。
经砂洗的面料还应注意是否存在砂道、死褶印、破裂等砂洗疵点。
影响外观的疵点在检验中均需用标记注出,在剪裁时避开使用。
面料的内在质量主要包括缩水率、色牢度和克重(姆米、盎司)三项内容。
在进行检验取样时,应剪取具有代表性的样品进行测试,以确保数据的准备度。
二、检验前的准备工作:1.检验区规划:环境必须宽敞、清洁、干爽、光线充足、温度及温度要稳定。
2.检验设备:①.验布机:应装有调器(0~30Y/MIN),有底灯可看布结构,顶灯亮度不小于1075 LUX的白炽灯(CWF)。
②.灯箱:采用国际标准,放置于没有外部光线影响,中灰色的密封房间,标准光源灯类型:基本光源D65(6500K)日光,TL 830 (H&M 要求),或TL840(M&S要求),具体遵照各客人要求。
③.工具:测量尺、剪刀、执鸡纸、蜡笔。
3.检验项目:颜色、手感及外观:①.颜色:在每卷布剪取布头、布尾各4X5CM样办,于灯箱下用D65及TL830或TL840光源,对照确认样色办和布办以确定布料的色差。
②.手感及外观:对照剪下的布办检查布疋的结构、定形、弹性、花纹等特性是否与确认样布办相符。
4.外观检查采用四分制评分法:布匹的检验方法常见的是"四分制评分法"。
四分制是将目测到的疵点进行量度,并按表的规定进行扣分。
在这个"四分制评分法"中,对于任何单一疵点的最高评分为四分。
无论布匹存在多少疵点,对其进行的每直线码数(Linear yard)疵点评分都不得超过四分,疵点扣分以看得见为原则,轻微的、不易觉察的疵点不予扣分。
检验过程,如下操作:1).布封:量度每卷布布头、布中、布尾的实用寸封,了解是否存在封不稳定,其偏差率为+3%~-2%。
四分制面料检验标准四分制面料检验标准四分制评法主要应用于针织布料上,但亦可应用于梭织布料。
「四分制」跟「+分制」的基本概念和模式非常相似,只不过是判罚疵点分数上不同而已。
该评核方法跟「+分制J一样,检查人员跟据疵点评分标准查验每匹布料的疵点,记录在报告表上,并给予处罚分数,作为布料之等级评估。
a.疵点评分疵点扣分不分经纬向,依据疵点表长度给予一恰当扣分。
疵点长度处罚分数3吋或以下1分超过3吋但不超过6吋2分超过6吋但不超过9吋3分超过9吋4分较大的疵点(有破洞不计大小)每1码计四分检查评定除特别声明外,否则只须检查布面的疵点。
另外,在布边一吋以内的疵点可以不需理会。
不论幅宽,每码布料的最高处罚分数为4分。
特殊瑕疵如破洞、轧梭,一律扣4分。
c.等级评估不论检查布料的数量是多少,此检定制度须以一百平方码布料长度的评分总和为标准。
若疵点评分超过40分,该匹布料则便被评为「次级」及不合标准。
d.计算公式为:100平方码平均扣分数=(总扣分X 100 X 36)/检查总码数X 规格幅宽(吋) 除非面料的规格不对,否则表面不可见的疵点不计分数,小疵点不做记录。
在一码内不允许超过4分,任何连续性疵点均做4分评定,例尺寸不良、破洞做4分。
象横档、色差,狭幅、,皱纹、斜路、,甚至织物不完整,均按4分/码计算。
不必考虑长度破洞(纱被剪或断纱,或少了针迹),下面的情况做4分处理: 有手臂长的油污迹, 明显的抽纱或粗纱, 纬纱不良, 缺色, 少经少纬。
下面的疵点按照长度来决定,染色条,稀缝,裂缝水平或垂直方向的纹路,皱纹,轻重纱头,横档。
.面料检查下面几点是指导性的原则,以便在检查布的过程中得到应用。
1.有下列现象就的返工1).色差超过允许范围2).连续性的起球,或明显的折痕或修补痕迹3).规格误差+-超过5%印花疵点(指的规律性或成批性)成品规格不符合4).长度少于25码打结纱超过1处,在大批时允许多个打结纱但其间距不得少于25码不熟棉或坏棉影响成品的外观。
布料检验四分制的基本要求1.0、布料检查---四分制1.1、分法主要应用于针织布料上,但亦可应用于梭织布料。
[四分制]跟[十分制]的基本概念和模式非常相似,只不过是判罚疵点分数上不同而已;1.2、法跟[十分制]一样,检查人员根据疵点评分标准查验每匹布料的疵点,记录在报告表上,并给予处罚分数,作为布料之等级评估;2.0、疵点评分2.1、疵点扣分不分经纬向,依据疵点表长度给予一恰当扣分2.2、除特别声明外,只须检查布面的疵点,另外,在布边一寸以内的疵点可以毋须理会;2.3、不论幅宽,每码布料的最高处罚分数为4分,特殊瑕疵如破洞、轧梭、一律扣4分。
3.0、等级评估3.1、不论检查布料的数量是多少,此检定制度须以一百平方码布料长度的评分总和为标准。
若疵点评分超过40分,该匹布料则便被评为[次级]及不合标准3.2、计算公式为:100平方码平均扣分数=(总扣分×100 ×36)/ 检查码数×规格幅宽(寸)4.0、疵点/次货分类4.1、不能接受的缺陷4.1.1、不能接受的缺陷会导致产品不符合我们产品标准以及供应商的指示;4.1.2、不能接受的缺陷会导致危险与安全问题的缺陷可能造成受伤;4.1.3、产品的安全问题是根据公司有关安全或客户要求而厘定;4.1.4、若在检查过程中发现一个不能接受的缺陷,这将导致全部产品遭到拒收,直到通过100%的检查来弥补这个缺陷,或者依照客户指示的不合格的阐明得到允许。
4.2、严重缺陷(大鸡)4.2.1、严重缺陷极大可能导致产品在销售点受到损害或降价,或因而导致客户投诉;4.2.2、严重缺陷不管对于检查者还是客户来说都应是很明显的。
4.3、轻微缺陷(小鸡)4.3.1、轻微缺陷是指一些不符合标准但不足以妨碍产品发挥正常功能。
4.3.2、通常如发现“不能接受的缺陷”会导致整批货必须100%全检;4.3.3、一般严重疵点会以AQL作检查,如:AQL2.5或AQL4.0;4.3.4、轻微疵点可包括以下检查方法:A、2个轻微疵点等于1个严重疵点;B、另以比严重疵点较松之AQL处理;C、另以严重疵点AQL两倍允收数处理。
四分制验布标准一.图解二、详解一、织物疵点评分标准:织物疵点按“四分制”评分1.评分方法疵点在3寸或以下评一分疵点超过3英寸而到6英寸评二分疵点超过6英寸到9英寸评三分疵点超过9英寸评4分2.连续性疵点,每1码计四分;3.较大的疵点(有破洞等)不计大小,每1码计四分;4.横档、中变色、不对色、幅不足、幅不同、有皱、整理不良等,连续发生时,每1码计四分。
一、以平方码为单位计算方法1.每匹布:(常用)总评分数×36×100 评分=码数×有效幅宽(寸)100平方码2.每单货:(整批布)每码总分数×36×100 评分=总码数×有效幅宽 100平方码二、验收标准(以100平方码为基础)每匹布1组 15分/100平方码2组 20分/100平方码3组 25分/100平方码4组 40分/100平方码5组 60分/100平方码三、全面疵点的评分标准★连续性疵点1、连续有规律性疵点,1码计4分2、连续性3码以上,作不合格对待。
★整幅疵点3、合格品内不允许有以下疵点存在A. 长度超过6英寸全幅疵点。
B. 较细小的全幅疵点,100码内超过5处。
C. 以100码为单位,每10码中严重疵点平均2处以上。
D. 布头、布尾3码内有严重疵点或整幅疵点的。
E. 在平放裁床时,有边绉、预缩皱、波浪皱、折皱、皱条等疵布。
★幅宽4、每匹布最少测三次。
5、达不到加工要求幅宽,则记不合格。
6、幅宽计算:整幅宽:两布边之间距有效幅宽:去除布边、针洞、无印花部分的幅宽。
7、对色:分色最多接受3个LOT色,每LOT色最小码数为500码以上,每LOT色之间色差按AATCC灰色卡4-5级8、每匹布中边、头尾色差不能低于4-5级。
9、要求供应商取6英寸匹头,编号后留提供。
10、客人QC来验货时,若色板在(4-5级以下)则该单货不合格,需要供应商重新检验、返修。
11、码长差异:核对实际长度同卡片标码差异查过1%则该批布不合格。
面料美标四分制检验标准美标<四分制>检验标准布匹的检验方法常见的是四分制评分法。
在这个"四分制评分法"中,对于任何单一疵点的最高评分为四分。
无论布匹存在多少疵点,对其进行的每直线码数(linear yard)疵点评分都不得超过四分。
对于经纬和其他方向的疵点将按以下标准评定疵点分数:一分: 疵点长度为3寸或低于3 寸两分: 疵点长度大于3寸小于6 寸三分: 疵点长度大于6寸小于9 寸四分:疵点长度大于9寸对于严重的疵点,每码疵点将被评为四分。
例如无论直径大小,所有的洞眼都将被评为四分。
对于连续出现的疵点,如横档、边至边色差、窄封或不规则布宽、折痕、染色不均匀等的布匹,每码疵点应被评为四分。
每码疵点的评分不得超过四分。
美国四分制标准美国四分制标准是出口坯布或者印染布的外观质量的检验标准,具体规定如下:一、织物疵点评分标准:织物疵点按“四分制”(four point sysiem)评分1、评分方法疵点在3寸或以下评一分疵点超过3英寸而到6英寸评二分疵点超过6英寸到9英寸评三分疵点超过9英寸评四分2、连续性疵点,每1码计四分:3、较大的疵点(有破洞等)不计大小,每1码计四分;4、横档、中边色、不对色、幅不足、幅不同、有皱、整理不良等,连续发生时,每1码计四分。
二、以平方码为单位的计算方法1、每匹布:(常用)总评分数×36×100 评分=码数×有效幅度(寸)100平方码2、每单货:(整批布)每码总分数×36×100评分=总码数×有效幅度100平方码三、验收标准(以100平方码为基准)适用欧洲、美国、日本等国家。
每匹布1组15分/100平方码2组20分/100平方码3组25分/100平方码4组40分/100平方码5组60分/100平方码现通用标准是选用2组、3组、4-5组不用四、全面疵点的评分标准☆连续性疵点1、连续有规律性疵点,1码计四分2、连续性3码以上,作不合格品对待。
四分制验布标准图解总分X 36 "X 1002. 计算百分码分数公式:百平方吗分=实数封书X实码数二、详解一、织物疵点评分标准:织物疵点按“四分制”评分1. 评分方法疵点在3寸或以下评一分疵点超过3英寸而到6英寸评二分疵点超过6英寸到9英寸评三分疵点超过9英寸评4分2. 连续性疵点,每1码计四分;3. 较大的疵点(有破洞等)不计大小,每1码计四分;4. 横档、中变色、不对色、幅不足、幅不同、有皱、整理不良等,连续发生时,每1码计四分。
一、以平方码为单位计算方法1. 每匹布:(常用)总评分数X 36 X 100评分=码数X 有效幅宽(寸)100平方码2. 每单货:(整批布)每码总分数X 36 X 100评分=总码数X 有效幅宽100平方码二、验收标准(以100平方码为基础)每匹布1组15 分/100平方码2组20 分/100平方码3组25 分/100平方码4组40 分/100平方码5组60 分/100平方码三、全面疵点的评分标准★连续性疵点1、连续有规律性疵点,1码计4分2、连续性3码以上,作不合格对待。
★整幅疵点3、合格品内不允许有以下疵点存在A. 长度超过6英寸全幅疵点。
B. 较细小的全幅疵点,100码内超过5处。
C. 以100码为单位,每10码中严重疵点平均2处以上。
D. 布头、布尾3码内有严重疵点或整幅疵点的。
E. 在平放裁床时,有边绉、预缩皱、波浪皱、折皱、皱条等疵布。
★幅宽4 、每匹布最少测三次。
5、达不到加工要求幅宽,则记不合格。
6、幅宽计算:整幅宽:两布边之间距有效幅宽:去除布边、针洞、无印花部分的幅宽。
7、对色:分色最多接受3个LoT色,每LoT色最小码数为500码以上,每LoT色之间色差按AATCC灰色卡4-5级8、每匹布中边、头尾色差不能低于4-5级。
9、要求供应商取6英寸匹头,编号后留提供。
10、客人QC来验货时,若色板在(4-5级以下)则该单货不合格,需要供应商重新检验、返修。
国际四分制验布标准第一页一、按疵点长度(经、纬向)赋予疵点分值:1、疵点长度扣分3〞以下扣1分3〞—6〞扣2分6〞—9〞扣3分9〞以上扣4分2、连续性疵点每出现一码扣4分。
3、破洞无论大小一律扣4分。
4、每码扣分最多不超过4分。
二、疵点分值疵点分值计算以每100平方码疵点分为单位,公式如下:11、每匹布的疵点分数≤28分/100平方码,而且全缸布的疵点分数≤25分/100平方码为合格。
否则每超4分扣0.5码2、经向重复出现或不间断直落疵点,每出现1码扣4分,超出2码需裁剪或与客沟通避裁。
3、一匹布的头尾一码内不可有全幅性疵点,否则扣码。
四、布纹规定1、直纹入机:弓形/斜纹最大不可超过布封x5%2、斜纹入机:斜纹最大不可超过布封x12%五、规格及其它1、布封可比要求大2〞以内,可小1〞以内,否则扣码。
2、克重接受范围140g/m以下接受±8%,140g/m2的上接受±5%3、卷边接受自然卷270℃以内。
4、短码接受-1%以内。
布匹的检验方法常见的是"四分制评分法"。
在这个"四分制评分法"中,对于任何单一疵点的最高评分为四分。
无论布匹存在多少疵点,对其进行的每直线码数(Linear yard)疵点评分都不得超过四分。
对于经纬和其他方向的疵点将按以下标准评定疵点分数:一分: 疵点长度为3寸或低于3 寸两分: 疵点长度大于3寸小于6 寸三分: 疵点长度大于6寸小于9 寸四分: 疵点长度大于9寸对于连续出现的疵点,如: 横档、边至边色差、窄封或不规则布宽、折痕、染色不均匀等的布匹,每码疵点应被评为四分。
每码疵点的评分不得超过四分。
评分的计算不同布种的接受水平抽样程序评定布匹等级的其他考虑因素织物疵点专用术语评分的计算:原则上每卷布经检查后,便可将所得的分数加起来。
然后按接受水平来评定等级,但由于不同的布封便须有不同的接受水平,所以,若用以下的公式计算出每卷布匹在每100平方码的分数,而只须制订一在100平方码下的指定分数,便能对不同布封布匹作出等级的评定。
验布标准一、评级:A级布(可接受):全匹布(100平方码)之扣分点不超过20分B级布(不可用):全匹布(100平方码)之扣分点超过40分注:(总分×36英寸×100码)÷(码长×布宽)=每100平方码分数二、面/里料抽验比例:1.来料数量少于或等于1000码=== 全部抽验(即100%的验料)2.来料数量多于1000码=== 10%抽验,但抽验数量不能少于1000码.三、4分制扣分标准:1.每码最多扣4分.2.面料的疵点小于或等于3"的,扣1分.3.面料的疵点在3"--6"之间,扣2分.4.面料的疵点在6"--9"之间,扣3分.5.面料的疵点大于或等于9"的,扣4分.6.面料有破洞扣4分. (无论直径大小)7.扣分超过4分的面料,将不被接受.如果幅宽面存在3个以上连续的疵点./抽纱或每隔一段出现一些疵点./色纱.这样的面料同样不被接受.四、计算公式:( 被扣分数/ 验布码数) X ( 36"/ 幅宽) X 100码= 平均每100码扣分数五、布料最后确认结果:1.阴阳色超过5码以上全匹不能用2.染色不均全匹总码数超5%码以上不能用(应立即安排试压测试结果)3.克重全匹总重量偏差(±5%)以外不接受4.布封不能窄于1”以上5.边色不能大于1/2”以上6.平均每100码,扣分不超过28分,则可以接受.7.如果平均每100码扣分在29----40分,则应通知总部决定.8.平均每100码,扣分超过40分,则不可以接受.六、拉布时应该注意以下问题:1.布料可裁幅宽是否达到要求.2.布料数量是否正确,和每卷卷麦数量是否一样?3.布料是否存在色差,布料与标准样,布边与布边,布边与中间,布头与布尾,卷与卷.4.布料是否存在划痕,水波纹,死痕,布边紧现象.5.布料是否存在格斜现象,在15"幅宽内,面斜度不超过1/2".6.布料是否质地松散.。
纺织品国际四分制检验标准及疵点分析对于出口面料验货标准, 许多国家尤其欧美国家都要求用国际四分制验货,具体验货标准如下:一、等级规则1、疵点小于 3英寸的扣一分;2、疵点大于等于 3英寸小于 6英寸的扣两分;3、疵点大于等于 6英寸小于 9英寸的扣三分;4、疵点大于等于 9英寸的扣四分。
5、在规则中,单个疵点最高扣分不得超过四分,无论疵点大小。
6、任何一码扣分不得超过四分,无论疵点多少。
7、任何一码中的严重疵点无论在任何位置都要扣四分。
如破洞,不论大小,均扣四分。
8、对连续性疵点,如边到边疵点、边中差、匹差、幅宽不匀、折痕、处理不匀等,每一码均扣四分。
9、任何一卷布中,如果有超过连续三码布有连续重复疵点,则此卷为不合格产品。
10、任何一卷中,如开始或最后三码含有较严重疵点(指三分或四分疵点 ,则此卷不合格。
11、按常规方法平铺时,如果植物两边或一边有明显的松紧现象,或有波纹,皱褶,折痕等疵点,则为不合格。
12、按 AATCC 灰色分级样卡, ,卷与卷或匹与匹之间色差不得低于四级。
13、按照 AATCC 灰色分级样卡,边边色差,边中色差及头尾色差不得低于四级。
14、大货样与客户提供确认的标样色差不得低于四级。
15、所检验每卷布要取 6-10英寸宽全幅批条,一般寄客户,一般留档。
16、计分标准, 麻类混纺织物单卷 40分 /100平方码,平均装运 32分 /100平方码;纯麻类织物单卷 60分 /100平方码,平均装运 48分 /100平方码; 棉类产品单卷 28分 /100平方码, 平均装运 20分 /100平方码。
超过此分级为不合格产品。
记分方法:100平方码罚分 =单卷罚分 x 3600/可裁剪幅宽(英寸 /单卷码数。
17、所有疵点都需用丝线在布边相应位置标明。
18、打卷时每卷允许有多个接头,但每个段长不得少于 30码,除非合同中允许小段长卷入。
19、纬斜超过 3%的为不合格产品。
20、每卷不得手感如有明显差异,则此卷为不合格。
面料美标<四分制>检验标准布匹的检验方法常见的是"四分制评分法"。
在这个"四分制评分法"中,对于任何单一疵点的最高评分为四分。
无论布匹存在多少疵点,对其进行的每直线码数(Linear yard)疵点评分都不得超过四分。
对于经纬和其他方向的疵点将按以下标准评定疵点分数:一分:疵点长度为3寸或低于3寸两分:疵点长度大于3寸小于6寸三分:疵点长度大于6寸小于9寸四分:疵点长度大于9寸对于严重的疵点,每码疵点将被评为四分。
例如:无论直径大小,所有的洞眼都将被评为四分。
对于连续出现的疵点,如:横档、边至边色差、窄封或不规则布宽、折痕、染色不均匀等的布匹,每码疵点应被评为四分。
每码疵点的评分不得超过四分。
美国四分制标准美国四分制标准是出口坯布或者印染布的外观质量的检验标准,具体规定如下:一、织物疵点评分标准:织物疵点按“四分制”(FOUR POINT SYSIEM)评分1、评分方法疵点在3寸或以下评一分疵点超过3英寸而到6英寸评二分疵点超过6英寸到9英寸评三分疵点超过9英寸评四分2、连续性疵点,每1码计四分:3、较大的疵点(有破洞等)不计大小,每1码计四分;4、横档、中边色、不对色、幅不足、幅不同、有皱、整理不良等,连续发生时,每1码计四分。
二、以平方码为单位的计算方法1、每匹布:(常用)总评分数×36×100评分=码数×有效幅度(寸)100平方码2、每单货:(整批布)每码总分数×36×100评分=总码数×有效幅度100平方码三、验收标准(以100平方码为基准)适用欧洲、美国、日本等国家。
每匹布1组15分/100平方码2组20分/100平方码3组25分/100平方码4组40分/100平方码5组60分/100平方码现通用标准是选用2组、3组、4-5组不用四、全面疵点的评分标准☆连续性疵点1、连续有规律性疵点,1码计四分2、连续性3码以上,作不合格品对待。
四分制验布标准
欧阳光明(2021.03.07)
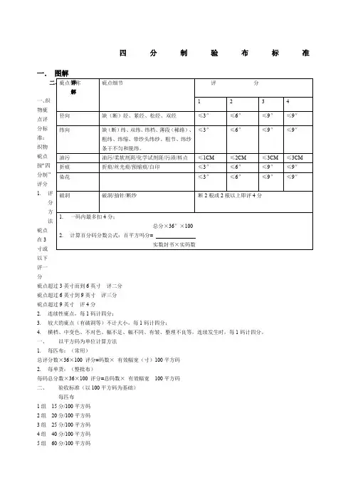
一.图解
二、详解
一、织物疵点评分标准:
织物疵点按“四分制”评分
1.评分方法
疵点在3寸或以下评一分
疵点超过3英寸而到6英寸评二分
疵点超过6英寸到9英寸评三分
疵点超过9英寸评4分
2.连续性疵点,每1码计四分;
3.较大的疵点(有破洞等)不计大小,每1码计四分;
4.横档、中变色、不对色、幅不足、幅不同、有皱、整理不良等,
连续发生时,每1码计四分。
一、以平方码为单位计算方法
1.每匹布:(常用)
总评分数×36×100 评分=码数×有效幅宽(寸)100平方码
2.每单货:(整批布)
每码总分数×36×100 评分=总码数×有效幅宽 100平方码
二、验收标准(以100平方码为基础)
每匹布
1组 15分/100平方码
2组 20分/100平方码
3组 25分/100平方码
4组 40分/100平方码
5组 60分/100平方码
三、全面疵点的评分标准
★连续性疵点
1、连续有规律性疵点,1码计4分
2、连续性3码以上,作不合格对待。
★整幅疵点
3、合格品内不允许有以下疵点存在
A. 长度超过6英寸全幅疵点。
B. 较细小的全幅疵点,100码内超过5处。
C. 以100码为单位,每10码中严重疵点平均2处以上。
D. 布头、布尾3码内有严重疵点或整幅疵点的。
E. 在平放裁床时,有边绉、预缩皱、波浪皱、折皱、皱条等疵布。
★幅宽
4、每匹布最少测三次。
5、达不到加工要求幅宽,则记不合格。
6、幅宽计算:
整幅宽:两布边之间距
有效幅宽:去除布边、针洞、无印花部分的幅宽。
7、对色:
分色最多接受3个LOT色,每LOT色最小码数为500码以上,每LOT色之间色差按AATCC灰色卡4-5级
8、每匹布中边、头尾色差不能低于4-5级。
9、要求供应商取6英寸匹头,编号后留提供。
10、客人QC来验货时,若色板在(4-5级以下)则该单货不合
格,需要供应商重新检验、返修。
11、码长差异:
核对实际长度同卡片标码差异查过1%则该批布不合格。
12、段长:码长要求40码以上。
13、纬斜、纬弧:
若超过以下标准则定为不合格
14、臭味:恶臭的布不合格。
熨烫散发异味的布不合格。
15、破洞:有二根以上的纱线破断(任何破洞不论大小,要评四分)。
16、密度:在全检中,最少检查二处,允许±5%,否则定为不合格。
17、克重:全检过程中,最少检查2处(有温度湿度要求),容许±5%,否则评为不合格。
五、卷筒,包装要求:
1、无特殊要求,长约100码,重不超过150磅。
2、无特殊要求,应卷筒,使用纸筒运输中不能破损。
3、纸筒直径1.5”-2”。
4、卷布两端,暴露部分不超过1”。
5、卷布前,用长4”以下胶纸固定在左、右三处。
6、卷筒后,为防止布卷松脱,应用12“胶布固定4处。
验布程序
一、目的
布料是服装主要的组成部分,为规范验布程序,提高验布效率,特制定本作业指导书。
1、验布工:按照规定程序验布,填写验布报告;
2、测试专员:安排与督导验布工工作,审核验布报告。
二、作业内容
1、检验清洁验布机
1)每次验布前要用废布片擦干净验布机,清洁验布场地,尤其是白色等浅色
布料一定要经过彻底清洁后方可验布;
2)检查性能,调试机器至正常工作状态。
2、检查布匹包装,核对来料单
1)检查里层胶袋的标签是否有合同号、匹号、色号、缸号、净重、毛重等资
料;如不符合要求必须在《验布报告》上注明所缺项目,通知面料跟单确
定是否是布厂错码或是写错合同号;
2)每匹布要求用两层厚胶袋包装,且两端用胶袋封死用筒装,不能折装,
如有包装袋破烂的和在运输中有包装袋破裂而弄脏布的,要在《验布报告》中注明。
3、验布
1)对每匹布要第一时间分清里、面。
分里、面要根据指定的布样标准进行对照分析,通常针迹整齐,针孔穿进的一面为面,布面纹路清晰,颜色鲜艳,手感柔软,疵点较小;
2)须对回厂的布料100%查验,第100码采用四点系统之24分标准,其扣分标准为(疵点面积长/宽计算):
3
4
求每个疵点都要用箭头纸或穿线明确该疵点的位置,不可盖贴;
5)验布过程中注意不能使布在运转中有折痕、张力太大、变形扭曲;
6)验布时每款每缸要在头、中、尾剪半码布比较有否色差及布疵,每匹布左、中、右也要
对比是否有色差,有问题要第一时间向测试专员、裁床主管报告,并寻求解决的方法;
7)验布过程需要记录的内容:
A、有否色差现象:须检查每匹布头、尾、中和两边是否有色差,
如验出需通知相关人员并详细记录情况;
B、布封:每匹布须在布头、中间和布尾处布封,且以去浆边后的宽度最小值记;
C、克重:每种布、每缸布要抽几匹来测试克重,在第一匹尾1米或每二匹布头1米处
测量,测量前一定要松布24小时以上;
D、缸差:每缸布须剪6寸*9寸宽布片作缺差表。
8)填写《验布报告》
A、准确填写每匹布实码数、布封、重量、布料名称、颜色、缸号、合同号、验布日期
等基本内容;计算好每匹布疵坏总数、疵坏百分比和平均疵坏数;
B、对于有问题的布匹要在每匹布边打布菲作为疵点定位,以便裁床人员误裁;
C、必须手执一份客户已确认的缸差表作为标准并核对;
D、如有疵品布匹应保持原包装退回布厂;
E、《验布报告》自留一份,资材部面料跟单员一份。
梭织布匹
类型布匹种类单卷整批
1 全人造布匹,聚酯/尼龙/醋酸纤维制品
衬衫衣料
纺人造纤维织物
精纺毛料 20点/100平方码 16点/100平方码
2 粗斜纹棉布
帆布
府绸/牛津条纹或方格纹棉布衬衫衣料
纺人造纤维织物
毛织品
条纹或格子花纹的布/染成的靛青纱
所有专用布匹,提花织物/多比灯芯绒/天鹅绒/伸展粗斜纹棉布/人造布匹/混纺 28点/100平方码 20点/100平方码
3 亚麻布
薄细棉布 40点/100平方码 32点/100平方码
4 多皮奥尼丝绸/轻丝绸 50点/100平方码 40点/100平方码
针织布匹
类型布匹种类单卷整批
1 全人造布匹,聚脂/尼龙/醋酸纤维制品
人造丝
精纺毛料
混纺丝绸 20点/100平方码 16点/100平方码
2 全专业布匹,提花织物/多比灯芯绒
纺人造纤维织物
毛纺品
染成的靛青纱
丝绒/斯潘德克斯 25点/100平方码 20点/100平方码
3 基本针织布匹(精梳棉布/混纺棉布)30点/100平方码25点/100平方码
4 基本针织布匹(经梳毛机梳理过的棉布) 40点/100平方码32点/100平方码。