最新货车安全隐患排查表
- 格式:doc
- 大小:54.50 KB
- 文档页数:3
道路货运企业重大隐患安全自查表
道路货运企业重大隐患安全自查表
1. 车辆安全隐患:
- 车辆是否定期进行维护保养,保证全部工作正常?
- 车辆是否存在零部件老化、磨损等问题,可能影响行车安全?- 车辆是否装备了必要的安全设备,如安全带、防爆器材等?
2. 驾驶员安全隐患:
- 驾驶员是否合格,持有有效驾驶证和从业资格证?
- 驾驶员是否定期接受职业培训和考核,提升驾驶技能和安全
意识?
- 驾驶员是否存在疲劳驾驶、酒驾、违章行为等问题?
3. 货物装载安全隐患:
- 货物是否按照规定进行安全、稳固的装载?
- 装载过程中是否注意货物重心平衡,防止倾斜、滑动等情况?- 是否正确使用绑扎工具,保证货物牢固、稳定?
4. 道路行驶安全隐患:
- 路况是否了解,并进行合理行车安排?
- 是否严格遵守交通法规,不超速、不逆行、不疲劳驾驶等?
- 是否保持车距,注意道路标志、信号灯等?
5. 突发事件应急隐患:
- 是否配备必要的应急设备,如灭火器、急救箱等?
- 是否对驾驶员进行应急培训,使其能够妥善处理突发事件?
- 是否建立应急预案,明确相关责任人和处置流程?
6. 企业管理安全隐患:
- 是否建立和落实安全管理制度和规章制度?
- 是否进行定期的安全检查和隐患排查,及时整改?
- 是否加强安全宣传教育,提高员工安全意识和技能?
以上是道路货运企业重大隐患安全自查表的一部分内容,具体还可以根据企业实际情况进行补充和修改。
企业应该认真对待安全问题,定期进行自查和整改,保证道路货运的安全运营。
第1篇一、前言为确保货运安全,预防和减少事故发生,提高企业安全管理水平,根据《中华人民共和国安全生产法》和《道路货物运输安全管理办法》等相关法律法规,本企业特开展货运安全隐患排查工作。
现将排查情况记录如下:二、排查时间2023年4月1日至2023年4月30日三、排查范围1. 货运车辆2. 货运人员3. 货运设施设备4. 货运管理制度四、排查内容1. 货运车辆安全隐患排查(1)车辆制动系统:检查车辆制动系统是否完好,制动效果是否达到要求,制动液是否充足,制动鼓、制动片磨损情况等。
(2)车辆灯光系统:检查车辆灯光系统是否完好,灯光亮度是否充足,灯光角度是否正确,灯泡是否损坏等。
(3)车辆轮胎:检查轮胎花纹深度是否达到要求,轮胎气压是否正常,轮胎磨损情况等。
(4)车辆电气系统:检查车辆电气系统是否完好,线路是否老化,保险丝是否完好等。
(5)车辆安全设施:检查车辆安全设施是否齐全,如安全带、灭火器、反光镜等。
2. 货运人员安全隐患排查(1)人员资质:检查货运人员是否具备相应的驾驶资质和货运操作资质。
(2)安全意识:检查货运人员是否具备较强的安全意识,了解并遵守安全操作规程。
(3)健康状况:检查货运人员是否存在身体不适,如高血压、心脏病等,确保其能够胜任工作。
3. 货运设施设备安全隐患排查(1)仓库设施:检查仓库货架、照明、通风、消防等设施设备是否完好,符合安全标准。
(2)装卸设备:检查装卸设备是否完好,操作规程是否明确,使用过程中是否存在安全隐患。
(3)装卸场地:检查装卸场地是否平整,是否存在积水、滑坡等情况。
4. 货运管理制度安全隐患排查(1)安全管理制度:检查企业是否制定完善的安全管理制度,包括车辆、人员、设施设备等方面的安全管理制度。
(2)安全培训:检查企业是否定期对货运人员进行安全培训,提高其安全意识和操作技能。
(3)事故处理:检查企业是否建立健全事故处理机制,对事故原因进行分析,采取有效措施防止类似事故再次发生。
物流车辆安全隐患排查表一、车辆外观及车身结构1. 车身是否有严重变形,裂纹,破损等情况2. 车辆外观是否有明显漆面剥落,锈蚀,腐蚀等情况3. 车辆灯光是否正常,包括前后灯、转向灯、刹车灯等4. 车辆玻璃是否完整,有无裂纹,以及玻璃是否透明清晰5. 车顶、车门、车窗是否有变形、松动等情况二、车辆内饰及安全设施1. 座椅、安全带是否完好,有无松动、磨损等情况2. 方向盘、仪表盘是否正常,指针、显示屏是否清晰3. 空调、加热、除雾设备是否正常4. 车辆警示标志、灭火器、急救箱等安全设施是否齐全完好5. 车辆内部是否干净整洁,无异味,车窗、车门是否能正常关闭三、车辆动力系统1. 发动机是否存在漏油、冒烟、异响等情况2. 变速器、离合器是否操作正常,换挡是否顺畅3. 刹车系统是否灵敏可靠,刹车片、刹车盘是否磨损过度4. 方向盘是否偏车,转向是否灵活四、车辆轮胎系统1. 轮胎胎压是否正常,轮胎花纹是否充足2. 轮胎是否有裂纹、磨损、气泡等情况3. 轮胎是否有变形、漏气等情况4. 轮胎螺丝是否拧紧,轮毂是否松动五、车辆悬挂系统1. 悬挂系统是否有异响或异常震动2. 悬挂弹簧是否完好,有无断裂、变形等情况3. 悬挂主、副材料是否固定牢靠六、车辆电气系统1. 电池是否正常,电极端子是否松动2. 发电机是否正常,充电是否充足3. 起动机是否正常,启动是否顺畅4. 灯具、雨刮器等是否正常使用5. 喇叭是否正常响声清晰七、重点检查部件1. 发动机舱、变速箱、车轮、刹车片、转向机构、悬挂系统等重点部件的安全性能情况2. 发动机附件部件、供油系统、供气系统、供水系统、电器装置等系统的实际使用效果3. 车辆经常充电设备、火灾报警设备、救护箱等其他配套设施的情况八、其他安全隐患排查1. 车辆通风是否通畅,排气是否正常2. 车辆底盘是否干净,无漏油、漏水情况3. 车辆转向是否灵活,无死角4. 车辆上下斜坡时刹车系统是否正常5. 车辆操纵系统是否灵活,没有卡滞以上为物流车辆安全隐患排查表,车辆在使用前、维修保养后应严格按照相关要求进行检查,确保车辆的安全行驶。
小货车安全隐患排查表为了确保小货车的安全运行,及时发现并排除安全隐患,特制定以下小货车安全隐患排查表,以供参考。
1. 车辆外观a. 车身表面是否有严重刮擦或变形,是否有漏漆现象,需要及时进行修复。
b. 车窗、车灯、反光镜等部件是否完好,如果有损坏需要进行更换。
c. 轮胎是否有裂纹、磨损严重、气压是否正常,轮胎磨损程度是否均匀,需要及时更换磨损严重的轮胎。
d. 车牌是否清晰可见,是否与实际登记信息一致。
2. 发动机及动力系统a. 发动机舱内是否有漏油、漏水现象,需要检查并及时修复。
b. 发动机是否工作正常,启动是否顺畅,怠速运转是否平稳。
c. 变速箱、离合器、传动轴等部件是否有异样声响,是否操作顺畅。
3. 制动系统a. 制动踏板行程是否正常,刹车效果是否符合要求。
b. 制动片磨损程度是否正常,制动液是否需要更换。
c. 制动灯、ABS等指示灯是否正常,刹车片是否留有油渍。
4. 悬挂系统a. 悬挂系统橡胶件是否老化、开裂,是否松动需要及时更换。
b. 车辆行驶时是否有异响或抖动现象,是否有下坠感,需要及时检查。
5. 车箱及货物a. 车箱内是否存放有杂物、易燃易爆品,是否固定牢靠。
b. 车箱门、车门是否开启、关闭正常,锁具是否完好。
6. 安全带及座椅a. 驾驶座、副驾驶座安全带是否完整,是否易拉紧。
b. 座椅是否固定稳固,调节功能是否正常。
7. 车载工具及应急设备a. 车载灭火器是否处于有效期内,是否有效。
b. 车载三角牌、安全带剪刀等应急设备是否完整。
8. 电气系统a. 电瓶是否有腐蚀现象,是否需要清洗。
b. 车内照明、空调、音响等电气设备是否正常使用。
9. 油路及水路系统a. 机油液面是否在规定范围内,机油是否需要更换。
b. 水箱水液面是否在规定范围内,水箱是否有渗漏现象。
c. 雨刷器是否正常使用,是否需要更换刮擦片。
10. 驾驶员行为a. 驾驶员是否系安全带,是否违规使用手机等行为。
b. 驾驶员是否疲劳驾驶,是否饮酒后驾驶。
2024年载重汽车安全检查表____年载重汽车安全检查表序号:1检查部位:车辆外部检查项目:1. 轮胎状况:检查轮胎的磨损情况,确保胎面没有明显破损或裂纹。
2. 刹车系统:检查刹车片和刹车盘的磨损程度,检查制动液的液位是否正常。
3. 灯光系统:检查前后灯光、转向灯和刹车灯是否正常工作。
4. 车身外部:检查车身有无明显变形、划痕或漆面脱落情况。
5. 车窗和镜子:检查车窗和外后视镜是否完好,确保视野清晰。
6. 车牌和车标:检查车牌和车标是否完好,确保能正常识别。
序号:2检查部位:发动机舱检查项目:1. 发动机油:检查发动机油液位是否正常,油质是否清澈。
2. 制动液:检查制动液液面是否正常。
3. 冷却液:检查冷却液液面是否正常。
4. 电瓶:检查电瓶的电量是否充足,终端是否干净。
序号:3检查部位:车辆底盘检查项目:1. 悬挂系统:检查悬挂系统是否有松动或异响。
2. 转向系统:检查转向系统是否灵活,有无异常噪音。
3. 底盘防护:检查底盘防护是否完好,防止外部物体损坏底盘。
序号:4检查部位:车辆内部检查项目:1. 安全带:检查安全带是否完好,能否正常使用。
2. 座椅调节器:检查座椅调节器是否正常工作,能否调整座椅位置。
3. 空调系统:检查空调系统是否正常制冷或制热,通风是否畅通。
4. 指示灯:检查仪表盘上的指示灯是否正常显示。
5. 储物空间:检查储物空间是否整齐,无杂物影响驾驶安全。
序号:5检查部位:后备箱检查项目:1. 紧急工具:检查备胎、千斤顶和维修工具是否齐备。
2. 牵引绳:检查牵引绳是否完好,方便需要时进行拖车。
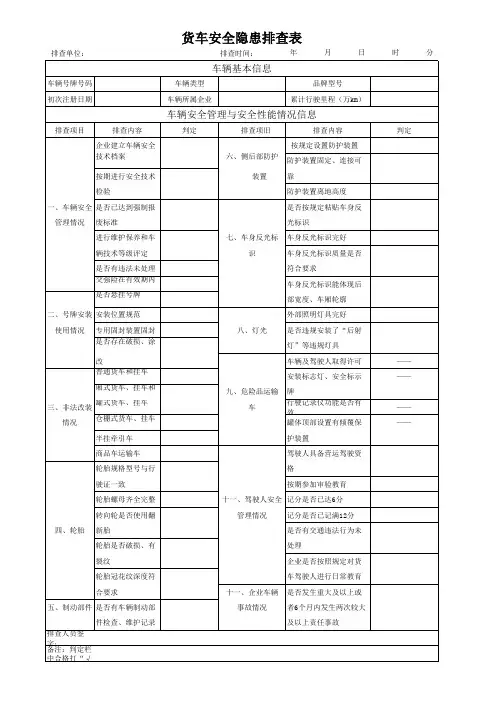
货车安全隐患排查表
车辆安全管理与安全性能情况信息
注:企业每月至少排查一次,同时做好相关工作台账,交警部门将不定时进行抽查。
原彩钢瓦屋面拆除工程
1、拆除措施和方法:
根据不同的拆除对象,拆除施工应当采取不同的拆除方法和拆除顺序,但应遵守“先上后下、先非承重结构后承重结构”的基本原则。
1.1拆除方法:
人工与机械相结合的方法
拆除对象:学校体育馆原有彩钢瓦屋面及采光天棚屋面
拆除方法:人工与机械配合,先把屋面上的防水卷材拆除,堆放在指定位置,人工拆除时不要聚集在一块,以免屋顶承重不够,发生意外。
拆除屋面板时,要准备好脚手架板,先把屋面板用电锯锯成小段,以便拆除。
需用电源时,要检查电源线、接口是否安全,一定不能漏电。
当把屋面板拆除时,工人应站在脚手架板上,用手枪钻把原有自攻螺丝去掉,工人把屋面板拿到指定位置。
拆除一块放下去一块,不能堆在屋面上面。
放在指定位置,堆在一起,等下班时把废料清理出校园外。
1.2拆除措施
拆除屋面板时,施工单位必须明确负责人在现场指挥,督促作业人员严格按方案规定施工。
施工现场的所有作业人员必须戴好安全帽,禁止穿汗背心、短裤、拖鞋,严禁酒后上岗作业。
高处作业不得任意向下抛掷拆除的物料,禁止用人力推倒方法进行拆除施工。
使用吊放工具或起重设备,要有专人指挥,机操、指挥和司哨人员必须严格遵守操作规程,不允许超载、斜吊,严禁违章指挥和违章作业。
拆除下来的废旧材料应及时清运出场,严禁在施工现场焚烧废物。
运输过程中严禁发生抛、洒、滴、漏等污染环境的行为。
四、彩钢瓦屋面安装
1、彩钢瓦安装工艺流程:
天沟→屋面底层板→固定座→屋面保温棉→屋面外板→墙面内板→墙面保温棉→墙面外板→收边泛水板
2、安装方法。