湿度传感器HS1101
- 格式:doc
- 大小:106.50 KB
- 文档页数:7
一、电容温湿度传感器HM1500/HM1500LF简介
基于HS1101/HS1101LF的电压输出湿度模块,高可靠性与长时间稳定性,在5VDC供电时,0~100%RH对应输出1~4VDC线性电压,温度依赖性非常低。
二、电容温湿度传感器HM1500/HM1500LF主要特性
(1)采用专利电容HS1101/HS1101LF设计制造,带防护棒式封装
(2)5VDC恒压供电,1-4VDC放大线形电压输出,便于客户使用
(3)宽量程:0~100%RH,工作温度范围–30~60℃
(4)精度±3%RH(10~95%RH范围)
(5)抗静电,防灰尘,有效抵抗各种腐蚀性气体物质
三、电容温湿度传感器HM1500/HM1500LF典型应用
温湿度仪表动力环境监控粮情监控孵化机
艾驰商城是国内最专业的MRO工业品网购平台,正品现货、优势价格、迅捷配送,是一站式采购的工业品商城!具有10年工业用品电子商务领域研究,以强大的信息通道建设的优势,以及依托线下贸易交易市场在工业用品行业上游供应链的整合能力,为广大的用户提供了传感器、图尔克传感器、变频器、断路器、继电器、PLC、工控机、仪器仪表、气缸、五金工具、伺服电机、劳保用品等一系列自动化的工控产品。
如需进一步了解图尔克、奥托尼克斯、科瑞、山武、倍加福、邦纳、亚德客、施克等各类传感器的选型,报价,采购,参数,图片,批发信息,请关注艾驰商城。
/。
2.1湿度测量电路HS1101电容传感器,在电路构成中等效于一个电容器件,其电容量随着所测空气湿度的增大而增大。
涉及如何将电容的变化量准确地转变为计算机易于接受的信号时,常用两种方法:一是将HS1101置于运放与阻容组成的桥式振荡电路中,所产生的正弦波电压信号经整流、直流放大、再A/D转换为数字信号;另一种是将HS1101置于555振荡电路中,将电容值的变化转为与之呈反比的电压频率信号,可直接被计算机所采集。
2.1.1NE555时基电路NE555是一个能产生精确定时脉冲的高稳度控制器,其输出驱动电流可达200mA.。
在多谐振荡器工作方式时,其输出的脉冲占空比由两个外接电阻和一个外接电容确定;在单稳态工作方式时,其延时时间由一个外接电阻和一个外接电容确定,它可以延时数微秒到数小时。
其工作电压范围为:4.5V<V<16V。
ccNE555的框图如图2-3所示[5]。
图2-3:NE555框图2.1.2基于555振荡电路的湿度测量电路设计图2-4:测湿电路图把HS1101和NE555同时接入电路中的电路设计原理图如图2-4所示。
NE555电路功能的简单概括为:当6端和2端同时输入为“1”时,3端输出为“0”;当6端和2端同时输入为“0”时,3端输出为“1”。
在此电路中,555定时器正是根据这一功能用作多稳态触发器输出频率信号的。
当电源接通时,由于6和2端的输入为“0”,则定时器3脚输出为“1”;又由于C1两端电压为0,故V 通过R2和R3对C1充电,当C1两端电压达到cc 2V /3时,定时电路翻转,输出变为“0”。
此时555定时器内部的放电BJT 的基cc极电压为“1”,放电BJT 导通,从而使电容C1通过R3和内部放电BJT 进行放电,当C1两端电压降低到V /3时,定时器又翻转,使输出变为“1”,内部放电ccBJT 截止,VCC 又开始通过R2和R3对C1充电,如此周而复始,形成振荡。
其工作循环中的充电时间为T =0.7(R2+R3)C1;放电时间为T =0.7R3*C1;输出脉h 1 冲占空比为q=(R2+R3)/(R2+2R3),为了使输出脉冲占空比接近50%,R2应远远小于R3。
湿度传感器HS11011引言湿度传感器是根据某种物质从其周围空气中吸收水分后引起的物理或化学性质的变化,从而获得该物质的吸水量和周围空气的湿度。
湿度传感器分为电阻式和电容式两种,产品的基本形式都是在基片涂覆感湿材料形成感湿膜。
空气中的水蒸汽吸附于感湿材料后,元件的阻抗、介质常数发生很大的变化,从而制成湿敏元件。
湿敏电容一般是用高分子薄膜电容制成的,由于它具有灵敏度高、产品互换性好、响应速度快、湿度的滞后量小、便于制造、容易实现小型化和集成化,其精度一般比湿敏电阻要低一些。
但电阻对温度的敏感因而限制了器件在较大温度范围内的应用,因而电容湿度传感器越来越受到重视。
2 湿敏元件及变送器芯片特性目前,生产湿敏电容的主要厂家是法国Humirel 公司。
它生产的HS1101 测量范围是0%,100%RH,电容量由162PF 变到200PF,其误差不大于?2%RH;响应时间小于5S;湿度系数为0.34PF/?;年漂移量0.5%RH/年,长期稳定。
图1 为HS1101湿敏电容的湿度-电容响应曲线。
湿度变送器采用了美国 BB 公司生产的XTR105芯片,该变送器具有以下特点:a 工作范围宽;b 测量精度高;c 电路简单;d 可靠性好,使用寿命长;e 抗干扰能力强;f 工作温度范围宽(-40,+85?)3 湿度测量电路HS1101在电路中相当于一个电容器件,它的电容量随着所测空气湿度的增加而增大,为了能将电容的变化转换成电压的变化,我们设计了振荡电路、消除零点电容影响电路、整流电路、积分电路、电压—电流转换电路、放大电路等,其工作原理简图如图2 所示。
3.1 振荡电路振荡电路的作用是将电容的变化量转化为频率可变的方波。
由图3 可知,这是一个非对称多谐振荡器。
或非门G1 工作在电压传输特性的转折区,把它的输出电压直接连接到或非门G2 的输入端。
G2即可得到一个介于高低电平之间的静态偏置电压,从而使G2 的静态工作点也处于电压传输特性转折区上。
特点:湿敏电阻(湿敏传感器)是在导电半导体陶瓷基片上涂履一层高分子感湿膜,与空气中相对湿度变化导致电阻值系数变化原理。
应用于数字式温湿度表、电子温湿度计、加湿机、抽湿机、空调、气象测量场合。
优点:具有良好的灵敏感应特性、防水性、稳定性、高精度、低飘移,工业级,可替代日本韩国等同类进口产品。
SHR01-313K特点:湿敏电阻(湿敏传感器)是在导电半导体陶瓷基片上涂履一层高分子感湿膜,与空气中相对湿度变化导致电阻值系数变化原理。
应用于数字式温湿度表、电子温湿度计、加湿机、抽湿机、空调、气象测量场合。
优点:具有良好的灵敏感应特性、防水性、稳定性、高精度、低飘移,工业级,可替代日本韩国等同类进口产品。
特点:湿敏电阻(湿敏传感器)是在导电半导体陶瓷基片上涂履一层高分子感湿膜,与空气中相对湿度变化导致电阻值系数变化原理。
应用于数字式温湿度表、电子温湿度计、加湿机、抽湿机、空调、气象测量场合。
优点:具有良好的灵敏感应特性、防水性、稳定性、高精度、低飘移,高性价比,可替代日本神荣、北陆、韩国等同类进口产品。
SHR02-313K特点:湿敏电阻(湿敏传感器)是在导电半导体陶瓷基片上涂履一层高分子感湿膜,与空气中相对湿度变化导致电阻值系数变化原理。
应用于数字式温湿度表、电子温湿度计、加湿机、抽湿机、空调、气象测量场合。
优点:具有良好的灵敏感应特性、防水性、稳定性、高精度、低飘移,高性价比,可替代日本神荣、北陆、韩国进口等同类产品。
特点:湿敏电阻(湿敏传感器)是在导电半导体陶瓷基片上涂履一层高分子感湿膜,与空气中相对湿度变化导致电阻值系数变化原理。
应用于数字式温湿度表、电子温湿度计、加湿机、抽湿机、空调、气象测量场合。
优点:具有良好的灵敏感应特性、防水性、稳定性、高精度、低飘移,高性价比,可替代日本神荣、北陆、韩国进口等同类产品。
特点:电容式温湿度模块是将湿度传感器非线性电阻值转换为线性电压信号输出,体积小,使用方便,精度高。
电容型湿度传感器规格书CAPACITIVE HUMIDITY SENSOR SPECIFICATIONS型号: CHS1101 /(CHS1101LF )产品名称湿敏电容 广州西博臣 科技有限公司 发行日期 2020年4月1日 批准:李玉林版本1 2020年4月1日 审核:植新明 版本2型号CHS1101(常温型) CHS1101LF (高温型)编制:植国明版本3一、原理&简述DESCRIPTIONCHS1101/(CHS1101LF)型电容型湿敏元件基于平行板电容器原理,空气中水分子浓度的影响敏感材料的介电常数,因而元件的电容值随在相对湿度的变化而变化,即△C∝λ*△%RH ,其中λ为常数,通过测量电容的变化(△C)即可检测空气中相对湿度的变化(△%RH)。
本产品采用独特的固态聚合物敏感材料,及薄膜微电子工艺,具有灵敏度高,品质因素好,响应迅速,测量范围宽等特点。
基座及器件基板采用耐腐蚀,耐高温的金属材料,元件表面涂覆具有专利的纳米保护层,可有效地提高产品的耐高温,耐高湿,耐灰尘,抗污染能力强,可用于各类对性能,批量,价格等有要求的工业,民用的相对湿度测量的使用场所。
二、特性FEATURESi、可完全互换(全量程在误差±3%RH范围内,可直接互换,无需再次标定)ii、脱湿迅速(在经过长期凝露状态下,可迅速恢复)iii、适合各类电子自动焊接制程(可应用于波峰焊,SMT再流焊,耐水洗工艺)*iv、高可靠性及长期稳定性v、适合线性电压或频率输出,易于数据处理及计算vi、响应迅速vii、适合各类环境湿度测量系统,兼容进口产品备注:* 按技术指引,在规定的温度范围及条件下进行焊接及清洗三、应用APPLICATIONS※除湿机、加湿机、冷藏柜,中央空调等制冷及干燥行业※冰箱,洗衣机,干衣机,微波炉,烤箱,红酒柜等家电设备※复印机,打印机等办公设备及场所※工业过程控制(气体含水量,湿度检测,露点检测等)※温湿度计,环境,气象,农业等行业四、技术参数 Specifications4.1 最大额定值 Maximum Rating (在ta=25℃下,或指定条件下)参数符号 数值 单位 使用温度 CHS1101CHS1101LFTa-40--100 -40--140 ℃储存温度 CHS1101 CHS1101LFTs-40-100 -40-140℃ 供电电压 Vs 10 Vac 湿度测量范围 RH 0-100% %RH 焊接时间@260℃t10s极限使用范围 Operating Range* 元件使用在(-40-140°C)时,需在高温下标定,型号为CHS1101LF ,器件外壳为黑色,外壳为耐高温材料。
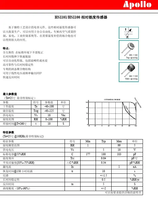
HS1101/HS1100相对湿度传感器基于独特工艺设计的电容元件这些相对湿度传感器可以大批量生产可以应用于办公自动化车厢内空气质量控制家电工业控制系统等在需要湿度补偿的场合他也可以得到很大的应用特点全互换性 在标准环境下不需校正 长时间饱和下快速脱湿可以自动化焊接包括波峰焊或水浸 高可靠性与长时间稳定性 专利的固态聚合物结构可用于线性电压或频率输出回炉 快速反应时间最大参数值Ta=25 除非特别标定参数符号参数值单位工作温度 Ta -40~100 储存温度 Tstg -40~125供电电压 Vs 10 Vac 湿度范围 RH 0~100 %RH 焊接时间@T=260 t 10S特征参数(Ta=25,@10KHz,除非特别标定) 特征参数符号 Min Typ Max 单位湿度测量范围 RH 1 99 5供电电压 Vs 5 10 V标称电容@55%RH C 177 180 183 pF 温度效应 Tcc 0.04 pF/平均灵敏度(33%~75%RH)C/%RH0.34pF/%RH漏电流 Ix 1 nA恢复时间@150小时结露 tr 10 s迟滞 +/-1.5 %长时间稳定性 0.5 %RH/yr 反应时间 ta 5 S曲线精度10%~90% +/-2 %RH可以按要求提供详细的说明书特征曲线HS1101/HS1100典型输出曲线所得标定数据是通过CETIAT 实验室的NIST标准而来工作频率10KHzTa=25多项式的反应方程式RH in%RH频率补偿本说明书里的电容测量都是在10KHz 条件下测的但是传感器并没有限制必须工作在5K~100KHz可以用以下的公式做校正:极性测量时为了达到更好的互换性回路中需要把传感器的第2脚接地这脚已经标记在传感头的背面的标签上焊接说明参考应用注意事项HPC007 V A线性电压输出回路内部电路方块图5~99%RH典型温度影响+0.1%RH/10~60电压输出典型参数@VCC=5V25RH 0 10 20 30 40 50 60 70 80 90 100 V out - 1.41 1.65 1.89 2.12 2.36 2.60 2.83 3.07 3.31 3.55频率输出回路注释此电路为典型的555非稳态电路HS1101/HS1100作为电容变量接在555的TRIG 与THRES 两引脚上引脚7用作电阻R4的短路等量电容HS1101/HS1100通过R2与R4充电到门限电压约0.67Vcc 通过R2放电到触发电平约0.33Vcc 然后R4通过引脚7短路到地传感器由不同的电阻R4与R2充放电其工作循环可以描述如下T high =C@%RH*(R2+R4)*ln2 T low =C@%RH*R2*ln2F=1/(T high +T low )=1/(C@%RH*(R4+2*R2)*ln2) 输出循环周期=T high *F=R2/(R4+2*R2)为了使循环时间降低50%则与R2相比R4 应该非常小但是不要低于最小值电阻R3是为了短路保护555必须为CMOS.注释555电路的非平衡电阻R1是做内部温度补偿目的是为了引入温度效应使它与HS1101/HS1100的温度效应相匹配R1必须象所有的R-C 时钟电阻的要求一样1%的精度最大的温度效应应该小于100ppm 由于不同型号的555的内部温度补偿有所不同R1的值必须与特定的芯片相匹配为了保证在55%RH 的典型湿度值为6660Hz R2也需要做稍许修正如下表555 R1R2 TLC555 909K576TS555 100nF 电容 523 7555 1732K 549 LMC555 1238562频率输出典型参数REFERENCE POINT AT 6660Hz FOR 55%RH/25RH 010 20 30 40 50 60 70 80 90 100Fr 7351 7224 7100 6976 6853 6728 6600 6468 6330 6186 6033555为典型的CMOS 类型TLC555RH 百分比相对湿度F 频率Hz多项式的反应方程式测量误差与寄生电容曲线应该特别注意减小输出寄生电容寄 生电容会在电路上 与传感器并联造 成输出漂移合理安装HS1101/HS1100经鉴定可以承受符合MIL STD 750规定的所有的焊接如焊接温度与可焊性高温高湿环境下的寿命@93%RH/60 : 1000Hours波峰焊260 + 45去离子水洗低湿储存寿命@RH<10%/23: 1000Hours机械冲击 1500g 5blows3direction 环境温度下浸入水中或处于80环境下时间 160Hours 震动震动F=100-2000Hz固定F=35Hz可以抵抗75000ppm的酸气如含氮化合物硫化物氯乙恒定加速度永久标志醇ESD 静电人体或机械方式可以抵抗一些家用器具汽车及消耗器具产生的化学物质有盐气体MIL STD 750 / Method 1041 / 96 Hours温度循环-40/+70所有的数据是从三批不同传感器实验所得每批45个传感器可以按要求提供更详细的数据封装形式。
“空气温度湿度检测”方案可行性分析报告学校:xxx大学学院:xxx学院专业:xxx撰写人:摘要:介绍了一种基于湿敏电容HS1101、温度传感器DS18B20的空气温度湿度检测系统,对方案设计、元器件选型、硬件结构和软件设计等几部分内容进行了详细说明。
该系统能实现温度采集、显示、报警和报警限设置功能,可广泛应用于仓储、农业和运输等。
该系统具有良好的稳定性和精度,抗干扰能力强,易于扩展且实用。
关键词:HS1101;DS18B20;温度湿度检测;传感器;1.总述随着国民经济的迅速增长,温度湿度测控在生产生活中起着举足轻重的作用。
温度湿度检测装置应用范围广,其广泛应用于工厂车间、实验室、农业种植养殖以及人居环境的改善。
以蔬菜大棚为例,以蔬菜大棚代表的现代农业设施在现代化农业生产中发挥着巨大的作用。
大棚的温度和湿度参数直接关系到蔬菜和水果生长。
国外的温室设施已经发展到了比较完备的程度,并且形成了一定的标准。
而当今大多数对大棚的温度、湿度的检测和控制都采用人工管理,这样不可避免的有测控精度低、劳动强度大以及由于测控不及时的弊端,容易造成不可弥补的损失。
结果不但大大增加了成本,浪费了人力资源,而且很难达到预期的效果。
快捷高效的对温度湿度进行测控,使大棚内形成有利于蔬菜、水果生长的环境,是大棚蔬菜和水果早熟、优质、高效益的重要环节。
2.方案设计与选择在选择元器件方面,温度传感器选取DS18B20数字温度传感器,湿度传感器选取HS1101湿敏电容。
使用1602液晶显示屏分别显示温度值、湿度值。
附加键盘输入及报警装置。
DS18B20是美国Dallas公司推出的数字式温度传感器,它能够直接读出被测温度,并且可根据简单的编程实现9~12位的数值读数方式。
HS1101湿敏电容可以将空气中的湿度值转化为湿敏电容的电容值,电容随湿度的增大而增大,将该湿敏电容置于555振荡电路种,电容值的变化可以转化为与之成反比的电压频率信号的变化,这时就可以送入单片机。
基于库温湿度的监测系统分析关键词:仓库;温湿度;监测系统一个准确度高、简单方便的温湿度测量仪既可以提高工作的效率,减少人力、物力的损耗,还可以减少温湿度的测量误差,提高测量结果的精度和水准。
所以,如果对于原来的温湿度测量系统使用较为准确的温湿度传感器,然后再经过单片机进行控制和计算,显示和报警,那么该监测系统的调控能力一定会有所增强,自动化水平也会有所提高。
传感器技术的进步与变革是实现自动化温湿度监控的重要技术支撑,也是温湿度监测系统的重要组成部分。
本次设计将以8031基本系统为核心,采用敏感度较高、可控性较好的单片机和温湿度传感器,充分利用a/d模拟数字转换芯片的良好性能,进行系统的设计。
该设计还包含了对于复位电路、温度检测、湿度检测、报警电路等硬件设计和软件设计。
一、硬件设计(一)信号采集1.温度传感器本次设计采用的是量度范围是-55℃~+150℃的ad590温度传感器,这种温度传感器的量程较大而且精度很高,它的误差仅为±0.3℃,与相同等级的温度传感器相比,ad590的优越性也是很显而易见的。
当被测温度一定的情况之下,ad590仅仅相当于一个恒流源,这时候如果将它连接在一个5~30v的直流电源和一个1kω的定值电阻之上的话,那么就会具有相应的1mv/k的电压信号产生。
鉴于该温度传感器的电压范围是44v正向电压和20v反向电压,所以该元件的损坏或是发生故障的概率也比较小,可靠性和安全性都较强,并且传播信号也比较强,传播距离也较远。
ad590作为一种电流型的温度传感器,因此它可以直接通过对电流值的测量就可以测量出想要得到的温度值。
一般情况下,我们通常采用j,k,l,m 等字母加在ad590的后面,进行温度传感器的种类和精度的确认和区分。
根据既定的电路设计图和计算结果分析,为了减少ad590使用过程中的增益偏差和电阻偏差,在使用中要根据实际情况对电路进行适时的调整,从而保证测量的高精度、高水准。
HS1101的基本应用原理1. 介绍HS1101是一种湿度传感器,能够用于测量周围环境的湿度。
它采用一种特殊的传感器结构,利用电容原理来测量湿度,并将其转化为电信号输出。
2. 原理HS1101的工作原理基于电容变化的测量。
它由两个电板组成,其中一个电板是由普通电子材料构成的,另一个电板则是由高分子材料(通常是聚酰亚胺)构成的。
这两个电板之间形成了一个电容,当周围环境的湿度改变时,高分子材料的含水量也会发生变化,从而导致电容的变化。
3. 工作原理详解当空气中的湿度上升时,高分子材料会吸收水分,导致之间的电容增加。
反之,当空气中的湿度降低时,高分子材料会释放水分,导致之间的电容减小。
因此,通过测量电容的变化,我们可以间接测量空气中的湿度。
4. 电路连接HS1101可以通过与微处理器或其他电子设备连接来实现湿度的测量。
一般情况下,它需要连接到一个模数转换器(ADC)或其他类型的电路,将电容变化转化为可测量的电压。
5. 注意事项在使用HS1101时,需要注意以下几个方面:•温度影响:HS1101的湿度测量结果可能会受到温度的影响。
因此,在进行湿度测量时,需要同时测量温度,并对结果进行校正。
•电源电压:HS1101通常需要与某种电源电压连接,以提供工作所需的电能。
因此,在使用HS1101时,需要确保供电电源的电压稳定,以保证准确的测量结果。
•电路保护:由于HS1101是一种比较敏感的传感器,其电路对静电和其他电磁干扰较为敏感。
因此,在使用过程中,需要注意对其进行适当的保护,以防止干扰影响测量结果。
6. 应用领域HS1101的基本应用领域包括但不限于以下几个方面:•气象观测:HS1101可以用于测量空气中的湿度,成为气象观测的重要工具之一。
•温湿度监测:HS1101可以与其他温度传感器结合使用,实现对环境中温湿度的同时监测。
•农业控制:HS1101可以应用于农业领域,用于监测土壤湿度,以便控制灌溉水量。
•家居自动化:HS1101可以用于家居自动化系统中,实现湿度的监测和控制。
论文题目:温室大棚控制系统专业:测控技术与仪器本科生:(签名)指导教师:(签名)摘要温室种植在农业生产中占有越来越重要的地位,传统的温室种植自动化程度很低,基本是靠人工控制温湿度、光照的方式,既耗费人力又不精确,因此需要研制一种造价低廉、使用方便且测量准确的温湿度、光照控制系统。
本课题研究的主要内容是利用单片机作为主控机,对温室内的温度、湿度和光照进行实时监测和控制,以满足温室内作物生长的环境要求。
通过数字式温度传感器DS18B20进行温度采集,电容式湿度传感器HS1100对湿度参数进行采集,模块GY-30对光照进行采集,单片机STC12C5A60S2对采集到的数据进行处理,由LCD12864对当前的温湿度值和光照值进行显示。
并实时判断温湿度、光照值是否满足设定的温湿度、光照范围,若超出设定范围,将及时启动报警装置进行报警,并采取相应的措施保证温室内温湿度、光照在合适的范围,初步实现了温室大棚的自动控制。
键关词:温室,温湿度,光照,单片机,监测,控制Subject: De sign of greenhouse control sy stemSpecialty: technology of measuring and controllingName: (Signature) _____Instructor: (Signature)ABSTRACTWith the rapid socio-economic development, people's living standard continues to improve, greenhouse cultivation plays an increasingly important role in agricultural production. The degree of automation of traditional greenhouse cultivation is very low, basically rely on manual control of temperature and humidity, light way, both labor-intensive and not precise temperature and humidity and light regulation measures showed greatly limitations. Therefore, we need a low cost, easy to use and accurate measurement of temperature and humidity, light control system.The main content of this research is to use microcontroller as the host computer, the temperature, humidity and light inside the greenhouse for real-time monitoring and control, in order to meet the environmental requirements of greenhouse crops. Temperature can be collected by digital temperature sensor DS18B20, capacitive humidity sensor HS1100 humidity parameters collection, illumination module GY-30 is collected by the microcontroller STC12C5A60S2 the collected data are processed by LCD12864 the current temperature and humidity values and display illumination values. And real-time to determine the temperature and humidity, light value is set to meet the temperature and humidity, light range, if beyond the set range, will promptly start the alarm device alarm, and take appropriate measures to ensure that the temperature and humidity inside the greenhouse, in a suitable range of light, the initial realization of automatic control greenhouse.KEY WORDS: greenhouse, temperature, humidity, light, single-chip, monitoring, control目录前言 (1)第1章绪论 (2)1.1选题的背景及目的 (2)1.2国内外研究现状 (2)1.3发展趋势 (3)1.4本系统主要研究内容 (4)第2章总体设计 (5)2.1设计要求 (5)2.2设计原则 (5)2.2.1可靠性高 (6)2.2.2操作维护方便 (6)2.2.3性价比高 (6)2.3硬件设计系统总体框图 (6)第3章系统硬件设计 (7)3.1主控模块 (7)3.1.1方案选择 (7)3.1.2 STC12C5A60S2单片机简介 (8)3.1.3单片机最小系统电路 (10)3.2显示模块 (11)3.2.1方案选择 (11)3.2.2 LCD12864简介 (11)3.2.3 LCD124显示电路 (13)3.3温度测量模块 (14)3.3.1温度定义 (14)3.3.2方案选择 (14)3.3.3 DS18B20的介绍 (14)3.3.4 DS18B20测温电路 (16)3.4湿度测量模块 (16)3.4.1湿度定义 (16)3.4.2 方案选择 (17)3.4.3 HS1101湿度传感器介绍 (17)3.4.4 HS1101测湿电路 (18)3.5光照测量模块 (21)3.5.1光照定义 (21)3.5.2方案选择 (21)3.5.3 GY-30模块介绍 (22)3.5.4 GY-30测光强电路 (22)3.6键盘模块 (23)3.6.1选择方案 (23)3.6.2 键盘电路 (23)3.7报警模块 (24)3.8温度控制模块 (25)3.9湿度控制模块 (26)3.10光照控制模块 (26)第4章系统软件设计 (29)4.1软件设计的整体思想 (29)4.2系统主程序 (29)4.3采集模块子程序 (30)4.3.1.温度采集模块子程序 (30)4.3.2湿度采集模块子程序 (31)4.3.3光照采集子程序 (32)4.4显示模块子程序 (33)4.5键盘模块子程序 (34)4.6报警和控制模块 (35)第5章系统调试和实验 (37)5.1 Altium Designer软件介绍 (37)5.2硬件调试 (37)5.3实验验证 (38)第6章总结 (41)致谢 (42)参考文献: (43)附录:电路原理图 (44)前言现代社会随着科技的发展尤其是农业科技的日新月异,使得人们能通过创造适合农作物生长的环境来改变其生长周期。
高分子湿敏电容传感器hs1101的原理及应用高分子湿敏电容传感器HS1101是一种能够测量环境湿度的电子器件。
它使用高分子材料制成,具有特殊的敏感性,可以测量空气中的
湿度并将其转化为电信号输出。
在许多应用场合中,HS1101传感器是
非常有用的,例如环境监测、工业控制和人体健康监测等。
HS1101传感器的原理基于吸附高分子材料所固有的特性。
当传感
器的感测元件接收到环境中的水分分子后,高分子材料开始吸收这些
水分分子并膨胀,导致感测元件变化,从而导致电容值发生变化,该
变化可被传感器测量并输出。
该传感器具有许多应用领域。
在环境监测领域中,HS1101传感器
可用于测量空气中的湿度,以确定空气中的水蒸气含量。
在医疗和健
康监测领域中,该传感器可用于监测患者呼吸时口腔和喉咙的湿度。
在工业控制领域中,则常用于监测工业生产过程中的相对湿度,以确
保产品质量。
使用该传感器时需要注意一些细节。
首先,传感器的敏感元件必
须被保持在合适的温度和湿度之下,以确保传感器的准确性和可靠性。
其次,传感器对电路干扰和噪声敏感,因此需要保证传感器电路的输
入端稳定。
最后,传感器需要定期校准,以保证传感器输出的准确性。
总之,高分子湿敏电容传感器HS1101是一款非常可靠和实用的传
感器。
它可以用于许多不同领域的应用,例如环境监测、工业控制和
医疗健康监测。
然而,在使用传感器时应注意细节和保持传感器的准确性,以确保其准确性和可靠性。
型号:HTF3223类型:温湿度传感器温度湿度传感器——频率输出湿度模块HTF3223:用HS1101做的频率输出湿度模块,适用于需要精确可靠检测湿度的OEM用户,有很小的易于安装的接头,可以非常节省成本的机械自动安装。
由于它是线性的频率输出湿度检测模块,因此可以直接与微处理器相接。
一、湿度传感器HTF3223简介用HS1101做的频率输出湿度模块,适用于需要精确可靠检测湿度的OEM用户,有很小的易于安装的接头,可以非常节省成本的机械自动安装。
由于它是线性的频率输出湿度检测模块,因此可以直接与微处理器相接。
二、湿度传感器HTF3223主要特性1、采用专利电容HS1101设计制造2、宽量程:10~95%RH,稳定,比例线性的频率输出3、精度±5%RH,工作温度范围–40~80℃4、可选的10KΩ+/-3% NTC温度传感器5、温度特性好6、高可靠性与长时间稳定性7、低成本三、湿度传感器HTF3223典型应用温湿度仪表家电行业OA设备HS1101:是基于独特工艺设计的电容元件,专利的固态聚合物结构;。
高精度2%;极好的线性输出;。
1--99%RH湿度量程;-40到100摄氏度的温度工作范围;。
响应时间5秒;湿度输出受温度影响极小;。
5VDC供电,0~20%RH典型输出1~1.6VDC。
精度:±2%RH(1~20%RH范围)。
相对于同类产品价格极低。
适合用于低湿及露点测量需要的场合,如干燥箱、电缆充气设备中干燥气体湿。
防腐蚀性气体;常温使用无需温度补偿;无需校准;。
电容与湿度变化0.34pf/%RH;典型值180pf@55%RH;长期稳定性及可靠性,年漂移量0.5%RH/年HS1101LF为宽温度工作范围:-60---140度且为环保型产品,符合欧美标准HTF3223:用HS1101做的频率输出湿度模块,适用于需要精确可靠检测湿度的OEM用户,有很小的易于安装的接头,可以非常节省成本的机械自动安装。
基于独特工艺设计的电容元件这些相对湿度传感器可以大批量生产可以应用于办公自动化车厢内空气质量控制家电工业控制系统等在需要湿度补偿的场合他也可以得到很大的应用特点全互换性 在标准环境下不需校正 长时间饱和下快速脱湿可以自动化焊接包括波峰焊或水浸 高可靠性与长时间稳定性 专利的固态聚合物结构可用于线性电压或频率输出回炉 快速反应时间最大参数值Ta=25 除非特别标定参数符号参数值单位工作温度 Ta -40~100 储存温度 Tstg -40~125供电电压 Vs 10 Vac 湿度范围 RH 0~100 %RH 焊接时间@T=260 t 10S特征参数(Ta=25,@10KHz,除非特别标定) 特征参数符号 Min Typ Max 单位湿度测量范围 RH 1 99 5供电电压 Vs 5 10 V标称电容@55%RH C 177 180 183 pF 温度效应 Tcc 0.04 pF/平均灵敏度(33%~75%RH)C/%RH0.34pF/%RH漏电流 Ix 1 nA恢复时间@150小时结露 tr 10 s迟滞 +/-1.5 %长时间稳定性 0.5 %RH/yr 反应时间 ta 5 S曲线精度10%~90%+/-2 %RH可以按要求提供详细的说明书HS1101/HS1100典型输出曲线所得标定数据是通过CETIAT 实验室的NIST标准而来工作频率10KHzTa=25多项式的反应方程式RH in%RH频率补偿本说明书里的电容测量都是在10KHz 条件下测的但是传感器并没有限制必须工作在5K~100KHz可以用以下的公式做校正:极性测量时为了达到更好的互换性回路中需要把传感器的第2脚接地这脚已经标记在传感头的背面的标签上焊接说明参考应用注意事项HPC007 V A线性电压输出回路内部电路方块图5~99%RH典型温度影响+0.1%RH/10~60电压输出典型参数@VCC=5V25RH 0 10 20 30 40 50 60 70 80 90 100 V out - 1.41 1.65 1.89 2.12 2.36 2.60 2.83 3.07 3.31 3.55注释此电路为典型的555非稳态电路HS1101/HS1100作为电容变量接在555的TRIG 与THRES 两引脚上引脚7用作电阻R4的短路等量电容HS1101/HS1100通过R2与R4充电到门限电压约0.67Vcc 通过R2放电到触发电平约0.33Vcc 然后R4通过引脚7短路到地传感器由不同的电阻R4与R2充放电其工作循环可以描述如下T high =C@%RH*(R2+R4)*ln2 T low =C@%RH*R2*ln2F=1/(T high +T low )=1/(C@%RH*(R4+2*R2)*ln2) 输出循环周期=T high *F=R2/(R4+2*R2)为了使循环时间降低50%则与R2相比R4 应该非常小但是不要低于最小值电阻R3是为了短路保护555必须为CMOS.注释555电路的非平衡电阻R1是做内部温度补偿目的是为了引入温度效应使它与HS1101/HS1100的温度效应相匹配R1必须象所有的R-C 时钟电阻的要求一样1%的精度最大的温度效应应该小于100ppm 由于不同型号的555的内部温度补偿有所不同R1的值必须与特定的芯片相匹配为了保证在55%RH 的典型湿度值为6660Hz R2也需要做稍许修正如下表555 R1R2 TLC555 909K576TS555 100nF 电容 523 7555 1732K 549 LMC555 1238562频率输出典型参数REFERENCE POINT AT 6660Hz FOR 55%RH/25RH 010 20 30 40 50 60 70 80 90 100Fr 7351 7224 7100 6976 6853 6728 6600 6468 6330 6186 6033555为典型的CMOS 类型TLC555RH 百分比相对湿度F 频率Hz多项式的反应方程式测量误差与寄生电容曲线应该特别注意减小输出寄生电容寄 生电容会在电路上 与传感器并联造 成输出漂移合理安装HS1101/HS1100经鉴定可以承受符合MIL STD 750规定的所有的焊接如焊接温度与可焊性高温高湿环境下的寿命@93%RH/60 : 1000Hours波峰焊260 + 45去离子水洗低湿储存寿命@RH<10%/23: 1000Hours机械冲击 1500g 5blows3direction 环境温度下浸入水中或处于80环境下时间 160Hours 震动震动F=100-2000Hz固定F=35Hz可以抵抗75000ppm的酸气如含氮化合物硫化物氯乙恒定加速度永久标志醇ESD 静电人体或机械方式可以抵抗一些家用器具汽车及消耗器具产生的化学物质有盐气体MIL STD 750 / Method 1041 / 96 Hours温度循环-40/+70所有的数据是从三批不同传感器实验所得每批45个传感器可以按要求提供更详细的数据封装形式。
摘要此温湿度测量系统是基于单线式温度传感器DS18B20、电容式湿度传感器单片机STC89C52 对温度湿度分别测量并通过液晶显示屏1602经行显示。
温度传感器DS18B20是单线式,体积超小,硬件开消超低,抗干扰能力强,精度高,附加功能强的理想单片机温度传感器,可实时根据指令给出温度数据,可读性高。
HS1101是电容式空气湿度传感器,在不同的湿度环境下呈现出不同的电容值,0%~100%RH湿度范围内,电容从162PF变化到200PF,误差误差为2%RH。
可见其精度非常高,为了反映出其电容的变化,本系统采用555多谐震荡电路产生不同的频率,用于检测湿度。
单片机采集到两个传感器给出的数据进行处理与计算,得出当前的温度与湿度并送给液晶屏显示。
本系统具有可读性高,稳定性高,反应速度快,测量值准确的特点。
关键词:温湿度测量系统精度高速度快体积小Abstract: The temperature and humidity measurement system is based on singleline type temperature sensor DS18B20, capacitive moisture sensorSCM STC89C52 for temperature humidity measurement and respectively by LCD display. The line 1602 Temperature sensor DS18B20 is singleline type, volume super-small, hardware KaiXiao ultra-low, strong anti-jamming capability, high precision, additional features strong ideal single-chip microcomputer temperature sensor, real-time temperature data, depending on the directive given readable. HS1101 is capacitive sensor, air humidity in different humidity presents different capacitance, 0% ~ 100% RH humidity, within the scope of capacitance change to 200PF, from 162PF error for 2% RH error. e can see its precision is very high, in order to reflect the capacitance change, the system USES the 555 more harmonic concussion circuits produce different frequency, which is used to detect humidity. SCM acquisition to two sensor gives data processing and calculated, the current temperature and humidity and give the display on the LCD panel. This system has a readable, high stability, reaction speed, measured values exact characteristic.Keywords: temperature and humidity measurement system high precision speed small volume目录1.设计要求 (3)2. 方案设计及论证 (3)2.1 总体方案设计 (3)2.2系统主要单元的选择与论证 (3)2.2.1单片机控制模块的选择论证 (3)2.2.2温度湿度检测模块的选择与论证 (3)2.2.3显示模块的选择与论证 (3)2.3 系统组成 (4)3. 理论分析及计算 (4)3.1 (4)3.2..........................................................................................错误!未定义书签。
电容式湿度传感器HS1101介绍及应用电路Post By:2009-3-12 10:31:26此主题相关图片如下hs1101.jpg:HS1101湿度传感器采用专利设计的固态聚合物结构,具有响应时间快、高可靠性和长期稳定性特点,不需要校准的完全互换性。
HS1101湿度传感器在电路中等效于一个电容器C x,其电容随所测空气的湿度增大而增大,在相对湿度为0%-100%RH的范围内,电容的容量由160pF变化到200pF,其误差不大于±2%RH,响应时间小于5s,温度系数为0.04pF/℃。
此主题相关图片如下hs1101-61mcu.jpg:如图2所示,将该湿敏电容C x置于555振荡电路之中,将电容的变化转换为与之成反比的电压频率信号,该频率信号可以直接被微控器采集。
振荡电路的两个暂稳态输出频率变化的方波信号(图3中U4的3脚输出)的高电平时间为此主题相关图片如下11.gif:输出低电平时间为此主题相关图片如下12.gif:因此输出方波信号的周期为此主题相关图片如下13.gif:即此主题相关图片如下14.gif:HS1101湿度测量电路及程序Post By:2009-3-12 10:35:23温度检测采用HS1101型温度传感器,HS1101是HUMIREL公司生产的变容式相对湿度传感器,采用独特的工艺设计。
HS1101测量湿度采用将HS1101置于555振荡电路中,将电容值的变化砖换成电压频率信号,可以直接被微处理器采集。
设计的电路如图1所示。
此主题相关图片如下hs1101-0903110.jpg:图1 湿度测量电路555芯片外接电阻R57,R58与HS1101,构成对HS1101的充电回路。
7端通过芯片内部的晶体管对地短路实现对HS1101的放电回路,并将引脚2,6端相连引入到片内比较器,构成一个多谐波振荡器,其中,R57相对于R58必须非常的小,但决不能低于一个最小值。
R51是防止短路的保护电阻。
湿度传感器HS1101摘要随着社会信息科学的发展,控制理论和电子技术也在不断更新,基于微控制器的高度智能化测控技术逐步成为现实。
其中以单片机为核心实现数字控制器因其体积小、成本低、功能强、简便易行而得到了广泛的应用。
室内湿度测控由于其重要性的日益突出,技术也越来越成熟。
本文主要讨论基于AT89S51单片机的以HS1101作为前端湿敏元件的室内湿度检测系统。
本系统采用层次化、模块化设计,以HS1101湿敏芯片的传感器作为测量的器件,所得到的数据经过NE555振荡电路处理后,通过ADC0809模数转换器件接入到AT89S51单片机,以单片机为核心对数据进行记录、存储、处理和报警。
本文在设计过程中主要做了以下几个方面的工作:一是讨论并选择系统的总体设计方案;二是对传感器、A/D转换器和单片机进行设计和选择;三是对单片机及其跟PC机进行通信的接口进行电路及软件系统的设计。
本系统的设计还处于理论阶段,是在论证了各种方案和搜集了各种的资料后提出的一种切实可行的室内湿度监测系统。
本系统完全满足一般小实验室的湿度测控系统的要求,实现了对室内湿度状况的全面、实时和长期的监测,也实现了室内湿度检测的自动化智能化。
关键词:AT89S51;HS1101;AD转换器;RS-232;传感器AbstractWith the social development of information science, control theory and electronic technology has been updated too, based on the micro-controller, the technology of highly intelligent micro-controller monitoring has gradually become a reality. Among them, single-chip digital controller as the core because of their small size, low cost, powerful, simple and widely used. Indoor humidity measurement and controlling has been growing importance because of the prominent and the more and more mature technology. This article focused on a single chip AT89S51 based HS1101 humidity sensor as a front-end indoor humidity detection system.The system has a hierarchical, modular design, and uses HS1101 humidity sensor chip as a measurement device. The data obtained after treatment NE555 oscillator circuit through the ADC0809 AD converter connecting to the AT89S51 micro-controller, a single machine as the core of the data record, storage, processing and alarm. In this paper, the main job of the design is the following points: First, to discuss the overall design and program so to select the appropriate system; Second, design and selection of the sensor, A / D converter, and a single-chip; third is a Micro Controller Unit to communicate with the PC interface and software systems for circuit design.The design of the system is still in the theoretical stage, and it is to demonstrate a variety of programs and collected information on the various proposed a practical indoor humidity monitoring systems. Satisfy the system of small laboratory humidity measurement and control system requirements, the indoor humidity has been to achieve the status of a comprehensive, real-time and long-term monitoring, and also make the indoor humidity intelligent and automated testing to come true.Keywords: AT89S51; HS1101; AD converter; RS-232; sensor目录第一章前言 (1)1.1 概述 (1)1.2 实验室湿度测控的意义 (1)1.3 实验室湿度测控的现状与发展 (2)1.3.1传统的分立式湿度测量 (2)1.3.2模拟集成湿度传感器测量 (2)1.3.3智能湿度传感器测量 (2)1.4 本课题的设计方案 (3)第二章湿度测量电路设计 (4)2.1 传感器的认识 (4)2.1.1传感器的静态特性 (4)2.1.2传感器的动态特性 (5)2.2 湿度传感器的选择 (6)2.2.1湿度及其表示方法 (6)2.2.2湿度传感器HS1101 (6)2.3 湿度测量电路 (8)2.3.1NE555时基电路 (8)2.3.2基于555振荡电路的湿度测量电路设计 (9)第三章核心电路的设计 (10)3.1 ADC0809模数转换器 (10)3.1.1ADC0809应用简介 (10)3.1.2测湿电路与单片机连接 (11)3.1.3湿度误差补偿插值法子程序 (11)3.2 单片机电路的设计 (12)3.2.1MCS-51单片机 (12)3.2.2AT89S51单片机 (13)3.2.3时钟晶振电路和复位电路 (13)3.3 总体电路系统 (14)3.3.1LED报警设计 (14)3.3.2系统总设计 (15)3.4 电路PCB版图设计 (17)第四章单片机与PC间的串行通讯 (20)4.1 RS-232-C接口 (20)4.2 单片机和PC通信连接 (20)4.3 简单软件设计 (22)4.3.1下位机软件设计 (22)4.3.2上位机程序设计 (23)第五章结论 (24)参考文献 (25)致谢 (26)附录 (27)第一章前言1.1概述湿度,被定义为表示大气干燥程度的物理量。
HS1101 电容式湿度传感器及其应用杨艳谢鹏飞 (04电气) 王硕南(04通信)摘要本文介绍了一种新型的电容式湿度传感器的湿敏特性及其测量显示仪表的工作原理、电路组成与优良性能。
关键词:湿度 HS1101 测量引言测量空气湿度的方式很多,其原理是根据某种物质从其周围的空气中吸收水分后引起的物理或化学性质的变化,间接地获得该物质的吸水量及周围空气的湿度。
电容式、电阻式和湿涨式湿敏元件分别是根据其高分子材料吸湿后的介电常数、电阻率和体积随之发生变化而进行湿度测量的。
方案论证与选择HS1101 电容传感器,在电路构成中等效于一个电容器件,其电容量随着所测空气湿度的增大而增大。
如何将电容的变化量准确地转变为计算机易于接受的信号,常用两种方法:一是将该湿敏电容置于运放与阻容组成的桥式振荡电路中,所产生的正弦波电压信号经整流、直流放大、另一种是将该湿敏电容置于555 振荡电路中,将电容值的变化转为与之再A/ D 转换为数字信号;呈反比的电压频率信号,可直接被计算机所采集。
因为考虑到整流、放大和A/D 转换环节有一定误差,且没有相关器件,所以本设计采用第二种方法。
一、HS1101的特点不需校准的完全互换性,高可靠性和长期稳定性,快速响应时间,专利设计的固态聚合物结构,有顶端接触(HS1100) 和侧面接触( HS1101) 两种封装产品,适用于线性电压输出和频率输出两种电路,适宜于制造流水线上的自动插件和自动装配过程等。
图1 为湿敏电容工作的温、湿度范围。
图2 为湿度- 电容响应曲线。
图1 HS1101湿敏电容工作的温湿度范围1图2 HS1101湿敏电容的湿度,电容响应曲线相对湿度在0 %, 100 %RH 范围内; 电容量由162 p F 变到200 p F ,其误差不大于?2 %RH;响应时间小于5 s ;温度系数为0. 04 p F/ ?。
可见精度是较高的。
二、湿度测量电路本设计采用第二种方法,频率输出的555 测量振荡电路如图3 所示。
湿度传感器HS1101
1引言
湿度传感器是根据某种物质从其周围空气中吸收水分后引起的物理或化学性质的变化,从而获得该物质的吸水量和周围空气的湿度。
湿度传感器分为电阻式和电容式两种,产品的基本形式都是在基片涂覆感湿材料形成感湿膜。
空气中的水蒸汽吸附于感湿材料后,元件的阻抗、介质常数发生很大的变化,从而制成湿敏元件。
湿敏电容一般是用高分子薄膜电容制成的,由于它具有灵敏度高、产品互换性好、响应速度快、湿度的滞后量小、便于制造、容易实现小型化和集成化,其精度一般比湿敏电阻要低一些。
但电阻对温度的敏感因而限制了器件在较大温度范围内的应用,因而电容湿度传感器越来越受到重视。
2 湿敏元件及变送器芯片特性
目前,生产湿敏电容的主要厂家是法国Humirel 公司。
它生产的HS1101 测
量范围是0%,100%RH,电容量由162PF 变到200PF,其误差不大于?2%RH;响应时间小于5S;湿度系数为0.34PF/?;年漂移量0.5%RH/年,长期稳定。
图1 为HS1101
湿敏电容的湿度-电容响应曲线。
湿度变送器采用了美国 BB 公司生产的XTR105芯片,该变送器具有以下特点:
a 工作范围宽;
b 测量精度高;
c 电路简单;
d 可靠性好,使用寿命长;
e 抗干扰能力强;
f 工作温度范围宽(-40,+85?)
3 湿度测量电路
HS1101在电路中相当于一个电容器件,它的电容量随着所测空气湿度的增加而增大,为了能将电容的变化转换成电压的变化,我们设计了振荡电路、消除零点电容影响电路、整流电路、积分电路、电压—电流转换电路、放大电路等,其工作原理简图如图2 所示。
3.1 振荡电路
振荡电路的作用是将电容的变化量转化为频率可变的方波。
由图3 可知,这是一个非对称多谐振荡器。
或非门G1 工作在电压传输特性的转折区,把它的输出电压直接连接到或非门G2 的输入端。
G2即可得到一个介于高低电平之间的静态偏置电压,从而使G2 的静
态工作点也处于电压传输特性转折区上。
反馈环路中电容使电路在两个暂稳态之间往复振荡。
由于电容充放电的时间T为2.2RC,所以输出的方波频率:
可见输出频率和电容值成反比。
通过这个电路使湿度信号变为电容值,最后变为频率信号输出。
3.2 消除零点电容
需要指出的是,图3 所示的湿度传感器零点电容比较大,灵敏度不够高,湿度从0%,100%RH,电容的变化量不超过30,50PF。
为此,最好将零点电容消除掉,在实际设计中我们用两片CMOS4001 集成电路对图3 进行改造,具体见图4。
A、B、C、D 四个点的波形如图5 所示。
由图4 中U1 的4 个或非门组合逻辑可知:
只要调整C 的脉冲宽度,就可以得到D 的脉冲宽度,从而可以消除零点电容,经过调制的电容变化信号也就是湿度信号。
将同一封装内的门电路U2A、
U2B、U2C、U2D 并联使用,可以扩大CMOS 门电路输出低电平时吸收负载电流的能力。
3.3 线性输出信号调理
电路湿度的脉冲信号再经过后面的二极管整流、RC积分电路,得到随温度变化的电压。
由于信号比较微弱,再经过一个同向比例放大器把信号放大,最终把信号调理为0,3V的输出。
4 湿度变送器的设计
在工业现场,采集到的信号经长线传输时,往往会产生以下问题:由于传输的信号是电压信号,传输线会受到噪声的干扰;传输线的分布电阻会产生电压降。
为了解决这些问题,通常用电流来传输信号,这就用到了变送器。
本文采用了美国BB 公司生产的XTR105 作为湿度变送器的芯片,把湿度传感器输入的0,3V 电压转换为4,20mA 的电流信号输出。
其电路如图7 所示。
湿度传感器输出的0,3V 电压通过XTR105 芯片的2 和13 引脚输入。
调整3
和4 引脚间的电阻RG和RG1 的值,可以改变XTR105 芯片的内置仪表放大器增益值,从而选定合适的测量范围。
RCM 取为1KO,它提供一个附加电压降,使XTR105 的输入电压限制在共模方式下的电压范围内。
与RCM 并联的0.01μF 旁路电容用于降低共模噪声。
整个装置的电压,电流传递函数为:
其中Rm=RG?RG1/(RG+RG1),VIN 是VIN+(13 引脚),VIN-(2 引脚)两端输入电压。
VREG 引脚(11引脚)还专门为外部电路提供5.1V 的精密电压,11引脚最大输出电流为1mA,超过1mA 会影响到零输出电流。
三极管Q1 是4,20mA 电流回路的主要电流传导器件,用于吸收回路中的大部
分电流。
该器件将外部电源电流与XTR105 的内部消耗严格分开。
由于外接三极管位于反馈回路中,其参数不能在临界点。
当电源电压低于36V 时,功耗可低一些。
IN4048 接成的桥式电路可以保证XTR105 的电源极性不反接,从而真正实现两线制。
C2 为去耦电容,其值是
0.01μF,用于降低高频干扰。
负载RL 用于将传送的4,20mA 的电流转换为电压,
供后级处理。
选择负载阻抗RL,应使得输出在4,20mA 范围内变化时,引脚7 和引脚8 之间的电压保持在11.6V,40V 的电源电压范围内。
也可以由下式确定最大的RL:
所以取RL=250Ω。
5 结语
我们对所设计的湿度传感器进行了准确度测量。
将湿度传感器置入TERCHY 公司的MHU-SA 恒温恒湿箱内,用VAISALA 公司的HMP143A 高精度湿度测量仪及万用表对湿度传感器输出信号进行测量,结果见表1。
从表1 的测试结果可以看出:该传感器的测量准确度达到了?2.5%以内。