仓库的耐火等级、层数及面积规定
- 格式:pdf
- 大小:246.12 KB
- 文档页数:1
一、耐火等级确定1、厂房和仓库的耐火等级图解:1、甲、乙类厂房和甲、乙、丙类仓库内的防火墙,其耐火极限不应低于4.OOh。
2、一、二级耐火等级单层厂房(仓库)的柱,其耐火极限分别不应低于2.5Oh和2.OOh o3、采用自动喷水灭火系统全保护的一级耐火等级单、多层厂房(仓库)的屋顶承重构件,其耐火极限不应低于1OOh。
4、除甲、乙类仓库和高层仓库外,一、二级耐火等级建筑的非承重外墙,当采用不燃性墙体时,其耐火极限不应低于0.25h;当采用难燃性墙体时,不应低于0.50h o5、4层及4层以下的一、二级耐火等级丁、戊类地上厂房(仓库)的非承重外墙,当采用不燃性墙体时,其耐火极限不限。
6、二级耐火等级厂房(仓库)内的房间隔墙,当采用难燃性墙体时,其耐火极限应提高0.25h07、二级耐火等级多层厂房和多层仓库内采用预应力钢筋混凝土的楼板,其耐火极限不应低于0.75h°8、一、二级耐火等级厂房(仓库)的上人平屋顶,其屋面板的耐火极限分别不应低于1.5Oh 和1.OOh e三、防火分区1、厂房防火分区之间应采用防火墙分隔。
2、除甲类厂房外的一、二级耐火等级厂房,防火分区之间可采用防火卷帘或防火分隔水幕分隔。
采用防火卷帘和防火分隔水幕时,应符合相关规定。
3、仓库内的防火分区之间必须采用防火墙分隔。
甲、乙类仓库内防火分区之间的防火墙不应开设门、窗、洞口;地下或半地下仓库(包括地下或半地下室)的最大允许占地面积,不应大于相应类别地上仓库的最大允许占地面积。
4、厂房内设置自动灭火系统时,每个防火分区的最大允许建筑面积可按规定增加1O倍。
当丁、戊类的地上厂房内设置自动灭火系统时,每个防火分区的最大允许建筑面积不限。
5、厂房内局部设置自动灭火系统时,其防火分区的增加面积可按该局部面积的1O倍计算。
附:局部设置自动灭火系统时,防火分区面积的计算方法:1)确定在未设置自动灭火系统时,该场所防火分区的最大允许建筑面积S总。
2.0.10 多层厂房(仓库)multi-storied industrial building2 层及2 层以上,且建筑高度不超过24m 的厂房(仓库)。
2.0.11 高层厂房(仓库)high-rise industrial building2 层及2 层以上,且建筑高度超过24m 的厂房(仓库)。
3.1.1 生产的火灾危险性应根据生产中使用或产生的物质性质及其数量等因素,分为甲、乙、丙、丁、戊类,并应符合表3.1.1 的规定。
表3.1.1 生产的火灾危险性分类3.3.1 厂房的耐火等级、层数和每个防火分区的最大允许建筑面积除本规范另有规定者外,应符合表3.3.1 的规定。
表3.3.1 厂房的耐火等级、层数和防火分区的最大允许建筑面积3.3.8 厂房内严禁设置员工宿舍。
办公室、休息室等不应设置在甲、乙类厂房内,当必须与本厂房贴邻建造时,其耐火等级不应低于二级,并应采用耐火极限不低于3.00h 的不燃烧体防爆墙隔开和设置独立的安全出口。
在丙类厂房内设置的办公室、休息室,应采用耐火极限不低于2.50h 的不燃烧体隔墙和1.00h 的楼板与厂房隔开,并应至少设置1 个独立的安全出口。
如隔墙上需开设相互连通的门时,应采用乙级防火门。
3.4.1 除本规范另有规定者外,厂房之间及其与乙、丙、丁、戊类仓库、民用建筑等之间的防火间距不应小于表3.4.1 的规定。
注:1 建筑之间的防火间距应按相邻建筑外墙的最近距离计算,如外墙有凸出的燃烧构件,应从其凸出部分外缘算起;3.7.1 厂房的安全出口应分散布置。
每个防火分区、一个防火分区的每个楼层,其相邻2 个安全出口最近边缘之间的水平距离不应小于5m。
3.7.4 厂房内任一点到最近安全出口的距离不应大于表3.7.4 的规定。
3.7.5 厂房内的疏散楼梯、走道、门的各自总净宽度应根据疏散人数,按表3.7.5 的规定经计算确定。
但疏散楼梯的最小净宽度不宜小于1.1m,疏散走道的最小净宽度不宜小于1.4m,门的最小净宽度不宜小于0.9m。
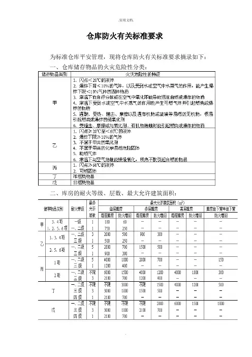
仓库防火有关标准要求
为标准仓库平安管理,现将仓库防火有关标准要求摘录如下:一、仓库储存物品的火灾危险性分类:
二、库房的耐火等级、层数、最大允许建筑面积:
注:1、装有自动灭火设备的库房,其建筑面积可按本表的规定增加1.00倍。
2、库房或每个防火隔间〔冷库除外〕的平安出口数目不宜少于两个。
但一座多层库房的占地面积不超过300m2时,可设一个疏散楼梯,面积不超过100m2的防火隔间,可设置一个门。
3、甲、乙类库房内不应设置办公室、休息室。
设在丙、丁类库房内的办公室、休息室,应采用耐火极限不低于2.50h的不燃烧体隔墙和1.00h的楼板分隔开,其出口应直通室外或疏散走道。
三、仓库灭火器配置标准:
1、按照?建筑灭火器配置设计标准?〔GBJ140-90〕的有关规定,我司储运仓库的火灾种类为A类火灾,危险等级为中危险级。
扑救A 类火灾应选用水型、泡沫、磷酸铵盐干粉灭火器,配置的基准为:
2、地下建筑灭火器的配置数量应按其相应的地面建筑的规定增加 30% 。
3、设有消火栓、灭火系统的灭火器配置场所,可按以下规定减少灭火器配置数量:
①、设有消火栓的,可相应减少 30% ;
②、设有灭火系统的,可相应减少 50% ;
③、设有消火栓和灭火系统的,可相应减少 70%。
4、灭火器应设置在明显和便于取用的地点,且不得影响平安疏散。
不应设置在潮湿或强腐蚀性的地点,不得设置在超出其使用温度范围的地点。
5、设置在 A 类火灾配置场所的灭火器,其最大保护距离〔米〕:
以上标准要求,请各单位严格遵照执行。
库房防火有关规范要求为规范库房安全办理, 现将库房防火有关规范要求摘抄如下:一、库房贮存物品的火灾风险性分类:二、库房的耐火等级、层数、最大答应修建面积:注:1、装有主动救活设备的库房, 其修建面积可按本表的规则添加1.00倍。
2、库房或每个防火隔间(冷库在外)的安全出口数目不宜少于两个。
但一座多层库房的占地上积不超越300m2时, 可设一个分散楼梯, 面积不超越100m2的防火隔间, 可设置一个门。
3、甲、乙类库房内不该设置办公室、休息室。
设在丙、丁类库房内的办公室、休息室, 应选用耐火极限不低于2.50h 的不焚烧体隔墙和1.00h的楼板分离隔, 其出口应直通室外或分散走道。
三、库房救活器装备规范:1、依照《修建救活器装备规划规范》(GBJ140-90)的有关规则, 我司储运库房的火灾品种为A类火灾, 风险等级为中风险级。
补救A类火灾应选用水型、泡沫、磷酸铵盐干粉救活器, 装备的基准为:风险等级中风险级每具救活器最小装备救活等级5A最大保护面积(㎡/A )152、地下修建救活器的装备数量应按其相应的地上修建的规则添加 30% 。
3、设有消火栓、救活体系的救活器装备场所, 可按下列规则削减救活器装备数量:①、设有消火栓的, 可相应削减 30% ;②、设有救活体系的, 可相应削减 50% ;③、设有消火栓和救活体系的, 可相应削减 70%。
4、救活器应设置在显着和便于取用的地址, 且不得影响安全分散。
不该设置在湿润或强腐蚀性的地址, 不得设置在超出其运用温度规模的地址。
5、设置在 A 类火灾装备场所的救活器, 其最大保护间隔(米):救活器类型手提式救活器推车式救活器风险等级中风险级20 40以上规范要求, 请各单位严厉遵照执行。
以下内容为:拟定规范的意图和含义(一) 规范化为科学办理奠定了根底。
所谓科学办理, 便是根据出产技能的开展规律和客观经济规律对企业进行办理, 而各种科学办理制度的方式, 都以规范化为根底。
厂房仓库以及民用建筑的耐火等级划分2015-08-24九域管理深圳市九域企业管理顾问有限公司耐火等级耐火等级是衡量建筑物耐火程度的分级标度。
它由组成建筑物的构件的燃烧性能和耐火极限来确定。
规定建筑物的耐火等级是建筑设计防火规范中规定的防火技术措施中的最基本措施之一。
根据《建筑设计防火规范》,建筑物的耐火等级分为四级。
建筑物的耐火等级是由建筑构件(梁、柱、楼板、墙等)的燃烧性能和耐火极限决定的。
一般说来:一级耐火等级建筑是钢筋混凝土结构或砖墙与钢混凝土结构组成的混合结构;二级耐火等级建筑是钢结构屋架、钢筋混凝土柱或砖墙组成的混合结构;三级耐火等级建筑物是木屋顶和砖墙组成的砖木结构;四级耐火等级是木屋顶、难燃烧体墙壁组成的可燃结构。
以下是厂房仓库以及民用建筑的耐火等级划分。
厂房和仓库的耐火等级厂房和仓库的耐火等级可分为一、二、三、四级,相应建筑构件的燃烧性能和耐火极限,除GB50016-2014另有规定外,不应低于下表规定。
1、高层厂房,甲、乙类厂房的耐火等极不应低于二级,建筑面积不大于300㎡的独立甲、乙类单层厂房可采用三级耐火等级的建筑。
2、单、多层丙类厂房和多层丁、戊类厂房的耐火等级不应低于三级。
使用或产生丙类液体的厂房和有火花、赤热表面、明火的丁类厂房,其耐火等级持不应低于二级,当为建筑菌积不大于500㎡的单层丙类厂房或建筑面积不大于1000㎡的单层丁类厂房时,可采用三级耐火等级的建筑。
3、使用或存储特殊贵重的机器、仪表、仪器等设备或物品的建筑,其耐火等级不应低于二级。
4、锅炉房的耐火等接不应低于二级,当为燃煤锅炉房且锅炉的总蒸发量不大于的4t/h时,可采用三级耐火等级的建筑。
5、油浸变压器室、高压配电装置室的耐火等级不应低于二级,其他防火设计应符合现行国家标准《火力发电厂与变电站设计防大规范》GB50229等标准的规定。
6、高架仓痒、离层仓库、甲类仓库、多层乙类仓库和储存可燃液体的多层丙类仓库,其耐火等级不应低于二级。
仓库建筑设计防火规范标准第一、储存物品的火灾危险性分类第4.1.1条储存物品的火灾危险性可按表4.1.1分为五类。
注:①储存物品的火灾危险性分类举例见附录四。
②难燃物品、非燃物品的可燃包装重量超过物品本身重量1/4时,其火灾危险性应为丙类。
第二、库房的耐火等级、层数、占地面积和安全疏散第4.2.1条库房的耐火等级、层数和建筑面积应符合表4.2.1的要求。
注:①高层库房、高架仓库和筒仓的耐火等级不应低于二级;二级耐火等级的筒仓可采用钢板仓。
储存特殊贵重物品的库房,其耐火等级宜为一级。
②独立建造的硝酸铵库房、电石库房、聚乙烯库房、尿素库房、配煤库房以及车站、码头、机场内的中转仓库,其建筑面积可按本表的规定增加1.00倍,但耐火等级不应低于二级。
③装有自动灭火设备的库房,其建筑面积可按本表及注②的规定增加1.00倍。
④石油库内桶装油品库房面积可按现行的国家标准《石油库设计规范》执行。
⑤煤均化库防火分区最大允许建筑面积可为12000m2,但耐火等级不应低于二级。
⑥本条和本规范有关条文中规定的“占地面积”均指建筑面积。
第4.2.2条一、二级耐火等级的冷库,每座库房的最大允许占地面积和防火分隔面积,可按《冷库设计规范》有关规定执行。
第4.2.3条在同一座库房或同一个防火墙间内,如储存数种火灾危险性不同的物品时,其库房或隔间的最低耐火等级、最多允许层数和最大允许占地面积,应按其中火灾危险性最大的物品确定。
第4.2.4条甲、乙类物品库房不应设在建筑物的地下室、半地下室。
50度以上的白酒库房不宜超过三层。
第4.2.5条甲、乙、丙类液体库房,应设置防止液体流散的设施。
遇水燃烧爆炸的物品库房,应设有防止水浸渍损失的设施。
第4.2.6条有粉尘爆炸危险的筒仓,其顶部盖板应设置必要的泄压面积。
粮食筒仓的工作塔、上通廊的泄压面积应按本规范第3.4.2条的规定执行。
第4.2.7条库房或每个防火隔间(冷库除外)的安全出口数目不宜少于两个。
建筑设计防火规范(2018年版)3.3 厂房和仓库的层数、面积和平面布置3.3.1 除本规范另有规定外,厂房的层数和每个防火分区的最大允许建筑面积应符合表3.3.1的规定。
表3.3.1 厂房的层数和每个防火分区的最大允许建筑面积注:1 防火分区之间应采用防火墙分隔。
除甲类厂房外的一、二级耐火等级厂房,当其防火分区的建筑面积大于本表规定,且设置防火墙确有困难时,可采用防火卷帘或防火分隔水幕分隔。
采用防火卷帘时,应符合本规范第6.5.3条的规定;采用防火分隔水幕时,应符合现行国家标准《自动喷水灭火系统设计规范》GB 50084的规定。
2 除麻纺厂房外,一级耐火等级的多层纺织厂房和二级耐火等级的单、多层纺织厂房,其每个防火分区的最大允许建筑面积可按本表的规定增加0.5倍,但厂房内的原棉开包、清花车间与厂房内其他部位之间均应采用耐火极限不低于2.50h的防火隔墙分隔,需要开设门、窗、洞口时,应设置甲级防火门、窗。
3 一、二级耐火等级的单、多层造纸生产联合厂房,其每个防火分区的最大允许建筑面积可按本表的规定增加1.5倍。
一、二级耐火等级的湿式造纸联合厂房,当纸机烘缸罩内设置自动灭火系统,完成工段设置有效灭火设施保护时,其每个防火分区的最大允许建筑面积可按工艺要求确定。
4 一、二级耐火等级的谷物筒仓工作塔,当每层工作人数不超过2人时,其层数不限。
5 一、二级耐火等级卷烟生产联合厂房内的原料、备料及成组配方、制丝、储丝和卷接包、辅料周转、成品暂存、二氧化碳膨胀烟丝等生产用房应划分独立的防火分隔单元,当工艺条件许可时,应采用防火墙进行分隔。
其中制丝、储丝和卷接包车间可划分为一个防火分区,且每个防火分区的最大允许建筑面积可按工艺要求确定,但制丝、储丝及卷接包车间之间应采用耐火极限不低于2.00h的防火隔墙和1.00h的楼板进行分隔。
厂房内各水平和竖向防火分隔之间的开口应采取防止火灾蔓延的措施。
6 厂房内的操作平台、检修平台,当使用人数少于10人时,平台的面积可不计入所在防火分区的建筑面积内。
仓库防火分区的记忆口诀
1.“甲单,3 1 5 1,5 1不3,丁戊三3四1,其余不限”。
这个口诀用于记忆仓库耐火等级和最高层数的关系,先记忆甲类仓库只能是一层,然后记忆耐火等级为三、四级的仓库最多允许是三层,最后记忆丁类和戊类仓库最多允许是四层。
2.“6 2 5,5 3 2 5 7 5 3,一二级乘4,三四级乘3,甲单乙多乘3,250乘2”。
这个口诀用于记忆防火分区面积,其中“6 2 5”表示单层仓库的每个防火分区面积分别不超过6000平方米、2000平方米和500平方米,“5 3 2 5”表示多层仓库的每个防火分区面积分别不超过500平方米、300平方米、200平方米和50平方米。
然后根据不同的耐火等级和甲乙类物品的不同要求进行相应的调整。
3.“见山除山,见寺除寺,山寺不除,梁必除之,山寺皆除,尚士下山”。
这个口诀是一种记忆方式,通过谐音的方式将数字和仓库的名称联系起来,方便记忆。
以上是一些常见的仓库防火分区表格记忆口诀,可以根据自己的实际情况选择适合自己的方式进行记忆。
厂房、库房火灾危险类别、耐火等级、层数、占地面积、防火间距表1、生产火灾危险性分类表GBJ16-87《建筑设计防火规范》(2001年版)第条生产火灾危险性分类表表1生产类别火灾危险性特性甲使用或产生下列物质的生产;1、闪点<28℃的流体。
2、爆炸下限<10%的气体。
3、常温下能自行分解或在空气中氧化即能导致迅速自燃或爆炸的物质。
4、常温下受到水或空气中水蒸气的作用,能产生可燃气体并引起燃烧或爆炸的物质。
5、遇酸、受热、撞击、磨擦、催化以及遇有机物或硫酸等易燃的无机物,极易引起燃烧或爆炸的强氧化剂。
6、受撞击、摩擦或与氧化剂、有机物接触时能引起燃烧或爆炸的物质。
7、在密闭设备内操作温度等于或超过物质本身自燃点的生产。
乙使用或产生下列物质的生产:1、闪点≥28℃至<60℃的液体。
2、爆炸下限≥10%的气体。
3、不属于甲类的氧化剂。
4、不属于甲类的化学易燃危险固体。
5、助燃气体。
6、能与空气形成爆炸性混合物的浮游状态的粉尘、纤维、闪点≥60℃的液体雾滴。
丙使用或产生下列物质的生产:1、闪点≥60℃的液体。
2、可燃固体丁具有下列情况的生产:1、对非燃烧物质进行加工,并在高热或熔化状态下经常产生强辐射热、火花或火焰的生产。
2、利用气体、流体、固体作为燃料或将气体、流体进行燃烧作其它用的各种生产。
3、常温下使用或加工难燃烧物质的生产。
戊常温下使用或加工非燃烧物质的生产。
2、厂房的耐火等级、层数和占地面积表GBJ16-87《建筑设计防火规范》第条厂房的耐火等级、层数和占地面积表2生产类别耐火等级最多允许层数防火分区最大允许占地面积(m2)单层厂房多层厂房高层厂房厂房的地下室和半地下室甲一级二级除生产必须采用多层者外,宜采用单层4000300030002000----乙一级二级不限6500040004000300020001500--丙一级二级三级不限不限2不限8000300060004000200030002000-500500-丁一、二级三级四级不限31不限40001000不限2000-4000--1000--戊一、二级三级四级不限31不限50001500不限3000-6000--1000--注:(1)防火分区间应用防火墙分隔。
2023年丙类仓库防火分区最大允许面积表2023年丙类仓库防火分区最大允许面积表是为了确保仓库的安全,防止火灾蔓延造成更大的损失和危险而制定的一项规定。
根据该表,不同类型的丙类仓库在2023年的防火分区最大允许面积有所差异。
以下是2023年丙类仓库防火分区最大允许面积表的详细内容。
1. 丙类仓库的分类:- 高可燃性:储存易燃易爆物品,如化学品和石油制品。
- 中可燃性:储存一般可燃物品,如食品和纺织品。
- 低可燃性:储存不易燃烧的物品,如金属制品和机械设备。
2. 2023年丙类仓库防火分区最大允许面积表:- 高可燃性仓库:根据燃烧性能等级确定防火分区。
燃烧性能等级为I级的最大允许面积为6000平方米;燃烧性能等级为II级的最大允许面积为4000平方米;燃烧性能等级为III级的最大允许面积为2000平方米。
- 中可燃性仓库:根据燃烧性能等级确定防火分区。
燃烧性能等级为I级的最大允许面积为8000平方米;燃烧性能等级为II级的最大允许面积为6000平方米;燃烧性能等级为III级的最大允许面积为4000平方米。
- 低可燃性仓库:根据燃烧性能等级确定防火分区。
燃烧性能等级为I级的最大允许面积为10000平方米;燃烧性能等级为II级的最大允许面积为8000平方米;燃烧性能等级为III级的最大允许面积为6000平方米。
3. 注意事项:- 在2023年的丙类仓库防火分区最大允许面积表中,对于高可燃性、中可燃性和低可燃性仓库,都需要根据其燃烧性能等级来确定最大允许面积。
燃烧性能等级越高,仓库的最大允许面积越小,这是为了确保防火分区的有效性和安全性。
- 丙类仓库在进行火灾防控时,除了严格遵守最大允许面积的规定外,还需要采取其他预防措施,如合理划分仓库内部的储存区域,设置防火墙和消防设备,定期进行消防安全检查和演练等。
- 丙类仓库的防火分区最大允许面积的规定是基于对火灾的风险评估和灭火能力的考虑而制定的,目的是确保在发生火灾时能够及时控制和扑灭火势,保障人员的生命安全以及降低财产损失。
厂房和仓库的层数、面积和平面布置1、除规范另有规定外,厂房的层数和每个防火分区的最大允许建筑面积应符合表3.3.1的规定。
表3.3.1 厂房的层数和每个防火分区的最大允许建筑面积注:1 防火分区之间应采用防火墙分隔。
除甲类厂房外的一、二级耐火等级厂房,当其防火分区的建筑面积大于本表规定,且设置防火墙确有困难时,可采用防火卷帘或防火分隔水幕分隔。
采用防火卷帘时,应符合本规范第6.5.3条的规定;采用防火分隔水幕时,应符合现行国家标准《自动喷水灭火系统设计规范》GB 50084的规定。
2 除麻纺厂房外,一级耐火等级的多层纺织厂房和二级耐火等级的单、多层纺织厂房,其每个防火分区的最大允许建筑面积可按本表的规定增加0.5倍,但厂房内的原棉开包、清花车间与厂房内其他部位之间均应采用耐火极限不低于2. 50h的防火隔墙分隔,需要开设门、窗、洞口时,应设置甲级防火门、窗。
3 一、二级耐火等级的单、多层造纸生产联合厂房,其每个防火分区的最大允许建筑面积可按本表的规定增加1.5倍。
一、二级耐火等级的湿式造纸联合厂房,当纸机烘缸罩内设置自动灭火系统,完成工段设置有效灭火设施保护时,其每个防火分区的最大允许建筑面积可按工艺要求确定。
4 一、二级耐火等级的谷物筒仓工作塔,当每层工作人数不超过2人时,其层数不限。
5 一、二级耐火等级卷烟生产联合厂房内的原料、备料及成组配方、制丝、储丝和卷接包、辅料周转、成品暂存、二氧化碳膨胀烟丝等生产用房应划分独立的防火分隔单元,当工艺条件许可时,应采用防火墙进行分隔。
其中制丝、储丝和卷接包车间可划分为一个防火分区,且每个防火分区的最大允许建筑面积可按工艺要求确定,但制丝、储丝及卷接包车间之间应采用耐火极限不低于2.00h的防火隔墙和1.00h的楼板进行分隔。
厂房内各水平和竖向防火分隔之间的开口应采取防止火灾蔓延的措施。
6 厂房内的操作平台、检修平台,当使用人数少于10人时,平台的面积可不计入所在防火分区的建筑面积内。
多做题,做好题,首选学川习题集! 点击此处或上方图片预订
特殊情形:
三级耐火等级的丙类液体厂房应为单层,且建筑面积不应大于500㎡。
三级耐火等级的丁类
有火花、赤热表面、明火的厂房应为单层,且建筑面积不应大于1000㎡。
一、二级耐火等级的丙类液体仓库最多允许层数为5层。
三级耐火等级的丙类液体仓库最多允许层数为1层。
三级耐火等级的丙类固体仓库最多允许层数为3层。
2017年注册消防工程师全程提高班网络课程,专人服务,只为通关!
点击购买 学川教育网络课
附:学川教育全程提高班试听课程:灭火器
学川教育全程提高班试听课程:电气线路防火。
本文极具参考价值,如若有用请打赏支持我们!不胜感激!
【专业知识】仓库的耐火等级、层数及面积规定
【学员问题】仓库的耐火等级、层数和面积规定?
【解答】1、厂房内设置自动灭火系统时,每个防火分区的最大允许建筑面积可按规
范规定增加 1.0倍。
当丁、戊类的地上厂房内设置自动灭火系统时,每个防火分区
的最大允许建筑面积不限。
其它厂房和仓库中设置自动灭火系统时,每个防火分区
的最大允许建筑面积可分别按规范规定增加 1.0倍。
仓库内设置自动灭火系统时,每座仓库最大允许占地面积和每个防火分区最大允许
建筑面积可按规范规定增加 1.0倍。
厂房中内局部设置自动灭火系统时,其防火分区增加面积可按该局部面积的 1.0倍计算。
2、使用或储存生产使用或储存特殊贵重的机器、仪表、仪器等设备或或物品的建筑,其耐火等级的建筑物,应为应采用一级耐火等级的建筑。
3、建筑面积小于等于300`m`的独立甲、乙类单层厂房,可采用三级耐火等级的建筑。
4、使用或产生丙类液体的厂房和有火花、赤热表面、明火的丁类厂房,均应采用一、二级耐火等级建筑,当上述丙类厂房的建筑面积小于等于500`m`,丁类厂房的建筑面积小于等于1000`m`时,也可采用三级耐火等级的单层建筑。
5、甲、乙类生产场所不应设置在地下或半地下。
甲、乙类仓库不应设置在地下或半
地下。