水闸课程设计报告书
- 格式:doc
- 大小:1.85 MB
- 文档页数:33
四川水利职业技术学院课程设计说明书目录:第一章总论 (4)第一节概述 (4)一、题目:拦河闸及进水闸枢纽 (4)二、内容: (4)三、任务: (4)第二节、基本资料 (4)一、气象资料 (4)二、地形、地质资料 (5)三、相关技术指标及参数 (5)第三节、综合说明书 (6)一、闸孔形式:开敞式 (6)二、闸底板型式:宽顶堰 (6)三、水闸 (6)四、水闸组成 (6)第二章水力计算及闸室布置 (6)第一节闸室的结构型式及孔口寸确定 (6)一、确定河道上下游相关水位 (6)1、河道水位流量关系曲线 (6)2、进水闸后水位及水深 (8)3、闸前正常水位 (9)二、初步进行拦河闸的总体布置 (9)1、初步拟定闸室总宽度 (9)2、初步拟定闸孔净宽、底板高程、底板长度、底板厚度及闸墩厚度 (9)3、进行拦河闸水力计算 (10)第二节闸室布置 (12)一、确定闸室总宽度 (12)二、确定闸墩顶部高程 (12)三、工作桥顶部高程 (13)四、交通桥,检修桥高程 (13)五、闸门和启闭机 (14)六、闸室的分缝和止水设备 (14)第三节消能防冲设计 (15)一、消力池设计 (15)二、海漫设计 (18)三、防冲槽设计 (18)四、上下游护坡 (19)第三章水闸防渗及排水设计 (19)第一节闸底轮廓布置 (19)一、闸底轮廓布置 (20)二、闸基防渗长度计算 (20)第二节防渗和排水设计及渗透压力计算 (21)一、防渗和排水设计 (21)二、闸基渗透压力计算 (21)第三节防渗排水设施和细部构造 (22)一、防渗排水设施 (22)二、细部构造 (23)第四章闸室稳定计算 (23)第一节荷载及其组合 (23)一、荷载计算 (23)1、自重 (23)2、水重 (24)3、静水压力 (24)4、扬压力 (24)5、浪压力 (25)第二节地基应力验算 (25)第三节闸室稳定验算 (26)第五章道及沉砂池设计 (26)第六章上下游连接建筑物 (27)第一章总论第一节概述一、题目:拦河闸及进水闸枢纽二、内容:1、拟定拦河闸的闸室结构型式、孔口型式、孔口尺寸、孔数。
课程设计水闸一、教学目标本课程的教学目标是让学生掌握水闸的基本概念、结构和功能,了解水闸在水利工程中的重要作用,以及学会水闸的设计和施工方法。
1.了解水闸的定义、分类和特点。
2.掌握水闸的主要结构部件及其功能。
3.了解水闸的工作原理和运行机制。
4.掌握水闸的设计和施工方法。
5.能够分析水闸的结构和功能,解决实际问题。
6.能够运用所学知识进行水闸的设计和计算。
7.能够对水闸施工过程进行监控和管理。
情感态度价值观目标:1.培养学生对水利工程的兴趣和热情,提高学生的专业素养。
2.培养学生团队协作、创新精神和实践能力。
3.使学生认识到水闸在水利工程中的重要性,提高学生的社会责任感和使命感。
二、教学内容本课程的教学内容主要包括水闸的基本概念、结构和功能,水闸的设计和施工方法,以及水闸在水利工程中的应用。
1.水闸的基本概念:水闸的定义、分类和特点。
2.水闸的结构:闸室、闸门、启闭机、两岸连接段等部件的结构和功能。
3.水闸的功能:调节水位、防洪排涝、航运等。
4.水闸的工作原理和运行机制:水闸的开启和关闭、水位变化对水闸运行的影响等。
5.水闸的设计:设计原则、设计步骤、设计方法等。
6.水闸的施工:施工工艺、施工、施工管理等内容。
7.水闸在水利工程中的应用实例:介绍一些典型的水闸工程,分析其在水利工程中的作用和意义。
三、教学方法本课程的教学方法采用讲授法、案例分析法、实验法等多种教学手段,以激发学生的学习兴趣和主动性。
1.讲授法:教师通过讲解水闸的基本概念、结构和功能,以及设计和施工方法,使学生掌握水闸的相关知识。
2.案例分析法:通过分析一些典型的水闸工程案例,使学生了解水闸在水利工程中的应用和重要性。
3.实验法:学生进行水闸模型实验,使学生直观地了解水闸的结构和运行原理。
4.讨论法:学生进行小组讨论,探讨水闸设计和施工中遇到的问题,提高学生的实践能力。
四、教学资源本课程的教学资源包括教材、参考书、多媒体资料、实验设备等。
湖南水利水电职业技术学院Hunan Technical College of Water Resources and Hydro Power课程设计任务书课题名称水闸设计适用专业:水利工程指导老师:张伟龙设计开始日期:2012 年6月14 日设计结束日期:2012 年 6 月18 日水利工程系水闸课程设计任务书一、课程设计的目的课程设计是学生把所学的理论和生产实践相结合的重要环节,所以通过课程设计要达到以下的目的:1、根据理论知识的学习,使所学的专业技能得到巩固、扩大、深入和系统化。
2、培养综合运用所学知识解决实际工程问题的能力,初步掌握水利工程设计的方法和步骤。
3、训练和提高编写设计文件,进行各种计算和绘制水利工程图的能力和技巧。
4、提高独立钻研问题的能力,培养严肃认真,实事求是,刻苦钻研的工作作风。
二、设计的任务:(一)根据所给地形、地质、水文和其它有关资料及相应的规划成果,在给定的闸轴线上进行开敞式水闸设计。
1、闸孔型式选择。
2、通过水力计算,确定水闸闸孔尺寸、孔数及消能防冲形式和尺寸。
3、按防渗要求布置闸基地下轮廓线。
拟定防渗排设备的形式,尺寸和构造。
计算渗透压力。
4、参照已建成类似工程,拟定底板、闸墩、边墩、闸门、启闭机、启闭机桥、公路桥及检修桥的形式和尺寸。
5、闸室稳定计算及地基应力验算。
6、拟定上、下游翼墙及护坡的形式、构造及尺寸。
7、细部构造拟定。
三、设计成果及要求设计成果包括设计图,设计说明书,其要求如下。
1、设计图:一律铅笔绘制,要求制图正确,图面饱满,绘制清晰、比例适当、尺寸齐全。
2、图幅规定为1号图,内容为水闸总体布置平面图与纵剖面图。
1张3、设计说明书:说明书的内容应包括本建筑物的设计原始资料。
设计原理和基本构思以及各部分结构型式和尺寸。
计算部分应列出使用的公式和参数并附有计算简图。
计算结果尽可能以表格形式表达。
四、课程设计时间安排:1、了解任务书及熟悉资料半天2、水力学计算及渗流计算半天3、闸室布置及稳定计算及上下游联接建筑物布置 1天半4、画图 2天5、整理报告半天合计 5天湖南水利水电职业技术学院Hunan Technical College of Water Resources and Hydro Power课程设计指导书课题名称水闸设计适用专业:水利工程指导老师:张伟龙设计开始日期:2012 年6月14 日设计结束日期:2012 年 6 月18 日水利工程系水闸课程设计基本资料一、工程概况本枢纽位于某河下游,主要任务是壅高水位,以满足河流两岸引水灌溉要求,并适当照顾到工业给水、陆路交通等。
水工建筑物水闸课程设计一、教学目标本节课的教学目标是让学生了解和掌握水工建筑物水闸的基本概念、结构形式、工作原理和设计要求。
具体包括:1.知识目标:(1)能够正确理解水闸的定义、分类和功能;(2)熟悉水闸的主要结构组成及其作用;(3)掌握水闸的工作原理和设计要求。
2.技能目标:(1)能够运用所学知识分析和解决实际工程问题;(2)具备一定的绘图和计算能力,能够阅读和理解水闸设计图纸。
3.情感态度价值观目标:(1)培养学生对水工建筑物的兴趣和热爱,提高学生的工程意识;(2)培养学生团队协作、自主学习和创新思维的能力。
二、教学内容本节课的教学内容主要包括以下几个部分:1.水闸的基本概念:介绍水闸的定义、分类和功能,使学生了解水闸在水工建筑物中的重要性。
2.水闸的结构组成:讲解水闸的主要结构组成,包括上游连接段、下游连接段、闸室、工作闸门、启闭设备等,并分析各部分的作用。
3.水闸的工作原理:阐述水闸的工作原理,包括上游水位上升、下游水位下降、闸门开启和关闭等过程,使学生掌握水闸的运行规律。
4.水闸的设计要求:介绍水闸设计的主要依据和原则,包括结构稳定性、泄洪能力、过船条件等,为学生后续学习水闸设计打下基础。
5.案例分析:分析一些典型的水闸工程案例,使学生更好地理解和运用所学知识。
三、教学方法为了提高教学效果,本节课将采用多种教学方法相结合的方式:1.讲授法:教师讲解水闸的基本概念、结构组成、工作原理和设计要求,引导学生掌握知识点。
2.案例分析法:通过分析典型水闸工程案例,使学生更好地理解和运用所学知识。
3.讨论法:学生进行小组讨论,培养学生团队协作和创新思维的能力。
4.实验法:安排学生参观水闸工程,亲身体验水闸的运行原理,提高学生的实践能力。
四、教学资源为了支持本节课的教学,我们将准备以下教学资源:1.教材:选用权威、实用的水工建筑物水闸教材,作为学生学习的主要参考资料。
2.参考书:提供相关领域的参考书籍,丰富学生的知识体系。
目录一、基本设计资料 ----------------------------------- 11、基本概述资料----------------------------------- 12、水流量资料------------------------------------- 13、闸基土质资料----------------------------------- 24、其他资料--------------------------------------- 25、水闸设计标准----------------------------------- 2二、闸址选择 ----------------------------------------------------------------------- 3三、总体枢纽布置 --------------------------------------------------------------- 31、拦河闸的布置----------------------------------- 32、闸室段的布置----------------------------------- 33、上游连接段的布置--------------------------------34、下游连接段的布置--------------------------------4四、水力计算 ----------------------------------------------------------------------- 41、闸孔设计-------------------------------------- 42、消能防冲设计---------------------------------- 73、海漫设计---------------------------------------9五、防渗排水设计 -------------------------------------------------------------- 101、地下轮廓设计--------------------------------- 102 、防渗计算------------------------------------- 11六、闸室的布置与稳定分析------------------------ 151、闸室结构布置--------------------------------- 152、荷载及其组合--------------------------------- 183、闸室稳定计算--------------------------------- 23七、闸室结构设计 --------------------------------- 251、闸墩设计------------------------------------- 252、底板结构设计--------------------------------- 25八、基础处理 -------------------------------------- 29九、主要参考文献---------------------------------- 30一、基本设计资料1、基本概述资料本工程是西通河灌区第一级抽水站的拦河闸,其主要任务是拦蓄西通河的河水,抬高水位满足抽水灌溉的需要,洪水期能够宣泄洪水,保证两岸农田不被洪水淹没。
湖北水利水电职业技术学院综合练习报告系别:水利工程系专业:水利水电建筑工程题目:水闸施工技术课程设计班级:水工(3)班姓名:陈浩指导老师:陈道英成绩:日期:目录1 施工条件分析对外交通施工场地条件水文气象水电供应主要建筑物2料场的选择与开采粘性土料场石料料场砂料料场水泥、钢筋、汽油及柴油3施工导流设计施工标准及导流时段导流建筑物设计. 1施工洪水. 2施工围堰设计4主体工程施工主要施工程序和主要工程量清淤工程开挖工程土方回填砌体拆除工程砼工程砌石、抛石工程碳纤维补强加固工程金属结构工程堤顶道路工程5施工交通运输对外交通场内交通6施工工厂设施7施工总布置布置原则施工房屋建筑弃料场规划施工占地8施工总进度编制原则施工进度安排9主要技术供应主要材料供应主要施工机械设备10设计总结1.施工条件分析对外交通YJC排涝闸位于宜城市城区汉江干堤右岸,桩号为6+500处,距宜城市市城区中心。
本工程可利用现有堤顶路面作为对外施工陆路交通,汉江航道亦可作为水路交通运送主要施工材料。
施工场地条件闸址两岸外滩及堤内坡脚均有部分空闲场地。
由于水闸的规模不大,对场地要求相对不高,因此现有的场地条件基本能满足施工布置的需要。
水文气象水闸所在地流域位于湖北省水文气象分区第Ⅵ区,属北亚热带季风气候区,兼有南北过渡气候特征。
据统计,流域多年平均降水量831mm,历年最大年降雨量1353.6mm(1967年),最小年降雨量为647.3mm(1972年),雨季多集中在夏秋两季,尤其以7、8月为最多,一般占全年降雨量的45%。
多年平均气温℃,历年最高气温为40℃,最低气温为-16℃。
多年平均蒸发量1100mm,多年平均径流深约220mm,多年平均最大风速15.5m/s。
年日照时数在2000h 以上,无霜期为230d,多年平均相对湿度为77%。
全年、冬季、夏季主导风向分别为E、WNW、E。
水电供应工程的施工用水、用电较为方便,施工用水可直接从汉江中提取,用水水质和水量均能满足生产需要,施工用电可由施工单位自备变压器,从当地电网取电后向各施工点供电。
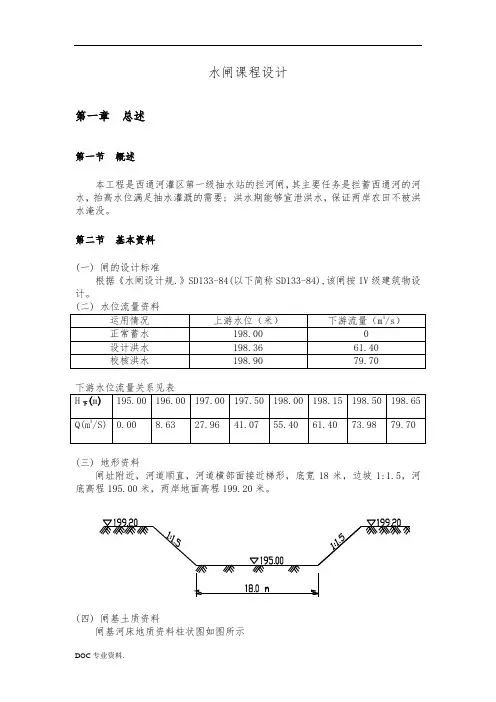
水闸课程设计第一章总述第一节概述本工程是西通河灌区第一级抽水站的拦河闸,其主要任务是拦蓄西通河的河水,抬高水位满足抽水灌溉的需要; 洪水期能够宣泄洪水,保证两岸农田不被洪水淹没。
第二节基本资料(一) 闸的设计标准根据《水闸设计规.》SD133-84(以下简称SD133-84),该闸按IV级建筑物设计。
(三) 地形资料闸址附近,河道顺直,河道横部面接近梯形,底宽18米,边坡1:1.5,河底高程195.00米,两岸地面高程199.20米。
(四) 闸基土质资料闸基河床地质资料柱状图如图所示(五) 其他资料1.闸上交通为单车道,按汽-10设计,带-50校核。
桥面净宽4.0m,总宽为4.4m。
2.闸门采用平面钢闸门,有3米,4米,5米三种规格闸门。
3.该地区地震设计烈度为4度。
4.闸址附近河道有干砌石护坡。
5.多年平均最大风速12米/秒,吹程0.15公里。
第三节工程综合说明书本工程为Ⅳ级拦河闸。
设计采用开敞式水闸。
水闸由上游连接段、闸室段、下游连接段三部分组成。
闸室段位于上、下游连接段之间。
是水闸工程的主体。
其作用是控制水位、调节流量。
包括闸门、闸墩、边墩、底板、工作桥、检修便桥、交通桥、启闭机等。
上游连接段的作用是将上游来水平顺地引进闸室。
包括两岸的翼墙、护坡、铺盖、护底和防冲槽。
下游连接段的作用是引导过闸水流均匀扩散。
通过消能防冲设施。
以保证闸后水流不发生有害的冲刷。
包括消力池、海漫、防冲槽以及两岸的翼墙和护坡。
第二章 水力计算第一节 闸室的结构型式及孔口尺寸确定﹙一﹚闸孔型式的选择该闸建在天然河道上,河道横部面接近梯形,因此采用开敞式闸室结构。
该闸建在天然河道上,为了满足泄洪、冲沙、排污的要求,宜采用结构简单,施工方便,自由出流围较大的无坎宽顶堰,考虑到闸基持力层是粘细砂,土质一般,承载能力不好,并参考该地区已建工程的经验,根据一般情况下,拦河闸的底板顶面可与河底齐平。
即闸底板顶面(即堰顶)与西通河河底齐平,所以高程为195.00 m 。
候王二组水闸课程设计一、课程目标知识目标:1. 学生能够理解水闸的基本概念、构成及作用;2. 学生能够掌握候王二组水闸的地理位置、结构特点及其在水利设施中的作用;3. 学生能够了解水闸在防洪、灌溉、发电等方面的实际应用。
技能目标:1. 学生能够通过观察、分析,学会绘制水闸结构简图;2. 学生能够运用所学知识,设计简单的水闸模型并进行实验;3. 学生能够运用比较、分析、归纳等方法,评估水闸在水利工程中的重要性。
情感态度价值观目标:1. 培养学生对水利工程建设的兴趣,激发他们投身水利事业的热情;2. 学生能够认识到水闸在我国农业、防洪、发电等方面的重要作用,增强对国家水利设施的热爱;3. 学生通过学习水闸相关知识,培养团结协作、解决问题的能力,树立正确的水资源保护意识。
课程性质:本课程为自然科学领域的水利工程知识,结合实际案例分析,注重理论与实践相结合。
学生特点:五年级学生具有一定的观察、分析、动手能力,对水利工程充满好奇。
教学要求:教师需结合实际案例,通过讲解、实验、讨论等多种教学方法,引导学生主动探究,提高学生的实践操作能力和解决问题的能力。
在教学过程中,注重分解课程目标,确保学生能够达到预期学习成果。
二、教学内容1. 水闸基础知识:- 水闸的定义、分类及作用;- 水闸的组成部分及其功能;- 水闸在我国水利工程中的应用案例。
2. 候王二组水闸:- 介绍候王二组水闸的地理位置、建设背景;- 详细讲解候王二组水闸的结构特点;- 分析候王二组水闸在防洪、灌溉等方面的作用。
3. 水闸结构与原理:- 水闸的构造原理及工作原理;- 水闸开启、关闭机制;- 水闸结构对水利设施安全性的影响。
4. 实践教学:- 绘制水闸结构简图,加深对水闸结构的理解;- 设计并制作简单的水闸模型,进行实验操作;- 分析实验结果,评估水闸在水利工程中的重要性。
5. 案例分析:- 选择典型水闸案例,分析其设计、建设、运行过程;- 探讨水闸在水利工程中的关键作用;- 学习成功案例的经验,提高学生解决实际问题的能力。
水利水电水闸课程设计一、课程目标知识目标:1. 让学生理解水利水电水闸的基本原理和结构组成,掌握水闸的运行机制及其在水利工程中的作用。
2. 使学生掌握水利水电水闸设计的基本步骤和主要参数,能够运用相关公式进行简单计算。
3. 帮助学生了解水利水电水闸工程的管理与维护知识,提高对水利工程安全性的认识。
技能目标:1. 培养学生运用CAD软件绘制水利水电水闸平面布置图和剖面图的能力。
2. 培养学生根据实际工程需求,合理选择水闸类型和设计参数的能力。
3. 提高学生通过小组合作,进行水利水电水闸设计方案的讨论、比较和优化的能力。
情感态度价值观目标:1. 激发学生对水利水电工程建设的兴趣,培养其投身水利工程建设的职业情感。
2. 培养学生严谨的科学态度,注重实际操作,强调理论与实践相结合。
3. 增强学生的环保意识,使其在设计过程中充分考虑生态环境保护,体现绿色可持续发展理念。
课程性质:本课程为实践性较强的学科课程,结合理论教学和实际操作,培养学生具备水利水电水闸设计的基本能力。
学生特点:学生为高中年级学生,具备一定的物理、数学基础,对水利工程有初步了解,具备一定的自学和动手能力。
教学要求:结合学生特点,注重理论联系实际,采用案例教学、小组合作等方法,提高学生的实际操作能力和解决问题的能力。
通过课程学习,使学生达到上述课程目标,为后续相关课程学习和未来职业发展奠定基础。
二、教学内容1. 水利水电水闸基本原理:讲解水闸的工作原理、结构类型及功能,结合教材第一章内容,让学生掌握水闸工程的基本概念。
2. 水闸设计步骤与参数:分析水闸设计的主要步骤,包括初步设计、详细设计和施工图设计,学习教材第二章关于水闸设计参数的确定方法。
3. 水闸工程管理与维护:介绍水闸工程的管理制度、维护方法及安全监测,结合教材第三章内容,提高学生对水利工程安全管理的认识。
4. 水利水电水闸平面布置图和剖面图绘制:教授CAD软件的基本操作,指导学生绘制水闸平面布置图和剖面图,参考教材第四章内容。
目录一、基本资料 (1)(一)工程概况 (1)(二)地质资料 (1)(三)建筑材料 (2)(四)水文气象 (2)(五)批准的规划成果 (2)二、闸孔设计 (3)(一)拟定闸孔尺寸及闸墩厚度 (3)(二)校核泄洪能力 (4)三、消能设计 (5)(一)消能防冲设计的控制情况 (5)(二)消力池尺寸及构造 (7)1、消力池深度计算 (7)2、消力池池长 (7)四、防冲槽设计 (10)五、上下游岸坡防护 (11)(一)闸底地下轮廓线的布置 (11)(二)排水设备的细部构造 (12)(三)防渗计算 (15)一、基本资料(一)工程概况某拦河闸位于京广铁路上游和颍河口下游之间,流域面积2234km2,流域内耕地面积288万亩。
农作物以种植小麦、棉花等经济作物为主,河流平均纵坡1/6200。
本工程属三级建筑物。
本工程投入使用后,在正常高水位时,可蓄水2230万m3。
上游5个县25个乡已建成提灌站42处,有效灌溉面积25万亩。
闸上游开南、北两干渠,配支干 23条,修建各种建筑物1230座,可自流灌溉下游三县21万农田,效益巨大,是解决某河流域农田的灌溉动脉,同时,也是解决地区浅层地下贫水区的重要水源。
(二)地质资料1.根据地质钻探资料,闸址附近地层中粉质壤土,厚度约25m,其下为不透水层,其物理力学性质如下:土壤湿重度γ湿=20.2kN/m3土壤干重度γ干=16.0kN/m3土壤饱和重度γ饱=22.2kN/m3土壤浮重度γ浮=12.2 kN/m3土壤自然含水量时,内摩擦角φ=23°土壤饱和含水量时,内摩擦角φ=20°土壤的黏聚力C=0.1kN/m2地基允许承载力[p]=150kPa混凝土、砌石与土基摩擦系数f=0.36地基应力的不均匀系数[η]=1.5~2.0渗透系数K=9.29×10-3cm/s2.本地区地震烈度为60以下(三)建筑材料1.石料。
本工程位于平原地区、山丘少,石料需从外地供给,距京广线很近,交通条件较好。
湖北水利水电职业技术学院综合练习报告系别: 水利工程系专业: 水利水电建筑工程题目: 水闸施工技术课程设计班级: 水工( 3) 班姓名: 陈浩指导老师: 陈道英成绩: 日期:目录1 施工条件分析1.1对外交通1.2施工场地条件1.3水文气象1.4水电供应1.5主要建筑物2料场的选择与开采2.1粘性土料场2.2石料料场2.3砂料料场2.4水泥、钢筋、汽油及柴油3施工导流设计3.1施工标准及导流时段3.3导流建筑物设计3.3. 1施工洪水3.3. 2施工围堰设计4主体工程施工4.1主要施工程序和主要工程量4.2清淤工程4.3开挖工程4.4土方回填4.5砌体拆除工程4.6砼工程4.7砌石、抛石工程4.8碳纤维补强加固工程4.9金属结构工程4.10堤顶道路工程5施工交通运输5.1对外交通5.2场内交通6施工工厂设施7施工总布置7.1布置原则7.2施工房屋建筑7.3弃料场规划7.4施工占地8施工总进度8.1编制原则8.2施工进度安排9主要技术供应9.1主要材料供应9.2主要施工机械设备10设计总结1.施工条件分析1.1对外交通YJC排涝闸位于宜城市城区汉江干堤右岸, 桩号为6+500处, 距宜城市市城区中心5.0km。
本工程可利用现有堤顶路面作为对外施工陆路交通, 汉江航道亦可作为水路交通运送主要施工材料。
1.2施工场地条件闸址两岸外滩及堤内坡脚均有部分空闲场地。
由于水闸的规模不大, 对场地要求相对不高, 因此现有的场地条件基本能满足施工布置的需要。
1.3水文气象水闸所在地流域位于湖北省水文气象分区第Ⅵ区, 属北亚热带季风气候区, 兼有南北过渡气候特征。
据统计, 流域多年平均降水量831mm, 历年最大年降雨量1353.6mm( 1967年) , 最小年降雨量为647.3mm( 1972年) , 雨季多集中在夏秋两季, 特别以7、8月为最多, 一般占全年降雨量的45%。
多年平均气温15.6℃, 历年最高气温为40℃, 最低气温为-16℃。
目录第一章总论------------------------------ 错误!未定义书签。
一、工程概述-------------------------- 错误!未定义书签。
二、基本资料-------------------------- 错误!未定义书签。
三、工程综合说明书-------------------- 错误!未定义书签。
第二章水力计算-------------------------- 错误!未定义书签。
一、闸室的结构形式及孔口寸确定-------- 错误!未定义书签。
二、消能防冲设计---------------------- 错误!未定义书签。
第三章水闸防渗及排水设计---------------- 错误!未定义书签。
一、闸底轮廓布置---------------------- 错误!未定义书签。
二、防渗和排水设计及渗透压力计算------ 错误!未定义书签。
三、防渗排水设施和细部构造------------ 错误!未定义书签。
第四章闸室的布置和构造---------------- 错误!未定义书签。
一、闸底板、闸墩---------------------- 错误!未定义书签。
二、工作桥、公路桥、检修便桥---------- 错误!未定义书签。
三、闸门和启闭机---------------------- 错误!未定义书签。
四、闸室的分缝和止水设备-------------- 错误!未定义书签。
第五章闸室的稳定计算-------------------- 错误!未定义书签。
一、荷载及其组合---------------------- 错误!未定义书签。
二、地基应力验算---------------------- 错误!未定义书签。
第六章上下游建筑物---------------------- 错误!未定义书签。
一、连接建筑物的作用------------------ 错误!未定义书签。
湖南水利水电职业技术学院Hunan Technical College of Water Resources and Hydro Power课程设计指导书设计项目名称水闸设计姓名专业:水利工程班级:学号:指导老师:任务下达日期:2015 年05月18日设计完成日期:2015 年05月24日一、要求 (2)二、设计项目简介 (2)三、参考文献 (2)四、设计内容 (2)(一)闸址的选择 (2)(二)闸底板及闸型确定 (2)(三)工程等级及防洪标准 (3)(四)拟定闸孔尺寸及闸墩厚度 (3)(五)消能设施 (4)(六)闸底地下轮廓线的布置 (7)2、布置原则 (7)3、地下轮廓线布置 (7)校核地下轮廓线的长度 (7)地下轮廓线简图。
(7)计算你所画图的地下轮廓线的长度,与要求的L比较。
... 错误!未定义书签。
(七)防渗计算 .. (8)(八)闸墩高程确定 (9)(九)实训心得 (10)一、要求1.通过对水闸的课程设计,使学生初步掌握水闸设计的内容、方法、步骤,以及一般原则,加深和巩固水利工程建筑设计技术专业课的基础理论知识,培养学生独立工作和分析、解决实际工程问题的能力。
2.通过课程设计,培养学生的正确设计思想、严谨的工作作风、塌实肯干和求实奋进的精神。
3.通过课程设计,使学生在设计、计算、查阅参考文献及资料、绘图和编写说明书等方面提高能力,掌握技巧。
二、设计项目简介在沩水河河道上修建一水闸。
闸址处河床宽120m,坝轴线处河床最低高程为92.0m,河床覆盖层上层为砂卵砾石,厚7.0m,属强透水层;其下为砂砾岩,为弱透水岩层。
根据水文计算,水闸的水位为已知。
当地有足够建土石坝的填筑土料,其物理力学性质见表格。
三、参考文献主要参考文献及规范、规程(由指导教师选定)(1)《水利水电工程等级划分及洪水标准》(SL252-2000);(2)《水闸设计规范》(SL265-2001)。
四、设计内容(一)闸址的选择闸址、闸轴线的选择关系到工程的安全可靠、施工难易、操作运用、工程量及投资大小等方面的问题。
水闸课程设计任务书及指导书水利水电工程适用农业水利工程河北农业大学城乡建设学院水利系20010年3月进水闸课程设计任务书及指导书一、设计任务于某河石岸设计一座进水闸,每年3~11月按要求供给××灌区210万亩土地灌溉用水。
(据规范,灌溉面积大于150万亩为一等工程,主要建筑物为一级建筑物)二、设计资料1、建筑物的级别及枢纽组成:经初步设计,本建筑物为Ⅰ级建筑物,引水枢纽包括栏沙潜堰、闸前引水段、进水闸、闸后衔接段、沉沙池五部分,为满足农业生产用水的需要,先按无坝引水设计。
其工程布置见附图㈠。
2、水文水利资料(1)灌期引水量及相应的闸前闸后水位,见附表㈠。
(2)灌期闸前闸后水位过程线,见附图㈡。
(3)闸下游流量水深表,见附表㈡。
(4)闸下游流量水深关系曲线,见附图㈢。
(5)设计洪水位17.00m(6)校核洪水位18.50m(7)消能设计水位15.00m(是按枯水期曾出现的最高水位考虑的),洪水期如仍拟引水,在水位15.00~17.00m之间时可制定闸门操作规程控制引水。
(8)设计引水量为120m3/s3、初步设计拟定数据根据水工模型试验,进水闸引水角为40进水闸闸底高程9.5m海漫起点高程9.5m引水段渠底高程9.5m引水段长度150m(边坡m=2)下游衔接长度150m下游衔接段渠底高程10.2m衔接段渠底宽度b62m衔接段渠底坡度i1/10000衔接段糙率m0.02衔接段边坡内坡1:2 外坡1:2.5闸前渠道堤顶宽度10.0m闸前渠道堤顶高程19.2m闸后渠道堤顶宽度 4.0m闸后渠道堤顶高程14.0m进水闸附近地形平坦,一般地面高程13.5m闸上设公路桥,标准为汽——15级双车道公路桥路面宽度(不算人行道)7.0m(另加每侧人行道宽1.0m)公路桥桥面高程18.3m启闭设备:采用启闭机启闭(一门一机,手电两用式卷杨机,机重2T/台)。
闭门型式:平面直升式钢闸门(设胸墙时按潜孔闸门公式计算门重)4、浪压力:根据渠首水文站观测,浪高仅0.2~0.3m,影响不大,可不考虑。
水闸课程设计任务书及指导书水利水电工程适用农业水利工程河北农业大学城乡建设学院水利系20010年3月进水闸课程设计任务书及指导书一、设计任务于某河石岸设计一座进水闸,每年3~11月按要求供给××灌区210万亩土地灌溉用水。
(据规范,灌溉面积大于150万亩为一等工程,主要建筑物为一级建筑物)二、设计资料1、建筑物的级别及枢纽组成:经初步设计,本建筑物为Ⅰ级建筑物,引水枢纽包括栏沙潜堰、闸前引水段、进水闸、闸后衔接段、沉沙池五部分,为满足农业生产用水的需要,先按无坝引水设计。
其工程布置见附图㈠。
2、水文水利资料(1)灌期引水量及相应的闸前闸后水位,见附表㈠。
(2)灌期闸前闸后水位过程线,见附图㈡。
(3)闸下游流量水深表,见附表㈡。
(4)闸下游流量水深关系曲线,见附图㈢。
(5)设计洪水位17.00m(6)校核洪水位18.50m(7)消能设计水位15.00m(是按枯水期曾出现的最高水位考虑的),洪水期如仍拟引水,在水位15.00~17.00m之间时可制定闸门操作规程控制引水。
(8)设计引水量为120m3/s3、初步设计拟定数据根据水工模型试验,进水闸引水角为40进水闸闸底高程9.5m海漫起点高程9.5m引水段渠底高程9.5m引水段长度150m(边坡m=2)下游衔接长度150m下游衔接段渠底高程10.2m衔接段渠底宽度b62m衔接段渠底坡度i1/10000衔接段糙率m0.02衔接段边坡内坡1:2 外坡1:2.5闸前渠道堤顶宽度10.0m闸前渠道堤顶高程19.2m闸后渠道堤顶宽度 4.0m闸后渠道堤顶高程14.0m进水闸附近地形平坦,一般地面高程13.5m闸上设公路桥,标准为汽——15级双车道公路桥路面宽度(不算人行道)7.0m(另加每侧人行道宽1.0m)公路桥桥面高程18.3m启闭设备:采用启闭机启闭(一门一机,手电两用式卷杨机,机重2T/台)。
闭门型式:平面直升式钢闸门(设胸墙时按潜孔闸门公式计算门重)4、浪压力:根据渠首水文站观测,浪高仅0.2~0.3m,影响不大,可不考虑。
水工建筑物水闸课程设计一、课程目标知识目标:1. 学生能理解水闸的基本概念、结构类型及工作原理;2. 学生能掌握水闸工程的设计流程和关键参数的计算方法;3. 学生能了解水闸施工技术及其在水利工程中的应用。
技能目标:1. 学生能运用水闸设计的基本理论,独立完成小型水闸的设计方案;2. 学生能运用水工建筑物相关软件,对水闸工程进行模拟和分析;3. 学生具备解决实际水闸工程问题的能力,能够根据地形、地质等条件合理选择水闸类型和设计参数。
情感态度价值观目标:1. 学生培养对水利工程建设的热爱,增强对水资源的保护和利用意识;2. 学生树立正确的工程观念,注重工程质量和安全,提高社会责任感;3. 学生通过团队协作,培养沟通、交流和合作能力。
本课程针对高年级水利工程相关专业学生,结合课程性质、学生特点和教学要求,将目标分解为具体的学习成果。
课程注重理论知识与实践操作相结合,培养学生具备独立设计和解决实际工程问题的能力。
通过本课程的学习,为学生未来从事水利工程设计和施工打下坚实基础。
二、教学内容1. 水闸概述:水闸的定义、分类、作用及在水利工程中的重要性;教材章节:第二章 水利工程施工技术 2.1节 水闸工程概述2. 水闸结构设计:水闸各部分结构及其工作原理,包括闸室、上下游连接段、基础和闸门等;教材章节:第二章 2.2节 水闸结构设计3. 水闸设计流程与参数计算:设计流程、主要设计参数及其计算方法,如流量计算、水位计算等;教材章节:第二章 2.3节 水闸设计参数计算4. 水闸施工技术:施工准备、施工方法、施工质量控制及安全措施;教材章节:第二章 2.4节 水闸施工技术5. 水闸工程实例分析:分析典型水闸工程案例,了解工程实际应用中的关键问题及解决方案;教材章节:第二章 2.5节 水闸工程实例分析6. 水工建筑物软件应用:介绍水工建筑物相关软件,如AutoCAD、Revit 等,并应用于水闸工程设计;教材章节:附录 水工建筑物软件应用教学内容按照以上安排进行,教学进度根据课程目标和学生的学习情况适时调整。