折弯展开计算对照表
- 格式:pdf
- 大小:110.30 KB
- 文档页数:5
折弯展开计算公式【超简单】内容来源网络,由深圳机械展收集整理!更多折弯等钣金设备展示,就在深圳机械展!在钣金展开中,影响展开长度计算精度的因素有:折弯内弧半径r下模V型槽宽,板料实际厚度t',和弯曲曲角度α。
自由折弯板料在展开长度计算时,没有明确的公式来计算折弯系数,只能查到不同折弯内弧半径的折弯系数。
而内弧半径与加工工艺有关,使用不同的下模V型槽宽,内弧半径也不相同,导致无法获得折弯系数的准确性。
一般是凭经验判断折弯系数,不同的人判断的折弯系数也不相同。
在钣金中折弯中,经常用到形式分为L折N折和Z折几种。
下面我们对几种钣金的展开做个探讨。
1、L折,L折分90°折和非90°折。
在90°折方面,根据经验折弯系数总结如下表在非90°方面,根据经验折弯系数总结如下。
L=A+B+补偿量*仅供参考T=0.8 R=0.5 120°≤q≤160° 补偿量为0.1 160°<q≤180° 可忽略不计T=1.0 R=0.5 120°≤q≤145° 补偿量为0.2 145°<q≤170° 补偿量为0.1170°<q≤180° 可忽略不计T=1.2 R=0.5 补偿量与T=1.0相同T=1.5 R=0.5 120°≤q≤130° 补偿量为0.3 130°<q≤150° 补偿量为0.2150°<q≤170° 补偿量为0.1170°<q≤180° 可忽略不计180& deg;-qL=A+B+------ (2*∏*r)360°例:钣金展开图的计算是要用一个系数来计算的,这个系数一般都用1.645!计算方法是工件的外形尺寸相加,再减去1.645*板厚*弯的个数,例如,折一个40*60的槽钢用板厚3的冷板折,那么计算方法就是40+40+60(外形尺寸相加)—1.645(系数)*3(板厚)*2(弯的个数)=130.13(下料尺寸)一般6毫米之内都是这样计算的了一般铁板0.5—4MM之内的都是A+B-1.6T。
板厚折弯系数 板厚 折弯系数 折弯展开计算(折弯角度为90°): L=L1+L22δ+ZL:展开长度L1:边长1(见右图)L2:边长2(见右图)δ:板厚Z:折弯系数(见下表)铁板:1.0 1.2 1.5 1.8(热板)2.0 2.53.0 Z 无0.4 0.5 0.6 0.75 0.8 1 无刨槽折弯 (冷板) 22 2、5 * 3、25 4、2 5 刨槽折弯 (冷板) 11 1、5 * 2、0 2、5 3 无刨槽折弯(热板)* * 3 * * 5 不锈钢板:1.01.2 1.5 1.82.0 2.53.0 Z无 0.4 0.5 0.6 0.75 0.8 1 全国注册建筑师、建造师考试 备考资料 历年真题 考试心得 模拟试题Q/ZB J65—20101钣金展开计算方法2、1 板料在弯曲过程中外层受到拉应力,內层受到压应力,从拉到压之间有一既不受拉力又不受压力得过度层为中性层;中性层在弯曲过程中得长度与弯曲前一样,保持不变,所以中性层就是计算弯曲件展开长度得基准。
2、2 中性层得位置与变形程度有关,当弯曲半径较大,折弯角度较小时,变形程度较小,中性层位置靠近板料厚度得中心处;当弯曲半径较小,折弯角度增大时,变形程度随之增大,中性层位置逐渐向弯曲中心得內侧移动。
中性层到板料內侧得距离用λ表示(见图一)。
3 折弯模具:我们使用得小松数控折弯机所配套得普通折弯模具V型槽宽度通常为适用该折弯模得板厚得5-6倍。
板厚与适用V型槽宽(见表1)。
表1 板厚与适用V型槽宽参数板厚(t) 1、0, 1、2,1、51、5,2、0 2、5,3、0 3、0,4、0,5、0适用V槽宽度81216254 展开计算方法: 4、1 90°折弯(一般折弯)Q/ZB J65—201024、1、1 (如图二),由于我们常用得折弯上模得尖角通常小于0、5,所以折弯内圆弧R可以视为定值,因此折弯拉伸系数得影响因素主要取决于折弯下模槽宽V与材料厚度t。
板厚 折弯系数板厚 折弯系数折弯展开计算(折弯角度为90°): L=L1+L2-2δ+ZL:展开长度L1:边长1(见右图)L2:边长2(见右图)δ:板厚Z :折弯系数(见下表)铁板:1.0 1.2 1.5 1.8(热板) 2.0 2.5 3.0 Z无 0.4 0.5 0.6 0.75 0.8 1 无刨槽折弯(冷板)2 2 2.5 * 3.25 4.2 5 刨槽折弯(冷板)1 1 1.5 * 2.0 2.5 3 无刨槽折弯(热板) * * 3 * * 5 不锈钢板:1.01.2 1.5 1.8 2.0 2.5 3.0 Z无 0.4 0.50.6 0.75 0.8 1Q/ZB J65—20101钣金展开计算方法1 范围公司折弯次数小于8次的常规钣金件适用本方法,精密钣金件、折弯次数较多或折弯内圆弧半径R有特殊要求的钣金件需进行试折弯。
2 展开计算原理:2.1 板料在弯曲过程中外层受到拉应力,內层受到压应力,从拉到压之间有一既不受拉力又不受压力的过度层为中性层;中性层在弯曲过程中的长度和弯曲前一样,保持不变,所以中性层是计算弯曲件展开长度的基准。
2.2 中性层的位置与变形程度有关,当弯曲半径较大,折弯角度较小时,变形程度较小,中性层位置靠近板料厚度的中心处;当弯曲半径较小,折弯角度增大时,变形程度随之增大,中性层位置逐渐向弯曲中心的內侧移动。
中性层到板料內侧的距离用λ表示(见图一)。
3 折弯模具:我们使用的小松数控折弯机所配套的普通折弯模具V型槽宽度通常为适用该折弯模的板厚的5-6倍。
板厚与适用V型槽宽(见表1)。
表1 板厚与适用V型槽宽参数板厚(t) 1.0, 1.2,1.51.5,2.0 2.5,3.0 3.0,4.0,5.0适用V槽宽度81216254 展开计算方法: 4.1 90°折弯(一般折弯)Q/ZB J65—201024.1.1 (如图二),由于我们常用的折弯上模的尖角通常小于0.5,所以折弯内圆弧R可以视为定值,因此折弯拉伸系数的影响因素主要取决于折弯下模槽宽V和材料厚度t。
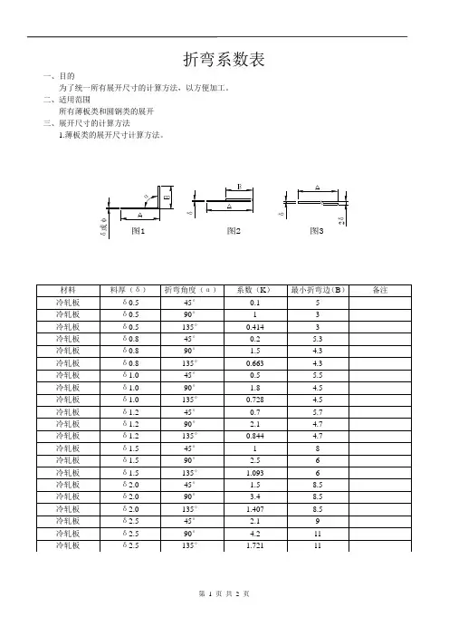
折弯系数表一、目的
为了统一所有展开尺寸的计算方法,以方便加工。
二、适用范围
所有薄板类和圆钢类的展开
三、展开尺寸的计算方法
1.薄板类的展开尺寸计算方法。
1.2镀锌板、电解板和不锈钢板与冷轧板的系数一样。
1.3铝板与铜板的系数一样,系数是冷轧板相对应料厚和角度的系数再减0.2,如冷轧板δ
2.0折弯90°
的系数是3.4,则铝板或铜板δ2.0折弯90°的系数是3.2,以此类推。
1.4压死边的展开尺寸公式L=A+B-0.5δ(如图2)
1.5压台阶的展开尺寸公式L=A +0.3δ(如图3)
2.
3.
4.以上系数表适合于折弯内圆角≤δ或φ,>δ或φ则按中性层计展开尺寸。
钣金折弯系数表【1】2022年3月23日;第1页共7页
2022年3月23日;第2页共7页
2022年3月23日;第3页共7页
2022年3月23日;第4页共7页
2022年3月23日;第5页共7页
2022年3月23日;第6页共7页
钣金折弯系数
钣金折弯跟展平时,材料一侧会被拉长,一侧被压缩,受到的因素影响有:材料类型、材料厚度、材料热处理及加工的状况及折弯的角度。
PROE 在进行钣金的折弯和展平时,会自动计算材料被拉伸或压缩的长度。
计算公式如下:
L=0.5π×(R+K系数×T)×(θ/90)
L: 钣金展开长度(Developed length)
R: 折弯处的内侧半径(Inner radius)
T: 材料厚度
θ: 折弯角度
Y系数: 由折弯中线(Neurtal bend line)的位置决定的一个常数,其默认值为0.5(所谓的“折弯中线”)。
可在config中设定其默认值
initial_bend_factor
在钣金设计实际中,常用的钣金展平计算公式是以K系数为主要依据的,范围是0~1,表示材料在折弯时被拉伸的抵抗程度。
与Y系数的关系如下
Y系数=(π/2)×k系数
2022年3月23日;第7页共7页。
钣金折弯系数表和计算公式
(总1页)
-CAL-FENGHAI.-(YICAI)-Company One1
-CAL-本页仅作为文档封面,使用请直接删除
钣金折弯系数表
钣金折弯系数
钣金折弯跟展平时,材料一侧会被拉长,一侧被压缩,受到的因素影响有:材料类型、材料厚度、材料热处理及加工的状况及折弯的角度。
PROE在进行钣金的折弯和展平时,会自动计算材料被拉伸或压缩的长度。
计算公式如下:
L=0.5π×(R+K系数×T)×(θ/90)
L: 钣金展开长度(Developed length)
R: 折弯处的内侧半径(Inner radius)
T: 材料厚度
θ: 折弯角度
Y系数: 由折弯中线(Neurtal bend line)的位置决定的一个常数,其默认值为0.5(所谓的“折弯中线”)。
可在config中设定其默认值initial_bend_factor
在钣金设计实际中,常用的钣金展平计算公式是以K系数为主要依据的,范围是0~1,表示材料在折弯时被拉伸的抵抗程度。
与Y系数的关系如下
Y系数=(π/2)×k系数。
总结的各种钣金折弯展开计算公式真是太全了1.折弯一刀展开图例和计算公式A、B--工件弯边长度P'一弯边折弯系数(折弯系数:弯一刀城一个系数)R--弯边圆角(一般为板厚)T-—材料厚度展开长度L=A+B-P’即L=25+65-5.5=84.5按表1板厚为3下模为V25折弯系数为5.5注:按表1,选用下模不同折弯系数不同,板厚不同折弯系数不同。
2.折弯二刀展开图例和计算公式A(A1)、B--工件弯边长度P'——弯边折弯系数(折弯系数:弯一刀减一个系数)R--弯边圆角(一般为板厚)T--材料厚度展开长度L=A+T+B-2xP’即L=50+2+50-2×3.4=95.6按表1板厚为2下模为V12折弯系数为3.4注:按表1,选用下模不同折弯系数不同,板厚不同折弯系数不同3.折弯三刀展开图例和计算公式A(A1)、B(B1)-一工件弯边长度P'——折弯系数(弯一刀减一个系数)R--弯边圆角(一般为板厚)T—-材料厚度展开长度L=A+T+B+T-3xP’即L=50+2+90+2-3×3.4=133.8按表1板厚为2下模为V12折弯系数为3.4注:按表1,选用下模不同折弯系数不同,板厚不同折弯系数不同4.折弯四刀展开图例和计算公式A(A1)、B(B1)-一工件弯边长度P'——折弯系数(弯一刀减一个系数)R--弯边圆角(一般为板厚)T—-材料厚度展开长度L=A+T+B+T-3xP’即L=50+2+90+2-3×3.4=133.8按表1板厚为2下模为V12折弯系数为3.4注:按表1,选用下模不同折弯系数不同,板厚不同折弯系数不同4.折弯四刀展开图例和计算公式A、B(B1)—一工件弯边长度P’—-弯边折弯系数(折弯系数:弯一刀减一个系数)R--弯边圆角(一般为板厚)T-—材料厚度展开长度L=A+A+B+T+T-4xP’即L=25+25+100+1.5+1.5-4×2.8=141.8按表板厚为1.5下模为V12折弯系数为2.8注:按表1,选用下模不同折弯系数不同,板厚不同折弯系数不同5.折弯六刀展开图例和计算公式A(A1)、B(B1)一工件弯边长度P'—弯边折弯系数(折弯系数:弯一刀减一个系数)R--弯边园角(一般为板厚)T一材料厚度L=A+T+A+T+B+B1+B1-6xP’即L=50+1.5+50+1.5+150+20+20-6×2.8=276.2按表1板厚为1.5下模为V12折弯系数为2.8注:按表1,选用下模不同折弯系数不同,板厚不同折弯系数不同。
序号
折弯计算方式
展開長度
备注
折弯刀数种类
1直接折彎 (30度--- 110
度) 折彎展開算法
外觀尺寸總和-(板厚*板材系數*折彎刀數)
n1折弯刀数30-110度2直接折彎 (大于110度小于160度) 折彎展開算法外觀尺寸總和-(0.5*折彎刀數)n2折弯刀数110-160度
3直接折彎 (大于160度) 折彎展開算法外觀尺寸總和
此程计算不用填折弯刀数种类n3折弯刀数大于160度4直接折彎 (壓死邊) 折彎展開算法外觀尺寸總和-(1/2板厚*折彎刀數)外观尺寸之和=TS 展开长度-T*1.136n4折弯刀数压死边5直接折彎 (壓空邊) 折彎展開算法外觀尺寸之和外观尺寸之和=TS 展开长度-T*1.136
n5折弯刀数压空边
6圓弧彎弧展開算法
中心線弧長 展开长度=ts 的外弧展开尺寸-3.14159*T/2n6圆弧折弯7直接折彎30˚以下折彎展開算法
外觀尺寸之和
此程计算不用填折弯刀数种类
n7折弯刀数小于30度8刨槽折彎 (大于30度小于110度) 展開算法外觀尺寸之和 - (剩余厚度*2*折彎刀數)n8刨槽折弯刀数30-110度9刨槽折彎 (小于30度) 展開算法 外觀尺寸之和
此程计算不用填折弯刀数种类
n9刨槽折弯刀数小30度10
刨槽折彎 (大于110度) 展開算法
外觀尺寸之和-0.5*折彎刀數
n10刨槽折弯刀数大于110度
折弯计算方式汇总
制表:范立荣
1 of 12012/5/22。
一.产品展开计算标准一.目的统一公司内部标准,使产品展开快速标准,使公司内部产品制作,测量标准统一.二.适用范围本标准适用于各类薄板的展开计算.三.展开计算原理板料在弯曲过程中外层受到拉应力,内层受到压应力,理论上内外层之间有一既不受拉也不受压的过渡层------中性层.中性层为一假想层,在弯曲过程中中性层被假想为与弯曲前状态保持一致,即长度始终不变,所以中性层是计算弯曲件长度的基准.中性层位置与变形程度有关,当弯曲半径较大,折弯角度较小时,变形程度较小,中性层位置靠近板料厚度的中心处;当弯曲半径变小,折弯角度增大时,变形程度随之增大.中性层位置逐渐向弯曲中心的内侧移动.中性层到板料内侧的距离用A表示。
(图1)折弯方法的确定折弯方法有单发冲床模具折弯和折弯机模具折弯两种方法.单发冲床模具折弯的方式及精度是由模具来实现的.因此只要做出合格的模具,就能够生产出合格的折弯产品.而采用折弯机折弯不仅需要选用合适的折弯模,还必须调试折弯参数.因此,如采用折弯机折弯,计算展开尺寸时就必须考虑折弯机的折弯方法.1.一次一道弯.此种折弯由普通通用折弯模来完成.包括折直角,钝角和锐角.(如图2)2. 一次折两道弯--------压锻差.此种折弯由专用特殊模来完成,但折弯难度比普通折弯大.(如图3)3. 压死边.此种折弯也须用特殊模来完成.(如图4)4.大R圆弧折弯。
些种折弯如R在一定范围内,可用专用R模压成形,如R值过大,则须用小R模多次压制成形。
(如图5)图5这四种折弯的展开计算是不同的。
因此在看图时,要根据零件的折弯尺寸来确定使用何种折弯方法。
一般使用的NC数控折弯设备都是日本AMADA(天田)公司所生产的。
其折弯机所配套的普通通用折弯模具V形槽宽度通常为适用该折弯模的板厚的5-6倍.如采用一次折一道弯的方法,必须考虑到折弯模的V形槽的宽度W1及V形槽一边到模具外侧的宽度L1。
如图6:折弯高度H的经验值根据产品形状有如下三种(以90度为例,钝角和锐角与直角相近相似):1.简单的90度单边折弯。
板厚 折弯系数板厚 折弯系数折弯展开计算(折弯角度为90°): L=L1+L2-2δ+ZL:展开长度L1:边长1(见右图)L2:边长2(见右图)δ:板厚Z :折弯系数(见下表)铁板:1.0 1.2 1.5 1.8(热板) 2.0 2.5 3.0 Z无 0.4 0.5 0.6 0.75 0.8 1 无刨槽折弯(冷板)2 2 * 5 刨槽折弯(冷板)1 1 * 3 无刨槽折弯(热板) * * 3 * * 5 不锈钢板:1.01.2 1.5 1.8 2.0 2.5 3.0 Z无 0.4 0.50.6 0.75 0.8 1Q/ZB J65—20101钣金展开计算方法1 范围公司折弯次数小于8次的常规钣金件适用本方法,精密钣金件、折弯次数较多或折弯内圆弧半径R有特殊要求的钣金件需进行试折弯。
2 展开计算原理:板料在弯曲过程中外层受到拉应力,內层受到压应力,从拉到压之间有一既不受拉力又不受压力的过度层为中性层;中性层在弯曲过程中的长度和弯曲前一样,保持不变,所以中性层是计算弯曲件展开长度的基准。
中性层的位置与变形程度有关,当弯曲半径较大,折弯角度较小时,变形程度较小,中性层位置靠近板料厚度的中心处;当弯曲半径较小,折弯角度增大时,变形程度随之增大,中性层位置逐渐向弯曲中心的內侧移动。
中性层到板料內侧的距离用λ表示(见图一)。
3 折弯模具:我们使用的小松数控折弯机所配套的普通折弯模具V型槽宽度通常为适用该折弯模的板厚的5-6倍。
板厚与适用V型槽宽(见表1)。
表1 板厚与适用V型槽宽参数板厚(t),,,,,,适用V槽宽度81216254 展开计算方法: 90°折弯(一般折弯)Q/ZB J65—20102(如图二),由于我们常用的折弯上模的尖角通常小于,所以折弯内圆弧R可以视为定值,因此折弯拉伸系数的影响因素主要取决于折弯下模槽宽V和材料厚度t。
展开长度的计算公式为(1):L=L1 +L2- 2t +系数a ; (1)折弯系数a的计算公式为(2):a = +-……………………………………………………………(2)其中:V—下模槽宽;t—材料厚度为方便计算将展开长度的计算公式简化为(3):L=L1+L2-系数C ……………………………………………………………………(3)注:简化系数C = (2t - 系数a)见表2。
折弯展开计算公式折弯展开计算是指在金属板材折弯加工中,根据折弯后的尺寸、角度和折弯半径,计算折弯前的展开尺寸的过程。
折弯展开计算公式的准确性和合理性对于保证折弯零件的精度和质量至关重要。
本文将介绍一些常用的折弯展开计算公式,包括V型模以及U型模的情况。
1.折弯展开公式(V型模)折弯展开公式是指在使用V型模进行折弯加工时,根据折弯后的尺寸、角度和折弯半径,计算折弯前的展开尺寸的公式。
(1)折弯夹角θ的展开长度L:L=π×R×(θ/180)其中,R为折弯模的半径,θ为折弯夹角。
(2)计算折弯后的尺寸到折弯前展开尺寸的换算公式:展开长度L = 折弯后尺寸A / cos(θ/2) - t × tan(θ/2)其中,A为折弯后的尺寸,t为金属板材的厚度。
2.折弯展开公式(U型模)折弯展开公式是指在使用U型模进行折弯加工时,根据折弯后的尺寸、角度和折弯半径,计算折弯前的展开尺寸的公式。
(1)折弯夹角θ的展开长度L:L=π×R×(θ/180)+2×K其中,R为折弯模的半径,θ为折弯夹角,K为弯曲K值,表示形态因素对弯曲角度的影响。
(2)计算折弯后的尺寸到折弯前展开尺寸的换算公式:展开长度L = 折弯后尺寸A / cos(θ/2) - t × tan(θ/2) + 2 × K其中,A为折弯后的尺寸,t为金属板材的厚度。
需要注意的是,以上公式只适用于在单一平面上进行折弯的情况,并且假设材料具有理想的弹性模量和应力-应变关系。
在实际应用中,还需要考虑材料的回弹和材料的特性因素,如材料的硬度、弹性模量、强度等。
此外,还可以利用专业的折弯展开计算软件进行折弯展开计算,以提高计算的准确性和效率。
这些软件不仅提供了更精确的计算方法,还考虑了更多的材料和工艺因素,提供了更全面的计算结果。
综上所述,折弯展开计算是金属板材折弯加工中的重要环节,计算公式的准确性对于保证折弯零件的精度和质量至关重要。
序号
折弯计算方式
展開長度
备注
折弯刀数种类
1直接折彎 (30度--- 110
度) 折彎展開算法
外觀尺寸總和-(板厚*板材系數*折彎刀數)
n1折弯刀数30-110度2直接折彎 (大于110度小于160度) 折彎展開算法外觀尺寸總和-(0.5*折彎刀數)n2折弯刀数110-160度
3直接折彎 (大于160度) 折彎展開算法外觀尺寸總和
此程计算不用填折弯刀数种类n3折弯刀数大于160度4直接折彎 (壓死邊) 折彎展開算法外觀尺寸總和-(1/2板厚*折彎刀數)外观尺寸之和=TS 展开长度-T*1.136n4折弯刀数压死边5直接折彎 (壓空邊) 折彎展開算法外觀尺寸之和外观尺寸之和=TS 展开长度-T*1.136
n5折弯刀数压空边
6圓弧彎弧展開算法
中心線弧長 展开长度=ts 的外弧展开尺寸-3.14159*T/2n6圆弧折弯7直接折彎30˚以下折彎展開算法
外觀尺寸之和
此程计算不用填折弯刀数种类
n7折弯刀数小于30度8刨槽折彎 (大于30度小于110度) 展開算法外觀尺寸之和 - (剩余厚度*2*折彎刀數)n8刨槽折弯刀数30-110度9刨槽折彎 (小于30度) 展開算法 外觀尺寸之和
此程计算不用填折弯刀数种类
n9刨槽折弯刀数小30度10
刨槽折彎 (大于110度) 展開算法
外觀尺寸之和-0.5*折彎刀數
n10刨槽折弯刀数大于110度
折弯计算方式汇总
制表:范立荣
1 of 12012/5/22。