公安部统一版机动车安全技术检验监管系统用户手册_检测站
- 格式:doc
- 大小:91.00 KB
- 文档页数:23
机动车技术检测站新版质量手册阜阳市公安局机动车技术检测站质量手册(第三版)质量手册手册版号:第三版实施日期:批准人:日期:受控状态:分发号:目录 0、实施令 0、公正性声明 0、质量方针、目标和承诺 0、修订页1、前言2、概述3、质量手册的管理4、管理要求4、1 组织4、2 管理体系4、3 文件控制4、4 检测和/或校准分包4、5 服务和供应品的采购4、6 合同评审4、7 申诉和投诉4、8 纠正措施、预防措施及改进4、9 记录4、10 内部审核4、11 管理评审5、技术要求5、1 人员5、2 设施和环境条件5、3 检测和校准方法5、4 设备和标准物质5、5 量值溯源5、6 委托检测受理与检测车辆管理5、7 结果质量控制5、8 结果报告阜阳市公安局机动车技术检测站质量手册第 0 章第1 页共1 页第3 版第 0 次修订主题:实施令实施日期:质量手册实施令为适应市场经济要求,提高检测质量,规范本检测站的检测工作,根据《实验室资质认定评审准则》、GA/T134-1996《机动车安全检测站条件》与 GB/T17993-xx《汽车综合性能检测能力的通用要求》中建立质量体系及其它相关要求,结合几年来组织结构、人员、检测站环境等方面的变化情况,重新编制了《质量手册(第三版)》。
本质量手册对外体现了本检测站的公正性和能力,证实本检测站能以公正、科学的方法、准确有效的数据对社会开展检测业务,出具公正数据,维护客户的利益。
质量手册是本检测站全体员工在检测活动中必须遵循的准则。
《质量手册》对本检测站的质量方针进行了明确阐述并对质量体系及实施作出了全面明确的规定,是本检测站质量管理的纲领性文件。
现批准发布《质量手册》第三版,自xx年9月1日起生效实施,全体员工必须按《质量手册》规定的内容在工作中贯彻、实施和执行。
阜阳市公安局机动车技术检测站站长: xx年9月1日阜阳市公安局机动车技术检测站质量手册第 0 章第1 页共1 页第3 版第 0 次修订主题:公正性声明实施日期:公正性声明为了确保检测工作的科学、公正、有效,以真实可靠的检测数据独立客观的评价检测(项目)质量,防止任何不恰当干预,本检测站声明如下:1、严格遵守国家有关质量的法律和方针政策,坚持科学、公正的立场,严格执行标准,对出具的数据负法律责任。
版权说明本文包含受版权保护的信息,版权所有。
未经厂商书面许可,任何单位和个人不得以任何形式进行复制和传播。
产品保留进一步改进的权利,本产品在不做原则改动的情况下,不另行提供使用说明书。
深圳市安车检测股份有限公司版权所有,侵权必究。
安全注意事项请仔细阅读本说明书提供的安全警告和注意事项,以确保您个人的人身安全,并且帮助您正确地使用检测设备。
●若非本公司的维修技术人员或在其指导下,请勿自行维修检测设备。
●检测设备请安装在有避雷设施的建筑物内,以避免发生潜在的电击危险。
●禁止在设备运行的时候在检测通道内行走。
文档范围:●本使用说明书介绍如何正确安装和使用本公司产品。
本使用说明书适用于安装和操作人员。
软件版本号:●本使用说明书中提到的“深圳安车云检测系统”、“机动车工况法排放检测系统”为同一系统,版本号:V6.0术语定义●站端系统:也称站端网站,发布在检测机构服务器上,通过浏览器进行系统访问,用于检测机构的登录发车,车辆调度。
报告打印等工作岗位。
●外检系统:也称外检PDA,主要用于机动车排放检测的外检检测。
●OBD检测系统:主要用于机动车排放检测中车辆OBD检测以及车辆检测过程中读取车辆状态数据。
●排放检测系统:也称环保工位,用于机动车排放检测车间内,用于采集机动车检测过程数据并对检测结果进行判定。
目录术语定义 (2)目录 (3)第1章检测业务流程 (1)1.1 车辆登录 (1)1.2 车辆上线 (3)1.3 车辆下线 (5)1.4 报告打印 (5)1.5 检测收费 (5)第2章站端管理功能 (7)2.1 在线车辆监控 (7)2.2 引车员状态调度 (8)2.3 车辆由复检变更为初检 (10)2.4 车辆复检 (10)2.5 线上电脑关机 (12)2.6 下线异常干预 (12)第3章站端统计功能介绍 (13)3.1 环检检测方法统计 (13)3.2 环检车辆类型统计 (13)3.3 环检引车员合格率统计 (14)第4章收费功能介绍 (15)4.2 发票代码设置 (16)4.3 收费流水记录 (17)1. 计算按钮:根据查询条件进行收费金额计算 (17)2. 作废按钮:作废该条收费记录,作废之后不参与金额计算 (17)3. 补打按钮:对该条收费记录重新进行收费票据打印 (17)4.4 收费统计 (18)1. 收费标准按钮:根据收费标准进行统计,一般分大型、中型、小型进行收费统计 (18)2. 收费项目按钮:根据收费项目进行统计,一般是检测类型或者检测方法 (18)3. 导出excel,将统计导出到excel中,方便存档 (18)第5章检测站配置 (19)5.1 维护配置 (19)5.2 查询配置 (26)5.2.1 编码设置 (26)5.2.2 检测站信息 (27)5.2.3 检测类型设置 (27)5.2.4 主控调度配置 (28)5.2.5 底盘类型设置 (28)5.2.6 厂牌型号配置 (29)5.2.7 工位升级状态 (29)5.3 打印参数设置 (29)5.5 设备自检 (33)5.6 环保局设置 (33)第6章人员管理 (35)6.1 人员信息维护 (35)6.2 人员角色设置 (36)第7章审计管理 (40)7.1 联网接口服务日志 (40)第8章环保工位管理 (40)8.1 标定记录、自检记录 (40)8.2 标准气配置 (41)8.3 故障日志、环境信息、OBD检测记录 (42)第9章环保日常检查 (45)第10章环保设备校准 (47)10.1 工位各类数据校准 (47)10.2 工位各类设备校准 (48)第11章PDA功能模块 (50)11.1 PDA实用功能 (50)11.2 PDA安装及操作 (50)11.2.1 PDA程序安装 (50)11.2.2 系统设置界面 (50)11.2.3 登录界面 (51)11.2.4 功能列表页 (52)11.2.5 外观检验 (52)第12章尾气检测工位 (55)12.1 工位系统使用前配置 (55)12.2 工位登录 (56)12.3 设备预热 (57)12.4 台体性能 (57)12.4.1转动惯量测试 (57)12.4.2寄生功率测试 (58)12.4.3加载滑行测试 (59)12.4.4变载荷滑行测试 (60)12.4.5响应时间测试 (61)12.5 设备通道设置 (63)12.6 设备标定 (64)12.7 发车检测 (65)a) 双怠速检测 (67)b) ASM稳态工况法测试 (68)c) 简易瞬态工况测试 (70)d) 自由加速测试 (72)e) 加载减速测试 (73)第13章 OBD检测系统 (74)13.1 OBD系统功能 (74)左侧主功能菜单 (75)右侧主功能菜单 (76)13.2 OBD 安装及操作 (77)1. 开始:打开开始进入界面,提示准备就绪。
深圳安车机动车检验监管系统接口使用说明书作者:曾宪金完成日期:2015年3月12日签收人:签收日期:修改情况记录:根据公安部<91机动车检验监管系统接口使用手册20150305.doc>修订目录深圳安车机动车检验监管系统..................................................... - 1 - 文档变更说明 .................................................................. - 6 - 第一部分接口调用规范......................................................... - 8 - 1.1. 接口访问地址.............................................................. - 8 - 1.2. 接口调用函数.............................................................. - 8 - 1.2.1. 查询类接口 .............................................................. - 8 - 1.2.2. 写入类接口 .............................................................. - 9 - 1.3. XML文件格式定义........................................................... - 9 - 1.3.1. 查询类接口XML文档....................................................... - 9 - 1.3.2. 写入类接口XML文档...................................................... - 10 - 1.4. 调用注意事项............................................................. - 11 - 1.4.1. XML文档的中文处理....................................................... - 11 - 1.4.2. 返回结果错误代码说明.................................................... - 11 - 第二部分对外接口说明........................................................ - 12 - 2.1. 接口列表................................................................. - 13 - 2.2. 检验过程数据接口流程 ..................................................... - 15 - 2.3. 检验备案信息读取接口定义 ................................................. - 17 - 2.3.1. 18C01-安检机构备案信息下载 .............................................. - 17 - 2.3.2. 18C02-检测线备案信息下载................................................ - 20 - 2.3.3. 18C05-安检机构工作人员备案信息下载 ...................................... - 25 -2.3.4. 18C06-检验业务信息系统备案信息下载 ...................................... - 26 - 2.4. 检验信息写入接口定义 ..................................................... - 28 - 2.4.1. 18C51-机动车检验登录信息................................................ - 28 - 2.4.2. 18C52-机动车检验过程开始信息 ............................................ - 34 - 2.4.3. 18C55-机动车检验项目开始信息 ............................................ - 35 - 2.4.4. 18C80-机动车人工检验项目检验结果详细信息(按GB 21861-2014)................ - 37 - 2.4.5. 18C53-机动车人工检验项目检验结果详细信息(按GB 21861-2008)................ - 43 - 2.4.6. 18C68-二、三轮机动车人工检验项目检验结果详细信息(按GB 21861-2008)........ - 53 - 2.4.7. 18C81-仪器设备检验项目检验结果详细信息................................... - 59 - 2.4.8. 18C54-路试检验信息...................................................... - 87 - 2.4.9. 18C58-机动车检验项目结束信息 ............................................ - 90 - 2.4.10. 18C59-机动车检验过程结束信息........................................... - 91 - 2.4.11. 18C82-机动车检验结果其他信息 ........................................... - 93 - 2.4.12. 18C61-机动车交通事故责任强制保险信息 ................................... - 95 - 2.4.13. 18C62-机动车检验判定结果信息........................................... - 97 - 2.4.14. 18C63-机动车检验照片和资料照片信息 .................................... - 100 - 2.4.15. 18C64-机动车检验结果资料申请审核信息 .................................. - 104 - 2.4.16. 18C65-机动车复检登录信息.............................................. - 105 - 2.5. 其他接口定义............................................................ - 107 - 2.5.1. 18C50-时间同步......................................................... - 107 - 2.5.2. 18C46-获取车辆所属类别对应检验项目信息.................................. - 108 - 2.5.3. 18C47-获取机动车对应需拍摄照片和人工检验项目信息........................ - 110 -2.5.4. 18C48-获取机动车检验审核不通过原因 ..................................... - 111 - 2.5.5. 18C49-获取机动车基本信息............................................... - 114 - 2.5.6. 18C66-机动车检验登录信息更正 ........................................... - 117 - 2.5.7. 18C67-机动车检验视频异常信息 ........................................... - 121 - 2.5.8. 18C69-检验业务信息系统操作日志 ......................................... - 123 - 2.5.9. 18C70-写入收费信息..................................................... - 125 - 2.5.10. 18C71-机动车检验审核通过信息获取回执 .................................. - 126 - 2.5.11. 18C72-机动车检验业务退办 .............................................. - 127 - 2.5.12. 18C21-读取车管业务流水号.............................................. - 128 - 2.5.13. 18C07-互联网检验预约信息下载.......................................... - 129 - 2.5.14. 18C08-机动车公告技术参数文本信息下载 .................................. - 131 - 2.5.15. 18C09-机动车公告技术参数图片信息下载 .................................. - 137 - 2.6. 省市新增接口............................................................ - 138 - 2.6.1. 18S01-获取检验流水号................................................... - 138 - 2.6.2. 18S02-获取机动车检验登录信息 ........................................... - 139 - 2.6.3. 18S03-获取外观检测数据................................................. - 145 - 2.6.4. 18S04-触发项目拍照..................................................... - 149 - 2.6.5. 18S06-车辆外廓尺寸测量照片上传 ......................................... - 151 - 2.6.6. 18S14-机动车检验行为监管............................................... - 152 - 2.6.7. 18S16-检测设备自检信息上传 ............................................. - 154 - 2.6.1. 18S17-检测项目录像信息上传 ............................................. - 156 - 2.6.8. 18S20-环保检验结果信息上传 ............................................. - 159 -2.6.9. 18S21-检测收费信息上传................................................. - 161 - 2.6.10. 18S22-检测项目录像结束信息上传 ........................................ - 163 - 第三部分接口调用范例....................................................... - 164 -3.1. JAVA调用示例............................................................ - 164 - 3.1.1. 中文转码及XML文档封装代码............................................. - 164 - 3.1.2. 查询接口示例 .......................................................... - 166 - 3.1.3. 写接口示例 ............................................................ - 167 - 3.2. 其他调用示例............................................................ - 168 - 第四部分写照片接口说明..................................................... - 170 - 1.1. 示例代码 ............................................................... - 170 -4.1.1. java调用示例代码....................................................... - 170 - 1.2. 接口调用请求说明........................................................ - 171 - 4.2.1. 写机动车检验照片表信息................................................. - 171 - 第五部分附件 .............................................................. - 173 -5.1 车辆用途 ................................................................ - 173 - 5.2 用途属性 ................................................................ - 173 - 5.3 车身颜色 ................................................................ - 173 - 5.4 使用性质 ................................................................ - 174 - 5.5 车辆类型 ................................................................ - 174 -第一部分接口调用规范1.1. 接口访问地址检验监管系统对外接口访问地址:http://ip:port/jcxws/TmriOutAccess.asmx?wsdl其中IP标识Web服务器地址;port对应系统应用服务的端口号,启用80的不填写。
机动车检测系统说明书版本:Ver15.05编写部门:开发部中山市卡特世机动车检测技术科技有限公司目录一、系统要求二、登录系统三、总检、打印系统四、工位系统五、上线选择系统六、信息发布系统七、附件一、系统要求1.1、硬件要求P3 1.8以上CPU512以上内存20G以上硬盘1.2、操作系统要求windowsXP以上版本1.3、其它配置SQL2005dotnetfx35SP1框架microsoft office 20031.3、操作步骤登录完成进行系统后进--【设置】--【工位类型】--【检测线编号】修改相应的系统信息。
二、登录系统登录系统主要是操作员根据所检测车辆的信息录入系统后根据检测线内的车辆检测状况进行车辆发送上线检测。
操作员点击启动图标后进行系统登录如图用户输入用户名和密码后点击“登录”可以进入登录系统界面,在出厂没有用户名时系统默认的是用户名:Admin 密码:886611l加上当天的日期(和系统一致).用户在开始时建议进行“注册用户“如果用户选择“记住密码”时下次登录的时候就不用输入了,系统会自动记录密码,直到取消“记住密码”框。
如果用户选择“自动登录”则下次启动软件时系统会跳过登录的步骤直接进入登录主界面登录主界面如下图:登录系统分为“安全性能检测—车辆档案”“综合性能检测—车辆档案”两个子系统“安全性能检测—车辆档案”主要是针对公安交警这块的检测。
“综合性能检测—车辆档案”主要是针对交通营运这块的检测。
操作员根据车辆的信息录入。
如果车辆已经有检测过的话操作员只需要输入“号牌种类”“车牌号码“敲回车后之前此车辆最后一次的车辆信息会显示在内容框。
如果此车是复检车辆的话。
在“检测方式”这个地方选择“复检”则系统会根据上次车辆检测的数据自动判断是那个项目没有合格要重新检测。
操作员可以根据实际情况在“检测项目(检测打√)”选择要检测的项目【自动发送】:车辆信息录入无误后不经过“待检车辆”列表直接上线检测【登录完毕发送】:车辆信息录入无误后点击该按钮车辆信息进入“待检车辆”列表(没有选择【自动发送】)等待操作员根据线内情况选择那车辆车上线检测。
机动车检验监管系统常见问题(最后更新日期:2015-4-18)4、调用18C49接口获取车辆基本信息,一直提示“查询请求已发送,请确认号牌信息无误后,等待5-10秒再试!”请按以下流程检查。
注:查看日志trffpn_app下可以查看frm_task_log表;trffpn_pro下可以查看frm_task_log 和veh_is_err_log。
确认有没有综合应用平台的审核错误信息,如果没有,则:内外网数据同步后,检查trffpn_pro 用户下veh_is_ctrl_cp表,根据流水号查询,确认是否有记录,如有,则update csbj='0' ,ztbj='0' ,如没有则,插入一条记录。
等待代理服务器将veh_is_checkpass表同步到综合应用平台。
5、检验监管系统流水查询时,流水状态为“监管系统检验审核通过,等待综合应用平台审核”,并且综合平台审核结果无内容。
注:查看日志trffpn_app下可以查看frm_task_log表;trffpn_pro下可以查看frm_task_log 和veh_is_err_log。
6、检验监管系统流水查询时,流水状态为“监管系统检验审核通过,等待综合应用平台审核”,并且综合平台审核结果有内容的,下面列举几种常见结果进行说明:1)机动车处于违法未处理状态,禁止办理核发检验标志(检验监管)业务!解决办法:告知车主处理交通违法,以综合应用平台车辆基本信息的机动车状态为正常。
2)该机动车存在未办结业务!……解决办法:在综合应用平台先把该流水办结或退办,检验监管代理服务系统后台任务将会自动核发合格标志。
3)保险生效日期和保险终止日期问题,如:保险终止日期不能小于今天!解决办法:由检验机构调用18C61(机动车交通事故责任强制保险信息)接口重新上传保险信息。
无需其他操作。
4)保险中间表中不存在信息,禁止办理业务!解决办法:登录trffpn_pro用户,查询veh_is_insuranceinfo表记录的hphm,hpzl,fzjg 这三个字段内容是否正确,若不正确,由检验机构调用18C61(机动车交通事故责任强制保险信息)接口重新上传保险信息。
深圳安车机动车检验监管系统接口使用说明书作者:曾宪金完成日期:2017年03月01日签收人:签收日期:修改情况记录:根据公安部<91机动车检验监管系统接口使用手册.doc>修订深圳安车机动车检验监管系统..................................................... - 1 - 文档变更说明 .................................................................. - 6 - 第一部分接口调用规范......................................................... - 8 -1.1. 接口访问地址.............................................................. - 8 - 1.2. 接口调用函数.............................................................. - 8 - 1.2.1. 查询类接口 .............................................................. - 9 - 1.2.2. 写入类接口 .............................................................. - 9 - 1.3. XML文件格式定义........................................................... - 9 - 1.3.1. 查询类接口XML文档....................................................... - 9 - 1.3.2. 写入类接口XML文档...................................................... - 10 - 1.4. 调用注意事项............................................................. - 11 - 1.4.1. XML文档的中文处理....................................................... - 11 - 1.4.2. 返回结果错误代码说明.................................................... - 12 - 第二部分对外接口说明........................................................ - 13 - 2.1. 接口列表................................................................. - 13 - 2.2. 检验过程数据接口流程 ..................................................... - 15 - 2.3. 检验备案信息读取接口定义 ................................................. - 15 - 2.3.1. 18C01-安检机构备案信息下载 .............................................. - 15 - 2.3.2. 18C02-检测线备案信息下载................................................ - 18 - 2.3.3. 18C05-安检机构工作人员备案信息下载 ...................................... - 23 - 2.3.4. 18C06-检验业务信息系统备案信息下载 ...................................... - 25 - 2.4. 检验信息写入接口定义 ..................................................... - 27 - 2.4.1. 18C51-机动车检验登录信息................................................ - 27 - 2.4.2. 18C52-机动车检验过程开始信息 ............................................ - 33 - 2.4.3. 18C55-机动车检验项目开始信息 ............................................ - 35 -2.4.4. 18C80-机动车人工检验项目检验结果详细信息(按GB 21861-2014)................ - 38 - 2.4.5. 18C53-机动车人工检验项目检验结果详细信息(按GB 21861-2008)................ - 45 - 2.4.6. 18C68-二、三轮机动车人工检验项目检验结果详细信息(按GB 21861-2008)........ - 54 - 2.4.7. 18C81-仪器设备检验项目检验结果详细信息................................... - 61 - 2.4.8. 18C54-路试检验信息...................................................... - 91 - 2.4.9. 18C58-机动车检验项目结束信息 ............................................ - 94 - 2.4.10. 18C59-机动车检验过程结束信息........................................... - 96 - 2.4.11. 18C82-机动车检验结果其他信息 ........................................... - 98 - 2.4.12. 18C61-机动车交通事故责任强制保险信息 .................................. - 100 - 2.4.13. 18C62-机动车检验判定结果信息.......................................... - 102 - 2.4.14. 18C63-机动车检验照片和资料照片信息 .................................... - 105 - 2.4.15. 18C64-机动车检验结果资料申请审核信息 .................................. - 109 - 2.4.16. 18C65-机动车复检登录信息.............................................. - 111 - 2.4.17. 18C83-机动车排放检验信息.............................................. - 113 - 2.5. 其他接口定义............................................................ - 115 - 2.5.1. 18C50-时间同步......................................................... - 115 - 2.5.2. 18C46-获取车辆所属类别对应检验项目信息.................................. - 116 - 2.5.3. 18C47-获取机动车对应需拍摄照片和人工检验项目信息........................ - 118 - 2.5.4. 18C48-获取机动车检验审核不通过原因 ..................................... - 119 - 2.5.5. 18C49-获取机动车基本信息............................................... - 122 - 2.5.6. 18C66-机动车检验登录信息更正 ........................................... - 126 - 2.5.7. 18C67-机动车检验视频异常信息 ........................................... - 130 -2.5.8. 18C69-检验业务信息系统操作日志 ......................................... - 131 - 2.5.9. 18C70-写入收费信息..................................................... - 133 - 2.5.10. 18C71-机动车检验审核通过信息获取回执 .................................. - 134 - 2.5.11. 18C72-机动车检验业务退办 .............................................. - 136 - 2.5.12. 18C21-读取车管业务流水号.............................................. - 137 - 2.5.13. 18C07-互联网检验预约信息下载.......................................... - 138 - 2.5.14. 18C08-机动车公告技术参数文本信息下载 .................................. - 140 - 2.5.15. 18C09-机动车公告技术参数图片信息下载 .................................. - 148 - 2.6. 省市新增接口............................................................ - 149 - 2.6.1. 18S01-获取检验流水号................................................... - 149 - 2.6.2. 18S02-获取机动车检验登录信息 ........................................... - 150 - 2.6.3. 18S03-获取外观检测数据................................................. - 156 - 2.6.4. 18S04-触发项目拍照..................................................... - 160 - 2.6.5. 18S06-车辆外廓尺寸测量照片上传 ......................................... - 162 - 2.6.6. 18S14-机动车检验行为监管............................................... - 164 - 2.6.7. 18S16-检测设备自检信息上传 ............................................. - 166 - 2.6.1. 18S17-检测项目录像信息上传 ............................................. - 167 - 2.6.8. 18S20-环保检验结果信息上传 ............................................. - 169 - 2.6.9. 18S21-检测收费信息上传................................................. - 171 - 2.6.10. 18S22-检测项目录像结束信息上传 ........................................ - 173 - 第三部分接口调用范例....................................................... - 174 - 3.1. JAVA调用示例............................................................ - 174 -3.1.1. 中文转码及XML文档封装代码............................................. - 174 - 3.1.2. 查询接口示例 .......................................................... - 174 - 3.1.3. 写接口示例 ............................................................ - 175 - 3.2. 其他调用示例............................................................ - 176 - 第四部分写照片接口说明..................................................... - 178 - 1.1. 示例代码 ............................................................... - 178 -4.1.1. java调用示例代码....................................................... - 178 - 1.2. 接口调用请求说明........................................................ - 179 - 4.2.1. 写机动车检验照片表信息................................................. - 179 - 第五部分附件 .............................................................. - 181 -5.1 车辆用途 ................................................................ - 181 - 5.2 用途属性 ................................................................ - 181 - 5.3 车身颜色 ................................................................ - 181 - 5.4 使用性质 ................................................................ - 182 - 5.5 车辆类型 ................................................................ - 182 -2015-12-0418C55及18C58中的检验项目增加了整备质量项目G2016-02-22 接口调用中的系统类别,划分如下:18:检测业务系统28:检验智能终端38:视频监管系统2017-03-01根据公安部《机动车检验监管系统接口使用手册》,接口增加了整备质量测量、加载制动测量第一部分接口调用规范1.1. 接口访问地址检验监管系统对外接口访问地址:http://ip:port/jcxws/TmriOutAccess.asmx?wsdl其中IP标识Web服务器地址;port对应系统应用服务的端口号,启用80的不填写。
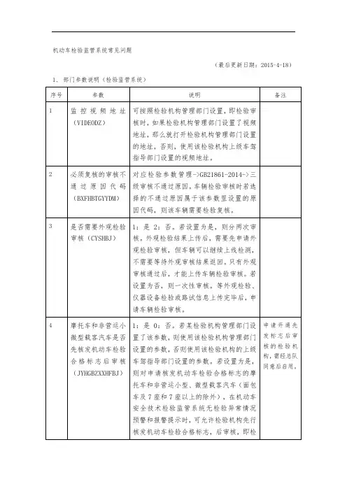
机动车检验监管系统常见问题(最后更新日期:2015-4-18)1、部门参数说明(检验监管系统)2、系统参数说明(检验监管系统)3、系统参数说明(检验监管系统代理服务)4、调用18C49接口获取车辆基本信息,一直提示“查询请求已发送,请确认号牌信息无误后,等待5-10秒再试!”请按以下流程检查。
注:查看日志trffpn_app下可以查看frm_task_log表;trffpn_pro下可以查看frm_task_log和veh_is_err_log。
确认有没有综合应用平台的审核错误信息,如果没有,则:内外网数据同步后,检查trffpn_pro 用户下veh_is_ctrl_cp表,根据流水号查询,确认是否有记录,如有,则 update csbj='0' ,ztbj='0' ,如没有则,插入一条记录。
等待代理服务器将veh_is_checkpass表同步到综合应用平台。
5、检验监管系统流水查询时,流水状态为“监管系统检验审核通过,等待综合应用平台审核”,并且综合平台审核结果无内容。
注:查看日志trffpn_app下可以查看frm_task_log表;trffpn_pro下可以查看frm_task_log和veh_is_err_log。
6、检验监管系统流水查询时,流水状态为“监管系统检验审核通过,等待综合应用平台审核”,并且综合平台审核结果有内容的,下面列举几种常见结果进行说明:1)机动车处于违法未处理状态,禁止办理核发检验标志(检验监管 )业务!解决办法:告知车主处理交通违法,以综合应用平台车辆基本信息的机动车状态为正常。
2)该机动车存在未办结业务!……解决办法:在综合应用平台先把该流水办结或退办,检验监管代理服务系统后台任务将会自动核发合格标志。
3)保险生效日期和保险终止日期问题,如:保险终止日期不能小于今天!解决办法:由检验机构调用18C61(机动车交通事故责任强制保险信息)接口重新上传保险信息。
机动车检验监管系统接口使用手册公安部交通管理科学研究所2014年10月目录第一部分接口调用规范......................................................... - 5 -1.1.接口访问地址 ........................................................... - 5 -1.2.接口调用函数 ........................................................... - 5 -1.2.1.查询类接口........................................................... - 5 -1.2.2.写入类接口........................................................... - 5 -1.3.XML文件格式定义....................................................... - 6 -1.3.1.查询类接口XML文档 ................................................... - 6 -1.3.2.写入类接口XML文档 ................................................... - 7 -1.4.调用注意事项 ........................................................... - 8 -1.4.1.XML文档的中文处理.................................................... - 8 -1.4.2.返回结果错误代码说明 ................................................. - 8 -第二部分对外接口说明......................................................... - 9 -2.1.接口列表 ............................................................... - 9 -2.2.检验过程数据接口流程................................................... - 11 -2.3.检验备案信息读取接口定义............................................... - 12 -2.3.1.18C01-检验机构备案信息下载........................................... - 12 -2.3.2.18C02-检测线备案信息下载............................................. - 15 -2.3.3.18C05-检验机构工作人员备案信息下载................................... - 20 -2.3.4.18C06-检验业务信息系统备案信息下载................................... - 22 -2.4.检验信息写入接口定义................................................... - 24 -2.4.1.18C51-机动车检验登录信息............................................. - 24 -2.4.2.18C52-机动车检验过程开始信息......................................... - 30 -2.4.3.18C55-机动车检验项目开始信息......................................... - 31 -2.4.4.18C80-机动车人工检验项目检验结果详细信息(按GB 21861-XXXX)............ - 34 -2.4.5.18C53-机动车人工检验项目检验结果详细信息(按GB 21861-2008)............ - 40 -2.4.6.18C68-二、三轮机动车人工检验项目检验结果详细信息(按GB 21861-2008).... - 49 -2.4.7.18C81-仪器设备检验项目检验结果详细信息............................... - 56 -2.4.8.18C54-路试检验信息 .................................................. - 74 -2.4.9.18C58-机动车检验项目结束信息......................................... - 78 -2.4.10.18C59-机动车检验过程结束信息......................................... - 79 -2.4.11.18C82-机动车检验结果其他信息......................................... - 81 -2.4.12.18C61-机动车交通事故责任强制保险信息................................. - 84 -2.4.13.18C62-机动车检验判定结果信息......................................... - 85 -2.4.14.18C63-机动车检验照片和资料照片信息................................... - 89 -2.4.15.18C64-机动车检验结果资料申请审核信息................................. - 93 -2.4.16.18C65-机动车复检登录信息............................................. - 94 -2.5.其他接口定义 .......................................................... - 97 -2.5.1.18C50-时间同步 ...................................................... - 97 -2.5.2.18C46-获取车辆所属类别对应检验项目信息............................... - 98 -2.5.3.18C47-获取机动车对应需拍摄照片和人工检验项目信息..................... - 99 -2.5.4.18C48-获取机动车检验审核不通过原因.................................. - 101 -2.5.5.18C49-获取机动车基本信息............................................ - 104 -2.5.6.18C66-机动车检验登录信息更正........................................ - 107 -2.5.7.18C67-机动车检验视频异常信息........................................ - 112 -2.5.8.18C69-检验业务信息系统操作日志...................................... - 113 -2.5.9.18C70-写入收费信息 ................................................. - 116 -2.5.10.18C71-机动车检验审核通过信息获取回执................................ - 117 -2.5.11.18C72-机动车检验业务退办............................................ - 118 -2.5.12.18C21-读取车管业务流水号............................................ - 120 -2.5.13.18C07-互联网检验预约信息下载........................................ - 121 -第三部分接口调用范例....................................................... - 124 -3.1.JAVA调用示例........................................................ - 124 -3.1.1.中文转码及XML文档封装代码.......................................... - 124 -3.1.2.查询接口示例....................................................... - 126 -3.1.3.写接口示例......................................................... - 127 -3.2.其他调用示例 ......................................................... - 128 -第四部分写照片接口说明..................................................... - 129 -4.1.示例代码 ............................................................. - 129 -4.1.1.java调用示例代码................................................... - 129 -4.2.接口调用请求说明...................................................... - 130 -4.2.1.写机动车检验照片表信息 ............................................. - 130 -第一部分接口调用规范1.1. 接口访问地址检验监管系统对外接口访问地址:http://ip:port/pnweb/services/TmriOutAccess?wsdl其中IP标识Web服务器地址;port对应系统应用服务的端口号,启用80的不填写。
机动车检验监管系统接口使用手册公安部交通管理科学研究所2014年10月目录第一部分接口调用规范......................................................... - 6 -1.1.接口访问地址 ........................................................... - 6 -1.2.接口调用函数 ........................................................... - 6 -1.2.1.查询类接口........................................................... - 6 -1.2.2.写入类接口........................................................... - 6 -1.3.XML文件格式定义....................................................... - 7 -1.3.1.查询类接口XML文档 ................................................... - 7 -1.3.2.写入类接口XML文档 ................................................... - 8 -1.4.调用注意事项 ........................................................... - 9 -1.4.1.XML文档的中文处理.................................................... - 9 -1.4.2.返回结果错误代码说明 ................................................. - 9 -第二部分对外接口说明........................................................ - 10 -2.1.接口列表 .............................................................. - 10 -2.2.检验过程数据接口流程................................................... - 12 -2.3.检验备案信息读取接口定义............................................... - 13 -2.3.1.18C01-检验机构备案信息下载........................................... - 13 -2.3.2.18C02-检测线备案信息下载............................................. - 16 -2.3.3.18C05-检验机构工作人员备案信息下载................................... - 21 -2.3.4.18C06-检验业务信息系统备案信息下载................................... - 23 -2.4.检验信息写入接口定义................................................... - 25 -2.4.1.18C51-机动车检验登录信息............................................. - 25 -2.4.2.18C52-机动车检验过程开始信息......................................... - 31 -2.4.3.18C55-机动车检验项目开始信息......................................... - 32 -2.4.4.18C80-机动车人工检验项目检验结果详细信息(按GB 21861-XXXX)............ - 35 -2.4.5.18C53-机动车人工检验项目检验结果详细信息(按GB 21861-2008)............ - 41 -2.4.6.18C68-二、三轮机动车人工检验项目检验结果详细信息(按GB 21861-2008).... - 50 -2.4.7.18C81-仪器设备检验项目检验结果详细信息............................... - 57 -2.4.8.18C54-路试检验信息 .................................................. - 75 -2.4.9.18C58-机动车检验项目结束信息......................................... - 79 -2.4.10.18C59-机动车检验过程结束信息......................................... - 80 -2.4.11.18C82-机动车检验结果其他信息......................................... - 82 -2.4.12.18C61-机动车交通事故责任强制保险信息................................. - 85 -2.4.13.18C62-机动车检验判定结果信息......................................... - 86 -2.4.14.18C63-机动车检验照片和资料照片信息................................... - 90 -2.4.15.18C64-机动车检验结果资料申请审核信息................................. - 94 -2.4.16.18C65-机动车复检登录信息............................................. - 95 -2.5.其他接口定义 .......................................................... - 98 -2.5.1.18C50-时间同步 ...................................................... - 98 -2.5.2.18C46-获取车辆所属类别对应检验项目信息............................... - 99 -2.5.3.18C47-获取机动车对应需拍摄照片和人工检验项目信息.................... - 100 -2.5.4.18C48-获取机动车检验审核不通过原因.................................. - 102 -2.5.5.18C49-获取机动车基本信息............................................ - 105 -2.5.6.18C66-机动车检验登录信息更正........................................ - 108 -2.5.7.18C67-机动车检验视频异常信息........................................ - 113 -2.5.8.18C69-检验业务信息系统操作日志...................................... - 114 -2.5.9.18C70-写入收费信息 ................................................. - 117 -2.5.10.18C71-机动车检验审核通过信息获取回执................................ - 118 -2.5.11.18C72-机动车检验业务退办............................................ - 119 -2.5.12.18C21-读取车管业务流水号............................................ - 121 -2.5.13.18C07-互联网检验预约信息下载........................................ - 122 -第三部分接口调用范例....................................................... - 125 -3.1.JAVA调用示例........................................................ - 125 -3.1.1.中文转码及XML文档封装代码.......................................... - 125 -3.1.2.查询接口示例....................................................... - 127 -3.1.3.写接口示例......................................................... - 128 -3.2.其他调用示例 ......................................................... - 129 -第四部分写照片接口说明..................................................... - 130 -4.1.示例代码 ............................................................. - 130 -4.1.1.java调用示例代码................................................... - 130 -4.2.接口调用请求说明...................................................... - 131 -4.2.1.写机动车检验照片表信息 ............................................. - 131 -第一部分接口调用规范1.1. 接口访问地址检验监管系统对外接口访问地址:http://ip:port/pnweb/services/TmriOutAccess?wsdl其中IP标识Web服务器地址;port对应系统应用服务的端口号,启用80的不填写。
四川星盾科技有限公司四川省机动车安全技术检验机构联网平台用户使用手册目录1系统简介................................................... 错误!未定义书签。
读者对象及阅读建议 ...................................... 错误!未定义书签。
术语定义 ................................................ 错误!未定义书签。
参考资料 ................................................ 错误!未定义书签。
功能概述 ................................................ 错误!未定义书签。
2用户操作(联网平台) ......................................... 错误!未定义书签。
主页面特点 .............................................. 错误!未定义书签。
系统登录 ................................................ 错误!未定义书签。
系统首页 ................................................ 错误!未定义书签。
工作页面 ................................................ 错误!未定义书签。
检测业务 ................................................ 错误!未定义书签。
车辆检测............................................ 错误!未定义书签。
车辆退办............................................ 错误!未定义书签。
全国检验检测机构监管系统操作手册《监管部门》认监委实验室与检测监管部目录一、系统访问 (3)二、APP功能简介 (5)三、功能介绍 (5)(一)机构查询 (5)(二)权限管理 (6)(三)监管任务管理 (9)第一步:建立专家账户 (11)第二步:设置核查项目 (11)第三步:发布核查任务 (15)第四步:专家填写/提交 (16)第五步:监管方审核/发表处理意见 (16)第六步:冻结核查小组 (17)(四)设置 (19)一、系统访问方式1:微信关注公众号“检验检测机构监管”,点击底部按钮“CMA检查”——“CMA检查系统”,点击对应省份进行登录。
方式2:通过电脑或手机直接访问/。
二、APP功能简介三、功能介绍(一)机构查询●【检索及筛选】可按机构名称模糊检索;按区域、会计机制及不同归口管理等进行筛选查询。
●【查看详情】可查看该机构全部的统计直报信息(部分内容)、自查表、现场检查及联系方式。
(二)权限管理专家账户管理:支持手动新增或批量导入2种方式。
注意用户名及密码均只支持数字或字母,否则无法生成账户。
(目前每个账户已生成2个专家账户供培训之用)查找及修改账户信息: 支持以质检局名称或专家姓名进行筛选;支持对用户名、密码、姓名及电话进行修改。
(在核查过程中,主要用于重置密码)(三)监管任务管理第一步:建立专家账户在“权限管理”中添加专家账户。
详见第5页。
第二步:设置核查项目要点说明:要点1:【核查事项】(1)新增核查事项时,有“现场核查”“盲样考核”“实景类”“专家意见”4个类别,注意类别的选择。
(2)在“核查结果”中,可设置标准格式结果文本。
(不填默认为空,由专家自行输入)如图。
要点2:【全部核查机构名单】此处添加/删除本项目组要核查的机构。
支持以模糊检索或筛选功能选定机构。
要点3:【添加核查参考资料】此处可以添加专家检查时会用到的所有参考文件,包括指南、手册或检查单等,以便专家通过手机可以实时查看注意:只支持上传word文档,需要在电脑端上传。
机动车检验监管系统仪器设备检验项目接口使用手册2015年2月目录1.接口访问地址........................... 错误!未定义书签。
2.接口调用说明........................... 错误!未定义书签。
3.自定义接口............................. 错误!未定义书签。
18C10 获取能够上线检验的车辆列表...... 错误!未定义书签。
18C11 根据检验流水号获取车辆详细信息.. 错误!未定义书签。
18C12 捕获工位照片并上传.............. 错误!未定义书签。
4.仪器设备检验项目常用接口............... 错误!未定义书签。
18C55机动车检验项目开始信息........... 错误!未定义书签。
18C50 时间同步接口.................... 错误!未定义书签。
18C80 机动车人工检验项目检验结果详细信息错误!未定义书签。
18C81 仪器设备检验项目检验结果详细信息错误!未定义书签。
18C58 机动车检验项目结束信息.......... 错误!未定义书签。
18C82 机动车检验结果其他信息.......... 错误!未定义书签。
5.咨询电话............................... 错误!未定义书签。
1.接口访问地址检验监管系统对外接口访问地址:;port对应系统服务的端口号。
2.接口调用说明各检验机构可通过自定义接口获取可以进行仪器设备检验项目的车辆信息,当获取该信息后,检验机构控制系统软件负责按照公安部规定的流程,完成整个仪器检验项目的检验工作及数据传输,其接口调用方法及接口名称与公安部文档完全一致。
3.自定义接口为了使各检验机构不同软件厂家能够顺利的与统一管理平台进行对接,本系统对公安部接口进行了部分扩充。
扩充接口分别为:18C10—获取能够上线检验的车辆列表;18C11—根据检验流水号获取车辆详细信息;18C12—捕获工位照片并上传。
机动车安全技术检验监管系统建设指导意见公安部交通管理局2014年6月目录一、建设目标................................................................................................................................. - 2 -二、建设任务................................................................................................................................. - 2 -(一)建设检验监管软硬件平台 ............................................................................................. - 2 -(二)建立运行工作机制........................................................................................................ - 3 -三、总体设计................................................................................................................................. - 3 -(一)系统架构 ...................................................................................................................... - 3 -(二)软件部署 ...................................................................................................................... - 6 -(三)核心流程 ...................................................................................................................... - 7 -(四)软硬件平台要求.......................................................................................................... - 15 -四、检验监管内容....................................................................................................................... - 17 -(一)事前监管内容 ............................................................................................................. - 17 -(二)事中监管内容 ............................................................................................................. - 18 -(三)事后监管内容 ............................................................................................................. - 19 -五、应急处置方案....................................................................................................................... - 19 -(一)移动智能检验终端、视频监管系统故障...................................................................... - 19 -(二)安检机构系统接入监管系统网络异常 ......................................................................... - 20 -(三)检验监管系统整体故障............................................................................................... - 21 -六、职责分工............................................................................................................................... - 22 -(一)公安部交通管理局...................................................................................................... - 22 -(二)省交警总队................................................................................................................. - 22 -(三)地市交警支队 ............................................................................................................. - 23 -(四)公安部交通管理科学研究所........................................................................................ - 23 -七、进度安排............................................................................................................................... - 23 -根据公安部、国家质检总局《关于印发<关于加强和改进机动车检验工作的意见>的通知》(公交管[2014]138号),为规范机动车安全技术检验工作,加强机动车安全技术检验过程中擅减检验项目、降低检验标准、篡改、伪造检验数据等突出问题监控和管理,提出机动车安全技术检验监管系统总体建设方案。
公安部统一版机动车安全技术检验监管系统用户操作手册湖北省公安厅交通管理局北京时代动力鸿宇科技有限公司目录一、系统概述.......................................... 错误!未定义书签。
二、系统构架.......................................... 错误!未定义书签。
1、检验监管系统前置程序 ................................ 错误!未定义书签。
2、检验监管系统软件 .................................... 错误!未定义书签。
3、检验监管数据交换软件 ................................ 错误!未定义书签。
4、视频监管系统........................................ 错误!未定义书签。
5、监管系统扩展功能 .................................... 错误!未定义书签。
6、软件部署............................................. 错误!未定义书签。
三、系统流程.......................................... 错误!未定义书签。
四、检测登记(预录入)................................ 错误!未定义书签。
五、人工检验.......................................... 错误!未定义书签。
第一部分:外观检测 ..................................... 错误!未定义书签。
第二部分:底盘检验 ..................................... 错误!未定义书签。
第三部分:底盘动态检验 ................................. 错误!未定义书签。
第四部分:人工检验记录表 ............................... 错误!未定义书签。
第五部分:检验项目照片要求 ............................. 错误!未定义书签。
六、仪器检验.......................................... 错误!未定义书签。
七、授权签字.......................................... 错误!未定义书签。
八、高拍仪............................................ 错误!未定义书签。
九、检测查询.......................................... 错误!未定义书签。
十、核发检验合格标志.................................. 错误!未定义书签。
十一、复检............................................ 错误!未定义书签。
一、系统概述根据公安部、国家质检总局下发的《关于印发<关于加强和改进机动车检验工作的意见>的通知》(公交管[2014]138号),《关于推广应用机动车安全技术检验监管系统软件的通知》(公交管〔2014〕390 号)文件,为规范机动车安全技术检验工作,加强机动车安全技术检验过程中擅减检验项目、降低检验标准、篡改/伪造检验数据等突出问题监控和管理,湖北省交管局提出在原有机动车安检监管系统的基础上进行改造升级,完成原有检验监管程序与公安部交管局开发的机动车安全技术检验监管系统的对接工作。
根据部局统一检验监管系统,以后机动车安全技术检验总共划分为3大部分:人工检验、仪器检验、远程查验监管。
其中,人工检验包含了外观检验、底盘检验、底盘动态检验三个子模块;仪器检验则包含为以前的线内检测,即制动、灯光、侧滑等需要检验设备工作的部分,远程查验监管则包含了远程数据审核、远程照片审核、远程视频审核、远程流程审核、远程预警信息审核以及远程核发检验合格标志。
目前国家统一执行的检验标准为GB21861-2008,信息检验标准GB21861-2014已上报国家标准委员会审定,等待审批流程完成后,全国会统一切换为新的检测流程。
同时公安部统一版监管系统对于机动车安全技术检验监管的要求比较高,按照部局文件的要求,在机动车进行安全技术检验过程中(包含人工检验和仪器检验),每个检验项目都需要抓拍至少一张检验过程图片,并要求实现检验数据、视频联动功能。
系统主要技术依据:GB7258 机动车运行安全技术条件GB21861 -2008 机动车安全技术检验项目和方法GB21861 -2014 机动车安全技术检验项目和方法GA801-2014 机动车查验规程GA1186-2014 机动车安全技术检验监管系统通用技术条件GBT21865 机动车安全技术检验业务信息系统及联网规范二、系统构架1、检验监管系统前置程序检验监管系统前置程序负责和检验监管系统软件进行接口数据对接,完成检验过程、数据、照片、视频等相关数据的采集及上传,完善统一版监管系统对检验机构的整体检验流程控制,保障监管系统的稳定运行。
2、检验监管系统软件检验监管系统软件是检验监管系统核心组成部分,提供检验过程信息、检验过程照片、检验详细结果、路试结果以及检验相关资料等信息写入接口,实现与检验业务系统和移动智能检验终端系统检测数据的实时对接;提供检验过程数据、视频监控等信息的监管、审核、分析及预警功能。
检验监管系统软件从综合应用平台(工作库版)下载备案信息,并将检验结果、检验监管信息上传至综合应用平台(工作库版)。
3、检验监管数据交换软件对采用专用局域网模式的需要安装检验监管数据交换软件。
检验监管数据交换软件提供综合应用平台安检机构相关备案、接口授权、证件打印等信息下载功能,提供将检验监管软件接口申请、审核通过结果、交强险、检验过程、检验结果、预警等信息上传至综合应用平台的功能。
4、视频监管系统各地根据《机动车安全技术检验监管系统通用技术条件》要求自行建设,实现检验视频信息的实时视频监控、采集、存储及分析,同时通过检验监管系统软件接口上传检验过程异常信息。
同时,提供通过检验记录查询条件(包括检验流水号、安检机构编号、号牌种类、号牌号码)访问视频监管系统提供的视频信息显示页面,回放检验过程视频信息,供检验监管系统软件在检验信息审核时查询外观检查、工位检验等相关视频监控信息。
5、监管系统扩展功能保留现有监管系统中实际在用并在统一版没有的定制化功能(机动车技术参数公告数据维护、提取及自动比对功能,非上线车辆限制管理功能,检验业务流程可控可调功能,总队统一管理及对已审核数据复查功能等),确保在全国统一版监管系统正常使用的基础上,实现系统功能的完善及扩充。
保障系统改造升级过程中的平稳过渡。
三、系统流程四、检测登记(预录入)所有检测车辆都必须进行登记操作点击IE浏览器,在地址栏中输入指定的机动车安全技术检验监管系统地址,如,按回车键后,系统显示如图所示界面。
登录方式:输入用户名、密码后,点击【登录】,系统进行用户名、口令以及登录PC的IP验证,通过后即可进入机动车安全技术检验监管系统的业务主界面,如图预录入工作人员登录机动车检测监管联网平台,在【预检管理】功能菜单项下的【检测登录】,点击页面左侧“添加”按钮:输入“车架号后4位”(或完整车架号)和“号牌号码”提取车辆信息“驱动形式”、“车辆所属类别”、“里程表度数”、“送检人”、“身份证号”等需手动输入,车辆所属类别必须准确选择。
录入完成后,点击确定按钮提交录入信息,并点击“打印凭证”按钮获取受理凭证。
新车预录入界面相同,检验类别选择“注册登记检验”,国产机动车车可直接扫描合格证进行检验基础信息的提取,进口机动车则可通过输入车辆型号,点击查询按钮获取机动车公告信息,并手动补齐其他未获取到的机动车信息(车辆识别代号等),号牌号码系统会自动生成,无需人为填写注:公安部统一版监管系统要求全部检验车辆都需要进行检测登记流程,才可开始检验。
包括:新车注册检验、在用车检验、异地委托检验及过户检验。
1. 新车检验,需在预录入界面,检验类别中选择“新车注册”,进行车辆信息的预录入,车辆全部信息需手工输入。
2. 申请年检合格标志,需在预录入界面,检验类别中选择“在用车检验(定检)”,进行车辆信息的预录入,车辆信息可从公安网直接获取。
3. 转入/转移/变更等其他需要上线检验的车辆,需在预录入界面,检验类别中选择“在用车检验(非定检)”,车辆信息可从公安网直接获取。
五、人工检验确认网络连接正常,选择“人工检验终端”,进入程序界面,输入用户名和密码。
图1 图2在登陆首页点击图1红色方框内的功能按键,系统弹出图2红色框体的内容,在里边可以选择下载外检资料、修改用户密码、修改系统连接配置以及系统远程升级等功能登录进入人工检验系统后,可以看到人工检验所属系统功能,人工检验分为三部分:1外观检测 2底盘检验 3底盘动态。
三个人工检验项目系统会自动根据登录用户的权限不同分别显示。
第一部分:外观检测选择外观检验功能,进入外观检验流程:输入号牌号码、号牌种类或者直接点击确定进入待检车辆列表,选择对应车辆开始外观检验外检工作人员通过PDA程序登录系统,进入“外观检验”项目,核对“基本信息”,需对“唯一性”、“车身外观”、“照明电气”、“发动机舱”、“驾驶室”、“发动机运转状况”、“客车内部”、“底盘件”、“轮胎其他”等项目进行检验。
查验完毕之后,按照拍照要求,进行“车辆拍照”。
所需拍照项目监管系统会自动根据部局统一版监管系统下发进行提示第二部分:底盘检验新增检验外检查验人员通过PDA程序登录车检系统,进入“底盘检验”项目,核对“基本信息”,点击“开始检验”,底盘区域监控程序会通过摄像头自动抓拍检验场景的图片,然后查验“转向系”、“传动系”、“行驶系”、“制动系”、“电气线路及底盘其他部件”进行检验。
监管系统要求在底盘检验员进行底盘检验过程中,随机抓拍一张检验过程照片第三部分:底盘动态检验新增检验外检查验人员通过PDA程序登录车检系统,进入“底盘动态”项目,核对“基本信息”,点击“开始检验”,底盘动态区域监控程序会通过摄像头自动抓拍检验场景的图片,然后查验“转向系”、“传动系”、“制动系”、“驾驶区”进行检验。
监管系统要求在底盘检验员进行底盘动态检验过程中,随机抓拍一张检验过程照片第四部分:人工检验记录表检验机构完成机动车人工检验部分后,可以通过检验监管系统打印出“机动车人工检验单”,在【预检管理】功能菜单项下的【人工检验单打印】。