集中回风下山作业规程
- 格式:docx
- 大小:48.00 KB
- 文档页数:40
目录第一章概况 (3)第一节工作面位置及井上下关系 (3)第二节煤层 (3)第三节煤层顶底板 (4)第四节地质构造 (4)第五节水文地质 (5)第六节影响回采的其它因素 (5)第七节储量及服务年限 (5)第二章采煤方法 (7)第一节采煤方法及巷道布置 (7)第二节支护设计 (8)第三节采煤工艺 (10)第四节设备、材料配置 (13)第三章顶板管理 (14)第一节工作面顶板管理 (14)第二节工作面上、下安全出口顶板管理 (16)第三节矿压观测 (17)第四章生产系统 (18)第一节运输 (18)第二节一通三防与安全监控 (18)第三节供排水 (21)第四节供电 (22)第五节压风、通讯、照明 (23)第五章劳动组织和主要技术经济指标 (24)第一节劳动组织 (24)第二节主要技术经济指标 (25)第六章煤质管理 (26)第七章安全技术措施 (27)第一节一般规定 (27)第二节顶板 (29)第三节防治水 (32)第四节爆破 (32)第五节一通三防 (34)第六节运输管理 (36)第七节机电 (36)第八节工作面安全质量标准化 (38)第九节工作面作业安全准许确认制度 (39)第十节其他 (41)第八章灾害应急措施及避灾路线 (43)第一节地质变化应急预案 (43)第二节顶板事故应急预案 (43)第三节水灾事故应急预案 (44)第四节火灾事故应急措施 (45)第五节瓦斯、煤尘爆炸事故应急预案 (46)第六节冲击地压发生前的宏观预兆及应急原则 (46)第七节安全监控系统故障处理应急预案 (46)第八节避灾路线 (47)附件、附图:1、公司批复红头文件、矿井会审意见(原件由编制部门存档)2、作业规程附图3、作业规程贯彻、复学登记表4、作业规程考试成绩登记表5、作业规程(措施)发放登记表6、复查登记表7、采煤工作面投产前验收表8、地质说明书9、工作面初采初放、探放水措施、过断层或老巷、串联通风等专门安全技术措施第一章概况第一节工作面位置及井上下关系11454Ⅲ工作面为塘冲水平114采区南翼五煤层第四块工作面。
《煤矿安全规程》要求在作业规程作具体规定的内容第二十六条采用普通凿井法施工时,立井的永久或临时支护到井筒工作面的距离及防止片帮的措施必须根据岩性、水文地质条件和施工工艺在作业规程中明确规定.第四十四条采用锚杆、锚喷等支护形式时:锚杆、锚喷等支护的端头与掘进工作面的距离,锚杆的形式、规格、安装角度,混凝土标号、喷体厚度,挂网所采用金属网的规格以及围岩涌水的处理等,必须在施工组织设计或作业规程中规定.第四十六条开凿或延深斜井、下山时,必须在斜井、下山的上口设置防止跑车装置,在掘进工作面的上方设置坚固的跑车防护装置。
跑车防护装置与掘进工作面的距离必须在施工组织设计或作业规程中规定。
第五十三条采煤工作面必须经常存有一定数量的备用支护材料。
使用摩擦式金属支柱或单体液压支柱的工作面,必须备有坑木,其数量、规格、存放地点和管理方法必须在作业规程中规定.第五十七条用垮落法控制顶板时,回柱放顶的方法和安全措施,放顶与爆破、机械落煤等工序平行作业的安全距离,放顶区内支架、木柱、木垛的回收方法,必须在作业规程中明确规定。
第五十八条采煤工作面采用密集支柱切顶时,两段密集支柱之间必须留有宽0.5m以上的出口,出口间的距离和新密集支柱超前的距离必须在作业规程中明确规定。
第五十九条采用分层垮落法开采时,必须向采空区注水或注浆。
注水或注浆的具体要求,应在作业规程中明确规定。
第六十三条长壁式采煤工作面分上下面同时回采时,上下面的错距应根据煤层倾角、矿山压力、支护形式、通风、瓦斯、自然发火、涌水等情况,在作业规程中明确规定。
第六十四条采用水平分层垮落法回采时,上一分层的采煤工作面超前下一分层采煤工作面的距离,应在作业规程中规定.第六十七条采用综合机械化采煤时:采煤机采煤时必须及时移架。
采煤与移架之间的悬顶距离,应根据顶板的具体情况在作业规程中明确规定;超过规定距离或发生冒顶、片帮时,必须停止采煤。
第七十四在使用耙装机时:1、固定钢丝绳滑轮的锚桩及其孔深与牢固程度,必须根据岩性条件在作业规程中作出明确规定。
汇川区长兴煤矿总回风下山掘进作业规程编制:娄方海时间:2009年09月18日总回风下山掘进作业规程一、矿区概况矿区地形地貌属低中山区,海拨高程1179~1468m,切割深度﹥300m,地势北高南低,中部为一近东西向槽谷,宽200~500m。
矿区所在地总体地貌为裸露型岩溶龚岗槽谷地貌,微地貌有剥蚀堆积地貌及冲积地貌。
矿区位于茅坡向斜南西翼,构造中等——复杂。
矿区地层总体上走向南北,倾向40~70。
,倾角25~40。
的单斜构造,矿区内构造线呈北北西向展布。
矿区内中部有一条走向北东向的逆断层F1断层倾向南东,倾角70度,F2断层横贯矿区南部,F2断层倾向南北,倾角68~80度,为正断层。
由于断裂构造作用,含煤地层走向,倾向的产状有一定变化,区内构造复杂中等,但因我矿主井位置在矿区中南部段从地表岩层走向层理理正常来分析对该主提升井掘进影响极小。
二、巷道布置、用途该斜巷位于C1和C6煤层之间,在C1煤层顶板以西33m 按方位22 度,倾角25度的坡度向下掘进420米左右,掘进过程中每30~40m斜巷在主巷底板侧掘一个躲避硐(高1.8m、宽1.2m、深2.0m),标高+1228~1000m水平。
在掘进至+1000m水平落平后与集中运输巷贯通,形成全负压通风系统,属于矿井主要开拓巷道系统。
用途:矿井总回风。
三、地质、水文地质情况根据该区域从地面岩石走向层理的分析:岩层相对较稳定,预计有可能出现小的褶皱构造;水文地质方面从矿井开采设计方案来看,无明大的含水地层,主要充水水源是岩石裂隙水,对掘进施工影响较小;由于地表早年小窑多,在+1200m水平以上有小窑积水。
故此,必须坚持先探后掘,做到“有凝必探,安全第一”。
四、施工方法1、采用钻爆法掘进。
2、施工作业前,必须先根据作业地点安全、设备完好、通风、瓦斯涌出状况,检查各个系统的安全可靠性,做到先安全后生产。
3、按“三八制”作业,一个工作日完成三个循环。
五、施工程序1、钻眼:使用7655型风动凿岩机钻眼;打眼时,采湿式打眼作业。
1200上煤组回风措施巷掘进作业规程一、施工说明1、施工依据(1)、已审批的新宝园煤矿《开采方案设计》、《安全专篇》。
(2)、2011年版《煤矿安全规程》。
(3)、煤矿《作业规程》编制内容及要求。
(4)、《煤矿工人技术操作规程》(煤生字[1996]547号)。
(5)、《生产矿井井巷工程质量检验评定标准》。
(6)、《采矿设计手册》。
(7)、《煤矿安全生产条件基本规定》(国办发[2003]58号)。
(8)、《煤炭工业矿井设计规范》GB50215-94。
(9)、《矿井防灭火规范》(试行)。
(10)、《矿井通风安全装备标准》。
(11)、《矿井通风安全监测装备标准》。
(12)、掘进各工种操作规程、岗位责任制以及矿有关安全、技术管理规定和制度。
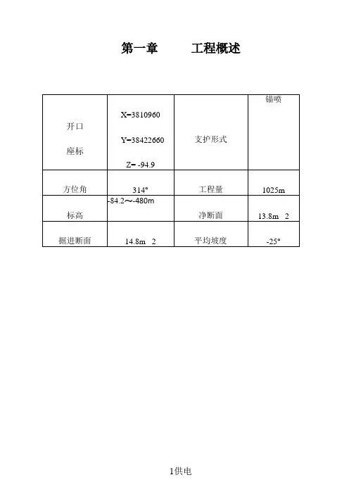
2、工程项目1200上煤组内20M处开门子,下山布置在10#煤层底板,采用锚网喷。
此开拓工程预计20天完成,届时为生产采掘接替提供可靠保证。
3、支护形式所有巷道采用锚杆、喷浆支护,巷道净高2.7米,净宽2.7米的弧拱形,间排距为800×800mm,喷浆厚度100mm,锚喷锚杆距迎头距离不大于800mm。
4、施工说明工程按中腰线施工,腰线至轨面1.2M,先打4m平巷,后转下山,坡度34°,每一米3个台阶,6米二个循环锚料,喷浆支护,过断层、矿压较严重地段应先进行临时支护。
5、施工方法(1)、运料:主井井口→主井车场→1200上煤组底板抽放巷→1200上煤组回风巷下山掘进工作面。
②通风:5.5KW局扇供风、直径400毫米阻燃风筒至迎头。
新井→车场→-238水平南大巷口安装风机→工作面。
③打眼:采用湿式26型凿岩机打眼、爆破落矸。
(4)、出货:采用18kg/m轨道,爆破后采用耙矸机装入0.77m3矿车,经工作面→主井车场→主井井口。
6、一次成巷规格采用一次成巷、光面爆破。
①轨道:铺设18kg/m的轨道,道木间距900mm(中~中),误差不超过50mm,道木均为1200×130×130mm规格。
第一章工程概述当巷道全部在灰岩中掘进时,不设临时支护,喷100mm砼做永久支护; 当巷道突破灰岩时,先打锚杆、钢带,挂网作临时支护,在临时支护的基础上喷100mm砼做永久支护。
锚杆间、排距为800mm,与巷道轮廓的夹角≥75°。
第二章地质说明书第三章生产系统第一节局部通风及瓦斯监测系统一、风量计算1.按工作面所需风量计算Q=4N K(m3/min)式中:N—掘进工作面同时工作的最多人数,取30人。
K—风量损失系数,取1.5。
4—每人每分钟需供给的风量4 m3/min。
Q=4×30×1.5=180 m3/min2.按爆破图表计算风量Q=7.8/T 3√KA(SL)2式中:A——一次爆破装药量36.15KgT——通风时间,取25分钟K——淋水系数,取0.6S——巷道掘进断面积14.8m2L——炮烟稀释长度,取100米Q=7.8/253√0.6×36.15(14.8×100)2=113m3/min③按瓦斯涌出量计算Q=100GK式中:G——掘进工作面瓦斯绝对涌出量1.0m3/min K——掘进工作面瓦斯涌出量不均衡系数。
取1.5 Q=100×1.0×1.5=150 m3/min④风速验算由安全规程知:岩巷掘进头风流风速标准:Vmax=4m/s Vmin=0.15m/s则此算得该工作面最大允许通风量Qmax:=4×60×S=4×60×14.8=3552 m3/minQmin:=0.15×60×14.8=0.15×60×14.8=132.2 m3/min通过验算可知:取最大值180m3/min为该工作面所需风量符合设计要求。
二、风机、风筒选型及安装根据以上计算结果可知,风量为180 m3/min即可满通风需要。
考虑到巷道通风距离较远,因此选用YBT62―2型(28KW)局扇,其吸风量为250-390m3/min,按风量损失系数0.2计算,YBT62―2型(28KW)局扇的供风量为200~312m3/min,既能满足正常通风需要,又能满足《安全规程》规定的风速要求。
山西xx煤业有限公司皮带下山、轨道下山掘进作业规程二〇〇八年四月十九日第一章概况一、巷道位置、用途及服务年限(附平面位置图)我矿皮带下山、轨道下山位于矿井中部,皮带下山用于南翼原煤运输、进风,轨道下山用于材料运输、回风,两条巷道平行布置,中间开掘专用行人巷;轨道下山设计总长度1692m(现已掘1596m),皮带下山设计总长度为1698m(现已掘1602m),服务年限2年。
图1 平面位置图.二、地质及水文情况工作面煤层厚2—2.4m,夹矸厚8—20cm,煤层倾角00—100,平均倾角50,煤体容量1.4T/m3,煤层硬度1.5。
工作面煤层赋存状态为一单斜构造,煤层走向为北东向,倾向为北西向,煤层构造简单,有少数小断层。
工作面顶板有淋水,局部以裂缝出水,日涌水量1000m3。
瓦斯、二氧化碳涌出量小,绝对瓦斯涌出量为0.2m3/分,煤尘具有爆炸性,煤层自燃倾向性为不易自燃。
图2 地质柱状图第二章施工程序一、施工方法轨道下山、皮带下山同时施工,施工方位为磁方位1850,掘进96m后开掘联络巷,勾成系统。
施工中,均采用煤电钻打眼、爆破落煤、人工大铲装煤、刮板输送机运输,沿煤层底板掘进,一次成巷的施工方法。
掘进过程中,因地质条件或其它因素影响,临时调整作业,确保作业安全、有序。
二、施工程序1、落煤方式选用MZ—12A型手持煤电钻打眼,选用三级煤矿许用硝铵炸药(或乳化炸药),毫秒电雷管1—5段,MFB—100型发爆器,工作面采用反向爆破,全断面一次起爆。
2、炮眼布置炮眼布置必须有利于保持顶帮层面的完整性,确保巷道断面符合设计要求,由于煤层易发生片帮,两帮底眼间距一般控制在3.2m内。
图3 炮眼布置图爆破说明书3、装煤与运输方式采用人工大铲装煤,刮板输送机运输。
4、支护方式及质量要求(1)净断面规格:上净宽2.6m,下净宽3.2m,净高2m。
图4 支护断面图(2)工作面支护采用梯形木棚支护,亲口接合,松木(湿)直径不小于10cm,棚距1m。
遵义市江锋商贸有限公司泥炭二矿回风下山掘进作业规程编制:总工程师:矿长:编制日期:目录第一章概况 0第一节概述 0第二节编写依据 0第二章地面相对位置及地质水文情况 (1)第一节地面相对位置及邻近采区开采情况 (1)第二节矿(岩)层赋存特征 (1)第三节地质构造 (5)第四节水文地质 (5)第三章巷道布置及支护说明 (7)第一节巷道布置 (7)第二节支护设计 (7)第四章施工工艺 (8)第一节施工方法 (8)第二节凿岩方式 (9)第三节爆破作业 (9)第四节装、运煤(岩)方式 (11)第五节管线及轨道敷设 (11)第六节设备及工具配备 (11)第五章劳动组织及主要技术经济指标 (12)第一节劳动组织 (12)第二节循环作业图表 (12)第三节主要技术经济指标 (14)第六章生产系统 (14)第一节通风系统 (14)第二节压风系统 (16)第三节防尘系统 (16)第四节防灭火 (17)第五节安全监测系统 (17)第六节供电系统 (19)第七节排水系统 (19)第八节运输系统 (19)第九节通迅系统 (20)第七章灾害预防及避灾路线 (20)一、灾害预防 (20)二、避灾路线 (21)第八章安全技术措施 (21)第一节施工准备 (21)第二节“一通三防”管理 (22)第三节顶板管理 (24)第四节爆破管理 (26)第五节防治水管理 (31)第六节机电管理 (31)第七节运输管理 (36)第八节其它 (39)第一章概况第一节概述一、巷道名称回风下山掘进工作面二、巷道用途及巷道布置根据《遵义市江锋商贸有限公司泥炭二矿开采方案设计》要求,结合我矿实际情况,该作业点在工作面回风巷449.5m标高处按175°方位掘回风下山60m,再以59°方位掘进与工作面运输巷贯通,贯通后形成回采工作面;形成回采工作面后该巷道主要担任工作面回风。
三、巷道设计长度及服务年限巷道设计长度:总长60米,服务年限:1年。
第一章 概况第一节 工作面位置及井上下关系 指标参数 备注煤层厚度(最小~最大/平均)/(m ) 0.2-4.3/2 煤层倾角(最小~最大/平均)/(度)5-15/10 煤层硬度f 0.26 煤层层理(发育程度) 发育 煤层节理(发育程度) 发育 自然发火期/(d) 无 绝对瓦斯涌出量(m 3/min) 2.63 相对瓦斯涌出量(m 3/t)5.69 煤尘爆炸性 不具爆炸性 地温/(℃)无影响煤层顶底板情况表 (表三)水平名称 -250m 水平 采区名称 22采区 地面标高 +150 —— +160井下标高-260—— -284地面的相对位置 22032工作面对应地面位置为南鲁仙村以北300米处的荒山区回采对地面设施的影响 工作面对应地面物为田野及荒山,无建筑物及水体,对地面设施无影响。
井下位置及相邻关系 位于22采区南翼中上部,其上部为原270回采工作面采空区,下部为22051工作面未采区,其北部为22061工作面。
南至南鲁仙村庄保护煤柱边界。
走向长度(m)430 倾斜长度(m)113面积(m 2)48590顶底板名称岩石类别厚度(m)岩性顶板老顶砂岩44由深灰色泥岩、砂质泥岩、细、中粒砂岩组成,砂岩成分石英为主,底部含砾石,局部细砾岩“香炭砂岩”,具鲕状结构。
直接顶砂质泥岩8 22031工作面假顶底板直接底砂质泥岩 4灰黑色泥岩,深灰色砂质泥岩及细粒砂岩,夹2—3层菱铁矿质泥岩及一层薄煤层(二0煤),含大量植物化石。
老底中细粒砂岩20灰白色细粒—中粒长石、石英砂岩,含大量黑色泥岩包裹体,俗称北岔沟砂岩。
22032工作面综合柱状图层号厚度(m)柱状岩性名称岩性特征1234520.53.883.27.6643.7中细粒 砂岩砂质泥岩砂质泥岩中粒砂岩二1煤灰色到浅灰色,含暗色矿物,以石英为主,底部含砾石,具鲕状结构.22032煤层综合柱状图灰色到深灰色,含植物化石.黑色,以粉状煤为主,次为块状及粒状,似金属光泽。
作业规程措施编制、审批及贯彻执行的规定一、作业规程、措施的编制1、作业规程是煤矿三大规程之一,作业规程是采掘工作面施工的依据,必须严格遵照执行.所有采掘工作面施工前必须编制作业规程,严禁无规程施工.2、作业规程措施必须按技术科下发的统一格式进行编制,否则,对有关单位主管技术员罚款50元.作业规程要具有科学性、针对性,真正起到促进技术进步,指导安全生产,提高经济效益的作用;要积极采用行之有效的新技术、新工艺、新设备、新材料和现代化管理技术;坚持正规作业、循环作业、保证安全、提高效率.3、作业规程措施编制之前,必须具备下列文件:1矿总副总工程师审批下发的施工设计或生产技术业务联系单;2经过审批的开拓延深设计、采区设计、区段设计或单项工程设计等;3经过审批的该区域地质说明书或地质预报书.4、编制作业规程时,必须以安全规程、操作规程、工种岗位责任制为依据,并参照有关的安全技术管理制度和资料.如:工作面交接班制度,工程质量验收制度,巷道维修制度,采掘机电设备维修制度,瓦斯、煤尘管理制度,放炮和瓦斯检查制度,通风安全监测仪表使用维护制度,以及临近采区、同一煤层、相邻巷道的矿压观测资料等.5、作业规程与安全规程、操作规程、工种岗位责任制的关系:1凡安全规程明文规定要求在作业规程中作出规定的都必须在作业规程中予以规定;2凡安全规程、操作规程、工种岗位责任制无规定,而在作业中必须明确规定的内容,必须在作业规程或安全措施中明确规定;3凡属安全规程、操作规程、工种岗位责任制中已明文规定且又属作业中必须明确贯彻执行的条文,在作业规程中必须写清该条文的具体内容.6、以下各工程,可视为一个单项工程纳入一个作业规程编制.1水平运输大巷;2总回风巷;3采区进风石门;4采区回风石门;5轨道上下山和上下部车场及附属峒室;6运输上下山、通道和附属峒室;7通风和行人上下山及附属峒室;8采区煤仓;9岩石集中巷及与之关联的联络巷道;10岩石轨道巷及与之关联的联络巷道;11同一回采工作面的风巷、机巷、开切眼、轨道巷及联络巷道;12安技措专项工程等.7、下列情况需编制针对性的补充安全技术措施1在已视为单项工程中的附属工程;2掘进施工过程中遇较大的断层破碎带时;3掘进迎头出现较大的落棚时;4需改变巷道支护方式或巷道规格时;5掘进迎头发现有出水征兆时;6掘进迎头发现瓦斯涌出量有异常变化时;7掘进巷道遇老空区时;8掘进巷道穿过距离小于3米的上部和下部巷道.补充措施,要附在原作业规程上.8、下列情况必须编制专门安全技术措施1石门见煤或揭煤;2巷道贯通;3高突区域、水患威胁区域等;4、串连通风措施9、技术科提前10天下发生产技术业务联系单,施工单位的技术人员自接到生产技术业务联系单起,1天内向各职能科室下发巷道开工通知书,机电科、通防科在接到巷道开工通知书2天内,必须准备好规程编制所需的机电、通风方面的资料包括图纸,由施工单位技术员整理编制作业规程.作业规程必须在开工前3天内审批完毕并及时下发到各单位.不按规定时间进行各项工作的,无特殊原因,罚施工单位技术主管50元.10、作业规程编制前,施工单位技术人员必须到现场勘查,认真分析现场情况.编制过程中,要广泛征求本区队职工意见,要求内容齐全、重点突出、字迹清楚,文字简练通顺,图、表、文相符,计算依据充分、选取参数合理、技术先进、切合实际、操作上可行、安全上可靠、符合各种规定.作业规程必须由区技术主管编制,作业规程编制后,经区、队长、签署.作业规程必须打印,要求装订整齐、书面整洁.排版合理,字体统一.11、主井、副井、井底车场、水闸墙等工程必须编制施工组织设计.12、揭煤、贯通、过断层等技术安全措施的编制,以地测科下发的地质预报或业务联系单为依据,施工单位技术员根据地质预报或业务联系单的要求及时编制措施指导施工.因措施编制不及时影响生产的,罚施工单位技术主管300元.造成事故的,另行追究责任者责任.二、作业规程、措施的审批13、作业规程必须严格执行会审制度,由矿总工程师负责组织技术科、地测科、机电科、通防科、调度所、煤质办、安监处和施工单位等技术负责人共同会审;提出会审意见,进行会签,由总工程师批准后,下发一并贯彻执行.会审时必须有施工单位区、队长参加,否则,不予审批,影响生产由施工单位主管技术员和区队长负责.14、措施由矿分管副总工程师组织有关单位审查批准.规程及涉及重大安全技术问题的专项措施,必须由矿总工程师审查批准.审批权限规定如下:总工程师:作业规程、贯通措施、石门揭煤措施、探放水措施;掘进副总:掘进措施、修护措施;采煤副总:采煤措施、坑代措施;通风副总:“一通三防”措施;机电副总:机电措施、运输措施.技术安全措施会审时必须有施工单位队长参加,否则,不予审批,影响生产由施工单位主管技术员和队长负责.并对施工单位技术主管罚款50元.15、作业规程、措施参与会审单位必须明确规定审批人员,若规定审批人员因有事外出等原因不能审批时,由单位负责人指定人员代其审批,并向规定审批人员说明.如总副总工程师因事外出,可委托他人代签生效.16、作业规程、措施审批时间定于每周一、三、五下午14:00,各单位作业规程及技术安全措施审批人员做好准备,接到技术科通知后及时参加措施审批,迟到者,罚款20元,缺席者,罚款50元,影响生产责任由缺席者及其单位承担.紧急或应急措施即报即批.17、作业规程措施审批人员对报批的设计、规程、措施,必须认真审阅,积极提出修改意见.因审批把关不严而造成技术责任事故的,审批人员按其责任分工范围,同编写人员负同等技术责任.18、作业规程、措施有下列情况之一者,要求打回重写并罚编制人员、主管技术员各100元.1图纸、计算或应用数据错误的;2出现错字、别字或掉字现象达三处的;3字迹潦草一般人无法辨认的;4排版混乱,字体不一致的;5措施没有针对性、条理不清、语句不通顺的;6违反国家或上级及矿有关管理规定的;19、作业规程、措施审批后,进行统一编号,并加盖受控章后,在一天内分发到各单位.作业规程在2天内必须上网发布,发放布不及时的,每推迟一天罚款50元.没有盖受控章的,罚款100元.20、作业规程措施经矿总副总工程师批准生效后,任何人不得随意更改,若存在错漏之处确实需要更改的,应在技术科的组织下由施工单位技术员负责收集各单位持有的作业规程或技术安全措施进行更正,涂改更正之处应加盖编制技术员印章.擅自更改作业规程措施的,对施工单位技术主管罚款200元,造成事故的,另行追究责任者责任.三、作业规程的贯彻、执行21、作业规程及技术安全措施由施工单位的技术人员在开工前分三班向本单位全体工作人员认真贯彻.1作业规程、安全技术措施的贯彻,必须建立记录簿,其内容包括规程、技术安全措施的名称,贯彻日期,参加人员和区、队长签字,未参加人员及补充贯彻情况,作业规程考试成绩.安监处、技术科每月对作业规程措施贯彻情况进行一次检查,发现有一人次漏签代签上岗的罚单位技术主管20元,记录簿内容不齐全的发现一项次罚单位技术主管20元;2对分期施工或因故停工的工程,当再次恢复施工时,必须有复工报告,可以沿用原作业规程,但必须重新贯彻执行.当施工队伍复工调整时,应办理移交手续,交接有关技术资料,原则是谁施工、谁贯彻、谁负责.若因停工时间过长,施工工艺、设备、材料等施工条件或生产技术条件发生变化时,应编制补充措施连同原作业规程一并贯彻执行.3作业规程贯彻后,必须对所有上岗人员和区队干部进行考试,未参加考试或考试不及格者不准上岗.缺席者要进行补考.考试试卷由施工单位妥善保存,以备检查.考试成绩记入作业规程贯彻记录中.发现试卷分数统计与实际不符的,每发现一人次对技术主管罚款20元,每发现一人次替考现象的,对技术主管罚款50元.每发现一人次未参加考试或考试不及格者上岗的,对技术主管、队长、区长各罚款100元.22、施工中发生和遇到较大的冒顶区、破碎带等隐蔽工程和隐患,必须由施工单位的技术人员做好原始记录,报矿技术科.瞒报隐蔽工程或汇报不及时的,发现一次对施工单位技术主管罚款100元,造成事故的,追究施工单位技术员责任.23、矿每月组织技术科、安监处对作业规程措施的编制、审批及贯彻执行情况进行一次全面检查,检查要有专门记录,并将检查情况在网上及时进行通报,每发现少检查一次罚技术科负责人100元;查出的问题不按规定期限整改的,每条罚该区主管技术员50元.24、各分管副总工程师应组织技术科、安监处、通防科、调度所、施工单位等有关部门,依据现场具体情况,对作业规程、技术安全措施,每月进行一次全面复审,并提出复审意见,报矿总工程师审批.作业规程、技术安全措施复审由技术科提前半天通知复审人员,无故缺席不到者,罚缺席者50元,影响生产另行追究责任.作业规程、技术安全措施复审要有记录,并发放到施工单位及有关单位.25、严禁无规程、措施施工,否则罚施工单位区长、队长、指示无规程、措施施工的有关人员各300元并进“三违”学习班学习,造成事故的,追究相关人员责任.26、对设计、规程、措施在编制、审批和贯彻执行过程中出现以下违章现象,每发现一次罚矿安监处负责人100元.1经集团公司或矿检查发现无规程措施施工,尚未发现和制止的;2发现按规程措施的规定施工不能保证现场工人安全,不督促编制人员修改补充规程措施的.27、掘进每项工程竣工验收后,应由施工单位的技术人员将作业规程和技术安全措施、巷道支护形式、规格及隐蔽工程、重大隐患等整理成册,交技术科存档备查.否则,工程不予验收.28、采煤工作面收作后,采区技术员应提交“技术总结报告”,经采煤副总审核后,交技术科存档备查.“技术总结报告”包括以下内容:1巷道布置的优缺点,工作面超前压力及周围采空固定支承压力的影响范围,改进意见;2回采过程中存在的问题及处理方法;3采煤方法的优缺点及矿压显现规律和顶板管理经验;4提供工作面回采率的途径;5组织正规循环作业经验及存在问题;6各项技术经济指标的对比分析;7设备使用情况和事故分析;8劳动力配备的合理性分析;9高瓦斯工作面要总结瓦斯涌出规律及防治经验.。
第一章概况第一节工作面基当地层状况附图 1:工作面地层综合柱状图。
附图 2:工作面运送巷、回风巷、开切眼剖面图。
附图 3:工作面井上、井下对照图。
综合柱状图比例尺:1:200附 图 1第二章采煤方法第一节巷道布置一、采区巷道布置概况该面位于中央采区北翼。
上顺槽开口于中央采区北翼专用回风巷,下顺槽开口于中央采区北翼12601皮带运送巷。
下顺槽为运送(入风)巷,上顺槽为轨道(回风)巷。
1、工作面上顺槽上顺槽为轨道(回风)顺槽,沿煤层顶板掘送,用于辅助运送及回风,该巷长750 m,巷道坡度为:1°~ 8°。
该巷采用锚、网、梯、索联合支护。
锚、网、梯、索联合支护巷道为矩形断面,规格为:宽×高=3.7 m×2.1 m,巷道帮、顶锚杆间、排距:0.8 m,锚杆规格为:Φ18 mm×2000 mm左螺旋螺纹钢锚杆, 使用CK2335树脂药卷锚固。
锚索布置形式采用五花眼,锚索间、排距为:1.8 m ×2.5 m,锚索规格为:Φ15.5 mm×5900 mm。
使用CK2335树脂药卷锚固。
上顺槽部分巷道采用U型钢拱棚支护,其规格为:宽×高=3.9 m×2.8 m,棚距0.8 m,钢筋网背板。
2、工作面下顺槽下顺槽为运送(入风)顺槽,沿煤层顶板掘送,用于运煤和入风。
该巷长772 m,巷道坡度为:1°~10°。
该顺槽采用锚、网、梯、索联合支护,锚网支护巷道为矩形断面,规格为:宽×高=4.2 m×2.1 m,巷道帮、顶锚杆间、排距为:0.8 m,锚杆规格为:Φ18 mm×2000 mm左螺旋螺纹钢锚杆,使用CK2335树脂药卷锚固。
锚索布置形式采用五花眼,锚索间、排距为:2.1 m×2.5 m,锚索规格为:Φ15.5 mm×6300 mm。
使用CK2335树脂药卷锚固。
第一章概况第一节工作面位置及井上下关系表1:工作面位臵及井上下关系表第二节煤层表2:煤层情况表第三节煤层顶底板表3:煤层顶底板情况表第四节规程编制的依据1、依据2010年国家安全生产监督管理局及国家煤矿安全监察局颁布的《煤矿安全规程》;2、煤矿安全生产法律、法规及本矿安全生产文件精神;3、煤炭出版社出版的《煤矿工人技术操作规程》;4、《2201综采面设计说明书》、《2201综采面回采地质说明书》、《2201综采面供电系统设计》及技术要求。
第五节地质构造2201综菜工作面煤层位于嵩山背斜西翼,为单一缓倾斜构造,煤(岩)层走向近东西(260°),倾向北(350°),结构简单,煤层厚度在0.4m~5.2m,平均厚度为4.2m,局部含夹矸一层,夹矸厚度0.1m~0.4m。
倾角较缓,倾角为9°~20°,平均为15°。
根据上下岩底板岩石集中巷及联络巷掘进情况,工作面内无断层。
第六节水文地质该工作面附近回采、掘进探明情况如下:1、下部为未开采的2203工作面。
2、2201切眼掘进过程中,个别地点顶板有滴水现象,涌水量约为1-2m³/h;煤层顶板直接充水含水层为顶板砂岩含水层,当直接顶冒落后有滴水、淋水、涌水现象。
3、太原群上段灰岩含水层:由L6—L8灰岩组成,距二1煤层底板20m 左右,为煤层底板直接充水含水层。
根据以上情况,预计2201工作面涌水量为1~5m³/h。
在回采前要形成排水系统,以免影响生产。
第七节影响回采的其他因素该工作面走向长1070m,倾斜长150m,面积160500m2;平均煤厚4.2m,容重1.5t/m³,可采储量96.1万吨,计划服务21个月。
第二章采煤方法该工作面采用走向长壁综采放顶煤采煤法,工作面运煤采用两部SGZ630/2*160型刮板运输机,全部垮落法管理顶板。
第一节巷道布置1、工作面上下顺槽工作面上下顺槽沿煤层底板走向掘进,根据回采安排,分段掘进,分段长度120~200m,上下顺槽使用36U型钢半圆拱可缩性支架支护。
第一节概述-----------------------------------------------------------------------2第二节编写依据-----------------------------------------------------------------2第二章地面相对位置及地质情况 ------------------------------ 2第一节地面相对位置及邻近采区开采情况--------------------------------3第二节地质构造-----------------------------------------------------------------3第三节水文地质-----------------------------------------------------------------3第三章巷道布置及支护说明 ------------------------------------ 3第一节巷道布置-----------------------------------------------------------------3第二节矿压观测-----------------------------------------------------------------4第三节支护设计〔参数〕-----------------------------------------------------4第四章施工工艺 --------------------------------------------------- 6第一节施工方法-----------------------------------------------------------------6第二节爆破作业-----------------------------------------------------------------7第三节喷射混凝土--------------------------------------------------------------7第四节装载与运输--------------------------------------------------------------7第五章生产系统 --------------------------------------------------- 8第一节通风-----------------------------------------------------------------------8第二节压风--------------------------------------------------------------------- 10第三节瓦斯防治--------------------------------------------------------------- 10第四节综合防尘--------------------------------------------------------------- 10第五节防灭火------------------------------------------------------------------ 11第六节安全监控--------------------------------------------------------------- 11第八节排水--------------------------------------------------------------------- 11第九节运输--------------------------------------------------------------------- 11第十节照明,通信和信号 ----------------------------------------------------- 12第六章劳动组织及主要技术经济指标----------------------- 12第一节劳动组织--------------------------------------------------------------- 12第二节循环作业--------------------------------------------------------------- 12第三节主要技术经济指标--------------------------------------------------- 13第七章安全技术措施 -------------------------------------------- 13第一节一通三防--------------------------------------------------------------- 13第二节顶板--------------------------------------------------------------------- 15第三节爆破--------------------------------------------------------------------- 15第四节水害预测治理和防治水--------------------------------------------- 16第五节机电--------------------------------------------------------------------- 17第六节运输--------------------------------------------------------------------- 18第七节安全保证措施--------------------------------------------------------- 20第八节:U型钢支护注意事项 ------------------------------------------------ 20第九节其他--------------------------------------------------------------------- 21第八章灾害应急措施及避灾路线 ----------------------------- 22第一章概况第一节概述一、巷道名称本作业规程掘进的巷道为总回风巷。
PMJT―CCKSJ―KT―10―01 (平煤集团朝川矿三井二水平开拓一队2010年第2个开工巷道)平煤集团公司朝川矿三井二水平井巷施工作业规程巷道名称:己一采区轨道下山编制单位:开拓一队技术主管:宋伟强施工队长:林家美编制日期:2010年7月3日目录审批签字及审批意见--------------------------------------------------------------1第一章工程概况--------------------------------------------------------------3第二章地质情况概述--------------------------------------------------------4第三章巷道支护说明书-----------------------------------------------------5第一节巷道压力情况及支护选型-----------------------------------5第二节巷道支护及各种管线设备布置图-------------------------5第三节巷道特征及每米巷道消耗表-------------------------------7第四章施工方法及工作组织----------------------------------------9第一节施工方法-------------------------------------------------------9第二节作业循环图表------ ---------------------------------------10第三节爆破说明书- ---------------------------------14第四节劳动组织图表-------------------------------------------14第五节主要技术经济指标-------------------------------------------15第五章局部通风系统--------------------------------------------------------16第一节通风系统-------------------------------------------------------16第二节通风路线说明-------------------------------------------------16第三节风量计算-------------------------------------------------------17第六章机电运输系统及管理----------------------------------------------------20第一节供电系统简述----------------------------------------------------20第二节运输系统----------------------------------------------------------21第三节机电运输管理----------------------------------------------------22 第七章其它辅助系统--------------------------------------------------------33第八章质量及文明生产标准------------------------------------------------34第一节质量标准及要求----------------------------------------------34第二节文明施工标准及要求----------------------------------------35第九章安全技术措施-------------------------------------------------------36第十章安全监测系统及管理---------------------------------------------46第十一章各种安全及管理制度------------------------------------------48第十二章避灾路线----------------------------------------------------------52第一章工程概况第二章地质情况概述第三章巷道支护说明书第一节巷道压力情况及支护选型计算一、巷道压力情况:围岩稳定,煤层顶板完整,巷道压力较为稳定。
矿井回风下山专项检查
实施方案
为进一步完善安全长效机制,提升超前防范意识,强化源头监管监控,及时消除事故隐患,实现安全关口前移,杜绝各类事故发生,切实保证矿井安全生产。
XX月XX日由总工程师xxx组织开展矿井回风下山X半月专项检查,特制定矿井回风下山X半月检查方案,具体如下:
一、组织领导:
为加强对矿井回风下山专项检查工作的领导,特成立矿井回风下山专项检查领导小组:
组长:xxx
参加人:XXX、XXX
二、职责分工
1、矿总工程师全面负责矿井回风下山专项检查工作。
2、通防科负责安排本战线回风下山安全自查的隐患整改落实,对所查隐患问题以整改通知单的形式下发到各责任单位并监督落实,严格按照“五定四签字”原则进行闭合管理。
三、检查范围及分工
详见矿井回风下山检查分工表
四、检查内容
检查内容:行走路线的通风设施完好情况、监控设施完好情况、巷道冲尘情况、净化水幕完好情况、巷道有无变形、顶板变
化情况,通风情况,栅栏完好情况等。
五、工作要求
1、参加检查人员要确保检查区域内所有检查项目不留死角、不留盲区,真正做到监督检查全覆盖。
2、自查工作要按照“五定四签字”的原则,做到规范填写隐患整改表,检查隐患原始内容具体,并按照时间节点将检查资料及时报送通防科。
3、检查人员要提高自身素质,严禁检查流于形式、弄虚作假,对应查未查应改未改的重复隐患、较大隐患等,通防科将按相关规定严格进行责任追究。
XX煤业集团有限责任公司XX煤矿采煤工作面作业规程工程名称: 12030工作面施工单位:采煤队编制人:编制日期: 2010年4月目录第一章工作面概况--------------------------1 第二章地质概况----------------------------1 第三章采煤方法及生产系统------------------2 第一节回采巷道布置--------------------2第二节回采工艺------------------------2第三节通风及瓦斯监测系统--------------9第四节供电系统------------------------11第五节运输系统------------------------12第六节洒水降尘及防灭火系统------------12第七节防排水系统----------------------12第八节压风自救系统-------------------12 第四章劳动组织及正规循环作业图----------- 13 第一节劳动组织-------------------------14 第二节正规循环作业------------------- 14 第五章主要经济技术指标--------------------14 第六章安全技术措施------------------------14 第一节现场管理制度--------------------14第二节安全技术措施--------------------15第三节避灾路线------------------------26第一章工作面概况该工作面位于21采区东北部,工作面沿微倾斜方向布置,工作面长450米,宽85米,该工作面地面标高为250—260米,煤层底板标高为-50—50米,平均采深255米。
顶板为砂岩,底板为泥岩、砂质泥岩。
本工作面上付巷是沿该采区的构造带边掘进,南部为我矿+35水平变电所、泵房、水仓。
28集中回风巷运输巷作业规程尧头斜井二〇〇八年六月28集中回风巷作业规程第一章概况一、巷道名称本《作业规程》掘进巷道为28采区集中回风巷二、掘进目的及用途为28采区所准备的集中运输巷,满足整个采区的通风、行人、运料、管线敷设的要求。
三、巷道所处层位及巷道位臵巷道处于五采区左翼北部,沿5#煤底板掘进。
四、施工位臵详见综合平面图第二章地质情况一、煤层赋存特征该采区煤层厚度在2.38-6.07米,平均4.11米,肉眼观察呈黑色,玻璃光泽,多为条带状结构,棱角状断口,性脆,受力易破碎成粉状,燃烧试验为焰长或中等,含铁矿结核,裂隙发育,属于高灰高硫高磷煤,煤层透气性强。
煤层硬度系数F=2-3,煤层结构:含矸0-3层。
二、地质构造地质构造为矿井井田边界地质构造不详,预计在掘进过程中有小的褶曲和断层构造,地质构造较简单。
直接顶板为深灰色至灰黑色粉砂岩或砂质泥岩(俗称五尺渣),厚度0-4.4米,老顶为细至中粒砂岩,(k4)厚度0-14.8米,分布不普遍。
掘进中,五尺渣易破碎,顶板难于管理。
K4岩胶结坚硬,易于管理。
底板为灰色石英砂岩(k3)夹薄层粉砂岩,呈互层状,层理不发育,致密坚硬,一般厚1.00米左右。
三、水文地质1、该煤层局部砂岩裂隙发育并含一定数量的孔隙水和裂隙水。
孔隙水:主要存在于第四系掩盖层底部的砂砾层内。
裂隙水:主要储存于石炭、二迭系各组砂岩裂隙中,水文地质资料表明这两层属于弱含水层,预计对生产影响较小。
2、根据邻近矿井及钻孔资料,预计在施工过程中受地板水的影响,(裂隙溶洞水:主要存在于奥陶系石灰岩之裂隙溶洞中,地下水位标高379-380米)。
因此,今后在掘进巷道时,坚决不能破坏底板,对此应给予重视及警惕。
四、瓦斯地质属于二级瓦斯巷道,相对瓦斯涌出量为5.16-9.58米3/吨。
井田内地质构造简单,地层倾角平缓,断裂较少,小褶曲较多,不利于瓦斯运移,亦不易散失,瓦斯分布为较平衡,井田深部瓦斯储量高,因此有瓦斯和有毒气体涌出的可能。
第一章编制概况第一节概述一、巷道名称根据设计,本规程所涉及的工程为集中回风下山延伸工程。
二、掘进目的及用途掘进目的是为了形成+680-+475水平采区的回风系统,满足采区通风、行人及管线敷设的需要。
三、巷道设计长度及服务年限巷道设计长度:总工程量660米,服务年限40年附图1:+680-+475水平巷道布置图四、预计开、竣工时间经项目部研究决定,预计开工时间为2011年4月,竣工时间为2011年12月份。
第二节依据编制依据:1、一三七团煤矿45万吨设计2、一三七团煤矿地质报告第二章地面相对位置及地质情况待掘巷道地面相对位于一三七团煤矿工业广场和山地,地面标咼+845〜+835m待掘巷道井下位于一三七团煤矿井田中部南翼,西为主暗斜井保护煤柱,北部为井底车场,南部为实体煤层(未采掘),东部为0401、0301采煤工作面采空区。
东翼0401、0301采煤工作面距该掘进工作面间隔50米,对该掘进工作面无影响表1 井上、下对照关系情况表第二节煤(岩)层赋存特征一、煤岩层产状、厚度、结构、坚固性系数、层间距该巷道布置在A4煤层内,A煤层:位于A煤层之下,可采厚度1.95〜2.72m,平均2.07m,变异系数11%属稳定全区可采煤层,含1〜2层夹矸,夹矸厚度0.36〜0.62m,平均0.49m,夹矸岩性为泥质粉砂岩、泥岩。
煤层顶板为泥质粉砂岩、底板为泥质粉砂岩,与A煤层层间距3.8〜5.9m,平均4.85m。
煤层特征情况表二、矿井瓦斯涌出量、瓦斯等级、发火期、煤尘爆炸指数根据煤矿矿井瓦斯鉴定报告,A4煤层瓦斯相对涌出量3.96m3/t,绝对涌出量为0.4730m3/min ,相对二氧化碳涌出量 5.64m3/t,绝对二氧化碳涌出量0.6736m3/min,属低瓦斯矿井,煤尘具有爆炸性危险。
A4煤层煤的自然发火倾向性为□级,自然发火期为3-5个月。
第三节地质构造该井田地处准葛尔盆地,西准葛尔界山交接地带,煤层总体为一北高南低的单斜形态;地形北高南低,向南倾斜,坡度平缓,海拔高程一般为800—880m区内地形开阔平缓,地形较为简单。
煤层倾向N〜S,煤层倾角38°〜14°。
根据地质钻孔资料,本工作面地质构造较简单。
第四节水文地质邻近的煤层赋存状态和主要构造形态已基本查明,该巷道掘进过程中水文地质情况简单.第三章巷道布置及支护说明书第一节巷道布置A组:自+564水平联络巷与集中回风下山交叉口处沿179°方位,往下掘进至+475水平。
巷道布置图见附图第二节矿压观测一、锚杆锚固力检测掘进过程中,每班安装的锚杆要用扭矩扳手诸根检测,凡扭矩力达不到120N- m的锚杆要当班补打安装,并将检测结果记录备查。
二、巷道表面位移观测施工过程中,要对巷道表面位移情况及时进行观测,工作面掘出10m后设一组检查断面,两组检测断面间距20m每组检测断面设4个检测点,每24h检测一次,并将检测结果记录备查,每个检测点设立后,连续检测时间不少于60d。
第三节支护设计一、巷道断面该工程断面形状为半圆拱,巷道净高3m净宽3m。
断面:S 毛=9.64m2S 净=8.03 m2巷道断面图见附图。
二、支护方式(一)临时支护采用前探梁为临时支护,前探梁使用50mm钢管,3米长2根,用金属锚杆和吊环固定,吊环形式为倒梯形,每根前探梁不少于2个吊环。
吊环固定在锚杆的外露端。
前探梁随工作面的推进往前推移。
(二)、永久支护该工程所有巷道均采用锚网喷联合支护。
按悬吊原理计算锚杆参数:1、锚杆长度计算:L=KH+L+L2式中:L——锚杆长度H ――冒落拱高度K ――安全系数,一般K取2L i――锚杆锚入稳定岩层的深度,一般取0.6米L 2——锚杆在巷道中的外露长度,一般取0.05m 其中:H=B/2f=3.4/2 X 3=0.57式中B ――开掘宽度,取3.4米F ――岩石坚固系数,取3L=2 X 0.57+0.6+0.05=1.8 米2、锚杆间、排距计算,间、排距相等a=【Q/KHr(1.5 〜1.8)】1/2式中:a——锚杆间排距Q ――锚杆设计锚固力,50KN/根H ――冒落拱高度r---- 被悬吊砂岩的密度,取 2.6t/mK ――安全系数,取K=2a=0.61通过以上计算,选用直径16mm勺圆钢锚杆,长度为1.8米,锚杆间排距为600mmX600mm可以满足顶板支护。
在支护中,当围岩稳定性较好时,采用先锚后喷的方式;当围岩稳定性较差时,锚杆的间排距可适当缩小为0.5m,并且要先及时喷射混凝土封闭围岩,然后打锚杆,复喷时达到设计厚度。
初喷距工作面不得超过10米,复喷距工作面不得超过20 米,初喷厚度为50〜70mm复喷后厚度不得低于100mm洒水养护时间不得低于28d。
(三)锚喷支护质量要求1、巷道净宽、净高允许误差0〜土100mm2、锚杆间排距为600X 600mm允许误差土100mm3、锚杆支护时,要根据中、腰线定好眼位,锚杆方向垂直于巷道轮廓线,与巷道轮廓线法线夹角》75°。
4、锚网须沿巷道轮廓线铺设,铺设时必须将锚网拉紧压实,紧贴岩面。
5、安设锚杆的锚固剂要使其充分搅匀,搅拌时间不低于40秒,实现端头锚杆锚固力不少于5吨(14MP8。
6、表面基本平整,喷射均匀,无裂缝,在im范围内凸凹不平不得大于50mm7、加强成品养护,喷浆后及时派人对巷道进行洒水养护。
第四节支护工艺一、支护材料及规格:锚杆:采用直径为16mm长1.8m的钢筋锚杆。
铁托盘:采用4—6mm厚钢板加工成碟形,规格为100X 100x 4-6mm钢带:用直径12mm的圆钢加工而成的2200mn x 60mm型金属钢带。
金属网:顶板所用菱形网规格为9000mm X 1300mm网孔规格为50mm X 50mm锚固剂:每根锚杆使用2335型树脂锚剂一块。
喷浆所使用水泥为325号普硅水泥,砂为纯净的水洗砂,石子直径不大于20mm并用水冲洗干净,混凝土中水泥:砂:石子配合比为1:2:2。
二、锚杆安装工艺:(1)、顶帮锚杆的施工及安装:施工锚杆顺序为先顶板后两帮,施工顶板锚杆要先施工顶部中间锚杆;打一个及时锚注一个,眼孔深度1.7m,注眼前必须将眼孔内煤岩粉清除干净,并不得有积水。
安装锚杆时,用锚杆将一块2335型树脂锚固剂慢慢送至孔底,再采用127V煤电钻通过搅拌器带动锚杆尾部边搅拌边推进。
前进式搅拌时间为20秒,锚杆送到眼底后要继续搅拌5秒,共计搅拌时间为8-25秒。
待药卷凝固后,方可紧固螺母使托盘快速紧贴岩面,要求紧固后锚杆锚固力不得小于50KN锚杆外露长度为10—40mm当班进入作业区后,要对迎头10m范围内的锚杆进行二次紧固,每天要有专人进行检查,发现螺母扭矩达不到要求的要及时进行二次紧固将扭矩增加至150N • M以上,质量不合格的锚杆要及时进行补打。
(2)、锚杆呈梅花状布置,靠近巷帮的顶板锚杆,宜向煤帮倾斜15°(与铅垂线的夹角),距巷帮的距离为250mm其它锚杆方向应垂直巷道顶板,角度误差均不得超过土5度,严禁锚杆沿岩层层面布置。
巷帮肩窝及底眼锚杆要与水平方向成15°夹角,分别偏向巷道顶板和底板,其余锚杆要与巷帮垂直。
(3)、托板应紧贴钢带、网或煤(岩)面,锚杆托板处及周围50mm范围内的煤岩体表面上的浮煤(矸)必须刷掉、刷实、刷平,确保托板受力均匀。
(4)、网搭接、压茬宽度应保持在100—200mm范围内,必须用锚杆托板压住双层网的压茬部位,将网拉紧压实,紧贴岩面。
三、喷射混凝土1、喷浆前的准备工作:(1)检查待喷浆巷道的锚杆是否合格,无问题时方可进行喷浆工作(2)清理待喷浆巷道范围内的杂物,接好风管、水管、喷浆管,喷浆管要摆放平整不得有急弯,接头要严密不漏风。
(3)检查喷浆机是否完好、摩擦板是否紧固、有无漏风等,无问题时方可进行喷浆工作。
2、在喷浆前,先检查喷浆巷道的规格质量,必须符合设计要求后,方可进行喷射混凝土工作。
3、人工搅拌料时要将料搅拌均匀,配合符合要求。
4、混凝土配合比为水泥:砂:石子=1:2:2,水泥标号不低于325号,石子粒度为20mm速凝剂掺量为水泥重量的4%。
5、为了保证喷浆厚度和表面光滑,必须挂线喷浆,即在巷道顶板和巷道两帮分别按巷道设计的净高、净宽挂好三条线,作为检查巷道规格和喷浆厚度的依据。
6、喷浆前将电缆和其他电缆设备盖好。
7、喷浆手在喷浆前必须带上胶皮手套、防护口罩等。
8喷浆中,一人掌握喷枪,一人协同移动喷浆管,胶管不得出现急弯。
持枪者要一手紧握喷枪、掌握喷射方向,一手握住进水阀门,控制水量大小,严禁枪口对向其他工作人员。
9、喷枪与岩面要基本垂直,最小不得小于75°,喷枪与岩面距离以1.0〜1.2米为宜。
10、喷射顺序为先下后上、先墙后拱、先凹后凸,喷墙时一一次喷厚60mn〜80mm喷拱时一次喷厚30mn〜40mm11、喷射混凝土必须洒水养护,要求养护时间按不小于28d.12、在松散破碎和膨胀性围岩中进行锚喷作业时,应注意一下几点:(1 )严禁用高压水冲洗围岩,必要时可用压风冲刷(2)可用金属网、钢带与锚喷进行联合支护(3)喷完混凝土后到下一循环放炮时间间隔不应小于4h。
13、两帮必须挖出不小于0.2m的基础,防止出现“穿裙子” 的现象。
14、正在喷浆的回弹料,可回收掺进新料中,亦可做台阶和水沟。
15、严格执行开停机顺序,开机时必须先给水,后开风,再开机,最后上料;挺机时,必须先停料,后停机,再关水,最后停风。
(二八特殊地段的支护方式及技术要求:施工过程中,若遇特殊地段及地质变化带时,应及时补充专门技术措施,确保施工安全。
第四章施工工艺第一节施工方法所有本规程的巷道均采用光爆锚喷支护进行掘进,坚硬煤(岩)层周边眼眼距为350〜400mm抵抗距为400mm当煤(岩)层较软时,周边眼眼距应控制在300mm抵抗拒为400mm眼痕率不低于60%。
第一节凿岩方式1、本规程所有巷道均采用打眼放炮的掘进方法进行掘进2、打眼使用风煤钻进行打眼,风源来自地面空压机房,通过4寸和1寸管路输送到工作面。
第三节爆破作业巷道掘进采用光面爆破,掏槽方式为楔形掏槽法。
炸药使用矿用乳化炸药和矿用硝铵炸药,毫秒电雷管起爆。
起爆使用MFd-100型防爆发爆器起爆,连线方式为串联。
见表1、表2.表1 爆破说明书表2 预期爆破效果装药及爆破材料选用见下表说明:爆破时采用二级抗水煤矿许用膨化硝铵炸药,毫秒延期电雷管或瞬发电雷管。
该掘进施工均采用光面爆破技术,以减少对围岩和煤层的破坏,煤巷掘进时,周边眼布置较密.以保证断面轮廓整齐。
第四节装载与运输一、装岩方式巷道掘进中,工作面采用人工装岩。
二、运输方式施工中采用矿车运输。
A组:人工将煤装至矿车,利用集中回风巷绞车房绞车将矿车提升至0402回风巷口,人工卸载,利用刮板机将煤拉入溜煤屯,转至主皮带运至地面;B组:人工将矸石装入矿车,利用集中回风巷绞车房绞车将矿车提至+680水平,人工将矿车推至立井底车场,利用副立井提升系统转至地面矸石堆。