液压挖掘机主控制阀工作原理
- 格式:pdf
- 大小:814.94 KB
- 文档页数:19
小松挖掘机主阀的工作原理小松挖掘机主阀是挖掘机液压系统中的核心部件之一,起到控制液压系统工作的作用。
主阀的工作原理涉及液压控制原理、机械传动原理、液压平衡原理等多个方面。
首先,主阀是通过控制液压系统中的液压油流动来实现对挖掘机各个液压执行器的控制,如挖掘臂、铲斗等。
主阀的控制由手动控制和自动控制两种方式来实现。
其中,手动控制主阀主要通过操作手柄实现。
操作手柄通过推拉、旋转等机械传动方式将操作者的操作力传递给主阀,调节主阀进、回油口的开启度,从而控制液压油的流速和流向,进而控制挖掘机的运动。
自动控制主阀则通过电磁阀、传感器等电子元件来实现。
电磁阀通过接收来自传感器的信号,控制挖掘机的工作状态,如启动、停止、换向等。
其中,传感器主要用来感知挖掘机的工作状态,如液压油压力、油温、行程等,通过将感知到的信号传递给主阀,实现对挖掘机动作的控制。
在液压系统中,主阀的工作原理基于液压平衡原理。
主阀通过控制进、回油口的开启度来调节压力油的流速和流向。
当主阀的流量和压力达到设定值时,进、回油口之间就会产生平衡,从而实现对液压系统的控制。
此外,主阀还应用了液压控制原理。
主阀通过使用阀芯、阀座和弹簧等元件,将液压系统中的压力油引导到合适的液压缸或液压马达中,从而实现对挖掘机的控制。
阀芯的移动由传动杆和液压力一起作用,传递到阀芯上,通过对阀芯开启度的调节来控制液压系统的流速和压力。
总之,小松挖掘机主阀的工作原理是通过控制进、回油口的开启度,调节液压油的流速和流向,从而控制挖掘机各个液压执行器的工作。
主阀通过手动或自动控制方式,利用液压平衡和液压控制原理,实现对挖掘机的精确控制。
小松挖掘机ls阀工作原理小松挖掘机是一种常见的工程机械,被广泛应用于建筑、矿山等行业。
其中,液压系统是挖掘机的核心部件之一,而LS阀作为液压系统的关键组成部分,在挖掘机的正常运行中起着重要作用。
LS阀,全称为Load Sensing Valve,中文意为负载感应阀,是一种用于控制液压系统的阀门。
它可以根据负载的大小来调节液压系统的工作压力,以实现挖掘机的精确操控和平稳运行。
LS阀的工作原理主要分为两个阶段:减压阶段和自调阶段。
在减压阶段,LS阀通过感受液压系统的负载压力来控制主控制阀的开启程度。
当挖掘机中的液压器件受到负载的作用而导致系统压力上升时,LS阀会感知到这一变化,并根据负载大小来相应地调节主控制阀的开启程度。
这样一来,系统的工作压力可以得到控制,使挖掘机保持平衡运行。
在自调阶段,LS阀根据液压系统的负载需求来调节主控制阀的工作压力。
当挖掘机进行重负载作业时,负载压力会上升,LS阀便会感知到这一变化,并通过与主控制阀的耦合来调节系统的工作压力,以满足负载需求。
相反,当负载减小时,LS阀也会相应地减小工作压力,以节约能源和减少驾驶员的操作负担。
通过LS阀的工作原理,可以实现挖掘机在不同负载下的平衡运行和精确操控。
当挖掘机需要进行大负载作业时,LS阀会增加系统的工作压力,以保障机械设备的正常运行;而在轻负载作业或空载状态下,LS阀会自动降低系统的工作压力,以达到节能减排的目的。
总的来说,LS阀是小松挖掘机液压系统的重要组成部分,它通过感知负载压力来调节液压系统的工作压力,以实现挖掘机的平稳运行和精确操控。
LS阀的工作原理是基于对液压系统的负载需求的感知和自适应调节,为挖掘机的工作效率和安全性提供了可靠的保障。
挖掘机液压工作原理挖掘机是一种重型工程机械,广泛应用于土方工程、公路建设、矿山开采等领域。
而挖掘机的液压系统是其重要的工作原理之一,它通过液压传动来实现各种机械运动,具有结构简单、传动平稳、反应灵敏等优点。
下面我们将详细介绍挖掘机液压工作原理。
首先,挖掘机液压系统主要由液压泵、液压缸、液压阀等组成。
液压泵负责将机器的动力转化为液压能,提供给整个液压系统;液压缸则是将液压能转化为机械能,推动机械运动;液压阀则起到控制液压系统流量、方向等作用。
其次,液压系统工作原理主要是利用液体不可压缩的特性,通过液压泵将液体压入液压缸,从而推动液压缸的活塞运动。
具体来说,当液压泵工作时,液体被吸入液压泵内,随后被压缩并排入液压缸,从而推动液压缸活塞运动。
而液压阀则起到控制液体流动方向、流量等作用,从而实现对液压系统的精确控制。
再者,液压系统的工作原理可以简单概括为“液体传力”,即通过液体在密闭管路中的传递压力来实现机械运动。
这种工作原理具有传动平稳、反应灵敏、传动效率高等优点,适用于各种复杂的工程机械。
最后,挖掘机液压系统的工作原理对于挖掘机的工作性能和稳定性具有重要影响。
合理的液压系统设计和优质的液压元件选用,可以有效提高挖掘机的工作效率和可靠性。
因此,对于挖掘机液压系统工作原理的深入理解和掌握,对于提高挖掘机的工作效率和使用寿命具有重要意义。
总之,挖掘机液压系统的工作原理是挖掘机能够正常工作的重要基础,它通过液压泵、液压缸、液压阀等组成,利用液体不可压缩的特性,实现了机械运动的精确控制。
深入理解和掌握挖掘机液压系统的工作原理,对于提高挖掘机的工作效率和可靠性具有重要意义。
液压阀门原理液压阀门是液压系统中的重要组成部分,其工作原理决定了液压系统的性能和稳定性。
液压阀门主要用于控制液压系统中液压流体的流量、压力和方向。
一、液压阀门的基本原理液压阀门依靠阀芯、阀座和控制力来实现液压系统的控制和调节。
其基本原理如下:1. 阀芯和阀座:液压阀门的阀芯和阀座是控制液压流体流通的关键部件。
阀芯通过自身的运动来改变阀口的开启和关闭程度,从而调节液压系统中的流量或压力。
阀座则承受阀芯的压力,保证密封性能。
2. 控制力:液压阀门通常由控制力来控制阀芯的运动。
控制力可以是机械力、弹簧力或液压力。
通过改变控制力的大小或方向,可以实现阀芯的移动,从而改变阀口的开启程度。
3. 流体流通路径:液压阀门通过设定不同的流体流通路径来实现液压系统中液压能量的控制。
这些路径可以是串联、并联或混合串并联等组合形式,通过调节液压阀门的开关状态,可以改变流体的流量和方向。
二、常见液压阀门类型及其工作原理液压阀门根据其用途和工作原理的不同,可以分为多种类型。
下面介绍几种常见的液压阀门及其工作原理。
1. 定量阀:定量阀主要用于控制液压系统中的流量。
常见的定量阀有节流阀、溢流阀和单向阀等。
节流阀通过调节阀口的开启面积或形状,实现控制流体的流速和流量。
溢流阀则通过设定溢流口的开启压力,将过多的液压流体引导回油箱,保证系统的压力稳定。
单向阀则只允许流体在一个方向上通过,用于防止流体的倒流。
2. 比例阀:比例阀用于实现对液压系统中流量或压力的精确控制和调节。
比例阀根据输入信号的大小,控制阀芯的位置,从而改变阀口的开启程度,实现精确的流量或压力控制。
比例阀常用于需要精准控制的系统,如液压伺服系统和液压挖掘机等。
3. 逻辑阀:逻辑阀主要用于根据特定条件或输入信号的不同,实现系统中不同阀门的开关和组合。
逻辑阀可以根据预设的逻辑条件,控制液压系统中的各种操作,如顺序控制、方向控制和压力控制等。
逻辑阀在自动化控制系统中起到重要的作用,可以实现复杂的功能和操作。
液压挖掘机工作原理
液压挖掘机是一种利用液压系统实现工作机构运动的工程机械设备。
它的工作原理主要包括液压系统、动力系统和工作机构三个部分。
液压系统是液压挖掘机的核心部件,它由液压泵、液压马达、液压缸等组成。
液压泵通过吸油回油、压油吸油来完成液压系统内油液的循环,将压力油送至液压马达或液压缸,实现工作机构的运动。
液压系统工作时需要通过控制阀来控制油液的流动方向和流量大小,从而实现各种工作机构的运动。
动力系统是液压挖掘机提供动力的来源,通常由发动机和传动装置组成。
发动机通过传动装置传递动力给液压泵,使其工作。
传动装置可以根据工作需要来实现不同速度和转矩的输出,从而满足液压挖掘机在作业中的不同需求。
工作机构是液压挖掘机实现钻掘、装载等操作的部分,常见的包括液压臂和斗杆。
液压挖掘机工作时,通过液压泵将油液送至液压缸,液压缸输出的力推动斗杆和臂杆相对运动,实现挖掘操作。
工作机构的运动可以根据操作人员的控制来调整速度、力度等参数,以适应不同的作业要求。
总之,液压挖掘机利用液压系统实现了工作机构的运动,通过动力系统提供动力支持。
它具有操作灵活、工作效率高、适应性强等特点,在土地开发、基础工程等领域有着广泛的应用。
卡特挖掘机结构与维修344 二、主控制阀液压工作原理卡特320C主控制阀液压原理图如图11-2所示。
1—斗杆防止沉降阀;2—过载溢流阀(斗杆油缸有杆腔);3—动臂防止沉降阀;4—过载溢流阀(动臂油缸底腔); 5—回油口;6—主控制阀;7—斗杆正反馈阀;8、26—进油单向阀;9、36—平行油道;10—直线行走电磁阀; 11—右行走控制阀;12—附属装置控制阀;13—铲斗控制阀;14、23—中位旁通油道;15—动臂1控制阀;16—斗杆2控制阀;17、19—卸荷阀(低压溢流阀);18—直线行走阀;20、29—反向控制节流孔;21—动臂2控制阀;22—斗杆1控制阀;24—回转控制阀;25—左行走控制阀;27—动臂正反馈阀;28—过载溢流阀(动臂油缸有杆腔);30—过载溢流阀(斗杆油缸底腔);31—可变回转优先阀;32—主溢流阀;33—斗杆卸载阀;34—过载溢流阀(斗杆油缸有杆腔);35—过载溢流阀(铲斗油缸底腔);37—左泵进油口;38—左泵反向控制油管;39—右泵进油口;40—右泵反向控制油管;41—左泵;42—先导泵;43—右泵;44—液压油箱图11-2 卡特320C 主控制阀液压原理图卡特320C 的主溢流阀只有一个,安装在主控制阀的中部,两侧主泵的压力油通过单向阀进入主溢流阀。
直线行走阀(直驶控制阀)紧邻主溢流阀,直线行走阀的阀柱通常处于将两侧油路隔开的位置。
进油单向阀工作时,当阀柱刚开始移动时,泵的压力较低,而此时的负载压力较高。
进油单向阀防止负载油道的压力油返回平行油道。
进油单向阀损坏后会出现操作时工作装置先回落再提升的不正常现象。
第十一章 卡特320C型挖掘机液压系统结构原理与维修345 反向流量控制的目的是使泵的输出流量与操纵杆的操作行程成正比。
当所有阀柱在中位时,所有压力油经过阀柱中部的中位旁通油道回油箱,因此中位旁通油道的压力最高,通过反向控制节流孔的流量最大,提供给泵的负反馈压力最高,泵的流量最小。
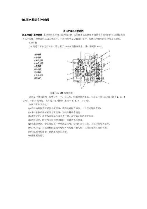
液压挖掘机主控制阀液压挖掘机主控制阀液压挖掘机主控制阀液压挖掘机主控制阀液压挖掘机主控制阀 主控制阀也称为主控阀或主阀,它的作用是按操作者的指令将泵排出的压力油提供到液压挖掘机主控制阀各执行元件,使挖掘机完成各种动作。
主控阀是个复杂的液压元件,现就几种典型的主控阀加以说明。
1.U28阀U28阀是日本东芝公司生产的专用于20—3t的挖掘机上。
其外形见图3—32图3—32 U28阀外形图该阀是一组多路阀,阀体分左,中,右三片,用螺栓紧密相联。
左片是一组三联阀(上图中1,2,3号阀),中间片是油道,右片是一组四联阀(上图中4,5,6,7号阀)。
该阀具有如下功能:(1)单独动臂提升时双泵合流供油,提高动臂提升速度。
(只在动臂提升时)(2)斗杆单独动作时双泵台流供油,加快斗杆动作速度。
(3)动臂优先,动臂与其他动作同时进行时,动臂的动作将优先保证。
(4)回转优先,回转与斗杆同时动作时,回转将优先保证。
(5)负流量控制,给主泵提供一个负流量信号,使阀杆在中位时,主泵排量变为最小。
(6)直线行走,当挖掘机前进或后退时可同时作其他动作,以保证特殊工况的需要。
(7)可配置电传感器,以满足电控的需要。
(A)液压系统符号图中下面油口中,两个P1分别与两个主泵的出油口相接,是主进油口P2~口P3用油管连接,作为斗杆合流时的辅助进油。
b口与上面b口(左罗辑阀出口)用油管连接。
C口与动臂阀伺服油a1口相连,作为动臂合流的信号。
R口是主回油,接液压油散热器,然后回油箱。
a口与上面a口(右罗辑阀出口)用油管连接。
Py1和Py2与左,右行走操纵阀(脚踏阀)的出油连接,使行走增压。
上面油口fL和fR分别与两个主泵的负流量控制接口相接。
G口作为信号输出可作他用,如接压力传感器等。
当各阀杆在中立位置时(无操作时),左路P1通过三组阀后,推开罗辑阀2,经过负流量阀3进入回油道,从主回油口R回油箱。
右路P1通过四组阀后,推开罗辑阀,经过负流量阀进入回油道,从主回油口R回油箱。
液压挖掘机主控制阀发表于:2008年3月18日 16时55分34秒阅读(4)评论(0)本文链接:h ttp://user.qzone.qq.com/479140927/blog/1205830534液压挖掘机主控制阀液压挖掘机主控制阀主控制阀也称为主控阀或主阀,它的作用是按操作者的指令将泵排出的压力油提供到各执行元件,使挖掘机完成各种动作。
主控阀是个复杂的液压元件,现就几种典型的主控阀加以说明。
ﻫ 1.U28阀ﻫU28阀是日本东芝公司生产的专用于20—3t的挖掘机上。
其外形见图3—32图3—32U28阀外形图ﻫ该阀是一组多路阀,阀体分左,中,右三片,用螺栓紧密相联。
左片是一组三联阀(上图中1,2,3号阀),中间片是油道,右片是一组四联阀(上图中4,5,6,7号阀)。
(1)单独动臂提升时双泵合流供油,提高动臂提升速该阀具有如下功能:ﻫ度。
(只在动臂提升时)ﻫ(2)斗杆单独动作时双泵台流供油,加快斗杆动作速度。
(3)动臂优先,动臂与其他动作同时进行时,动臂的动作将优先保证。
(4)回转优先,回转与斗杆同时动作时,回转将优先保证。
(5)负流量控制,给主泵提供一个负流量信号,使阀杆在中位时,主泵排量变为最小。
ﻫ (6)直线行走,当挖掘机前进或后退时可同时作其他动作,以保证特殊工况的需要。
(7)可配置电传感器,以满足电控的需要。
ﻫ (A)液压系统符号ﻫ图中下面油口中,两个P1分别与两个主泵的出油口相接,是主进油口P2~口P3用油管连接,作为斗杆合流时的辅助进油。
b口与上面b口(左罗辑阀出口)用油管连接。
C口与动臂阀伺服油a1口相连,作为动臂合流的信号。
R口是主回油,接液压油散热器,然后回油箱。
a口与上面a口(右罗辑阀出口)用油管连接。
ﻫPy1和Py2与左,右行走操纵阀(脚踏阀)的出油连接,使行走增压。
ﻫ上面油口fL和fR分别与两个主泵的负流量控制接口相接。
ﻫG口作为信号输出可作他用,如接压力传感器等。
ﻫ当各阀杆在中立位置时(无操作时),左路P1通过三组阀后,推开罗辑阀2,经过负流量阀3进入回油道,从主回油口R回油箱。
液压挖掘机的三种流量控制方式摘要:在液压挖掘机的负载适应控制策略中,负流量(Negative Flow Control)、正流量控制(Positive Flow Control)及负荷传感器控制(Load Sensing Control)三种流量控制方式的流行称谓,是按其泵控特性来分类的。
本文通过对多种厂牌型号挖掘机的比较分析,提出了旁通流量控制(By-pass Flow Control)、先导传感控制(Pilot Sensing Control)及负荷传感控制的分类。
这一分类方法,对于设计时比较不同控制系统的性能和维修时理解不同控制系统结构和功能的特点,都有所裨益。
1.流量控制在挖掘机的液压系统内,流量Q、压力P及能耗(流量损失ΔQ、压力损失ΔP)等参数的变化,反映了液压传动过程的控制特性。
液压系统工作时,压力P不是系统的固有参数,而是由外负荷决定的。
因此,当发动机转速n e一定时,要对液压系统的功率进行调节,其实是对液压缸、液压马达等执行元件的进油量Q a进行调节(参看图1)。
图1.流量调节如图2所示,有两种方法调节系统流量。
第一种方法是泵控方式,通过改变主泵的每转排量q来调节主泵的输出流量Q p,称为容积调速。
常见的容积调速方式包括:①利用主泵出口压力P P与主泵排量q的乘积保持不变的恒扭矩控制;②利用发动机转速传感(ESS)使主泵吸收的扭矩p P q与主泵转速n的乘积保持不变的恒功率控制;③在临近系统溢流压力时,减小主泵排量的压力切断控制;④配用破碎头等作业附件时,由外部指令限定主泵最大排量的最大流量二段控制;⑤双泵系统中,利用两泵出口压力的平均值与主泵流量乘积保持不变的交叉功率控制(相加控制或总功率控制);⑥多泵系统中,因主泵组的液压总功率大于发动机的输出功率,为防止发动机出现失速,采用了极限负荷控制。
除了容积调速,还有一种泵控方式是通过动力模式下的变功率控制,利用外部指令设定不同工况下不同的发动机输出功率来改变主泵转速n e,从而调节主泵输出流量Q=nq。
挖掘机液压系统的工作原理
挖掘机的液压系统工作原理是通过液体在系统中的流动来传递力量和驱动机械的运动。
液压系统由液压泵、液压缸、液压阀和液压油箱等组成。
工作时,液压泵将液体从油箱吸入,并将其压力提高后送入液压系统。
液体通过管道进入液压阀,阀门控制液体流向和压力。
当需要使液压缸工作时,液压阀打开液体流向液压缸,使之推动负荷进行相应的运动。
液压缸内的柱塞在受到液体压力的作用下产生推力,从而实现挖掘机的各种工作功能。
当液压阀关闭时,液体无法流回油箱,此时液压缸内的液压油被封闭在液压缸中,从而保持负荷的位置。
如果需要控制负荷下降,液压阀会打开使液体流回油箱,液压油压力下降,负荷也随之下降。
液压系统的工作原理是基于波动力学和流体静力学原理的应用,其具有高传递效率、稳定性强、工作灵活可靠等优点,使得挖掘机能够进行各种复杂工作。
小松挖掘机ls阀工作原理
小松挖掘机LS阀是控制液压系统的一个重要组成部分,它负
责调节液压系统中的液压流量和压力。
LS阀的工作原理如下:
1. 工作原理:
LS阀是一种比例阀,通过调节阀芯的位置来控制液压流量和
压力。
液压油经过LS阀进入阀腔,在一侧作用面积较大的弹
簧和液压力的作用下,推动阀芯向一个方向移动。
当系统需要调节流量或压力时,控制信号通过电磁铁或伺服电机控制阀芯的位置,改变阀芯的开度,从而实现调节。
2. 流量调节:
当液压系统需要增大流量时,控制信号使阀芯向开口方向移动,缩小阀芯与阀座之间的间隙,增大液压油的流通面积,进而增大液压流量。
反之,当系统需要减小流量时,控制信号使阀芯向关闭方向移动,扩大阀芯与阀座之间的间隙,减小液压流通面积,从而减小液压流量。
3. 压力调节:
当液压系统需要增大压力时,控制信号使阀芯向开口方向移动,增加阀芯的开度,减小阻力。
这样液压油通过LS阀流动时,
在阀芯和阀座之间会形成较大的压力差,从而提高液压系统的工作压力。
反之,当系统需要减小压力时,控制信号使阀芯向关闭方向移动,增加阻力,减小阀芯的开度,降低液压系统的工作压力。
总的来说,LS阀通过控制阀芯的位置来调节液压流量和压力,
实现对液压系统的控制。
它是挖掘机液压系统中的一个重要组件,能够有效地提高挖掘机的工作性能和安全性。
液压比例调节阀工作原理液压比例调节阀,听起来就像是个高大上的玩意儿,其实说白了就是个让液压系统“听话”的小工具。
想象一下,你在操控一个大机器,比如挖掘机。
机器的动作快慢、强弱,全靠液压系统的调节,而这个调节的“指挥官”就是液压比例调节阀。
它的工作原理其实蛮简单的,跟我们日常生活中的一些小道理有点像。
这阀门就像是个聪明的管家,液压油的流动就像是家里的人,管家根据指令调整这些人的进出。
在你给定的信号下,它决定要开多大,让液压油流得多快。
这就好比你在点外卖,想吃点啥,管家立马把你要的美食给你送上。
在这一过程中,比例调节阀会根据你输入的信号,灵活地调整油流的量,真的是灵活得不得了。
液压比例调节阀还有个特别之处,就是它能根据实际需求做出反应。
就像你在做饭,火候掌握得当,菜才能做得好。
油流太大,机器就像喝了烈酒一样,干活儿的时候可能会失控;油流太小,又显得萎萎缩缩,连马路上的小蚂蚁都看不起它。
它得恰到好处,做到既不让人失望,又不让机器过热。
这就是液压比例调节阀的“绝活”!可能有人会问,这东西到底是怎么工作的呢?它的内部结构还真不简单,有个“比例阀芯”,就像是一位舞者,随着液压信号的变化,优雅地扭动。
通过这个阀芯,油流的方向和量都会被精准地控制。
想象一下,舞蹈演员在舞台上翩翩起舞,优雅又动感,让观众目不转睛,这就是比例阀芯的魅力。
比例调节阀还真不是个孤家寡人,它常常和其他液压组件一起合作,形成一套强大的“战斗团队”。
比如,配合伺服阀和传感器,形成一个闭环控制系统,实时调整输出,简直就是智能机械的代表。
这团队就像是你和朋友一起打游戏,默契配合,才能战胜敌人,获得胜利。
说到实际应用,那可真是五花八门。
建筑工地、农业机械、甚至汽车行业,都离不开它的身影。
试想一下,挖掘机在工地上忙活,液压比例调节阀确保每一次铲斗的动作都恰到好处,不至于把地面挖得满天飞。
农业机械在田间地头,调节阀让喷灌系统根据土壤湿度自动喷水,绝对是个省心的帮手。
挖机操纵比例阀的工作原理
挖机操纵比例阀是控制液压系统中挖掘机各种操作的重要元件之一。
它的工作原理是通过改变流体通过阀芯的截面积来调整流量大小,进而控制液压执行元件的运动速度和力。
具体工作原理如下:
1. 控制信号输入:通过操作手柄或电气信号控制器等方式,将操纵信号输入至比例阀。
2. 内部传感器感应:比例阀内部配备有传感器,用于感应输入信号电压的大小和方向。
3. 电压信号转换:比例阀将输入的电压信号转换为相应的电流信号,并通过电流传导至阀芯。
4. 阀芯控制:阀芯是比例阀的核心部件,通过受到传感器反馈的电流信号,控制阀芯的移动和定位。
5. 流量调整:随着阀芯的移动,阀芯的截面积发生变化,从而调整液体流经阀体的截面积,从而实现对流量和速度的调节。
6. 输出液压信号:经过流量调整之后,比例阀将调整后的液压信号输出至液压执行元件,比如油缸驱动执行挖掘机的动作。
总结来说,挖机操纵比例阀的工作原理是利用控制信号输入,经过感应、转换和控制等过程,调整阀芯的位置以及截面积,从而实现对液压系统中流量和速度的精确控制。
挖机液压系统工作原理
挖机的液压系统工作原理可以从以下几个方面去理解:
1. 液压系统的基本原理:液压系统利用液体在封闭的管路中的流动和压力传递能力来实现力的传递和工作机构的运动控制。
系统包括液压液、液压泵、液压缸、控制阀等组成。
2. 液体的传动特性:液体在封闭管路中的流动具有不可压缩性、容量性和伏打性等特点。
当液压泵施加压力,推动液体流动时,液体会在管路中传播,并且由于容量性,使得液压马达或液压缸产生相应的力和运动。
3. 液压泵的作用:液压泵将机械能转化为液压能,提供液体的流动压力。
液压泵通过旋转运动带动液体,使液体获得一定的动能和压力,进而传递给液压系统中的液压缸或液压马达。
4. 液压缸的作用:液压缸是液压系统中的执行元件,它将液体的压力转化为机械能,从而产生相应的力和运动。
当液压泵施加压力,推动液体流入液压缸时,液压缸内的活塞受到液体压力的作用,产生线性运动或旋转运动,从而实现挖机工作的目的。
5. 控制阀的作用:控制阀在液压系统中起到调节和控制液压系统工作过程的作用。
通过改变液路的连接和封闭状态,控制阀可以实现液压缸的启动、停止和运动方向的改变。
总的来说,挖机液压系统利用液体的不可压缩性和容量性,通
过液压泵提供的液压能,使液压缸产生相应的力和运动,从而实现挖机的各项工作。
控制阀则用于对液压系统进行调节和控制,确保系统的正常运行。
挖掘机的液压控制原理
挖掘机的液压控制系统主要由泵、阀组、油缸、油箱、滤清器、传感器等组成,其工作原理如下:
1.系统由变速泵提供压力源,泵从油箱吸取液压油,产生一定压力的高压油流。
2.高压油流进入阀组,根据控制信号,阀组改变油流的方向和压力,分配到不同的执行机构。
3.悬架系统的油缸接受油流,改变活塞位置,带动铰接机构完成车身抬升。
4.旋转机构的回转油缸中的活塞运动,带动上部机构实现旋转。
5.工作机构的伸缩油缸活塞位置改变,带动工作部件的打开或闭合。
6.液压传动产生的热量经过冷却器释放,防止油温过高。
7.滤清器过滤液压油,防止杂质磨损零件,保证系统寿命。
8.各种传感器实时监测液压参数,反馈进入控制器。
9.操作员通过操纵各类控制开关,系统实现不同的液压传动动作。
10.油箱需要经常检查油量和密封情况。
液压系统使挖掘机实现快速、灵活、大力的动作控制,是其工作的核心部分。
液压挖掘机主控制阀液压挖掘机主控制阀液压挖掘机主控制阀液压挖掘机主控制阀液压挖掘机主控制阀 主控制阀也称为主控阀或主阀,它的作用是按操作者的指令将泵排出的压力油提供到液压挖掘机主控制阀各执行元件,使挖掘机完成各种动作。
主控阀是个复杂的液压元件,现就几种典型的主控阀加以说明。
1.U28阀U28阀是日本东芝公司生产的专用于20—3t的挖掘机上。
其外形见图3—32图3—32 U28阀外形图该阀是一组多路阀,阀体分左,中,右三片,用螺栓紧密相联。
左片是一组三联阀(上图中1,2,3号阀),中间片是油道,右片是一组四联阀(上图中4,5,6,7号阀)。
该阀具有如下功能:(1)单独动臂提升时双泵合流供油,提高动臂提升速度。
(只在动臂提升时)(2)斗杆单独动作时双泵台流供油,加快斗杆动作速度。
(3)动臂优先,动臂与其他动作同时进行时,动臂的动作将优先保证。
(4)回转优先,回转与斗杆同时动作时,回转将优先保证。
(5)负流量控制,给主泵提供一个负流量信号,使阀杆在中位时,主泵排量变为最小。
(6)直线行走,当挖掘机前进或后退时可同时作其他动作,以保证特殊工况的需要。
(7)可配置电传感器,以满足电控的需要。
(A)液压系统符号图中下面油口中,两个P1分别与两个主泵的出油口相接,是主进油口P2~口P3用油管连接,作为斗杆合流时的辅助进油。
b口与上面b口(左罗辑阀出口)用油管连接。
C口与动臂阀伺服油a1口相连,作为动臂合流的信号。
R口是主回油,接液压油散热器,然后回油箱。
a口与上面a口(右罗辑阀出口)用油管连接。
Py1和Py2与左,右行走操纵阀(脚踏阀)的出油连接,使行走增压。
上面油口fL和fR分别与两个主泵的负流量控制接口相接。
G口作为信号输出可作他用,如接压力传感器等。
当各阀杆在中立位置时(无操作时),左路P1通过三组阀后,推开罗辑阀2,经过负流量阀3进入回油道,从主回油口R回油箱。
右路P1通过四组阀后,推开罗辑阀,经过负流量阀进入回油道,从主回油口R回油箱。
此时,两个负流量阀接口fL和fR分别有压力信号输出到主泵的调节器,使主泵排量减小。
这是阀杆全部处于中立位置时油的流向。
如果阀杆移动将有下面的情况。
1.回转阀(左片下面)移动时,假设a1口进伺服油,推动阀杆向右移位,P1的中路油被切断,而旁路油推开单向阀进入A1口,油从A1口流出进入回转马达。
由回转马达流回的油经B1口从该阀的回油口流入回油道。
此时,这一路油被引入执行元件回转马达而使挖掘机回转,上面的两组阀没有油通过,所以,负流量输出口fL没有压力输出,主油泵排量变大。
2.斗杆阀(左片中间一组)移动时,假设a2进伺服油,推动阀杆向右移位,P1的中路油被切断,而旁路油推开单向阀进入A2口,油从A2口流出进入斗杆油缸大腔。
由斗杆油缸小腔流回的油经B2口从该阀的回油口流入回油道。
此时,这一路油被斗杆阀切断,上面的一组阀没有油通过(指到罗辑阀处没有油,经节流阀6来的并联油路的油在单向阀4处被断开)。
所以,负流量输出口fL没有压力输出,主油泵排量变大。
当该阀杆向右移时,阀杆右端切断了控制油到回油道的通路(虚线,从a口来的油,即从右片阀的罗辑阀出口a经外接管道进入下面a口)。
使右片阀的罗辑阀出口a被堵截,右面主泵压力油从罗辑阀心小孔进到该阀心上部,由于面积差的作用阀心被压住,使右路油不能从罗辑阀回油,强行使右路油经单向阀8进入斗杆阀,实现了左右两路油都进入斗杆阀,即双泵合流。
当伺服油进入b2,推动阀杆向左移时,主泵的油经B2进入斗杆缸小腔,而大腔经A2回油,其他情况相同,仍是双泵合流。
在A2,B2的油路上装有过载溢流阀,它们的调定压力高于主安全阀,它们的作用是在该阀中位时,由外部的力使该油缸压力过高时此溢流阀泄油以保护油缸。
而在油缸吸空时,如斗杆快速下降,斗杆油缸大腔需快速进油,如果双泵合流仍供不上时,油缸将吸空压力变低,此时过载溢流阀从回油路向油缸补油,避免油缸吸空。
3.左行走阀(左片上面)在中位时,A3,B3两腔相通(Y型阀)并与回油相通,行走马达不制动(机械制动)。
当a3进伺服油阀杆向右移位时,压力油经单向阀4从A3口进入马达。
B3口回油,罗辑阀没有油流入,负流量输出没有压力,主泵排量变大。
(由此可知,凡是有一个阀杆不在中位,都没有负流量压力信号输出,主泵流量变大。
当阀杆稍开或半开,则有负流量信号,起油泵的调速作用。
此点以后不再说明。
)当b3进伺服油阀杆向左移位时,变成B3口出油,A3口回油。
其他情况相同。
右片阀最上面一组为右行走阀,其结构与作用和左行走阀相同。
为实现直线行走功能,设置了直线行走阀1,其工作情况如下:阀组从p1口引进了伺服泵的控制油,其压力一般为35kgf/cm2—40kgf/cm2,这个控制压力作用在直线行走阀1的右端,同时穿过右片阀的铲斗阀,动臂阀,经过中片后又穿过左片阀的斗杆阀和回转阀,最后进回油道。
当铲斗,动臂,斗杆,回转任一个阀有动作(移位)时,这控制压力将不能通回油而升高压力,从而将推动直线行走阀1,使其向左移,此时两个行走阀的进油路连通,成为并联油路。
只要有一个泵供油两边的行走可同时运行。
而另一个泵的油可作其他动作,如动臂,斗杆等。
即实现了直线行走功能。
4.右片设有备用阀,以便装其他工作装置时使用,如液压破碎器等。
5.铲斗阀动作情况与回转阀基本相同。
6.动臂阀(右片下面),当a1口进伺服油时,阀杆向右移,右路主泵的压力油从A1口进动臂缸大腔,动臂缸小腔的回油从B1口经阀内油道回油。
a1口进伺服油的同时,C口也进伺服油(外接管路接通)并推动动臂合流阀上部的二位阀向左移,断开从单向阀来的左路泵的压力油,使左路泵的压力油推开罗辑阀7进入右路主油道,同时给动臂缸大腔进油。
即双泵合流。
(当动臂阀杆右移的同时,阀杆左端b口来的控制油被断开,左路罗辑阀b口因不能回油而使压力升高,罗辑阀关闭,左路油不能经罗辑阀及负流量控制阀回油只能经合流阀7进入右路实现合流。
7.阀组右下端Rs口也是回油口接回转马达回油口,作为回转马达的回油或补油。
1. 行走直线阀(图3—34中的1)见图3—35图3—36行走直线阀1.堵头2弹簧3“0”形圈4阀芯 (图3-35)当控制油有压力时(伺服油压力)推动阀芯4向左移,使右路油与左路油沟通,以保证直线行走。
2.罗辑阀(图3—34中的2)见图3—361接头(图3—34中罗辑阀b口) 2挡圈3“0”形圈4弹簧5.阀芯当b口未被切断时主油道的油通过阀芯4的节流孔经b口以及管道,进入右片阀下面的b口,再经动臂阀杆左端油道回油。
(见图3—34)此时由节流孔压差的作用,节流孔下面的压力大,推动阀芯5压缩弹簧4,使阀芯向上移动,打开主油道与回油道的通路,此时大量的油经回油道回油。
当b口的油被动臂阀杆的移动而切断时,节流口没有油流过,也就没有压差,也就是阀芯5上下端压差为0,但阀芯5上端面积大总有个向下的力,使阀芯5封住主油道与回油道的通路,当主油路的压力越大封堵力越大,所以能迫使左路油经合流阀7进入右路与右路油合流后进入动臂缸大腔。
3负向流量信号阀(图3—34中的3)见图3—371阀芯2“0”形圈3弹簧4接头座5.垫片6.垫片7阀体负向流量信号阀安装在罗辑阀与回油道之间,当回油时由于弹簧3的作用阀芯1尚未打开,回油从阀芯1的节流孔流出,当回油量增大时节流阻力增大,这时阀芯1推动弹簧右移,阀芯1打开,回油压力与弹簧力保持平衡,嘴口输出一个压力信号。
这个压力信号随回油量的多少而变化,回油量多时fL的压力高。
FL最高时约为40kgf/cm2。
4单向阀(图3—34中的4)见图3—38在图3—34中由主泵进口P1到罗辑阀2的这一路油穿过各阀组,这条油道是主油道。
但阀杆移位后这条油路都被切断,通 过阀杆到A口或B口进入油缸的油都是从进油道来的油。
见图3—34中的4单向阀处。
图3—38单向阀就表示它的结构,当阀杆移位后,主油道被切断,主油道的油推开单向阀芯5而进入进油道。
1.导杆2主阀芯3阀套4弹簧5.先导阀芯6先导阀座7.弹簧8弹簧9调压螺塞10.锁紧螺母主安全阀控制液压系统最高压力值,以保护各液压元件的安全。
其工作过程如下,见图3—39,主油道(高压腔)的压力油通过导杆1的中心小孔进入A腔,由于弹簧8将先导阀芯5压紧在先导阀座上使A腔封闭,A腔的压力与主油道(高压腔)的压力相同。
当A腔的压力升高到设定值时(即调定的安全压力),可服弹簧8的予紧力使先导阀芯向右移动,A腔的油经先导阀芯5与先导阀座6之间的空隙流入B腔(B腔与回油道相通),此时A腔的压力下降,主油道的压力推动主阀芯2向右移打开主油道与回油道之间的通路,使部分高压油回油,系统压力不再升高。
当系统压力下降时,弹簧8的推力使先导阀芯5与先导阀座6压紧,A腔与B腔断开A腔压力升高使主阀芯2压紧在阀座上,主油道与回油道断开,即主安全阀关闭。
6阀杆结构见图3—40图中A口,B口接执行元件T为回油道(两边)0为来油道(由进油口来油或由前一组阀来油)H为通油道(通向下一组阀)J为进油道(向A口或B口供油)图示位置是阀的中立位置(a口,b口未通伺服油),此时0通道的来油经阀杆与阀体之间的孔隙流向H通道并进入下一组阀。
而A口和B口处于封闭状态。
当右端a口通入伺服压力油时,阀杆向左移,o到H的通道被阀杆截断(两处),0油道的油推开单向阀(参见图3—38)进入进J。
与此同时,由于阀杆的左移使进油道J与A口接通,给执行元件供油。
而B口与左端的回油道T相通即回油。
当左端b口通入伺服压力油时,阀杆右移,B口出油而A口回油。
7.动臂提升(动臂油缸大腔合流)图中表示当动臂提升时左路油进入右路,合流后进入动臂缸大腔。
参见前面说明。
8行走、回转复合动作见图3—42行走和回转同时动作时左路油供回转阀,右路油供两个行走阀使两条履带行走。
因行走直线阀的作用,两个行走阀并联,而且右路油因单向阀的作用不能进入左路,保证行走优先。
左路油供回转阀的同时,可从并联油路进入行走阀,怛节流阀(见图3—34中的6)保证了回转的需要。
9.回转,斗杆下降复合动作(A)基本机构KMX阀是日本川琦公司研制的,由于性能较好目前多数挖掘机主在采用。
该阀的外形见图3-46KMX阀由左片阀,右片阀,行走直线阀和斗杆锁定阀等组成。
KMX阀的分解见图3—47和图3—48。
(B)系统原理图KMX阀的系统见图50由上图可知:(1) 动臂大腔,斗杆可以合流,铲斗有速度加快。
(2) 具有回转优先,以及动臂1优先于斗杆2。
(3) 具有行走直线阀。
(4) 中位负向流量控制。
(5) 斗杆回路设有再生回路,并具有斗杆锁定阀。
(6) 斗杆小腔,动臂大腔设有节流限速。
(7) 主安全阀有二次增压。
(行走用)(8) 有备用阀。
(用于附属装置)图中1,行走直线阀2,回转优先3,斗杆再生阀4,斗杆锁定阀5.铲斗2速阀主油路部分在后面举例说明,先说明控制油路的流向。