(完整)八年级(上)物理经典易错题集锦57例(带答案)
- 格式:doc
- 大小:810.52 KB
- 文档页数:24
八年级物理上册全册全套试卷易错题(Word版含答案)一、初二物理声现象实验易错压轴题(难)1.如图所示,将塑料刻度尺的一端紧压在桌面上,另一端伸出桌面,拨动刻度尺使之振动,听塑料尺振动时发出的声音.(1)实验通过改变___________来改变声音的响度,通过改变_______来改变声音的音调.(2)换用钢尺做此实验,钢尺伸出桌面的长度、振动幅度和频率与塑料尺均相同时,听到声音的主要差异是________ (选填“响度”“音调”或“音色”)不同.(3)实验设计隐含的物理方法是比较法和_________法.(4)刻度尺振动产生的声音通过________传进耳朵,引起鼓膜______,人便听到声音.(5)实验中当刻度尺伸出桌面的部分超过一定长度时,无论如何用力拨动也听不到声音.原因是___.【答案】拨动塑料尺的力度塑料尺伸出桌面的长度音色控制变量空气振动刻度尺振动得太慢,产生的是次声波,人耳无法听到【解析】【详解】(1)响度与振幅有关,用不同大小的力拨动塑料尺,塑料尺的振幅不同,发出的声音响度不同;物体振动的快慢与物体的质量、粗细、长短等因素有关,实验要通过改变刻度尺伸出桌面的长度来改变音调.(2)钢尺和塑料尺的材料不同,当钢尺伸出桌面的长度、振动幅度和速度与塑料尺均相同时,听到声音的主要差异是音色的不同.(3)实验中研究响度与振幅关系时,应控制频率不变,而在研究音调与频率关系时,则要控制振幅相同,故实验设计隐含的物理方法除比较法外,还有控制变量法.(4)我们听到的声音,都是声波通过空气传入人耳,引起鼓膜的振动,再传给听小骨、耳蜗,传给听觉神经,引起听觉.(5) 实验中当刻度尺伸出桌面的部分超过一定长度时,无论如何用力拨动也听不到声音,原因是刻度尺振动得太慢,产生的是次声波,人耳无法听到.2.小华和小刚用棉线连接了两个纸杯制成了一个“土电话”.以下是他们对“土电话”的探究.()1他们用“土电话”能实现10m间的通话,这表明________.()2两人位置不变,以相同的响度讲话,改用细金属丝连接,则听到的声音就大些.这一实验表明________.()3小华和小刚利用以上两个纸杯和一些长短、粗细不同的琴弦,又进行了探究“音调和哪些因素有关”的活动.他们选用的琴弦长度、材料在如图中标出(其中琴弦的直径关==<),并且每根琴弦固定在“音箱”上的松紧程度一致.系:a c d b()4①若他们想探究“音调的高低与琴弦材料”的关系应选择琴弦_____(从“a”、“b”、“c”或“d”中选两根).②若选择琴弦a和b,则是为了研究音调的高低与________的关系.【答案】固体能够传声金属的传声效果好a、c材料粗细【解析】【分析】【详解】(1他们用“土电话”能实现10m间的通话,是因为固体能够传声,即这表明固体能够传声.()2两人位置不变,以相同的响度讲话,改用细金属丝连接,则听到的声音就大些.这一实验表明金属的传声效果好.()4①根据控制变量法的思路,若他们想探究“音调的高低与琴弦材料”的关系,应选择粗细相同,而材料不同的两根琴弦,即选择a和c;②若选择琴弦a和b,长度和材料相同,粗细不同,所以是为了研究音调的高低与材料粗细的关系.3.根据如图所示的实验情景,回答问题:(1)如图①所示的实验现象表明:________.(2)如图②所示,从左向右敲击瓶子时,各瓶发音的音调变化是:________.(选填“由高变低”或“由低变高”)(3)如图③所示,用手指轻叩课桌,使正坐在对面的同学刚好听不到叩击声,再让对面的同学将耳朵紧贴在桌面上,用同样的力度轻叩课桌,这时对面的同学则能听到叩击声.这个实验表明:________(4)如图④所示,正在发声的手机悬挂在密闭的广口瓶内,将瓶内的空气不断抽出时,手机铃声逐渐变小.由这个实验事实得到的推论是:________.(5)如图⑤所示,我们把水倒入瓶中时,通常根据声音的________来判断瓶中水的多少.【答案】声音由物体振动产生由高变低固体传声效果比空气好真空不能传声音调变化【解析】【详解】(1)小纸片的跳动是由于扬声器振动造成的,扬声器发出声音的原因正是由于里边纸盆的振动;所以如图①所示的实验现象表明:声音由物体振动产生;(2)敲击瓶子时,声音主要是瓶身和水柱振动发出的,瓶中盛水越多,瓶子和水的质量越大,越难振动,音调越低,因此从左向右敲打瓶子,音调由高变低;(3)敲课桌的另一端的时候,耳朵贴在桌面上是靠固体传播声音;耳朵离开桌子的时候靠空气传播声音,固体传声效果比气体好,所以耳朵紧贴在桌面上,用同样的力度轻叩课桌,这时对面的同学则能听到叩击声.(4)当用抽气机不断抽气时,手机播放的音乐声逐渐减弱,经过科学推理可得:真空不能传声;(5)往暖水瓶中灌水时,是由暖水瓶内的空气柱振动发出声音,水越来越多,空气柱越来越短,越容易振动,音调越高.所以可以通过发出声音的音调变化来判断暖水瓶中水的多少.4.小玉所在物理实验小组首先做了如下几个实验。
八年级上册物理全册全套试卷易错题(Word版含答案)一、初二物理机械运动实验易错压轴题(难)1.某小组同学用小车、长木板、刻度尺、秒表、木块等器材探究小车沿斜面滑下时速度的变化;实验设计如图甲所示:让小车从斜面的A点由静止滑下并开始记时,分别测出小车到达B点和C点的时间t B、t C;(1)该实验的原理是________;(2)实验中应使斜面坡度保持较________(选填“大”或“小″);(3)小车从A到B经过的路程为________ cm,若t A、t B、t C所对应的时间依次如图,则小车在AB、BC段的平均速度分别为v AB =__________m/s ;v BC= ________ m/s(保留两位有效数字);(4)小车沿斜面滑下时速度的变化规律为:_____________________。
【来源】山东滨州阳信县2019-2020学年八年级(上)期末物理试题(教学质量监测)【答案】svt=小 40.0 0.13 0.20 在小车下滑过程中速度在变大【解析】【分析】【详解】(1)[1]测小车平均速度的实验原理是v=st。
(2)[2]斜面坡度越大,小车沿斜面向下加速运动越快,过某点的时间会越短,计时会越困难,所以为使计时方便,斜面坡度应较小。
(3)[3]由图知,小车通过AB的路程为:s AB=4.00dm=0.4m;s BC=4.00dm=0.4m;[4][5]小车通过AB、BC段的时间:t AB=t B-t A=10:35:03-10:35:00=3s;t BC=t C-t B=10:35:05-10:35:03=2s;所以小车通过AB、BC段路程的平均速度:v AB=ABABst=0.4m3s≈0.13m/s;v BC=BCBCst=0.4m2s0.2m/s ;(4)[6]由(3)知,小车在下滑过程中做加速运动,速度在变大。
2.为比较纸锥下落快慢,小波用两个等大的圆纸片,分别裁去一个扇形,做成图甲所示的A、B两个锥角不等的纸锥。
物理八年级上册 全册全套试卷易错题(Word 版 含答案)一、初二物理 声现象实验易错压轴题(难)1.下图为一声速测量仪器的使用说明书和实验装置图,阅读并回答问题.(1)若把铜铃放在甲、乙的中点,则液晶显示屏的示数________.(2)一同学将铜铃放到甲的左边,并与甲、乙在一条直线上,则铜铃离甲越远,液晶显示屏的数值________(选填“变大”、“变小”或“不变”).(3)一同学想验证声速与气体内部压力的关系,把铜铃固定放在甲的左边,并与甲、乙在一条直线上,然后在甲、乙之间加压,发现液晶显示屏的数值变小,则声速随气体压力的增大而________.A .变大B .变小C .不变D .无法判断(4)如图中,已知s 1=20 cm ,s 2=80 cm ,液晶显示屏上显示:1.875,则此时声速约为________m/s .【答案】为零 不变 A 320 【解析】 【分析】【详解】(1)液晶屏显示甲、乙接收到信号的时间差,放在中点时,声音传播的距离相等,用时相等,所以时间差为零,即液晶显示屏的示数为零.(2)设甲与铜铃的距离为s 1,甲、乙相距为s 2,铜铃放到甲的左边,则1212s s s s t v v v+=-= 因此s 1增大,△t 不变,液晶屏显示数值不变. (3)设甲与铜铃的距离为s 1,甲、乙相距为s 2.1212s s s s t v v v +=-=,增加压力时△t 变小,由于s 2不变,根据s v t =知,速度v 变大. (4)如题图中所示,显示的时间差为:21s s t v v =-,所以(8020)cm320m/s1.875msv-==.【点睛】重点是速度公式的应用,注意理解液晶屏显示数值是两接收器收到声音的时间差,利用好此差值,则题目可解.2.小明同学在学习完课本上“探究声音的响度与哪些因素有关”的实验后,回到家中想用铁脸盆和水等材料来做这个实验,请帮助她完成探究报告.(1)提出问题:声音的响度与振幅有什么关系?(2)猜想与假设:______________.(3)进行实验与收集证据:A.需要实验器材:铁脸盆、水、钢勺.B.在铁脸盆中装入适量的水,用钢勺轻敲铁脸盆,会发现铁脸盆中的水在跳动.C.用较大的力敲铁脸盆,发现铁脸盆中的水跳动比步骤B中的水跳动________(选填“高”“低”或“不变”).(4)结论:通过分析,结合提出的问题,你能初步得出结论:___________________.(5)评估:你还可以用这些器材来探究什么问题____________?(写出探究的问题即可)【答案】振幅越大,响度越大高响度与振幅有关,振幅越大,响度越大声音是怎样产生的或音调高低与水多少有关吗?【解析】【分析】【详解】(2)本题所研究的问题是声音的响度与振幅有什么关系?因此,可以猜想:振幅越大,响度越大;(3)根据实验现象可知,用较大的力敲铁脸盆,发现铁脸盆中的水跳动比步骤B中的水跳动高;(4)通过实验分析,我们可以得出的结论是:响度与振幅有关,振幅越大,响度越大;(5) 因为实验中可以看到水的跳动,故还可以用这些器材来研究:声音怎样产生;另外在水盆中将入不同深度的水时,盆的振动频率会变化,所以还可以研究:音调高低与水的多少有关吗?3.根据如图所示的实验情景,回答问题:(1)如图①所示的实验现象表明:________.(2)如图②所示,从左向右敲击瓶子时,各瓶发音的音调变化是:________.(选填“由高变低”或“由低变高”)(3)如图③所示,用手指轻叩课桌,使正坐在对面的同学刚好听不到叩击声,再让对面的同学将耳朵紧贴在桌面上,用同样的力度轻叩课桌,这时对面的同学则能听到叩击声.这个实验表明:________(4)如图④所示,正在发声的手机悬挂在密闭的广口瓶内,将瓶内的空气不断抽出时,手机铃声逐渐变小.由这个实验事实得到的推论是:________.(5)如图⑤所示,我们把水倒入瓶中时,通常根据声音的________来判断瓶中水的多少.【答案】声音由物体振动产生由高变低固体传声效果比空气好真空不能传声音调变化【解析】【详解】(1)小纸片的跳动是由于扬声器振动造成的,扬声器发出声音的原因正是由于里边纸盆的振动;所以如图①所示的实验现象表明:声音由物体振动产生;(2)敲击瓶子时,声音主要是瓶身和水柱振动发出的,瓶中盛水越多,瓶子和水的质量越大,越难振动,音调越低,因此从左向右敲打瓶子,音调由高变低;(3)敲课桌的另一端的时候,耳朵贴在桌面上是靠固体传播声音;耳朵离开桌子的时候靠空气传播声音,固体传声效果比气体好,所以耳朵紧贴在桌面上,用同样的力度轻叩课桌,这时对面的同学则能听到叩击声.(4)当用抽气机不断抽气时,手机播放的音乐声逐渐减弱,经过科学推理可得:真空不能传声;(5)往暖水瓶中灌水时,是由暖水瓶内的空气柱振动发出声音,水越来越多,空气柱越来越短,越容易振动,音调越高.所以可以通过发出声音的音调变化来判断暖水瓶中水的多少.4.小丽同学在观察小提琴、二胡等乐器的弦振动时猜想:在弦张紧程度相同的条件下,发声的音调高低还可能与弦的粗细、长短及弦的材料有关。
物理八年级上册全册全套试卷易错题(Word版含答案)一、初二物理机械运动实验易错压轴题(难)1.物理实验课上,某实验小组利用带有刻度尺的斜面、小车和数字钟测量小车的平均速度,如图所示,图中显示的是他们测量过程中的小车在甲、乙、丙三个位置及其对应时刻的情形,显示时间的格式是“时:分:秒”。
(1)本实验的原理是___;(2)实验时应保持斜面的倾角较小,这是为了减小测量_____(填“路程”或“时间”)时造成的误差;(3)斜面倾角不变,小车由静止释放运动到底端,则小车前半程的平均速度____小车后半程的平均速度(选填“大于”、“等于”或“小于”);(4)由图观察可知,小车从乙位置运动至丙位置时,所测量的路程是____cm,平均速度____m/s;(5)物体的运动常常可以用图像来描述,下图中能反映本实验中小车运动情况的是______(选填“A”或“B”)【来源】福建省三明市大田县2019-2020学年八年级(上)期中物理试题【答案】v=st时间小于 65.0 0.1625 B【解析】【分析】【详解】(1)[1]测量小车的平均速度需要用到速度的公式v=st。
(2)[2]斜面坡度越大,小车沿斜面向下加速运动越快,所用时间会越短,计时会越困难,所以为使计时方便,减小测量时间的误差,斜面坡度应小些。
(3)[3]小车由静止释放,做加速运动,小车通过前半程的平均速度小于小车通过后半程的平均速度。
(4)[4][5]由图可知,小车从乙位置运动至丙位置时的路程是65.0cm,运动的时间是4s,平均速度v=65.0cm4sst==16.25cm/s=0.1625m/s(5)[6] A图为s-t图象,是一过原点的直线,说明做匀速直线运动,通过的距离与时间成正比,故A不符合题意;而B图为v-t图象,表示随着时间的增长,速度逐渐变大,故图B 中能反映小车运动情况。
2.这是某实验小组“测量平均速度”的情景:(1)测量平均速度的原理是:________(2)实验中为了方便计时,应使斜面的坡度较________(选填:“大”或“小”).(3)小车从B到C的距离是:________(4)小车从A到C所用的时间是:________,全程平均速度是:________.(5)在这个过程中,必须熟练的使用电子计时器,如果小车过了A点才开始计时,会使测得的平均速度偏________(选填:“大”或“小”).【来源】广西来宾市兴宾区2017-2018学年八年级(上)期中物理试题(教学质量检测)【答案】v= s/t 小 0.48m 3s 0.29m/s 大【解析】【详解】(1)测小车的平均速度实验,是根据公式svt=进行测量的;(2)斜面坡度越大,小车沿斜面向下加速运动越快,过某点的时间会越短,计时会越困难;所以为使计时方便,斜面坡度应小一些;(3)由图知,刻度尺的最小分度值是1cm,由B到C小车的路程:6.00dm 1.20dm 4.80dm=0.48mBCs=-=;(4)由图知,小车从A到C的路程:10.00dm 1.20dm8.80dmACs=-=,3sACt=,则全程平均速度是8.80dm2.9dm/s=0.29m/s3sACACACsvt==≈;(5)让小车过了A点后才开始计时,计时晚,故所计时间偏小,由svt=可知计算出的平均速度偏大。
八年级上册物理全册全套试卷易错题(Word版含答案)一、初二物理机械运动实验易错压轴题(难)1.如图所示,是小华和小明两同学探究“二力平衡条件”的实验.(1)如甲图所示,小华将木块放置于水平桌面上,两边各用一段细绳通过定滑轮悬挂一定量的钩码.小华发现,当左边悬挂三个钩码,右边悬挂两个钩码时木块A也能保持静止.这是由于____.(每个钩码重1 N)(2)小明认为将木块A换成带轮子的小车,实验效果会更好,其原因是:________.(3)换成小车后,若要使小车保持静止,应当在右侧(选填“增加”或“减少”)________1个钩码.(4)小车处于静止后,保持两边拉力的大小不变,将小车扭转到如图乙所示的位置,松手后,小车将扭转回来.这一步骤说明二力平衡时,要满足二个力在________上的条件.【来源】2020届中考物理一轮复习专题强化:运动和力【答案】木块与桌面的摩擦力太大导致的;小车比木块受到的摩擦力更小;增加;同一直线。
【解析】【分析】【详解】(1)据上面的分析可知,木块保持静止,在水平方向受到向左的拉力、向右的拉力和向右的摩擦力三个力的作用,所以木块静止不动的原因是由于木块与桌面的摩擦力太大导致的;(2)木块A换成带轮子的小车,将滑动摩擦力变为滚动摩擦力,大大减小了摩擦力,从而减小了摩擦对实验的影响;(3)木块换成小车后,要使木块静止,就应该使左右两侧钩码的拉力相等,由于左边是3个钩码,右边是2个钩码,因此应该在右侧增加1个钩码;(4)将小车扭转到如图乙所示的位置,两个拉力不在同一直线上,不能平衡,所以会扭转回来;这一步骤说明二力平衡时,要满足二个力在同一直线上.2.在长度、时间测量中完成下列问题(1)用厚刻度尺测量木块的长度,下图所示的四种方法中正确的是(______)(2)在测量中,读数环节时完成下列填空。
①图甲中刻度尺的分度值是____________,所测铅笔长度的测量值是_______________。
八年级物理上册全册全套试卷易错题(Word版含答案)一、初二物理声现象实验易错压轴题(难)1.现在大多数房屋的门窗玻璃是“双层中空(接近真空)”的,能起到“隔音保温”的作用.小明在敲玻璃时,感觉双层玻璃与单层玻璃的振动情况不一样,产生了探究“受敲击时,双层玻璃和单层玻璃的振动强弱情况”的想法.为此,进行了以下实验:①如图所示,将单层玻璃板固定在有一定倾角的斜面底端,把玻璃球A靠在玻璃板的右侧,把橡胶球B悬挂在支架上靠在玻璃板的左侧.②把橡胶球B向左拉开一定的高度,放手后让其撞击玻璃板,玻璃球A被弹开,在下表中记下玻璃球没斜面向上滚动的距离,共做3次.③换成双层玻璃板重复②的实验.⑴实验时,把橡胶球B向左拉开“一定的高度”,目的是为了保证橡胶球B与玻璃撞击时的________能保持不变;⑵受到橡胶球B的撞击后,玻璃板振动的强弱是通过__________来反映的;⑶分析表中的实验数据,可以得出的结论是__________;⑷中空双层玻璃具有“隔音和保温”作用,是因为①隔音:___________;②保暖:___________.【答案】速度玻璃球滚动的距离大小单层玻璃比双层玻璃的振动幅度大真空不能传播声音真空传导热量的能力比玻璃差【解析】解答:(1)根据控制变量法应保持橡胶球B与玻璃撞击时的动能相同,由于是同一个橡胶球,则应保持橡胶球B向左拉开“一定的高度”,从同一高度落下;(2)当玻璃板受到橡胶球的敲击时,玻璃板振动的强弱是通过玻璃球被弹开的距离来反映的,这是转换的研究方法;(3)同样的撞击下,单层玻璃后的玻璃球比双层玻璃后的玻璃球运动的距离远;所以结论是:受敲击时,单层玻璃比双层玻璃的振动强;(4)两层玻璃之间接近真空,中空双层玻璃具有“隔音和保温”作用,①由于声音的传播是需要介质的,而真空不能传声,所以这种窗户能起到较好的隔音效果;②由于真空传导热量的能力比玻璃差,所以这种窗户能起到较好的保温效果。
八年级物理上册全册全套试卷易错题(Word版含答案)一、初二物理机械运动实验易错压轴题(难)1.如图是小明在测量平均速度的实验中所用的实验装置。
(1)在实验中,小明需要的测量工具有____________和___________。
(2)小车所放的斜面应保持较________(选填“大”或“小”)的坡度,这样小车在斜面上运动的时间会________(选填“长”或“短”)些,便于测量。
(3)小车从斜面顶端运动到底端的过程中,小车做的是__________(填“匀速”或“变速”)直线运动。
(4)实验前必须学会熟练使用电子表,如果先计时再放开小车,则会使所测甲丙段的平均速度偏____。
(填“大”或“小”)【来源】湖南省永州市新田县2019-2020学年八年级(上)期中质量监测物理试题【答案】刻度尺秒表小长变速小【解析】【分析】【详解】(1)[1][2]在做测量平均速度的实验时,根据实验原理svt,需测量路程和时间两个物理量,故需要的对应的测量工具为刻度尺和秒表。
(2)[3][4]小车所放的斜面应保持较小的坡度,使小车在斜面上缓缓的滑下,这样小车在斜面上运动的时间会长一些,便于我们测量。
(3)[5]小车从斜面顶端运动到底端的过程中,速度会越来越快,故小车做变速直线运动。
(4)[6]实验时,如果先计时再放开小车,这样记录的时间比实际运动的时间偏长,故会使所测甲丙段的平均速度偏小。
2.小明在“测小车的平均速度”的实验中,设计了如上图所示的实验装置:小车从斜面顶端由静止下滑,图中的时间是小车到达A、B、C三处时电子表的显示时刻:(1)实验中为了方便计时,应使斜面坡度较_____ (填“陡”或“缓”)些。
(2)请根据图中所给信息回答: v AB ______v BC ______v AC (选填“>”或“<”或“=”) (3)实验前必须学会熟练使用电子表,如果让小车过了A 点后才开始计时,则会导致所测AC 段的平均速度V AC 偏____ (填“大”或“小”)。
八年级(上)物理经典易错题1、如图1所示秒表的读数是_______________分s;;;;如图2所示秒表的读数是___________分.2、下列过程中,经历的时间差不多为1秒的是()A.人的眼睛眨一下的时间B.人呼吸一次的时间C.人的心脏跳动一次的时间D.人行走5米路程所需的时间3、小明了解到用刻度尺测物体长度时会有一些因素引起测量误差,其中刻度尺的温度变化也是引起误差的原因之一,他想通过实验研究刻度尺长度随温度变化的情况.(1)小明找来两把完全相同,长为20cm的钢尺,一把放在冰箱充分冷冻,一把放在阳光下长时间曝晒,再将两把钢尺互相测量,结果发现两把钢尺的长度几乎没有差异,请写出造成这种结果的原因(写出一条即可):___________________________________.(2)他重新设计了如图所示的装置研究物体长度随温度变化的情况.装置中AB是粗细均匀的铜棒,COD是可绕O点转动的指针,实验时,A端固定不动,指针C 端紧靠在铜棒B端,当用酒精灯给AB加热时,小明可以通过观察___________________________分析金属棒受热时长度的变化.装置中指针设计成CO段比OD段短,这对实验现象起到了______________________________作用.(3)请你根据小明的实验提出一个值得探究的问题.问题:_____________________________________________________.4、一辆小车做变速直线运动,它在前一半时间的速度为v1,后一半时间的速度为v2则这辆小车在整个路程中的平均速度为()A.v1+v2 2 B.v1•v2 v1+v2C.2v1•v2 v1+v2D.v1+v2 v1•v25、墨墨测出了小车做直线运动时的路程和时间,并依据数据做出了相应的路程与时间图象,如图所示.(1)小车在AB段处于_____________________(选填“运动”或“静止”)状态.(2)小车在OA段运动的速度________________(选填“大于”、“小于”或“等于”)BC段运动的速度.(3)小车在整个运动过程中的平均速度是___________km/h.6、一个小球从斜面滚下,用照相机每隔0.1s拍摄一次,记录小球运动情况的照片如右图所示.则小球从A点运动到D点用时______s,平均速度为_______m/s.7、在测物体平均速度的实验中,如果测出物体的运动时间比实际值偏大,则测量出的物体的平均速度()A.跟实际值相同B.比实际值偏大C.比实际值偏小D.不能确定8、正要咬饵上钩的鱼,突然听到脚步声受惊逃走,这时鱼接收到声波的主要途径是()A.大地─空气─水─鱼B.空气─水一鱼C.大地─水─鱼D.水─鱼9、一门反坦克炮瞄准一辆坦克,开炮后经过0.6s看到炮弹在坦克上爆炸,经过2.1s听到爆炸声.若当时的速度是340m/s,问:反坦克炮距坦克多远?炮弹运行速度多大?10、2012年春节联欢晚会上,山西绛州鼓乐团表演的《鼓韵龙腾》气势磅礴.下面有关说法中错误的是()A.鼓乐声主要是由鼓面振动产生的B.鼓乐声主要是由鼓内空气振动产生的C.鼓乐声是经过空气传到现场观众耳朵的D.由于设计师对剧场的混响时间的合理设计,才会使现场观众感觉鼓声的气势磅礴11、声音的响度跟距声源的_______有关12、下列4个句子:(1)这首歌调太高;(2)引吭高歌;(3)她是唱高音的;(4)请勿高声喧哗,其中“高”字指响度大的是()A.(1)(3)B.(2)(4)C.(1)(2)D.(3)(4)14、登山队员在攀登雪山时不许高声叫喊.只能借助手势互通消息.你知道这是为什么吗?16、2013年4月16日,中国海事第一舰“海巡01”轮在海上展开拉练,未来将被派往南海、钓鱼岛等海域执行任务,如图所示,“海巡01”轮配备有强声设备,可遥控定向远距离发射高达150分贝的警示音、语音等声波,主要用于对付海盗等人员.根据以上信息,下列说法中错误的是()A.声波具有能量B.声波定向发射器的喇叭状外观可以减少声音分散,增大响度C.护航官兵佩戴耳罩是为了在人耳处减弱噪声D.强声设备发出的声波是次声波A.声波具有能量B.声音在15℃空气中传播的速度是340m/sC.“150分贝”是指所产生声音的音调D.护航官兵佩戴耳罩是为了在人耳处减弱噪声17、如图所示,放置在盛有水的烧杯中的两支温度计a、b,加热时,b温度计的示数始终比a温度计的示数高,其原因是______________________.停止加热时,a温度计的示数如图所示,则a温度计的示数是_____________℃.18、有两支体温计的示数都是37.7℃,用这两支没有甩过的体温计分别给两个病人测体温,如果病人的实际体温分别是37℃和38.4℃,则这两支体温计的示数分别是_________℃和_________________19、说出下列现象所属的物态(1)烧开水时冒的“白气”(2)夏天湿衣服晾干(3)冬天早晨看到草上的霜(4)用久了的灯泡钨丝比新时细(5)钢水浇铸成火车轮(6)吃冰棒解热(7)游泳以后从水中出来,感觉特别冷(8)冬天,玻璃窗上结的霜(9)雾的形成:(10)雾凇的形成:(11)夏天,冰棍周围冒“白气”()(12)早晨,草木上的水水滴()(13)冬天,玻璃窗上的冰花()(14)高温加热碘,碘的体积变小()(15)衣箱中的樟脑丸渐渐变小()(16)夏天,水缸外层“出汗”()(17)冬天,室外冰冻的衣服也会干()(18)洒在地上的水不久干了()(19)屋顶的瓦上结了一层霜()(20)水结成冰()(21)北方冬天的树挂()(22)寒冷的冬天,堆的雪人变小了()(23)南方雪灾中见到的雾淞()(24)雪灾中电线杆结起了冰柱()20、雪天路面有积雪,为了使积雪很快熔化,常在路面积雪上喷洒盐水,这是因为()A.盐水使冰雪的熔点降低B.洒上盐水后,使冰雪变成冰水混合物,温度为0℃而使冰雪熔化C.盐水使冰雪的温度升高到0℃而熔化D.盐水使冰雪的熔点升高21、今年4月20日,江城出现了罕见的“返潮”现象,地面、墙壁全是湿的.专家解释:这是因为前几天我市遭遇“倒春寒”天气,地面、墙壁等处的温度________,但近日起,西南暖湿气流来到我市上空,空气中水蒸气的含量________,极易发生_______现象,使近地面的物体冒“冷汗”.22、汽车上用凸面镜做后视镜,是因为()A.大所成的像放大的正立的虚像B.为了看清后面的物体,且扩大视野C.为了看清后面的物体,且缩小大视野D.成的像是缩小的倒立的虚像22、如图在圆形大厅的顶部四周安装了若干个监控器,每个监控器监控的角度是55°,则至少要安装____个监控器才能监控到整个大厅.23、办公大厅顶部采用凸面镜设计是因为__________________________________________.24、小组成员发现:除了大型客车外,绝大多数汽车的前窗都是倾斜的.这是为什么?答:这是因为当汽车的前窗玻璃倾斜时,从车后方入射的水平光会被前窗玻璃内表面反射向________,就不会反射到司机的眼睛里;车内乘客经玻璃反射成的像在车前窗的_______,这样就将车内乘客的_______与路上行人分离开来,司机就不会出现错觉.大型客车较大,前窗离地面要比小汽车高,即使前窗竖直装,______是与窗同高的,而路上的行人不可能出现在这个高度,所以司机也不会将乘客在窗外的像与路上的行人混淆.25、下列词句中属于光的折射现象的是____________ (选填数字号码)①立竿见影;②镜花水月;③坐井观天;④海市蜃楼;⑤凿壁偷光;⑥水中捞月;⑦夕阳如血;⑧猪八戒照镜子,里外不是人.26、夜晚,人们常看到星星在夜空中闪烁,这是因为星星发出的光()A.是断断续续的结果B.被其他星体不断遮挡的结果C.被密度均匀的大气层反射的结果D.被密度不稳定的大气层折射的结果27、星光灿烂,仰望天空,会看到繁星在夜空中闪烁,好象顽皮孩子在眨眼,这是因为:_______________________________28、在星光灿烂的夜晚,仰望天空,会看到繁星在夜空中闪烁,好像顽皮的孩子在不时地眨着眼睛,造成这种现象的原因是________,看到的“星星”是_______像.29、把一根筷子斜插入盛水的玻璃杯里,从正面看过去的情形和图中哪个图相符().B.C.D.30、(1)如图所示,发光点S发出一条射向水中的光线,在水面发生反射和折射后,反射光线经过P点.请在图中作出入射光线、反射光线及大致方向的折射光线.(2)画出图中凹透镜的折射光线的方向.、图中的两架敌机,一架是实际飞机,一架是小明从潜水艇上观察到的该飞机的像,请你用光的作图法确定哪架是实际飞机.33、如图所示,一玻璃砖内有一凸形气泡,一束平行光垂直射向玻璃砖的侧面,通过玻璃砖后,光线将会()A.仍然平行B.会聚C.发散D.无法确定34、请在玻璃砖内恰有一个圆形的气泡,请画出图中光线穿过它的光路图.35、水中有一气泡,一束光从水中射入气泡内,请作出光射入气泡及射出后的光路图.36、投影仪上方的平面镜的作用是_________________37、一凸透镜焦距在10cm与15cm之间,当物体距凸透镜的距离为25cm时,所成的像一定是()A.放大的B.缩小的C.正立的D.倒立的38、一个同学探究了凸透镜成像规律的实验,得出了下面的结论,你认为正确的是()A.实像总是倒立的,虚像总是正立的B.实像和虚像都可能是放大的或缩小的C.成实像时,物体离凸透镜越远像越大D.成虚像时,物体离凸透镜越近像越大39、人眼是一个高度精密的光学系统,下列围绕人眼的讨论,错误的是()A.视网膜相当于光屏B.物体在视网膜上成的像的像距大于2倍焦距C.晶状体相当于一个凸透镜D.外界物体在视网膜上成的像是倒立的40、近视眼的睫状体无法放松,调节功能弱,对吗?41、报纸上放有小明的近视眼镜、爸爸的老花镜、奶奶度数更深的老花镜及妈妈的平光眼镜,如图,则奶奶的老花镜为图中的()A.B.C.D.42、所示,为光线经过某人眼球的光路图,下列说法正确的是()A.此人看不清远处物体,是近视眼B.此人看不清近处物体,是近视眼C.此眼睛应配戴凸透镜加以矫正D.此眼睛应配戴凹透镜加以矫正43、现代天文望远镜力求把物镜的口径加大,以求观测到更暗的星体,把口径加大的目的是()A.会聚更多的光B.成像更明亮C.增大视角D.以上说法都不正确44、“①地球、②太阳系、③宇宙、④银河系”,按照天体的尺寸从大到小的顺序,正确排列的顺序是_______________(填写天体前的序号).45、把物体质量从小到大排序(填序号)_____________________①一位初三学生质量②一枚1元硬币质量③一个鸡蛋质量④一台手提电脑质量⑤一本物理书质量⑥一头大象质量.46、以下物体质量最接近2.5×107mg的是()A.一头火象B.一个小学生C.一只兔子D.一只蚂蚁47、小明利用天平测一块小石块的质量.(1)他将天平放在水平桌面上.当调节天平横梁平衡时,将游码移至横梁标尺左端零刻度线处,发现指针停在分度盘的右侧,他应将平衡螺母向_________________(选填“左”或“右”)移动,使天平平衡.(2)他测量小石块质量时的情形如图所示,其中违反操作规定的是____________________.(3)图中小石块的实际质量是_______________g.48、密封在钢瓶中的氧气,使用一段时间后,瓶内氧气的质量、体积、密度的变化说法正确的是()A.质量减小,体积减小,密度减小B.质量减小,体积减小,密度变大C.质量不变,体积不变,密度不变D.质量减小,体积不变,密度变小49、50、51、一块石碑,长50cm,宽20cm,高3m,质量为0.75吨,其密度是()A.2.5×106kg/m3B.2.5×103g/cm3C.2.5×10-3g/cm3D.2.5g/cm352、浙江大学高分子系高超教授的课题组,探索出无模板冷冻干燥法,即在低温和真空条件下,制备出了一种叫“全碳气凝胶”的固体材料.如图所示,一块8cm3的“全碳气凝胶”甚至可以静止地被花蕊支起,说明该材料的__________很小.一块体积为100cm3的“全碳气凝胶”的质量只有0.016g,则它的密度为________kg/m3.53、把一质量为56g的石块,放在盛有40ml水的量筒中,水面上升到如图的位置,(g取“10N/kg“)求:(1)石块的重力.(2)石块的体积.(3)石块的密度.(4)石块所受到的浮力.54、晴天,位同学了,下面四种利用风向引导他们走出的说法,正确的是()A.吸热,温度升高较慢,空气温度低、密度大,地面空气从流向外界,应顺风走B.土地吸热,温度升高较快,空气温度高、密度小,地面空气从外界流向,应顺风走C.吸热,温度升高较慢,空气温度低、密度大,地面空气从流向外界,应迎风走D.土地吸热,温度升高较快,空气温度高、密度小,地面空气从外界流向,应迎风走.55、甲乙两块矿石的质量相等,甲的体积是乙的2倍,若将甲切去一半,将乙切去三分之二,则剩余矿石的质量之比是_______-;密度之比是___________.56、建筑物内遭遇火灾时,受困人员应采取弯腰甚至匍匐的姿势撤离火场,这样能够有效避免吸入有害气体或被灼伤.这是因为与房间其他空气相比较,含有毒有害物质的气体()A.温度较低,密度较大,而大量集聚在房间的下方B.温度较低,密度较小,而大量集聚在房间的下方C.温度较高,密度较大,而大量集聚在房间的上方D.温度较高,密度较小,而大量集聚在房间的上方57、为了使竖直放置的正方形玻璃管内的水按图中方向流动,采取冷却的方法,温度降低的位置是()A.a处B.b处C.c处D.d处答案:1、分析:秒表的中间的表盘代表分钟,周围的大表盘代表秒,秒表读数是两个表盘的示数之和解答:解:两个图中秒针指示的位置相同,关键是看小盘的分针指示的位置,图1中,分针指示在3.5min以后,因此秒针是48s,即读数是3min48s;图2中,分针指示在3min到3.5min之间,因此秒针是18s,即读数是3min18s.故答案为:3min48s;3min18s.2、解答:解:A、人眼睛迅速眨一下,约为0.6秒,不符合题意;B、人正常呼吸一次,大约用时3s左右,不符合题意;C、人体心脏一分钟跳动60-100次,因此跳动一次大约需要1s左右,符合题意;D、人的步行速度约为1m/s,因此行走5m所需的时间约5s,不符合题意.故选C.3、分析:本题考查对刻度尺分度值和物体热胀冷缩特性的了解以及对实验效果扩大法的运用.由于钢尺的热胀冷缩的变化量很小,所以用两把钢尺互相测量,结果发现两把钢尺的长度几乎没有差异;为了能够读出数据则需要将其微小变化进行放大(如本题所示),然后才能观察其变化量的大小.解答:解:由于刻度尺的分度值过大,对于物体因热胀冷缩出现的微小变化无法测量,通过本题的实验改造进而将微小的变化扩大,便于观察读数.所以本题的答案为:(1)两把钢尺长度变化太小,简单的测量工具无法测量出微小的变化.(其他答案合理亦可)(2)指针示数变化(答指针偏转角度亦可);放大(3)物体在温度变化时,物体的长度变化是否与材料(物体的自身长度、温度的变化大小等)有关?(其他合理答案亦可)4、A分析:由速度公式的变形公式求出物体的路程,然后求出总路程与总时间,最后由平均速度求出整个路程的平均速度.解答:解:设总时间是2t,则前一半与后一半时间都是t,∴物体的路程:s1=v1t,s2=v2t,总路程s=s1+s2=v1t+v2t,5、答案为:(1)静止;(2)大于;(3)12.分析:根据图象可知小车在OA段做匀速直线运动,在AB段处于静止状态,在BC段做匀速直线运动;根据速度公式可以计算出小车在在OA段、BC段和整个运动过程中的平均速度.解答:解:(1)分析图象可知小车在AB段用时为t2=3min=0.05h,但是路程为零,所以AB段小车处于静止状态;(2)小车在OA段运动通过的s1=2km,用时t1=6min=0.1h,OA段的速度;小车在BC段通过的s3=1km,t3=6min=0.1h,BC段的速度=10km/h,所以小车在OA段运动的速度大于BC段运动的速度;(3)由图可知小车在整个运动过程中的路程s=2km+1km=3km,用时s=15min=0.25h,整个运动过程中的平均速度是=12km/h.6、解答:解:由图示可知,小球从A到D的运动时间是t=0.1s×3=0.3s,小球的路程s=30cm=0.3m,小球的平均速度v=1m/s;故答案为:0.3 ;1.7、解答:解:由题知,测出的总路程s准确,测出物体的运动时间t比实际值偏大,∴测量出的物体的平均速度比实际偏小.故选C.8、分析:声音能靠任何气体、液体、固体物质作媒介传播出去,这些作为传播媒介的物质称为介质,声音的传播需要介质,且V固>V液>V空气.解答:解:声音在空气中传导慢且衰减快,声音在固体和液体传播速度在比空气中快,因此脚步声应先经过大地再经过水传到鱼的听觉器官.故选C.9、答:反坦克炮与坦克的距离为510m;炮弹飞行的速度为850m/s.解答:解:(1)炮弹爆炸发出声音传到反坦克炮的时间:t=2.1s-0.6s=1.5s,∴反坦克炮与坦克的距离:s=vt=340m/s×1.5s=510m;10、解答:解:A、鼓乐声是鼓面的振动而产生的,不合题意.B、鼓乐声是鼓面的振动而产生的,鼓面振动引起鼓外空气振动再将振动传至人耳,不是由鼓内空气振动产生的.符合题意.C、鼓乐声通过空气传入人耳,不合题意.D、人耳具有双耳效应,剧场的混响时间不同,感觉鼓声的气势磅礴.不合题意.故选B.11、距离12、解:(1)音调高是指声带振动的快,声音的频率高,导致发出声音的音调较高;(2)高歌是指声音的振幅大,响度大;(3)女声的声带振动快,音调高,女高音就是这个原理;(4)说话声音的振幅大,声音响度就大;故选B14、解答:答:因为声音是由物体振动产生的,人在高声喊叫的同时,也引起了周围空气的振动,振动通过空气传递给了积雪层,往往会引起积雪层的振动,声可以传递能量,高喊可能由于声传递的能量造成雪崩,带来人员伤亡和设备的损失.16、解答:解:A、声音具有能量,该选项说法正确,不符合题意;B、声波定向发射器的喇叭状外观可以减少声音分散,增大响度,该选项说法正确,不符合题意;C、护航官兵佩戴耳罩是为了在人耳处减弱噪声,该选项说法正确,不符合题意;D、强声设备发出的声波高达150dB,是人耳能够听到的,而次声波人耳是听不到的,该选项说法不正确,符合题意.故选D.解答:解:A、声音具有能量,该选项说法正确,不符合题意;B、声音在15℃空气中传播的速度是340m/s,该选项说法正确,不符合题意;C、分贝是声音响度的单位,该选项说法不正确,符合题意;D、戴耳罩是为了在人耳处减弱噪声,该选项说法不正确,符合题意.故选C.17、故答案为:b温度计与烧杯底接触(测量的是烧杯底的温度);44.18、答案为:37.7℃;38.419、分析:物体由固态变为液态的过程叫熔化,熔化要吸热;物体由液态变为固态的过程叫凝固,凝固要放热;物体由液态变为气态的过程叫汽化,汽化要吸热;物体由气态变为液态的过程叫液化,液化要放热;物体直接由固态变为气态的过程叫升华,升华要吸热;物体直接由气态变为固态的过程叫凝华,凝华要放热.解答:解:(1)白气是空气中的水蒸气液化形成的小水珠,是液化现象.(2)湿衣服干了,是由液态的水变为水蒸气,是汽化现象,汽化要吸热;(3)霜是由空气中的水蒸气凝华形成的,凝华要放热;(4)用久的灯泡灯丝变细了,是钨由固态直接变为气态,是升华现象,升华要吸热;(5)钢水浇铸成火车轮,是钢水由液态变为固态,是凝固现象,凝固要放热;(6)吃棒冰解热是冰棒由固态变为液态的水,是熔化现象,熔化要吸热;(7)游泳以后从水中出来,水会蒸发吸热,感觉特别冷,属于汽化现象;(8)冬天,玻璃窗上结的霜:是空气中的水蒸气凝华形成的冰晶;(9)雾的形成:水蒸气液化形成的水滴;(10)雾凇的形成:水蒸气凝华形成的冰晶.(11)夏天,冰棍周围冒“白气”(液化)(12)早晨,草木上的水水滴(液化)(13)冬天,玻璃窗上的冰花(凝华)(14)高温加热碘,碘的体积变小(升华)(15)衣箱中的樟脑丸渐渐变小(升华)(16)夏天,水缸外层“出汗”(液化)(17)冬天,室外冰冻的衣服也会干(升华)(18)洒在地上的水不久干了(汽化)(19)屋顶的瓦上结了一层霜(凝华)(20)水结成冰(凝固)(21)北方冬天的树挂(凝华)(22)寒冷的冬天,堆的雪人变小了(升华)(23)南方雪灾中见到的雾淞(凝华)(24)雪灾中电线杆结起了冰柱(凝固)20、分析:(1)晶体的熔点跟晶体的种类、是否有杂质、压强等有关.(2)晶体中有杂质可以降低晶体的熔点.解答:解:为了使积雪很快熔化,常在路面积雪上喷洒盐水,是增加杂质,降低冰的熔点.增加盐,不能使冰雪的温度升高.故选A.21、解答:解:“倒春寒”天气空气的温度比较低,会使地面、墙壁受冷温度降低;暖湿气流会使空气中的水蒸气含量增大,水蒸气遇到比较冷的地面、墙壁就会液化成小水珠.故答案为:较低;较高;液化.22、分析:由图可知扫射到的圆弧对应的圆心角为110°,而圆周角为360°,所以至少得4个监控器才可以.解答:解;∵图中监控器扫射范围对应的圆周角为55°∴它对应的圆心角为110°要想监控到每一个角度,监控范围所对应的圆心角之和得大于或等于360°所以至少得4个监控器.23、凸面镜对光有发散作用,使光的照射范围大24、分析:平面镜成像的特点:像物等大,像物等距,像与物的连线和镜面垂直;前窗玻璃倾斜,车内物体通过它成像在车的前上方,这样就将车内乘客的像与路上行人分离开来,不会扰乱司机的视线.解答:解:除大型客车外,绝大多数汽车的前窗都是倾斜的.当汽车的前窗玻璃倾斜时,从车后方入射的水平光会被前窗玻璃内表面反射向(下),车内乘客经玻璃反射成的像在车的(前上方),而路上的行人是不可能出现在上方的空中的,这样就将车内乘客的(像)与路上行人分离开来,司机就不会出现错觉.大型客车较大,前窗离地面要比小汽车(高)得多,即使前窗竖直装,(像)是与窗同高的,而路上的行人不可能出现在这个高度,所以司机也不会将乘客在窗外的像与路上的行人相混淆.25、解:①立竿见影,这个影是影子,是由于光的直线传播形成的;②镜花水月,这里的花和月都是平面镜成像形成的,平面镜成像利用的是光的反射;③坐井观天,所见甚小,这是由于光是由直线传播的,只能看到头顶的一片天;④海市蜃楼是光在不均匀的空气中传播时发生折射形成的;⑤凿壁偷光,是利用光的直线传播;⑥水中捞月,水中的月亮是平面镜成像,利用了光的反射;⑦夕阳如血,是因为夕阳发出的光在不均匀的大气层中发生折射形成的;⑧猪八戒照镜子,这是平面镜成像,利用的原理是光的反射.故答案为:④⑦.26、分析:光在同种均匀介质中是沿直线传播的,大气层上疏下密,当光线斜射到大气层时,类同于从空气斜射进入水中,折射光线不断偏折.由于介质的疏密不断变化,折射光线会连续偏折,在日常生活中形成了很多奇观,如海市蜃楼、沙漠蜃景等.解答:解:星光绝大部分是宇宙中的恒星发射出来的光,恒星的发光是持续不断的,星光传播到地球表面前,除了要通过浩瀚的宇宙真空区域,还要穿过包围着地球的大气层,星光从真空进入大气层时,要产生反射和折射,我们在地面所看到的星光是经过大气层折射后的那部分光.当星光穿过不同密度的空气层时也要发生折射,一般说来,空气相对于地面不是静止的,总是在流动,随着空气的流动,在观察者注视的区域内,空气的密度会时大时小,因此穿过该区域的星光被折射,会有所不同,于是,折射光线就会不停的颤动、摇摆.故选D.27、答案:28、解答:解:当繁星发出或反射的光线穿过大气层时,由于大气层的运动,疏密不断变化,大气层对星光折射的折射光线的方向也在不断变化,所以星光时明时暗的闪烁.即星星闪烁不定是:光通过不均匀的大气层发生折射的缘故.看到的“星星”是折射而成的虚像.故答案为:光的折射;虚.29、答案:B 分析:当将筷子插入水中时,由于光的折射现象,从上面看起来水中的部分会比实际位置高一些,所以就会看起来向上弯折.解答:解:水中的物体反射的光线斜射到水面,折射光线远离法线偏折,在水面以上看到的物体的像在折射光线的反向延长线上,即A点的像在A′点,如图所示:所以把一根筷子斜插入盛水的玻璃杯里,由于光的折射,看上去筷子好像在水面上折断了,水内的部分看上去向上弯折.另外,盛水的玻璃杯相当于凸透镜,筷子在这个凸透镜的焦点以内,成正立放大的虚像.所以水中的筷子既向上弯折又变粗了.故选B.30、解答:解:(1)根据平面镜成像的规律:像与物关于镜面对称,作出点光源S在关于水面的对称点S′,即像点.连接S′P,与水面的交点O即为入射点,连接SO即为入射光线;连接OP即为反射光线;过入射点O做水面的垂线即为法线,根据确定的入射光线和法线可以确定入射角,利用光的折射规律:折射光线和入射光线分居法线两侧,折射角小于入射角.可以做出对应的折射光线OA.答案如下图所示:(2)入射光线平行于主光轴,经过凹透镜折射后,折射光线的反向延长线过焦点;入射光线过光心,经过凹透镜折射后,传播方向不变;。
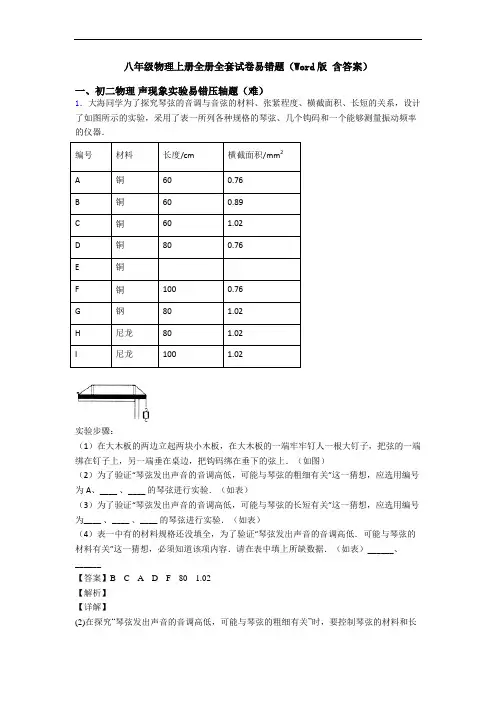
八年级物理上册全册全套试卷易错题(Word版含答案)一、初二物理声现象实验易错压轴题(难)1.大海同学为了探究琴弦的音调与音弦的材料、张紧程度、横截面积、长短的关系,设计了如图所示的实验,采用了表一所列各种规格的琴弦、几个钩码和一个能够测量振动频率的仪器.编号材料长度/cm 横截面积/mm2A 铜60 0.76B 铜60 0.89C 铜60 1.02D 铜80 0.76E 铜F 铜100 0.76G 钢80 1.02H 尼龙80 1.02I 尼龙100 1.02实验步骤:(1)在大木板的两边立起两块小木板,在大木板的一端牢牢钉人一根大钉子,把弦的一端绑在钉子上,另一端垂在桌边,把钩码绑在垂下的弦上.(如图)(2)为了验证“琴弦发出声音的音调高低,可能与琴弦的粗细有关”这一猜想,应选用编号为A、____ 、____ 的琴弦进行实验.(如表)(3)为了验证“琴弦发出声音的音调高低,可能与琴弦的长短有关”这一猜想,应选用编号为____ 、____ 、____ 的琴弦进行实验.(如表)(4)表一中有的材料规格还没填全,为了验证“琴弦发出声音的音调高低.可能与琴弦的材料有关”这一猜想,必须知道该项内容.请在表中填上所缺数据.(如表)______、______【答案】B C A D F80 1.02【解析】【详解】(2)在探究“琴弦发出声音的音调高低,可能与琴弦的粗细有关”时,要控制琴弦的材料和长度相同,故选A. B. C的琴弦进行实验;(3)探究“琴弦发出声音的音调高低,可能与琴弦的长短有关”时,应控制琴弦的材料和横截面积相同,所以选A. D. F的琴弦进行实验;(4)为了验证“琴弦发出声音的音调高低。
可能与琴弦的材料有关”时,应控制琴弦的长度和横截面积相同,材料不同,符合条件的只有G、H,所以D项中应是:80;1.02.2.噪声是一种严重的环境污染,小明想比较几种材料(毛衣、报纸、棉花、泡沫塑料)的隔音性能,来选择一种隔音性能好的材料做耳罩的填充物,实验器材除了待检测的材料外,还有:音叉、机械闹钟、鞋盒,完成下面各题:(1)本实验中适合做声源的是________ .(2)小明将声源放入鞋盒内,在其四周塞满待测材料,再盖上盒盖,他设想了两种实验比较方案,你认为最佳的是________ .A.让人站在距鞋盒一定距离外,比较所听见声音的响度B.让人一边听声音,一边向后退,直至听不见声音为止,比较此处距鞋盒的距离(3)下面的表格是为了上述两种实验方案而设计的,其中与方案B对应的是________ .(4)待测材料隔声性能由好到差的排列顺序为________ .【答案】机械闹钟B表二棉花泡沫毛衣报纸【解析】【分析】【详解】(1)发声体需要持续发声,所以音叉不合适,应该选择机械闹钟;(2)比较响度依靠感觉,不够准确;听不见声音的距离比较准确而且容易进行比较,隔音性能好,响度越小,听不见声音的距离就越小;隔音性能差,响度越大,听不见声音的距离就越大,因此选B.(3)表二比较的是距离,所以其中与方案B对应的是表二.(4)隔音性能好,响度越小,听不见声音的距离就越小;隔音性能差,响度越大,听不见声音的距离就越大.距离由短到长依次是棉花泡沫毛衣报纸,因此隔声性能由好到差应该是棉花泡沫毛衣报纸.3.小明在吉他演奏中发现,琴弦发出的音调与弦线的长度、粗细和张力有关.于是他想(1)利用弦音计做研究,如图所示,其中a、b、c、d四根弦线的张力相同.①若他选择b、d两弦线做实验,则研究的目的是探究音调与弦线_____的关系.②若他要研究音调与弦线粗细的关系,则应选择_____和_____两弦线做实验.③小明研究后得出结论:在其他条件相同的情况下,弦线越长,发出的音调越低;弦线越粗,发出的音调越低.(2)请你据如图判断,在张力相同的情况下,分别按住A点、B点、C点后拨动琴弦,发出的音调最高的是按住_____点,最低的是按住_____点.【答案】长度 a b A B【解析】【分析】【详解】(1)弦乐器的音调与弦的长短粗细和张力有关,在研究弦乐器的音调与哪些因素有关时,用到的实验方法为控制变量法,若他选择b、d两弦线做实验,两者的粗细和张力相同,所以研究的目的是探究音调与弦线长度的关系.若他要研究音调与弦线粗细的关系,应该控制他们的长度和张力相同,满足该条件的是a和b两弦线.(2)按住AC两点比较,按住A点时弦较短,所以发出的音调较高的是按住A,发出的音调较低的是按住C按住BC两点比较,按住B点时弦较粗,所以发出的音调较高的是按住C,发出的音调较低的是按住B,所以分别按住A点、B点、C点后拨动琴弦,发出的音调最高的是按住A点,最低的是按住B点.4.在“探究响度与什么因素有关”的实验中:(1)如图甲,当用橡皮锤敲击音叉时,既能听到音叉发出的声音,又能观察到乒乓球弹起一个较小的幅度,乒乓球在实验中起到的作用是将不易观察到的音叉的振动转化为乒乓球的振动。
八年级上册物理全册全套试卷易错题(Word版含答案)一、初二物理声现象实验易错压轴题(难)1.在学习吉他演奏的过程中,小华发现琴弦发出声音的音调高低是受各种因素影响的,他决定对此进行研究,经过和同学们讨论,提出了以下猜想:猜想一:琴弦发出的声音的音调高低,可能与琴弦的横截面积有关;猜想二:琴弦发出的声音的音调高低,可能与琴弦的长短有关;猜想三:琴弦发出的声音的音调高低,可能与琴弦的材料有关。
为了验证上述猜想是否正确,他们找到了下表所列9种规格的琴弦,因为音调的高低取决于声源振动的频率,于是借来一个能够测量振动频率的仪器进行实验(1)小华选用了H、I两根琴弦,是为了研究音调的高低与_____的关系;同组的小明选用A、D、F三根琴弦来进行实验,你认为_____(选填“能”或“不能”)研究音调与该因素的关系;该实验主要的研究方法是__________。
(2)小明想选用三根琴弦来验证音调的高低与琴弦横截面积的关系,应选_____(填写编号)的三根琴弦。
(3)小华认为:如果想选用三根琴弦来验证音调的高低与琴弦的材料的关系,还要添加一根钢琴弦J,它的长度应该为________cm、横截面积为________mm2。
(4)在评估交流中,同学们一致认为采用三根琴弦进行实验较合理,理由是:____________。
【答案】琴弦长短能控制变量法 A、B、C 80 1.02实验次数较多,得出的结论具有普遍性,得出结论比较可靠【解析】【分析】【详解】(1)[1]小华选用了H、I两根琴弦,材料相同,横截面积相同,但长度不同相同,是为了研究音调的高低与琴弦长短的关系。
[2]选用A、D、F三根琴弦,它们的材料相同,横截面积相同,但长度不同相同,也可以研究音调的高低与琴弦长短的关系。
[3]实验中应用的实验方法为控制变量法。
(2)[4]选用A、B、C三根琴弦,它们的材料相同,长度相同,但横截面积不同相同,来验证音调的高低与琴弦横截面积的关系。
八年级上册物理全册全套试卷易错题(Word版含答案)一、初二物理机械运动实验易错压轴题(难)1.小宾发现在同一店家购买的同种蜂蜜没有上一次购买的蜂蜜粘。
他想到磁铁的磁性与温度有关,于是猜想粘滞性也可能与温度有关。
根据自己的猜想,小宾设计了如下的实验方案:将同一瓶蜂蜜分装入三个小瓶,一瓶放在冰箱,一瓶放在室内,另一瓶放在热水中加热一会儿。
然后找三支相同的试管,让爸爸妈妈帮忙,用三支相同的滴管分别从三个小瓶中各取质量相同的一滴蜂蜜,如图甲,分别滴到倾斜放置着的试管内壁上,记录各滴蜂蜜流到试管底部的时间并进行比较。
蜂蜜在冰箱中在室内经热水加热在试管中流淌时间较长一般较短(1)从微观角度思考液体的粘滞性主要是由于分子间存在________,通过表格得到粘滞性与温度的关系可以用图乙中________表示。
(2)在上述探究过程中,小宾将“物质的粘滞性”转换成对________________________的测量。
(3)小宾在探究物质的粘滞性与温度的关系时,控制______________等因素不变。
(只填一个即可)(4)在实际生活中,油墨粘滞性会对印刷质量有一定的影响。
在印刷过程中若油墨的转移不均匀,容易造成印张粘脏、传墨不均,这都是由于油墨粘滞性________(选填“过大”或“过小”)造成的。
【来源】【专题】备战2020届中考物理二轮复习题型专练题型08-创新探究题【答案】引力D蜂蜜流到试管底部所用时间物质的质量(试管倾斜度等)过大【解析】【分析】【详解】(1)[1]从微观角度思考液体的粘滞性主要是由于分子间存在引力。
[2]由表中实验信息可以看出:蜂蜜的温度越高,蜂蜜流淌时间越短,则粘性变小;所以图像B能反映粘度随温度变化的图象。
故选B。
(2)[3]此题采用转换法,通过观察流淌时间的长短来比较粘性的大小,将不能直接测量的“粘性”转换成可以测量的流淌时间的长短来完成实验探究。
(3)[4]小宾在探究物质的粘滞性与温度的关系时,控制了蜂蜜的质量、试管倾斜度,试管长度等因素不变。
八年级物理上册全册全套试卷易错题(Word版含答案)一、初二物理声现象实验易错压轴题(难)1.大海同学为了探究琴弦的音调与音弦的材料、张紧程度、横截面积、长短的关系,设计了如图所示的实验,采用了表一所列各种规格的琴弦、几个钩码和一个能够测量振动频率的仪器.编号材料长度/cm 横截面积/mm2A 铜60 0.76B 铜60 0.89C 铜60 1.02D 铜80 0.76E 铜F 铜100 0.76G 钢80 1.02H 尼龙80 1.02I 尼龙100 1.02实验步骤:(1)在大木板的两边立起两块小木板,在大木板的一端牢牢钉人一根大钉子,把弦的一端绑在钉子上,另一端垂在桌边,把钩码绑在垂下的弦上.(如图)(2)为了验证“琴弦发出声音的音调高低,可能与琴弦的粗细有关”这一猜想,应选用编号为A、____ 、____ 的琴弦进行实验.(如表)(3)为了验证“琴弦发出声音的音调高低,可能与琴弦的长短有关”这一猜想,应选用编号为____ 、____ 、____ 的琴弦进行实验.(如表)(4)表一中有的材料规格还没填全,为了验证“琴弦发出声音的音调高低.可能与琴弦的材料有关”这一猜想,必须知道该项内容.请在表中填上所缺数据.(如表)______、______【答案】B C A D F80 1.02【解析】【详解】(2)在探究“琴弦发出声音的音调高低,可能与琴弦的粗细有关”时,要控制琴弦的材料和长度相同,故选A. B. C的琴弦进行实验;(3)探究“琴弦发出声音的音调高低,可能与琴弦的长短有关”时,应控制琴弦的材料和横截面积相同,所以选A. D. F的琴弦进行实验;(4)为了验证“琴弦发出声音的音调高低。
可能与琴弦的材料有关”时,应控制琴弦的长度和横截面积相同,材料不同,符合条件的只有G、H,所以D项中应是:80;1.02.2.小华和小刚用棉线连接了两个纸杯制成了一个“土电话”.以下是他们对“土电话”的探究.()1他们用“土电话”能实现10m间的通话,这表明________.()2两人位置不变,以相同的响度讲话,改用细金属丝连接,则听到的声音就大些.这一实验表明________.()3小华和小刚利用以上两个纸杯和一些长短、粗细不同的琴弦,又进行了探究“音调和哪些因素有关”的活动.他们选用的琴弦长度、材料在如图中标出(其中琴弦的直径关==<),并且每根琴弦固定在“音箱”上的松紧程度一致.系:a c d b()4①若他们想探究“音调的高低与琴弦材料”的关系应选择琴弦_____(从“a”、“b”、“c”或“d”中选两根).②若选择琴弦a和b,则是为了研究音调的高低与________的关系.【答案】固体能够传声金属的传声效果好a、c材料粗细【解析】【分析】【详解】(1他们用“土电话”能实现10m间的通话,是因为固体能够传声,即这表明固体能够传声.()2两人位置不变,以相同的响度讲话,改用细金属丝连接,则听到的声音就大些.这一实验表明金属的传声效果好.()4①根据控制变量法的思路,若他们想探究“音调的高低与琴弦材料”的关系,应选择粗细相同,而材料不同的两根琴弦,即选择a和c;②若选择琴弦a和b,长度和材料相同,粗细不同,所以是为了研究音调的高低与材料粗细的关系.3.吉他演奏会上,小组同学发现琴弦发出声音的音调高低是受各种因素影响的,经过讨论,他们提出以下猜想.猜想1:琴弦发出声音的音调高低,可能与琴弦的横截面积有关猜想2:琴弦发出声音的音调高低,可能与琴弦的长短有关猜想3:琴弦发出声音的音调高低,可能与琴弦的材料有关.为了验证上述猜想是否正确,同学们找到如下表所列的6种规格的琴弦,以及专门测量声音频率的仪器.(1)为了验证猜想1:应选用编号为_____、_____的琴弦进行实验.(2)为了验证猜想2:应选用编号为_____、_____的琴弦进行实验.(3)为了验证猜想3,请在表中填入所缺数据_________.【答案】A B C E 100 1.1【解析】【分析】【详解】控制变量法就是控制其它的因素不变,研究物理量与该因素的关系;(1)当研究琴弦发出声音的音调高低可能与琴弦的横截面积有关时,应控制材料和长度相同,所以应选A、B;(2)当研究琴弦发出声音的音调高低可能与琴弦的长短有关时,应控制材料和横截面积相同,所以应选C、E选项;(3)如果验证猜想三:琴弦发出声音的音调高低,可能与琴弦的材料有关,应控制长度和横截面积相同,故表格应该填入与尼龙和钢的数据相同,即100、1.1.因此,本题正确答案是:(1)A、B;(2)C、E;((3)100;1.1.【点睛】猜想琴弦发出声音的音调高低,可能与琴弦的横截面积、琴弦的长短、琴弦的材料有关,在探究过程中,应用控制变量法.4.如图为一声速测量仪器的使用说明书和实验装置图,阅读并回答问题.(1)若把铜铃放在甲、乙的中点,则液晶显示屏的示数为 ms.(2)一同学将铜铃放到甲的左边,并与甲、乙均在一条直线上,则铜铃离甲越远,液晶显示屏的数值(填“变大”、“变小”或“不变”).(3)一同学猜想“温度越高,声速越小”.他把铜铃固定放在甲的左边,然后加热甲乙之间的空气,如果的确是“温度越高,声速越小”,则液晶显示屏的数值将.(填“变大”、“变小”或“不变”)【答案】(1)0;(2)不变;(3)变大【解析】试题分析:(1)因为铜铃在甲、乙中点,则铜铃与甲、乙距离相等,时间相等;(2)由于乙和甲的距离是不变的,所以乙接收到的时间总是比甲晚一定的时间;(3)声速与温度有关,温度越高,声速越大.所以在相同距离内,时间减少;解:(1)如果铜铃在甲、乙中点,则铜铃与甲的距离和与乙的距离是相等的,且由于声速相同,所以声音从铜铃到达甲、乙的时间相同.故液晶屏的示数为0;(2)因为铜铃与甲、乙在一条直线上,由于乙比甲远的距离是一定的,所以声音传到乙和甲的时间差是不变的;(3)甲和乙之间的距离一定,由于温度越高,声速越小,所以声音传播到甲和乙的时间都会减增加,故时间差也会变大;故答案为:(1)0;(2)不变;(3)变大.【点评】本题考查了速度有关方面的内容,计算时要注意时间单位和路程单位的统一.5.用一只手捏住表面光滑的实心铝棒的某一部位,另一只手的拇指和食指粘少许松香粉,在铝棒表面由手捏部位向外端摩擦,可听见铝棒发出声音。
八年级(上)物理经典易错题1、如图1所示秒表的读数是_______________分s;如图2所示秒表的读数是___________分.2、下列过程中,经历的时间差不多为1秒的是()A.人的眼睛眨一下的时间B.人呼吸一次的时间C.人的心脏跳动一次的时间D.人行走5米路程所需的时间3、小明了解到用刻度尺测物体长度时会有一些因素引起测量误差,其中刻度尺的温度变化也是引起误差的原因之一,他想通过实验研究刻度尺长度随温度变化的情况.(1)小明找来两把完全相同,长为20cm的钢尺,一把放在冰箱充分冷冻,一把放在阳光下长时间曝晒,再将两把钢尺互相测量,结果发现两把钢尺的长度几乎没有差异,请写出造成这种结果的原因(写出一条即可):___________________________________.(2)他重新设计了如图所示的装置研究物体长度随温度变化的情况.装置中AB是粗细均匀的铜棒,COD是可绕O点转动的指针,实验时,A端固定不动,指针C端紧靠在铜棒B端,当用酒精灯给AB加热时,小明可以通过观察___________________________分析金属棒受热时长度的变化.装置中指针设计成CO段比OD段短,这对实验现象起到了______________________________作用.(3)请你根据小明的实验提出一个值得探究的问题.问题:_____________________________________________________.4、一辆小车做变速直线运动,它在前一半时间的速度为v1,后一半时间的速度为v2则这辆小车在整个路程中的平均速度为()A.v1+v2 2 B.v1•v2 v1+v2C.2v1•v2 v1+v2D.v1+v2 v1•v25、墨墨测出了小车做直线运动时的路程和时间,并依据数据做出了相应的路程与时间图象,如图所示.(1)小车在AB段处于_____________________(选填“运动”或“静止”)状态.(2)小车在OA段运动的速度________________(选填“大于”、“小于”或“等于”)BC段运动的速度.(3)小车在整个运动过程中的平均速度是___________km/h.6、一个小球从斜面滚下,用照相机每隔0.1s拍摄一次,记录小球运动情况的照片如右图所示.则小球从A点运动到D点用时______s,平均速度为_______m/s.7、在测物体平均速度的实验中,如果测出物体的运动时间比实际值偏大,则测量出的物体的平均速度()A.跟实际值相同B.比实际值偏大C.比实际值偏小D.不能确定8、正要咬饵上钩的鱼,突然听到脚步声受惊逃走,这时鱼接收到声波的主要途径是()A.大地─空气─水─鱼B.空气─水一鱼C.大地─水─鱼D.水─鱼9、一门反坦克炮瞄准一辆坦克,开炮后经过0.6s看到炮弹在坦克上爆炸,经过2.1s听到爆炸声.若当时的速度是340m/s,问:反坦克炮距坦克多远?炮弹运行速度多大?10、20XX年春节联欢晚会上,山西绛州鼓乐团表演的《鼓韵龙腾》气势磅礴.下面有关说法中错误的是()A.鼓乐声主要是由鼓面振动产生的B.鼓乐声主要是由鼓内空气振动产生的C.鼓乐声是经过空气传到现场观众耳朵的D.由于设计师对剧场的混响时间的合理设计,才会使现场观众感觉鼓声的气势磅礴11、声音的响度跟距声源的_______有关12、下列4个句子:(1)这首歌调太高;(2)引吭高歌;(3)她是唱高音的;(4)请勿高声喧哗,其中“高”字指响度大的是()A.(1)(3)B.(2)(4)C.(1)(2)D.(3)(4)14、登山队员在攀登雪山时不许高声叫喊.只能借助手势互通消息.你知道这是为什么吗?16、20XX年4月16日,中国海事第一舰“海巡01”轮在海上展开拉练,未来将被派往南海、钓鱼岛等海域执行任务,如图所示,“海巡01”轮配备有强声设备,可遥控定向远距离发射高达150分贝的警示音、语音等声波,主要用于对付海盗等人员.根据以上信息,下列说法中错误的是()A.声波具有能量B.声波定向发射器的喇叭状外观可以减少声音分散,增大响度C.护航官兵佩戴耳罩是为了在人耳处减弱噪声D.强声设备发出的声波是次声波A.声波具有能量B.声音在15℃空气中传播的速度是340m/sC.“150分贝”是指所产生声音的音调D.护航官兵佩戴耳罩是为了在人耳处减弱噪声17、如图所示,放置在盛有水的烧杯中的两支温度计a、b,加热时,b温度计的示数始终比a温度计的示数高,其原因是______________________.停止加热时,a温度计的示数如图所示,则a温度计的示数是_____________℃.18、有两支体温计的示数都是37.7℃,用这两支没有甩过的体温计分别给两个病人测体温,如果病人的实际体温分别是37℃和38.4℃,则这两支体温计的示数分别是_________℃和_________________19、说出下列现象所属的物态(1)烧开水时冒的“白气”(2)夏天湿衣服晾干(3)冬天早晨看到草上的霜(4)用久了的灯泡钨丝比新时细(5)钢水浇铸成火车轮(6)吃冰棒解热(7)游泳以后从水中出来,感觉特别冷(8)冬天,玻璃窗上结的霜(9)雾的形成:(10)雾凇的形成:(11)夏天,冰棍周围冒“白气”()(12)早晨,草木上的水水滴()(13)冬天,玻璃窗上的冰花()(14)高温加热碘,碘的体积变小()(15)衣箱中的樟脑丸渐渐变小()(16)夏天,水缸外层“出汗”()(17)冬天,室外冰冻的衣服也会干()(18)洒在地上的水不久干了()(19)屋顶的瓦上结了一层霜()(20)水结成冰()(21)北方冬天的树挂()(22)寒冷的冬天,堆的雪人变小了()(23)南方雪灾中见到的雾淞()(24)雪灾中电线杆结起了冰柱()20、雪天路面有积雪,为了使积雪很快熔化,常在路面积雪上喷洒盐水,这是因为()A.盐水使冰雪的熔点降低B.洒上盐水后,使冰雪变成冰水混合物,温度为0℃而使冰雪熔化C.盐水使冰雪的温度升高到0℃而熔化D.盐水使冰雪的熔点升高21、今年4月20日,江城出现了罕见的“返潮”现象,地面、墙壁全是湿的.专家解释:这是因为前几天我市遭遇“倒春寒”天气,地面、墙壁等处的温度________,但近日起,西南暖湿气流来到我市上空,空气中水蒸气的含量________,极易发生_______现象,使近地面的物体冒“冷汗”.22、汽车上用凸面镜做后视镜,是因为()A.大所成的像放大的正立的虚像B.为了看清后面的物体,且扩大视野C.为了看清后面的物体,且缩小大视野D.成的像是缩小的倒立的虚像22、如图在圆形大厅的顶部四周安装了若干个监控器,每个监控器监控的角度是55°,则至少要安装____个监控器才能监控到整个大厅.23、办公大厅顶部采用凸面镜设计是因为__________________________________________.24、小组成员发现:除了大型客车外,绝大多数汽车的前窗都是倾斜的.这是为什么?答:这是因为当汽车的前窗玻璃倾斜时,从车后方入射的水平光会被前窗玻璃内表面反射向________,就不会反射到司机的眼睛里;车内乘客经玻璃反射成的像在车前窗的_______,这样就将车内乘客的_______与路上行人分离开来,司机就不会出现错觉.大型客车较大,前窗离地面要比小汽车高,即使前窗竖直装,______是与窗同高的,而路上的行人不可能出现在这个高度,所以司机也不会将乘客在窗外的像与路上的行人混淆.25、下列词句中属于光的折射现象的是____________ (选填数字号码)①立竿见影;②镜花水月;③坐井观天;④海市蜃楼;⑤凿壁偷光;⑥水中捞月;⑦夕阳如血;⑧猪八戒照镜子,里外不是人.26、夜晚,人们常看到星星在夜空中闪烁,这是因为星星发出的光()A.是断断续续的结果B.被其他星体不断遮挡的结果C.被密度均匀的大气层反射的结果D.被密度不稳定的大气层折射的结果27、星光灿烂,仰望天空,会看到繁星在夜空中闪烁,好象顽皮孩子在眨眼,这是因为:_______________________________28、在星光灿烂的夜晚,仰望天空,会看到繁星在夜空中闪烁,好像顽皮的孩子在不时地眨着眼睛,造成这种现象的原因是________,看到的“星星”是_______像.29、把一根筷子斜插入盛水的玻璃杯里,从正面看过去的情形和图中哪个图相符().B.C.D.30、(1)如图所示,发光点S发出一条射向水中的光线,在水面发生反射和折射后,反射光线经过P点.请在图中作出入射光线、反射光线及大致方向的折射光线.(2)画出图中凹透镜的折射光线的方向.、图中的两架敌机,一架是实际飞机,一架是小明从潜水艇上观察到的该飞机的像,请你用光的作图法确定哪架是实际飞机.33、如图所示,一玻璃砖内有一凸形气泡,一束平行光垂直射向玻璃砖的侧面,通过玻璃砖后,光线将会()A.仍然平行B.会聚C.发散D.无法确定34、请在玻璃砖内恰有一个圆形的气泡,请画出图中光线穿过它的光路图.35、水中有一气泡,一束光从水中射入气泡内,请作出光射入气泡及射出后的光路图.36、投影仪上方的平面镜的作用是_________________37、一凸透镜焦距在10cm与15cm之间,当物体距凸透镜的距离为25cm时,所成的像一定是()A.放大的B.缩小的C.正立的D.倒立的38、一个同学探究了凸透镜成像规律的实验,得出了下面的结论,你认为正确的是()A.实像总是倒立的,虚像总是正立的B.实像和虚像都可能是放大的或缩小的C.成实像时,物体离凸透镜越远像越大D.成虚像时,物体离凸透镜越近像越大39、人眼是一个高度精密的光学系统,下列围绕人眼的讨论,错误的是()A.视网膜相当于光屏B.物体在视网膜上成的像的像距大于2倍焦距C.晶状体相当于一个凸透镜D.外界物体在视网膜上成的像是倒立的40、近视眼的睫状体无法放松,调节功能弱,对吗?41、报纸上放有小明的近视眼镜、爸爸的老花镜、奶奶度数更深的老花镜及妈妈的平光眼镜,如图,则奶奶的老花镜为图中的()A.B.C.D.42、所示,为光线经过某人眼球的光路图,下列说法正确的是()A.此人看不清远处物体,是近视眼B.此人看不清近处物体,是近视眼C.此眼睛应配戴凸透镜加以矫正D.此眼睛应配戴凹透镜加以矫正43、现代天文望远镜力求把物镜的口径加大,以求观测到更暗的星体,把口径加大的目的是()A.会聚更多的光B.成像更明亮C.增大视角D.以上说法都不正确44、“①地球、②太阳系、③宇宙、④银河系”,按照天体的尺寸从大到小的顺序,正确排列的顺序是_______________(填写天体前的序号).45、把物体质量从小到大排序(填序号)_____________________①一位初三学生质量②一枚1元硬币质量③一个鸡蛋质量④一台手提电脑质量⑤一本物理书质量⑥一头大象质量.46、以下物体质量最接近2.5×107mg的是()A.一头火象B.一个小学生C.一只兔子D.一只蚂蚁47、小明利用天平测一块小石块的质量.(1)他将天平放在水平桌面上.当调节天平横梁平衡时,将游码移至横梁标尺左端零刻度线处,发现指针停在分度盘的右侧,他应将平衡螺母向_________________(选填“左”或“右”)移动,使天平平衡.(2)他测量小石块质量时的情形如图所示,其中违反操作规定的是____________________.(3)图中小石块的实际质量是_______________g.48、密封在钢瓶中的氧气,使用一段时间后,瓶内氧气的质量、体积、密度的变化说法正确的是()A.质量减小,体积减小,密度减小B.质量减小,体积减小,密度变大C.质量不变,体积不变,密度不变D.质量减小,体积不变,密度变小49、50、51、一块石碑,长50cm,宽20cm,高3m,质量为0.75吨,其密度是()A.2.5×106kg/m3B.2.5×103g/cm3C.2.5×10-3g/cm3D.2.5g/cm352、浙江大学高分子系高超教授的课题组,探索出无模板冷冻干燥法,即在低温和真空条件下,制备出了一种叫“全碳气凝胶”的固体材料.如图所示,一块8cm3的“全碳气凝胶”甚至可以静止地被花蕊支起,说明该材料的__________很小.一块体积为100cm3的“全碳气凝胶”的质量只有0.016g,则它的密度为________kg/m3.53、把一质量为56g的石块,放在盛有40ml水的量筒中,水面上升到如图的位置,(g取“10N/kg“)求:(1)石块的重力.(2)石块的体积.(3)石块的密度.(4)石块所受到的浮力.54、晴天,位同学了,下面四种利用风向引导他们走出的说法,正确的是()A.吸热,温度升高较慢,空气温度低、密度大,地面空气从流向外界,应顺风走B.土地吸热,温度升高较快,空气温度高、密度小,地面空气从外界流向,应顺风走C.吸热,温度升高较慢,空气温度低、密度大,地面空气从流向外界,应迎风走D.土地吸热,温度升高较快,空气温度高、密度小,地面空气从外界流向,应迎风走.55、甲乙两块矿石的质量相等,甲的体积是乙的2倍,若将甲切去一半,将乙切去三分之二,则剩余矿石的质量之比是_______-;密度之比是___________.56、建筑物内遭遇火灾时,受困人员应采取弯腰甚至匍匐的姿势撤离火场,这样能够有效避免吸入有害气体或被灼伤.这是因为与房间其他空气相比较,含有毒有害物质的气体()A.温度较低,密度较大,而大量集聚在房间的下方B.温度较低,密度较小,而大量集聚在房间的下方C.温度较高,密度较大,而大量集聚在房间的上方D.温度较高,密度较小,而大量集聚在房间的上方57、为了使竖直放置的正方形玻璃管内的水按图中方向流动,采取冷却的方法,温度降低的位置是()A.a处B.b处C.c处D.d处答案:1、分析:秒表的中间的表盘代表分钟,周围的大表盘代表秒,秒表读数是两个表盘的示数之和解答:解:两个图中秒针指示的位置相同,关键是看小盘的分针指示的位置,图1中,分针指示在3.5min以后,因此秒针是48s,即读数是3min48s;图2中,分针指示在3min到3.5min之间,因此秒针是18s,即读数是3min18s.故答案为:3min48s;3min18s.2、解答:解:A、人眼睛迅速眨一下,约为0.6秒,不符合题意;B、人正常呼吸一次,大约用时3s左右,不符合题意;C、人体心脏一分钟跳动60-100次,因此跳动一次大约需要1s左右,符合题意;D、人的步行速度约为1m/s,因此行走5m所需的时间约5s,不符合题意.故选C.3、分析:本题考查对刻度尺分度值和物体热胀冷缩特性的了解以及对实验效果扩大法的运用.由于钢尺的热胀冷缩的变化量很小,所以用两把钢尺互相测量,结果发现两把钢尺的长度几乎没有差异;为了能够读出数据则需要将其微小变化进行放大(如本题所示),然后才能观察其变化量的大小.解答:解:由于刻度尺的分度值过大,对于物体因热胀冷缩出现的微小变化无法测量,通过本题的实验改造进而将微小的变化扩大,便于观察读数.所以本题的答案为:(1)两把钢尺长度变化太小,简单的测量工具无法测量出微小的变化.(其他答案合理亦可)(2)指针示数变化(答指针偏转角度亦可);放大(3)物体在温度变化时,物体的长度变化是否与材料(物体的自身长度、温度的变化大小等)有关?(其他合理答案亦可)4、A分析:由速度公式的变形公式求出物体的路程,然后求出总路程与总时间,最后由平均速度求出整个路程的平均速度.解答:解:设总时间是2t,则前一半与后一半时间都是t,∴物体的路程:s1=v1t,s2=v2t,总路程s=s1+s2=v1t+v2t,5、答案为:(1)静止;(2)大于;(3)12.分析:根据图象可知小车在OA段做匀速直线运动,在AB段处于静止状态,在BC段做匀速直线运动;根据速度公式可以计算出小车在在OA段、BC段和整个运动过程中的平均速度.解答:解:(1)分析图象可知小车在AB段用时为t2=3min=0.05h,但是路程为零,所以AB段小车处于静止状态;(2)小车在OA段运动通过的s1=2km,用时t1=6min=0.1h,OA段的速度;小车在BC段通过的s3=1km,t3=6min=0.1h,BC段的速度=10km/h,所以小车在OA段运动的速度大于BC段运动的速度;(3)由图可知小车在整个运动过程中的路程s=2km+1km=3km,用时s=15min=0.25h,整个运动过程中的平均速度是=12km/h.6、解答:解:由图示可知,小球从A到D的运动时间是t=0.1s×3=0.3s,小球的路程s=30cm=0.3m,小球的平均速度v=1m/s;故答案为:0.3 ;1.7、解答:解:由题知,测出的总路程s准确,测出物体的运动时间t比实际值偏大,∴测量出的物体的平均速度比实际偏小.故选C.8、分析:声音能靠任何气体、液体、固体物质作媒介传播出去,这些作为传播媒介的物质称为介质,声音的传播需要介质,且V固>V液>V空气.解答:解:声音在空气中传导慢且衰减快,声音在固体和液体传播速度在比空气中快,因此脚步声应先经过大地再经过水传到鱼的听觉器官.故选C.9、答:反坦克炮与坦克的距离为510m;炮弹飞行的速度为850m/s.解答:解:(1)炮弹爆炸发出声音传到反坦克炮的时间:t=2.1s-0.6s=1.5s,∴反坦克炮与坦克的距离:s=vt=340m/s×1.5s=510m;10、解答:解:A、鼓乐声是鼓面的振动而产生的,不合题意.B、鼓乐声是鼓面的振动而产生的,鼓面振动引起鼓外空气振动再将振动传至人耳,不是由鼓内空气振动产生的.符合题意.C、鼓乐声通过空气传入人耳,不合题意.D、人耳具有双耳效应,剧场的混响时间不同,感觉鼓声的气势磅礴.不合题意.故选B.11、距离12、解:(1)音调高是指声带振动的快,声音的频率高,导致发出声音的音调较高;(2)高歌是指声音的振幅大,响度大;(3)女声的声带振动快,音调高,女高音就是这个原理;(4)说话声音的振幅大,声音响度就大;故选B14、解答:答:因为声音是由物体振动产生的,人在高声喊叫的同时,也引起了周围空气的振动,振动通过空气传递给了积雪层,往往会引起积雪层的振动,声可以传递能量,高喊可能由于声传递的能量造成雪崩,带来人员伤亡和设备的损失.16、解答:解:A、声音具有能量,该选项说法正确,不符合题意;B、声波定向发射器的喇叭状外观可以减少声音分散,增大响度,该选项说法正确,不符合题意;C、护航官兵佩戴耳罩是为了在人耳处减弱噪声,该选项说法正确,不符合题意;D、强声设备发出的声波高达150dB,是人耳能够听到的,而次声波人耳是听不到的,该选项说法不正确,符合题意.故选D.解答:解:A、声音具有能量,该选项说法正确,不符合题意;B、声音在15℃空气中传播的速度是340m/s,该选项说法正确,不符合题意;C、分贝是声音响度的单位,该选项说法不正确,符合题意;D、戴耳罩是为了在人耳处减弱噪声,该选项说法不正确,符合题意.故选C.17、故答案为:b温度计与烧杯底接触(测量的是烧杯底的温度);44.18、答案为:37.7℃;38.419、分析:物体由固态变为液态的过程叫熔化,熔化要吸热;物体由液态变为固态的过程叫凝固,凝固要放热;物体由液态变为气态的过程叫汽化,汽化要吸热;物体由气态变为液态的过程叫液化,液化要放热;物体直接由固态变为气态的过程叫升华,升华要吸热;物体直接由气态变为固态的过程叫凝华,凝华要放热.解答:解:(1)白气是空气中的水蒸气液化形成的小水珠,是液化现象.(2)湿衣服干了,是由液态的水变为水蒸气,是汽化现象,汽化要吸热;(3)霜是由空气中的水蒸气凝华形成的,凝华要放热;(4)用久的灯泡灯丝变细了,是钨由固态直接变为气态,是升华现象,升华要吸热;(5)钢水浇铸成火车轮,是钢水由液态变为固态,是凝固现象,凝固要放热;(6)吃棒冰解热是冰棒由固态变为液态的水,是熔化现象,熔化要吸热;(7)游泳以后从水中出来,水会蒸发吸热,感觉特别冷,属于汽化现象;(8)冬天,玻璃窗上结的霜:是空气中的水蒸气凝华形成的冰晶;(9)雾的形成:水蒸气液化形成的水滴;(10)雾凇的形成:水蒸气凝华形成的冰晶.(11)夏天,冰棍周围冒“白气”(液化)(12)早晨,草木上的水水滴(液化)(13)冬天,玻璃窗上的冰花(凝华)(14)高温加热碘,碘的体积变小(升华)(15)衣箱中的樟脑丸渐渐变小(升华)(16)夏天,水缸外层“出汗”(液化)(17)冬天,室外冰冻的衣服也会干(升华)(18)洒在地上的水不久干了(汽化)(19)屋顶的瓦上结了一层霜(凝华)(20)水结成冰(凝固)(21)北方冬天的树挂(凝华)(22)寒冷的冬天,堆的雪人变小了(升华)(23)南方雪灾中见到的雾淞(凝华)(24)雪灾中电线杆结起了冰柱(凝固)20、分析:(1)晶体的熔点跟晶体的种类、是否有杂质、压强等有关.(2)晶体中有杂质可以降低晶体的熔点.解答:解:为了使积雪很快熔化,常在路面积雪上喷洒盐水,是增加杂质,降低冰的熔点.增加盐,不能使冰雪的温度升高.故选A.21、解答:解:“倒春寒”天气空气的温度比较低,会使地面、墙壁受冷温度降低;暖湿气流会使空气中的水蒸气含量增大,水蒸气遇到比较冷的地面、墙壁就会液化成小水珠.故答案为:较低;较高;液化.22、分析:由图可知扫射到的圆弧对应的圆心角为110°,而圆周角为360°,所以至少得4个监控器才可以.解答:解;∵图中监控器扫射范围对应的圆周角为55°∴它对应的圆心角为110°要想监控到每一个角度,监控范围所对应的圆心角之和得大于或等于360°所以至少得4个监控器.23、凸面镜对光有发散作用,使光的照射范围大24、分析:平面镜成像的特点:像物等大,像物等距,像与物的连线和镜面垂直;前窗玻璃倾斜,车内物体通过它成像在车的前上方,这样就将车内乘客的像与路上行人分离开来,不会扰乱司机的视线.解答:解:除大型客车外,绝大多数汽车的前窗都是倾斜的.当汽车的前窗玻璃倾斜时,从车后方入射的水平光会被前窗玻璃内表面反射向(下),车内乘客经玻璃反射成的像在车的(前上方),而路上的行人是不可能出现在上方的空中的,这样就将车内乘客的(像)与路上行人分离开来,司机就不会出现错觉.大型客车较大,前窗离地面要比小汽车(高)得多,即使前窗竖直装,(像)是与窗同高的,而路上的行人不可能出现在这个高度,所以司机也不会将乘客在窗外的像与路上的行人相混淆.25、解:①立竿见影,这个影是影子,是由于光的直线传播形成的;②镜花水月,这里的花和月都是平面镜成像形成的,平面镜成像利用的是光的反射;③坐井观天,所见甚小,这是由于光是由直线传播的,只能看到头顶的一片天;④海市蜃楼是光在不均匀的空气中传播时发生折射形成的;⑤凿壁偷光,是利用光的直线传播;⑥水中捞月,水中的月亮是平面镜成像,利用了光的反射;⑦夕阳如血,是因为夕阳发出的光在不均匀的大气层中发生折射形成的;⑧猪八戒照镜子,这是平面镜成像,利用的原理是光的反射.故答案为:④⑦.26、分析:光在同种均匀介质中是沿直线传播的,大气层上疏下密,当光线斜射到大气层时,类同于从空气斜射进入水中,折射光线不断偏折.由于介质的疏密不断变化,折射光线会连续偏折,在日常生活中形成了很多奇观,如海市蜃楼、沙漠蜃景等.解答:解:星光绝大部分是宇宙中的恒星发射出来的光,恒星的发光是持续不断的,星光传播到地球表面前,除了要通过浩瀚的宇宙真空区域,还要穿过包围着地球的大气层,星光从真空进入大气层时,要产生反射和折射,我们在地面所看到的星光是经过大气层折射后的那部分光.当星光穿过不同密度的空气层时也要发生折射,一般说来,空气相对于地面不是静止的,总是在流动,随着空气的流动,在观察者注视的区域内,空气的密度会时大时小,因此穿过该区域的星光被折射,会有所不同,于是,折射光线就会不停的颤动、摇摆.故选D.27、答案:28、解答:解:当繁星发出或反射的光线穿过大气层时,由于大气层的运动,疏密不断变化,大气层对星光折射的折射光线的方向也在不断变化,所以星光时明时暗的闪烁.即星星闪烁不定是:光通过不均匀的大气层发生折射的缘故.看到的“星星”是折射而成的虚像.故答案为:光的折射;虚.29、答案:B 分析:当将筷子插入水中时,由于光的折射现象,从上面看起来水中的部分会比实际位置高一些,所以就会看起来向上弯折.解答:解:水中的物体反射的光线斜射到水面,折射光线远离法线偏折,在水面以上看到的物体的像在折射光线的反向延长线上,即A点的像在A′点,如图所示:所以把一根筷子斜插入盛水的玻璃杯里,由于光的折射,看上去筷子好像在水面上折断了,水内的部分看上去向上弯折.另外,盛水的玻璃杯相当于凸透镜,筷子在这个凸透镜的焦点以内,成正立放大的虚像.所以水中的筷子既向上弯折又变粗了.故选B.。
八年级物理上册错题归纳(包括答案)(3)1标准大气压下水的沸点为100℃,98℃低于100℃,所以当时气压低于标准大气压;(4)根据表格中数据描点,并用平滑的曲线连接起来,如图所示:(5)由表格中数据知,水在沸腾过程中吸热温度保持不变;还可知水的沸点为98℃;(6)由于水沸腾的条件是:达到沸点且不断吸热,所以水沸腾后如果停止对水加热,水不能继续沸腾.故答案为:(1)给烧杯加盖子;适当减少水量(或适当提高水的初温或换用火焰更大的酒精灯);②乙;(3)98;小于;(4)见上图;(5)水沸腾过程中不断吸热,但温度保持不变;(6)不能;不断吸热且温度达到水的沸点.2、3、标准大气压下,在盛水的大烧杯内放着盛有80摄氏度热水的大试管,当对大烧杯里的水加热时试管里的水很快就会烧开,若继续加热,试管了的水将会()A.升到100摄氏度而沸腾B..升到100摄氏度不能沸腾C.试管内水温保持80摄氏度不变D.无法确定选择B.因为烧杯内的水最高就为100,当试管内的水与烧杯内达到同一温度后,试管将无法从烧杯吸热,而沸腾过程需要吸收大量的热,所以只会达到100度,4、知,沸水在自然冷却过程中温度随时间变化的特点是:________________________________.(1)22 (2)温度较高时,温度随时间下降较快,当温度接近室温时,温度下降越来越慢(合理即可)5、冬天,在东北地区汽车司机常用水和酒精的混合液作为发动机的冷却液,这是因为这种混合液具有A.较低的沸点B.较低的凝固点C.蒸发性能强D.较易流动答案B解析:冬天,东北地区夜间气温很低,汽车水箱中的冷却液很容易凝固,因此需选用凝固点较低的液体作冷却液,水的凝固点是0℃,而酒精的凝固点是-117℃,所以把它们混合后就得到凝固点较低的液体.6、把装碎冰块的试管插入装碎冰块的烧杯中,用酒精灯加热烧杯,当烧杯中的冰块大部分熔化时,试管中的冰块A.也大部分熔化B.全部熔化C.刚开始熔化D.不熔化答案D晶体熔化的条件是(1)温度达到熔点;(2)能够继续从外界吸收热量.小试管中的冰块温度可以上升到熔点0℃,但达到熔点0℃时,它周围环境温度为冰水混合物,即为0℃,它从外界吸收不到热量,因此不熔化.7、下表是小明同学在做“探究海波和蜂蜡熔化时温度的变化规律”实验时所记录的实验数据,实验装置如图1所示,请回答下列问题:时间/min 0 1 2 3 4 5 6 7 8 9 10 11 海波的温度/℃ 40 42 44 46 48 48 48 48 48 48 50 53 蜂蜡的温度/℃ 40 41 42 44 46 47 48 49 51 52 54 56(1)实验时,将装有海波和蜂蜡的试管放人盛有水的烧杯中加热,试管在水中的深度要适当.其“适当”的含义是:①______;②______.(2)利用图示装置给试管内的海波和蜂蜡加热,这样做不但能使试管受热均匀,而且物体的温度上升速度较______(选填“快”或“慢”),便于及时记录各个时刻的温度.(3)从表中数据分析得出,______是晶体,其凝固点为______℃.(4)为减小误差,实验过程中试管中的固体颗粒大一点好还是小一点好?______.(5)海波在熔化过程中温度变化特点是______.(6)在探究过程中,小丽发现蜂蜡凝固过程中温度计示数变化不太显著,请指出造成此现象的一种可能原因:______.(7)如图2中,能正确描述蜂蜡凝固过程中温度变化情况的是______.(1)为了能使试管中的晶体均匀受热,需要将试管中装有晶体的部分全部浸没在水中,但试管不能接触烧杯底部.(2)将装有海波和蜂蜡的试管放入水中加热,这是水浴法,采用水浴法,海波和蜂蜡受热比较均匀,并且温度变化比较慢,便于记录实验温度.(3)由表中实验数据可知,海波不断吸热,开始温度不断升高,后来温度保持在48℃不变,经过一段时间后,温度再升高,由此可见海波有固定的熔点,因此海波是晶体,它的熔点是48℃.(4)固体颗粒越小,受热越充分,熔化的就越快,因此固体颗粒小一点好.(5)由表中实验数据可知,海波在熔化过程中不断吸热,但温度保持不变.(6)∵Q吸=cm△t,∴由△t=Q吸cm可知,当Q吸和比热c一定时,水升高的温度△t和水的质量m成反比,因此当烧杯中水的质量m越大时,温度计的示数变化就不太显著.(7)蜂蜡是非晶体,没有固定的凝固点,蜂蜡凝固时,不断放出热量,温度不断降低,由图2所示图象可知,图象C符合蜂蜡凝固的特点.故答案为:(1)试管不接触烧杯底;试管中装有晶体的部分完全浸没在水中;(2)慢;(3)海波;48;(4)小一点好;(5)不断吸收热量,温度保持不变;(6)烧杯中水太多;(7)C.8、超音速飞机的飞行速度常用马赫数表示马赫数指的是声速的倍数某超音速飞机的马赫数为 2.6,那么它的飞行速度为多少km/h?从北京到上海至少要用多少时间?(已知空气中的声速为340m/s,北京到上海距离为1400km)1马赫=340m/s,也等于340m/s×3600=1224km/h.北京到上海1400km,不考虑飞机起降时间等因数,飞行时间约1400÷(1224×2.6)≈0.44小时.9、下表列出了几种物质在一个标准大气压下的熔点和沸点,根据表中数据回答:若要测量萘的熔点,温度计的玻璃泡里应量固态甲苯的温度,温度计的玻璃泡里应测量标准大气压下沸水的温度,温度计的玻璃泡里不能选做测温物质。
八年级物理上册全册全套试卷易错题(Word版含答案)一、初二物理声现象实验易错压轴题(难)1.在观看交响乐队演奏的过程中,小华发现同属于管乐器的圆号、小号、长号、大号发出声音的高低各不相同,他决定对此进行研究.经过和同学们讨论,提出了以下猜想:猜想一:管乐器发出声音的音调高低,可能与管内空气柱的长度有关猜想二:管乐器发出声音的音调高低,可能与管内空气柱的横截面积(粗细)有关小明找来了两个未使用过的一次性注射器制成了一些哨子(如下图所示).注射器的规格分别为2.5ml和5ml.他一边吹哨子一边调整注射器内空气柱的长度,同时利用专用仪器测出声音的频率和响度,详见下表(表中“ml”表示毫升,“cm”表示厘米)(1)选用序号为A、B、C的三次实验做对比,可以得出:在空气柱的______相同时,管内空气柱越短,音调越______.(2)选用序号为______的两次实验做对比,可以得出:在空气柱的______相同时,管内空气柱横截面积越大,音调越______.(3)序号为C、D的两次实验中,响度大的是______(选填“C”或“D”).【答案】横截面积(或粗细)高 A、D(或B、E或C、F)长度低 D【解析】【分析】【详解】要研究音调的高低和什么因素有关,需用控制变量法.(1)选用序号为A、B、C的三次实验做对比,可以得出:在空气柱的横截面积(或粗细)相同时,管内空气柱越短,单位时间内振动的次数越多,频率越快,音调越高.(2)琴弦发出声音的音调高低,可能与琴弦的横截面积有关,需控制琴弦的长短和琴弦的材料不变,所以要选择A、D(或B、E或C、F).由此可得,在空气柱的长度相同时,管内空气柱横截面积越大,音调越低;(3)序号为C、D的两次实验中,D实验时的声音强度为75分贝,大于C实验时的声音强度.2.吉他演奏会上,小组同学发现琴弦发出声音的音调高低是受各种因素影响的,经过讨论,他们提出以下猜想.猜想1:琴弦发出声音的音调高低,可能与琴弦的横截面积有关猜想2:琴弦发出声音的音调高低,可能与琴弦的长短有关猜想3:琴弦发出声音的音调高低,可能与琴弦的材料有关.为了验证上述猜想是否正确,同学们找到如下表所列的6种规格的琴弦,以及专门测量声音频率的仪器.(1)为了验证猜想1:应选用编号为_____、_____的琴弦进行实验.(2)为了验证猜想2:应选用编号为_____、_____的琴弦进行实验.(3)为了验证猜想3,请在表中填入所缺数据_________.【答案】A B C E 100 1.1【解析】【分析】【详解】控制变量法就是控制其它的因素不变,研究物理量与该因素的关系;(1)当研究琴弦发出声音的音调高低可能与琴弦的横截面积有关时,应控制材料和长度相同,所以应选A、B;(2)当研究琴弦发出声音的音调高低可能与琴弦的长短有关时,应控制材料和横截面积相同,所以应选C、E选项;(3)如果验证猜想三:琴弦发出声音的音调高低,可能与琴弦的材料有关,应控制长度和横截面积相同,故表格应该填入与尼龙和钢的数据相同,即100、1.1.因此,本题正确答案是:(1)A、B;(2)C、E;((3)100;1.1.【点睛】猜想琴弦发出声音的音调高低,可能与琴弦的横截面积、琴弦的长短、琴弦的材料有关,在探究过程中,应用控制变量法.3.观察如图所示实验,请按要求回答:图甲:该装置能探究声音是由___________产生的,还能探究声音的__________和__________的关系.图乙:敲响右边的音叉,左边完全相同的音叉也会发声,说明声音可以在________中传播;左边竖直悬挂的乒乓球跳了起来,可以说明声音能传递_______.【答案】物体的振动响度振幅空气能量【解析】【详解】图甲:装置演示的是,当音叉发声时,小球会被弹开,所以能探究声音是由振动产生的;当音叉响度越大,即振幅越大时,小球被弹开的幅度越大,所以还能探究声音的响度和振幅的关系.图乙:敲响右边的音叉,左边完全相同的音叉也会发声,因为两音叉并没有接触,中间隔着空气,说明声音可以在空气中传播;左边竖直悬挂的乒乓球跳了起来,是声波传递的能量对乒乓球做了功,可以说明声音能传递能量.4.为了探究声音产生和传播的条件,有人建议利用以下几个实验现象.如图所示.A.使正在发声的音叉接触水面,水面溅起水花.B.借肋于仪器观察不同乐器发出声音的图象不同.C.放在钟罩内的闹钟正在响铃,把钟罩内的空气抽出一些后,铃声明显减小.D.用一张硬纸片先后在木梳的齿上划过,一次快些,一次慢些,听声音的变化.(1)你认为,能说明声音产生和传播条件的两个实验现象是________.(选填字母)(2)其他现象虽然不能说明声音和传播产生的条件,但是分别说明了什么问题?①________(选填字母)说明________.②________(选填字母)说明________.【答案】A、C B 不同乐器发出声音的音色不同 D 两次划动纸片发出的声音音调不同【解析】解:A、使正在发声的音叉接触水面,水面溅起水花,能够说明声音产生的条件是物体的振动;B、借肋于仪器观察不同乐器发出声音的图象不同,说明不同发声体的音色不同;C、放在玻璃钟罩内的闹钟正在发声,把玻璃罩内的空气逐渐向外抽时,听到的声音逐渐减弱,是因为真空不能传声.由此可知,声音的传播需要介质;D、拿一张硬纸片,让它在木梳齿上划过,一次快些,一次慢些,第一次木梳齿的振动频率比第二次快,所以第一次比第二次听到的声音高,说明音调高低和发声体的振动频率有关.(1)能说明声音产生和传播条件的两个实验现象是A和C;(2)其他现象虽然不能说明声音和传播产生的条件,但是分别说明了①B说明不同乐器发出声音的音色不同;②D说明了两次划动纸片发出的声音音调不同.故答案为(1)A、C;(2)①B;不同乐器发出声音的音色不同;②D;两次划动纸片发出的声音音调不同.【点评】解决此类问题要结合声音产生和传播条件、声音的特征等知识进行解答.5.在学习吉他演奏的过程中,小明发现琴弦发出声音的音调高低受各种因素影响,经过与同学们讨论,提出了以下猜想:猜想1:琴弦发出声音的音调高低,可能与琴弦的横截面积有关;猜想2:琴弦发出声音的音调高低,可能与琴弦的长短有关.为了验证上述猜想是否正确,他们找到下表列出的几种规格的琴弦进行实验.则:(1)为验证猜想1,应选编号为_________和_________的琴弦进行探究.(2)为验证猜想2,应选编号为_________和_________的琴弦进行探究.(3)随着实验的进行,小丽又觉得琴弦音调的高低还可能与琴弦的松紧程度有关,为了验证这一猜想,请写出你的操作过程:________________________.【答案】A B C E 选择一根琴弦,调节弦的松紧程度不同,用相同的力拨动它,听它发出声音的音调高低【解析】由于影响琴弦发出声音的音调高低的因素不唯一,所以当采用控制变量法.(1)为了验证猜想1,即探究琴弦发出声音的音调高低与琴弦的横截面积的关系时,应控制琴弦的长度和材料不变,所以,可选择长度和材料都相同,而横截面积不同的琴弦A、B 进行研究;(2)为验证猜想2,即探究琴弦发出声音的音调高低与琴弦的长短的关系时,应选择横截面积和材料都相同,而长度不同的琴弦C、E进行研究;(3)探究琴弦音调的高低还与琴弦的松紧程度有关,控制琴弦的长度、横截面积、材料都不变,改变两者的松紧,比较音调的高低.二、初二物理光现象实验易错压轴题(难)6.宁宁对有关光学实验进行了回顾和思考:(1)如图甲所示把一个小平面镜竖直立在白纸上,在白纸上画出一条垂直于镜面的法线ON,用激光笔沿着白纸表面让光斜射到平面镜上,观察反射光.①让光沿着白纸的表面照射,这样做的目的是________.②让光沿AO方向照射在平面镜的O点,a图能观察到反射光OB,而b图却看不到反射光OB,这说明________.(2)如图乙所示是“探究平面镜成像特点”的实验装置:①宁宁将用玻璃板来代替平面镜,这样做的目的是为了确定________,取两只相同蜡烛的目的是为了能比较像与物的________.②实验过程中,如果在平面上无论怎样移动蜡烛B,都无法与蜡烛A的像完全重合,原因可能是________.③排除了上述情况的干扰后,他继续进行实验,在玻璃板前点燃蜡烛A,拿未点燃的蜡烛B 在玻璃板后面移动,人眼一直在玻璃板的前侧观察,直至蜡烛B蜡烛A的像完全重合,这种确定像与物大小关系的方法是________(选填“控制变量法”或“等效替代法”).④移去蜡烛B,在其原来位置上放置一块光屏,光屏上________(选填“能”或“不能”)呈现蜡烛的像.⑤蜡烛A放在玻璃板前40cm处,现以5cm/s的水平速度向玻璃板匀速靠近,则经过2s后蜡烛A与像的距离为________ cm,像的大小将________(选填“变大”、“不变”或“变小”);若将玻璃板放置成与水平面成45°角,将会观察到蜡烛A运动的方向与像运动的方向互相________.【答案】显示出光的路径入射光线、反射光线、法线三者不在同一平面内像的位置大小玻璃板没有竖直放置等效替代法不能 60 不变垂直【解析】【分析】(1)①白色物体能够反射所有色光,黑色物体吸收所有色光;②在光的反射中,反射光线、法线、入射光线三线在同一平面上,是通过光屏展现在眼前的;(2)①研究平面镜成像特点时,确定像的位置是关键,像的位置用蜡烛B与蜡烛A的像重合来确定,实验中既能看到物体A的像,又能看到蜡烛B,要采用透明的玻璃板,研究物像的大小采用的是等效替代法,把蜡烛A像的大小用蜡烛B来代替;②玻璃板没有竖直放置时,像会偏上或偏下,使玻璃板后面的蜡烛和玻璃板前面蜡烛的像不能完全重合;③等效替代法是在保证某种效果相同的前提下,将实际的、复杂的物理问题和物理过程转化为等效的、简单的、易于研究的物理问题和物理过程来研究和处理的方法,等效替代法是物理中常用的探索问题和分析解决问题的科学方法之一;④虚像光屏接收不到,实像光屏能接收到;⑤利用svt=计算出2s蜡烛A移动的距离,求出其距离平面镜的距离,利用像与物到镜面距离相等计算经过2s后蜡烛A与像的距离;由平面镜成像特点知像、物连线与镜面垂直,且它们到镜面的距离相等,作图解答.【详解】(1)①为了更好的观察到反射光线和入射光线,实验中采用了白色硬纸板,光线在白色纸板上的轨迹就容易观察到了,也方便观察反射角和入射角的大小;②让光沿AO方向照射在平面镜的O点,a图能观察到反射光OB,而b图却看不到反射光OB,这说明反射光线、法线、入射光线不在同一平面内;(2)①为了确定像的位置,让蜡烛A的像和蜡烛B重合,既能观察到A蜡烛像的同时,也能观察到B蜡烛,实验中要使用透明的玻璃板;选用大小相同的两个蜡烛,是为了用蜡烛B 代替蜡烛A的像,来比较物、像的大小;②玻璃板竖直放在水平桌面上,像在水平桌面上,玻璃板没有竖直放置时,像会偏上或偏下,所以如果无论怎样移动蜡烛都无法与像重合,则原因是玻璃板没有竖直放置;③在玻璃板前点燃蜡烛A,拿未点燃的蜡烛B在玻璃板后面移动,人眼一直在玻璃板的前侧观察,直至蜡烛B与蜡烛A的像完全重合,这种确定像与物大小关系的方法是等效替代法;④光屏能接收到实像,但接收不到虚像,因为平面镜成的是虚像,所以移去蜡烛B,在蜡烛B的原来位置上放一光屏,光屏上不能承接到蜡烛A的像;⑤根据svt=可得2s蜡烛A移动的距离5cm/s2s10cms vt==⨯=,蜡烛A此时距离平面镜的距离为40cm−10cm=30cm,则像到平面镜的距离也为30cm,所以,经过2s后蜡烛A与像的距离为30cm+30cm=60cm;平面镜成像的特点是物像等大,故蜡烛向靠近镜面的方向移动,像的大小不变;若将玻璃板放置成与水平面成45°角,由平面镜成像特点知像、物连线与镜面垂直,且它们到镜面的距离相等,当蜡烛A沿桌面由A位置运动到B位置时,分别作出蜡烛在两个位置所成的像,将会观察到蜡烛运动的方向与像运动的方向互相垂直,如图所示:7.小强同学为了探究平面镜成像特点,准备如下器材:各种长度的蜡烛若干、平面境一块、玻璃板一块、白纸一张(如图甲所示)。
1.图中冰棍冒出的“白气”是怎么形成的?“白气”是向上飘还是向下飘?为什么?夏天空气中有大量的水蒸气,水蒸气遇到冷的冰棍液化形成小水滴,即“白气”,因为白气是小水滴,密度大于空气密度,所以冰棍冒出的“白气”是向下运动的.故答案为:①水蒸气遇到冷的冰棍液化形成小水滴,即“白气”;②下;③白气是小水滴,密度大于空气密度,所以冰棍冒出的“白气”是向下运动的2.欣赏如图所示的漫画,回答后面的问题:(1)小朋友误认为冒烟的冰棒就像冒着“白气”的开水一样很烫,故不要“冒烟”的,其实这种看法是错误的。
请解释冰棒为什么会“冒烟”。
(2)小明友要结霜的,冰柜中为什么会出现霜呢?请运用学过的物理知识进行解释。
答:物理问题:一个小孩说“冒烟”的热,不要,我要冷柜里结霜的.”这种说法是错误的.因为,从冷柜里拿出的冷冻品,例如冰糕,其温度很低,与其表面接触的空气中的水蒸气,遇冷,液化成微小水滴,呈现雾状,就是上面所说的“冒烟”的.因此,看来,“冒烟”的并不热,是一种物态变化——液化现象。
1,空气中的水蒸气遇到冷的冰棍,温度降低而液化成小水珠。
冰箱中水蒸气,在温度降得非常低的情况下直接凝华成霜 .3.小明同学身高1.80m,家里装修时要在墙上安装一个竖直的平面镜,为了能从平面镜中看到自己的全身像,平面镜的最小长度应为( c )A.30cmB.60cmC.90cmD.120cm4.小张将一瓶矿泉水在冰箱中放较长时间后取出,一会儿发现瓶外壁出现小水珠。
用干毛巾擦净,等一会儿又出现小水珠。
于是他与小吴一起对此现象进行研究,但观点不一致。
小张认为这是矿泉水瓶内的水往外渗透后,附着在矿泉水瓶外壁上;而小吴则认为是空气中的水蒸气液化成小水珠附着在矿泉水瓶外壁上。
请你设计一个实验证明他俩的结论是否正确。
答:解:1.室温下,取一瓶与研究对象相同的矿泉水,称量质量m1; 2.将矿泉水拧紧瓶盖,放入冰箱较长时间,取出放室内一段时间,待矿泉水完全恢复至室温后将矿泉水外壁完全擦干,称量质量m2; 3.比较m1、m2的大小,如果m1>m2,则小张是正确的;如果m1=m2,则小吴是正确的.5.如图所示的模型照相机,纸筒A的一端蒙上一层半透明纸,纸筒B的一端嵌了一个凸透镜,两纸筒套在一起组成了一个模型照相机。
八年级(上)物理经典易错题1、如图1所示秒表的读数是_______________分s;;;;如图2所示秒表的读数是___________分.2、下列过程中,经历的时间差不多为1秒的是()A.人的眼睛眨一下的时间B.人呼吸一次的时间C.人的心脏跳动一次的时间D.人行走5米路程所需的时间3、小明了解到用刻度尺测物体长度时会有一些因素引起测量误差,其中刻度尺的温度变化也是引起误差的原因之一,他想通过实验研究刻度尺长度随温度变化的情况.(1)小明找来两把完全相同,长为20cm的钢尺,一把放在冰箱充分冷冻,一把放在阳光下长时间曝晒,再将两把钢尺互相测量,结果发现两把钢尺的长度几乎没有差异,请写出造成这种结果的原因(写出一条即可):___________________________________.(2)他重新设计了如图所示的装置研究物体长度随温度变化的情况.装置中AB是粗细均匀的铜棒,COD是可绕O点转动的指针,实验时,A端固定不动,指针C 端紧靠在铜棒B端,当用酒精灯给AB加热时,小明可以通过观察___________________________分析金属棒受热时长度的变化.装置中指针设计成CO段比OD段短,这对实验现象起到了______________________________作用.(3)请你根据小明的实验提出一个值得探究的问题.问题:_____________________________________________________.4、一辆小车做变速直线运动,它在前一半时间的速度为v1,后一半时间的速度为v2则这辆小车在整个路程中的平均速度为()A.v1+v2 2 B.v1•v2 v1+v2C.2v1•v2 v1+v2D.v1+v2 v1•v25、墨墨测出了小车做直线运动时的路程和时间,并依据数据做出了相应的路程与时间图象,如图所示.(1)小车在AB段处于_____________________(选填“运动”或“静止”)状态.(2)小车在OA段运动的速度________________(选填“大于”、“小于”或“等于”)BC段运动的速度.(3)小车在整个运动过程中的平均速度是___________km/h.6、一个小球从斜面滚下,用照相机每隔0.1s拍摄一次,记录小球运动情况的照片如右图所示.则小球从A点运动到D点用时______s,平均速度为_______m/s.7、在测物体平均速度的实验中,如果测出物体的运动时间比实际值偏大,则测量出的物体的平均速度()A.跟实际值相同B.比实际值偏大C.比实际值偏小D.不能确定8、正要咬饵上钩的鱼,突然听到脚步声受惊逃走,这时鱼接收到声波的主要途径是()A.大地─空气─水─鱼B.空气─水一鱼C.大地─水─鱼D.水─鱼9、一门反坦克炮瞄准一辆坦克,开炮后经过0.6s看到炮弹在坦克上爆炸,经过2.1s听到爆炸声.若当时的速度是340m/s,问:反坦克炮距坦克多远?炮弹运行速度多大?10、2012年春节联欢晚会上,山西绛州鼓乐团表演的《鼓韵龙腾》气势磅礴.下面有关说法中错误的是()A.鼓乐声主要是由鼓面振动产生的B.鼓乐声主要是由鼓内空气振动产生的C.鼓乐声是经过空气传到现场观众耳朵的D.由于设计师对剧场的混响时间的合理设计,才会使现场观众感觉鼓声的气势磅礴11、声音的响度跟距声源的_______有关12、下列4个句子:(1)这首歌调太高;(2)引吭高歌;(3)她是唱高音的;(4)请勿高声喧哗,其中“高”字指响度大的是()A.(1)(3)B.(2)(4)C.(1)(2)D.(3)(4)14、登山队员在攀登雪山时不许高声叫喊.只能借助手势互通消息.你知道这是为什么吗?16、2013年4月16日,中国海事第一舰“海巡01”轮在海上展开拉练,未来将被派往南海、钓鱼岛等海域执行任务,如图所示,“海巡01”轮配备有强声设备,可遥控定向远距离发射高达150分贝的警示音、语音等声波,主要用于对付海盗等人员.根据以上信息,下列说法中错误的是()A.声波具有能量B.声波定向发射器的喇叭状外观可以减少声音分散,增大响度C.护航官兵佩戴耳罩是为了在人耳处减弱噪声D.强声设备发出的声波是次声波A.声波具有能量B.声音在15℃空气中传播的速度是340m/sC.“150分贝”是指所产生声音的音调D.护航官兵佩戴耳罩是为了在人耳处减弱噪声17、如图所示,放置在盛有水的烧杯中的两支温度计a、b,加热时,b温度计的示数始终比a温度计的示数高,其原因是______________________.停止加热时,a温度计的示数如图所示,则a温度计的示数是_____________℃.18、有两支体温计的示数都是37.7℃,用这两支没有甩过的体温计分别给两个病人测体温,如果病人的实际体温分别是37℃和38.4℃,则这两支体温计的示数分别是_________℃和_________________19、说出下列现象所属的物态(1)烧开水时冒的“白气”(2)夏天湿衣服晾干(3)冬天早晨看到草上的霜(4)用久了的灯泡钨丝比新时细(5)钢水浇铸成火车轮(6)吃冰棒解热(7)游泳以后从水中出来,感觉特别冷(8)冬天,玻璃窗上结的霜(9)雾的形成:(10)雾凇的形成:(11)夏天,冰棍周围冒“白气”()(12)早晨,草木上的水水滴()(13)冬天,玻璃窗上的冰花()(14)高温加热碘,碘的体积变小()(15)衣箱中的樟脑丸渐渐变小()(16)夏天,水缸外层“出汗”()(17)冬天,室外冰冻的衣服也会干()(18)洒在地上的水不久干了()(19)屋顶的瓦上结了一层霜()(20)水结成冰()(21)北方冬天的树挂()(22)寒冷的冬天,堆的雪人变小了()(23)南方雪灾中见到的雾淞()(24)雪灾中电线杆结起了冰柱()20、雪天路面有积雪,为了使积雪很快熔化,常在路面积雪上喷洒盐水,这是因为()A.盐水使冰雪的熔点降低B.洒上盐水后,使冰雪变成冰水混合物,温度为0℃而使冰雪熔化C.盐水使冰雪的温度升高到0℃而熔化D.盐水使冰雪的熔点升高21、今年4月20日,江城出现了罕见的“返潮”现象,地面、墙壁全是湿的.专家解释:这是因为前几天我市遭遇“倒春寒”天气,地面、墙壁等处的温度________,但近日起,西南暖湿气流来到我市上空,空气中水蒸气的含量________,极易发生_______现象,使近地面的物体冒“冷汗”.22、汽车上用凸面镜做后视镜,是因为()A.大所成的像放大的正立的虚像B.为了看清后面的物体,且扩大视野C.为了看清后面的物体,且缩小大视野D.成的像是缩小的倒立的虚像22、如图在圆形大厅的顶部四周安装了若干个监控器,每个监控器监控的角度是55°,则至少要安装____个监控器才能监控到整个大厅.23、办公大厅顶部采用凸面镜设计是因为__________________________________________.24、小组成员发现:除了大型客车外,绝大多数汽车的前窗都是倾斜的.这是为什么?答:这是因为当汽车的前窗玻璃倾斜时,从车后方入射的水平光会被前窗玻璃内表面反射向________,就不会反射到司机的眼睛里;车内乘客经玻璃反射成的像在车前窗的_______,这样就将车内乘客的_______与路上行人分离开来,司机就不会出现错觉.大型客车较大,前窗离地面要比小汽车高,即使前窗竖直装,______是与窗同高的,而路上的行人不可能出现在这个高度,所以司机也不会将乘客在窗外的像与路上的行人混淆.25、下列词句中属于光的折射现象的是____________ (选填数字号码)①立竿见影;②镜花水月;③坐井观天;④海市蜃楼;⑤凿壁偷光;⑥水中捞月;⑦夕阳如血;⑧猪八戒照镜子,里外不是人.26、夜晚,人们常看到星星在夜空中闪烁,这是因为星星发出的光()A.是断断续续的结果B.被其他星体不断遮挡的结果C.被密度均匀的大气层反射的结果D.被密度不稳定的大气层折射的结果27、星光灿烂,仰望天空,会看到繁星在夜空中闪烁,好象顽皮孩子在眨眼,这是因为:_______________________________28、在星光灿烂的夜晚,仰望天空,会看到繁星在夜空中闪烁,好像顽皮的孩子在不时地眨着眼睛,造成这种现象的原因是________,看到的“星星”是_______像.29、把一根筷子斜插入盛水的玻璃杯里,从正面看过去的情形和图中哪个图相符().B.C.D.30、(1)如图所示,发光点S发出一条射向水中的光线,在水面发生反射和折射后,反射光线经过P点.请在图中作出入射光线、反射光线及大致方向的折射光线.(2)画出图中凹透镜的折射光线的方向.、图中的两架敌机,一架是实际飞机,一架是小明从潜水艇上观察到的该飞机的像,请你用光的作图法确定哪架是实际飞机.33、如图所示,一玻璃砖内有一凸形气泡,一束平行光垂直射向玻璃砖的侧面,通过玻璃砖后,光线将会()A.仍然平行B.会聚C.发散D.无法确定34、请在玻璃砖内恰有一个圆形的气泡,请画出图中光线穿过它的光路图.35、水中有一气泡,一束光从水中射入气泡内,请作出光射入气泡及射出后的光路图.36、投影仪上方的平面镜的作用是_________________37、一凸透镜焦距在10cm与15cm之间,当物体距凸透镜的距离为25cm时,所成的像一定是()A.放大的B.缩小的C.正立的D.倒立的38、一个同学探究了凸透镜成像规律的实验,得出了下面的结论,你认为正确的是()A.实像总是倒立的,虚像总是正立的B.实像和虚像都可能是放大的或缩小的C.成实像时,物体离凸透镜越远像越大D.成虚像时,物体离凸透镜越近像越大39、人眼是一个高度精密的光学系统,下列围绕人眼的讨论,错误的是()A.视网膜相当于光屏B.物体在视网膜上成的像的像距大于2倍焦距C.晶状体相当于一个凸透镜D.外界物体在视网膜上成的像是倒立的40、近视眼的睫状体无法放松,调节功能弱,对吗?41、报纸上放有小明的近视眼镜、爸爸的老花镜、奶奶度数更深的老花镜及妈妈的平光眼镜,如图,则奶奶的老花镜为图中的()A.B.C.D.42、所示,为光线经过某人眼球的光路图,下列说法正确的是()A.此人看不清远处物体,是近视眼B.此人看不清近处物体,是近视眼C.此眼睛应配戴凸透镜加以矫正D.此眼睛应配戴凹透镜加以矫正43、现代天文望远镜力求把物镜的口径加大,以求观测到更暗的星体,把口径加大的目的是()A.会聚更多的光B.成像更明亮C.增大视角D.以上说法都不正确44、“①地球、②太阳系、③宇宙、④银河系”,按照天体的尺寸从大到小的顺序,正确排列的顺序是_______________(填写天体前的序号).45、把物体质量从小到大排序(填序号)_____________________①一位初三学生质量②一枚1元硬币质量③一个鸡蛋质量④一台手提电脑质量⑤一本物理书质量⑥一头大象质量.46、以下物体质量最接近2.5×107mg的是()A.一头火象B.一个小学生C.一只兔子D.一只蚂蚁47、小明利用天平测一块小石块的质量.(1)他将天平放在水平桌面上.当调节天平横梁平衡时,将游码移至横梁标尺左端零刻度线处,发现指针停在分度盘的右侧,他应将平衡螺母向_________________(选填“左”或“右”)移动,使天平平衡.(2)他测量小石块质量时的情形如图所示,其中违反操作规定的是____________________.(3)图中小石块的实际质量是_______________g.48、密封在钢瓶中的氧气,使用一段时间后,瓶内氧气的质量、体积、密度的变化说法正确的是()A.质量减小,体积减小,密度减小B.质量减小,体积减小,密度变大C.质量不变,体积不变,密度不变D.质量减小,体积不变,密度变小49、50、51、一块石碑,长50cm,宽20cm,高3m,质量为0.75吨,其密度是()A.2.5×106kg/m3B.2.5×103g/cm3C.2.5×10-3g/cm3D.2.5g/cm352、浙江大学高分子系高超教授的课题组,探索出无模板冷冻干燥法,即在低温和真空条件下,制备出了一种叫“全碳气凝胶”的固体材料.如图所示,一块8cm3的“全碳气凝胶”甚至可以静止地被花蕊支起,说明该材料的__________很小.一块体积为100cm3的“全碳气凝胶”的质量只有0.016g,则它的密度为________kg/m3.53、把一质量为56g的石块,放在盛有40ml水的量筒中,水面上升到如图的位置,(g取“10N/kg“)求:(1)石块的重力.(2)石块的体积.(3)石块的密度.(4)石块所受到的浮力.54、晴天,位同学了,下面四种利用风向引导他们走出的说法,正确的是()A.吸热,温度升高较慢,空气温度低、密度大,地面空气从流向外界,应顺风走B.土地吸热,温度升高较快,空气温度高、密度小,地面空气从外界流向,应顺风走C.吸热,温度升高较慢,空气温度低、密度大,地面空气从流向外界,应迎风走D.土地吸热,温度升高较快,空气温度高、密度小,地面空气从外界流向,应迎风走.55、甲乙两块矿石的质量相等,甲的体积是乙的2倍,若将甲切去一半,将乙切去三分之二,则剩余矿石的质量之比是_______-;密度之比是___________.56、建筑物内遭遇火灾时,受困人员应采取弯腰甚至匍匐的姿势撤离火场,这样能够有效避免吸入有害气体或被灼伤.这是因为与房间其他空气相比较,含有毒有害物质的气体()A.温度较低,密度较大,而大量集聚在房间的下方B.温度较低,密度较小,而大量集聚在房间的下方C.温度较高,密度较大,而大量集聚在房间的上方D.温度较高,密度较小,而大量集聚在房间的上方57、为了使竖直放置的正方形玻璃管内的水按图中方向流动,采取冷却的方法,温度降低的位置是()A.a处B.b处C.c处D.d处答案:1、分析:秒表的中间的表盘代表分钟,周围的大表盘代表秒,秒表读数是两个表盘的示数之和解答:解:两个图中秒针指示的位置相同,关键是看小盘的分针指示的位置,图1中,分针指示在3.5min以后,因此秒针是48s,即读数是3min48s;图2中,分针指示在3min到3.5min之间,因此秒针是18s,即读数是3min18s.故答案为:3min48s;3min18s.2、解答:解:A、人眼睛迅速眨一下,约为0.6秒,不符合题意;B、人正常呼吸一次,大约用时3s左右,不符合题意;C、人体心脏一分钟跳动60-100次,因此跳动一次大约需要1s左右,符合题意;D、人的步行速度约为1m/s,因此行走5m所需的时间约5s,不符合题意.故选C.3、分析:本题考查对刻度尺分度值和物体热胀冷缩特性的了解以及对实验效果扩大法的运用.由于钢尺的热胀冷缩的变化量很小,所以用两把钢尺互相测量,结果发现两把钢尺的长度几乎没有差异;为了能够读出数据则需要将其微小变化进行放大(如本题所示),然后才能观察其变化量的大小.解答:解:由于刻度尺的分度值过大,对于物体因热胀冷缩出现的微小变化无法测量,通过本题的实验改造进而将微小的变化扩大,便于观察读数.所以本题的答案为:(1)两把钢尺长度变化太小,简单的测量工具无法测量出微小的变化.(其他答案合理亦可)(2)指针示数变化(答指针偏转角度亦可);放大(3)物体在温度变化时,物体的长度变化是否与材料(物体的自身长度、温度的变化大小等)有关?(其他合理答案亦可)4、A分析:由速度公式的变形公式求出物体的路程,然后求出总路程与总时间,最后由平均速度求出整个路程的平均速度.解答:解:设总时间是2t,则前一半与后一半时间都是t,∴物体的路程:s1=v1t,s2=v2t,总路程s=s1+s2=v1t+v2t,5、答案为:(1)静止;(2)大于;(3)12.分析:根据图象可知小车在OA段做匀速直线运动,在AB段处于静止状态,在BC段做匀速直线运动;根据速度公式可以计算出小车在在OA段、BC段和整个运动过程中的平均速度.解答:解:(1)分析图象可知小车在AB段用时为t2=3min=0.05h,但是路程为零,所以AB段小车处于静止状态;(2)小车在OA段运动通过的s1=2km,用时t1=6min=0.1h,OA段的速度;小车在BC段通过的s3=1km,t3=6min=0.1h,BC段的速度=10km/h,所以小车在OA段运动的速度大于BC段运动的速度;(3)由图可知小车在整个运动过程中的路程s=2km+1km=3km,用时s=15min=0.25h,整个运动过程中的平均速度是=12km/h.6、解答:解:由图示可知,小球从A到D的运动时间是t=0.1s×3=0.3s,小球的路程s=30cm=0.3m,小球的平均速度v=1m/s;故答案为:0.3 ;1.7、解答:解:由题知,测出的总路程s准确,测出物体的运动时间t比实际值偏大,∴测量出的物体的平均速度比实际偏小.故选C.8、分析:声音能靠任何气体、液体、固体物质作媒介传播出去,这些作为传播媒介的物质称为介质,声音的传播需要介质,且V固>V液>V空气.解答:解:声音在空气中传导慢且衰减快,声音在固体和液体传播速度在比空气中快,因此脚步声应先经过大地再经过水传到鱼的听觉器官.故选C.9、答:反坦克炮与坦克的距离为510m;炮弹飞行的速度为850m/s.解答:解:(1)炮弹爆炸发出声音传到反坦克炮的时间:t=2.1s-0.6s=1.5s,∴反坦克炮与坦克的距离:s=vt=340m/s×1.5s=510m;10、解答:解:A、鼓乐声是鼓面的振动而产生的,不合题意.B、鼓乐声是鼓面的振动而产生的,鼓面振动引起鼓外空气振动再将振动传至人耳,不是由鼓内空气振动产生的.符合题意.C、鼓乐声通过空气传入人耳,不合题意.D、人耳具有双耳效应,剧场的混响时间不同,感觉鼓声的气势磅礴.不合题意.故选B.11、距离12、解:(1)音调高是指声带振动的快,声音的频率高,导致发出声音的音调较高;(2)高歌是指声音的振幅大,响度大;(3)女声的声带振动快,音调高,女高音就是这个原理;(4)说话声音的振幅大,声音响度就大;故选B14、解答:答:因为声音是由物体振动产生的,人在高声喊叫的同时,也引起了周围空气的振动,振动通过空气传递给了积雪层,往往会引起积雪层的振动,声可以传递能量,高喊可能由于声传递的能量造成雪崩,带来人员伤亡和设备的损失.16、解答:解:A、声音具有能量,该选项说法正确,不符合题意;B、声波定向发射器的喇叭状外观可以减少声音分散,增大响度,该选项说法正确,不符合题意;C、护航官兵佩戴耳罩是为了在人耳处减弱噪声,该选项说法正确,不符合题意;D、强声设备发出的声波高达150dB,是人耳能够听到的,而次声波人耳是听不到的,该选项说法不正确,符合题意.故选D.解答:解:A、声音具有能量,该选项说法正确,不符合题意;B、声音在15℃空气中传播的速度是340m/s,该选项说法正确,不符合题意;C、分贝是声音响度的单位,该选项说法不正确,符合题意;D、戴耳罩是为了在人耳处减弱噪声,该选项说法不正确,符合题意.故选C.17、故答案为:b温度计与烧杯底接触(测量的是烧杯底的温度);44.18、答案为:37.7℃;38.419、分析:物体由固态变为液态的过程叫熔化,熔化要吸热;物体由液态变为固态的过程叫凝固,凝固要放热;物体由液态变为气态的过程叫汽化,汽化要吸热;物体由气态变为液态的过程叫液化,液化要放热;物体直接由固态变为气态的过程叫升华,升华要吸热;物体直接由气态变为固态的过程叫凝华,凝华要放热.解答:解:(1)白气是空气中的水蒸气液化形成的小水珠,是液化现象.(2)湿衣服干了,是由液态的水变为水蒸气,是汽化现象,汽化要吸热;(3)霜是由空气中的水蒸气凝华形成的,凝华要放热;(4)用久的灯泡灯丝变细了,是钨由固态直接变为气态,是升华现象,升华要吸热;(5)钢水浇铸成火车轮,是钢水由液态变为固态,是凝固现象,凝固要放热;(6)吃棒冰解热是冰棒由固态变为液态的水,是熔化现象,熔化要吸热;(7)游泳以后从水中出来,水会蒸发吸热,感觉特别冷,属于汽化现象;(8)冬天,玻璃窗上结的霜:是空气中的水蒸气凝华形成的冰晶;(9)雾的形成:水蒸气液化形成的水滴;(10)雾凇的形成:水蒸气凝华形成的冰晶.(11)夏天,冰棍周围冒“白气”(液化)(12)早晨,草木上的水水滴(液化)(13)冬天,玻璃窗上的冰花(凝华)(14)高温加热碘,碘的体积变小(升华)(15)衣箱中的樟脑丸渐渐变小(升华)(16)夏天,水缸外层“出汗”(液化)(17)冬天,室外冰冻的衣服也会干(升华)(18)洒在地上的水不久干了(汽化)(19)屋顶的瓦上结了一层霜(凝华)(20)水结成冰(凝固)(21)北方冬天的树挂(凝华)(22)寒冷的冬天,堆的雪人变小了(升华)(23)南方雪灾中见到的雾淞(凝华)(24)雪灾中电线杆结起了冰柱(凝固)20、分析:(1)晶体的熔点跟晶体的种类、是否有杂质、压强等有关.(2)晶体中有杂质可以降低晶体的熔点.解答:解:为了使积雪很快熔化,常在路面积雪上喷洒盐水,是增加杂质,降低冰的熔点.增加盐,不能使冰雪的温度升高.故选A.21、解答:解:“倒春寒”天气空气的温度比较低,会使地面、墙壁受冷温度降低;暖湿气流会使空气中的水蒸气含量增大,水蒸气遇到比较冷的地面、墙壁就会液化成小水珠.故答案为:较低;较高;液化.22、分析:由图可知扫射到的圆弧对应的圆心角为110°,而圆周角为360°,所以至少得4个监控器才可以.解答:解;∵图中监控器扫射范围对应的圆周角为55°∴它对应的圆心角为110°要想监控到每一个角度,监控范围所对应的圆心角之和得大于或等于360°所以至少得4个监控器.23、凸面镜对光有发散作用,使光的照射范围大24、分析:平面镜成像的特点:像物等大,像物等距,像与物的连线和镜面垂直;前窗玻璃倾斜,车内物体通过它成像在车的前上方,这样就将车内乘客的像与路上行人分离开来,不会扰乱司机的视线.解答:解:除大型客车外,绝大多数汽车的前窗都是倾斜的.当汽车的前窗玻璃倾斜时,从车后方入射的水平光会被前窗玻璃内表面反射向(下),车内乘客经玻璃反射成的像在车的(前上方),而路上的行人是不可能出现在上方的空中的,这样就将车内乘客的(像)与路上行人分离开来,司机就不会出现错觉.大型客车较大,前窗离地面要比小汽车(高)得多,即使前窗竖直装,(像)是与窗同高的,而路上的行人不可能出现在这个高度,所以司机也不会将乘客在窗外的像与路上的行人相混淆.25、解:①立竿见影,这个影是影子,是由于光的直线传播形成的;②镜花水月,这里的花和月都是平面镜成像形成的,平面镜成像利用的是光的反射;③坐井观天,所见甚小,这是由于光是由直线传播的,只能看到头顶的一片天;④海市蜃楼是光在不均匀的空气中传播时发生折射形成的;⑤凿壁偷光,是利用光的直线传播;⑥水中捞月,水中的月亮是平面镜成像,利用了光的反射;⑦夕阳如血,是因为夕阳发出的光在不均匀的大气层中发生折射形成的;⑧猪八戒照镜子,这是平面镜成像,利用的原理是光的反射.故答案为:④⑦.26、分析:光在同种均匀介质中是沿直线传播的,大气层上疏下密,当光线斜射到大气层时,类同于从空气斜射进入水中,折射光线不断偏折.由于介质的疏密不断变化,折射光线会连续偏折,在日常生活中形成了很多奇观,如海市蜃楼、沙漠蜃景等.解答:解:星光绝大部分是宇宙中的恒星发射出来的光,恒星的发光是持续不断的,星光传播到地球表面前,除了要通过浩瀚的宇宙真空区域,还要穿过包围着地球的大气层,星光从真空进入大气层时,要产生反射和折射,我们在地面所看到的星光是经过大气层折射后的那部分光.当星光穿过不同密度的空气层时也要发生折射,一般说来,空气相对于地面不是静止的,总是在流动,随着空气的流动,在观察者注视的区域内,空气的密度会时大时小,因此穿过该区域的星光被折射,会有所不同,于是,折射光线就会不停的颤动、摇摆.故选D.27、答案:28、解答:解:当繁星发出或反射的光线穿过大气层时,由于大气层的运动,疏密不断变化,大气层对星光折射的折射光线的方向也在不断变化,所以星光时明时暗的闪烁.即星星闪烁不定是:光通过不均匀的大气层发生折射的缘故.看到的“星星”是折射而成的虚像.故答案为:光的折射;虚.29、答案:B 分析:当将筷子插入水中时,由于光的折射现象,从上面看起来水中的部分会比实际位置高一些,所以就会看起来向上弯折.解答:解:水中的物体反射的光线斜射到水面,折射光线远离法线偏折,在水面以上看到的物体的像在折射光线的反向延长线上,即A点的像在A′点,如图所示:所以把一根筷子斜插入盛水的玻璃杯里,由于光的折射,看上去筷子好像在水面上折断了,水内的部分看上去向上弯折.另外,盛水的玻璃杯相当于凸透镜,筷子在这个凸透镜的焦点以内,成正立放大的虚像.所以水中的筷子既向上弯折又变粗了.故选B.30、解答:解:(1)根据平面镜成像的规律:像与物关于镜面对称,作出点光源S在关于水面的对称点S′,即像点.连接S′P,与水面的交点O即为入射点,连接SO即为入射光线;连接OP即为反射光线;过入射点O做水面的垂线即为法线,根据确定的入射光线和法线可以确定入射角,利用光的折射规律:折射光线和入射光线分居法线两侧,折射角小于入射角.可以做出对应的折射光线OA.答案如下图所示:(2)入射光线平行于主光轴,经过凹透镜折射后,折射光线的反向延长线过焦点;入射光线过光心,经过凹透镜折射后,传播方向不变;。