水平角方向观测法记录表
- 格式:doc
- 大小:178.00 KB
- 文档页数:5
方向观测法水平角观测手簿方向观测法水平角观测实验课总结一、目的:把握方向观测法水平角观测的方式二、仪器和工具:三脚架一个、经纬仪一个、花杆3根、记录表假设干三、步骤:一、确信测站点和三个花杆的位置,并记测站点为O,三个花杆别离记为A、B、C。
二、在测站点O处安置经纬仪,并把仪器按对中、整平的步骤进行调整。
3、仪器置于左盘位置。
选定目标A作为零方向。
对准目标A,将水平度盘调到略大于0,进行读数。
4、时针方向转动照准器,依次对准目标B、C、A,进行水平度盘读数。
五、为右盘位置,按逆时针方向依次对准A、C、B、A,并别离读取水平度盘读数,六、重复3、4、5三个步骤。
7、计算。
四、总结:从距离测量到水准测量再到这次的角度测量。
学习的程度在提高,实验的操作也变得再也不简单,这就更需要咱们在课堂上认真的听讲,在外面静下心来耐心的操作。
这次的角度测量并非是很顺利,就因为咱们在转动照准器时忽略了水平制动螺旋的调整,以至于弄了几回以后才取得准确的数据。
这已经很明显的说明了要弄好测量这一块,对仪器操作的熟练程度是很重要的,再确实是计算,计算是需要耐心和细心,稍不留意就能够犯错。
因此整个进程都是不得马虎的。
方向观测法水平角观测手簿方向观测法水平角观测实验报告一、目的:把握方向观测法水平角观测的方式二、仪器和工具:三脚架一个、经纬仪一个、标杆3根、记录表假设干三、步骤:一、对中二、整平3、从粗略对准到精准对准后读数4、重复4测出所需数据五、检测数据是不是在误差之内四、总结:通过这节课的学习让我熟悉到做什么情形都应该细心。
水平角观测的方法水平角观测方法一般根据观测的精度要求和目标的数目来定。
常用的测角方法有测回法和方向观测法。
(一)测回法测回法适用于观测只有两个方向之间的水平角,如图2-18所示,经纬仪安置在测站点O上,对中整平后按下述步骤进行水平角观测:图2-18 测回法水平角观测(1)经纬仪置于盘左位置。
所谓盘左(或称正镜),即观测者面对望远镜目镜,竖直度盘在望远镜的左侧。
(2)精确瞄准起始目标A并配置度盘。
配置度盘的目的是为了减小度盘刻划误差的影响并且也方便计算。
各测回之间起始目标的读数间隔应在180º/n (n为测回数)。
装有度盘变换手轮的经纬仪和装有复测卡的经纬仪配置度盘时有所不同,各自配置度盘方法如下:Ⅰ. 装有度盘变换手轮的经纬仪,使用这种仪器时,应先瞄准目标,后配置度盘。
其方法是:先盘左瞄准起始目标(如图2-18中的目标A),打开手轮护盖(有的仪器是按下手轮盖),转动手轮,直至读数窗看到所需读数,然后关好手轮护盖(或弹回手轮盖)Ⅱ. 装有复测器的经纬仪,使用这种仪器时,应先配置度盘,后瞄准目标。
其方法是:转动测微手轮,调节好测微尺上的分、秒读数,松开照准部制动螺旋,转动仪器直至在读数窗看到所需读数位于双指标线附近,制动照准部,调节照准部微动螺旋使双指标线精确对准所需读数。
扳下复测卡,然后再转动仪器(这时读数窗中的读数不会变化),精确瞄准起始目标,扳上复测卡。
但是应当注意,在转动度盘变换手轮和使用复测卡时往往会使经纬仪发生微小变动。
因此在读数前应仔细检查是否发生了变动,如存在则以实际为准。
=0º01′12″,完成上述工作后,观测员即可读取目标A的盘左水平度盘读数A左每次读数后记录员须回报确认无误后将该读数记入手簿。
见表2-1 (3)松开照准部制动螺旋,顺时针旋转照准部,照准目标B,读取水平度盘读数B左=60º20′24″,记入观测手簿。
以上观测过程称为上半个测回,其观测角值β左=B左-A左= 60º19′12″。
水平角方向观测法记录表日期: _____ 年 ___ 月 ___ 日天气: _____ 仪器型号: __________ 组号: ________ 观测者: _______________ 记录者: _______________ 立测杆者: _____________________水平角方向观测法记录表日期: _____ 年 ___ 月 ___ 日天气: _____ 仪器型号: __________ 组号: ________ 观测者: _______________ 记录者: _______________ 立测杆者: _____________________竖直角观测记录表日期:仪器型号:观测者:时间:天气:记录者:竖直角观测记录表日期:仪器型号:观测者:时间:天气:记录者:竖直角观测记录表日期:仪器型号:观测者:时间:天气:记录者:点号转折角°′″改正数°′″改正角°′″坐标方位角°′″距离m增量计算值改正后增量坐标值点号∆x/m∆y/m∆x/m∆y/m x/m y/m1234=2+35678910111213AB1234CD辅助计算点号转折角°′″改正数°′″改正角°′″坐标方位角°′″距离m增量计算值改正后增量坐标值点号∆x/m∆y/m∆x/m∆y/m x/m y/m1234=2+35678910111213AB1234CD辅助计算(注:本资料素材和资料部分来自网络,仅供参考。
请预览后才下载,期待你的好评与关注!)。
方向观测法记录表数据答案
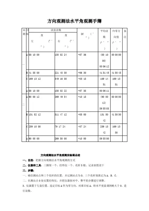
2C=盘左读数-(盘右读数±180°)
即:6列=第4列读数-(第5列读数±180°)
盘左读数大于180°时取“+”号,盘左读数小于180°时取“-“号。
计算一个测回各方向的正倒镜平均读数:=[盘左读数+(盘右读数±180°)]/2
即:第7列=[第4列读数-(第5列读数±180°) ]/2
式中加减号取法同前。
第8列,一测回归零方向值=第7列首尾两个A方向读数的平均值,填入第8
将各目标方向值的平均读数减去起始方向值的平均读数(括号内的数),即得各方向的归零方向值。
第9列,各测回归零方向平均值=第8列两个计算值的平均值
当测回数为两个或两个以上时,不同测回的同一方向归零后的方向值应相等,但由于误差的原因导致各测回之间有一定的差数,如该差数在限差(DJ6定为24”)之内,可取其平均值作为该方向的最后方向值,填入表第9列第10列,水平角值=后一目标的平均归零方向值减去前一目标的平均归零方向。
二、方向观测法方向观测法,也称为全圆观测法,通常用于一个测站上照准目标多于三个的观测。
如图3-10所示,设O为测站点,A、O、C、D为目标点,在此情况下通常采用方向观测法。
1.方向观测法的观测方法(1)安经纬仪于站点O上,对中、整平后使仪器处于水平。
①照准起始方向(又称零方向)A,将水平度盘配置为所需读数,精确照准后读取水平度盘的读数(如00°12'42")。
②松开水平制动螺旋,按顺时针旋转照准部,照准目标b,读取水平度盘的读数(如60°18'42");③同样依次观测目标C、D,并读取照准各目标时的水平度盘读数(如116°40'18"、185°17'30");④继续顺时针转动望远镜,最后再观测零方向A,并读取水平度盘的读数(如00°02'30"),此照准A称之为归零。
此次零方向的水平度盘读数与第一次照准零方向的水平度盘读数之差称为归零差,若归零差满足要求(DJ6限定为18"),即完成了上半测回的观测。
(2)纵转望远镜使仪器处于盘右状态,再按逆时针方向依次照准目标A、D、C、B、A,称为下半测回。
同上半测回一样,照准各目标时,分别读取水平度盘的读数并记入记录手簿。
下半测回也存在归零差,若归零差满足要求,下半测回也告结束。
上、下半测回合称一个测回。
2 方向观测法的角值计算方向观测法的计算步骤:(1)计算两倍照准误差2c值:2c值=盘左读数—(盘右读数±180°)盘左读数大于180°时取“+”号,盘左读数小于180°时取“-”号。
(2)计算各目标的方向值的平均读数照准某一目标时,水平度盘的读数,称为该目标的方向值。
方向值平均读数=[盘左读数+(盘右读数±180°)]/2 (式中加减号取法同前)。
水平角方向观测法记录表
日期: _____ 年 ___ 月 ___ 日天气: _____ 仪器型号: __________ 组号: ________ 观测者: _______________ 记录者: _______________ 立测杆者: _____________________
水平角方向观测法记录表
日期: _____ 年 ___ 月 ___ 日天气: _____ 仪器型号: __________ 组号: ________ 观测者: _______________ 记录者: _______________ 立测杆者: _____________________
竖直角观测记录表
日期:仪器型号:观测者:时间:天气:记录者:
竖直角观测记录表
日期:仪器型号:观测者:时间:天气:记录者:
竖直角观测记录表
日期:仪器型号:观测者:时间:天气:记录者:
点号转折角
°′″
改正数
°′″
改正角
°′″
坐标
方位角
°′″
距离
m
增量计算值改正后增量坐标值
点
号
∆x/m∆y/m∆x/m∆y/m x/m y/m
1234=2+35678910111213
A
B
1
2
3
4
C
D
辅
助
计
算
点号转折角
°′″
改正数
°′″
改正角
°′″
坐标
方位角
°′″
距离
m
增量计算值改正后增量坐标值
点
号
∆x/m∆y/m∆x/m∆y/m x/m y/m
1234=2+35678910111213
A
B
1
2
3
4
C
D
辅
助
计
算
注:合同范本有风险,使用需谨慎,法律是经验性极强的领域,范本无法思考和涵盖全面,最好找专业律师起草或审核后使用,谢谢您的关注!。