北京奥体中心安装工程施工组织及调试方案
- 格式:docx
- 大小:66.81 KB
- 文档页数:12
奥林匹克体育馆装修施工组织设计一、项目概况二、施工队伍组织设计1.总包方:负责整个装修施工的实施,包括施工计划的编制、材料采购、施工人员的组织和管理等。
2.分包方:按照总包方指定的计划和要求进行分包施工,负责具体的装修工程,如室内装修、设备安装等。
3.施工人员:包括技术工人和普通工人两类,技术工人负责各项装修工作的指导和控制,普通工人负责具体的施工操作。
三、施工流程和计划1.前期准备:包括制定施工计划、工程资源准备、材料采购和施工人员组织等。
预计用时2个月。
2.地基施工:包括地基处理、地面铺设等。
预计用时1个月。
3.结构施工:包括主场馆和训练场馆的建造、设备安装等。
预计用时4个月。
4.室内装修:包括墙面、地板、天花板等的装修工作。
预计用时2个月。
5.环境设备安装:包括照明、通风、空调等设备的安装调试。
预计用时1个月。
6.功能设备安装:包括座椅、大屏幕、音响等设备的安装调试。
预计用时1个月。
7.室外环境建设:包括园林绿化、场地铺设等。
预计用时1个月。
8.收尾工作:包括清理、检查、验收等。
预计用时1个月。
四、资源管理1.人员管理:严格按照施工计划组织施工人员,设立施工小组,明确各自的职责和工作内容。
2.材料管理:统一采购施工所需的材料,确保质量和数量的准确。
设立材料仓库,做好库存管理和出入库记录。
3.设备管理:统一管理和调配施工所需的设备,包括施工工具和机械设备等。
严格按照操作规范使用和保管设备。
4.时间管理:制定详细的施工计划,明确各项工作的顺序和时间节点,及时跟进施工进度,确保项目按时完成。
五、质量控制1.施工工艺:采用先进的工艺和施工方法,确保工程质量和安全。
2.材料质量:选择优质的材料,严格按照规定的标准和要求进行施工。
3.技术检验:设置技术检查点,对施工过程中的关键点进行检测和验收,确保施工质量符合规定要求。
4.现场管理:设立现场负责人,负责现场的管理和协调工作,及时解决施工中出现的问题。
第十二章垂直运输机械1、塔吊机械选择现场使用要求1.1.1 建筑物因素本工程在东、西看台处砼构造最大高度达42m,东、西两侧建筑最大跨度达70 m多。
1.1.2 起吊重量要求本工程框筒部位采用钢木大模,最大重量达,塔吊不管如何布置,楼层上部每块钢木大模必须都能起吊。
1.2 塔吊选用原那么与塔吊布置1.2.1 选用与布置原那么(1)塔吊爬高吊重,必须满足要求。
(2)塔吊性能必须良好,高利用率、低故障,必须选择技术成熟产品。
(3)针对实际塔吊布置必须避开支撑,又要尽量减短附墙间隔1.2.2 塔吊型号与布置经综合考虑本工程选用4台QT-125TM塔吊和4台QT-80TM塔吊,该系列吊车采用调压调速技术,从高速下降到慢速就位可连续变速,运行按加减速曲线进展,并可用操纵杆调控;提升机构装有排绳装置,完全排除乱绳的可能性。
张家港波坦公司125TM臂长L=63m,最小起吊量F min=1.5t,使用功率45KW。
地下根底及一、二层构造施工阶段配置汽车吊和翻斗车在现场内侧,以利材料转运和砼浇筑。
1.2.3 塔吊布置125TM塔吊设于体育中心外侧,塔吊中心与建筑物外墙间距为 3.0m,塔吊之间直线间距不大于126m。
1.2.4 塔吊根底设计与施工会同设计单位、支护单位、监理、业主等协商后,进展专题根底受力计算,并采用可靠受力保证措施后施行。
2、泵车的使用2.1 泵送才能的要求2 泵车压力要求本工程采用商品砼,砼供货厂家泵车装备必须满足现场泵送要求,每小时泵出量应大于30m3。
2. 泵管高压配置应齐全砼泵送应具备止回、气洗才能,故此商品砼厂家应配置逆止阀、气洗控制阀,从而确保砼正常施工。
3、机械使用与管理3.1 机械安装3 机械安装方案机械安装首先必须编制机械安装方案,并经严格的方案审批。
3 机械安装(1)必须持证上岗。
(2)必须履行详细的技术安装交底手续。
(3)配齐平安防护设施与器材。
3.2 严格检查验收未经严格检查、检测不得投入使用。
奥体体育场施工组织设计1引言奥体体育场是一座具有现代化设施和多功能性的综合性体育场馆。
在进行奥体体育场的施工工程时,一个合理的施工组织设计是非常关键的。
施工组织设计的目的是通过合理规划和安排施工流程,确保工程的顺利进行,同时最大程度地节省时间和资源。
本文将讨论奥体体育场施工组织设计的相关内容,并提出一些建议和方案。
工程概况奥体体育场的总建筑面积为XXX平方米,包括主体结构、围护结构、场地设施等。
工期预计为XX个月。
施工组织设计施工流程土方工程首先需要进行土方工程,即对场地进行开挖和填方。
为了保证施工进度,可以考虑分批进行开挖和填方工作,以提高效率。
地基处理地基处理是确保体育场稳定性的重要步骤。
根据地质勘测报告,确定地基处理方案,并按照设计要求进行地基处理工作。
主体结构施工主体结构施工是体育场建设的核心部分。
根据施工图纸和设计要求,合理划分施工区域,进行钢结构的安装和混凝土浇筑工作。
围护结构施工围护结构施工包括体育场外墙、屋顶和篮球场围栏等相关工程。
合理规划施工顺序,确保施工质量和进度。
堆场和设备安装在施工过程中,需要建立合理的堆场,用于存放施工材料和设备。
同时,还需要安装一些必要的设备,例如起重机等。
场地设施安装体育场设施包括看台、座椅、场地灯光等。
按照设计要求,合理安排安装顺序,确保施工质量和进度。
室内装饰和设备安装室内装饰和设备安装工作是提升体育场功能和美观性的重要环节。
按照设计要求,合理安排施工进度,并确保装饰材料和设备的质量。
人力资源组织为了保证施工工程的顺利进行,需要合理组织和调配人力资源。
在工程开始前,需要对各个施工岗位进行岗位职责和要求的说明,并确保施工人员的专业素质和技能。
此外,还需要合理安排工作班次和轮岗,以确保施工的连续性和高效性。
资源调配除了人力资源的调配外,还需要合理调配其他资源,例如施工材料、设备和机械等。
在工程开始前,需要做好材料清单和设备需求的计划,以确保材料和设备的供应能够满足工程的需要。
北京奥林匹克公园国家会议中心工程塔吊专项施工方案一、项目概况二、前期准备工作1.塔吊设备的选择:根据北京奥林匹克公园国家会议中心工程的实际情况,选择适当的塔吊设备。
考虑到工程的高度和复杂性,建议选择起重能力大、稳定性好的大型塔吊。
2.场地准备:确认塔吊设备的施工场地,并进行必要的场地准备工作,包括地面整平、确保场地通畅、安装场地安全警示标志等。
3.施工方案制定:根据工程的实际情况,制定塔吊专项施工方案。
明确起重位置、起重高度、起重路径等关键要素,并进行详细的安全技术交底。
三、塔吊安装工作1.塔吊安装前准备:在进行塔吊安装前,要进行相关的安全检查和保养工作。
确保所有安全装置完好,塔吊底座固定可靠。
2.塔吊组装:按照塔吊设备的组装图纸和操作规程进行组装。
组装完成后,进行各项测试和检验,确保塔吊设备的正常运行。
3.塔吊调试:根据塔吊设备的使用说明,进行调试工作。
确保塔吊各项功能正常,并能满足工程的需要。
四、塔吊使用安全管理1.操作人员培训:对塔吊操作人员进行必要的培训,使其熟悉塔吊设备的使用方法和安全操作规程。
同时,要加强对操作人员的安全意识培养。
2.施工现场安全管理:要建立严格的施工现场安全管理制度,对施工现场进行密切监管,确保施工现场的安全。
3.定期维护保养:定期对塔吊设备进行维护保养工作,包括润滑、清洁、更换磨损零部件等。
确保塔吊设备的正常使用寿命。
五、风险预防措施1.防止塔吊过载:在使用塔吊进行起重作业时,要严格控制起重物的重量,防止塔吊超负荷使用。
2.风险评估和控制:在每次使用塔吊进行起重作业前,要进行风险评估,确定作业的风险程度,并采取相应的控制措施。
3.通风管理:在高温夏季,要加强对施工人员的防暑工作,提供充足的水源和防暑设施。
4.紧急应急措施:制定完善的应急预案,进行演练,并配备相应的应急设备和救援人员,以应对突发情况。
六、总结通过对北京奥林匹克公园国家会议中心工程塔吊专项施工方案的详细介绍,我们可以看出,在进行塔吊起重作业时,必须严格遵守相关安全规定和操作程序。
体育场馆安装工程施工方案一、工程概述思绪纷飞,我想到的是这个体育场馆的宏伟蓝图。
它不仅是一个体育锻炼的场所,更是承载着无数运动员梦想的舞台。
我们这次的工程任务是安装施工,包括室内外设施、照明系统、音响系统等,确保场馆能够满足各类体育赛事的需求。
二、施工前准备1.技术准备:收集相关资料,了解场馆的设计图纸,掌握施工标准和技术要求。
2.人员准备:组织专业的施工队伍,明确各成员职责,进行技术培训。
3.物资准备:提前采购所需材料、设备,确保施工过程中物资充足。
三、施工流程1.基础设施安装进行地面平整,铺设防滑地面材料,保证运动场地安全舒适。
接着安装室内外照明系统,选用高品质灯具,确保照明效果。
同时进行音响系统的布线,选择合适的音响设备,满足场馆内各种活动需求。
2.主体结构安装钢结构部分,按照设计图纸进行安装,确保结构稳定。
室内装饰,包括墙面、地面、吊顶等,注重美观与实用性。
3.功能区安装比赛场地设施,如篮球架、足球门等,确保安装牢固,满足比赛需求。
观众席设施,包括座椅、安全通道等,保证观众舒适观影。
四、施工质量控制1.严格把控材料质量,选用符合国家标准的优质材料。
2.施工过程中,严格执行技术规范,确保施工质量。
3.定期对施工进度进行检查,发现问题及时整改,确保工程按时完成。
五、施工安全1.施工现场设置安全警示标志,提醒施工人员注意安全。
2.配备专业的安全员,负责现场安全监督,发现隐患及时处理。
3.对施工人员进行安全培训,提高安全意识,避免事故发生。
六、施工进度安排1.制定详细的施工计划,明确各阶段施工任务。
2.根据工程实际情况,调整施工进度,确保工程顺利进行。
3.加强沟通协调,确保各施工环节紧密衔接。
七、施工后期验收1.工程完成后,组织专业人员对场馆进行检查验收。
2.验收合格后,进行试运行,确保各项设施正常运行。
3.对验收中发现的问题,及时整改,确保场馆达到使用标准。
思绪回到现实,我看着手中的方案,心中充满信心。
目录第一章工程概况 (2)第一节编制说明 (2)第二节工程概况 (2)第二章调试准备 (3)第一节技术准备 (3)第二节调试人员准备 (4)第三节测量工具准备 (4)第三章调试工作 (5)第一节调试内容 (5)第二节调试要求 (5)第三节调试方法 (6)第四章调试组织机构 (10)第五章调试记录 (10)第一章工程概况第一节编制说明一、编制目的及依据1、编制目的:为确保顺利、安全、圆满地完成调试任务,用以指导和组织调试施工。
2、编制依据:施工图纸及有关技术资料和国家、相关行业、北京市颁布的现行有关技术标准、规范、规程和规定及本企业制定的有关技术规定.第二节工程概况一、系统概况设备安装工程包括采暖、卫生消防工程和通风空调工程。
1、采暖、卫生、消防工程采暖、卫生消防包括室内给水系统、室内污水系统、室内消火栓系统、及室内雨水系统。
奥体中心综合训练馆工程分为两部分,即跆拳道馆与摔跤馆。
其中跆拳道馆又分为跆拳道馆大厅与跆拳道馆辅助用房两部分;摔跤馆又分为摔跤馆大厅与摔跤馆辅助用房两部分。
用水由院内市政给水管线供给,从管井内引立管分支管到各卫生间。
地上各层卫生间排水管走在下层吊顶中,污水经管道统一收集后排至室外污水管网;地下一层设有一个集水坑,坑内设两台污水潜水泵,一用一备,并可同时启动,地下层机房排水汇集到水坑内,由潜水泵提升排出室外。
雨水排放在屋顶设雨水口,经立管收集后排至室外。
消防水源由摔跤馆辅助用房引入两条高压水管,给室内消防环网及各消火箱供水。
室外设一套地下式消防水泵接合器,供消防车向室内管网供水。
2、通风空调工程通风空调工程包括通风系统、中央空调系统。
地下一层设有新风系统和排风系统,跆拳道馆首层走道及摔跤馆一、二、三层走道均设有设有新风系统。
跆拳道馆大厅采用的是组合式空调机组送、回风;辅助用房采用的是风机盘管送、回风。
摔跤馆大厅及辅助用房均采用风机盘管送、回风。
且在二层空调机房内及屋顶均设有排风系统,对整个工程进行排风。
奥林匹克体育中心体育场施工组织及管理方案3 施工组织及管理方案 (1)3.1施工进度计划及保障措施; (1)3.1.1 施工进度计划 (4)3.1.1.1 总体工期要求 (4)3.1.1.2 施工进度编制说明 (4)3.1.1.3 工程施工进度计划 (4)3.1.2 确保工期的技术组织措施和其他有关工种的配合措施 (4)3.1.2.1 进度控制流程 (5)3.1.2.2 确保工期的技术组织措施 (5)3.1.2.3施工工期保证措施 (7)3.1.3 施工现场临时设施布置 (17)3.1.3.1施工平面布置原则 (17)3.1.3.2施工平面图布置依据 (17)3.1.3.3智能化工程的施工平面布置 (18)3.1.2 施工质量及保障措施 (19)3.1.2.1 实施过程的全面质量管理 (19)3.1.2.2 加强材料设备检验制度和措施 (20)3.1.2.3 质量检查与监督 (20)3.1.2.4 工程质量创优措施 (21)3.1.3 安全生产、文明施工措施 (25)3.1.3.1安全生产技术措施 (25)3.1.3.2 文明施工技术措施 (51)3.1.4 关键工序、复杂环节及重点部位的针对性措施 (53)3.1.4.1工程实施过程中的风险分析和应急预案 (53)3.1.4.2使用维护及售后服务措施 (55)3.1.5 拟投入的施工机械及设备的配备 (57)3.1.5.1管槽施工阶段机械设备的配备 (57)3.1.5.2线缆敷设施工阶段机械设备的配备 (58)3.1.5.3设备安装阶段机械设备的配备 (58)3.1.5.4系统调试阶段机械设备的配备 (59)3.1.6 与土建、安装、装饰等其它单位的配合方案 (59)3.1.6.1弱电预留孔洞和预埋线管与土建工程的配合 (60)3.1.6.2线槽架的施工与土建工程的配合 (60)3.1.6.3与机电专业的配合 (60)3.1.6.4与土建及精装修的配合 (60)3.1.6.5与建设单位配合 (61)3.1.7 各子系统及全系统施工方案和验收方案 (61)3.1.7.1施工程序 (62)3.1.7.2确定施工起点流向、顺序及方法 (65)3.1.7.3闭路电视系统施工方案 (67)3.1.7.4会议系统工程施工方案 (69)3.1.7.5楼宇监控系统施工方案 (77)3.1.7.6弱电综合管路系统施工方案 (90)3.1.7.7机房工程施工方案 (95)3.1.7.8有线电视系统施工方案 (119)3.1.7.9建筑智能化系统工程开通及验收 (124)3.1.8 成品和半成品保护措施 (130)3.1.7.8.1材料采购管理措施 (130)3.1.7.8.2材料的包装运输与仓储 (130)3.1.7.3成品保护 (137)3.2施工组织图表 (140)3.2.1 拟投入的主要加工、施工机械设备表 (140)3.2.2 劳动力计划表 1431、施工进度计划及保障措施;1.1 施工进度计划1.1.1 总体工期要求招标文件要求整个工程的计划开工日期为2009年10月31日,计划竣工日期为2010年8月30日。
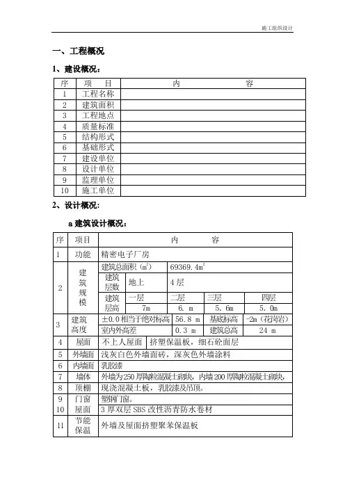
一、工程概况1、建设概况:2、设计概况:a建筑设计概况:b结构设计概况:3、施工概况:本工程2007年10月20日开工, 2008年5月5日竣工。
本工程按项目法组织施工,项目经理选派承担过大型工程项目管理,并具备丰富施工管理经验的国家一级项目经理担任;项目工程师选派具有较高技术业务素质和技术管理水平、并有创河北省安济杯管理经验的工程技术人员担任。
项目部对本项目的人、财、物按照项目法施工管理的要求实行统一组织,统一布置,统一计划,统一协调,统一管理,通过我们科学、严谨的工作质量和项目管理经验,确保实主要管理人员情况及项目部组织机构项目经理简历表以上各部在经理部领导班子的领导下,统一协调,各尽其责,及时解决施工过程中出现的各种问题,确保优质、高效的完成施工任务。
秦皇岛海三建设工程发展股份有限公司,始建于1977年。
通过产权制度改革,于2000年12月改制为股份制(民营)企业。
公司现为国家房屋建筑工程施工总承包资质一级企业,注册资金6000万元人民币。
公司下属三个施工分公司、房屋开发公司、建材经销公司、建材加工公司、建材检测公司等单位。
现有管理人员446人,从业人员年平均4000-10000人左右,各类专业技术人员361人,其中:高级职称15人,中级职称63人,初级职称283人。
公司有各类施工机械设备700多台(件),其中:大中型设备300多台,能满足各类建筑工程施工的需要。
公司1997年通过ISO9001质量管理体系认证,并始终得到严肃执行。
公司先后承建的市邮政大厦、奥体中心体育场、体育馆、报业大厦、工行大厦、图书大厦、海港区法院审判大楼等标志性工程40多项,具有一定规模的工程200多项。
获省优(安济杯)工程58项,其中:秦新花园工程、奥体中心体育场工程荣获国家建筑工程最高奖-鲁班奖。
合同履约率100%,工程一次交验合格率100%,顾客满意度达97%以上。
公司坚持以“诚信天下”为宗旨的经营理念,以高尚的人品,建造优质产品。
奥体中心站土建工程施工方案1)工程概况:车站基本情况设计结构形式及主要设计参数奥体中心站为地下二层三跨箱型框架结构,车站中心里程K1+325.982,其地下一层为站厅层,地下二层为站台层。
车站底板埋深约16-17m,顶板覆土层厚2.15m,框架梁柱体系,柱网9.75×8.3m,柱截面900×900mm,顶板厚600mm,底板厚700mm,梁宽1200mm,顶板梁高1600mm,底板梁高1600mm,结构净高6.16-5.30m。
基坑的围护结构采用Φ1500mm钻孔灌注桩加网喷砼, 桩顶设钢筋混凝土冠梁,坑内支撑采用φ609钢管,支撑长度大于20m时在中部设钢格构柱,柱基础为Φ1200mm抗拔桩,桩底至底板以下16m。
工程地质及水文地质本工程场区地面绝对标高46.2m左右,场地位于永定河冲积扇的北部边缘,工程范围内各土层自上而下依次为:填土①层,厚0.7-4.3m,层底标高39.4-45.3m;粉质砂粘土③层,厚2.6-11.3m,层底标高32.1-37.8m;粉质砂粘土④层,厚4.9-10.7m,层底标高23.6--30.2m;中细砂土⑤层,厚0.0-4m,层底标高23.8-26.8m。
本工程地基为Ⅳ类场地土。
地下水埋深0.9-5.6m,浅部地下水属潜水层,受大气降水及地表径流补给,地下水对混凝土无腐蚀性。
施工中采取基坑降水、排水措施,保证无水作业。
2)施工总平面布置:总体规划本工程设计为明挖车站。
根据本工程结构特点和现场实际情况,总体划分为两大部分、五个作业区,即车站主体结构和四个出入口。
车站主体结构由北向南施工,先做钻孔桩基础,基坑开挖到底后,由下而上施做底板、侧墙、中板和顶板等车站结构,最后回填。
出入口基本与车站同步施工,各道工序紧跟在车站主体结构之后进行,四个出入口基本同步施工,先施工明挖结构,钻孔围护桩施工完成,基坑开挖到底,施做完底板后开挖施工出入口暗挖通道段;待暗挖通道完成,再施工出入口明挖段结构。
国家奥林匹克体育中心体育场改扩建工程植筋、加固、拆除施工方案一、工程概述1.工程名称:国家奥林匹克体育中心体育场改扩建工程2.工程地点:奥体中心3.结构类型:4.因平面布局改动,经设计院整体及结构构件计算后,对结构局部进行混凝土无震动切割、植筋及梁板墙加固处理。
二、编制依据国家奥林匹克体育中心体育场改扩建工程结构图。
《混凝土结构加固技术规范》(CECS 25:90)《建筑抗震加固技术规程》(JGJ116-98)《混凝土结构工程施工质量验收规范》(GB50204-2002)三、施工总部署1、组织机构项目主要管理人员名单四、施工准备1、技术准备:由公司技术负责人与总包方工程师一起核实施工项目,并勘研现场,结合现场实际,编制施工组织方案,并交甲方审查.安排公司有经验的专业技术人员到现场测量,提出初步解决施工中会遇到的技术问题和施工协调问题,并准备按施工方案实施施工。
熟悉图纸,参加图纸会审,了解设计意图。
2、材料准备施工用材料:进口植筋胶,。
做好材料进场验收,植筋胶等有关技术性能资料及时报总包监理审查。
3、劳动力组织5、主要施工机械设备表五、主要工艺流程及技术要点一、搭设卸荷架(脚手架及卸荷架搭设示意图)卸荷架搭设流程铺设木垫块→碗扣脚手架搭设→安放U型托→安放主龙骨→铺设脚手板→调节高度→调节油托卸荷→验收→使用。
1.1材料要求1.1.1 钢管⑴.脚手架钢管采用国标《直缝电焊钢管》(GB/T 13793)中规定的3号普通钢管。
⑵.钢材采用Q235钢,其质量应符合国家现行标准《碳素结构钢》(GB700-89)中Q235A钢的规定。
⑶.钢管的截面尺寸应为外径48mm,壁厚3.5mm。
用于立杆的钢管长度为2.4、2.1、0.9m。
用于横杆的钢管长度为1.2m。
⑷.钢管应无裂纹,两端面应平整,严禁打孔。
1.1.2 扣件⑴.碗扣应采用机械性能不低于KT33-8的可锻铸铁制作。
⑵.铸铁不得有裂纹、气孔;不宜有疏松、砂眼或其它影响使用的铸铁缺陷;并应将影响外观质量的粘砂、披缝、毛刺、氧化皮等清除干净。
北京奥林匹克公园施工组织设计方案北京奥林匹克公园施工组织设计方案- 1 - 北京奥林匹克公园施工组织设计方案目目录录第一章第一章工程概况工程概况7 7 1.1 编制依据7 1.2 工程范围7 1.2.1 由总承包商进行施工的内容7 1.3 工程概况8 1.3.1 工程基本情况8 1.3.2 装饰工程概况9 1.4 本工程施工的重点、难点及拟采取的措施9 1.4.1 重要的影响力9 1.4.2 施工必须体现“绿色奥运、人文奥运、科技奥运”的理念.9 1.4.3 工程占地面积大,专业多,总包协调能力要求高.10 1.4.4 高标准、高质量要求.10 1.4.5 对现场平面布置和安全文明工地的要求标准高.11 第二章第二章工程施工目标工程施工目标1212 2.1 施工质量目标.12 2.2 工期目标.12 2.3 安全目标.12 2.4 环境保护和文明施工目标.12 2.5 服务目标.13 2.6 工程回访目标.13 第三章第三章总体施工技术方案总体施工技术方案1414 3.1 项目组织机构.14 3.2 劳动力、材料设备及主要施工机械的投入和组织计划.14 3.2.1 施工机械设备配置.14 - 2 - 3.2.2 劳动力配置计划.14 3.2.3 劳动力组织方案.14 3.2.4 主要周转架料配置计划.15 3.2.5 仪器设备配置计划.15 3.3 总体施工部署.15 3.3.1 施工组织安排.15 3.3.2 施工现场总平面图.16 3.3.3 塔吊布置图.16 3.3.4 流水段划分.16 3.3.5 总体和分阶段的进度计划.17 3.4 避免和应对突发事件的预案.17 3.4.1 应急机制小组.17 3.4.2 应急救援队伍.17 3.4.3 火灾、消防、爆炸应急方案.17 3.4.4 电梯故障应急方案.20 3.4.5 突发断电应急方案.21 3.4.6 水灾的紧急措施.22 3.4.7 应急处理预案演习.23 第四章第四章总承包管理、协调、服务措施总承包管理、协调、服务措施2626 4.1 总承包管理组织机构.26 4.1.1 项目重要岗位职责.26 4.1.2 项目职能部门及其职责.27 4.2 总承包计划管理措施.27 4.2.1 总承包进度计划管理目标.28 4.2.2 建立完善的计划保证体系.28 4.2.3 分级计划控制.28 4.2.4 总承包对工程进度的控制.28 - 3 - 4.2.5 审核批准分包商的具体施工进度计划.29 4.3 总承包协调管理措施.30 4.3.1 分包计划和对分包队伍的管理措施.30 4.3.2 与业主的配合与服务措施.32 4.3.3 与设计单位的协调配合.34 4.3.4 总承包与监理工程师的协调配合措施.34 4.3.5 施工现场协调管理.35 4.3.6 公共关系协调与处理.38 4.4 总承包技术管理措施.38 4.4.1 技术协调.38 4.4.2 施工图深化设计管理.39 4.4.3 图纸会审及设计变更、洽商管理.39 4.4.4 施工组织设计(方案)管理.40 4.4.5 技术交底管理.41 4.4.6 材料检验及半成品的试验与检验管理.41 4.4.7 技术资料的管理.42 4.4.8 工程竣工验收、备案.43 4.5 总承包质量管理措施.43 4.5.1 质量目标.43 4.5.2 总承包模式下的质量管理.44 4.5.3 质量管理保证体系.44 4.5.4 质量管理程序.45 4.5.5 对各专业工程质量管理措施.45 4.5.6 工程竣工质量保修管理.46 4.6 总承包安全与文明施工管理.48 4.6.1 安全与文明施工管理体系概述.48 4.6.2 安全与文明施工组织保证措施.49 - 4 - 4.6.3 法律法规和其他要求.51 4.6.4 总体目标.51 4.6.5 急准备和响应.51 4.7 总承包合同管理.52 4.7.1 总承包合同管理模式.52 4.7.2 总承包合同管理层次关系.53 4.8 总承包物资设备管理.56 4.8.1 物资采购管理.56 4.8.2 物资现场管理.59 4.8.3 施工设备的管理.61 4.9 总承包信息化管理.63 4.10 机电工程总承包管理63 4.10.1 总承包商的工作范围63 4.10.2 机电工程总承包管理64 4.10.3 与设计、监理及业主的沟通与联系65 4.11 与专业分包商、供应商、独立承包人的配合66 第五章第五章土建主要分项工程施工方案土建主要分项工程施工方案6767 5.1 基坑工程方案.67 5.2 模板工程方案.72 5.3 钢筋工程方案.80 5.4 混凝土工程方案.90 5.5 脚手架工程方案109 5.6 防水工程方案112 5.7 施工技术资料编制方案116 第六章第六章机电工程安装方案机电工程安装方案118118 6.1 机电工程概况及特点118 6.2 机电安装工程施工部署118 - 5 - 6.2.1 总则118 6.2.2 施工组织保障机构118 6.2.3 总体施工部署118 6.2.4、室外工程.118 6.3 总承包对机电工程的管理、协调与配合119 6.3.1 机电工程施工管理119 6.3.2 建筑结构施工与机电工程的相互配合119 6.4 机电工程专业工程主要施工方案120 6.4.1 强电工程120 6.4.2 弱电工程127 6.4.3 电梯工程130 6.4.4 给排水工程131 6.4.5 采暖与通风工程136 第七章第七章工程竣工后保驾服务措施及承诺工程竣工后保驾服务措施及承诺143143 7.1 在整个施工的过程中贯彻为奥运保驾护航的思想143 7.2 细致调试,编制操作维修手册145 7.3 奥运期间维保服务145 第八章第八章施工进度计划及工期保证措施施工进度计划及工期保证措施147147 8.1 施工进度计划147 8.2 工期保证措施147 8.2.1 组织保证147 8.2.2 管理保证148 8.2.3 夏、秋收以及春节期间劳动力保障151 第九章第九章质量保证体系及措施质量保证体系及措施152152 9.1 质量保证体系152 9.1.1 质量保证体152 - 6 - 9.1.2 组织保证体系152 9.1.3 质量管理人员职责152 9.2 ISO9000 系列质量体系标准的贯彻152 9.2.1 ISO9000 质量体系文件152 9.2.2 总承包项目质量计划153 9.2.3 工程分包159 9.2.4 质量控制过程和阶段160 9.2.5 质量因素控制161 9.2.6 质量控制方法161 9.2.7 工程材料、设备控制162 9.2.8 施工工序的质量控制163 9.2.9 质量问题分析和处理的程序163 9.2.10 纠正和预防措施.164 9.2.11 内部质量体系审核.165 9.2.12 程阶段性验收与竣工验收程序.166 9.3 质量管理制度化167 9.3.1 质量奖罚制168 9.3.2 坚持样板引路168 9.3.3 三检制168 9.3.4 质量例会、会诊及讲评制168 9.3.5 挂牌管理制1699.3.6 专项方案审批制169 9.4 质量管理程序170 9.5 各分部分项工程质量保证措施170 9.5.1 钢筋工程170 9.5.2 模板工程172 9.5.3 混凝土工程174 - 7 - 9.5.4 砌筑工程174 9.5.5 抹灰工程175 9.5.6 防水工程施工保证措施176 9.5.7 装修质量控制176 9.5.8 机电工程质量控制点及控制措施177 9.6 成品保护措施178 9.6.1 测量定位桩点178 9.6.2 地下防水工程178 9.6.3 砌筑工程178 9.6.4 地面与楼地面工程178 9.6.5 门窗工程179 9.6.6 墙、顶棚涂料179 9.6.7 卫生洁具180 9.6.8 机电工程180 9.7 创优计划180 9.7.1 创优策划180 9.7.2 过程监控——创优实施阶段181 9.7.3 持续改进182 第十章第十章安全管理体系及措施安全管理体系及措施184184 10.1 施工安全管理体系.184 10.1.1 安全施工目标.184 10.1.2 安全施工管理体系.184 10.2 安全施工管理制度.185 10.3 安全施工专项措施.185 10.3.1 基坑临边及其通道的安全防护措施.185 10.3.2 脚手架安全防护措施.186 10.3.3 各类临时支撑体系安全防护措施.186 - 8 - 10.3.4 洞口的安全防护.188 10.3.5 高处作业防护措施.188 10.3.6 塔吊安装、使用、拆除及群塔作业安全措施.189 10.3.7 临时用电安全措施.193 第十一章第十一章文明施工、环保体系及措施文明施工、环保体系及措施195195 11.1 编制依据.195 11.2 绿色施工前期策划.196 11.2.1 制定绿色施工环境管理方针.196 11.2.2 制定工程环境管理体系.196 11.2.3 环境管理体系岗位责任制.197 11.2.4 环境管理职能分配表.197 11.2.5 项目要执行的环境管理体系文件总汇.197 11.2.6 绿色施工的阶段策划.197 11.3 绿色施工具体措施.199 11.3.1 绿色施工知识培训.199 11.3.2 环境影响.200 16.3.3 能源利用与管理.205 16.3.4 材料与资源.206 11.3.5 水资源.208 11.3.6 场地文明.209 11.3.7 人员安全与健康.209 11.4 环境管理体系的纠正措施、运行记录、审核.211 11.4.1 不符合环境管理体系行为的纠正措施.211 16.4.2 项目环境管理体系运行记录.211 11.4.3 环境管理体系审核.212 11.5 消防保卫措施.213 11.5.1 现场保卫措施.213 - 9 - 11.5.2 现场消防措施.214 11.5.3 现场常用的警示标志.215 11.6 绿色施工基础资料汇总.215 第十二章第十二章冬雨期施工方案冬雨期施工方案216216 12.1 冬期施工.216 12.1.1 编制依据.216 12.1.2 冬施时间确定.216 12.1.3 冬施部位.217 12.1.4 施工准备.217 12.1.5 施工方法.219 12.1.6 冬施安全管理措施和消防管理措施.225 12.1.7 冬期施工环境保护措施.227 12.2 雨期施工.227 12.2.1 雨期施工时间.227 12.2.2 成立雨施领导小组.227 12.2.3 雨施准备.228 12.2.4 主要分项工程施工技术措施.229 12.2.5 主要安全管理措施.231 - 10 - 第一章第一章工程概况工程概况 1.11.1 编制依据编制依据(1)国奥投资发展有限公司提供的招标文件(招标编号:05-0626)、招标答疑文件、投标用工程图纸。
1 编制说明国家奥林匹克体育中心体育场改造工程是我局在京承建的又一项奥运场馆工程,为了履行对业主的承诺,在519个日历天顺利完成合同内的施工任务,创建“北京市安全文明工地”,在局及公司的关心和支持下,开工之初项目全体员工就投入到了日常繁忙的施工工作之中。
为认真贯彻“安全第一、预防为主"的方针,认真履行建“科技奥运、绿色奥运、人文奥运”工程的承诺,确保安全、环保目标的实现,进一步提高项目员工的安全意识,环境保护意识,规范各工序的操作行为,特结合本工程特点编制安全施工方案。
2 编制依据1)、中华人民共和国《建筑法》、《劳动法》、《安全生产法》、《消防法》《建设工程管理条例》2)、北京市政府第72号令、84号令3)、《北京市建筑工程施工安全操作规程》DBJ01—62—20024)、施工现场临时用电安全技术规范(JGJ46-88)5)、建筑施工高处作业安全技术规范6)、建筑机械使用安全技术规程(JGJ33-200)7)、建筑施工安全检查标准。
8)、中建三局《安全管理手册》9)、中建三局安全生产责任制10)、中建三局施工(生产)现场安全责任制。
11)、中建三局安全生产管理目标12)、中建三局(北京)安全生产管理目标13)、《环境和职业安全卫生管理程序文件》—中建三局(北京)企业标准.14)、《环境和职业安全卫生管理手册》—中建三局(北京)企业标准15)、《第三层次文件汇编》—中建三局(北京)企业标准3 工程概况工程概况表3.1 工程简介国家奥林匹克体育中心体育场改造工程位于北京市朝阳区国家奥林匹克体育中心园区北部,与原有的体育馆、游泳馆等沿同心圆弧线组成序列。
总建筑面积36053m2,其中改扩建面积34975 m2,新建面积1078 m2,由体育场和附属用房两部分组成。
体育场地上五层,体育场罩棚高度为43.0m,附属用房高10.43m结构形式为钢筋混凝土框架及钢结构。
本工程由国家体育总局奥运会场馆和国家队训练设施建设管理办公室投资兴建,北京市建筑设计研究院设计,中建三局建设工程股份有限公司(北京)承建.工程建成后将承担2008年奥运会男子足球预赛,女子足球预赛以及现代五项的马术和跑步比赛,在2008年奥运会后,体育场将成为国家运动员训练基地及全民健身场所。
奥体中心体育场施工组织设计2引言奥体中心体育场作为一项大型体育设施建设项目,其施工组织设计是保证项目顺利进行的重要环节。
本文将对奥体中心体育场施工组织设计进行详细讨论和分析,旨在为相关人员提供指导和参考。
项目概况奥体中心体育场是一个多功能的体育设施,拥有大型观众席和运动场地,可用于举办各类体育赛事和演出活动。
该体育场的施工规模庞大,需要合理的施工组织设计来保证质量、进度和安全。
施工组织设计目标奥体中心体育场施工组织设计的目标是实现以下几点: 1. 质量保证:确保施工过程符合设计要求和相关标准,积极控制建设质量。
2. 进度控制:合理安排施工任务和资源,确保施工进度符合计划要求。
3. 安全保障:制定安全管理措施,确保施工过程安全可靠。
4. 资源优化:合理利用和配置各种资源,提高施工效率和经济性。
施工组织设计内容施工方案施工方案是奥体中心体育场施工组织设计的核心内容,其包括以下方面: 1. 施工工序:详细列出各个施工工序的顺序和时间安排,确保施工流程的合理性和连贯性。
2. 施工方法和技术:选择适合的施工方法和技术,确保施工过程的效率和质量。
3. 资源配置:确定各类资源的使用方式和数量,合理分配工人和设备,确保施工进度和质量。
施工组织机构施工组织机构是奥体中心体育场施工组织设计的重要部分,其包括以下角色和职责: 1. 项目经理:负责整个施工项目的组织和管理,协调各个施工工序和资源。
2. 施工队长:负责具体的施工工序,指导工人进行施工操作。
3. 安全主管:负责施工现场的安全管理,监督施工过程中的安全措施。
安全管理措施安全管理是奥体中心体育场施工组织设计中非常重要的一部分,其主要包括以下内容: 1. 安全培训:对施工人员进行安全培训,提高他们的安全意识和技巧。
2. 安全设施:合理设置安全警示标志和防护设施,保障施工人员的人身安全。
3. 安全检查:定期对施工现场进行安全检查,发现并解决安全隐患。
第一章第一节第二节第二章第一节第二节调试人员准备第三节测量工具准备第三章调试工作第一节调试内容第二节调试要求第三节调试方法第四章调试组织机构第五章调试记录.5.1010第一章匚程概况第一节编制说明一、编制目的及依据1编制目的:为确保顺利、安全、圆满地完成调试任务,用以指导和组织调试施工。
2、编制依据:施工图纸及有关技术资料和国家、相关行业、北京市颁布的现行有关技术标准、规范、规程和规定及本企业制定的有关技术规定.第二节工程概况一、系统概况设备安装工程包括采暖、卫生消防工程和通风空调工程。
1、采暖、卫生、消防工程采暖、卫生消防包括室内给水系统、室内污水系统、室内消火栓系统、及室内雨水系统。
奥体中心综合训练馆工程分为两部分,即跆拳道馆与摔跤馆。
其中跆拳道馆又分为跆拳道馆大厅与跆拳道馆辅助用房两部分;摔跤馆又分为摔跤馆大厅与摔跤馆辅助用房两部分。
用水由院内市政给水管线供给,从管井内引立管分支管到各卫生间。
地上各层卫生间排水管走在下层吊顶中,污水经管道统一收集后排至室外污水管网;地下一层设有一个集水坑,坑内设两台污水潜水泵,一用一备,并可同时启动,地下层机房排水汇集到水坑内,由潜水泵提升排出室外。
雨水排放在屋顶设雨水口,经立管收集后排至室外。
消防水源由摔跤馆辅助用房引入两条高压水管,给室内消防环网及各消火箱供水。
室外设一套地下式消防水泵接合器,供消防车向室内管网供水。
2、通风空调工程通风空调工程包括通风系统、中央空调系统。
地下一层设有新风系统和排风系统,跆拳道馆首层走道及摔跤馆一、二、三层走道均设有设有新风系统。
跆拳道馆大厅采用的是组合式空调机组送、回风;辅助用房采用的是风机盘管送、回风。
摔跤馆大厅及辅助用房均采用风机盘管送、回风。
且在二层空调机房内及屋顶均设有排风系统,对整个工程进行排风。
中央空调系统为冷热双制,冷源采用两台螺杆式冷水机组,总制冷量1720KW热源管从奥体中心热力交换站引出,总供热量为429.86万大卡。
冷冻机房设于地下一层,内设冷水机组、冷冻水泵、冷却水泵、集、分水器、空调补水箱、软水箱、真空脱气机、全过程处理器及补水泵、软化水装置、板式热交换器及温水泵。
冷却塔设于屋面。
空调系统补水由市政引入,通过软水器接至补水箱供给系统;空调机组加湿用水及空调冷却水系统补水由院内市政给水管供给。
二、主要实物工程量主要实物工程量见下表:调试准备第一节技术准备组织调试人员学习掌握系统工作原理,学习验收规范,了解相关的设备技术资料, 领会设计意图,以达到设计要求及施工规范要求。
调试人员学习并掌握各系统测试方法及各种调试工具的使用方法。
电源、水源、冷、热源准备就绪后,即可以按计划进行设备的单体试运转和系统的 联合调试。
系统联合试运转的测定和调试应由施工单位负责、监理单位监督,设计单位与建设 单位参与和配合。
第二节调试人员准备第三节测量工具准备一、仪器、仪表要求1、 采暖、卫生、消防系统及通风与空调系统调试所使用的仪器仪表应有出厂合格证明 书和鉴定文件;2、 严格执行计量法,不准在调试工作岗位上使用无鉴定合格印、证或超过鉴定周期以 及经检验不合格的计量仪器仪表。
四、 1、2、 (2) (3) (4) 成立专业调试班组:一组配合消防调试,一组进行空调系统的调试。
成立调试领导小组,由项目经理、项目技术负责人、各专业工长、质检员组成。
配合人员内部配合人员:各系统施工技术人员。
各设备供应厂商配合人员:空调设备供应商一江苏南通昆仑空调集团及无锡约克公司(广州)的技术人员。
通风机供应商一北京当代复合材料有限公司的技术人员。
水泵供应商一上海熊猫机械集团的技术人员。
冷却塔供应商一北京良机公司的技术人员。
必须了解各种常用测试仪表的构造原理和性能,严格掌握它们的使用和校验方法, 按规定的操作步骤进行测试。
综合效果测定时,所使用的仪表精度级别应高于被测对象的级别。
搬运和使用仪器仪表要轻拿轻放,防止震动和撞击,不使用仪表时,应放在工具仪 表箱内,防潮防污秽等。
系统调试所使用的仪表和仪器,性能要稳定可靠,其精密度等级及最小分度值要能 满足测定要求,并要符合国家有关计量法规及检定规程的规定。
主要测试工具及仪表温度计;测量压力的仪表(压力表 1.6MPa );风速仪;微压计;转速表;手动打压 泵;其它常用的电工仪表、钢卷尺、手电钻、活板子等。
第一节调试内容第二节调试要求一、采暖、卫生、消防工程1、消火栓系统水压测试(1)消火栓系统:栓口出水流量不小于 5.0L/S ,充实水柱不小于7m3、 4、 5、 6、 第三章调试工作2、 (1) (2) (3) 2、(1) (2) (3)(4)卫生、消防工程 消防系统水压测试。
卫生给水压力、流量调试; 通风、空调工程 设备单体试运转及调试螺杆式冷水机组单机无负荷调试;冷却水泵和冷冻水泵单机试运转; 风机单机试运转;系统测试、调整系统与风口的风量测定、调整 通风机风量、风压及转速的测定; 空调设备风量、余压及风机转速的测定; 制冷系统运行的压力、温度、流量各项技术指标的测定;2、 卫生给水压力调试:给水压力不大于0.3MPa,洁具出水以不飞溅为宜。
3、 采暖系统:采暖系统送暖后,打开暖气片跑风进行放气,检查每个暖气片是否正常 散热,并保证暖气片不渗不漏。
二、通风、空调工程1、 螺杆式冷水机组调试 (1) (2) (3) (4) (5)2、 冷却水泵和冷冻水泵试运转(1 )水泵试运转在设计负荷下连续运转不应少于 2h ;(2) 运转中应无异常震动和声响,壳体密封处不得渗漏、紧固连接部位不应松动; (3) 轴封的升温要正常,滑动轴承外壳最高温度不得超过70C,滚动轴承不得超过75C 。
(4) 油封填料的温升正常,在无特殊情况下,填料泄漏量不得大于 (5) 电机电流和功率不应超过额定值。
3、 通风工程系统无生产负荷联动试运转及调试(1) 系统联动试运转中,设备及主要部件的联动必须符合设计要求,动作协调、正确, 无异常现象; (2)系统经过平衡调整,各风口的风量与设计风量的允许偏差不应大于15%4、 空调工程系统无生产负荷联动试运转及调试(1) (2)启动运转的程序应符合设备技术文件的规定。
调节油压宜大于排气压力0.15-0.33 MPa ;油分离器前后压差不高于0.1M pa 。
吸气压力不宜低于0.05MPa (表压);排气压力不应高于1.6Mpa 。
运转中应无异常声响和震动,压缩机轴承体处的温升正常。
轴圭寸处的渗油量不应大于3mL/h.。
35-60mL/h 。
空调工程水系统要冲洗干净、不含杂物,并排除管道系统中的空气; 系统连续运行应达到正常、平稳;水泵的压力和水泵电机的电流不应出现大幅波动; 系统平衡调整后,各空调机组的水流量应符合设计要求; 各种自动计量检测元件和执行机构的工作应正常,满足系统对被测和控制的要求; 两台冷却塔并联运行时,各冷却塔的进、出水量应达到均衡一致; 空调室内噪声应符合设计规定要求;(3)(4)(5)(6)(7)5、风机试运转(1)叶轮应无卡阻和碰擦现象,旋转方向必须正确;(2)轴承最高温度不得超过80度;(3)在额定转速下试运转时间不得少于2h.6、系统与风口的风量测定与调整,实测与设计风量的偏差不应大于10%7、通风机的风量、风压及转速符合设计要求;空调设备的风量、余压与风机转速符合设计要求;风机前后的风量差不应大于5%8水系统压力、温度各项技术指标符合设计及有关设备技术要求。
第三节调试方法一、采暖、卫生、消防工程1、消火栓系统联动试运行在屋面将试验用消火栓栓口打开,测量试验用消火栓栓口喷出的水柱的流量、充实水柱的长度。
喷出的水柱的流量不得小于5.0L/S,充实水柱的长度不应小于7m>2、卫生给水压力调试调试之前,将给水管道上阀门都处于全开的位置。
逐层打开卫生洁具的给水阀,用手感受水流量及压力的大小,如全楼卫生洁具的给水流量及压力过大,可对给水主管上的阀门进行调节,再调节给水立管上的DN80的蝶阀,如水流量及水压仍达不到要求,可对冲洗阀上的调节螺母进行调节。
如个别楼层内的卫生洁具的给水流量及压力过大,则对每层给水立管上的DN80的蝶阀进行调节,如水流量及水压仍达不到要求,可对冲洗阀上的调节螺母进行调节,直至达到设计及规范要求为止。
3、米暖系统调试调试之前,先将管路各支路阀门关闭,然后分支路进行送暖。
开一个支路阀门,将该支路暖气片阀门打开,检查该支路各个暖气片,先保证暖气片送暖后不漏。
然后打开管路顶端及顶部暖气片跑风打开进行放气,管路中气体排尽后检查每个暖气片是否正常发热。
一个支路调完后进行下一个支路调节,直至将整个系统全部送暖。
然后由平衡阀厂家调节各支路流量平衡。
3、系统调试系统冲洗完毕应充水、加热,进行运行和调试。
调试方法:观察、测量室温应满足设计要求。
二、通风、空调工程1风机单体试运转(1)风机运转前必须加上适度的润滑油,并检查各项安全措施(2)盘动叶轮,观察有无卡阻及碰擦现象。
(3)观察叶轮旋转方向是否正确,有无异常振动及声响。
(4)轴承温升是否正常。
(5)用转速表测试风机主轴的转速,重复测量三次取其平均值,是否与铭牌相符。
(6)测试电机电流、功率是否与铭牌相符。
(7)风机在额定转速下试运转2小时以上。
2、冷水机组、冷却塔及水泵单体调试由供应厂家进行。
依据设计图纸,结合现场实际情况,绘制单线系统图,标明风管尺寸,测点位置,风口位置,以及截面积大小。
开风机之前,将风道和风口本身的调节阀门,放在全开位置。
开启风机进行风量测定与调整,先粗测风量是否满足设计要求,做到心中有数,有 利于下部调试工作。
风管风量及风压测定A 、 用毕托管和微压计测量干、支管风量。
测量截面积的位置选择在气流均匀处, 按气流方向,应选择在产生局部阻力之后大于或等于 4倍的管径及局部阻力之前大于或 等于1.5倍矩形风管长边尺寸的直管段上。
当测量截面上的气流不均匀时,应增加测量 截面上的测点数量。
B 、 风管内的压力测量采用液柱式压力计进行。
C 、 在风管内测定平均风速时,应将风管测定截面划分为若干个相等的小截面使之 尽量接近正方形,以测得较匀风速。
(5) 风机风量及风压测定通风机出口的测定截面积位置按系统风量测定要求选取, 其测定截面积位置应靠近风机。
分别测试风机吸入端的风量和其压出端的风量,计算其平均值,即得出该风机出风 量,核对是否符合设计;计算风机吸入端与压出端风量差是否符合规范要求。
通风机风压为风机进出口处的全压差,用压力计测出,并核对是否符合设计。
系统总风压以测量风机前后的全压差为准,系统总风量以风机的总出风量或总风管 的风量为准。
测定系统总风量、风压及风机转数,将实测总风量值与设计值偏差不应1 0%;系统与风口的风量必须经过调整达到平衡, 各风口风量实测值与设计值偏差不应大 于 15%; 风管系统的漏风率应符合设计要求或不大于10%;无负荷联合运转调整后,应使空气的各项参数维持在设计给定的范围内; 风机风量为吸入端风量和压出端风量的平均值,且风机前后的风量之差不应大于5%;(6) 风口的风量测定贴近风口格栅,采用定点测量法,分取 5个测点用风速仪测出风口处的风速,计算 出其平均值,再乘以风口净面积即得到风口风量值。