基坑多锚桩支护内力计算
- 格式:doc
- 大小:410.50 KB
- 文档页数:9
基坑支护锚杆工程施工方案计算书和结算1. 引言基坑支护是指在地下工程中,通过设置支护设施来保证基坑的稳定和安全施工。
锚杆工程是基坑支护的一种常用方法,通过锚杆的固结,将基坑围护结构与地层相互连接,以增加整体的稳定性和承载能力。
本文档将对基坑支护锚杆工程的施工方案计算和结算进行详细描述。
2. 施工方案计算2.1 建立工程模型在进行基坑支护锚杆工程施工方案计算之前,首先需要建立工程模型。
工程模型包括基坑的几何尺寸、地下水位、土层性质、荷载等信息。
根据这些信息,可以确定基坑的稳定性和锚杆的布置方式。
2.2 计算基坑的稳定性根据基坑的几何尺寸和土层性质,可以进行基坑的稳定性计算。
稳定性计算包括对土体的支持力和抗滑稳定性的计算。
根据计算结果,可以确定基坑支护的类型和施工参数。
2.3 设计锚杆的布置方案根据基坑的稳定性计算结果,可以确定锚杆的布置方案。
锚杆应该布置在土体的稳定区域,以提供足够的承载力和抗滑能力。
布置方案应考虑锚杆的类型、直径、间距和布置深度等参数。
2.4 计算锚杆的承载力根据锚杆的布置方案,可以进行锚杆的承载力计算。
计算包括锚杆的单个承载力和整体承载力。
单个承载力是指锚杆所承受的单个荷载。
整体承载力是指所有锚杆共同承受的荷载。
通过计算承载力,可以确定锚杆的数量和布置方式。
3. 施工方案结算3.1 确定施工方案根据施工方案计算的结果,可以确定具体的施工方案。
施工方案包括锚杆的材料、埋设方式、锚固长度、预应力力值等。
根据施工方案,可以计算锚杆的材料消耗量。
3.2 计算施工成本根据施工方案和材料消耗量,可以计算锚杆工程的施工成本。
施工成本包括人工、材料、设备等方面的费用。
通过计算施工成本,可以评估工程的经济性和可行性。
3.3 结算工程费用根据施工方案和施工成本,可以进行工程费用的结算。
工程费用的结算包括劳务费、材料费、设备费等方面的费用。
结算工程费用是评估工程质量和计划执行情况的重要指标。
4. 结论本文档对基坑支护锚杆工程的施工方案计算和结算进行了详细描述。
第二部分基坑支护结构的计算支护结构的设计和施工,影响因素众多,不少高层建筑的支护结构费用已超过工程桩基的费用。
为此,对待支护结构的设计和施工均应采取极慎重的态度,在保证施工安全的前提下,尽量做到经济合理和便于施工。
一、支护结构承受的荷载支护结构承受的荷载一般包括–土压力–水压力–墙后地面荷载引起的附加荷载。
1 土压力⑴主动土压力:若挡墙在墙后土压力作用下向前位移时随位移增大,墙后土压力渐减小。
当位移达某一数值时,土体内出现滑裂面,墙后土达极限平衡状态,此时土压力称为主动土压力,以Ea表示。
⑵静止土压力:若挡墙在土压力作用下墙本身不发生变形和任何位移(移动或滑动),墙后填土处于弹性平衡状态,则此时作用在挡墙上的土压力成为静止土压力。
以E0表示。
(3)被动土压力:若挡墙在外力作用下墙向墙背向移动,随位移增大,墙所受土的反作用力渐增大,当位移达一定数值时,土体内出现滑裂面,墙后土处被动极限平衡状态,此时土压力称为被动土压力,以Ep表示。
主动土压力计算•主动土压力强度•无粘性土粘性土土压力分布对于粘性土按计算公式计算时,主动土压力在土层顶部(H=0处)为负值,即表明出现拉力区,这在实际上是不可能发生的。
只计算临界高度以下的主动土压力。
土压力分布可计算此种情况下的临界高度Zc,进而计算临界高度以下的主动土压力。
被动土压力计算被动土压力强度•无粘性土粘性土计算土压力时应注意•不同深度处土的内聚力C不是一个常数,它与土的上覆荷重有关,一般随深度的加大而增大,对于暴露时间长的基坑,土的内聚力可由于土体含水量的变化和氧化等因素的影响而减小甚至消失。
•、C 值是计算侧向土压力的主要参数,但在工程桩打设前后的、C值是不同的。
在粘性土中打设工程桩时,产生挤土现象,孔隙水压力急剧升高,对、C值产生影响。
另外,降低地下水位也会使、C值产生变化。
水压力作用于支护结构上的水压力一般按静水压力考虑。
有稳态渗流时按三角形分布计算。
深基坑桩锚支护三种计算方法分析与监测对比作者:张津铭等来源:《科协论坛·下半月》2013年第12期摘要:以北京市某深基坑支护工程为背景,通过三种多层支撑结构常用分析方法,进行计算设计,结合该深基坑支护工程监测数据,证明逐层开挖支撑力不变法对本工程的适应性,该基坑采用这种桩锚支护方案,总体可行,研究结果为北京地区的深基坑设计与施工提供参考。
关键词:桩锚支护等值梁法逐层开挖支撑力不变法监测中图分类号:TU753 文献标识码:A 文章编号:1007-3973(2013)012-008-03近年来城市的地下空间开发和高层建筑的建设,我国的深基坑工程日益增多,随着基坑越来越深,为了减少支护桩的弯矩可以设置多层支护,支护层数及位置要根据土质、坑深、支撑结构的材料强度,以及施工要求等因素拟定。
目前对多支撑支护结构的计算方法很多,一般有等值梁法;支撑荷载的1/2分担法,逐层开挖支撑力不变等。
但是对哪种方法更适用于工程设计,大家尚未得出定论。
对于深基坑支护结构,若设计时选择的计算方法错误,导致支护位移过大,则有可能导致坑周土体产生较大沉降、近邻房屋及城市道路沉陷开裂、地下管网破坏等病害而造成严重后果。
因此,研究支护结构设计时采用何种计算方法具有重要的工程指导意义。
1 分析方法1.1 等值梁法等值梁法的基本原理是假定墙后土体完全处于郎肯主动状态,坑底以下墙前土体处于郎肯被动状态,将主动和被动土压力叠加后为零的点或弯矩为零的点简化为铰支座,并以支撑点作为支座,按连续梁求解墙体的弯矩和支承点的反力。
其计算步骤如下:(1)按照土的参数计算土压力系数。
根据桩长和场地土强度指标的加权平均值,从而计算被动和被动土压力系数。
其中被动土压力系数可按照下式计算:式中:KP为被动土压力系数,为土的内摩擦角系数,为桩土间的摩擦角,为至。
(2)计算土压力为零点至基坑地面的距离:(3)分段计算梁的固端弯矩。
对于多层支撑挡土墙,采用“分段等值梁叠加法”进行计算。
如图1所示,梁ab的b端固定,另一端a剪支,其正负弯矩的转折点为c,若将梁ab在点c切断并于c点置于一自由支承,形成新的ac梁,此时ac梁上的弯矩与原ab梁上ac段上的弯矩相同,即可称ac梁为ab梁上ac段的等值梁。
三、基坑多锚桩支护内力计算1.基坑多锚桩支护内力计算分层方法的基本思想基坑多锚桩支护内力计算的分层方法考虑了基坑开挖的过程中内力的动态变化,其基本思想[图2]包括以下五个方面:(1)在设计第i层锚杆时,假设开挖到第i+1层锚杆的位置。
(2)每层支撑受力后,不因下阶段的开挖支撑设置而改变其大小。
(3)每层支撑后,其支点可按简支考虑。
(4)逐层挖土支撑时,皆须考虑坑下零弯矩位置,即采用等值梁计算时,必须知道正负弯矩的转折点的位置,根据基坑工程手册,坑底以下作用于桩上土压力为零的位置(主动土压力强度与被动土压力强度相等处),与桩上正负弯矩的转折点的位置很接近,为使计算简化,用土压力为零的位置代替正负弯矩的转折点的位置。
(5)在计算第i层锚杆的反力时,第i+1层锚杆的深度即为计算时采用的基坑深度,当设计最下面一层锚杆的反力时,计算时采用的深度为实际基坑开挖深度。
2.土压力及水压力计算的简化及计算本计算采用朗肯土压力理论来计算主动土压力、被动土压力、主动土压力强度和被动土压力强度。
计算时,由于粘性土的朗肯土压力表达式比非粘性土复杂,为了简化,对深基坑工程常采用等代内摩擦角计算,等代内摩擦角有多种代换方法,即令C=0,而适当增大Ф值,每种代换都能对结果产生不同程度的影响,本计算采用以下方法:粘聚力每增加0.01MPa,Ф增加3~7度,平均取5度[1];在考虑地下水对支护结构的侧压力时,地下水位以下的粘性土,计算侧压力时采用水土合算,即采用土体的饱和强度及重度参数进行计算;在计算水压力时,在地下水位以下的砂土采用水土分算,即土体采用浮重度加上水的压力;为了简化计算,方便设计,对各层的土性参数指标进行加权平均。
第二部分基坑支护结构的计算支护结构的设计和施工,影响因素众多,不少高层建筑的支护结构费用已超过工程桩基的费用。
为此,对待支护结构的设计和施工均应采取极慎重的态度,在保证施工安全的前提下,尽量做到经济合理和便于施工。
一.支护结构承受的荷载支护结构承受的荷载一般包括- 土压力-水压力-墙后地面荷载引起的附加荷载。
1 土压力⑴主动土压力:若挡墙在墙后土压力作用下向前位移时随位移增大,墙后土压力渐减小。
当位移达某一数值时,土体内岀现滑裂面,墙后土达极限平衡状态,此时土压力称为主动土压力,以Ea表示。
⑵静止土压力:若挡墙在土压力作用下墙本身不发生变形和任何位移(移动或滑动),墙后填土处于弹性平衡状态,则此时作用在挡墙上的土压力成为静止土压力。
以E0表示。
(3)被动土压力:若挡墙在外力作用下墙向墙背向移动,随位移增大,墙所受土的反作用力渐增大,当位移达一定数值时,土体内出现滑裂面,墙后土处被动极限平衡状态,此时土压力称为被动土压力,以Ep表示。
主动土压力计算•主动土压力强度•无粘性土粘性土土压力分布对于粘性土按计算公式计算时,主动土压力在土层顶部(H=0处)为负值,即表明出现拉力区,这在实际上是不可能发生的。
只计算临界髙度以下的主动土压力。
土压力分布可计算此种情况下的临界高度Zc,进而计算临界高度以下的主动土压力。
百度文库•让每个人平零地提升自我被动土压力计算被动土压力强度•无粘性土粘性土计算土压力时应注意•不同深度处土的内聚力C不是一个常数,它与土的上覆荷重有关,一般随深度的加大而增大,对于暴露时间长的基坑,土的内聚力可由于土体含水量的变化和氧化等因素的影响而减小甚至消失。
•. C值是计算侧向土压力的主要参数,但在工程桩打设前后的.C值是不同的。
在粘性土中打设工程桩时,产生挤土现象,孔隙水压力急剧升髙,对.c值产生影响。
另外,降低地下水位也会使.C值产生变化。
水压力作用于支护结构上的水压力一般按静水压力考虑O有稳态渗流时按三角形分布计算。
基坑内支撑轴力计算公式基坑支撑轴力计算公式是基于尼尔森-牛顿第二定律,考虑到地质条件、支撑方式、土体参数等因素,用来评估基坑支撑系统的稳定性和安全性。
其计算过程需要考虑支撑材料的应力-应变关系、土体应力分布、地下水压力等要素。
以下是基坑支撑轴力计算公式的详细解析和应用。
一、基坑支撑平衡条件:基坑支撑平衡条件是保证支撑系统内力平衡的基本条件。
对于简单的基坑支撑问题,可以根据力的平衡条件来计算支撑轴力。
支撑系统内力平衡方程为:ΣF=0其中,ΣF为支撑轴力的合力。
根据支撑材料的应力-应变关系以及土体力学参数,可以进一步列出支撑轴力的计算公式。
二、基坑支撑轴力计算公式:1.桩木支护法:对于桩木支护法的基坑,由于支撑材料桩木的刚度相对较大,可以忽略土体的刚度,支撑轴力由桩木传递。
支撑轴力计算公式如下:N=V/Nc其中,N为支撑轴力,单位为kN;V为地下水压力,单位为kPa;Nc为桩材材料特性指标,单位为kN/kPa。
2.土钉支护法:土钉支护法是一种常见的基坑支撑方式,其支撑轴力由土钉和土体之间的摩擦力传递。
支撑轴力计算公式如下:N=(τ-σ)A其中,N为支撑轴力,单位为kN;τ为土钉与土体之间的摩擦力,单位为kPa;σ为土体的有效应力,单位为kPa;A为土钉截面积,单位为m²。
3.垂直支撑法:垂直支撑法是一种常用于较小深度基坑的支撑方式,其支撑轴力主要由支撑材料对土体的压力传递。
支撑轴力计算公式如下:N=P其中,N为支撑轴力,单位为kN;P为支撑材料对土体的压力,单位为kPa。
三、基坑支撑轴力计算应用:基坑支撑轴力计算需要根据具体的支撑方式、土质条件和地下水情况进行合理选择和计算。
在实际应用中,可以结合现场调查数据、试验数据和相关规范的规定进行具体计算。
此外,基坑支撑轴力计算还需要考虑土体的应力分布、支撑材料的特性以及土体和支撑材料之间的相互作用等因素。
总之,基坑支撑轴力计算是保证基坑支撑系统稳定和安全的重要环节,需要结合实际情况和相关规范进行合理选择和计算。
支护结构内力计算方法
支护结构内力计算方法是指通过分析支护结构的受力情况,确定支护结构内部的受力分布和大小的方法。
支护结构内力计算方法主要包括以下两种方法:
1.静力分析法:静力分析法是指通过平衡支护结构上下两侧的受力,来求解支护结构内力的方法。
在静力分析法中,通常采用杆件模型来模拟支护结构,然后根据杆件的受力平衡条件,利用静力学原理来求解支护结构的内力。
2.有限元法:有限元法是一种数值计算方法,通过将支护结构分割成许多小单元,并将每个小单元看作一个简单的结构,然后利用连续性原理和平衡条件,利用数学计算方法求解支护结构内力的方法。
在实际工程中,为了确保支护结构的稳定性和安全性,需要对支护结构进行内力计算,以确定结构的受力情况,并根据计算结果来进行支护结构的设计和优化。
- 1 -。
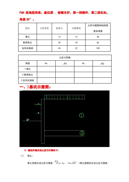
FGH段地层信息:基坑深7.3m , 桩锚支护,第一排锚杆2.2m, 第二排在4.7m处,角度30°。
一、)基坑示意图:1)基坑外侧主动土压力计算如下:(1)填土:=q p p1- 填土顶部主动土压力强度:p上p12p1√pp1=20x0.6558-2x12x0.8098=-6.32Kpa=(p1ℎ1+q)p p1-2p1√pp1= 填土底部的主动土压力强度:p下p1=(18.3x10.5+20)x0.6558-2x12x0.8098=119.69kpa(2)粉质粘土:粉质粘土顶部的主动土压力强度:p p2上= (p 1*ℎ1+q )p p2 -2p 2√pp2 = =(18.3x10.5+20)x0.5278-2x12x0.7265=94.54kpa粉质粘土底部的主动土压力强度:p p2下=(p 1*ℎ1 +p 2*ℎ2+q )p p2-2p 2√pp2 ==(18.3x10.5+19.8x1.8+20)x0.5278-2x12x0.7265=113.35kpa (3) 临界深度:Z p =2p 1/ p 1√pp1 – q/p 1=2x12/18.3x0.8098-20/18.3=0.53m2)第一层锚杆计算:基坑开挖到5.2m ,设置第一排锚杆的水平分力为T1。
1) 此时基坑开挖深度为h =h .hh , 基坑外侧底部的主动土压力强度:p p1坑底=(p 1*ℎ+q )p p1-2p 1√pp1 =(18.3x5.2+20)x0.6558-2x12x0.8098=56.09kpa基坑内侧的被动土压力强度:p p1坑底= 2p 1√pp1=2x12x1.2350=29.64kpa.p p1下=p 1(ℎ1- ℎ)p p1+2p 1√pp1= 18.3x(10.5-5.2)x1.5252+2x12x1.2350=177.57kpa.知:p p1下 < p p1下 , p p1坑底 < p p1坑底知铰点位于坑底与填土层间:设铰点为o, 距离坑底y m.h hh =h hhh hh = p 1y p p1+2p 1√pp1 = y18.3x1.5252+2x12x1.2350=27.91y+29.64 h hh=[q+p 1(h+y)]p p1-2p 1√pp1=[20+18.3(5.2+y)]x0.6558-2x12x0.8098=12y+56.08解得: y=1.66m2)设置第一排锚杆的水平分力为T1,铰点以上土层及锚杆力对铰点起矩平衡。
桩锚基坑支护结构设计计算书1、支护结构计算(一)AB段支护结构计算地面标高为-0.6米,地下水位位于-3.3米,基坑开挖至-13.35米,基坑实际开挖深度为12.75米,地表附加荷载取为q=20.0KPa。
采用人工挖孔桩加三道锚索进行支护,基坑侧壁安全等级为一级,基坑重要性系数为1.1。
----------------------------------------------------------------------[ 支护方案 ]----------------------------------------------------------------------排桩支护---------------------------------------------------------------------- [ 基本信息 ]-------------------------------------------------------------------------------------------------------------------------------------------- [ 放坡信息 ]-------------------------------------------------------------------------------------------------------------------------------------------- [ 超载信息 ]-------------------------------------------------------------------------------------------------------------------------------------------- [ 土层信息 ]-------------------------------------------------------------------------------------------------------------------------------------------- [ 土层参数 ]-------------------------------------------------------------------------------------------------------------------------------------------- [ 支锚信息 ]-------------------------------------------------------------------------------------------------------------------------------------------- [ 土压力模型及系数调整 ]----------------------------------------------------------------------弹性法土压力模型: 经典法土压力模型:---------------------------------------------------------------------- [ 设计结果 ]---------------------------------------------------------------------- ---------------------------------------------------------------------- [ 结构计算 ]---------------------------------------------------------------------- 各工况:内力位移包络图:地表沉降图:---------------------------------------------------------------------- [ 截面计算 ]---------------------------------------------------------------------- [ 截面参数 ][ 内力取值 ]---------------------------------------------------------------------- [ 锚杆计算 ]---------------------------------------------------------------------- [ 锚杆参数 ][ 锚杆内力 ][ 锚杆自由段长度计算简图 ]----------------------------------------------------------------------[ 整体稳定验算 ]----------------------------------------------------------------------计算方法:瑞典条分法应力状态:总应力法条分法中的土条宽度: 1.00m滑裂面数据整体稳定安全系数 K s = 2.268圆弧半径(m) R = 22.096圆心坐标X(m) X = -1.074圆心坐标Y(m) Y = 11.749----------------------------------------------------------------------[ 抗倾覆稳定性验算 ]----------------------------------------------------------------------抗倾覆安全系数:M p——被动土压力及支点力对桩底的弯矩, 对于内支撑支点力由内支撑抗压力决定;对于锚杆或锚索,支点力为锚杆或锚索的锚固力和抗拉力的较小值。
深基坑支护设计 3设计单位:X X X 设计院设计人:X X X设计时间:2016-04-11 11:55:10----------------------------------------------------------------------[ 支护方案 ]----------------------------------------------------------------------排桩支护----------------------------------------------------------------------[ 基本信息 ][ 放坡信息 ][ 超载信息 ][ 附加水平力信息 ][ 土层信息 ][ 土层参数 ][ 支锚信息 ][ 土压力模型及系数调整 ]----------------------------------------------------------------------[ 工况信息 ][ 设计结果 ]--------------------------------------------------------------------------------------------------------------------------------------------[ 结构计算 ]----------------------------------------------------------------------各工况:内力位移包络图:地表沉降图:----------------------------------------------------------------------[ 冠梁选筋结果 ][ 环梁选筋结果 ][ 截面计算 ]----------------------------------------------------------------------钢筋类型对应关系:d-HPB300,D-HRB335,E-HRB400,F-RRB400,G-HRB500,P-HRBF335,Q-HRBF400,R-HRBF500[ 整体稳定验算 ]----------------------------------------------------------------------计算方法:瑞典条分法应力状态:有效应力法条分法中的土条宽度: 0.40m滑裂面数据整体稳定安全系数 K s = 1.619圆弧半径(m) R = 15.313圆心坐标X(m) X = -0.492圆心坐标Y(m) Y = 7.058----------------------------------------------------------------------[ 抗倾覆稳定性验算 ]----------------------------------------------------------------------抗倾覆安全系数:M p——被动土压力及支点力对桩底的抗倾覆弯矩, 对于内支撑支点力由内支撑抗压力决定;对于锚杆或锚索,支点力为锚杆或锚索的锚固力和抗拉力的较小值。
FGH段地层信息:基坑深7.3m , 桩锚支护,第一排锚杆2。
2m,第二排在4。
7m处,角度30°。
地层天然重度粘聚力内摩擦角土体与锚固体粘结强度标准值填土18.3 12 12 30粉质粘土19。
8 30 18 60全风化砾岩20.5 45 22 100土压力系数地层Ka Kp1填土0.6558 0。
8098 1.5252 1。
2350 2粉质粘土0.5278 0.7265 1.8945 1。
37643全风化砾岩0.4550 0。
6745 2.1981 1.4826 一、)基坑示意图:1)基坑外侧主动土压力计算如下:(1)填土:填土顶部主动土压力强度:=q—2=20x0。
6558-2x12x0。
8098=—6.32Kpa填土底部的主动土压力强度:=(+q)-2==(18.3x10。
5+20)x0。
6558—2x12x0。
8098=119.69kpa(2)粉质粘土:粉质粘土顶部的主动土压力强度:= (*+q)-2==(18.3x10.5+20)x0。
5278—2x12x0。
7265=94.54kpa粉质粘土底部的主动土压力强度:=(*+*+q)-2= =(18.3x10.5+19。
8x1。
8+20)x0.5278—2x12x0.7265=113.35kpa(3)临界深度:=2/– q/=2x12/18。
3x0。
8098-20/18。
3=0.53m2)第一层锚杆计算:基坑开挖到5。
2m,设置第一排锚杆的水平分力为T1。
1)此时基坑开挖深度为,基坑外侧底部的主动土压力强度:=(*+q)-2=(18。
3x5。
2+20)x0。
6558—2x12x0.8098=56.09kpa基坑内侧的被动土压力强度:= 2=2x12x1.2350=29。
64kpa.=(—)+2= 18。
3x(10。
5-5.2)x1.5252+2x12x1.2350=177.57kpa. 知:< ,<知铰点位于坑底与填土层间:设铰点为o,距离坑底y m。
翡翠华庭支护桩---------------------------------------------------------------------- [ 支护方案 ]---------------------------------------------------------------------- 排桩支护---------------------------------------------------------------------- [ 基本信息 ]---------------------------------------------------------------------- [ 放坡信息 ]---------------------------------------------------------------------- [ 超载信息 ]---------------------------------------------------------------------- [ 附加水平力信息 ]---------------------------------------------------------------------- [ 土层信息 ]---------------------------------------------------------------------- [ 土层参数 ]---------------------------------------------------------------------- [ 支锚信息 ]---------------------------------------------------------------------- [ 土压力模型及系数调整 ]---------------------------------------------------------------------- 弹性法土压力模型: 经典法土压力模型:---------------------------------------------------------------------- [ 工况信息 ]-------------------------------------------------------------------------------------------------------------------------------------------- [ 设计参数 ]-------------------------------------------------------------------------------------------------------------------------------------------- [ 设计结果 ]-------------------------------------------------------------------------------------------------------------------------------------------- [ 结构计算 ]---------------------------------------------------------------------- 各工况:内力位移包络图:地表沉降图:---------------------------------------------------------------------- [ 冠梁选筋结果 ]-------------------------------------------------------------------------------------------------------------------------------------------- [ 环梁选筋结果 ]-------------------------------------------------------------------------------------------------------------------------------------------- [ 截面计算 ]----------------------------------------------------------------------钢筋类型对应关系:d-HPB300,D-HRB335,E-HRB400,F-RRB400,G-HRB500,P-HRBF335,Q-HRBF400,R-HRBF500---------------------------------------------------------------------- [ 锚杆计算 ]----------------------------------------------------------------------[ 锚杆自由段长度计算简图 ]---------------------------------------------------------------------- [ 整体稳定验算 ]----------------------------------------------------------------------计算方法:瑞典条分法应力状态:总应力法条分法中的土条宽度: 0.40m滑裂面数据圆弧半径(m) R = 16.031圆心坐标X(m) X = -1.231圆心坐标Y(m) Y = 9.902整体稳定安全系数 K s = 1.427 > 1.30, 满足规范要求。
FGH段地层信息:基坑深7.3m , 桩锚支护,第一排锚杆2.2m, 第二排在4.7m处,角度30°。
一、)基坑示意图:1)基坑外侧主动土压力计算如下:(1)填土:=q p p1- 填土顶部主动土压力强度:p上p12p1√pp1=20x0.6558-2x12x0.8098=-6.32Kpa=(p1ℎ1+q)p p1-2p1√pp1= 填土底部的主动土压力强度:p下p1=(18.3x10.5+20)x0.6558-2x12x0.8098=119.69kpa(2)粉质粘土:粉质粘土顶部的主动土压力强度:p p2上= (p 1*ℎ1+q )p p2 -2p 2√pp2 = =(18.3x10.5+20)x0.5278-2x12x0.7265=94.54kpa粉质粘土底部的主动土压力强度:p p2下=(p 1*ℎ1 +p 2*ℎ2+q )p p2-2p 2√pp2 ==(18.3x10.5+19.8x1.8+20)x0.5278-2x12x0.7265=113.35kpa (3) 临界深度:Z p =2p 1/ p 1√pp1 – q/p 1=2x12/18.3x0.8098-20/18.3=0.53m2)第一层锚杆计算:基坑开挖到5.2m ,设置第一排锚杆的水平分力为T1。
1) 此时基坑开挖深度为h =h .hh , 基坑外侧底部的主动土压力强度:p p1坑底=(p 1*ℎ+q )p p1-2p 1√pp1 =(18.3x5.2+20)x0.6558-2x12x0.8098=56.09kpa基坑内侧的被动土压力强度:p p1坑底= 2p 1√pp1=2x12x1.2350=29.64kpa.p p1下=p 1(ℎ1- ℎ)p p1+2p 1√pp1= 18.3x(10.5-5.2)x1.5252+2x12x1.2350=177.57kpa.知:p p1下 < p p1下 , p p1坑底 < p p1坑底知铰点位于坑底与填土层间:设铰点为o, 距离坑底y m.h hh =h hhh hh = p 1y p p1+2p 1√pp1 = y18.3x1.5252+2x12x1.2350=27.91y+29.64 h hh=[q+p 1(h+y)]p p1-2p 1√pp1=[20+18.3(5.2+y)]x0.6558-2x12x0.8098=12y+56.08解得: y=1.66m2)设置第一排锚杆的水平分力为T1,铰点以上土层及锚杆力对铰点起矩平衡。
深基坑开挖滑动面与支护锚杆内力的计算马文国;王兰民;李学丰;杨有贞【摘要】以银川地区某商业综合体的深基坑开挖支护为对象,研究深基坑开挖过程中使用中空注浆锚杆护坡的机理。
首先对深基坑分步开挖没有锚杆支护产生的塑性应变及水平位移进行了计算,确定了边坡滑动面的位置,计算出的无支护分层开挖深基坑所形成的塑性贯通区域和瑞典法计算的滑动面相似。
其次根据滑动面的位置选择锚杆的支护方式和长度,对设计采用的锚杆的内力进行了计算,锚杆的受力随着开挖而动态变化。
计算结果说明,中空注浆锚杆护坡是一种经济可行的加固措施。
%T he supports for the evacuation of deep foundation pit of a commercially integrated building in Yinchuan, Ningxia autonomous region was taken as the object. T he mechanism of hollow grouting bolt in the process of evacuation for slope protection was researched. Firstly,the plastic stress and lateral displacement of layer evacuation process with no bolt supporting are calculated. And then the location of the sliding surface was identified. T he plastic through area without supporting layer excavation of deep foundation pit is similar to the sliding surface calculated by the Sweden method. Secondly,according to the location of the sliding surface to choose the supporting approach and length,then carries out internal force calculation for the bolt used. T he internal force changes w ith the proceed of the excavation. T he results indicate that the hollow grouting bolt is an economical and practical choice for reinforcement.【期刊名称】《铁道建筑》【年(卷),期】2015(000)011【总页数】3页(P58-60)【关键词】深基坑;滑动面;中空注浆锚杆;内力【作者】马文国;王兰民;李学丰;杨有贞【作者单位】兰州大学土木工程与力学学院,甘肃兰州 730000; 宁夏大学物理电气信息学院固体力学研究所,宁夏银川 750021;兰州大学土木工程与力学学院,甘肃兰州 730000; 中国地震局黄土地震工程重点实验室,甘肃兰州 730000;宁夏大学物理电气信息学院固体力学研究所,宁夏银川 750021;宁夏大学物理电气信息学院固体力学研究所,宁夏银川 750021【正文语种】中文【中图分类】U417.1+16基坑工程是岩土工程的重要组成部分,它是指建筑物基础工程或地下工程施工中所进行的基坑开挖、降水、支护和土体加固以及监测等综合性工程。