卧(立)式容器容积计算
- 格式:xls
- 大小:155.50 KB
- 文档页数:4
卧式容器计算计算单位sw6
计算方法:NB/T 47042-2014《卧式容器》
计算条件简图
压力腔排列型式A-B -
附加集中质量个数 3 个
附加均布质量个数1个
筒体段数2段
鞍座个数 2 个
均布于设备全长的附件(隔热层、小
172kg
接管等)重量
设计基本地震加速度七度(0.15g) m/s2
压力腔数据压力腔A压力腔B
设计压力0.65 0.20 MPa 设计温度220 125 ℃压力试验压力0.869 0.869 MPa 压力试验类型水压试验水压试验- 工作物料密度744.9 914.8 kg/m3工作物料充装系数 1.00 1.00 - 筒体数据筒体一筒体二筒体三
内直径500 1000 mm 轴线到基础的高度458 708 mm 名义厚度10 8 mm 焊接接头系数0.85 0.85 - 腐蚀裕量 2 0 mm 厚度负偏差0.3 0.3 mm 筒体材料名称Q345R S31603 - 筒体材料类别(板材/管材/锻件) 板材板材- 筒体长度543 3000 mm 筒体材料设计温度下许用应力176.60 118.50 MPa 筒体材料常温下许用应力189.00 120.00 MPa 筒体材料设计温度下屈服限265.00 138.50 MPa 筒体材料常温下屈服限345.00 180.00 MPa
注: 带#的材料数据是设计者给定的,下同。
a。
钢制压力容器GB150—1998引言随着科学技术的发展,科技成果的应用,使标准不断完善,在GB150-1998《钢制压力容器》标准的基础上,结合中国国情,合理采用了美国ASME Ⅷ-1卷、日本JISB8370~8285标准的最新成果,修订了原标准的不合理的或与其它标准法规不相吻合的部分内容,制订了GB150-1998《钢制压力容器》标准。
在制订GB150-98标准时,遵循了以下几条原则。
撤消了部分单元设备和自成体系的受压元件设计内容,另行制订产品标准,使GB150成为压力容器的基础标准。
将GB150-89第8章“卧式容器”从标准中分离出来,这部分内容将单独出标准JB4731-98《钢制卧式容器》,现已报批。
将第9章“直立容器”和相关的附录F“直立容器高振型计算”从标准中分离出来,这部分内容将纳入修订后的JB4710-92《钢制塔式容器》之中,成为塔式容器的产品标准。
撤消附录E“U型膨胀节”,独立出新标准GB16749-97《压力容器波形膨胀节》,已于1997年8月1日实施。
撤消附录H“钢制压力容器渗透探伤”和附录L例题,前者并入JB4730-94《压力容器无损检测》加第1号修改单,后者尚未编制出来。
充分体现近年来在冶金、制造和无损检测等方面的技术进步,使标准能够反映和应用各行业技术进步的成果和适应行业发展的要求。
例如新增加撤消了一些钢材的牌号,严格了钢板超声检测的要求。
以实施中取得的经验为依据,修正原标准中的错误和不足,完善标准的技术内容,力求先进。
充分协调本标准和相关标准、法规在技术内容上的一致性,以利于将标准用于产品设计、制造、检验和验收的各个环节。
1998年3月国家技术监督局发布了GB150-1998《钢制压力容器》标准,并要求从1998年10月1日起执行。
学习和贯彻新GB150标准是提高压力容器质量,保证压力容器安全使用的前提。
为了更好地了解、学习和贯彻新GB150,本文将新、旧GB150标准中的主要变化,以表格方式逐项对比,在比较项目中,为了做到准确,读者便于查阅,尽可能摘引部分原文或对有关规定加以阐述。
符号
L(m)R t(m)h(m)hi(m)(E3-D3)/D3Vt(m3)Vf(m3)V(m 3)数值2100.0001000.0001000.000500.0000.0003298672230.000523598766.6673822270996.667卧式椭圆形封头容器不同液位的体积计算
Dt ——筒体内径,m Rt——筒体或球形封头内半径,m h ——液面高度,m V——卧式容器体积,m3hi ——封头曲面深度,m (标准型:hi=1/2Rt ) Vt——筒体部分体积,m3
L ——筒体长度(含封头直边高度),m Vf——封头部分体积,m3
1、 筒体内液体体积计算(如上图):
筒体的截面积方程:X 2+Y 2=Rt 2 故:X=(Rt 2-Y 2)1/2
因此:液面高度为h 时筒体内液体的体积:
2、椭圆封头内液体体积计算(如上图):
椭圆封头的椭球面方程:
]2
arcsin 2)^(1[2^2^2^2π+-+--∙-∙=-=⎰--Rt Rt h Rt Rt h Rt Rt h Rt L dy
y Rt L Vt Rt
h Rt 2^2^2^)/(12
^2^2^2^2^y x Rt Rt hi z hi z Rt y x --=∴=++
因此:当容器内的液面高度为h 时,封头内液体的体积:
]33^233)^()(2^[22^2^2^22^2^0Rt Rt h Rt h Rt Rt hi dx y x Rt dy Rt hi zdxdy
Vf y Rt Rt h Rt
f ----=--==⎰⎰⎰⎰---π。
卧式容器液位与体积的关系The relations between volume and liquid heights in horizontal vessels江峡船舶柴油机厂 HYC摘 要:推导了卧式容器不同液位时的体积计算公式,利用计算机程序或EXCEL 可以方便的使用其结果。
关 键 词:卧式容器;体积;液位;计算;EXCEL设计和使用中常需知道容器内液体的液位与所占容积的关系,本文推导一般卧式容器液位与体积的关系,解决了卧式容器液位与体积的关系问题。
1.公式推导 1.1.圆柱筒体圆柱筒体液位与体积关系实为液位与圆面积关系见图1,圆方程为x 2+y 2=R 2,有:22dv l ds l x dy l dy =⋅=⋅⋅=⋅ 液位为h 时的体积为: ()2R hRV h dv l dy -+-==⋅⎰⎰2222()2(arcsin()2((arcsin )(2(arccos (R hRV h l dyh R l R R h R R h R l R R h R R hR R h lR ππ-+-=⋅-=⋅---=⋅+---=--⋅⎰1.2.椭圆柱筒体椭圆柱筒体液位与体积关系实为液位与椭圆面积关系见图2,椭圆方程为x 2/a 2+y 2/b 2=1,有:22dv l ds l x dy l dy =⋅=⋅⋅=⋅ 液位为h 时的体积为: ()2b hbV h dv l dy -+-==⋅⎰⎰222arccos )2b h b a l dy ba b b h l b b-+-=⋅-=⋅⎰1.3.标准椭圆封头(不含直边段)卧式椭圆封头液位与体积关系见图3。
液面为半椭圆,其面积S=πab/2;封头椭圆方程为4x 2 +y 2= R 2;轴垂面是圆,圆方程为z 2+y 2=R 2。
则有:a z==b x==22/2()/4s ab R yπππ===-液位为h时的体积为:22()()/4R h R hR RV h dv s dy R y dyπ-+-+--==⋅=-⋅⎰⎰⎰{}22233232233232()()41((())()()431(33)431()431()43R hRV h R y dyR R h R R h RR h R R h Rh h RRh hh R hπππππ-+-=-⋅⎧⎫=-+---⋅-+--⎨⎬⎩⎭⎧⎫=-⋅-+-++⎨⎬⎩⎭=-=-⎰2.公式应用2.1.卧式标准椭圆封头容器液位与体积关系根据1.1、1.3条公式得出卧式标准椭圆封头容器体积计算公式:)3(2)2)(arccos ()3(42)2)(arccos(222222hR h l R hR h R R h R R hR h l R hR h R R h R R V j -+⋅----=⋅-⋅+⋅----=ππ 2.2.卧式椭圆容器液位与体积关系卧式椭圆容器一般只有平封头或近似平封头,根据1.2条公式可计算其体积3.卧式椭圆封头容器体积计算公式在EXCEL 中的实际运用压力容器在设计和使用中不仅需要知道液位与体积关系,按《压力容器安全监察规程》还需要知道在不同温度下容器最大充液高度,在EXCEL 中使用本文公式非常方便,可避免复杂的计算,下面是我实际运用中的一个模式,见图4,只需输入公式和适当调整液位高度即可。
差压计计算液位公式一、计算液位的高度(卧罐计算公式)h(m)=P/(ρ气*g)P=差压变送器测到的值,单位为Kpaρ气=0.45~0.48(看流量计正常加气后的最大密度值,可设置,单位:g/cm2)g=9.8 重力加速度(m/s2)二、计算储罐容积(1)如果h<r时(r为内罐容器的半径,单位m,项目为1.2m)角度L AOB=2*arccos((r-h)/r),单位为弧度截面积S=πr2*L AOB/(2π)-(1/2)*r2*sinL AOB显示体积=S*罐长度(项目罐长度12.1米)(2)如果h=r时(r为内罐容器的半径,单位m,项目为1.2m)截面积S=(1/2)* πr2显示体积=S*罐长度(项目罐长度12.1米)(3)如果h>r时(r为内罐容器的半径,单位m,项目为1.2m)角度L AOB=2*arccos((h-r)/r),单位为弧度截面积S=πr2*(2π-L AOB)/(2π)+(1/2)*r2*sinL AOB u显示体积=S*罐长度(项目罐长度12.1米)二、线性换算公式(适用在立罐)(V代表压差,V_H代表压差的下一次,V_L代表本次压差,H,为液位的下一次,L为当前液位)首先把下一次压差和当前压力想减得到在某个区间中的压力值,然后液位也同样想减得到在这个区间内液位的大小,然后把现场采集来的压差减去当前压差得到实际压差H-L=值1V_H-V_L = 值2压力差-V_L = 值3根据区间计算出来的液位和压差,相除得到了每kpa多少立方,然后通过现场压差和储罐的当前压差想减的值相乘得到的当前压差的液位,然后在加上储罐在上一区间的压差液位,既到的了液位值1/值2 = 值4值4/值3 = 值5值5+L= 液位。
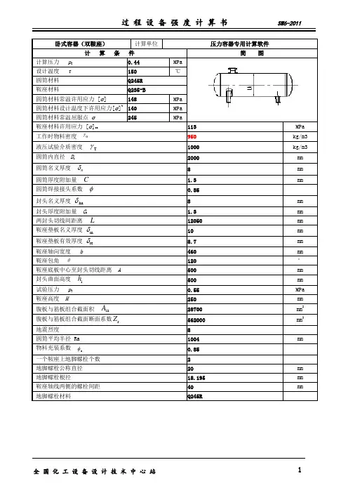
卧式容器计算1.卧式容器的强度计算 1.1支座反力按下式计算:2mgF =式中:F —每个支座的反力,N ;m —容器质量(包括容器自身质量、充满水或充满介质的质量、所有附件质量及隔热层等质量),Kg ;g —重力加速度,取g=9.812/s m 1.2圆筒轴向应力 1.2.1 圆筒轴向弯矩计算圆筒轴向最大弯矩位于圆筒中间截面或鞍座平面上。
圆筒中间横截面上的轴向弯矩,按下式计算:⎥⎥⎥⎥⎦⎤⎢⎢⎢⎢⎣⎡-+-+=L A L h L h R FL M i i a 4341)(2142221式中:1M —圆筒中间处的轴向弯矩,mm N ⋅; F —每个支座的反力,N ; L —封头切线间的距离,mm ; a R —圆筒的平均半径,2/n i a R R δ+= i h —封头曲面深度,mm ;A —鞍座底板中心线至封头切线的距离,mm鞍座平面上的轴向弯矩,按下式计算:⎥⎥⎥⎥⎦⎤⎢⎢⎢⎢⎣⎡+-+---=L h AL h R L A FA M ii a 341211222式中:2M —支座处圆筒的轴向弯矩,mm N ⋅; F —每个支座的反力,N ;A —鞍座底板中心线至封头切线的距离,mm ; L —封头切线间的距离,mm ;a R —圆筒的平均半径,2/n i a R R δ+= i h —封头曲面深度,mm ; 1.2.2圆筒轴向应力计算1.2.2.1圆筒中间横截面上,由压力及轴向弯矩引起的轴向应力,按下面两式计算: 1)最高点处:ea e a c R M R p δδσ21114.32-=式中:1σ—圆筒中间处横截面内最高点的轴向应力,MPa ; c p —计算压力,MPa ;a R —圆筒的平均半径,2/n i a R R δ+= e δ—圆筒有效厚度,mm ;A —鞍座底板中心线至封头切线的距离,mm ; 1M —圆筒中间处的轴向弯矩,mm N ⋅; 2)最低点处:ea e a c R M R p δδσ21214.32+=由上面可得: 1.2.2.2鞍座平面上,由压力及轴向弯矩引起的轴向应力,按下面两式计算: 1)当圆筒在鞍座平面上或靠近鞍座处有加强圈或被封头加强(即2/a R A ≤)时,轴向应力3σ位于横截面最高点处;当圆筒未被加强时,3σ位于靠近水平中心线处:ea e a c R K M R p δδσ212314.32-=式中:3σ—支座处圆筒横截面内最高点出的轴向应力,MPa ; c p —计算压力,MPa ;a R —圆筒的平均半径,2/n i a R R δ+= e δ—圆筒有效厚度,mm ;2M —支座处圆筒的轴向弯矩,mm N ⋅;1K —系数,由JB/T4731-2005钢制卧式容器表7-1查得:1K =1)在横截面最低点处的轴向应力4σ: ea e a c R K M R p δδσ212414.32+=由上面可得: 1.2.3圆筒轴向应力的校核 对于操作状态下应满足下条件:1)计算得到41~σσ,取出最大拉应力(最大正值): {}[]t σφσσσσ≤4321,,,m a x 式中:φ—焊缝接头系数,此处取φ=[]tσ—设计温度下壳体材料的许用应力,MPa ;2)计算得到41~σσ,取出最大压应力(最小负值):}[]tac σσσσσ≤4321,,,min式中:[]tac σ—设计温度下壳体材料的轴向许用压缩应力,取[]tσ、B 中较小 者,MPa ; 对于操作状态下应满足下条件:1) 充满水未加压时计算得到41~σσ,取出最大压应力(最小负值): {}[]ac T T T T σσσσσ≤4321,,,min式中:[]ac σ—常温下容器壳体材料的轴向许用压缩应力,取0.9)(2.0p el R R 、0B 中 较小者,MPa ;2) 加压状态下计算得到41~σσ,取出最大拉应力(最大正值): {})(9.0,,,m a x 2.04321P el T T T T R R φσσσσ≤ 式中:φ—焊缝接头系数,此处取φ=)(2.0p el R R —圆筒材料在试验温度下的屈服强度或0.2%规定非比例延伸强 度,MPa ; 1.3切向剪应力1.3.1圆筒切向剪应力计算在圆筒支座处横截面上的剪应力,按下面两式计算。
椭圆形封头卧式容器不同液面高度的容积计算新疆工学院孟永彪在设计卧式容器时,常常要计算不同液面高度所对应的容积,有时还需列出容积—液位高度对照表或图。
例如,在盛装有毒有害介质的卧式储罐设计中,要根据体积充装系数确定最高液面高度并加以标识。
在一般资料中仅能查到容器的全容积计算公式,而要计算不同液面高度下的容积则需设计者自行推导公式计算。
本文以标准椭圆形封头卧式容器为例介绍不同液面高度下的容积计算方法,并以液化石油气储罐为例编制了QUICK BASIC程序,此法仅供大家参考。
1卧式容器的组成卧式容器是由筒体和两封头组焊而成(如图1),常用的封头为标准椭圆封头。
2卧式容器2.1计算简图及说明计算简图如图2。
L———筒体长度(两封头切线间的距离,含直边段长度)D i———封头及筒体内直径h i———封头曲面深度2.2不同液面高度下封头的容积计算如图2,可假想将卧式容器两端的曲面部分合并,则形成一个完整的椭球面。
2==i ih R c a 122222=++cz a y x )(21222y x a z +-=dxy x a dy h a y a )(2222022+-=⎰⎰--)323(23331a h h a V +-=π其中,a=b=R i因此,椭球面的方程为:推导出: 当容器内的液面高度为h 时(如图3所示)。
封头的容积公式推导:对其积分得从上式可看出,h 变化,V 1也随之变化。
2.3 不同液面高度筒体的容积计算在计算筒体的容积时,忽略尺寸公差及制造误差等因素,可将其断面方程为x 2+y 2=a 2的一圆柱体进行计算,那么如图3所示液面高度的筒体容积为:令:y=acos θ dy=-asin θd θdxdy y x a V s )(2122221+-=⎰⎰dx y x a dy h a y a y a )(2122222222+-=⎰⎰----dy y a L V h a⎰--=2222dy y a L h -=222当 y=-a 时,θ=π;当y=h 时,代入公式积分得:2.4 卧式容器在不同液面高度下的容积通过以上V 1,V 2的计算公式,可计算出卧式容器在不同液面高度下的容积之和V :3 利用QUICK BASIC 语言进行卧式容器的容积计算要计算不同液位高度下的容积以表格、曲线的形式列出是很麻烦的,因此本文利用简便易行的QB 编制程序,当然编程语言可以有多种,本文愿起到抛砖引玉的作用。
卧式容器容积计算卧式容器是一种常见的储存货物的容器,如储油罐、液压油箱等。
其储存单位通常是立方米(m³),计算卧式容器的容积就是要确定其长度、宽度和高度。
根据不同形状的卧式容器,可以采用不同的计算方法。
下面将分别介绍圆柱形、长方形和椭圆形卧式容器的容积计算方法。
1.圆柱形卧式容器圆柱形卧式容器通常用于储存液体或气体。
计算其容积可以按照以下步骤进行:步骤一:测量容器的长度(L)和直径(D)。
步骤二:计算半径(r):r=D/2举个例子,假设圆柱形卧式容器的长度为10米,直径为5米。
根据上述方法可以计算容积:r=5/2=2.5米2.长方形卧式容器长方形卧式容器通常用于储存固体物料或其他大体积物品。
计算其容积可以按照以下步骤进行:步骤一:测量容器的长度(L)、宽度(W)和高度(H)。
步骤二:计算容积(V):V=L*W*H。
例如,假设长方形卧式容器的长度为8米,宽度为4米,高度为3米。
根据上述方法可以计算容积:V=8*4*3=96立方米3.椭圆形卧式容器椭圆形卧式容器通常用于储存特殊形状的物料,如导弹或其他长圆形物品。
计算其容积可以按照以下步骤进行:步骤一:测量容器的长度(L)、宽度(W)和高度(H)。
步骤二:计算半长轴(a)和半短轴(b)。
举个例子,假设椭圆形卧式容器的长度为6米,宽度为3米,高度为4米。
根据上述方法可以计算容积:a=6/2=3米b=3/2=1.5米以上是三种常见形状的卧式容器容积的计算方法。
有了正确的容积计算,可以更好地确定卧式容器的储存能力,以满足实际应用的需求。
填写容液体积V H1(m 3)0.0140计算结果V H1(m 3)0.013983圆柱形
总容积
V 总1(m 3)45.0017调用液位高度
H(m)0.0084直径D(m)
2.6040K
0.0032π
3.1416长度L(m)8.4500容液体积
V H2(m 3)0.0001V H (m 3)0.014140108单个封头V 总2(m 3)
2.5208a(m)
1.3020b(m)
0.7100H(m)
0.0084液体重量
W(kg)8.5240液体密度
ρ(Kg/m3)602.8240液体温度t(℃)25.01
1.3020
2.6040.7108.45010.0000-#VALUE!22607.3030#VALUE!12
1.3020
2.6040.7108.45020.0000-#VALUE!22607.3030#VALUE!23 1.3020 2.6040.7108.45030.0000-#VALUE!22607.3030#VALUE!3
1.中间圆柱体部分的液体体积计算
2.椭圆封头部分的液体体积计算
序号
卧式容器任意液位高度下液体体积的计算
液氨温度t (℃)液氨密度ρ(Kg/m3)液氨重量W(Kg)液位计显示(%)封头直径D(m)直筒段加封头总容积
封头高度b(m)直筒段长度L(m)系数K 不同液位高度容积v(m3)封头半径a(m)液氨储罐不同液位高度下液氨体积的计算
3、卧式容器任意液位高度下液体重量的计算
等分序数n 任意液位高度H(m)。
化肥装置卧式容器不同液面高度的体积计算公式及运用(重庆建峰工业集团化肥分公司 乔华勇)摘要: 推导出尿素装置各种卧式容器不同液面高度的体积计算公式 。
并结合EXCEL软件实现便捷运算。
为装置运行过程中物料、蒸汽平衡计算以及即时成本计算 提供方便。
关键词:卧式容器;液面高度;体积;计算公式;EXCEL 。
重庆建峰工业集团化肥分公司于1993年建成投产,日产尿素1750吨。
工艺设备数量众多,包括塔、分解器、储罐等等。
其中,容器、储罐以卧式为主。
卧式容器的体积不像立式容器计算那样便捷,需运用较多数学知识才能实现。
所以每次系统的性能测试、成本计算都会因为容器液位变化问题而导致结果不精确。
因而,一套细致、准确的液面高度对应体积的数据参考,对于系统的各项测试和成本计算能够起到提高计算结果精确度的作用。
本文,笔者借助高等数学积分知识推导出卧式容器体积计算的通用公式,并在化肥尿素装置中加以运用。
1 计算公式容器分为两个部分:筒体、封头 。
公式推导过程中,将其二者分开讨论。
1.1 筒体部分筒体(图1)的横截面方程为:222t r y x =+故2122)(y r x t -=液面高度为h 时的体积:⎥⎥⎦⎤⎢⎢⎣⎡+-+⎥⎦⎤⎢⎣⎡--⨯-=-=⎰--2arcsin12222πt tt t t t t y r h r t r r h r r h r r h Lr d y r LV ttr t :筒体内径,m h i :封头曲面深度,m L :筒体长度(含封头直边高度)V t :筒体体积,3mL图1 筒体1.2 封头部分尿素装置卧式容器的封头均为椭圆形封头(图2)。
所以,封头部分体积公式的推导按照椭圆球体积计算处理。
椭圆球面方程为:122222=++i th z r y x 故21222))(/(y x r r h z t t --=图2 封头当容器内的液面高度为h 时,封头的体积:()()⎥⎦⎤⎢⎣⎡+---=--==⎰⎰⎰⎰---32322332)(02222122t t t t ti r h r y r t s tif r r h r h r r h dx y x r dy r h zdxdy V ttt πh i :封头曲面深度,m V f :封头部分体积, 3m r t :筒体内径,m1.3 卧式容器卧式容器不同液面高度的体积为:ft V V V 2+=V :卧式容器体积, 3m V t :筒体部分体积, 3m V f :封头部分体积, 3m 2 尿素装置卧式容器不同液面高度的体积计算公式 2.1 容器的相关设计参数V05:原料氨储罐 V06:低压系统回收物料储罐 V10:系统蒸汽冷凝回收器设备位号L (m) t r (m)i h (m) 05300V8 1.35 0.868 06300V 12 2.385 1.165 10300V 5.921.50.752.2 容器的计算公式在化肥装置的实际运用 2.2.1 液面高度h 的计算λt r h 2=r t :筒体内径,m λ:容器液位计仪表显示值,1 2.2.2 05300V 不同液面高度对应体积计算公式f t V V V 2+==()()⎥⎥⎦⎤⎢⎢⎣⎡⨯+---⨯⨯⨯+⎥⎥⎦⎤⎢⎢⎣⎡+-+⎥⎦⎤⎢⎣⎡--⨯-⨯⨯335.12335.135.135.135.18689.0235.135.1arcsin 35.135.1135.135.135.183322h h h h h ππ 2.2.3 06300V 不同液面高度对应体积计算公式f t V V V 2+==()⎥⎥⎦⎤⎢⎢⎣⎡⨯+---⨯⨯⨯+⎥⎥⎦⎤⎢⎢⎣⎡+-+⎥⎦⎤⎢⎣⎡--⨯-⨯⨯3385.223385.2)385.2(385.2385.2165.12385.2385.2a r c s i n 385.2385.21385.2385.2385.2123322h h h h h ππ2.2.4 10300V 不同液面高度对应体积计算公式f t V V V 2+==()⎥⎥⎦⎤⎢⎢⎣⎡⨯+---⨯⨯⨯+⎥⎥⎦⎤⎢⎢⎣⎡+-+⎥⎦⎤⎢⎣⎡--⨯-⨯⨯35.1235.1)5.1(5.15.175.025.15.1arcsin 5.15.115.15.15.192.53322h h h h h ππ3 EXCEL 计算从上述推导公式来看,式中使用的都是一些基本函数。