部分回流溶气气浮法溶气系统的设计
- 格式:pdf
- 大小:101.37 KB
- 文档页数:2
溶气气浮(DAF)是气浮的一种,它利用水在不同压力下溶解度不同的特性,对全部或部分待处理(或处理后)的水进行加压并加气,增加水的空气溶解量,通入加过混凝剂的水中,在常压情况下释放,空气析出形成小气泡,粘附在杂质絮粒上,造成絮粒整体密度小于水而上升,从而使固液分离。
溶气气浮(DAF)适用于处理低浊度、高色度、高有机物含量、低含油量、低表面活性物质含量或具有富藻的水。
相对于其它的气浮方式(详见附录1),它具有水力负荷高,池体紧凑等优点。
但是它的工艺复杂,电能消耗较大,空压机的噪音大等缺点也限制着它的应用。
1 分类(type)根据不同的划分原则,DAF可以有不同的分类。
1.1 根据气泡从水中析出时所处压力的不同,可分为真空式气浮法与压力溶气气浮法两种。
前者利用抽真空的方法在常压或加压下溶解空气,然后在负压下释放微气泡,供气浮使用;后者是在加压情况下,使空气强制溶于水中,然后突然减压,使溶解的气体从水中释放出来,以微气泡形式粘附上絮粒,一起上浮。
1.1.1 真空式气浮池,虽然能耗低,气泡形成和气泡与絮粒的粘附较稳定;但气泡释放量受限制;而且,一切设备部件,都要密封在气浮池内;气浮池的构造复杂;只适用于处理污染物浓度不高的废水(不高于300mg/l),因此实际应用不多。
1.1.2 压力溶气气浮法是目前国内外最常采用的方法,可选择的基本流程有全流程溶气气浮法、部分溶气气浮法和部分回流溶气气浮法三种。
1.1.2.1 全流程溶气气浮法全流程溶气气浮法是将全部废水用水泵加压,在溶气罐内,空气溶解于废水中,然后通过减压阀将废水送入气浮池。
流程图见图1。
它的特点是:①溶气量大,增加了油粒或悬浮颗粒与气泡的接触机会;②在处理水量相同的条件下,它较部分回流溶气气浮法所需的气浮池小。
③全部废水经过压力泵,所需的压力泵和溶气罐均较其他两种流程大,因此投资和运转动力消耗较大。
1.1.2.2 部分溶气气浮法部分溶气气浮法是取部分废水加压和溶气,其余废水直接进入气浮池并在气浮池中与溶气废水混合。
气浮法设计计算一.气浮法分类及原理二.气浮法设计参数全溶气气浮法 部分回流溶气气浮法1流 程示 意 图2进水水质pH=6.5~8.5含油量<100mg/lpH=6.5~8.5含油量<100mg/l 3投加药剂(品种和数量根据实际水质筛选决定)聚合铝25~35mg/l或硫酸铝60~80mg/l或聚合铁15~30mg/l或有机高分子凝聚剂1~10mg/l聚合铝15~25mg/l 或硫酸铝40~60mg/l 或聚合铁10~20mg/l 或有机高分子凝聚剂1~8mg/l 4混凝反应管道和水泵混合无反应室管道混合,阻力损失≥0.3m或机械混合,搅拌浆叶线速度0.5m/s 左右,混合时间 4混凝反应管道和水泵混合无反应室2~3min ;机械反应室(一级机械搅拌)或平流反应室或旋流反应室或涡流 反应室,水流线速度从方 式参数序 号三.气浮法设计计算四.不同温度下的K T值和736K T值例:2×75m3 / h气浮池气浮池设置在絮凝池侧旁,沉淀池上方。
气浮类型较多,有全部压力溶气气浮、分散空气气浮、电解凝聚气浮、内循环射流气浮等,这里选择适用于城镇给水处理的部分回流压力溶气气浮。
气浮适用于含藻类及有机杂质、水温较低、常年浊度低于100NTU的原水;它依靠微气泡粘附絮粒,实现絮粒强制性上浮,达到固、液分离,由于气泡的重度远小于水,浮力很大,促使絮粒迅速上浮,提高固、液分离速度。
气浮依靠无数微气泡去粘附絮粒,对絮粒的重度、大小要求不高,能减少絮凝时间,节约混凝剂量;带气絮粒与水的分离速度快,单位面积产水量高,池容及占地减少,造价降低;气泡捕足絮粒的机率很高,跑矾花现象很少,有利于后级滤池延长冲洗周期,节约水耗;排渣方便,浮渣含水率低,耗水量小;池深浅,构造简单,可随时开、停,而不影响出水水质,管理方便。
●结构尺寸:取回流比R=20%,气浮池处理水量:Q3=(1+R)Q2=1.2×75=90m3/h 接触区底部上升段纵截面为矩形,上升流速10~20mm/s,取U J1=18mm/s=64.8m/h接触区底部通水平面面积:F J1=90/64.8=1.389≈1.4m2接触区宽与絮凝池相同,B=2m,接触区底部平面池长方向尺寸:L J1=1.4/2=0.7m接触区上端扩散段纵截面为倒直角梯形,出口流速5~10mm/s,取U J2=7.5mm/s=27m/h接触区上端扩散出口通水平面面积:F J2=90/27=3.333m2接触区宽与絮凝池相同,B=2m,接触区上端扩散出口平面池长方向尺寸:L J2=3.333/2=1.6665≈1.7m扩散段水平倾角α=35°,扩散段高:h K=(1.7-0.7)tan35°=0.7m 扩散段容积:V K=〔(1.7+0.7)/2〕×0.7×2=1.68m3接触区停留时间需大于60s,取t J=90s=1.5min,接触区容积:V J=90×1.5/60=2.25m3接触区底部上升段高:h D=(V J-V K)/F J1=(2.25-1.68)/1.4=0.4m 分离区清水下降流速1.5~2.5mm,取U3=2.5mm/s=9m/h分离区平面面积:F F=Q3/U3=90/9=10m2分离区平面池长方向尺寸:L F=10/2=5m(<沉淀池长5.5m)气浮池长度方向尺寸:L=5.5m取分离区液深h Y=1.5m,分离区容积:V F=5.5×2×1.5=16.5m3分离区清水下降时间:t F=h Y/U3=1.5/9=0.167h=10min取分离区安全超高h A=0.5m,气浮池高H F=1.5+0.5=2m复核分离停留时间:t F′=V F/Q3=16.5/90=0.183h=11min,满足停留10~15min的要求,并能满足清水到达池底所需时间。
简述部分出水回流加压溶气气浮法的基本流程(实用版)编制人:__________________审核人:__________________审批人:__________________编制单位:__________________编制时间:____年____月____日序言下载提示:该文档是本店铺精心编制而成的,希望大家下载后,能够帮助大家解决实际问题。
文档下载后可定制修改,请根据实际需要进行调整和使用,谢谢!并且,本店铺为大家提供各种类型的实用资料,如教育随笔、日记赏析、句子摘抄、古诗大全、经典美文、话题作文、工作总结、词语解析、文案摘录、其他资料等等,想了解不同资料格式和写法,敬请关注!Download tips: This document is carefully compiled by this editor. I hope that after you download it, it can help yousolve practical problems. The document can be customized and modified after downloading, please adjust and use it according to actual needs, thank you!In addition, this shop provides you with various types of practical materials, such as educational essays, diaryappreciation, sentence excerpts, ancient poems, classicarticles, topic composition, work summary, word parsing, copy excerpts, other materials and so on, want to know different data formats and writing methods, please pay attention!出水回流加压溶气气浮法是一种常用的水处理技术,广泛应用于污水处理厂和工业废水处理过程中,其基本原理是利用气体气泡的上浮来去除水中的悬浮物和有机物质。
2.1 压力溶气系统包括压力溶气罐、空压机、水泵及其附属设备2.1.1 溶气系统占整个气浮过程能量消耗的50%,溶气罐价值占工厂总基建投资的12%,因此优化溶气系统的设计对缩小气浮操作费用是很重要的;溶气罐多为园筒形,立式布置,容积按废水停留时间25~3min计算,罐中可装设有隔板,瓷环之类,也有用空罐的;因为溶气罐内水、气相混合,所以一般按压力容器进行设计,罐顶设自动排气阀或罐底设自动减压阀平衡压力,罐内压力一般控制在0.45MPa左右为宜,据此可以确定提升泵、回流泵和空压机的参数;在国外的设计资料和文献中,认为气水停留时间越长,溶气效率越高;这样就使得溶气罐的体积显得庞大,停留时间有时长达3~5min;国内的研究证实了液膜阻力控制着溶气速率,认为停留时间越长,溶气效果越好的观念不符合实际,因此国内设计参数不同于国外,是以预定的溶气效率为设计指标,以液相过流密度和液相总容量传质系数为参数;所有研究都表明有填充床的溶气罐比没有填充床的有效,其效率最高可达到99%,但在实际运行中,经常需对溶气罐进行内部检查,因而在很多溶气气浮工艺中常选用没有填充床的系统,而且大部分无填充床的溶气罐常配有内部的或外部的喷射器以提高溶气效率;第一种是泵前进气,流程图见图3;当空气吸入量小于空气在该温度下水中的饱和度时,由水泵压水管引出一支管返回吸水管,在支管上安装水力喷射器,废水经过水力喷射器时造成负压,将空气吸入与废水混合后,经吸水管、水泵送入溶气罐;这种方式省去了空压机,气水混合效果好,但水泵必须采用自引方式进水,而且要保持lm以上的水头,其最大吸气量不能大于水泵吸水量的10%,否则,水泵工作不稳定,破坏了水泵应当具有的真空度,会产生气蚀现象;第二种是泵后进气,流程图见图4;当空气吸入量大于空气在该温度下水中的饱和度时,空气通过空压机在水泵的出水管压入,但也不宜大于水泵吸水量的25% ;这种方法使水泵工作稳定,而且不必要求在正压下工作,但需要由空气压缩机供给空气;为了保证良好的溶气效果,溶气罐的容积也比较大,一般需采用较复杂的填充式溶气罐; 2.1.3 空气注入量的调节是浮选操作的另一关键因素,一般随选择的溶气压力或回流比而变;实验也表明出水质量仅依赖于引入系统的空气总量气泡尺寸一致时,而与单独压力或回流比无关;要根据污水水质、浮选混凝剂和减压释放器的类型经反复实践而定;2.1.4溶气罐内水位高低是影响气浮效果的重要因素;水们南宁市,缩小了水气接触部分的窖,溶气效果不好;水位太低则缺乏必要的缓冲水深,气体会穿过水层进入气浮设备形成大气泡,气浮效果也不佳;推荐水位控制在罐内1/3~1/4左右;2.1.5 溶气罐内的压力是影响气量的重要因素;一般情况下,压力高,则溶气多,在空压机加气方式中,溶气罐内的压力是由空压机气压和水泵共同决定的;在正运转时,首先要保证足够的水压,但水压和气压又要基本相当;在采用水射器加气的方式中,保证溶气罐压力的关键是采用合适的水泵,一般水泵压力应在保证额定流量的前提下大于0.3Mpa,溶气罐压力调整可通过调节溶气罐出水阀、水泵出水阀、回流控制阀进行;2.1.6根据中华人民共和国国家标准室外排水设计规范第8.2.7条溶气罐的设计应符合下列要求:一、溶气罐工作压力宜采用300~500kPa约为3~5kgf/cm2;二、空气量以体积计,可按污水量5~10%计算;三、污水在溶气罐内停留时间应根据罐的型式确定,一般宜为1~4min,罐内应有促进气水充分混合的措施;四、采用部分回流的溶气罐宜选用动态式,并应有水位控制措施;2.1.7有应用中提到,增加一个精密空气稳流器,它的作用是使空气在进入溶气罐的喷头前,确保压力平稳、均一;回流比是指,当采用部分回流溶气气浮法时,进入溶气罐加压溶气的回流水量与处理水量的比值;回流比一般为废水的25%~50%;但当污水水质较差,且污水水量不大时,可适当加大回流比,以保证出水水质;2.2 溶气释放系统主要是释放头释放器是该系统的关键装置,它对气泡形成的大小、分布以及对气浮净水效果和运行费用均有明显影响;目前被采用的释放器的释气效率可达99.2%;2.2.1 以前的研究认为,释气泡的大小与溶气压力有关,低压时形成大气泡居多,不利于气浮;国内最新研究认为:溶气水在减压消能时气泡的释放规律与气泡在静水中的状况不同;低压时大气泡的出现归咎于释放器不良所致;除了要释放出大量稳定的微小气泡,关键是要如何防止堵塞;目前国内外采用不同类型的释放器,有简单阀门式、针型阀式以及专用释放器专利;溶气释放器的专利产品很多,其中效果较好的一般都有以下特点:在喷嘴处有一个瞬间的压降;在释放器的入口处水流方向会突然改变常为90°;释放器口径不超过2.5mm,水在释放器中的停留时间<1.5ms;离开释放器的水流速度逐渐变小;离开释放器的水体会与其前面一挡板发生撞击;任何释放器都不可能只产生微气泡,而一般是产生直径在40~70μm之间的气泡,一些大气泡的产生是不可避免的,尽管这些大气泡的存在会降低系统的运行效率;2.2.2 根据中华人民共和国国家标准室外排水设计规范第8.2.8条溶气释放器的选用应根据含油污水水质、处理流程和释放器性能确定;2.3 气浮分离系统气浮池构件气浮分离系统的功能是确保一定容积来完成微气泡群与水中杂质的充分混合、接触、粘附以及带气絮粒与清水的分离;2.3.1为了提高气浮的处理效果,往往向废水中加入混凝剂或气浮剂,投加量因水质不同而异,一般由试验确定;对于铝类絮凝剂,通过提高搅拌强度均可使出水浊度进一步降低;为保证浮选混凝剂的混凝作用,浮选池进水端宜设静态管道混合器和反应室,反应室有效容积约按废水进水量与回流量的和停留时间10分钟计算,一般分为三间,迷宫式布置,且每间设搅拌机提高混凝效果,每间中的速度梯度常常是相同的;絮凝池也即反应室设计最好提供活塞流状态紊流堆动状态,可以确保较好的气浮效果;2.3.2 溶气气浮池的最大建议尺寸可达145m2,相应的产水能力为2900~4350m3/ h,单位面积的产水能力至少提高了一倍;溶气气浮池的深度从1.5m增加到5.0m,且池型由长方形向正方形发展,长宽比在1.2~2:1之间;目前运行良好的溶气气浮池的长度最大可达12m,但宽度被限制为8.5m,这主要是因为机械刮渣机的最大跨度为8.5m;污水在气浮池内的停留时间一般取30~40min,工作水深为15~25m,长宽比不小于4,表面负荷5~10m3/m2•h;若停留时间太短,水流的冲击力大,浮选罐中的污水牌较强的紊流状态,这样不但不利于气泡与絮体的粘附,反而会将部分已粘附在气泡上的絮体打碎;另外,由于紊流和较短的反应时间,而使投加的部分混凝剂未反应完全时就随出水流出,致使出水中悬浮固体的去除率降低,甚至出现负增长的趋势;2.3.3 气浮池分2个区:接触区和分离区;2.3.3.1 设计接触区时,要注意控制絮凝水的上升流速,避免短流、偏流,不致在上浮过程中被水流剪脱已粘附的气泡而影响后续分离效果;通常情况下接触区的上升流速以控制在10~20mm/s为宜,高度以1.5~2.0m为宜,在这种流速和高度下,既保证了絮粒和微气泡的接触时间,又不会造成絮粒因上浮时间过长而破坏或下沉;合理地布置释放器,使释放水的作用范围遍及全区,能充分、及时地使微气泡下絮粒接触;2.3.3.2 分离区选择分离速度时,应有利于带气絮粒上浮;对于絮粒大、密度小、不易破碎的带气絮粒一般采取较大的分离速度,反之取较小值;分离区的流速宜在1~3mm/s,流速过小会造成大絮粒因拥挤而沉淀,流速过大会造成带气絮粒和清水的分界面向下延伸,从而造成絮粒随水流出、水质下降;对浓度大、浮渣多,在固液分离时形成拥挤上浮现象的应减小上浮速度,否则浮渣层太厚会造成落渣,或因分离区容积过小而影响分离效果;选取集水系统时,尽可能做到集水均匀,不让上浮较慢的细小带气絮粒流出池外;为此,应避免短流、快部滞流、碰壁回流等不良现象出现;当溶气气浮池的水力负荷>10 m3/m2•h时,很容易出现气浮出水携带气泡进入后续滤池的情况,气泡会存在于滤池的上层;虽然有人发现滤池中气泡的存在会有利于水中颗粒的去除,但是它会导致滤池水头损失的急剧升高,从而使滤池运行周期显著缩短,因此应该避免滤池进水中气泡的存在,所以在大幅度提高溶气气浮池水力负荷的同时,必须设置脱气系统具体内容见附录2以保证工艺的正常运行;安装简易,灵巧的刮渣设备,以便刮渣时不致扰动浮渣层而产生落渣,影响出水水质; 2.3.4 国内外气浮池的设计参数变化范围很大,我国主要采用以下参数:接触区:停留时间> 2.0min表面负荷率36~72 m3/m2•h分离区:表面负荷率7.2~10.8 m3/m2•h 2.3.5 根据中华人民共和国国家标准室外排水设计规范第8.2.9条气浮池可采用矩形或圆形;矩形气浮池的设计应符合下列要求:一、气浮池应设置反应段,反应时间宜为10~15min;二、每格池宽不应大于4.5m,长宽比宜为3~4;三、有效水深宜为2.0~2.5m,超高不应小于0.4m;四、污水在气浮池分离段停留时间不宜大于1.0h;五、污水在池内的水平流速不宜大于10mm/s;六、气浮池端部应设置集沫槽;七.池内应设刮沫机,刮沫机的移动速度宜为1~5m/min;正交试验分析得出:回流比、混凝剂投加量和浮选罐池的有效停留时间这三个主要参数对气浮效果影响大小的主次关系是:回流比>混凝剂投加量>浮选罐池的有效停留时间;溶气罐与气浮池之间的回流水输送管道要短,压力损失要小,从而防止空气从超饱和的水中逸出;水温降低对溶气气浮效果有不利的影响;。
水处理气浮工艺分类及参数设计pH=6.5~8.5含油量<100mg/500.014511.70L J2=3.333/2=1.6665≈1.7m扩散段水平倾角α=35°,扩散段高:h K=(1.7-0.7)tan35°=0.7m扩散段容积:V K=〔(1.7+0.7)/2〕×0.7×2=1.68m3接触区停留时间需大于60s,取t J=90s=1.5min,接触区容积:V J=90×1.5/60=2.25m3接触区底部上升段高:h D=(V J-V K)/F J1=(2.25-1.68)/1.4=0.4m 分离区清水下降流速1.5~2.5mm,取U3=2.5mm/s=9m/h分离区平面面积:F F=Q3/U3=90/9=10m2分离区平面池长方向尺寸:L F=10/2=5m(<沉淀池长5.5m)气浮池长度方向尺寸:L=5.5m取分离区液深h Y=1.5m,分离区容积:V F=5.5×2×1.5=16.5m3分离区清水下降时间:t F=h Y/U3=1.5/9=0.167h=10min取分离区安全超高h A=0.5m,气浮池高H F=1.5+0.5=2m复核分离停留时间:t F′=V F/Q3=16.5/90=0.183h=11min,满足停留10~15min的要求,并能满足清水到达池底所需时间。
●溶气泵:溶气水量即回流水量,Q R=RQ3=0.2×75=15m3/h,溶气压力P≈0.45MPa 溶气泵选用不锈钢离心泵,数量3台,2用1备;型号:DFHW50-200/2/5.5,流量:8.8~12.5~16.3m3/h,扬程:51~50~48.5m,电机功率:5.5Kw,外形尺寸:长×宽×高=602×400×425mm●空压机:水中空气溶解量与温度和压力有关,水温20°C,压力0.1MPa(1bar)时空气在水中的饱和溶解度C K=0.0187L气/L水,溶气效率与溶气罐结构、气液传质填料、溶气压力和时间有关。
(一)基本概念气浮处理法就是向废水中通人空气,并以微小气泡形式从水中析出成为载体,使废水中的乳化油、微小悬浮颗粒等污染物质粘附在气泡上,随气泡一起上浮到水面,形成泡沫一气、水、颗粒(油)三相混合体,通过收集泡沫或浮渣达到分离杂质、净化废水的目的。
浮选法主要用来处理废水中靠自然沉降或上浮难以去除的乳化油或相对密度接近于1的微小悬浮颗粒。
(二)气浮的基本原理1.带气絮粒的上浮和气浮表面负荷的关系粘附气泡的絮粒在水中上浮时,在宏观上将受到重力G浮力F等外力的影响。
带气絮粒上浮时的速度由牛顿第二定律可导出,上浮速度取决于水和带气絮粒的密度差,带气絮粒的直径(或特征直径)以及水的温度、流态。
如果带带气絮粒中气泡所占比例越大则带气絮粒的密度就越小;而其特征直径则相应增大,两者的这种变化可使上浮速度大大提高。
然而实际水流中;带气絮粒大小不一,而引起的阻力也不断变化,同时在气浮中外力还发生变化,从而气泡形成体和上浮速度也在不断变化。
具体上浮速度可按照实验测定。
根据测定的上浮速度值可以确定气浮的表面负荷。
而上浮速度的确定须根据出水的要求确定。
2.水中絮粒向气泡粘附如前所述,气浮处理法对水中污染物的主要分离对象,大体有两种类型即混凝反应的絮凝体和颗粒单体。
气浮过程中气泡对混凝絮体和颗粒单体的结合可以有三种方式,即气泡顶托,气泡裹携和气粒吸附。
显然,它们之间的裹携和粘附力的强弱,即气、粒(包括絮废体)结合的牢固程度与否,不仅与颗粒、絮凝体的形状有关,更重要的受水、气、粒三相界面性质的影响。
水中活性剂的含量,水中的硬度,悬浮物的浓度,都和气泡的粘浮强度有着密切的联系。
气浮运行的好坏和此有根本的关联。
在实际应用中质须调整水质。
3.水中气泡的形成及其特性形成气泡的大小和强度取决于空气释放时各种用途条件和水的表面张力大小。
(表面张力是大小相等方向相反,分别作用在表面层相互接触部分的一对力,它的作用方向总是与液面相切。
)(1)气泡半径越小,泡内所受附加压强越大,泡内空气分子对气泡膜的碰撞机率也越多、越剧烈。
2.1 压力溶气系统(包括压力溶气罐、空压机、水泵及其附属设备)2.1.1 溶气系统占整个气浮过程能量消耗的50%,溶气罐价值占工厂总基建投资的12%,因此优化溶气系统的设计对缩小气浮操作费用是很重要的。
溶气罐多为园筒形,立式布置,容积按废水停留时间25~3min计算,罐中可装设有隔板,瓷环之类,也有用空罐的。
因为溶气罐内水、气相混合,所以一般按压力容器进行设计,罐顶设自动排气阀或罐底设自动减压阀平衡压力,罐内压力一般控制在0.45MPa左右为宜,据此可以确定提升泵、回流泵和空压机的参数。
在国外的设计资料和文献中,认为气水停留时间越长,溶气效率越高。
这样就使得溶气罐的体积显得庞大,停留时间有时长达3~5min。
国内的研究证实了液膜阻力控制着溶气速率,认为停留时间越长,溶气效果越好的观念不符合实际,因此国内设计参数不同于国外,是以预定的溶气效率为设计指标,以液相过流密度和液相总容量传质系数为参数。
所有研究都表明有填充床的溶气罐比没有填充床的有效,其效率最高可达到99%,但在实际运行中,经常需对溶气罐进行内部检查,因而在很多溶气气浮工艺中常选用没有填充床的系统,而且大部分无填充床的溶气罐常配有内部的或外部的喷射器以提高溶气效率。
第一种是泵前进气,流程图见图3。
当空气吸入量小于空气在该温度下水中的饱和度时,由水泵压水管引出一支管返回吸水管,在支管上安装水力喷射器,废水经过水力喷射器时造成负压,将空气吸入与废水混合后,经吸水管、水泵送入溶气罐。
这种方式省去了空压机,气水混合效果好,但水泵必须采用自引方式进水,而且要保持lm 以上的水头,其最大吸气量不能大于水泵吸水量的10%,否则,水泵工作不稳定,破坏了水泵应当具有的真空度,会产生气蚀现象。
第二种是泵后进气,流程图见图4。
当空气吸入量大于空气在该温度下水中的饱和度时,空气通过空压机在水泵的出水管压入,但也不宜大于水泵吸水量的25% 。
这种方法使水泵工作稳定,而且不必要求在正压下工作,但需要由空气压缩机供给空气。
气浮池1、设计说明由于废水的固体悬浮物含量很高,且含有大量的蛋白,所以设一气浮池,分离提取蛋白质,提高经济效益,同时减轻后续处理构筑物的压力。
该气浮池采用部分回流的平流式气浮池,并采用压力溶气法。
2、参数选取设计水量:Q总=4800m3/d=200m3/h=0.056m3/s选用两个池子,所以每个单池的流量Q=0.056/2=0.028m3/s反应时间取15min,接触室上升流速取20mm/s,气浮分离速度取2.5mm/s,溶气罐过流密度取150m3/(h•m2), 溶气罐压力取2.5kgf/cm2,气浮池分离室停留时间为15min。
水质情况:预计处理效果项目CODCr BOD5 SS进水水质(mg/L)9008 3694 1340去除率(%)40 40 80出水水质(mg/L)5405 2216 2683、设计计算(1) 反应池:采用穿孔旋流反应池反应池容积W = 50m3 采用两个池,则单池为25m3反应池面积考虑与调节池的连接,取有效水深H = 2.5m,则反应池面积S = W / H = 25/3=8.33m2孔室分4格: 1.5m×1.5m×4个=9m2每格面积S1=S/4=8.33/4=2.08m2采用边长为1.5m的正方形平面T=1.5minv2=0.2m/s,中间孔口流速 取用v1=1.0m/s,v==注:表中孔口流速f=⎨孔口面积水头损失h=1.06vn-空口流速,m/sQ-流量,m3/stn-反应历时,minT-反应时间,取15ming-重力加速度,取9.81N/m2孔口旋流反应池计算如下:孔口旋流反应池计算孔口反应历时t(min) 孔口流速(m/s)孔口面积(m2) 水头损失(m)进口处0 1.00 0.056 0.054一、二格间T/4=3.75 0.67 0.084 0.024二、三格间2T/4=7.5 0.48 0.117 0.012三、四格间3T/4=11.25 0.35 0.160 0.007出口处T=15 0.2 0.28 0.0020.099(2)气浮池①气浮所需的释气量:= =400 L/h②所需空压机额定气量:=0.0093m3/min故选用Z—0.025/6空压机两台,一用一备,设备参数:排气量0.025m3/min,最大压力6kgf/cm2,电动机功率0.375kw。
第一章设计任务书设计题目加压溶气气浮设备的设计(平流式)设计资料某工厂污水工程拟用气浮设备代替二沉池,经气浮实验取得以下参数:溶气水采用金花后处理水进行部分回流,回流比,气浮池内接触时间为5min,溶气罐内停留时间为3min,分离时间为15min,溶气罐压力为,气固比,温度30℃。
设计水量780m3/d。
第二章设计说明与计算书设计原理及方案选择2.1.1设计原理气浮过程中,细微气泡首先与水中的悬浮粒子相粘附,形成整体密度小于水的“气泡——颗粒”复合体,使悬浮粒子随气泡一起浮升到水面。
由此可见,实现气浮分力必须具备以下三个基本条件:一是必须在水中产生足够数量的细微气泡;二是必须使待分离的污染物形成不溶性的固态或液态悬浮体;三是必须使气泡能够与悬浮粒子相粘附。
气浮法的净水效果,只有在获得直径微小、密度大、均匀性好的大量细微气泡的情况下,才能得到良好的气浮效果。
1)气泡直径气泡直径愈小,其分散度愈高,对水中悬浮粒子的粘附能力和粘附量也就愈大。
2)气泡密度气泡密度是指单位体积释气水中所含微气泡的个数,它决定气泡与悬浮粒子碰撞的机率。
由于气泡密度与气泡直径的3次方成反比,因此,在用气压受到限制的条件下,增大气泡密度的主要途径是缩小气泡直径。
3)气泡的均匀性气泡均匀性的含义,一是指最大气泡与最小气泡的直径差;二是指小直径气泡占气泡总量的比例。
大气泡数量的增多会造成两种不利影响:一是使气泡密度和表面积大幅度减小,气泡与悬浮粒子的粘附性能和粘附量相应降低;二是大气泡上浮时会造成剧烈的水力扰动,不仅加剧了气泡之间的兼并,而且由此产生的惯性撞击力会将已粘附的气泡撞开。
4)气泡稳定时间气泡稳定时间,是将容器水注入1000ml量筒,从满刻度起到乳白色气泡消失为止的历时。
优良的释放器释放的气泡稳定时间应在4min以上。
溶气利用率,是指能同悬浮粒子发生粘附的气泡量占溶解空气量的百分比。
常规压力溶气气浮的容器利用率通常不超过20%,其原因在于释放的空气大部分以大直径的无效气泡逸散。
加压溶气气浮单元设计计算本厂采用部分回流加压溶气气浮法,它是将空气在一定压力下溶入水中,然后在减压条件下水中的空气呈微小气泡析出,黏附废水中的悬浮物,一起上浮到水面进行固液分离使悬浮物被去除的技术,气浮法去除SS效率为E g=85%,产生污泥含水率P g=96%。
以下是气浮池的计算过程:设计条件水量Q=480m3/d=s,SS=800mg/L,气浮区水平流速=5mm/s,絮体上浮速度u=s,溶气水回流比R=20%,水温T=20℃,废水溶气罐内停留时间t d=4min,气浮池内接触时间t C=6min,分离室内停留时间t S=30min。
气浮—絮凝池的设计计算(1)确定气固比a、回流水量Q R式中A——减压至常压时释放的空气量,g/d;S——悬浮固体干重,g/d;——空气密度,g/L;C S——在一定温度下,一个大气压时的空气溶解度,mL/L;p——溶气罐压力(绝对压力);f——加压溶气系统溶气效率;Q r——加压溶气用水量,m3/d;查表得=L,C S=L,P=,f=,所以回流水量Q R=480×20%=96m3/d(2)接触区容积(3)分离区容积(4)气浮池有效水深(5)分离区面积A S和长度L S分离区池宽B S=,则分离区的长度(6)接触区面积A C和长度L C(7)浮选池进水管:D i=100mm,u=s;出水管D o=100mm。
(8)集水管小孔面积S,取小孔流速=s,则取小孔直径D k=,则孔数(9)浮渣槽宽度L b取。
溶气罐的设计(1)溶气罐的容积(2)溶气罐直径,取过流密度=2000m3/(m2·d),则(3)溶气罐高度h式中h1——灌顶、罐底封头高度,m;h2——布水区高度,m;h3——贮水区高度,m;h4——填料层高度,m。
查阅相关资料得h1=,h2=,h3=,h4=,所以h=3m。
溶气罐采用椭圆形封头,罐顶部设放气管,排出剩余气体,并设置安全阀,压力表。
环保设备设计与应用课程设计目录第一章设计任务书 (3)1.1设计题目 (3)1.2设计资料 (3)1.3设计内容 (3)1.4设计成果 (3)第二章设计说明与计算书 (4)2.1设计原理及方案选择 (4)2.1.1设计原理 (4)2.1.2方案选择 (5)2.2设计工艺计算 (6)2.2.1供气量与空压机选型 (6)2.2.2溶气罐 (7)2.2.3气浮池 (7)2.2.4附属设备 (9)第三章参考文献 (11)第一章设计任务书1.1 设计题目加压溶气气浮设备的设计(平流式)1.2 设计资料某工厂污水工程拟采用气浮设备代替二沉池,经气浮实验取得以下参数:溶气水采用净化后处理水进行部分回流,回流比0.2,气浮池内接触时间为5min,溶气罐内停留时间为3min,分离时间为15min,溶气罐压力为0.4Mpa,气固比0.02,温度30℃。
设计水量780m3/d。
1.3 设计内容(1)确定设计方案;(2)气浮设备的设计计算;(3)系统设备选型,包括水泵、溶气释放器、溶气压力罐、空压机及刮渣机等;(4)计算书编写,计算机绘图。
1.4设计成果及要求(1)设备工艺设计计算说明书;要求参数选择合理,条理清楚,计算准确,并附设计计算示意图;提交电子版和A4打印稿一份。
(2)气浮系统图和气浮设备结构详图(包括平面图、剖面图);要求表达准确规范;提交电子版和A3打印稿一份。
第二章设计说明与计算书2.1 设计原理及方案选择2.1.1设计原理气浮过程中,细微气泡首先与水中的悬浮粒子相粘附,形成整体密度小于水的“气泡——颗粒”复合体,使悬浮粒子随气泡一起浮升到水面。
由此可见,实现气浮分力必须具备以下三个基本条件:一是必须在水中产生足够数量的细微气泡;二是必须使待分离的污染物形成不溶性的固态或液态悬浮体;三是必须使气泡能够与悬浮粒子相粘附。
气浮法的净水效果,只有在获得直径微小、密度大、均匀性好的大量细微气泡的情况下,才能得到良好的气浮效果。
气浮法设计计算一.气浮法分类及原理二.气浮法设计参数三.气浮法设计计算四.不同温度下的K T值和736K T值气浮池设置在絮凝池侧旁,沉淀池上方。
气浮类型较多,有全部压力溶气气浮、分散空气气浮、电解凝聚气浮、内循环射流气浮等,这里选择适用于城镇给水处理的部分回流压力溶气气浮。
气浮适用于含藻类及有机杂质、水温较低、常年浊度低于100NTU的原水;它依靠微气泡粘附絮粒,实现絮粒强制性上浮,达到固、液分离,由于气泡的重度远小于水,浮力很大,促使絮粒迅速上浮,提高固、液分离速度。
气浮依靠无数微气泡去粘附絮粒,对絮粒的重度、大小要求不高,能减少絮凝时间,节约混凝剂量;带气絮粒与水的分离速度快,单位面积产水量高,池容及占地减少,造价降低;气泡捕足絮粒的机率很高,跑矾花现象很少,有利于后级滤池延长冲洗周期,节约水耗;排渣方便,浮渣含水率低,耗水量小;池深浅,构造简单,可随时开、停,而不影响出水水质,管理方便。
●结构尺寸:取回流比R=20%,气浮池处理水量:Q3=(1+R)Q2=1.2×75=90m3/h接触区底部上升段纵截面为矩形,上升流速10~20mm/s,取U J1=18mm/s=64.8m/h 接触区底部通水平面面积:F J1=90/64.8=1.389≈1.4m2接触区宽与絮凝池相同,B=2m,接触区底部平面池长方向尺寸:L J1=1.4/2=0.7m接触区上端扩散段纵截面为倒直角梯形,出口流速5~10mm/s,取U J2=7.5mm/s=27m/h 接触区上端扩散出口通水平面面积:F J2=90/27=3.333m2接触区宽与絮凝池相同,B=2m,接触区上端扩散出口平面池长方向尺寸:L J2=3.333/2=1.6665≈1.7m扩散段水平倾角α=35°,扩散段高:h K=(1.7-0.7)tan35°=0.7m扩散段容积:V K=〔(1.7+0.7)/2〕×0.7×2=1.68m3接触区停留时间需大于60s,取t J=90s=1.5min,接触区容积:V J=90×1.5/60=2.25m3接触区底部上升段高:h D=(V J-V K)/F J1=(2.25-1.68)/1.4=0.4m分离区清水下降流速1.5~2.5mm,取U3=2.5mm/s=9m/h分离区平面面积:F F=Q3/U3=90/9=10m2分离区平面池长方向尺寸:L F=10/2=5m(<沉淀池长5.5m)气浮池长度方向尺寸:L=5.5m取分离区液深h Y=1.5m,分离区容积:V F=5.5×2×1.5=16.5m3分离区清水下降时间:t F=h Y/U3=1.5/9=0.167h=10min取分离区安全超高h A=0.5m,气浮池高H F=1.5+0.5=2m复核分离停留时间:t F′=V F /Q3=16.5/90=0.183h=11min,满足停留10~15min的要求,并能满足清水到达池底所需时间。
3.2.2 溶气气浮装置/中间水箱3.2.2.1 概述部分回流压力溶气气浮器是我公司与同济大学环境工程学院共同开发的一种新型水处理设备,它主要由压力溶气系统、溶气释放系统及气浮分离系统三部分组成。
其理论研究与生产实践方面已达到国内外经先进水平,主要特点表现在如下几个方面:溶气系统容气罐的溶气效率在水温20℃时已达90%,水温30℃时可达99%以上;容气罐停留时间仅50-75 s;过流密度为3000—5000 m3/(d.m2)。
释气系统采用同济大学专利产品,释气水中气泡直径仅为20—30 m,释气效率达99.2%。
分离系统我公司产品采用平流式,具有占地少、造价低、效果好等优点,表面负荷可高达10.8 m3/(h.m2)。
测试技术同济大学研制成功一种新型释气量装置,具有精度高、重现性好、设备简单、测速快速等优点,完全可替代国外测定装置。
3.2.2.2 主要技术参数处理流量:10m3/h设计压力:常压设计温度:常温箱体材质:Q235-B(碳钢防腐)溶气罐直径:φ400mm溶气泵功率:3.0KW空压机功率:0.37KW刮沫机功率:0.55KW中间水箱有效容积:2.5m33.2.2.3 设备组成及工作原理设备组成:气浮池、溶气罐、空压机、刮沫机、储渣槽、中间水箱等。
原水进入气浮池的接触区,与释放后的溶气水充分混合接触。
使水中絮体或悬浮物充分吸收粘附微小气泡,然后进入气浮分离区。
絮体或悬浮物在微气泡浮力的作用下浮向水面形成浮渣层,水面上的浮渣聚集到一定厚度后,由刮沫机刮至浮渣槽,经管道排出。
下层的清水经集水管集流至中间水箱,一部分供回流溶气水使用,另一部分通过置于中间水箱内的核桃壳过滤器进水泵(P3405A/B)提升进入核桃壳过滤器。
设备体内分为:接触区、气浮区、出水缓冲区、排渣系统等部分。
3.2.2.4设备流程叙述1) 设备在安装完毕开始使用(或停止使用很长时间)前,必须制作溶气水,溶气水与含油污水一并进入容器,并排除容器和管汇中空气,然后再开启出水阀门进入正常运行状况。
环工综合实验溶气气浮实验实验报告环境科学与工程学院实验中心(2)加入水中的空气所形成气泡直径不宜大于70µm;(3)气泡与水中污染物质应有足够的接触时间。
4、气浮法按水中气泡产生的方法分为布气气浮、溶气气浮和电气浮几种。
由于布气气浮一般气浮直径较大、气浮效果较差,而电气浮气泡直径虽不大但耗电较多,因此目前应用气浮法的工程中,以加压溶气气浮法最多。
5、加压溶气气浮法就是使空气在一定压力的作用下溶解于水,并达到饱和状态,然后使加压水表面压力突然减到常压,此时溶解于水中的空气便以微小气泡的形式从水中逸出来。
这样产生了供气浮用的合格的微小气泡。
6、影响加压溶气气浮的因素很多,如空气在水中溶解量、气泡直径的大小、气浮时间、水质、药剂种类与加药量、表面活性物质种类、数量等。
因此,采用气浮法进行水质处理时,常需通过实验测定一些有关的设计运行参数。
体;在低PH值时,Mg2+,MgOH+可在多种表面上发生专属吸附作用。
④复合混凝剂:除了铁盐、镁盐、铝盐无机混凝剂外,还有高效复合混凝剂,它对水溶性染料废水脱色效果良好。
聚硅酸盐是一类新型无机高分子混凝剂,把铝盐或铁盐引入到聚硅酸中制成混凝剂可预先羟基化聚合后再混合,也可先混合再聚合,这类混凝剂具有聚硅酸和聚铝或聚铁的优点,混凝脱稳性能远超过单独的聚硅酸或聚金属离子,同聚硅酸相比,不但提高了稳定性,且增加了电中和能力,同聚金属离子相比,则增强了黏结架桥效能。
2、压力溶气气浮法是目前国内外最常采用的方法,可选择的基本流程有全流程溶气气浮法、部分溶气气浮法和部分回流溶气气浮法三种。
这三种气浮方法有什么区别,你认为哪种气浮方法最好?答:(1)①全流程溶气气浮法流程是使全部经混凝后的废水全部经溶气罐加压溶气,再经过减压装置释放进入气浮池进行固液分离。
与其他两个流程相比,其电耗高,但因不另加溶气水,所以气浮池容积小。
②部分溶气气浮法是将一部分已经混凝的废水进行加压溶气,然后使之经释放器释放,并与待处理原水混合而实现气浮。
加压溶气气浮设备的设计目录第一章设计任务书 (3)1.1 设计题目 (3)1.2 设计资料 (3)1.3 设计内容 (4)1.4设计成果 (4)第二章设计说明与计算书 (4)2.1 设计原理及方案选择 (4)2.1.1设计原理 (4)2.1.2方案选择 (7)2.2设计工艺计算 (8)2.2.1供气量与空压机选型 (8)2.2.2溶气罐 (9)2.2.3气浮池 (11)2.2.4附属设备 (13)第三章参考文献 (14)第四章设计心得体会 (15)第五章附图 (16)气浮池的设计计算第一章设计任务书1.1 设计题目加压溶气气浮设备的设计(平流式)1.2 设计资料某工厂污水工程拟用气浮设备代替二沉池,经气浮实验取得以下参数:溶气水采用净化后处理水进行部分回流,回流比0.2,气浮池内接触时间为5min,溶气罐内停留时间为3min,分离时间为15min,溶气罐压力为0.4Mpa,气固比0.02,温度30℃。
设计水量850m3/d。
1.3 设计内容(1)确定设计方案;(2)气浮设备的设计计算;(3)系统设备选型,包括水泵、溶气释放器、溶气压力罐、空压机及刮渣机等;(4)计算书编写,计算机绘图。
1.4设计成果(1)设备工艺设计计算说明书;要求参数选择合理,条理清楚,计算准确,并附设计计算示意图;提交电子版和A4打印稿一份。
(2)气浮系统图和气浮设备结构详图(包括平面图、剖面图);要求表达准确规范;提交电子版和A3打印稿一份。
第二章设计说明与计算书2.1 设计原理及方案选择2.1.1设计原理加压气浮法是在加压情况下,将空气溶解在废水中达饱和状态,然后突然减至常压,这时溶解在水中的空气就成了过饱和状态,以极微小的气泡释放出来,乳化油和悬浮颗粒就粘附于气泡周围而随其上浮,在水面上形成泡沫层,然后由刮泡器清除,使废水得到净化。
根据废水中所含悬浮物的种类、性质、处理水净化程度和加压方式的不同,基本流程有以下三种。
1、全部废水溶气气浮法全部废水溶气气浮法是将全部废水用水泵加压,在泵前或泵后注入空气。
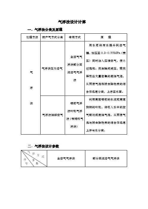
气浮法设计计算一.气浮法分类及原理处理方法按产气方式分类常用方式原 理气 浮 法气浮法压力溶气 全溶气气浮法部分回流溶气气浮法用水泵将废水提升到溶气罐,加压至~(表压)同时注入压缩空气,使之过饱和。
然后瞬间减压,骤然释放出大量密集的微细气泡,从而使气泡和被去除物质的结合体迅速分离,上浮至水面。
气浮法细碎空气喷射气浮法叶轮气浮法(韦姆科气浮法)利用高速喷射的水流或高速旋转的叶轮,将吸入水中的空气剪切成微细气泡,从而使气泡与被去除物质的结合体迅速上浮与水分离。
二.气浮法设计参数全溶气气浮法 部分回流溶气气浮法1流 程 示 意 图2 进水水质 pH=~含油量<100mg/l pH=~含油量<100mg/l3投加药剂(品种和数量根据实际水质筛选决定)聚合铝25~35mg/l或硫酸铝60~80mg/l或聚合铁15~30mg/l或有机高分子凝聚剂1~10mg/l聚合铝15~25mg/l或硫酸铝40~60mg/l或聚合铁10~20mg/l或有机高分子凝聚剂1~8mg/l4 混凝反应 管道和水泵混合无反应室管道混合,阻力损失≥或机械混合,搅拌浆叶线速度s 左右,混合时间气 浮 方式参 数 序 号三.气浮法设计计算四.不同温度下的K T值和736K T值例:2×75m3 / h气浮池气浮池设置在絮凝池侧旁,沉淀池上方。
气浮类型较多,有全部压力溶气气浮、分散空气气浮、电解凝聚气浮、内循环射流气浮等,这里选择适用于城镇给水处理的部分回流压力溶气气浮。
气浮适用于含藻类及有机杂质、水温较低、常年浊度低于100NTU的原水;它依靠微气泡粘附絮粒,实现絮粒强制性上浮,达到固、液分离,由于气泡的重度远小于水,浮力很大,促使絮粒迅速上浮,提高固、液分离速度。
气浮依靠无数微气泡去粘附絮粒,对絮粒的重度、大小要求不高,能减少絮凝时间,节约混凝剂量;带气絮粒与水的分离速度快,单位面积产水量高,池容及占地减少,造价降低;气泡捕足絮粒的机率很高,跑矾花现象很少,有利于后级滤池延长冲洗周期,节约水耗;排渣方便,浮渣含水率低,耗水量小;池深浅,构造简单,可随时开、停,而不影响出水水质,管理方便。