电梯轿厢内多媒体显示系统说明书
- 格式:pdf
- 大小:2.71 MB
- 文档页数:65
电梯网络多媒体视频机使用说明书电梯网络多媒体视频机使用说明书一、产品概述随着社会的发展,电梯广告已广泛出现在小区、商场、医院、机场等公共场合,各式各样的电梯广告机也相继问世,因此易操作、省成本、多功能的广告机便成了各企业争先竞足的目标。
AML8726-M3安卓广告机解码板(核心板+底板)可解1080P高清视频,具有输出HDMI 1080P 的功能,只要接上屏线、高压控制线及电源即可直接驱动1366*分辨率768及其以下的屏幕,无须再另外加驱动板;驱动1920x1920 FULL HD LCD 亦只需增加一个HDMI 接口的驱动板即可。
此款广告机集3路USB口、SD卡、网络接口、WIFI 接口于一体,其优点是可以在局域网内高速传输下载广告内容,方便集中管理,方便及时发布信息。
二、技术参数电源:+24V 直流电源工作温度:0℃~70℃(可定制工业级)环境湿度:20% ~ 90%,非冷凝电气指标:24V@2000mA(不同LCD功率不同)机械尺寸:120 mm * 90 mmPCB规格:核心板6层三、产品特性AML8726-M3应用处理器,核心频率1GHz版本:Android (linux )1GHz ARM Cortex-A9 Core1GByte DDR SDRAM4GByte NAND Flash提供2路UART信号(5线,支持硬件流控)提供2路 USB host,其中一路可做OTG提供音频输入/输出信号提供2路I2C(可选配电容屏)支持10/100M 以太网支持红外遥控支持1路SD/MMC接口支持RMLL接口四、播放功能支持横屏/竖屏播放,支持180度旋转功能开机自动循环播放广告插播功能支持定时开关机功能支持超大BMP挂角图标显示功能支持超长流水字幕显示功能支持文件直接在本机上拷贝和删除的功能.后台自动生成播放日志分时音量,不同的时段,可设置不同的音量分时播放不同playlist,可人为设置playlist支持USB播放,支持热插拔,内容更新方便快捷支持音视频格式:MPG、MPG-1、MPG-2、MPG-4、AVI、MP4、DIV、TS、MKV、MOV、 WMV、RM、RMVB等播放模式:单曲重复播放、文件夹循环播放、全盘循环播放图片播放:旋转、缩放、平移、幻灯片播放、背景音乐播放五、外观布局六、硬件说明1.供电与通信口说明供电电压为直流24V。
电梯内显示屏操作方法
电梯内显示屏通常有以下操作方法:
1. 选择楼层:在显示屏上按下对应的楼层按钮,电梯会前往该楼层。
2. 呼叫电梯:在显示屏上选择上行或下行方向按钮,等待电梯到达并开门。
3. 查看电梯状态:在显示屏上查看电梯所在楼层、运行方向、开门状态等信息。
4. 停止运行:在紧急情况下按下停止按钮,电梯会立即停止运行。
需要注意的是,不同型号的电梯显示屏可能会有些许差异,具体操作方法请参考电梯使用说明书。
同时,在电梯内应注意安全,不要随意按动按钮或在电梯内奔跑、踢球等行为。
快捷安装方法1.初检与设定在控制室内,把楼显的视频输入、输出、电源、光电组件接通后,用卡片或是其它遮挡物,从上而下、从下而上的刷光电组件,看字符数值是否变化,箭头方向是否有指示。
观察主机上的几个灯,P灯为电源灯(常亮),Z灯为信号灯(一直闪烁),C灯为复位灯(熄灭。
用磁源靠近磁开关时,C灯会亮,同时屏蔽上的楼层信息归001楼),U,D灯为上行、下行灯(常亮。
物体遮挡光电组件的U位时,U灯灭;遮挡D位时,D灯灭)。
之后,打开参数设定开关(按键处于ON状态),通过红、绿两按键,设定最高楼层与最低楼层,及每层的相应名字,设定完毕后,把设定开关闭合。
2.安装光电组件光电组件中U位表示上,D位表示下,安装时,应注意上下顺序,并确保每层的隔磁板能正常遮挡U、D两个灯位。
安装光电阻件有两种方法,一是绑定法,一是支架固定法。
绑定法:把光电组件与电梯内自身的感应器困绑在一起,它们可同时经过隔磁板。
(但这种做法,必须先与电梯公司协商,否则电梯检修时,会给拆除。
)支架固定法:使用配套的支架,把光电组件固定在电梯桥箱顶部,只要电梯运行时,能顺利通过隔磁板即可。
注意:楼显主机分A型与B型(出厂时默认为A型)。
当电梯停层时,A型安装方法:光电组件离开隔磁板;B型安装方法:光电组件是夹住隔磁板的话。
无论A、B型主机,光电组件均可通用,只是主机程序不一样。
3.安装复位门磁复位门磁分两部分,无接线部分为磁源,安装在1楼电梯井的墙壁上,带线部分连接光电组件的为磁开关,使用支架安装在电梯轿箱顶部,随电梯上下运行;两者的安装位置没有硬性规定,只要电梯运行到1楼时,两部分有机会接近,距离不要超过30MM,即可使每次电梯经过1楼时能正常复位到1楼。
4.安装楼显主机楼显主机安装在电梯轿箱顶部,各接线线头应扭紧并保证电梯运行过程中不会松脱或扯动线缆。
有条件者,可考虑主机与电梯其它带电部件绝缘。
5.测试电梯开慢速,从一楼到顶楼,再从楼顶到一楼,慢行一次,检查楼显是否正常运行。
一、产品名称:电梯多媒体液晶显示器
注:W-宽度 H-高度 E-厚度
安装为分体式安装方式:即主机安装在轿顶,液晶显示器安装在轿厢。
二、产品主要功能:
1、电梯运行状态(楼层信息、上下行信息等)显示。
2、可播放各类电影文件及DVD、VCD和图片文件,播放效果更清晰,播放的多媒体及图
片文件存储在显示器主机存储器中。
所播放的电影等文件可以通过网络线在管理中心统一更换(需网络线路支持)。
3、文本信息发布:可以在管理中心发布任何文本信息,如天气预报、通知、新闻等等(需
网络线路支持)。
4、日历时间显示。
5、LOGO显示等。
电梯楼层显示器使用说明书2007年2月一、概述本机是通过光电传感器对电梯运行状态进行采样,将电梯实时运行状态以中文字符形式(电梯名称、楼层号、上行下行或暂停)叠加于视频信号,动态记录电梯运行状态的设备。
由于采用高性能视频集成电路和汉字芯片、先进的贴片工艺,因此有体积小、重量轻、采集信号稳定性高等优点,并有中英文或数字叠加命名各部电梯。
本机安装方便,直接安装在电梯桥厢顶上,方便与摄像机连接,现场不需任何调试。
由于采用人性化设计,可脱机进行显示参数的静态设置。
本机适用于任何电梯。
二、主要功能1、最大显示楼层数:地下9层~地面99层;2、有电梯运行状态指示:电梯名称、上行、下行、暂停、楼层号;3、由于采用光电传感器对电梯运行状态进行采样,因而采样稳定准确,设备抗干扰性强,可靠性高;4、图像、汉字字符叠加显示稳定,能准确显示电梯运行的数据,并可设置显示位置;5、安装方便由于本机设计的独特性,只需将该设备的光电传感器安装在电梯轿厢顶部平层块二侧,主机放置在轿厢顶部即可,无需进行任何调试;6.脱机调试设置参数由于采用独特的设计思想,菜单编程完全人性化,在办公室内只需连接摄像机、监视器,就能完成参数设置;也可通过主机LED显示进行参数设置。
无须现场调试,完全免维护;7.不受电梯停电影响,断电后能保存运行时参数,并能自动修正显示参数;8.可安装在任何品牌的电梯上。
三、安装说明:系统连接图1图1由于本机采用分离式光电传感器,因此只需将一对光电传感器安装在电梯桥厢顶上感应平层块的二侧,电梯楼层显示器主机安装在电梯桥厢顶上,电梯正常停稳时平层指示灯亮即可。
安装方法:(1)将电梯楼层显示器主机安装在电梯桥厢顶上,接通电源。
(2)将一对光电传感器安装在感应平层的装置铁架上,分别处于平层块的二侧。
(3)调整二侧光电传感器位置,使电梯正常停稳时,主机上平层指示灯亮即可。
注意:正确的安装必须是:平层块不在传感器中间时,平层指示灯熄灭,在电梯正常停稳时平层指示灯亮。
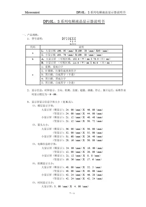
DP10L、S系列电梯液晶显示器说明书一、产品规格:1、型号说明:代码说明L:大显示板 190.95(mm)X 109.50(mm)X43(mm)aS:小显示板 164.70(mm)X 109.50(mm)(mm)bA:大显示屏(可视区域:132.0(W)mm X 76.0(H)mm)B:小显示屏(可视区域:114.0(W)mm X 64.0 (H)mm )1:蓝膜,蓝底白字2:红紫膜,红紫色底米黄色字c3:黑白膜,白底黑字(半透)4:黑白膜,黑底白字5:黑白膜,白底黑字(全透)2、显示信息:时钟显示,方向、检测、直驶、超载、满载、停止、独立运行;标准作业时显示楼层为-9~99。
3、显示屏显示信息字体大小(宽X高):⑴、楼层显示字体:大显示屏(横显示):24.00(mm)X 46.00(mm)(竖显示):24.00(mm)X 44.00(mm)小显示屏(横显示):21.12(mm)X 40.48(mm)(竖显示):21.12(mm)X 38.72(mm)⑵、箭头大小:大显示屏(横显示):36.00(mm)X 30.00(mm)(竖显示):32.00(mm)X 35.00(mm)小显示屏(横显示):31.68(mm)X 26.40(mm)(竖显示):28.16(mm)X 30.80(mm)⑶、电梯信息的字体:大显示屏(横显示):24.00(mm)X 10.00(mm)(竖显示):12.00(mm)X 20.00(mm)小显示屏(横显示):21.12(mm)X 8.8(mm)(竖显示):10.56(mm)X 17.6(mm)⑷、检测显示大小:大显示屏(横显示):48.00(mm)X 52.5(mm)(竖显示):48.00(mm)X 48.00(mm)小显示屏(横显示):42.24(mm)X 46.20(mm)(竖显示):42.24(mm)X 42.24(mm)⑸、时间显示大小:大显示屏:3.00(mm)X 4.00(mm)二、基本参数:1、工作电压:DC12V~24V2、工作电流:<300mA(DC24V)3、工作环境温度:0~50摄氏度4、工作环境温度:10%~90%5、信号触发:信号电压:DC24V,电平触发。
电梯多媒体系统管理软件使用手册(V2.0 2010-08-03)1 概述本文描述了电梯多媒体系统管理软件(以下简称管理软件)的使用方法。
电梯多媒体系统包括液晶显示终端,管理计算机和服务器三个部分.2 登录系统运行管理软件后进入如下界面输入用户名和密码后按“OK”进入管理软件,显示的主窗口如下,系统默认的用户名是:admin,密码:admin.管理软件分:系统设置、终端维护、信息管理、媒体文件管理、帮助等五项内容。
3 系统设置单击主窗口上的“系统设置”菜单后进入系统设置,窗口如下:窗口描述:电梯数量:本软件系统管理的电梯液晶显示器的数量,为了快速自动完成各项管理工作必须设置此数量和实际情况相符合;Language:系统语言,支持英语和简体中文两种语言,系统安装后默认为简体中文;通讯方式:管理计算机和显示终端的通讯方式,当选串口时必须设置主机端口和波特率,安装后默认为网口的方式.窗口命令:确定:确定设置并保存退出;退出:不保存退出.4 终端维护终端维护分:时间同步、终端软件升级、终端设置等三个部分。
4.1 时间同步单击“终端维护”菜单中的“时间同步”子菜单,进入如下时间同步窗口:窗口说明:当前时间:管理计算机的系统时间,将用该时间来同步各终端,同步之前必须保证该时间是正确的。
通讯结果:各终端的同步结果。
窗口命令:确定:管理软件自动同步各终端的时间,并将同步的结果显示在列表中;退出:退出本项管理。
4。
2 终端软件升级单击“终端维护”菜单中的“终端软件升级"子菜单,进入如下终端软件升级窗口:窗口说明:程序文件:升级的目的是升级主程序文件,文件必须由厂商提供;楼层编码:升级楼层输入信号和显示字符对应关系的设置文件,用户提要求后由厂商设置并提供该升级软件;文件:浏览到厂商提供的升级文件;液晶编号:当前被升级的液晶显示器的编号。
窗口命令:确定:开始把选定的文件升级到指定的液晶显示器,升级完成后将显示升级结果;退出:退出本项功能。
电梯多媒体显示系统产品规格书三菱一、产品概述电梯多媒体显示系统是专门为三菱电梯设计的一套先进的信息展示和交互解决方案。
它旨在为乘客提供丰富、实用和吸引人的多媒体内容,提升电梯乘坐体验,同时为物业管理和广告投放提供有效的平台。
二、系统组成1、显示屏幕采用高清晰度液晶显示屏,具有出色的图像质量和色彩表现。
屏幕尺寸根据电梯轿厢的大小和设计进行定制,确保最佳的视觉效果。
2、控制单元内置高性能的处理器和存储设备,能够快速处理和播放多媒体内容。
支持多种接口,如 HDMI、USB 等,方便与外部设备连接和内容更新。
3、多媒体内容管理系统提供易于使用的界面,方便管理员进行内容的上传、编辑和排程。
支持多种媒体格式,如图片、视频、动画、文本等。
4、音频系统配备高品质的扬声器,提供清晰、响亮的声音输出。
可实现音频与视频内容的同步播放。
三、显示功能1、电梯运行信息显示实时显示电梯的楼层、运行方向、载重等基本信息。
以直观的图形和数字形式呈现,便于乘客了解电梯状态。
2、多媒体广告播放支持循环播放高质量的广告视频和图片,为广告商提供有效的宣传渠道。
可以根据时间、楼层等条件进行精准的广告投放。
3、紧急通知和警示信息显示在紧急情况下,能够迅速切换显示紧急通知和安全警示信息,引导乘客采取正确的行动。
4、天气预报和新闻资讯展示实时获取天气预报和最新的新闻资讯,为乘客提供实用的信息服务。
四、技术规格1、屏幕分辨率达到高清标准,如 1920×1080 或更高,以提供清晰细腻的图像。
2、亮度和对比度具有足够高的亮度,以适应电梯轿厢内不同的光线环境,确保图像清晰可见。
对比度达到较高水平,使图像色彩鲜明,层次丰富。
3、响应时间屏幕响应时间短,确保图像流畅无拖影,特别是在播放动态内容时。
4、存储容量控制单元具备足够的内部存储容量,以存储大量的多媒体内容。
同时支持外部存储设备扩展,方便增加存储空间。
5、网络连接支持有线网络和无线网络连接,便于系统与远程服务器进行数据交互和内容更新。
电梯多媒体信息显示系统产品规格书LEHY-PS1版本(a)(中文)共30页编制:蔡盛杰校对:陈军审核:王水来批准:阮为民上海三菱电梯有限公司二零零五年十月LEHY-PS1文件修改备忘版本页次更改说明更改文件号更改日期更改前更改后a 6~789~1919~2327~30只有安装于有机房电梯的系统拓扑结构只有挂壁式LCD显示装置外形尺寸有EAVIS产品规格增加了安装于无机房电梯和层站的系统拓扑结构明确了甲乙双方的工作界面嵌入式LCD显示装置的安装方式、安装位置图示说明各规格LCD显示装置的外形尺寸和安装开孔图示增加局域网说明增加远程服务器说明增加土建预留孔说明增加显示内容说明增加远程服务器应用软件功能说明增加非标会签应填内容备忘录删除EAVIS产品规格JX0725482007/12/12目录1系统概述 (3)2适用梯种与交货期 (4)2.1适用梯种 (4)2.2交货期 (4)3系统和部件 (5)3.1系统结构 (5)3.2相关各方工作界面 (8)3.3LCD显示装置 (9)3.4局域网要求 (19)3.5远程服务器要求 (22)3.6土建预留孔要求 (23)4功能描述 (24)4.1显示界面 (24)4.2显示规格 (27)4.3远程服务器应用软件 (28)5技术参数 (29)6非标会签单应填内容一览表 (30)1系统概述电梯轿厢是相对封闭的空间,乘行环境比较单调,如何为乘客营造一个温馨舒适的乘梯环境一直是电梯企业努力的方向。
现在,在电梯轿厢内,包括在候梯厅安装多媒体信息显示装置已经成为了很多用户的需求,这一方面能改善乘梯环境,另一方面也为物业和广告公司提供了信息发布的平台。
上海三菱电梯为了不断满足市场需求,在原有基础上升级了电梯多媒体信息显示系统EMIDS(Elevator Multimedia Information Display System)。
升级后的系统选用了性能更好的液晶屏和嵌入式工控主板,改进了LCD显示装置的安装方式,增加了流媒体实时广播和双液晶屏同步显示等新功能。
楼层显示器说明书一、电梯楼层显示器概述随着闭路电视监控技术的不断深入,电梯的闭路电视监控已经发展到了既可以有视频图像,同时还可以监控电梯的运行状态和故障报警提示,包括电梯的具体停靠的楼层数,电梯的上行,下行,停止,等待,故障报警等电梯的五种运行状态。
二、重要提示1、安装前请仔细阅读本说明书!2、主机电源:为直流12V,接线柱分“正,负”。
具体接法:工程人员朝向接线端子时,接线端子为“左负右正”(如下图所示),请勿接反!正确供电后,主机指示灯会每隔1秒闪烁1次。
3、安装之前,请先设置!4、安装完毕请用双面胶或匝带绑好主机和探测器,重新开机,将电梯从最高层运行到最底层运行一次。
5、本设备具有掉电记忆功能,一般情况不会出现误报楼层数情况。
如有出现(仅在楼显断电而电梯仍在正常运行时),断电重启后,将电梯从最高层运行到最底层运行一次,则会自动复位。
三、功能说明1、编程数据电子开关自动保护,数据永不丢失;2.、具有电梯故障报警功能;3、具有电梯等待提示功能;4、显示电梯运行层数为地上200层,地下19层;5、显示电梯五种运行状态,上行,下行,停止,等待,故障报警;6、人机对话递进式菜单设计,菜单设置简单易于操作。
电梯名称4~15位字符可选,电梯停留的最大层数可选;7、可脱离电梯设置,无需摄像机视频信号支持,字符信号可直接输出到监视器等终端显示设备上,字符位置可调;8、抗干扰能力强,不受电梯速度影响;9、完全MPU微处理器控制,硬件结构更合理,程序运行更稳定;10、人性化、智能化菜单,操作简单;11、安装极为方便,无论是新安装,还是对原来的监控系统进行改造,都十分方便!示意图(下图显示001号电梯状态:由地上1层向地上2层运行):主机正常运行后,它自动检测,自动复位,不受电梯停电影响,完全免维护。
四、安装方法及位置电梯楼层显示器主机用双面胶或强力胶布胶水固定在电梯轿箱的顶部(外部),固定后需保证探测器及线能正常连接在主机上。
楼层显示器说明书一、电梯楼层显示器概述随着闭路电视监控技术的不断深入,电梯的闭路电视监控已经发展到了既可以有视频图像,同时还可以监控电梯的运行状态和故障报警提示,包括电梯的具体停靠的楼层数,电梯的上行,下行,停止,等待,故障报警等电梯的五种运行状态。
二、重要提示1、安装前请仔细阅读本说明书!2、主机电源:为直流12V,接线柱分“正,负”。
具体接法:工程人员朝向接线端子时,接线端子为“左负右正”(如下图所示),请勿接反!正确供电后,主机指示灯会每隔1秒闪烁1次。
3、安装之前,请先设置!4、安装完毕请用双面胶或匝带绑好主机和探测器,重新开机,将电梯从最高层运行到最底层运行一次。
5、本设备具有掉电记忆功能,一般情况不会出现误报楼层数情况。
如有出现(仅在楼显断电而电梯仍在正常运行时),断电重启后,将电梯从最高层运行到最底层运行一次,则会自动复位。
三、功能说明1、编程数据电子开关自动保护,数据永不丢失;2.、具有电梯故障报警功能;3、具有电梯等待提示功能;4、显示电梯运行层数为地上200层,地下19层;5、显示电梯五种运行状态,上行,下行,停止,等待,故障报警;6、人机对话递进式菜单设计,菜单设置简单易于操作。
电梯名称4~15位字符可选,电梯停留的最大层数可选;7、可脱离电梯设置,无需摄像机视频信号支持,字符信号可直接输出到监视器等终端显示设备上,字符位置可调;8、抗干扰能力强,不受电梯速度影响;9、完全MPU微处理器控制,硬件结构更合理,程序运行更稳定;10、人性化、智能化菜单,操作简单;11、安装极为方便,无论是新安装,还是对原来的监控系统进行改造,都十分方便!示意图(下图显示001号电梯状态:由地上1层向地上2层运行):主机正常运行后,它自动检测,自动复位,不受电梯停电影响,完全免维护。
四、安装方法及位置电梯楼层显示器主机用双面胶或强力胶布胶水固定在电梯轿箱的顶部(外部),固定后需保证探测器及线能正常连接在主机上。