2018年中考化学真题分类汇编:考点29-化学实验基本操作(有答案)AqwlUK
- 格式:doc
- 大小:4.87 MB
- 文档页数:18
实验基本操作(2019年)一、选择题1.(2018•长沙)下列实验操作正确的是()A.点燃酒精灯B.干燥氢气 C.检查气密性D.测定溶液的pH考点:加热器皿-酒精灯;检查装置的气密性;气体的干燥(除水);溶液的酸碱度测定..专题:常见仪器及化学实验基本操作.分析:A、根据酒精灯的使用方法与注意事项进行判断;B、根据氢气的收集分析考虑;C、根据检查气密性需要注意事项进行判断.D、根据用pH试纸测定未知溶液的pH时的方法进行分析判断解答:解:A、点燃酒精灯时,切忌用一燃着的酒精灯去引燃另一酒精灯,以防引起火灾;故本选项操作错误;B、氢气密度小,进气管应长,出气管应短,故错误;C、导管放入水中,用手握住试管,导管口有气泡冒出,装置气密性良好.故本选项操作正确;D、用pH试纸测定未知溶液的pH时,正确的操作方法为用玻璃棒蘸取少量待测液滴在干燥的pH试纸上,与标准比色卡对比来确定pH.不能将pH试纸伸入待测液中,以免污染待测液,图中所示操作错误.故选C点评:熟悉常见仪器的使用方法与注意事项,掌握化学实验基本操作是解答此类题目的关键.2.(2018•长沙)下列实验现象描述不正确的是()A.红磷在空气中燃烧,产生大量白烟B.向NaOH溶液中滴加酚酞,溶液变红C.把打磨过的铝片浸入CuSO4溶液中,一段时间后取出,铝片上覆盖一层红色物质D.细铁丝在空气中燃烧,火星四射,生成黑色固体考点:氧气与碳、磷、硫、铁等物质的反应现象;金属的化学性质;碱的化学性质..专题:实验现象的观察和记录.分析:A、根据红磷在空气中燃烧的现象进行分析判断.B、无色酚酞溶液遇酸性溶液不变色,遇碱性溶液变红.C、根据铝的金属活动性比铜强,进行分析判断.D、根据细铁丝在空气中燃烧的现象进行分析判断.解答:解:A、红磷在空气中燃烧,产生大量白烟,故选项说法正确.B、氢氧化钠溶液显碱性,滴加酚酞,溶液变红,故选项说法正确.C、把打磨过的铝片浸入CuSO4溶液中,一段时间后取出,铝片上覆盖一层红色物质,故选项说法正确.D、细铁丝在空气中只能烧至发红,不会产生火星,故选项说法错误.故选:D.点评:本题难度不大,掌握常见物质燃烧的现象、碱的化学性质、金属的化学性质即可正确解答,在描述实验现象时,需要注意光和火焰、烟和雾的区别.2.(2018•郴州)下列各图是初中化学常见的几个实验操作,其中错误的是解:A、胶头滴管的使用:垂直悬空试管上方,滴加液体.故A操作错误.B、取用固体粉末时,将试管横放,用纸槽或药匙将药品送到试管底部.故B操作正确.C、取下瓶塞倒立放在桌面上;标签对着手心;细口瓶瓶口紧靠容器口.故C操作正确.D、检验气密性是正确.故D操作正确.故选:A3.(2018•衡阳)下列实验的基本操作正确的是()A.浓硫酸的稀释 B.称量一定质量的食盐 C.过滤 D.检查装置的气密性考点:浓硫酸的性质及浓硫酸的稀释;称量器-托盘天平;过滤的原理、方法及其应用;检查装置的气密性.. 专题:常见仪器及化学实验基本操作.分析:A、根据浓硫酸的稀释方法(酸入水,沿器壁,慢慢倒,不断搅)进行分析判断.B、根据托盘天平的使用要遵循“左物右码”的原则进行分析判断.C、过滤液体时,注意“一贴、二低、三靠”的原则.D、根据检查装置气密性的方法进行分析判断.解答:解:A、稀释浓硫酸时,要把浓硫酸缓缓地沿器壁注入水中,同时用玻璃棒不断搅拌,以使热量及时地扩散;一定不能把水注入浓硫酸中;图中所示操作错误.B、托盘天平的使用要遵循“左物右码”的原则,图中所示操作砝码与药品位置放反了,图中所示操作错误.C、过滤液体时,要注意“一贴、二低、三靠”的原则,图中缺少玻璃棒引流,图中所示操作错误.D、检查装置气密性的方法:把导管的一端浸没在水里,双手紧贴容器外壁,若导管口有气泡冒出,装置不漏气;图中所示操作正确.故选:D.点评:本题难度不大,熟悉各种仪器的用途及使用注意事项、常见化学实验基本操作的注意事项是解答此类试题的关键.4.(2018•怀化)下列有关实验现象的描述正确的是()A.细铁丝在空气中剧烈燃烧,火星四射,生成一种红色物质B.硫在空气中燃烧发出蓝紫色火焰,生成无色无味的气体C.一氧化碳和氧化铜在高温下反应,生成黑色的铜D.在氢氧化钠溶液中加入酚酞溶液,溶液变红色考点:氧气与碳、磷、硫、铁等物质的反应现象;碱的化学性质.专题:实验现象的观察和记录.分析:A、根据细铁丝在空气中燃烧的现象进行分析判断.B、根据硫在空气中燃烧的现象进行分析判断.C、根据一氧化碳还原氧化铜现象进行分析判断.D、无色酚酞溶液遇酸性溶液不变色,遇碱性溶液变红.解答:解:A、细铁丝在空气中只能烧至发红,不会产生火星,故选项说法错误.B、硫在空气中燃烧,产生淡蓝色火焰,产生一种具有刺激性气味的气体,故选项说法错误.C、一氧化碳具有还原性,与和氧化铜在高温下反应,生成一种红色固体,且生成铜是实验结论而不是实验现象,故选项说法错误.D、氢氧化钠溶液显碱性,在氢氧化钠溶液中加入酚酞溶液,溶液变红色,故选项说法正确.故选:D.点评:本题难度不大,掌握常见物质燃烧的现象、一氧化碳的化学性质、碱的化学性质即可正确解答,在描述实验现象时,需要注意实验结论和实验现象的区别.5.(2018•怀化)下列实验操作中,正确的是()考点:检查装置的气密性;加热器皿-酒精灯;固体药品的取用.专题:常见仪器及化学实验基本操作.分析:A、根据用手握试管的方法检查装置气密性的操作,注意观察是否有气泡冒出以判断气密性好坏解答;B、根据闻药品的气味要在瓶口用手轻轻煽动去闻药品气味解答;C、根据点燃酒精灯时,应用火柴点燃.图中操作错误会引起安全事故解答;D、根据取用颗粒状或块状固体试管要平放,将药品放在试管口然后将试管慢慢竖起来解答.解答:解:A、导管放入水中,用手握住试管,导管口有气泡冒出,装置气密性良好,操作正确;故A正确;B、闻药品的气味要在瓶口用手轻轻煽动去闻药品气味,不能把鼻孔凑到容器口去闻气味,B不正确;C、点燃酒精灯时,用火柴点燃,如果用燃着的酒精灯去点燃另一个酒精灯,会引起酒精失火,造成危险,故C 错误;D、取用颗粒状或块状固体试管要平放,将药品放在试管口然后将试管慢慢竖起来,D不正确;故答案选A.点评:本题主要考查实验操作的注意事项:胶头滴管、酒精灯的使用方法,以及托盘天平的使用方法和加热液体的方法.6.(2018•娄底)摘录某同学实验记录本中有关实验现象的记录,其中肯定有误的是()A.硫在氧气中燃烧,会发出明亮的蓝紫色火焰,产生有刺激性气味的气体B.细铁丝在氧气中点燃时,剧烈燃烧,火星四射,生成黑色固体C.点燃一氧化碳时,火焰呈蓝色,产物能使澄清石灰水变浑浊D.在空气中打开盛浓盐酸的试剂瓶瓶塞,有刺激性气味,产生白烟考点:氧气与碳、磷、硫、铁等物质的反应现象..专题:实验现象的观察和记录.分析:A、根据硫在氧气中燃烧的现象进行分析判断.B、根据细铁丝在氧气中燃烧的现象进行分析判断.C、根据一氧化碳燃烧的现象进行分析判断.D、根据浓盐酸具有挥发性进行分析判断.解答:解:A、硫在氧气中燃烧,发出明亮的蓝紫色火焰,产生一种具有刺激性气味的气体,故选项说法正确.B、细铁丝在氧气中剧烈燃烧,火星四射,生成一种黑色固体,故选项说法正确.C、一氧化碳燃烧,火焰呈蓝色,产物能使澄清石灰水变浑浊,故选项说法正确.D、浓盐酸具有挥发性,在空气中打开盛浓盐酸的试剂瓶瓶塞,有刺激性气味,产生白雾,而不是白烟,故选项说法错误.故选:D.点评:本题难度不大,掌握常见物质燃烧的现象、浓盐酸具有挥发性即可正确解答,在描述实验现象时,需要注意光和火焰、烟和雾的区别.7.(2018•邵阳)下列实验操作中正确的是()A.稀释浓硫酸B.加热液体 C.读液体体积D.取用固体粉末考点:浓硫酸的性质及浓硫酸的稀释;测量容器-量筒;固体药品的取用;给试管里的液体加热..专题:常见仪器及化学实验基本操作.分析:A、根据浓硫酸的稀释方法(酸入水,沿器壁,慢慢倒,不断搅)进行分析判断.B、根据给试管中的液体加热的方法进行分析判断.C、根据量筒读数时视线要与凹液面的最低处保持水平进行分析判断.D、根据向试管中粉末状固体药品的方法进行分析判断.解答:解:A、稀释浓硫酸时,要把浓硫酸缓缓地沿器壁注入水中,同时用玻璃棒不断搅拌,以使热量及时地扩散;一定不能把水注入浓硫酸中;图中所示操作错误.B、给试管中的液体加热时,用酒精灯的外焰加热试管里的液体,且液体体积不能超过试管容积的,图中液体超过试管容积的,图中所示操作错误.C、量取液体时,视线与液体的凹液面最低处保持水平,图中俯视刻度,操作错误.D、取用固体粉末状药品时,应用药匙取用,不能用手接触药品,图中所示操作正确.故选:D.点评:本题难度不大,熟悉各种仪器的用途及使用注意事项、常见化学实验基本操作的注意事项是解答此类试题的关键.8.(2018•益阳)下列基本实验操作正确的是()A.检查气密性B.测量溶液的pH C.取固体药品D.熄灭酒精灯考点:检查装置的气密性;加热器皿-酒精灯;固体药品的取用;溶液的酸碱度测定..专题:常见仪器及化学实验基本操作.分析:A、根据检查装置气密性的方法进行分析判断.B、根据用pH试纸测定未知溶液的pH的方法进行分析判断.C、根据固体药品的取用方法进行分析判断.D、使用酒精灯时要注意“两查、两禁、一不可”.解答:解:A、该装置未构成封闭体系,即长颈漏斗与大气相通;无论该装置气密性是否良好,导管口都不会气泡产生,不能判断气密性是否良好,图中所示操作错误.B、用pH试纸测定未知溶液的pH时,正确的操作方法为用玻璃棒蘸取少量待测液滴在干燥的pH试纸上,与标准比色卡对比来确定pH.不能将pH试纸伸入待测液中,以免污染待测液,图中所示操作错误.C、取用固体粉末状药品时,应用药匙取用,瓶塞应倒放,图中瓶塞没有倒放,图中所示操作错误.D、使用酒精灯时要注意“两查、两禁、一不可”,应用灯帽盖灭酒精灯,图中所示操作正确.故选:D.点评:本题难度不大,熟悉各种仪器的用途及使用注意事项、常见化学实验基本操作的注意事项是解答此类试题的关键.9.(2018•永州)今年,我市化学实验操作考查,小松同学抽到“蒸发8mL食盐水至结晶”的考题,该实验不需要使用的仪器是()A.试管 B.蒸发皿C.酒精灯D.量筒考点:蒸发与蒸馏操作..专题:常见仪器及化学实验基本操作.分析:蒸发是利用加热的方法,使溶液中溶剂不断挥发而析出溶质的过程,据此分析判断所需的仪器即可.解答:解:A、进行蒸发8mL食盐水至结晶的操作时,无需使用试管,故选项正确.B、进行蒸发8mL食盐水至结晶的操作时,需要用蒸发皿完成蒸发操作,故选项错误.C、进行蒸发8mL食盐水至结晶的操作时,需要用酒精灯进行加热,故选项错误.D、进行蒸发8mL食盐水至结晶的操作时,需要用量筒量取8mL食盐水,故选项错误.故选:A.点评:本题难度不大,掌握蒸发操作的实验原理、所需的仪器是正确解答本题的关键.10.(2018•岳阳)规范的实验操作是实验成功的保证、下列实验操作错误的是()A.滴加液体B.过滤 C.点燃酒精灯D.加热固体考点:液体药品的取用;加热器皿-酒精灯;给试管里的固体加热;过滤的原理、方法及其应用..专题:常见仪器及化学实验基本操作.分析:A.使用胶头滴管滴加少量液体的操作,注意胶头滴管的位置是否伸入到试管内.B.过滤液体时,要注意一贴二低三靠的原则,没有“三靠”;C.点燃酒精灯要用火柴点燃,不能引燃,容易发生火灾;D.根据给试管内液体加热的注意事项考虑本题.解答:解:A.使用胶头滴管滴加少量液体的操作,胶头滴管应垂直悬空在试管口上方滴加液体,操作正确;B.过滤液体时,要注意一贴二低三靠的原则;一贴:用少量水润湿的滤纸要紧贴漏斗壁,二低:滤纸边缘低于漏斗边缘、滤液低于滤纸边缘,三靠:烧杯紧靠玻璃棒、玻璃棒靠在三层滤纸上、漏斗下端口紧靠烧杯内壁.操作正确;C.用一支酒精灯引燃另一酒精灯时,倾斜时容易将酒精倒出,由于酒精易燃烧,所以容易造成火灾或失火,操作错误;D.给试管内固体加热时,试管口略向下倾斜,防止药品中水分加热变为水蒸气,在试管口冷凝成水滴,倒流入试管底部,使试管炸裂,操作正确;故选C.点评:实验是学习化学的重要途径之一,实验的安全性关乎学生的生命健康,了解操作注意事项、原理及造成的后果,是保障生命安全和身体健康重要举措之一,是考查热点,要重点掌握.11.(2018•张家界)正确、规范的实验操作是科学探究成败的关键因素之一.下列实验操作不正确的是()A.检查气密性B.测定溶液pH C.稀释浓硫酸D.过滤考点:检查装置的气密性;浓硫酸的性质及浓硫酸的稀释;过滤的原理、方法及其应用;溶液的酸碱度测定.专题:常见仪器及化学实验基本操作.分析:A、根据检查装置气密性的方法进行分析判断.B、根据用pH试纸测定未知溶液的pH的方法进行分析判断.C、根据浓硫酸的稀释方法(酸入水,沿器壁,慢慢倒,不断搅)进行分析判断.D、过滤液体时,注意“一贴、二低、三靠”的原则.解答:解:A、检查装置气密性的方法:把导管的一端浸没在水里,双手紧贴容器外壁,若导管口有气泡冒出,装置不漏气;图中所示操作正确.B、用pH试纸测定未知溶液的pH时,正确的操作方法为用玻璃棒蘸取少量待测液滴在干燥的pH试纸上,与标准比色卡对比来确定pH.不能将pH试纸伸入待测液中,以免污染待测液,图中所示操作错误.C、稀释浓硫酸时,要把浓硫酸缓缓地沿器壁注入水中,同时用玻璃棒不断搅拌,以使热量及时地扩散;一定不能把水注入浓硫酸中;图中所示操作正确.D、过滤液体时,要注意“一贴、二低、三靠”的原则,图中所示操作正确.故选:B.点评:本题难度不大,熟悉各种仪器的用途及使用注意事项、常见化学实验基本操作的注意事项是解答此类试题的关键.12.(2018•张家界)化学实验过程中要注意实验安全,如果发生意外也要冷静处理.对下列意外事故的处理方法中,不正确的是专题:常见仪器及化学实验基本操作.分析:A、根据酒精洒在桌面上燃烧起来的处理方法、结合灭火的原理,进行分析判断.B、根据浓硫酸不慎沾到皮肤上的处理方法进行分析判断.C、根据氯化钡中毒的原因进行分析判断.D、根据衣服上沾有氢氧化钠时的处理方法进行分析判断.解答:解:A、酒精洒在桌面上燃烧起来,立即用湿抹布或沙子扑灭,利用的是隔绝氧气的灭火原理,故选项说法正确.B、浓硫酸不慎沾到皮肤上,立即用大量清水冲洗,再涂3%~5%NaHCO3溶液,故选项说法正确.C、氯化钡中毒的原因是氯化钡属于重金属盐,能使人体内蛋白质变性,所以喝大量的鲜牛奶或鸡蛋清,使其中的蛋白质与重金属盐反应,减少其对人体的伤害,故选项说法正确.D、氢氧化钠是强碱,碱溶液粘在皮肤或衣物上,先用较多水冲洗,再涂上硼酸溶液;硫酸具有强烈的腐蚀性,不能涂上硫酸,故选项说法错误.故选:D.点评:本题难度不大,掌握常见意外事故的处理方法、灭火的方法与重金属盐中毒的处理方法等是正确解答本题的关键.13.(2018•株洲)下列图示操作正确的是()A.液体读数B.滴加液体 C.加热固体 D.倾倒液体考点:测量容器-量筒;液体药品的取用;给试管里的固体加热..专题:常见仪器及化学实验基本操作.分析:A、根据量筒的读数方法判断;B、根据胶头滴管的使用方法解答;C、根据给试管中的固体物质加热解答;D、根据液体药品的取用方法解答.解答:解:A、量取液体时,视线没与液体的凹液面最低处保持水平,图示操作错误;B、使用胶头滴管滴加少量液体的操作,注意胶头滴管的位置是不伸入到试管内或接触试管内壁.应垂直悬空在试管口上方滴加液体,防止污染胶头滴管,图中操作错误;C、给试管中的固体加热试管口略向下倾斜,药品平铺在试管底部用酒精灯的外焰加热,图中操作正确;D、取用液体时:①试剂瓶瓶口要紧挨试管口,防止液体流出;②标签向着手心,防止液体流出腐蚀标签;③瓶塞倒放桌面上,防止污染瓶塞,从而污染药品,所以图中操作错误.故答案选C.点评:了解具备基本的化学实验技能是学习化学和进行化学探究活动的基础和保证;掌握化学实验的基本技能,才能安全、准确地进行化学实验.专题:简单实验方案的设计与评价.分析:A、根据二氧化碳不燃烧也不支持燃烧,所以可用燃着的木条放到集气瓶口不能伸入瓶内检验CO2是否收集满判断;B、根据可燃物与氧气接触,温度达到着火点时能够燃烧分析;C、根据蒸发时玻璃棒的作用是不断搅拌防止局部受热造成液滴飞溅判断;D、根据酒精灯的罩能使火焰温度集中从而提高温度判断.解答:解:A、二氧化碳不燃烧也不支持燃烧,所以可用燃着的木条放到集气瓶口不能伸入瓶内检验CO2是否收集满,故A错误;B、物质受热时,如果能够燃烧,说明是可燃物,因此用坩埚钳夹住乒乓球碎片和滤纸碎片放在酒精灯的火焰上加热,其目的是证明乒乓球碎片和滤纸碎片都是可燃物,B不正确;C、蒸发时玻璃棒的作用是不断搅拌防止局部受热造成液滴飞溅,C不正确;D、酒精灯的罩能使火焰温度集中从而提高温度,D正确.点评:本题考查了二氧化碳的验满、燃烧的条件、蒸发时玻璃棒的作用和酒精灯的使用情况,侧重对基本操作的考查.(2019年)1.(2018•常德)化学实验应注重规范与安全,以下操作中不易引发安全事故的是()A.称取食盐B.稀释浓硫酸C.把玻璃管插入带孔橡皮塞D.在导管口点燃可燃性气体考点:称量器-托盘天平;浓硫酸的性质及浓硫酸的稀释;仪器的装配或连接;燃烧、爆炸、缓慢氧化与自燃.专题:常见仪器及化学实验基本操作.分析:A、用托盘天平称取食盐过程中不存在安全问题;B、稀释浓硫酸过程中,若浓硫酸往水中到,可能造成液体沸腾溅出伤人;C、把玻璃管插入带孔橡皮塞操作中,错误操作可能造成玻璃管破裂扎伤手;D、在导管口点燃可燃性气体操作中,可能出现爆炸.解答:解:A、用托盘天平称取食盐过程中不存在安全问题,故符合题意;B、稀释浓硫酸过程中,若浓硫酸往水中到,可能造成液体沸腾溅出伤人,故不符合题意;C、把玻璃管插入带孔橡皮塞操作中,错误操作可能造成玻璃管破裂扎伤手,故不符合题意;D、在导管口点燃可燃性气体操作中,可能出现爆炸,故不符合题意.故选A.点评:化学是一门以实验为基础的,在实验中也免不了遇到一些危及的安全问题,同学们应该养成保护自身健康和生命财产安全的意识.2.(2018•郴州)下列有关粗盐提纯实验的部分操作中,不正确的是()A.B.C. D.考点:氯化钠与粗盐提纯;实验操作注意事项的探究.专题:实验操作型.分析:根据固体药品的取用规则,溶解过程搅拌的方法,过滤操作的注意事项,蒸发结晶的提炼方法等知识分析解答.解答:解:A、在取用固体药品时,应将瓶塞倒放在桌面上,用药匙取固体药品,故A正确.B、为了加速食盐固体的溶解,用玻璃棒不断搅拌,故B正确.C、在过滤操作时,要用玻璃棒引流,防止液滴外溅,故C错误,D、在蒸发操作时,要用玻璃棒不断搅拌,一方面加速蒸发,另一方面防止局部过热,液滴飞溅,故D正确.故选C.点评:本题主要考查了一些实验操作的正确规则,难度较小,便于作答.3.(2018•衡阳)下列实验不能达到实验目的是()A.探究水的组成B.探究化学反应是否遵循质量守恒定律C.探究分子运动D.探究二氧化锰是否加快过氧化氢分解考点:电解水实验;催化剂的特点与催化作用;分子的定义与分子的特性;质量守恒定律及其应用.专题:简单实验方案的设计与评价.分析:A.根据电解水的实验现象和结论来分析;B.对于有气体产生的化学反应来验证质量守恒要在密闭容器内进行;C.浓氨水易挥发,氨气溶于水其溶液为碱性,则根据实验现象:A烧杯中的无色酞酚溶液变红;可以得出分子具有的性质.D、氧气能使带火星的木条复燃,加入二氧化锰能使木条较快的复燃,可判断其加快反应的情况.解答:解:A、电解水能证明水是由氢氧两种元素组成的,故正确B、盐酸与碳酸钠反应会生成二氧化碳,装置不密封二氧化碳会跑到空气中,因此不能验证质量守恒定律,故错误.C、浓氨水易挥发,氨气溶于水其溶液为碱性,则实验现象:A烧杯中的无色酞酚溶液变红;说明分子是在不断的运动的;故正确;D、氧气能使带火星的木条复燃,加入二氧化锰能使木条较快的复燃,可判断其加快反应的情况.故选B.点评:我们在选择所做实验能否完成时,一定要熟悉所实验的内容,也就要求学生熟悉掌握课本知识,课本基础知识是解决问题的关键.本题考查同学们进行分析问题、解决问题的能力.4.(2018•娄底)规范实验操作是获得实验成功的重要保证.下列实验操作错误的是()A.蒸发食盐水B.滴管的使用C.检查装置气密性D.稀释浓硫酸考点:蒸发与蒸馏操作;液体药品的取用;浓硫酸的性质及浓硫酸的稀释;检查装置的气密性..专题:常见仪器及化学实验基本操作.分析:A、根据蒸发操作的注意事项,进行分析判断.B、根据使用胶头滴管滴加少量液体的方法进行分析判断.C、根据检查装置气密性的方法,进行分析判断.D、根据浓硫酸的稀释方法进行分析判断.解答:解:A、蒸发时,应用玻璃棒不断搅拌,以防液体受热不均匀,造成液体飞溅,图中所示操作正确.B、使用胶头滴管滴加少量液体的操作,注意胶头滴管不能伸入到试管内或接触试管内壁,应垂直悬空在试管口上方滴加液体,防止污染胶头滴管,图中所示操作正确.C、检查装置气密性的方法:把导管的一端浸没在水里,双手紧贴容器外壁,若导管口有气泡冒出,装置不漏气;图中所示操作正确.D、稀释浓硫酸时,要把浓硫酸缓缓地沿器壁注入水中,同时用玻璃棒不断搅拌,以使热量及时地扩散;一定不能把水注入浓硫酸中;图中所示操作错误.故选:D.点评:本题难度不大,熟悉各种仪器的用途及使用注意事项、掌握常见化学实验基本操作的注意事项是解答此类试题的关键.5.(2018•邵阳)实验是学习化学的一条重要途径,下列实验操作正确的是()A.滴加液体 B.稀释浓硫酸C.检查气密性D.熄灭酒精灯考点:液体药品的取用;加热器皿-酒精灯;浓硫酸的性质及浓硫酸的稀释;检查装置的气密性.专题:常见仪器及化学实验基本操作.分析:A用胶头滴管滴加液体药品时,应该悬空放置在试管口的正上方滴加;B稀释浓硫酸时,要把浓硫酸慢慢的加入水中,并用玻璃棒不断的搅拌;C检查气密性的方法是:先把导管的一端插入水中,然后两手紧握试管的外壁,然后观察导管口是否有气泡冒出即可;D熄灭酒精灯应该用灯帽盖灭,不能用嘴吹.解答:解:A、用胶头滴管滴加液体药品时,应该悬空放置在试管口的正上方滴加,进入不正确,故选项错误;B、稀释浓硫酸时,要把浓硫酸慢慢的加入水中,并用玻璃棒不断的搅拌,加反了,故选项错误;C、检查气密性的方法是:先把导管的一端插入水中,然后两手紧握试管的外壁,然后观察导管口是否有气泡冒出即可,故选项正确;D、熄灭酒精灯应该用灯帽盖灭,不能用嘴吹,故选项错误;故选C点评:本考点考查了实验基本操作中的药品的取用、物质的加热和检查装置的气密性等,液体药品的取用一般包括三个方面:①从细口瓶中取药品②用量筒量取③用胶头滴管吸取.只要把握好每一个操作的注意事项,此类考点就很容易解决.6.(2018•湘潭)正确的实验操作是科学探究成功的基础.下列操作中错误的是()。
南京市2018年中考化学试题(带答案和解释)
托盘天平;浓硫酸的性质及浓硫酸的稀释;过滤的原理、方法及其应用.
专题常见仪器及化学实验基本操作.
分析A、根据量筒的使用注意事项解答.
B、根据托盘天平的使用方法左托盘放称量物,右托盘放砝码,进行分析解答;
C、根据根据过滤操作解答;
D、根据稀释浓硫酸的方法解答、
解答解
A、量取液体时,视线与液体的凹液面最低处保持水平.图示正确;
B、根据托盘天平称物时左托盘放称量物,右托盘放砝码,因此称量固体操作错误;
C、过滤实验中用用玻璃棒引流,图中无玻璃棒引流,故错误;
D、稀释浓硫酸时,要把浓硫酸慢慢注入水中,并用玻璃棒不断搅拌,故图示操作错误;
答案A
点评了解具备基本的化学实验技能是学习化学和进行化学探究活动的基础和保证;掌握化学实验的基本技能,才能安全、准确地进行化学实验.5.(2分)(2018 南京)下列粒子结构示意图中,表示原子的是()
A. B. C. D.
考点原子结构示意图与离子结构示意图;原子和离子的相互转化.
专题微观粒子模拟图型.
分析根据题目中粒子结构示意图,结合“原子中核电荷数=核内质子数=核外电子数;阳离子中,核电荷数=质子数>核外电子数;阴。
基础实验操作【2018年深圳中考】3.(1.5分)规范的实验操作是安全地进行实验并获得成功的保证.下列实验操作正确的是()A. B.振荡试管充分反应溶解NaCl固体C. D.检验溶液的酸碱性检查装置的气密性【答案】D【解析】A、振荡试管时,振荡的正确方法是用手腕的力左右摆动,故实验操作错误;B、不能在量筒中配制NaCl 溶液,应在烧杯中进行,故实验操作错误;C、检验溶液的酸碱性时,应取样检测,不能将酚酞直接滴入试剂瓶,故实验操作错误;D、检查装置气密性的方法:把导管的一端浸没在水里,双手紧贴容器外壁,若导管口有气泡冒出,装置不漏气,故实验操作正确.故选:D.【2018年深圳中考】3.下列图示实验操作中,正确的是()A.加热液体B.倾倒液体C.读取液体体积D.称量NaCl固体【答案】D【解析】A、给液体加热时,用酒精灯的外焰加热试管里的液体,且液体体积不能超过试管容积的,图中所示操作错误;B、取用液体药品时,瓶塞要倒放,标签要对准手心,瓶口紧挨;图中所示操作错误;C、量筒读数时视线要与量筒内液体的凹液面的最低处保持水平,图中所示操作错误;D、使用托盘天平称物时:左托盘放称量物,右托盘放砝码,称量氯化钠时要放在纸片上,不能直接放在托盘上,图中所示操作正确.故选:D.【2018年深圳】3.(3分)下列实验操作基本正确的是()【答案】D【解析】A、用滴管滴加液体时,应垂直悬空在烧杯口上方滴加液体,防止污染胶头滴管,故A错误;B、稀释浓硫酸时不能将水倒入浓硫酸中要将浓硫酸倒入水中,防止水浮在浓硫酸的水面上沸腾溅出,故B错误;C、不能将pH试纸直接浸入待测溶液中测酸碱性,以防止污染待测液,故C错误;D、蒸发食盐要用玻璃棒不断搅拌,要外焰加热,故D正确.故选:D.【2018年深圳】6.(3分)下列操作正确的是()A. H2还原氧化铜实验中,反应结束后先停止通入H2B.稀释浓硫酸实验中,将浓硫酸沿烧杯内壁慢慢加入水中并用玻璃棒不断搅拌C.固体药物都可以直接放在天平的托盘上称量D.过滤操作中,漏斗下端置于烧杯中央【答案】B【解析】A.用氢气还原氧化铜反应结束,应先撤去氢气后,再停止加热,以防止生成的铜在加热条件下再次被氧化,故错误;B.实验室稀释浓硫酸时,应将浓硫酸沿烧杯内壁慢慢注入到水中,并用玻璃棒不断搅拌,防止液体溅出,故正确;C.托盘天平的使用过程中,若称量具有腐蚀性的药品时,一定要放在玻璃器皿上,例如氢氧化钠,其他药品放在纸上称量,故错误;D.过滤时,漏斗的下端要紧靠在烧杯的内壁上,故错误.故选B.【2018年深圳】16. 下列实验操作正确的是()A. 将固体氢氧化钠放在天平左盘的滤纸上称量B. 细铁丝在氧气中燃烧时,集气瓶底要放少量的水或铺一层细沙C. 稀释浓硫酸时,应将水沿烧杯内壁缓慢倒入浓硫酸中,并用玻璃棒不断搅拌D. 将带火星的木条伸入集气瓶内,检验氧气是否收集满【答案】B【2018年深圳】15.实验操作有误或不规范,很可能造成实验失败甚至酿成事故。
考点29 化学实验基本操作一、选择题(2018•辽宁葫芦岛)下列实验操作正确的是()【答案】D6.(2018·广西北部湾)下列有关酒精灯的操作,正确的是()A .B .C .D .【答案】B10.(2018·青海西宁)善于流理化学知识是学好化学的有效方法,以下梳理归纳正确的一组是()A.描述实验现象B.实验安全①50mL水和50mL酒精混合后总体积等于100mL②硫在空气中燃烧产生明亮的蓝紫色火焰,有刺激性气味气体生成③二气化碳通入紫色石蕊溶液中,溶液变红色①点燃可燃性气体前一定要验纯②实验室鉴别化学药品时不可以尝任何药品的味道③向燃然着的酒精灯内添加酒精,以节约实验时间C.化学与生活D.认识物质俗名①人体缺乏继生素A容易患环血病②洗涤剂除油污利用了乳化的原理③高钙牛奶中的“钙”指钙元素①碳酸钠—苏打②氯氧化钙一消石灰③氢氧化钠一火碱【答案】D6.(2018·青海西宁)下图所示实验操作,正确的是()【答案】C(2018·四川凉山州)3.下列化学实验操作正确的是()试纸100mL量筒浓硫酸水不断搅拌A.测溶液pH C. 稀释浓硫酸 D. 量取9.3mL液体A.熄灭酒精灯 B.闻气味 C.称取10g食盐 D.过滤液体【答案】C(2018·江苏无锡)6.以下实验操作正确的是()A.点燃酒精灯 B.研磨后闻气味 C.滴加液体 D.测定溶液的pH【答案】B3. (2018•湖南张家界)下列图示的化学实验基本操作中,正确的是()A.取粉末状固体药品 B.加热液体 C. 过滤 D. 稀释浓硫酸【答案】A3.(2018·四川遂宁)下图所示实验操作中,正确的是3.B4.(2018·湖南湘西)下列实验操作错误的是()A.熄灭酒精灯B.检查装置气密性C.倾倒液体D.加热液体【答案】A4.(2018·吉林长春)下列实验操作正确的是A.过滤B.读取液体体积C.加热液体D.蒸发【答案】B.(2018·云南昆明)下列实验操作错误的是()A.读液体的体积B.熄灭酒精灯C.加热液体D.测溶液的pH【答案】D13. (2018·江苏泰州)下列对实验意外事故的处理方法错误的是A. 若不慎将稀硫酸溅入眼睛,要先用手揉眼睛,再立即用水冲洗B. 若不慎将烧碱溶液沾到皮肤上,要用较多的水冲洗,再涂上硼酸溶液C. 若不慎将燃着的酒精灯碰倒,洒出的酒精在桌面上燃烧,应立刻用湿抹布扑盖D. 若不慎将少量浓硫酸沾到皮肤上,应立即用大量水冲洗,再涂上3%~5%的碳酸氢钠溶液【答案】A7. (2018·江苏泰州)下列实验操作正确的是A. 塞紧胶塞B. 贮存氧气C. 过滤D. 吹灭酒精灯【答案】B(2018·四川广安)3、下列图示实验操作正确的是()【答案】B3.(2018·甘肃兰州)下列实验操作正确的是()A. 滴加液体B.过滤C.二氧化碳验满D.点燃酒精灯3.C3. (2018·山东菏泽)下列实验操作正确的是B.蒸发结晶A.测定溶液的pH C.过滤 D.称量氢氧化钠固体【答案】C(2018·贵州贵阳)2.下列实验操作不正确的是()A.测定溶液的pHB.检查装置的气密性C.熄灭酒精灯D.加热液体【答案】A4.(2018·山东烟台)下列实验操作中正确的是()A.滴加液体 B.称量固体 C.二氧化碳验满 D.蒸发结晶【答案】D9.(2018·云南)下列实验操作不正确的是()A.点燃酒精灯B.量取液体C.向试管中加固体D.稀释浓硫酸9.A(2018·江苏淮安)3.下列操作正确的是D【答案】D(2018·新疆乌鲁木齐)下列实验操作正确的是A. 倾倒液体B. 点燃酒精灯C. 读取液体体积D. 移走蒸发皿【答案】A(2018·广西桂林)4. 下列操作错误..的是()A.读取液体体积B.闻气体气味C.检查装置气密性D.倾倒液体【答案】B(2018·广西桂林)2. 下列仪器可用于吸取和滴加少量液体的是()A.烧杯B.试管C.集气瓶D.胶头滴管【答案】D(2018·湖北江汉)下图是小勇设计的分离KCl和MnO2固体混合物的流程图,图中的数字序号所对应的操作步骤错误..的是A.①—加水溶解 B.②—结晶 C.③—蒸发 D.④—洗涤【答案】B2.(2018·黔东南)下图中的实验方法或操作正确的是()A. 液体的倾倒B. 振荡试管C. 尾气处理D. 稀释浓硫酸【答案】A2. (2018•黑龙江齐齐哈尔)下列实验操作正确的是(第23题图)③滤渣KClMnO2KClMnO2滤液④干燥①②A.加热固体B.倾倒液体C.熄灭酒精灯D.取用固体粉末【答案】D10. (2018•陕西)规范的实验操作是实验成功的关键。
化学实验基本操作类综合题汇编1.(2018西宁)下图所示实验操作,正确的是( )A. AB. BC. CD. D【答案】C【解析】A、用pH试纸测定溶液的pH时,pH试纸不能直接插入待测溶液中,会污染待测溶液,故错误;B、该过滤装置中缺少玻璃棒的引流,故错误;C、稀释浓硫酸的方法是将浓硫酸沿烧杯内壁慢慢的注入水中,并用玻璃棒不断的搅拌,故正确;D、读取量筒中液体的体积时,视线要与凹液面最低处相平,故错误。
故选C。
2.(2018烟台)下列实验操作中正确的是()A.滴加液体B.称量固体C.二氧化碳验满D.蒸发结晶解析:A、使用胶头滴管滴加少量液体的操作,注意胶头滴管不能伸入到试管内或接触试管内壁,应垂直悬空在试管口上方滴加液体,防止污染胶头滴管,图中所示操作错误。
B、托盘天平的使用要遵循“左物右码”的原则,且氢氧化钠具有腐蚀性,应放在玻璃器皿中称量,图中所示操作错误。
C、检验二氧化碳是否收集满时,应将燃着的木条放在集气瓶口,不能伸入瓶中,图中所示操作错误。
D、蒸发时,应用玻璃棒不断搅拌,以防止局部温度过高,造成液体飞溅,图中所示操作正确。
故选:D。
3.(2018龙东)下列实验操作正确的是()A.检验装置气密性B.闻气体气味C.称量NaC1的质量D.过滤操作解析:A、该装置的气密性检查方法是:当推动注射器的活塞时,锥形瓶内的空气体积减小压强增大,把水压入长颈漏斗中,若气密性好则会形成一段稳定的水柱,图中所示装置正确。
B、闻气体的气味时,应用手在瓶口轻轻的扇动,使极少量的气体飘进鼻子中,不能将鼻子凑到集气瓶口去闻气体的气味,图中所示操作错误。
C、托盘天平的使用要遵循“左物右码”的原则,图中所示操作砝码与药品位置放反了,图中所示操作错误。
D、过滤液体时,要注意“一贴、二低、三靠”的原则,图中缺少玻璃棒引流,图中所示操作错误。
故选:A。
4.(2018齐齐哈尔)下列实验操作正确的是A. 加热固体B. 倾倒液体C. 熄灭酒精灯D. 取用固体粉末【答案】D【解析】A、加热固体时试管口应略向下倾斜,导管稍露出橡胶塞即可,错误;B、瓶塞要倒放,标签向着手心,试剂瓶口要紧靠量筒口倾倒,错误;C、熄灭酒精灯应用灯帽盖灭,不能用嘴吹,以防着火,错误;D、先将试管横放,把盛药品的药匙或纸槽小心地送入试管底部,再使试管直立,正确。
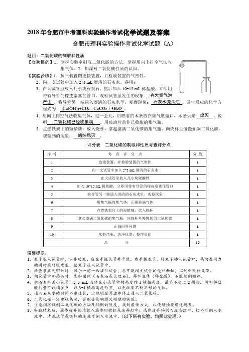
2018年合肥市中考理科实验操作考试化学试题及答案合肥市理科实验操作考试化学试题(A)题目:二氧化碳的制取和性质【实验目的】1.掌握实验室制取二氧化碳的方法,掌握用向上排空气法收集气体。
2.加深对二氧化碳性质的认识。
【实验步骤】1.按照装置图连接装置,并检验装置的气密性。
2.向一支试管中加入2-3 mL澄清的石灰水,备用;3.在大试管里放入几小块石灰石,然后加入10-15 mL稀盐酸,立即用带有导管的橡皮塞塞住管口,观察试管里发生的现象:有大量气泡产生。
将导管另一端通入澄清的石灰水里,观察现象:石灰水变浑浊。
发生反应的化学方程式为:Ca(OH)2+CO2=CaCO3↓+H2O。
4.用向上排空气法收集气体,过一会儿,用燃着的木条放在集气瓶瓶口,木条火焰熄灭,说明二氧化碳已经收集满。
用玻璃片盖住已收集的集气瓶。
5.点燃铁架上的短蜡烛,放入烧杯,拿起盛满二氧化碳的集气瓶,向烧杯里慢慢倾倒二氧化碳。
观察到的现象:蜡烛熄灭。
评分表二氧化碳的制取和性质考查评分点序号考查评分点分值1 连接装置,并检验装置的气密性 12 向一支试管中加入2-3 mL澄清的石灰水 13 在大试管里放入几小块碳酸钙 14 加入10-15 mL稀盐酸,立即用带有导管的橡皮塞塞住管口 15 将导管另一端通入澄清的石灰水里,观察现象 16 用集气瓶收集气体,正确验满气体 17 点燃铁架台上的短蜡烛,放入烧杯 18 拿起盛满二氧化碳的集气瓶,向烧杯里慢慢倾倒二氧化碳 19 正确回答问题 110 实验结束,洗净仪器,整理桌面 1总分10温馨提示:1.塞子塞入试管时,不要硬塞。
应左手握试管并平放,右手握塞子,将塞子插入试管口,稍向左用力的同时旋转胶皮塞,使塞子旋入试管中。
2.检查装置气密性时,双手一前一后握住试管,尽可能增大试管的受热面积,以达到最佳效果。
3.向试管中加药品时,先加固体(石灰石或大理石),再加液体(稀盐酸),不能颠倒顺序。
4.取石灰水用小试管,2-3 mL液体在小试管中的高度约1横指高度,最多不超过2横指。
2018年中考化学复习实验基本操作中考命题回顾及趋势1.识别常见仪器、熟悉仪器的主要用途,并能进行使用和连接。
2、能进行药品取用、加热、PH试纸使用、浓硫酸稀释及溶液的配制等基本实验操作。
3、能根据实验目的选择实验仪器,并进行安全操作。
4、认识实验安全规则,了解一些简单的实验事故的处理原理与方法。
知识要点一、药品的使用原则①安全原则.②节约原则。
若无用量说明,一般液体取_____-mL,固体只需_______即可。
③药品取用完毕后,将试剂瓶____放,并使标签____。
④用剩的药品要放入指定容器二、安全意识:①酸或碱溶液沾在皮肤或衣服上,立即用______冲洗,酒精灯失火:可用_____盖灭。
三、仪器的识别及使用四、实验基本操作及注意事项1、药品的取用①固体块状:用_________夹取,放入平放的容器口,再将容器慢慢直立.②固体粉末:用________或_________2、液体药品的取用①较多量:倾倒法:倾倒液体时要瓶塞____放,标签______。
②较少量:用____________________,.【注意事项】取液后的滴管应保持橡胶胶帽在上,不要______或_______。
.用过的滴管要立即用___________。
③极少量:用玻璃棒蘸取。
如用pH试纸测液体的pH时,用______蘸取溶液滴在________上,把试纸呈现的颜色与__________对照,读出数值(一般为整数)3、取用一定量的药品①液体用量筒:量筒应放平稳,先向量筒内倾倒液体至接近所需刻度时,停止倾倒,改用______________滴加药液至所需刻度线;b.读数时,视线应_____________________保持水平,②固体用托盘天平:a.将游码拨零,调节天平平衡;b.称量物放左盘,砝码放右盘。
4、物质的加热酒精灯的使用 ,给物质加热,应用_________物质加热的方法及注意事项:给盛有液体的试管加热时,试管内液体的量不可超过试管容积的______ ;④给试管里的固体药品加热时,试管口要略向______ 倾斜,防止_____________________。
考点29 化学实验基本操作一、选择题11.(•北京)下列酒精灯地使用方法正确地是()A.用嘴吹灭燃着地酒精灯B.用燃着地酒精灯引燃另一只酒精灯C.向燃着地酒精灯里添加酒精D.万一洒出地酒精在桌面燃烧,用湿布盖灭3.(2分)(•山东烟台)正确地化学实验操作是实验成功地重要保证.下列实验操作正确地是()A.倾倒液体B.过滤C.检查气密性D.检验氧气是否收集满【答案】C【解析】A、取用细口瓶里地液体药品是,要先拿下瓶塞,倒放在桌面上,标签对准手心,瓶口与试管口挨紧.故A选项不正确;B、过滤液体时,要注意“一贴、二低、三靠”地原则,倾倒液体时应用玻璃棒引流,故选项B不正确;C、检查气密性,先将导管插入水中,再用手握着试管外壁,故C选项正确;D、检验氧气是否收集满,应将燃着地木条放在集气瓶口,不能伸入瓶中,故D选项不正确.3.(•江苏连云港)实验室配制氯化钠溶液地操作中,正确地是()A.取氯化钠 B.称氯化钠 C.量取水 D.溶解【答案】D【解析】取用药品时,瓶塞应该倒放在桌面上;用托盘天平称取药品是“左物右码”;用量筒量取液体时,胶头滴管不能伸入量筒内。
2.(·湖北孝感)下图所示实验操作正确地是()A.点燃酒精灯B.滴加液体C.移开蒸发皿D.读出液体地体积2、D【解析】点燃酒精灯时,用火柴点燃,绝对禁止用燃着地酒精灯去点燃另一个酒精灯,图中操作错误,故A错误;使用胶头滴管滴加少量液体地操作,注意胶头滴管地位置是否伸入到试管内或接触试管内壁.应垂直悬空在试管口上方滴加液体,防止污染胶头滴管,图中操作错误,故B错误;应用坩埚钳取走蒸发皿,图中操作错误,故C错误;量取液体时,视线与液体地凹液面最低处保持水平,图中操作正确,故D正确。
故选D。
2.(·湖北随州)下列操作中正确地是()【答案】D【解析】A.胶头滴管不能伸入试管中,应在试管口正上方;B.应该在一个密闭容器中进行检查;C.氢氧化钠有腐蚀性不能放在纸上,要放在烧杯或称量皿中称量。
2018中考化学真题2018中考化学真题汇编:考点1 物质的变化和性质 1.(2018•安徽)陶瓷是中华民族在人类科技史上的伟大发明。
下列陶瓷制作工艺中发生化学变化的是()A.混合 B.成型C.晾干 D.烧结【分析】化学变化是指有新物质生成的变化。
物理变化是指没有新物质生成的变化。
化学变化和物理变化的本质区别是否有新物质生成。
【解答】解:A、混合过程中没有新物质生成,属于物理变化。
B、成型过程中没有新物质生成,属于物理变化。
C、晾干过程中没有新物质生成,属于物理变化。
D、烧结过程中有新物质生成,属于化学变化。
故选:D。
【点评】本题难度不大,解答时要分析变化过程中是否有新物质生成,这里的新物质是指和变化前的物质是不同种的物质,若没有新物质生成属于物理变化,若有新物质生成属于化学变化。
2.(2018•武汉)下列变化属于化学变化的是()2018中考化学真题2018中考化学真题A.酒精燃烧 B.水变成水蒸气 C.玻璃破碎 D.汽油挥发【分析】化学变化是指有新物质生成的变化,物理变化是指没有新物质生成的变化,化学变化和物理变化的本质区别是否有新物质生成;据此分析判断。
【解答】解:A、酒精燃烧过程中有新物质二氧化碳生成,属于化学变化。
B、水变成水蒸气过程中只是状态发生改变,没有新物质生成,属于物理变化。
C、玻璃破碎过程中没有新物质生成,属于物理变化。
D、汽油挥发过程中只是状态发生改变,没有新物质生成,属于物理变化。
故选:A。
【点评】本题难度不大,解答时要分析变化过程中是否有新物质生成,若没有新物质生成属于物理变化,若有新物质生成属于化学变化。
3.(2018•威海)描述物质变化的成语有:①滴水成冰;③死灰复燃;③木已成舟;④火烧赤壁;⑤沙里淘金;⑥火上浇油;⑦百炼成钢;⑧花香四溢;⑨玉石俱焚,其中属于化学变化的是() A.②③④⑤⑥⑦ B.④⑤⑥⑦⑨C.①③④⑤⑧⑨ D.②④⑥⑦⑨ 【分析】化学变化是指有新物质生成的变化。
考点29 化学实验基本操作一、选择题(2018•辽宁葫芦岛)下列实验操作正确的是()【答案】D6.(2018·广西北部湾)下列有关酒精灯的操作,正确的是()A .B .C .D .【答案】B【答案】D6.(2018·青海西宁)下图所示实验操作,正确的是()【答案】C(2018·四川凉山州)3.下列化学实验操作正确的是()镊子pH试纸A.测溶液pH C. 稀释浓硫酸 D. 量取9.3mL液体A.熄灭酒精灯 B.闻气味 C.称取10g食盐 D.过滤液体【答案】C(2018·江苏无锡)6.以下实验操作正确的是()A.点燃酒精灯 B.研磨后闻气味 C.滴加液体 D.测定溶液的pH【答案】B3. (2018•湖南张家界)下列图示的化学实验基本操作中,正确的是()A.取粉末状固体药品 B.加热液体 C. 稀释浓硫酸【答案】A3.(2018·四川遂宁)下图所示实验操作中,正确的是3.B4.(2018·湖南湘西)下列实验操作错误的是()A.熄灭酒精灯B.检查装置气密性C.倾倒液体D.加热液体【答案】A4.(2018·吉林长春)下列实验操作正确的是A.过滤B.读取液体体积C.加热液体D.蒸发【答案】B.(2018·云南昆明)下列实验操作错误的是()A.读液体的体积B.熄灭酒精灯C.加热液体D.测溶液的pH【答案】D13. (2018·江苏泰州)下列对实验意外事故的处理方法错误的是A. 若不慎将稀硫酸溅入眼睛,要先用手揉眼睛,再立即用水冲洗B. 若不慎将烧碱溶液沾到皮肤上,要用较多的水冲洗,再涂上硼酸溶液C. 若不慎将燃着的酒精灯碰倒,洒出的酒精在桌面上燃烧,应立刻用湿抹布扑盖D. 若不慎将少量浓硫酸沾到皮肤上,应立即用大量水冲洗,再涂上3%~5%的碳酸氢钠溶液【答案】A7. (2018·江苏泰州)下列实验操作正确的是A. 塞紧胶塞B. 贮存氧气C. 过滤D. 吹灭酒精灯【答案】B(2018·四川广安)3、下列图示实验操作正确的是()【答案】B3.(2018·甘肃兰州)下列实验操作正确的是()A. 滴加液体B.过滤C.二氧化碳验满D.点燃酒精灯3.C3. (2018·山东菏泽)下列实验操作正确的是B.蒸发结晶A.测定溶液的pH C.过滤 D.称量氢氧化钠固体【答案】C(2018·贵州贵阳)2.下列实验操作不正确的是()A.测定溶液的pHB.检查装置的气密性C.熄灭酒精灯D.加热液体【答案】A4.(2018·山东烟台)下列实验操作中正确的是()A.滴加液体 B.称量固体 C.二氧化碳验满 D.蒸发结晶【答案】D9.(2018·云南)下列实验操作不正确的是()A.点燃酒精灯B.量取液体C.向试管中加固体D .稀释浓硫酸 9.A(2018·江苏淮安)3.下列操作正确的是D【答案】D(2018·新疆乌鲁木齐)下列实验操作正确的是A. 倾倒液体B. 点燃酒精灯C. 读取液体体积D. 移走蒸发皿【答案】A(2018·广西桂林)4. 下列操作错误..的是( )A.读取液体体积B.闻气体气味C.检查装置气密性D.倾倒液体 【答案】B(2018·广西桂林)2. 下列仪器可用于吸取和滴加少量液体的是( ) A.烧杯 B.试管 C.集气瓶 D.胶头滴管 【答案】D(2018·湖北江汉)下图是小勇设计的分离KCl 和MnO 2固体混合物的流程图,图中的数字序号所对应的操作步骤错误..的是 A .①—加水溶解 B .②—结晶 C .③—蒸发 D .④—洗涤【答案】B2.(2018·黔东南) 下图中的实验方法或操作正确的是()(第23题图)KCl MnO 2 干燥A. 液体的倾倒B. 振荡试管C. 尾气处理D. 稀释浓硫酸【答案】A2. (2018•黑龙江齐齐哈尔)下列实验操作正确的是A.加热固体B.倾倒液体C.熄灭酒精灯D.取用固体粉末【答案】D10. (2018•陕西)规范的实验操作是实验成功的关键。
2018-2019湖北省中考化学试题分类汇编(解析版)——实验基本操作(2019年)一、选择题1.(2018•恩施州)下图所示的实验操作中,正确的是()A B C D考点:检查装置的气密性;测量容器-量筒;液体药品的取用;蒸发与蒸馏操作..专题:常见仪器及化学实验基本操作.分析:A、根据检查装置气密性的方法进行分析判断.B、根据蒸发操作的注意事项进行分析判断即可.C、根据量筒读数时视线要与凹液面的最低处保持水平进行分析判断.D、根据使用胶头滴管滴加少量液体的方法进行分析判断.解答:解:A、检查装置气密性的方法:把导管的一端浸没在水里,双手紧贴容器外壁,若导管口有气泡冒出,装置不漏气;图中所示操作正确.B、正在加热的蒸发皿温度较高,为防止烫伤手,不能用手直接拿热的蒸发皿,应用坩埚钳夹取,图中所示操作错误.C、量取液体时,视线与液体的凹液面最低处保持水平,图中仰视刻度,操作错误.D、使用胶头滴管滴加少量液体的操作,注意胶头滴管不能伸入到试管内或接触试管内壁,应垂直悬空在试管口上方滴加液体,防止污染胶头滴管,图中所示操作错误.故选:A.点评:本题难度不大,熟悉各种仪器的用途及使用注意事项、常见化学实验基本操作的注意事项是解答此类试题的关键.2.(2018•黄冈)下列实验操作正确的是()A.倾倒液体 B.稀释浓硫酸C.加热液体D.称量固体药品考点:液体药品的取用;称量器-托盘天平;给试管里的液体加热;浓硫酸的性质及浓硫酸的稀释..专题:常见仪器及化学实验基本操作.分析:A、根据向试管中倾倒液体药品的方法进行分析判断.B、根据浓硫酸的稀释方法(酸入水,沿器壁,慢慢倒,不断搅)进行分析判断.C、根据给试管中的液体加热的方法进行分析判断.D、根据托盘天平的使用要遵循“左物右码”的原则进行分析判断.解答:解:A、向试管中倾倒液体药品时,瓶塞要倒放,标签要对准手心,瓶口紧挨;图中瓶口没有紧挨、瓶塞没有倒放、标签没有向着手心,所示操作错误.B、稀释浓硫酸时,要把浓硫酸缓缓地沿器壁注入水中,同时用玻璃棒不断搅拌,以使热量及时地扩散;一定不能把水注入浓硫酸中;图中所示操作错误.C、给试管中的液体加热时,用酒精灯的外焰加热试管里的液体,且液体体积不能超过试管容积的,图中液体超过试管容积的,图中所示操作错误.D、托盘天平的使用要遵循“左物右码”的原则,图中所示操作正确.故选:D.点评:本题难度不大,熟悉各种仪器的用途及使用注意事项、常见化学实验基本操作的注意事项是解答此类试题的关键.3.(2018•黄石)量筒中盛有一定量的液体.如果将量筒举过头顶读数,则读取的体积读数与液体实际体积相比()A.偏小B.偏大C.没有影响D.与人的身高有关考点:测量容器-量筒..专题:常见仪器及化学实验基本操作.分析:根据量筒使用的方法、注意事项等进行分析解答即可.解答:解:用量取液体体积时,量筒要放平,读数时视线应与量筒内液体的凹液面最低处相平;如果仰视液面,读数比实际偏小,若俯视液面,读数比实际偏大;将量筒举过头顶读数为仰视,则读取的体积读数与液体实际体积相比偏小.故选:A.点评:量筒的使用是中考热点之一,量筒操作错误时会出现“俯大仰小”,即俯视读数,数值比实际体积大,反之,则小.4.(2018•荆门)下列图示实验基本操作错误的是()A. B.C.D.考点:液体药品的取用;测量容器-量筒;浓硫酸的性质及浓硫酸的稀释;检查装置的气密性..专题:常见仪器及化学实验基本操作.分析:A、根据向试管中倾倒液体药品的方法进行分析判断.B、根据量筒读数时视线要与凹液面的最低处保持水平进行分析判断.C、根据检查装置气密性的方法进行分析判断.D、根据浓硫酸的稀释方法(酸入水,沿器壁,慢慢倒,不断搅)进行分析判断.解答:解:A、向试管中倾倒液体药品时,瓶塞要倒放,标签要对准手心,瓶口紧挨,图中所示操作正确.B、量筒读数时视线要与量筒内液体的凹液面的最低处保持水平,图中所示操作正确.C、检查装置气密性的方法:把导管的一端浸没在水里,双手紧贴容器外壁,若导管口有气泡冒出,装置不漏气;图中所示操作正确.D、稀释浓硫酸时,要把浓硫酸缓缓地沿器壁注入水中,同时用玻璃棒不断搅拌,以使热量及时地扩散;一定不能把水注入浓硫酸中;图中所示操作错误.故选:D.点评:本题难度不大,熟悉各种仪器的用途及使用注意事项、常见化学实验基本操作的注意事项是解答此类试题的关键.5.(2018•十堰)在下列实验中,观察到的现象或得出结论,完全正确的有()①浓氨水中出现红色,说明氨分子很小且在不断运动②既能说明甲烷有可燃性,又能说明甲烷是由碳和氢两种元素组成③既能说明CO2的密度比空气大,又能说明CO2不能燃烧也不支持燃烧④既能探究可燃物的燃烧条件,又说明白磷的着火点比红磷低⑤铁钉表面无明显现象,能说明铁生锈的条件是要有氧气和水.A. 2个B. 3个C. 4个D. 5个考点:化学实验方案设计与评价;二氧化碳的物理性质;二氧化碳的化学性质;金属锈蚀的条件及其防护;甲烷、乙醇等常见有机物的性质和用途;分子的定义与分子的特性;燃烧与燃烧的条件..专题:简单实验方案的设计与评价.分析:①根据浓氨水显碱性,能使酚酞变红色进行分析;②根据验证二氧化碳需要用氢氧化钙进行分析;③根据烧杯中的蜡烛低处的先熄灭,高处的后熄灭进行分析;④根据题中的现象进行分析;⑤根据该实验需要对比空气、水对铁生锈的影响进行分析.解答:解:①浓氨水显碱性,能使酚酞变红色,不能验证氨分子很小,故①错误;②该实验能说明甲烷有可燃性,说明甲烷中含有氢元素,但是不能说明甲烷中含有碳元素,故②错误;③烧杯中的蜡烛低处的先熄灭,高处的后熄灭,既能说明CO2的密度比空气大,又能说明CO2不能燃烧也不支持燃烧,故③正确;④铜片上的白磷燃烧,红磷不燃烧,水中的白磷不燃烧,既能探究可燃物的燃烧条件,又说明白磷的着火点比红磷低,故④正确;⑤该实验需要对比空气、水对铁生锈的影响,不能说明铁生锈的条件是要有氧气和水,故⑤错误.故选:A.点评:本题难度不是很大,在解此类题时,首先分析所涉及物质的性质,再根据物质的性质进行分析判断能否达到实验目的.6.(2018•咸宁)下列有关液体药品基本操作实验中正确的是()A.滴加液体 B.读取液体体积C.倾倒液体D.液体加热考点:液体药品的取用;测量容器-量筒;给试管里的液体加热..专题:常见仪器及化学实验基本操作.分析:A、根据使用胶头滴管滴加少量液体的方法进行分析判断.B、根据量筒读数时视线要与凹液面的最低处保持水平进行分析判断.C、根据向试管中倾倒液体药品的方法进行分析判断.D、根据给试管中的液体加热的方法进行分析判断.解答:解:A、使用胶头滴管滴加少量液体的操作,注意胶头滴管不能伸入到试管内或接触试管内壁,应垂直悬空在试管口上方滴加液体,防止污染胶头滴管,图中所示操作错误.B、量筒读数时视线要与量筒内液体的凹液面的最低处保持水平,图中所示操作正确.C、向试管中倾倒液体药品时,瓶塞要倒放,标签要对准手心,瓶口紧挨;图中瓶口没有紧挨、瓶塞没有倒放,所示操作错误.D、给试管中的液体加热时,用酒精灯的外焰加热试管里的液体,且液体体积不能超过试管容积的,图中液体超过试管容积的、大拇指不能放在短柄上,图中所示操作错误.故选:B.点评:本题难度不大,熟悉各种仪器的用途及使用注意事项、常见化学实验基本操作的注意事项是解答此类试题的关键.7.(2018•湖北)下列对化学实验的描述,正确的是()A.硫在氧气中燃烧生成一种无色无味气体B.电解水时负极产生的气体能使带火星的木条复燃C.点燃可燃性气体前要检验气体的纯度D.稀释浓硫酸时,把浓硫酸沿器壁慢慢地注入盛有水的量筒内考点:氧气与碳、磷、硫、铁等物质的反应现象;浓硫酸的性质及浓硫酸的稀释;电解水实验;氢气、一氧化碳、甲烷等可燃气体的验纯..专题:实验现象的观察和记录.分析:A、根据硫在氧气中燃烧的现象进行分析判断.B、根据电解水的实验现象进行分析判断.C、根据可燃性气体与空气混合后点燃可能发生爆炸进行分析判断.D、根据浓硫酸的稀释方法(酸入水,沿器壁,慢慢倒,不断搅)进行分析判断.解答:解:A、硫在氧气中燃烧,发出明亮的蓝紫色火焰,产生一种具有刺激性气味的气体,故选项说法错误.B、电解水时,可观察到:与电源正极相连的试管内产生的气体体积少,与电源负极相连的试管内的气体体积多;正极产生的气体能使带火星的木条复燃,负极产生的气体能燃烧,故选项说法错误.C、可燃性气体与空气混合后点燃可能发生爆炸,为防止发生爆炸,点燃可燃性气体前要检验气体的纯度,故选项说法正确.D、稀释浓硫酸时,要把浓硫酸缓缓地沿器壁注入水中,同时用玻璃棒不断搅拌,以使热量及时地扩散;不能在量筒内稀释浓硫酸,应在烧杯中进行,故选项说法错误.故选:C.点评:本题难度不大,掌握常见物质燃烧的现象、电解水的实验现象、可燃性气体与空气混合后点燃可能发生爆炸、浓硫酸的稀释方法是正确解答本题的关键.8.(2018•孝感)如图所示实验操作正确的是()A.点燃酒精灯B.滴加液体C.移开蒸发皿D.读出液体的体积考点:实验操作注意事项的探究..专题:实验操作型.分析:A、点燃酒精灯时,用火柴点燃,如果用燃着的酒精灯去点燃另一个酒精灯,会引起酒精失火,造成危险;B、使用胶头滴管滴加少量液体的操作,注意胶头滴管的位置是否伸入到试管内或接触试管;C、刚加热完得蒸发皿,温度很高,不能用手拿,会烫伤;D、量取液体时,视线与液体的凹液面最低处保持水平.解答:解:A、点燃酒精灯时,用火柴点燃,绝对禁止用燃着的酒精灯去点燃另一个酒精灯,图中操作错误,故A错误;B、使用胶头滴管滴加少量液体的操作,注意胶头滴管的位置是否伸入到试管内或接触试管内壁.应垂直悬空在试管口上方滴加液体,防止污染胶头滴管,图中操作错误,故B错误;C、应用坩埚钳取走蒸发皿,图中操作错误,故C错误;D、量取液体时,视线与液体的凹液面最低处保持水平,图中操作正确,故D正确.故选D.点评:本题主要了解各操作的注意事项;考查酒精灯、量筒、胶头滴管的使用方法;了解蒸发皿、坩埚钳的使用.9.(2018•宜昌)下列实验操作错误的是()A.滴加液体B.添加酒精 C.加热液体 D.放置试管考点:液体药品的取用;加热器皿-酒精灯;给试管里的液体加热..专题:常见仪器及化学实验基本操作.分析:A、根据胶头滴管的使用注意事项解答;B、根据不能向燃着的酒精灯内添加酒精解答;C、根据各试管中液体加热的注意事项解答;D、根据试管放置的方法解答.解答:解:A、胶头滴管不能伸入试管内,应垂直悬空,故正确;B、不能向燃着的酒精灯内添加酒精,以免引起失火,故错误;C、给试管内液体加热时,试管内液体不能超过试管容积的,故正确;D、试管清洗完毕,应倒放在试管架上,故正确.答案:B点评:解答本题关键是要熟记常见仪器的使用方法,熟悉实验基本操作.10.(2018•宜昌)下列记录的实验现象与事实不相符的是()A.磷在空气中燃烧产生大量白烟B.打开盛有浓盐酸的试剂瓶,看到瓶口有大量白雾C.在电解水实验中,正负两极产生的气体体积比约为2:1D.取少量氢氧化钠露在空气中,氢氧化钠表面潮湿并逐渐溶解考点:氧气与碳、磷、硫、铁等物质的反应现象;电解水实验;酸的物理性质及用途;常见碱的特性和用途.. 专题:实验现象的观察和记录.分析:A、根据磷在空气中燃烧的现象进行分析判断.B、根据浓盐酸具有挥发性进行分析判断.C、根据电解水的实验现象进行分析判断.D、根据氢氧化钠易潮解进行分析判断.解答:解:A、磷在空气中燃烧,产生大量的白烟,故选项说法正确.B、浓盐酸具有挥发性,打开盛有浓盐酸的试剂瓶,看到瓶口有大量白雾,故选项说法正确.C、在电解水实验中,可观察到:与电源正极相连的试管内产生的气体体积少,与电源负极相连的试管内的气体体积多;且两者的体积之比大约是1:2,故选项说法错误.D、氢氧化钠易潮解,取少量氢氧化钠露在空气中,氢氧化钠表面潮湿并逐渐溶解,故选项说法正确.故选:C.点评:本题难度不大,掌握常见物质燃烧的现象、浓盐酸具有挥发性、电解水的实验现象、氢氧化钠易潮解即可正确解答,在描述实验现象时,需要注意烟和雾的区别.二、非选择题1.(2018•湖北)如图是中几种常见操作.(1)写出图中标号仪器的名称:①酒精灯;(2)上述操作中错误的一项是 C (选填:A、B、C、D);(3)请写出一个实验室加热才能制取氧气的化学方程式:2KMnO 4K2MnO4+MnO2+O2↑.考点:给试管里的液体加热;液体药品的取用;氧气的制取装置;二氧化碳的检验和验满;书写化学方程式、文字表达式、电离方程式..专题:实验性简答题.分析:(1)根据常见仪器解答.(2)A、根据液体加热的方法判断;B、根据液体药品的取用方法判断;C、根据二氧化碳验满的方法判断;D、根据氧气的制取方法判断;(3)根据高锰酸钾加热制氧气的反应原理并结合方程式的书写步骤书写方程式.解答:解:(1)图中的实验仪器是酒精灯,故答案为:酒精灯;(2)A、给试管内的液体加热时,液体的体积不能超过了试管体积的,加热时,应是使试管于桌面成45°角,这样可使药品受热面积大,受热均匀;为避免液体沸腾溅出伤人,加热时切不可让试管口对着有人的方向,图中操作正确;B、用细口瓶向试管中倾倒液体时,应先拿下瓶塞,倒放在桌上,然后拿起瓶子,标签要对着手心,瓶口要紧挨着试管口,试管稍倾斜,使液体缓慢地倒入试管,图中操作正确;C、二氧化碳的验满方法是把燃烧的木条放在集气瓶瓶口,若木条立即熄灭,说明装满,图中操作错误.D、双氧水在二氧化锰的催化作用下生成水和氧气,氧气的密度大于空气,所以又可选向上排空气法收集,图中操作正确;.故答案为:C;(3)高锰酸钾加热生成锰酸钾、二氧化锰和氧气,方程式是2KMnO4K2MnO4+MnO2+O2↑;故答案为:2KMnO 4K2MnO4+MnO2+O2↑;点评:化学实验技能是学习化学和进行化学探究活动的基础和保证;掌握化学实验的基本技能,才能安全、准确地进行化学实验.2.(2018•宜昌)对比归纳是学习化学的重要方法,请你参与下列探究活动并回答问题:2SO考点: 实验探究物质的性质或变化规律;氧气的化学性质;二氧化碳的化学性质;物质的溶解性及影响溶解性的因素;书写化学方程式、文字表达式、电离方程式..专题: 科学探究.分析: 实验一:根据硫燃烧生成二氧化硫解答;根据影响可燃物燃烧剧烈程度的因素回答;实验二:根据二氧化碳可以和水反应解答;实验三:根据影响物质溶解性的因素是溶剂的种类和溶质的种类解答.解答: 解: 实验一:①硫燃烧生成二氧化硫,硫在空气里燃烧的化学方程式为:S+O 2SO 2;②硫在氧气里燃烧比在空气里燃烧更剧烈,说明了影响硫燃烧剧烈程度的因素是氧气的含量或氧气的浓度不同; 实验二:小鹏同学设计的对比实验,用于证明二氧化碳和氢氧化钠能否反应、小燕同学认为该实验设计不符合对比实验的基本原则,她的理由是氢氧化钠溶液中有水,二氧化碳可以和水反应,不能证明二氧化碳一定是和氢氧化钠反应,故变量不唯一;实验三:①小意同学做了如图所示A 试管和B 试管的对比实验,发现B 中固体可溶,A 中几乎不溶,碘能溶解在汽油里,不能溶解在水里,溶质种类相同,溶剂不同,溶解能力不同,该对比实验说明了影响物质溶解性的因素是溶剂的种类;②小明同学补充了如图C 所示实验,高锰酸钾能溶在水里,碘不能溶解在水里,在同一溶剂中,溶质种类不同,溶解能力不同,说明他想探究的影响因素是溶质的种类.答案:实验一: 如图,分别将硫在空气和氧气中燃烧.①硫在空气里燃烧的化学方程式为 S+O 2SO 2;②硫在氧气里燃烧比在空气里燃烧更剧烈,说明了影响硫燃烧剧烈程度的因素是 氧气的含量.实验二: 如图是小鹏同学设计的对比实验,用于证明二氧化碳和氢氧化钠能否反应、小燕同学认为该实验设计不符合对比实验的基本原则,她的理由是 变量不唯一.实验三: ①小意同学做了如图所示A 试管和B 试管的对比实验,发现B 中固体可溶,A 中几乎不溶,该对比实验说明了影响物质溶解性的因素是 溶剂的种类;②小明同学补充了如图C 所示实验,他想探究的影响因素是 溶质的种类.点评: 本题主要考查了燃烧的注意事项、燃烧的现象与那些因素有关,二氧化碳能否与氢氧化钠反应.探究影响物质溶解性的因素,应全面地掌握有关知识,能够灵活运用.(2019年)1.(2018•恩施)下列基本实验操作中,正确的是( D )A.稀释浓硫酸B.过滤C.称量氯化钠D.加碳酸钠2.(2018•黄冈)下列实验操作正确的是( )A.给液体加热B.倾倒液体 C.称量固体 D.氧气验满考点:给试管里的液体加热;称量器-托盘天平;液体药品的取用;氧气的检验和验满.专题:常见仪器及化学实验基本操作.分析:A、根据给试管内液体加热的注意事项进行判断;B、注意瓶塞的放置、标签的位置以及容器口的接触程度等;C、托盘天平称量药品时,是“左物右码”;D、注意氧气验满时,带火星的木条的位置的放置.解答:解:A、给试管内的液体加热时,使用酒精灯的外焰,液体的体积不超过试管体积的,并使试管均匀受热,图示操作正确;B、倾倒液体时,容器口紧挨试管口,标签向着手心,瓶塞倒放,图示操作错误;C、称量固体药品时,砝码与药品的位置放反了,图示操作错误;D、氧气的验满方法是把带火星的木条放在瓶口来验满,如果带火星的木条在瓶口能复燃,则证明该瓶氧气已经收集满了,图示操作错误;故选:A.点评:化学实验的基本操作是做好化学实验的基础,学生要在平时的练习中多操作,掌握操作要领,使操作规范.3.(2018•咸宁)实验室中下列仪器可以直接加热的是( B )A.烧杯 B.试管 C.量筒 D.集气瓶A.取用固体药品B.过滤 C.稀释浓硫酸 D.检查气密性考点:固体药品的取用;浓硫酸的性质及浓硫酸的稀释;过滤的原理、方法及其应用;检查装置的气密性.专题:常见仪器及化学实验基本操作.分析:A、根据向试管中装块状固体药品的方法进行分析判断.B、过滤液体时,要注意“一贴、二低、三靠”的原则.C、根据浓硫酸的稀释方法进行分析判断.化肥NaOH溶液蓝色石蕊试纸D、根据检查装置气密性的方法进行分析判断.解答:解:A、向试管中装块状固体药品时,先将试管横放,用镊子把块状固体放在试管口,再慢慢将试管竖立起来,图中所示操作错误.B、过滤液体时,要注意“一贴、二低、三靠”的原则,图中缺少玻璃棒引流、漏斗下端没有紧靠在烧杯内壁上,图中所示操作错误.C、稀释浓硫酸时,要把浓硫酸缓缓地沿器壁注入水中,同时用玻璃棒不断搅拌,以使热量及时地扩散;一定不能把水注入浓硫酸中;图中所示操作错误D、检查装置气密性的方法:把导管的一端浸没在水里,双手紧贴容器外壁,若导管口有气泡冒出,装置不漏气;图中所示操作正确.故选D.点评:本题难度不大,熟悉各种仪器的用途及使用注意事项、掌握常见化学实验基本操作的注意事项是解答此类试题的关键.6.(2018•十堰)如图是初中化学中几个重要实验,有关该几个实验的说法错误的是()A.实验1中热水的作用是隔绝氧气和提供热量B.实验2可证明分子是不断运动的C.实验3中左边试管中铁钉生锈而右边试管中铁钉不生锈,可证明铁生锈的条件是与氧气水接触D.实验4中下层蜡烛先熄灭,上层蜡烛后熄灭,能证明二氧化碳的密度比空气大且不能燃烧,也不支持燃烧考点:燃烧与燃烧的条件;二氧化碳的化学性质;金属锈蚀的条件及其防护;分子的定义与分子的特性.专题:简单实验方案的设计与评价.分析:A、根据实验1中的热水起隔绝空气和加热的作用解答;B、根据根据稀盐酸不能使酚酞试液变红解答;C、根据铁生锈的条件是与水和氧气接触,据此分析防锈的方法.D、根据因为二氧化碳的密度比空气的大,所以可以像倾倒液体一样倒入烧杯中,二氧化碳不燃烧,也不支持燃烧;因此下层蜡烛先被熄灭,上层后被熄灭.解答:解:A、实验1中的热水起隔绝空气和加热的作用,故对;B、稀盐酸不能使酚酞试液变红A不能证明分子在不断的运动,故错;C、实验是探究铁钉生锈的条件,也是利用对比实验,实验目的是隔绝氧气,探究铁生锈的条件是与氧气水接触,故对;D、二氧化碳使阶梯蜡烛的下层蜡烛先熄灭,能证明二氧化碳的密度比空气大,不燃烧也不支持燃烧,故对.答案:B点评:本题考查了化学实验的现象和结论,完成此题,可以依据已有的知识进行.7.(2018•随州)规范的实验操作是化学实验成功的关键.下列操作中正确的是()A.稀释浓硫酸B.闻气体气味C.取用液体试剂D.量9.5mL液体考点:浓硫酸的性质及浓硫酸的稀释;测量容器-量筒;液体药品的取用.专题:常见仪器及化学实验基本操作.分析:A、浓硫酸是稀释方法:“酸入水,沿器壁,慢慢倒,不断搅.”;B、“招气入鼻”法来闻气体的气味;C、取液后的胶头滴管不要平放或倒置,防止药液腐蚀橡胶乳头;D、量筒的选择,遵循“一次、就近”原则.解答:解:A、浓硫酸稀释时,一定要浓硫酸沿器壁慢慢注入水里,并不断用玻璃棒搅拌.故A操作正确;。
2018中考化学:化学实验基本操作(一)药品的取用1、药品的存放:一般固体药品放在广口瓶中,液体药品放在细口瓶中(少量的液体药品可放在滴瓶中),金属钠存放在煤油中,白磷存放在水中2、药品取用的总原则①取用量:按实验所需取用药品。
如没有说明用量,应取最少量,固体以盖满试管底部为宜,(2)空气的污染及防治:对空气造成污染的主要是有害气体(CO、SO2、氮的氧化物)和烟尘等。
目前计入空气污染指数的项目为CO、SO2、NO2、O3和可吸入颗粒物等。
(3)空气污染的危害、保护:危害:严重损害人体健康,影响作物生长,破坏生态平衡.全球气候变暖,臭氧层破坏和酸雨等保护:加强大气质量监测,改善环境状况,使用清洁能源,工厂的废气经处理过后才能排放,积极植树、造林、种草等(4)目前环境污染问题:臭氧层破坏(氟里昂、氮的氧化物等)温室效应(CO2、CH4等)酸雨(NO2、SO2等)白色污染(塑料垃圾等)6.氧气(1)氧气的化学性质:特有的性质:支持燃烧,供给呼吸(2)氧气与下列物质反应现象物质现象碳在空气中保持红热,在氧气中发出白光,产生使澄清石灰水变浑浊的气体磷产生大量白烟硫在空气中发出微弱的淡蓝色火焰,而在氧气中发出明亮的蓝紫色火焰,产生有刺激性气味的气体镁发出耀眼的白光,放出热量,生成白色固体铝铁剧烈燃烧,火星四射,生成黑色固体(Fe3O4)石蜡在氧气中燃烧发出白光,瓶壁上有水珠生成,产生使澄清石灰水变浑浊的气体*铁、铝燃烧要在集气瓶底部放少量水或细砂的目的:防止溅落的高温熔化物炸裂瓶底*铁、铝在空气中不可燃烧。
(3)氧气的制备:工业制氧气——分离液态空气法(原理:氮气和氧气的沸点不同物理变化)实验室制氧气原理2H2O2MnO22H2O+O2↑2KMnO4△K2MnO4+MnO2+O2↑2KClO3MnO22KCl+3O2↑(4)气体制取与收集装置的选择△发生装置:固固加热型、固液不加热型收集装置:根据物质的密度、溶解性(5)制取氧气的操作步骤和注意点(以高锰酸钾制取氧气并用排水法收集为例)a、步骤:查—装—定—点—收—移—熄b、注意点①试管口略向下倾斜:防止冷凝水倒流引起试管破裂②药品平铺在试管的底部:均匀受热③铁夹夹在离管口约1/3处④导管应稍露出橡皮塞:便于气体排出⑤试管口应放一团棉花:防止高锰酸钾粉末进入导管⑥排水法收集时,待气泡均匀连续冒出时再收集(刚开始排出的是试管中的空气)⑦实验结束时,先移导管再熄灭酒精灯:防止水倒吸引起试管破裂⑧用排空气法收集气体时,导管伸到集气瓶底部(6)氧气的验满:用带火星的木条放在集气瓶口检验:用带火星的木条伸入集气瓶内7、催化剂(触媒):在化学反应中能改变其他物质的化学反应速率,而本身的质量和化学性质在反应前后都没有发生变化的物质。
课时20.常用仪器及实验基本操作一、选择题3.(2018四川省广安市,题号3,分值1.5)下列图示实验操作正确的是【答案】B【解析】A.给量筒中的液体读数时,应平视凹液面最低处,不能俯视,所以A错误;B.检查装置气密性时,先把导管的一端伸入水中,再用手握住试管,若导管口有气泡冒出,说明气密性良好,所以B正确;C.用滴管向试管中滴加液体时,应垂直悬空于试管口正上方一厘米处,不能伸入到试管中,所以C错误;D.稀释浓硫酸时,应把浓硫酸沿器壁缓缓倒入水中,并用玻璃棒不断搅拌,不能把水倒到浓硫酸中,以免发生危险,所以D错误。
5.(2018浙江绍兴,5,分值;4)从试剂瓶中取用NaCl固体、AgNO3溶液,需要用到的器材是A.甲—①,乙—①B.甲—①,乙—②C.甲—②,乙—②D.甲—②,乙—①【答案】D【解析】此题主要考查化学实验基本操作;甲试剂瓶中是NaCl固体,固体取用需用药匙,则从图对应是②;乙装的是AgNO3溶液,取用少量液体用的是胶头滴管,则从图对应的是①。
故A、B、C不符合题意,D符合题意。
9.(2018云南省,9题号,2分)下列实验操作不正确的是( )A. 点燃酒精灯B. 量取液体C. 向试管中加固体D. 稀释浓硫酸【答案】A【解析】本题主要考查化学实验的基本操作;点燃酒精灯要用火柴,不能用燃着的酒精灯去引燃另一盏酒精灯,易引发火灾,错误,故A符合题意;用量筒量取液体读数,视线要与凹液面最低处保持水平,正确,故B不符合题意;向试管中加入固体,先把试管横放,然后用纸槽把药品放入接近试管底部,正确,故C不符合题意;稀释浓硫酸,要把浓硫酸沿器壁缓慢倒入水中,并用玻璃棒不断搅拌,正确,故D不符合题意。
16.(2018湖南省怀化,16题,2分)下列实验方法正确的()A.将氯化钠固体直接放在天平的右盘称量B.将pH试纸浸入到待测液中,测溶液的pHC.粗盐提纯实验过程中,蒸发结晶时,在蒸发皿中出现较多量固体时停止加热D.过滤时用玻璃棒在漏斗中搅拌以加速过滤【答案】C【解析】本题主要考查的是实验基本操作,天平的使用,粗盐的提纯和过滤;A.用天平称量固体质量时,药品要放在左盘,为了防止药品腐蚀托盘,要放在纸片或玻璃器皿中称量;B.用pH试纸测溶液的pH时,要用玻璃棒或胶头滴管将待测液滴到试纸上,不能直接浸入到待测液中,防止待测液被污染;C.粗盐提纯实验过程中,蒸发结晶时,在蒸发皿中出现较多量固体时停止加热,用蒸发皿的余温蒸干溶液即可,选项正确;D.过滤时不能用玻璃棒在漏斗中搅拌,防止玻璃棒戳破滤纸。
2018年初中化学实验操作考试试题(word版可编辑修改)编辑整理:尊敬的读者朋友们:这里是精品文档编辑中心,本文档内容是由我和我的同事精心编辑整理后发布的,发布之前我们对文中内容进行仔细校对,但是难免会有疏漏的地方,但是任然希望(2018年初中化学实验操作考试试题(word版可编辑修改))的内容能够给您的工作和学习带来便利。
同时也真诚的希望收到您的建议和反馈,这将是我们进步的源泉,前进的动力。
本文可编辑可修改,如果觉得对您有帮助请收藏以便随时查阅,最后祝您生活愉快业绩进步,以下为2018年初中化学实验操作考试试题(word版可编辑修改)的全部内容。
宿州市2018年初中毕业升学化学实验操作考试试题理化实验号中考报名号姓名学校试题一配制5%的氯化钠溶液40克实验内容:通过计算、称量、溶解等步骤配制40克5%的氯化钠溶液。
目的要求:1、依据要求计算所需氯化钠的质量、水的体积.2、正确使用天平称量氯化钠的质量。
3、正确使用量筒、胶头滴管量取一定体积液体.4、溶解氯化钠。
5、洗涤仪器、整理复位.6、填写实验记录。
仪器药品:试管架、托盘天平(带砝码)、方纸片、药匙、量筒(50 mL)、胶头滴管(放盛水的烧杯中)、玻璃棒(放烧杯中)、200mL烧杯两个(分别贴标签配溶液和回收氯化钠)、500 mL烧杯一个(贴标签回收氯化钠溶液)、蒸馏水(放细口瓶中)、氯化钠粉末(放试剂瓶中)、擦纸实验记录:1、计算所需氯化钠的质量。
40g ⅹ 5%=2g2、计算所需水的质量、体积.40g – 2g = 38g38g ÷1g/cm3 = 38 cm3 = 38 mL宿州市2018年初中毕业升学化学实验操作试题评分细则试题一配制5%的氯化钠溶液40克实验内容:通过计算、称量、溶解等步骤,配制40克5%的氯化钠溶液。
仪器药品:试管架、托盘天平(带砝码)、方纸片、药匙、量筒(50 mL)、胶头滴管(放盛水的烧杯中)、玻璃棒(放烧杯中)、200mL烧杯2个(分别贴标签配溶液和回收氯化钠)、500 mL烧杯1个(贴标签回收氯化钠溶液)、蒸馏水(放细口瓶中)、氯化钠粉末(放宿州市2018年初中毕业升学化学实验操作考试试题理科实验号中考报名号姓名学校试题二碳酸钠的化学性质实验内容:1、测定碳酸钠溶液的PH值。
考点29 化学实验基本操作一、选择题(2018•辽宁葫芦岛)下列实验操作正确的是( )【答案】D6.(2018·广西北部湾)下列有关酒精灯的操作,正确的是( )A .B .C .D .【答案】B【答案】D 6.(2018·青海西宁)下图所示实验操作,正确的是( )【答案】C(2018·四川凉山州)3.下列化学实验操作正确的是( )镊子 pH 试纸100mL 量筒浓硫酸水 不断搅拌 A.测溶液pH C. 稀释浓硫酸 D. 量取9.3mL 液体A .熄灭酒精灯B .闻气味C .称取10g 食盐D .过滤液体 【答案】C(2018·江苏无锡)6.以下实验操作正确的是( )A .点燃酒精灯B .研磨后闻气味C .滴加液体D .测定溶液的pH 【答案】B3. (2018•湖南张家界)下列图示的化学实验基本操作中,正确的是 ( )A .取粉末状固体药品B .加热液体 C. 稀释浓硫酸 【答案】A3.(2018·四川遂宁)下图所示实验操作中,正确的是3.B4.(2018·湖南湘西)下列实验操作错误的是( )A .熄灭酒精灯B .检查装置气密性C.倾倒液体D.加热液体【答案】A4.(2018·吉林长春)下列实验操作正确的是A.过滤B.读取液体体积C.加热液体D.蒸发【答案】B.(2018·云南昆明)下列实验操作错误的是()A.读液体的体积B.熄灭酒精灯C.加热液体D.测溶液的pH【答案】D13. (2018·江苏泰州)下列对实验意外事故的处理方法错误的是A. 若不慎将稀硫酸溅入眼睛,要先用手揉眼睛,再立即用水冲洗B. 若不慎将烧碱溶液沾到皮肤上,要用较多的水冲洗,再涂上硼酸溶液C. 若不慎将燃着的酒精灯碰倒,洒出的酒精在桌面上燃烧,应立刻用湿抹布扑盖D. 若不慎将少量浓硫酸沾到皮肤上,应立即用大量水冲洗,再涂上3%~5%的碳酸氢钠溶液【答案】A7. (2018·江苏泰州)下列实验操作正确的是A. 塞紧胶塞B. 贮存氧气C. 过滤D. 吹灭酒精灯【答案】B(2018·四川广安)3、下列图示实验操作正确的是()【答案】B3.(2018·甘肃兰州)下列实验操作正确的是()A. 滴加液体B.过滤C.二氧化碳验满D.点燃酒精灯3.C3. (2018·山东菏泽)下列实验操作正确的是B.蒸发结晶A.测定溶液的pH C.过滤 D.称量氢氧化钠固体【答案】C(2018·贵州贵阳)2.下列实验操作不正确的是()A.测定溶液的pHB.检查装置的气密性C.熄灭酒精灯D.加热液体【答案】A4.(2018·山东烟台)下列实验操作中正确的是()A.滴加液体 B.称量固体 C.二氧化碳验满 D.蒸发结晶【答案】D9.(2018·云南)下列实验操作不正确的是()A.点燃酒精灯B.量取液体C.向试管中加固体D.稀释浓硫酸9.A(2018·江苏淮安)3.下列操作正确的是D【答案】D(2018·新疆乌鲁木齐)下列实验操作正确的是A. 倾倒液体B. 点燃酒精灯C. 读取液体体积D. 移走蒸发皿【答案】A(2018·广西桂林)4. 下列操作错误..的是()A.读取液体体积B.闻气体气味C.检查装置气密性D.倾倒液体【答案】B(2018·广西桂林)2. 下列仪器可用于吸取和滴加少量液体的是()A.烧杯B.试管C.集气瓶D.胶头滴管【答案】D(2018·湖北江汉)下图是小勇设计的分离KCl和MnO2固体混合物的流程图,图中的数字序号所对应的操作步骤错.误.的是A .①—加水溶解B .②—结晶C .③—蒸发D .④—洗涤【答案】B2.(2018·黔东南) 下图中的实验方法或操作正确的是()A. 液体的倾倒B. 振荡试管C. 尾气处理D. 稀释浓硫酸 【答案】A2. (2018•黑龙江齐齐哈尔)下列实验操作正确的是A.加热固体B.倾倒液体C.熄灭酒精灯D.取用固体粉末 【答案】D10. (2018•陕西)规范的实验操作是实验成功的关键。
2018中考化学专题一、化学实验基本操作重难点突破知识点一:实验的基本操作1.药品的取用固体药品的取用液体药品的取用2.给物质加热──酒精灯的使用酒精灯的灯焰加热的方法注意:1.试管夹要从试管底部向上套取;2.手握试管夹的长柄;3.用酒精灯的外焰加热。
3.仪器的洗涤注意:1.刷洗时须转动或上下移动试管刷,用力不要过猛;2.洗涤过的玻璃仪器内壁附着的水既不聚成水滴,也不成股流下时,表明已经洗干净。
4.实验数据应用处理(1)托盘天平能称准到______ ;(2)给试管里的液体加热液体体积不能超过试管容积的_______;(3)用量筒量取液体可以精确到_______;(4)pH试纸测定溶液的酸碱度可以精确到______。
题一:下列实验操作中,正确的是( )题二:如何除去CaCO3中的NaCl?如何分离CaCO3和NaCl?知识点二:物质的提纯和分离1.区别:分离:是把混合物中各物质分开,得各成分的纯净物质;提纯:是把杂质除去,只得到提纯物主成分。
2.物质提纯(除杂)的原则为:不增、不减、易分离、易复原。
3.解题思路(1)物理方法:一般有过滤法,蒸发法和结晶法等。
如何除去KNO3中少量的NaCl? 如何除去NaCl中少量的KNO3?(2)化学方法:转化法、溶解、吸收、沉淀、气化等。
题三:能够一次鉴别BaCl2、NaCl 、Na2CO3三种溶液的试剂是()A.硝酸银溶液B.稀硫酸C.稀盐酸D.稀硝酸知识点三:鉴别(区分)根据几种物质的不同特性,用实验方法将它们一一区别。
常利用物质的颜色、气味、溶解性、酸碱性等有特征现象产生的反应进行鉴别。
题四:某试剂瓶标签脱落,取出观察为白色固体。
先取少量固体与NaOH混合研磨,闻到有氨味;再取少量固体于试管中,滴加稀H2SO4,有无色无味气体产生,让气体通入澄清石灰水,有白色浑浊出现。
根据以上实验现象分析该化学药品的化学式是____________。
知识点四:检验(鉴定)是对某一未知物质的组成进行确认。
专题三科学探究题一、选择题10. (2018·浙江衢州)小柯做了一个趣味实验:他先将鸡蛋壳碾碎装入气球,再把气球套在盛有白醋的锥形瓶底口,然后把气球中的蛋壳加入锥形瓶中(装置的气密性良好),实验过程如图。
下列对该实验的分析正确的是()A.不能验证质量守恒定律,因为气球受到浮力B.冷却至室温时,瓶内气体分子间空隙变大C.反应没有气体生成D.反应没有热量放出【答案】A8. (2018·湖北武汉)医疗上常用硫酸钡作透视肠胃的内服剂,俗称“钡餐”。
一旦误将碳酸钡代替硫酸钡作“钡餐”,就会致人中毒,此时可服用硫酸镁溶液解毒。
某化学兴趣小组用如下实验模拟了碳酸钡在胃液中的变化,并验证了硫酸镁解毒的原理:I.取一定量碳酸钡固体于烧杯中,逐滴加入稀盐酸至过量,并不断搅拌,饶杯内固体质量与加入稀盐酸的质量关系如图甲所示;II.再向该烧杯中逐滴加入硫酸镁溶液,并不断搅拌,烧杯内溶波质量与加入硫酸镁溶液的质量关系如图乙所示。
下列有关说法正确的是(A.图甲中K点和L点时,溶液中的溶质都为一种;图乙中M点和N点时,溶液中的溶质都为两种B.取少量步骤I所得溶液于试管中,滴加硝酸银溶液和足量稀硝酸,有白色沉淀生成,说明步骤I 中加入的稀盐酸已过量C.根据图乙数据分析,步骤II最终生成硫酸钡沉淀的质量为4.5gD.硫酸镁解毒的原理是:MgSO4+BaCl2=MgCl2+BaSO4↓。
因此,本身无毒且能与氯化钡反应生成沉淀的物质,如纯碱也可解毒8.A二、实验题(2018•辽宁葫芦岛)(7.00分)同学们用大理石和稀盐酸制取二氧化碳后,小欣同学发现容器内液体是浑浊的,她很好奇,浑浊液体是什么?于是她和同学们一起将浑浊的液体过滤,得到滤液和固体,并对此展开了探究(溶解于水中的气体成分忽略不计)【提出问题】滤液中的溶质以及过滤得到的固体的成分是什么?【查阅资料】①大理石中含有SiO 2(不溶于水,且不与盐酸反应),可能含有少量的Fe 2O 3等。
考点29 化学实验基本操作一、选择题(2018•辽宁葫芦岛)下列实验操作正确的是( )【答案】D6.(2018·广西北部湾)下列有关酒精灯的操作,正确的是( )A .B .C .D . 【答案】B 10.(2018·青海西宁)善于流理化学知识是学好化学的有效方法,以下梳理归纳正确的一组是( )A .描述实验现象B .实验安全①50mL 水和50mL 酒精混合后总体积等于100mL②硫在空气中燃烧产生明亮的蓝紫色火焰,有刺激性气味气体生成③二气化碳通入紫色石蕊溶液中,溶液变红色①点燃可燃性气体前一定要验纯②实验室鉴别化学药品时不可以尝任何药品的味道③向燃然着的酒精灯内添加酒精,以节约实验时间C .化学与生活D .认识物质俗名①人体缺乏继生素A 容易患环血病 ②洗涤剂除油污利用了乳化的原理 ③高钙牛奶中的“钙”指钙元素 ①碳酸钠—苏打 ②氯氧化钙一消石灰 ③氢氧化钠一火碱 【答案】D 6.(2018·青海西宁)下图所示实验操作,正确的是( )【答案】C(2018·四川凉山州)3.下列化学实验操作正确的是( )A .熄灭酒精灯B .闻气味C .称取10g 食盐D .过滤液体 【答案】C(2018·江苏无锡)6.以下实验操作正确的是( )镊子 pH 试纸 100mL 量筒浓硫酸水 不断搅拌 A.测溶液pH C. 稀释浓硫酸 D. 量取9.3mL 液体A.点燃酒精灯 B.研磨后闻气味 C.滴加液体 D.测定溶液的pH【答案】B3. (2018•湖南张家界)下列图示的化学实验基本操作中,正确的是()A.取粉末状固体药品 B.加热液体 C. 过滤 D. 稀释浓硫酸【答案】A3.(2018·四川遂宁)下图所示实验操作中,正确的是3.B4.(2018·湖南湘西)下列实验操作错误的是()A.熄灭酒精灯B.检查装置气密性C.倾倒液体D.加热液体【答案】A4.(2018·吉林长春)下列实验操作正确的是A.过滤B.读取液体体积C.加热液体D.蒸发【答案】B.(2018·云南昆明)下列实验操作错误的是()A.读液体的体积B.熄灭酒精灯C.加热液体D.测溶液的pH【答案】D13. (2018·江苏泰州)下列对实验意外事故的处理方法错误的是A. 若不慎将稀硫酸溅入眼睛,要先用手揉眼睛,再立即用水冲洗B. 若不慎将烧碱溶液沾到皮肤上,要用较多的水冲洗,再涂上硼酸溶液C. 若不慎将燃着的酒精灯碰倒,洒出的酒精在桌面上燃烧,应立刻用湿抹布扑盖D. 若不慎将少量浓硫酸沾到皮肤上,应立即用大量水冲洗,再涂上3%~5%的碳酸氢钠溶液【答案】A7. (2018·江苏泰州)下列实验操作正确的是A. 塞紧胶塞B. 贮存氧气C. 过滤D. 吹灭酒精灯【答案】B(2018·四川广安)3、下列图示实验操作正确的是()【答案】B3.(2018·甘肃兰州)下列实验操作正确的是()A. 滴加液体B.过滤C.二氧化碳验满D.点燃酒精灯3.C3. (2018·山东菏泽)下列实验操作正确的是B.蒸发结晶A.测定溶液的pH C.过滤 D.称量氢氧化钠固体【答案】C(2018·贵州贵阳)2.下列实验操作不正确的是()A.测定溶液的pHB.检查装置的气密性C.熄灭酒精灯D.加热液体【答案】A4.(2018·山东烟台)下列实验操作中正确的是()A.滴加液体 B.称量固体 C.二氧化碳验满 D.蒸发结晶【答案】D9.(2018·云南)下列实验操作不正确的是()A.点燃酒精灯B.量取液体C.向试管中加固体D.稀释浓硫酸9.A(2018·江苏淮安)3.下列操作正确的是D【答案】D(2018·新疆乌鲁木齐)下列实验操作正确的是A. 倾倒液体B. 点燃酒精灯C. 读取液体体积D. 移走蒸发皿【答案】A(2018·广西桂林)4. 下列操作错误..的是( )A.读取液体体积B.闻气体气味C.检查装置气密性D.倾倒液体 【答案】B(2018·广西桂林)2. 下列仪器可用于吸取和滴加少量液体的是( ) A.烧杯 B.试管 C.集气瓶 D.胶头滴管 【答案】D(2018·湖北江汉)下图是小勇设计的分离KCl 和MnO 2固体混合物的流程图,图中的数字序号所对应的操作步骤错误..的是 A .①—加水溶解 B .②—结晶 C .③—蒸发 D .④—洗涤【答案】B 2.(2018·黔东南) 下图中的实验方法或操作正确的是()A. 液体的倾倒B. 振荡试管C. 尾气处理D. 稀释浓硫酸 【答案】A2. (2018•黑龙江齐齐哈尔)下列实验操作正确的是A.加热固体B.倾倒液体C.熄灭酒精灯D.取用固体粉末 【答案】D10. (2018•陕西)规范的实验操作是实验成功的关键。
下列配制20g 10%的氯化钠溶液的操作中不规范的是(第23题图)③滤渣KCl MnO 2 KCl MnO 2 滤液④ 干燥 ①②【答案】B4.(2018·吉林)下列实验操作正确的是【答案】A4.(2018•湖南邵阳)下列图示操作正确的是A.浓硫酸的稀释 B.给液体加热C.测定溶液的pH D.量取一定量的液体【答案】A5、(2018·北京)下列操作不正确的是()【答案】D4.(2018·海南)下列实验操作正确的是A.氧气验满B.检查装置气密性C.点燃酒精灯D.取用固体药品【答案】B(2018·江苏苏州)16、下列实验操作正确的是【答案】A(2018·江苏苏州)4、下列化学仪器对应的名称正确的是A.燃烧匙 B分液箱斗 C试管夹 D.烧杯【答案】A9.(2018·广西梧州)下列实验操作正确的是()A.取少量固体 B.塞紧橡皮塞 C.称量固体 D.点燃酒精灯【答案】A3.(2018·湖北十堰)下列基本实验操作正确的是()A.闻气体气味 B.稀释浓硫酸 C.蒸发食盐水 D.测溶液的pH【答案】C5.(2018·湖北荆州)下列实验操作中,正确的是()A.倾倒液体 B.点燃酒精灯 C.取用固体粉末 D.过滤【答案】C(2018•湖南益阳)下列基本实验操作正确的是()A.蒸发皿的放置 B.检查气密性C.过滤D.称量N aCl【答案】B9. (2018·湖北荆门)化学是一门以实验为基础的学科。
下列实验操作正确的是A.少量的酒精洒在桌面上燃烧起来,应立即用湿抹布扑盖B.用镊子小心的将块状固体放入垂直的试管中C.用100mL量简量取9.5mLNaCl溶液D.用托盘天平称量某固体样品的质量为5.00克【答案】A26(2018·广东广州).(4分)下图是几项基本实验操作的示意图加热液体蒸发结晶测定溶液pH(1)仪器X的名称是 ;加热液体时,液体体积不能超过试管容积的;(2)蒸发结晶时,用玻璃棒搅拌,当,停止加热;(3)测定溶液pH时,用玻璃棒蘸取待测液滴到pH试纸上,,读出pH。
【答案】 (1)试管夹; 1/3; (2)较多固体时; (3)显色与标准比色卡比较。
8.(2018·广东广州)下列操作中不正确的是A.熄灭酒精灯B.闻药品气味C.读出液体体积D.稀释浓硫酸【答案】D(2018•湖南岳阳)3.化学是一门以实验为基础的科学。
下列实验操作正确的是()【答案】A(2018•山西)规范实验操作是我们完成实验的基本保障,你认为以下操作正确的是( )A. 稀释浓硫酸B. 倾倒CO2C. O2验满D. 滴加液体【答案】B(2018·贵州安顺)2、下图所示实验操作不正确的是()【答案】B26.(2018·江苏连云港)下列图示实验操作中,正确的是【答案】A 2.(2018•江苏宿迁))下列实验操作正确的是【答案】B(2018·重庆B)5.下列化学实验操作不符合规范的是()A.横B.平C.竖D.直【答案】C(2018•湖北宜昌)下列实验操作正确的是()【答案】D (2018·四川巴中)21.下列图示的实验操作正确的是()A.过滤浊液B.测溶液PHC.夹试管 D。
添加酒精【答案】A7、(2018·山东泰安)下列实验基本操作中,正确的是【答案】C8.(2018·山东临沂)下列实验操作中,不正确的是()A.稀释浓硫酸B.倾倒液体C.测定溶液的pHD.过滤【答案】A(2018·山东青岛)3.某兴趣小组的同学进行“粗盐中难溶性杂质的去除”实验。
下图是实验过程中的部分操作,其中正确的是A.取一定量粗盐B.溶解C.过滤D.蒸发结晶【答案】D7.(2018·山东聊城)下列基本实验操作正确的是A.读出液体体积B.测溶液的pHC.加热液体D.稀释浓硫酸【答案】D2.(2018·山东德州)规范的实验操作是实验成功的保证。
下列实验操作错误..的是()A.加入固体粉末 B.读取液体体积 C.加热液体物质 D.倾倒液体物质【答案】B7、(2018·江西)下列实验操作正确的是【答案】D7.(2018·江苏盐城)下列实验操作正确的是A.给液体加热B.读取液体体积C.稀释浓硫酸D.检查装置气密性【答案】D10.实验室配制100g溶质质量分数为8%的氯化钠溶液,下列说法中错误的是A.若在量取水时俯视凹液面的最低处,则配制溶液的质量分数小于8%B.溶解过程中玻璃棒搅拌的作用是加快氯化钠的溶解速率C.实验的步骤为计算、称量、量取、溶解、装瓶贴标签D.量取水时,用规格为100mL的量筒【答案】A2.(2018·湖南衡阳)下列实验装置或操作正确的是A.熄灭酒精灯B.实验室制取二氧化碳C.读取液体体积D.称取一定质量的氯化钠【答案】C3.(2018•湖南长沙)下列图示实验操作中,不正确的是:( )【答案】C2.(2018·湖南娄底)化学是一门以实验为基础的科学。
下列实验操作正确的是()【答案】D6.(2018·广东)下列操作正确的是6.D (2018•甘肃武威)5.化学实验操作的规范性、安全性是实验成败的关継,同时也反映了实验者的化学素养。
下列如图所示的实验操作正确的是【答案】D2.(2018·河北)下图所示实验操作正确的是()A.加入固体 B.量取液体 C.收集氢气 D.点燃酒精灯2.D(2018·湖北黄冈)19、下列实验操作错误的是()A.滴加液体B.点燃酒精灯C.称量反应物质量D.稀释浓硫酸【答案】D9、(2018·湖北随州)正确的实验操作是科学探究成功的基础,下列实验基本操作正确的是()【答案】B2、(2018·湖北孝感)下列实验操作正确的是()A.熄灭酒精灯 B.滴加液体 C.读取液体体积 D.取用固体药品2.D6.(2018·四川达州)误差分析是定量实验的一个重要内容,下列分析正确的是( )A.用量筒量取10mL水,仰视读数,会导致水的实际体积偏小B.测定溶液的pH,先用水将pH试纸润湿,会导致测出的pH偏大C.测定空气中氧气的体积分数,铜粉的量不足,会导致测出氧气的体积分数偏小D.配制6%的氯化钠溶液,氯化钠中含有杂质,会导致氯化钠的质量分数偏大【答案】C12.(2018·四川德阳)下列图示实验操作中,正确的是()—50mL量筒A.点燃酒精灯 B.过滤 C.量取5.5mL液体 D.称量10.05g固体【答案】B8.(2018•四川乐山)下列各图所示的实验操作,错误的是()铁丝在O2中燃烧稀释浓硫酸读取液体体积称量NaClA B C D【答案】C4.(2018·四川南充)下列实验操作正确的是A.检验CO2B.干燥H2C.加热试管里的液体D.检测待测溶液的pH【答案】B4.(2018·四川自贡)下列化学仪器对应的名称书写正确的是【答案】A5.(2018·浙江衢州)规范操作是科学实验成功的关键,下列操作正确的是()A.倾倒溶液B.稀释浓硫酸C.测溶液pHD.检查气密性【答案】D5.(2018·浙江绍兴)从试剂瓶中取用NaCl固体、AgNO3溶液,需要用到的器材是A.甲—①,乙—①B.甲—①,乙—②C.甲—②,乙—②D.甲—②,乙—①【答案】D(2018·重庆A)6.化学实验操作应严谨规范,下列操作符合要求的是()【答案】B二、填空题(2018·四川凉山州)14.下列是实验室常见的化学仪器:(1)a的名称为;(2)f的名称为。