谷轮压缩机技术参数及型号识别
- 格式:doc
- 大小:1.11 MB
- 文档页数:10
谷轮直通车经营的谷轮压缩机系列有:美国谷轮半封闭压缩机、谷轮双极压缩机、谷轮冷冻涡旋压缩机和谷轮低温ZF系列压缩机;谷轮空调涡旋压缩机ZR24~ZR380全系列压缩机;谷轮冷冻涡旋压缩机ZB15KQ~ZB11MC全系列压缩机;沈阳谷轮半封闭C、L、2S、3S、4S、6S系列压缩机。
直通车以强大的库存量为客户提供产品支持、优惠的价格为客户提供成本支持。
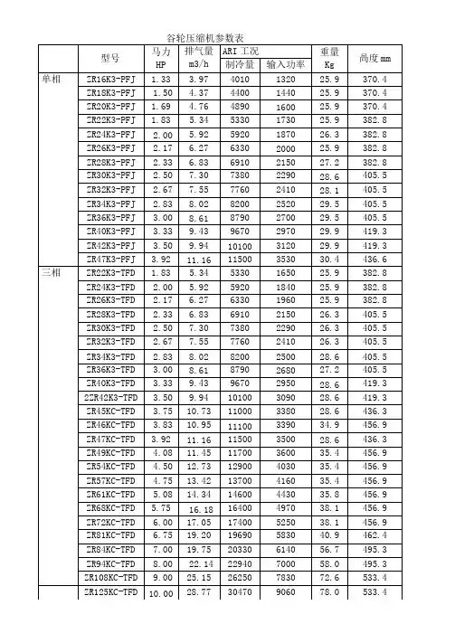
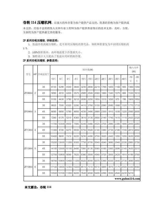
谷轮中温ZB涡旋压缩机参数表:谷轮空调压缩机ZR系列参数表:谷轮ZF系列低温压缩机参数表:型号HP 冷凝温度℃制冷量(W)10℃5℃0℃-5℃-10℃-15℃ZF06K4E 2 35 6950 5940 5040 4240 3550 2880 45 5960 5100 4330 3650 3050 2480 55 4910 4180 3550 3000 2520 2060ZF09K4E 3 35 9530 8130 6910 5820 4870 4100 45 8170 6970 5920 5000 4180 3550 55 6720 5730 4870 4120 3440 2900ZF11K4E 3.5 35 11700 10100 8550 7220 6050 5080 45 10200 8670 7370 6220 5210 4370 55 8400 7160 6050 5100 4260 3590ZF13K4E 4 35 12800 11300 9810 8420 7100 6030 45 11700 10100 8610 7250 6010 5120 55 9850 8320 6950 5780 4770 4070ZF15K4E 5 35 16800 14400 12200 10300 8650 7290 45 14500 12400 10500 88400 7390 6260 55 11900 10100 8570 7200 6030 5080ZF18K4E 6 35 17000 14400 12200 10200 8550 7250 45 14700 12500 10500 8840 7390 6240 55 12000 10200 8610 7250 6050 5120型号马力HP缸数排气量m3/h外形尺寸mm长宽高净重KG谷轮柔性涡旋压缩机在多方面显示出了它独特的优越性,高能效比,低噪音,高可靠性,低的系统设计成本和运行成本。
谷轮压缩机参数表和容忍杂质的能力3、内置电机断路装置能有效保护电机免受高温及高电流之损坏4、低噪音/低排气脉冲噪音值比活塞式压缩机低5分贝以上5、简化系统设计独特的卸载启动设计使单相压缩机启动时无需启动电容/继电器在大多数应用中无需曲轴箱加热器和气液分离器6、近100%的容积关键所在率带来超常的制热能力7、系列范围已从1.5匹到15匹,并还将向上扩展谷轮全封压缩机谷轮压缩机技术参数表ZR380KC-TWD3087.59200026900176谷轮压缩机ZR系列型号含义解析Z??R??12??3??4?--?5??6??7?--?8??9??10Z:涡旋压缩机系列。
R:应用于高、中温机型。
12:压缩机在60HZ,ARI工况下名义制冷量的头两位数。
(乘以制冷系数即可得到制冷量。
)3:制冷系数,K—1000,M—10000。
4:型号系列,在一个压缩机系列中任选一个数字以区别不同改进型。
(即:K或M系列可有1型、2型、3型…)如果此代码为英文字母,则表示压缩机冷媒非R22,其使用的冷冻油也相应不同。
5:压缩机电源形式,P—单相,T—三相。
6:压缩机电机保护,F—压缩机保护模块内置式,W—压缩机保护模块外置式。
7:电器代号,J—50HZ220V/240-1,D—50HZ380V/420-3。
8、9、10:表示压缩机所带的附件类型。
(此3位数有很多种排列方式,无法在此一一说明,COPELAND公司对此也无全面资料,所以特别提请大家注意,在开机或维修过程中,抄下压缩机型号和序号,以便统计分析,以及以后维修需要。
)注:后缀单号,安装口是螺纹口。
后缀双号,安装口是焊接口。
例:ZR108KC-TFD-521安装口是螺纹口。
ZR108KC-TFD-522安装口是焊接口。
谷轮压缩机型号说明与匹数算法
1、谷轮压缩机分为几种?1匹等于多少瓦?
谷轮压缩机可以分为:半封闭活塞压缩机与涡旋压缩机。
人为约定1公制马力等于每秒钟把75公斤重的物体提高1米所作的功。
它和瓦之间的换算为:1马力=1匹=735瓦(但是按实际计算,应该在0.75~0.8 KW之间,但不会有太大的差距。
)。
2、谷轮压缩机常见故障有哪些
常见故障且危害比较大的有:压缩机电机烧毁,液击,缺油与润滑不足。
这造此三种故障的原因分析,我们制冷百科公众号已经说过多次,本文不再重复。
3、谷轮压缩机高低温怎么区别
谷轮压缩机型号众多,那么怎么分辨谷轮压缩机高低温呢?其实最简单的方法就是根据压缩机标注的制冷剂,R22一般是高温,R404A/R502一般为低温。
4、谷轮L系压缩机型号说明
5、谷轮C系列压缩机型号说明
6、谷轮3S、4S系列压缩机型号说明
7、谷轮Z系压缩机型号说明
8、谷轮ZR系压缩机怎么看多少匹
举例型号:ZR84KCE-TF7。
可以用84这数字除以12就可以算出ZR系类的匹数了,所以ZR84KCE-TF7的匹数为84/12=7HP。
几个比较特的型号:
ZR11M3E-TWD-522;ZR12M3E-TWD-522;ZR16M3E-TWD-522;ZR19M3E-TWD-522等这几款压缩机就是除以1.2来算。
谷轮ZB、ZR、ZF系列压缩机参数表
2015-09-24制冷百科
读制冷或者暖通专业的伙伴们,应该都晓得谷轮压缩机是专门为热泵而生的压机——相当于人类心脏的机器。
之前,珑恭子在PHNIX—广东芬尼克兹写实习报告的时候,把不同产品对应的谷轮型号搞混的时候,被导师熊工大大请去办公室“喝咖啡”……你学习不认真,不仔细,派你去车间不是为了当劳动力……屁啦帕拉的一堆……然后,现在才发现的确是如此,针对自身岗位去寻找所需要的知识(有限时间内)。
好啦,废话不多说,咱们干货走一波~(感谢咱们制冷百科的小编大大)
美国谷轮半封闭压缩机、谷轮双极压缩机、谷轮冷冻涡旋压缩机和谷轮低温ZF系列压缩机;
谷轮中温ZB涡旋压缩机参数表:
谷轮空调压缩机ZR系列参数表:
谷轮ZF系列低温压缩机参数表:。
谷轮直通车经营的谷轮压缩机系列有:美国谷轮半封闭压缩机、谷轮双极压缩机、谷轮冷冻涡旋压缩机和谷轮低温ZF系列压缩机;谷轮空调涡旋压缩机ZR24~ZR380全系列压缩机;谷轮冷冻涡旋压缩机ZB15KQ~ZB11MC全系列压缩机;沈阳谷轮半封闭C、L、2S、3S、4S、6S系列压缩机。
直通车以强大的库存量为客户提供产品支持、优惠的价格为客户提供成本支持。
谷轮中温ZB涡旋压缩机参数表:谷轮空调压缩机ZR系列参数表:谷轮ZF系列低温压缩机参数表:型号HP 冷凝温度℃制冷量(W)10℃5℃0℃-5℃-10℃-15℃ZF06K4E 2 35 695 40 3550 2880 45 596 50 3050 2480 55 4910 4 2520 2060ZF09K4E 3 35 9530 8 4870 4100 45 817 00 4180 3550 55 672 20 3440 2900ZF11K4E 3.5 35 117 7220 6050 5080 45 1 70 55 84 100 4260 3590ZF13K4E 4 35 128 0 45 117 7250 6010 5120 55 985 80 4770 4070ZF15K4E 5 35 168 290 45 90 6260 55 119 7200 6030 5080ZF18K4E 6 35 17 7250 45 0 6240 55 12 20型号马力HP缸数排气量m3/h外形尺寸mm长宽高净重KG谷轮柔性涡旋压缩机在多方面显示出了它独特的优越性,高能效比,低噪音,高可靠性,低的系统设计成本和运行成本。
谷轮的革命性技术已为世界各地的制造商,分销商和最终用户所采用。
到今天为止,谷轮有超过四千万台柔性涡旋压缩机服务于人类日常生活和科学研究等各个领域。
谷轮公司在开发空调柔性涡旋压缩机的同时,也在全力研发冷冻涡旋压缩机;涡旋在空调行业的成功应用,预示着冷冻的未来属于涡旋。
谷轮直通车经营的谷轮压缩机系列有:美国谷轮半封闭压缩机、谷轮双极压缩机、谷轮冷冻涡旋压缩机和谷轮低温ZF系列压缩机;谷轮空调涡旋压缩机ZR24~ZR380全系列压缩机;谷轮冷冻涡旋压缩机ZB15KQ~ZB11MC全系列压缩机;沈阳谷轮半封闭C、L、2S、3S、4S、6S系列压缩机。
直通车以强大的库存量为客户提供产品支持、优惠的价格为客户提供成本支持。
谷轮中温ZB涡旋压缩机参数表:谷轮空调压缩机ZR系列参数表:谷轮ZF系列低温压缩机参数表:型号HP 冷凝温度℃制冷量(W)10℃5℃0℃-5℃-10℃-15℃ZF06K4E235695059405040424035502880 45596051004330365030502480 55491041803550300025202060ZF09K4E335953081306910582048704100 45817069705920500041803550 55672057304870412034402900ZF11K4E 3511700101008550722060505080 451020086707370622052104370 55840071606050510042603590ZF13K4E43512800113009810842071006030 4511700101008610725060105120 55985083206950578047704070ZF15K4E5351680014400122001030086507290 451450012400105008840073906260 5511900101008570720060305080ZF18K4E6351700014400122001020085507250 45147001250010500884073906240 5512000102008610725060505120型号马力HP缸数排气量m3/h外形尺寸mm长宽高净重KG谷轮柔性涡旋压缩机在多方面显示出了它独特的优越性,高能效比,低噪音,高可靠性,低的系统设计成本和运行成本。
谷轮压缩机参数表1、超高能效能效比比目前市场上最先进的活塞式压缩机还高12%2、杰出的可靠性运动部件少轴向及径向的谷轮专柔性设计提供了前所未有的耐液击和容忍杂质的能力3、内置电机断路装置能有效保护电机免受高温及高电流之损坏4、低噪音/低排气脉冲噪音值比活塞式压缩机低5分贝以上5、简化系统设计独特的卸载启动设计使单相压缩机启动时无需启动电容/继电器在大多数应用中无需曲轴箱加热器和气液分离器6、近100%的容积关键所在率带来超常的制热能力7、系列范围已从1.5匹到15匹,并还将向上扩展谷轮全封压缩机谷轮压缩机技术参数表谷轮压缩机ZR系列型号含义解析Z?? R?? 12?? 3?? 4? --? 5?? 6?? 7? --? 8?? 9?? 10Z:涡旋压缩机系列。
R:应用于高、中温机型。
12:压缩机在60HZ,ARI工况下名义制冷量的头两位数。
(乘以制冷系数即可得到制冷量。
)3:制冷系数,K—1000,M—10000。
4:型号系列,在一个压缩机系列中任选一个数字以区别不同改进型。
(即:K或M系列可有1型、2型、3型…)如果此代码为英文字母,则表示压缩机冷媒非R22,其使用的冷冻油也相应不同。
5:压缩机电源形式,P—单相,T—三相。
6:压缩机电机保护,F—压缩机保护模块内置式,W—压缩机保护模块外置式。
7 :电器代号,J—50HZ 220V/240-1,D—50HZ 380V/420-3。
8、9、10:表示压缩机所带的附件类型。
(此3位数有很多种排列方式,无法在此一一说明,COPELAND公司对此也无全面资料,所以特别提请大家注意,在开机或维修过程中,抄下压缩机型号和序号,以便统计分析,以及以后维修需要。
)注:后缀单号,安装口是螺纹口。
后缀双号,安装口是焊接口。
例:ZR108KC-TFD-521安装口是螺纹口。
ZR108KC-TFD-522安装口是焊接口。
艾赛尔空调型号识别:IM**U2AIM ——M 系列 **——名义制冷量U ——室内送风方式(U :上送风 F: 下送风) 2——压缩机数量(1:一台压机 2:两台压机) A ——冷凝方式(A :风冷 W :水冷 C :冷冻水机组)2010-9-2423.机组型号说明SWSB30ADD :下送风F :上送风A :风冷系列W :水冷系列C :冷冻水系列30:名义制冷量30kw 35/35:名义制冷量70KWB=电压380-420/3/50E=220/3/60H=460/3/60I=380/3/60S :直接膨胀式机组W :不附带冷冻水盘管E :附带冷冻水盘管X :冷冻水系列机组S :标准控制器G :图形控制器谷轮压缩机型号辨识ZR(T/H/D)36K3/C/F/H(E)-PFJ/TWD-522ZR全封涡旋+空调;ZF全封涡旋+低温CR全封活塞+空调; VR新型全封涡旋,仅用于中国T/H/D-并联机组/卧式/数码36K或12M-制冷量36//12=3HP 120/12=10PHE-可使用新工艺制冷剂,无E只能用R22PFJ-单相,内置保护,220V/50HZTWD-三相,模块保护,380V/50HZ性能参数ZR系列压缩机技术参数海日立压缩机型号规格:SD074CV SD086CV SD091CV SD104CV SD104CV SD122CV SD127CV SD134CV SD145UV SD156CV SD134SV SHX33SC4 SHY33MC4 SHW33TC4 SHV33YC6 SHV33YC6 SHX33SC4 SH295UV SHY33MC4 SH307RV SHX33SC4 SL222SV-C7LU SL253SV-C7LU SG162RV SG162RV BSA418CV BSA357CV BSD122DT BSA645CV BSL180DT FGZ20DB2-N1 FGZ20TB2-N1 ASH218SV-C8LU ASG125CV-B6DT ASG108CV-B6DT ASH264SV-C8LU ASC092CD ATH290CV-C9LU THU40WC6-U THU33WC6-U TH420 RV TE800CC CSL211CV-C7LU CDL211SV-B5M ath325cv-c9lu海立:BSA-645CV BSA-586CV BSA-357CV BSA-460CV SD-104CVSL-242CV SH-307UV SL-211UV SHY-99M SD-145UV SHY-33MC4-U SHW33TC4-U SHW33TC4-U SHV-33TC6-U SG633PB1-W SG162RV SL253CV 广立:303DHV-47B2 303DHV-47D2 403DHV-64D2 503DHV-80D2401DHV-64D2 303DH-47Q2 303DH-50Q2 354DH-56Q2 404DH-64Q2 303DH-47C2(Y) 303DH-50C2(Y) 353DH-56C2(Y) 403DH-64C2(Y)453DH-72C2(Y) 503DH-80C2(Y) 503DH-83C2(Y) 603DH-90C2(Y)603DH-95C2(Y) 303DH-47D2(Y) 303DH-50D2(Y) 353DH-56D2(Y)403DH-64D2(Y) 453DH-72D2(Y) 503DH-80D2(Y) 503DH-83D2(Y)603DH-90D2(Y) 603DH-95D2(Y) 303DH-47B2(Y) 403DH-64B2(Y)503DH-80B2(Y)K303DH-47Q2 K404DH-64Q2 K403DH-64D2 K503DH-80D2 K603DH-95D2 LF-404DH-64D2 KF504DH-80D2泰国日立:RL-2257 RL-4588 FH-2075 FH2588台湾日立:750EL-128D3 1000EL-160D3 1250EL-180D3 G750EL-128D3 G1000EL-160D3 G1250EL-180D3 401DHC-64D1 403DHV-64A1401DHVM-64D1/A1 M600DHV-90C1 G402DHV-64D1 G402DHVM-64D1G601DHN-90A1 G601DHN-90D1 600DHM-90D1日本日立:EU1089 EU1011EF EU1013DW EU1114D1 JU1012 JU1013 JU1015D4 JU1015D5 G920D ZS4084 ZS5011 ZS6013 ZS7516 ZS7798 ZS1120 ZS1216 DS1836 DS1529 DS1834 DS2244美的空调压机生产厂家代号QA:南韩LG、KH(XH、XB):上海森林、PH:广东美芝、SG:上海日立2P:松下万宝、QX:沈阳三洋、2R(2K):日本松下、PA:台湾东芝、CRFQ(ZR):美国谷轮、JT:西安大金500DH:广州万宝、C-SB:日本三洋4/1是165W5/1S是145w8q是182w上海日立空调压缩机型号:SHX33SC4-U 50Hz 220-240V 标称制冷量--------5630W----2匹机头. SL193CN-C7LU 60Hz 208-230V -标称制冷量-------3975W----1.5匹机头.SD-134------------小一匹SL-211--------------1.5匹看了这么同人的回答,我有点费解了我自己是做空调专卖的以美的空调为例,上面很多朋友说的都有点问题我教你一下很快就明白了KFR-23GW/DY-GAA(E5)KFR-43LW/DY-GAA(E5)K就是空调的意思F就是分体式R就是双温空调23为标准1P。
谷轮中高温冷冻涡旋压缩机 ZB系列产品有2P-15HP,它所使用的制冷剂包括
R22,R404A,R507,R134a等,谷轮冷冻涡旋压缩机技术为中高温制冷应用提供了完美的解决方案,ZB压缩机简洁的结构设计为您带来高效和稳定的应用,受益于谷轮的冷冻涡旋技
术,ZB的中温应用包括零售展示柜和冷库,ZB压缩机同样也适合高温状态下的应用,如食品冷藏和工业制冰机等,
谷轮冷冻涡旋压缩技术为中高温冷冻应用提供了科学的解决方案。
谷轮ZB系列涡旋压缩机可靠性高,高能效比,低噪音,是冷冻冷藏保鲜制冷系统设计的理想选择。
谷轮冷冻涡旋压缩机的型号解析
谷轮冷冻涡旋式压缩机特点
一、双柔设计:确保涡旋盘间的密封。
允许涡旋盘沿径向何轴向分开,碎屑或液体可通过涡旋盘而不损害压缩机。
>更高寿命和可靠性>更好的液体容忍度>更好的杂质容忍度
二、确保高效比涡旋盘磨合而不磨损。
>随运行时间的增加表现更好>保证高效的容积效率
三、更低的噪音和震动水平平滑的声音频谱和柔和的声音质量>压缩腔永远对称分布>很低的不平衡应力>高精度的制造工艺>无需震动吸收装置
四、卸载启动技术压缩部件在停机后互相分开压缩机内部全面的压力平衡,无需附加启动装置。
五、高效的“特氟龙”轴承>上部的主轴承和驱动轴承>太空时代材料(1)多孔渗透型青铜(2)聚四氟乙烯PTF涂层>在没有完全润滑的情况下延长运行时间>非常小的摩擦系数
易迅制冷主要经营谷轮压缩机、布里斯托压缩机、泰康压缩机、美优乐压缩机、百福马压缩机、大金压缩机、空调压缩机、制冷压缩机等世界知名品牌压缩机。
谷轮压缩机参数表1、超高能效能效比比目前市场上最先进的活塞式压缩机还高12%2、杰出的可靠性运动部件少轴向及径向的谷轮专柔性设计提供了前所未有的耐液击和容忍杂质的能力3、内置电机断路装置能有效保护电机免受高温及高电流之损坏4、低噪音/低排气脉冲噪音值比活塞式压缩机低5分贝以上5、简化系统设计独特的卸载启动设计使单相压缩机启动时无需启动电容/继电器在大多数应用中无需曲轴箱加热器和气液分离器6、近100%的容积关键所在率带来超常的制热能力7、系列范围已从1.5匹到15匹,并还将向上扩展谷轮全封压缩机谷轮压缩机技术参数表谷轮压缩机ZR系列型号含义解析Z?? R?? 12?? 3?? 4? --? 5?? 6?? 7? --? 8?? 9?? 10 Z:涡旋压缩机系列。
R:应用于高、中温机型。
12:压缩机在60HZ,ARI工况下名义制冷量的头两位数。
(乘以制冷系数即可得到制冷量。
)3:制冷系数,K—1000,M—10000。
4:型号系列,在一个压缩机系列中任选一个数字以区别不同改进型。
(即:K或M系列可有1型、2型、3型…)如果此代码为英文字母,则表示压缩机冷媒非R22,其使用的冷冻油也相应不同。
5:压缩机电源形式,P—单相,T—三相。
6:压缩机电机保护,F—压缩机保护模块内置式,W—压缩机保护模块外置式。
7 :电器代号,J—50HZ 220V/240-1,D—50HZ 380V/420-3。
8、9、10:表示压缩机所带的附件类型。
(此3位数有很多种排列方式,无法在此一一说明,COPELAND 公司对此也无全面资料,所以特别提请大家注意,在开机或维修过程中,抄下压缩机型号和序号,以便统计分析,以及以后维修需要。
)注:后缀单号,安装口是螺纹口。
后缀双号,安装口是焊接口。
例:ZR108KC-TFD-521安装口是螺纹口。
ZR108KC-TFD-522安装口是焊接口。
艾赛尔空调型号识别:IM**U2AIM ——M 系列 **——名义制冷量U ——室内送风方式(U :上送风 F: 下送风) 2——压缩机数量(1:一台压机 2:两台压机) A ——冷凝方式(A :风冷 W :水冷 C :冷冻水机组)2010-9-2423.机组型号说明SWSB30ADD :下送风F :上送风A :风冷系列W :水冷系列C :冷冻水系列30:名义制冷量30kw 35/35:名义制冷量70KWB=电压380-420/3/50E=220/3/60H=460/3/60I=380/3/60S :直接膨胀式机组W :不附带冷冻水盘管E :附带冷冻水盘管X :冷冻水系列机组S :标准控制器G :图形控制器谷轮压缩机型号辨识ZR(T/H/D)36K3/C/F/H(E)-PFJ/TWD-522ZR全封涡旋+空调;ZF全封涡旋+低温CR全封活塞+空调; VR新型全封涡旋,仅用于中国T/H/D-并联机组/卧式/数码36K或12M-制冷量36//12=3HP 120/12=10PHE-可使用新工艺制冷剂,无E只能用R22PFJ-单相,内置保护,220V/50HZTWD-三相,模块保护,380V/50HZ性能参数ZR系列压缩机技术参数海日立压缩机型号规格:SD074CV SD086CV SD091CV SD104CV SD104CV SD122CV SD127CV SD134CV SD145UV SD156CV SD134SV SHX33SC4 SHY33MC4 SHW33TC4 SHV33YC6 SHV33YC6 SHX33SC4 SH295UV SHY33MC4 SH307RV SHX33SC4 SL222SV-C7LU SL253SV-C7LU SG162RV SG162RV BSA418CV BSA357CV BSD122DT BSA645CV BSL180DT FGZ20DB2-N1 FGZ20TB2-N1 ASH218SV-C8LU ASG125CV-B6DT ASG108CV-B6DT ASH264SV-C8LU ASC092CD ATH290CV-C9LU THU40WC6-U THU33WC6-U TH420 RV TE800CC CSL211CV-C7LU CDL211SV-B5M ath325cv-c9lu海立:BSA-645CV BSA-586CV BSA-357CV BSA-460CV SD-104CVSL-242CV SH-307UV SL-211UV SHY-99M SD-145UV SHY-33MC4-U SHW33TC4-U SHW33TC4-U SHV-33TC6-U SG633PB1-W SG162RV SL253CV 广立:303DHV-47B2 303DHV-47D2 403DHV-64D2 503DHV-80D2401DHV-64D2 303DH-47Q2 303DH-50Q2 354DH-56Q2 404DH-64Q2 303DH-47C2(Y) 303DH-50C2(Y) 353DH-56C2(Y) 403DH-64C2(Y)453DH-72C2(Y) 503DH-80C2(Y) 503DH-83C2(Y) 603DH-90C2(Y)603DH-95C2(Y) 303DH-47D2(Y) 303DH-50D2(Y) 353DH-56D2(Y)403DH-64D2(Y) 453DH-72D2(Y) 503DH-80D2(Y) 503DH-83D2(Y)603DH-90D2(Y) 603DH-95D2(Y) 303DH-47B2(Y) 403DH-64B2(Y)503DH-80B2(Y)K303DH-47Q2 K404DH-64Q2 K403DH-64D2 K503DH-80D2 K603DH-95D2 LF-404DH-64D2 KF504DH-80D2泰国日立:RL-2257 RL-4588 FH-2075 FH2588台湾日立:750EL-128D3 1000EL-160D3 1250EL-180D3 G750EL-128D3 G1000EL-160D3 G1250EL-180D3 401DHC-64D1 403DHV-64A1401DHVM-64D1/A1 M600DHV-90C1 G402DHV-64D1 G402DHVM-64D1G601DHN-90A1 G601DHN-90D1 600DHM-90D1日本日立:EU1089 EU1011EF EU1013DW EU1114D1 JU1012 JU1013 JU1015D4 JU1015D5 G920D ZS4084 ZS5011 ZS6013 ZS7516 ZS7798 ZS1120 ZS1216 DS1836 DS1529 DS1834 DS2244美的空调压机生产厂家代号QA:南韩LG、KH(XH、XB):上海森林、PH:广东美芝、SG:上海日立2P:松下万宝、QX:沈阳三洋、2R(2K):日本松下、PA:台湾东芝、CRFQ(ZR):美国谷轮、JT:西安大金500DH:广州万宝、C-SB:日本三洋4/1是165W5/1S是145w8q是182w上海日立空调压缩机型号:SHX33SC4-U 50Hz 220-240V 标称制冷量--------5630W----2匹机头. SL193CN-C7LU 60Hz 208-230V -标称制冷量-------3975W----1.5匹机头.SD-134------------小一匹SL-211--------------1.5匹看了这么同人的回答,我有点费解了我自己是做空调专卖的以美的空调为例,上面很多朋友说的都有点问题我教你一下很快就明白了KFR-23GW/DY-GAA(E5)KFR-43LW/DY-GAA(E5)K就是空调的意思F就是分体式R就是双温空调23为标准1P25-26为大1P32为标准1.5P现在也有33的空调也属于1.5P35为大1.5P现在也有36的43为小2P45-46为小2P50为正2P51为大2P60左右的机器都是2.5P70为正3P71-72为大3PG是挂机的缩写L是落地式空调的缩写就是我们说的柜机D就是电辅热Y就是遥控后面的就是型号括号内的E5就是5级能效,如果是E4就是4级能效很简单吧希望你能选购一台好空调看空调接线壳旁的名牌!..23GW/为一小一匹..25~26是一匹...32~33为小一点五匹//35为1.5匹.. 45左右为小两匹.....50为两匹..70三匹..120为五匹~!补充楼上的,以格力为例:普通机型23GW是小1匹,节能机型24是小1匹,普通机型26GW是足1匹,节能机型27GW是足一匹,32GW 是小1.5匹,35GW是足1.5匹,46GW是小2匹,50GW是足2匹,60GW 是大2匹,72GW是足3匹,76GW是大3匹,100GW是小5匹,120GW 是足5匹,16W是足8匹,28GW是足10匹。
艾赛尔空调型号识别:IM**U2A
IM ——M 系列 **——名义制冷量
U ——室内送风方式(U :上送风 F: 下送风) 2——压缩机数量(1:一台压机 2:两台压机) A ——冷凝方式(A :风冷 W :水冷 C :冷冻水机组)
2010-9-242
3.机组型号说明
S
W
S
B
30
A
D
D :下送风F :上送风
A :风冷系列W :水冷系列C :冷冻水系列
30:名义制冷量30kw 35/35:名义制冷量70KW
B=电压380-420/3/50E=220/3/60H=460/3/60I=380/3/60
S :直接膨胀式机组
W :不附带冷冻水盘管E :附带冷冻水盘管X :冷冻水系列机组
S :标准控制器G :图形控制器
谷轮压缩机型号辨识
ZR(T/H/D)36K3/C/F/H(E)-PFJ/TWD-522
ZR全封涡旋+空调;ZF全封涡旋+低温
CR全封活塞+空调;VR新型全封涡旋,仅用于中国T/H/D-并联机组/卧式/数码
36K或12M-制冷量36//12=3HP 120/12=10PH
E-可使用新工艺制冷剂,无E只能用R22
PFJ-单相,内置保护,220V/50HZ
TWD-三相,模块保护,380V/50HZ
性能参数
ZR系列压缩机技术参数
海日立压缩机型号规格:SD074CV SD086CV SD091CV SD104CV SD104CV SD122CV SD127CV SD134CV SD145UV SD156CV SD134SV SHX33SC4 SHY33MC4 SHW33TC4 SHV33YC6 SHV33YC6 SHX33SC4 SH295UV SHY33MC4 SH307RV SHX33SC4 SL222SV-C7LU SL253SV-C7LU SG162RV SG162RV BSA418CV BSA357CV BSD122DT BSA645CV BSL180DT FGZ20DB2-N1 FGZ20TB2-N1 ASH218SV-C8LU ASG125CV-B6DT ASG108CV-B6DT ASH264SV-C8LU ASC092CD ATH290CV-C9LU THU40WC6-U THU33WC6-U TH420 RV TE800CC CSL211CV-C7LU CDL211SV-B5M ath325cv-c9lu
海立:BSA-645CV BSA-586CV BSA-357CV BSA-460CV SD-104CV
SL-242CV SH-307UV SL-211UV SHY-99M SD-145UV SHY-33MC4-U SHW33TC4-U SHW33TC4-U SHV-33TC6-U SG633PB1-W SG162RV SL253CV 广立:303DHV-47B2 303DHV-47D2 403DHV-64D2 503DHV-80D2
401DHV-64D2 303DH-47Q2 303DH-50Q2 354DH-56Q2 404DH-64Q2 303DH-47C2(Y) 303DH-50C2(Y) 353DH-56C2(Y) 403DH-64C2(Y)
453DH-72C2(Y) 503DH-80C2(Y) 503DH-83C2(Y) 603DH-90C2(Y)
603DH-95C2(Y) 303DH-47D2(Y) 303DH-50D2(Y) 353DH-56D2(Y)
403DH-64D2(Y) 453DH-72D2(Y) 503DH-80D2(Y) 503DH-83D2(Y)
603DH-90D2(Y) 603DH-95D2(Y) 303DH-47B2(Y) 403DH-64B2(Y)
503DH-80B2(Y)
K303DH-47Q2 K404DH-64Q2 K403DH-64D2 K503DH-80D2 K603DH-95D2 LF-404DH-64D2 KF504DH-80D2
泰国日立:RL-2257 RL-4588 FH-2075 FH2588
台湾日立:750EL-128D3 1000EL-160D3 1250EL-180D3 G750EL-128D3 G1000EL-160D3 G1250EL-180D3 401DHC-64D1 403DHV-64A1
401DHVM-64D1/A1 M600DHV-90C1 G402DHV-64D1 G402DHVM-64D1
G601DHN-90A1 G601DHN-90D1 600DHM-90D1
日本日立:EU1089 EU1011EF EU1013DW EU1114D1 JU1012 JU1013 JU1015D4 JU1015D5 G920D ZS4084 ZS5011 ZS6013 ZS7516 ZS7798 ZS1120 ZS1216 DS1836 DS1529 DS1834 DS2244
美的空调压机生产厂家代号
QA:南韩LG、
KH(XH、XB):上海森林、
PH:广东美芝、
SG:上海日立
2P:松下万宝、
QX:沈阳三洋、
2R(2K):日本松下、
PA:台湾东芝、
CRFQ(ZR):美国谷轮、
JT:西安大金
500DH:广州万宝、
C-SB:日本三洋
4/1是165W
5/1S是145w
8q是182w
上海日立空调压缩机型号:
SHX33SC4-U 50Hz 220-240V 标称制冷量--------5630W----2匹机头. SL193CN-C7LU 60Hz 208-230V -标称制冷量-------3975W----1.5匹机头.
SD-134------------小一匹
SL-211--------------1.5匹
看了这么同人的回答,我有点费解了
我自己是做空调专卖的
以美的空调为例,上面很多朋友说的都有点问题
我教你一下很快就明白了
KFR-23GW/DY-GAA(E5)
KFR-43LW/DY-GAA(E5)
K就是空调的意思
F就是分体式
R就是双温空调
23为标准1P
25-26为大1P
32为标准1.5P现在也有33的空调也属于1.5P
35为大1.5P现在也有36的
43为小2P
45-46为小2P
50为正2P
51为大2P
60左右的机器都是2.5P
70为正3P
71-72为大3P
G是挂机的缩写
L是落地式空调的缩写就是我们说的柜机
D就是电辅热
Y就是遥控
后面的就是型号
括号内的E5就是5级能效,如果是E4就是4级能效
很简单吧
希望你能选购一台好空调
看空调接线壳旁的名牌!
..23GW/为一小一匹..25~26是一匹...32~33为小一点五匹//35为1.5匹.. 45左右为小两匹...
..50为两匹..70三匹..120为五匹~!
补充楼上的,以格力为例:普通机型23GW是小1匹,节能机型24是小1匹,普通机型26GW是足1匹,节能机型27GW是足一匹,32GW 是小1.5匹,35GW是足1.5匹,46GW是小2匹,50GW是足2匹,60GW 是大2匹,72GW是足3匹,76GW是大3匹,100GW是小5匹,120GW 是足5匹,16W是足8匹,28GW是足10匹。
看机器型号比如KFRD75的机器其中K代表空调 F 带表分体式R代表热泵(冷暖机) D代表辅助电加热最后的数字代表制冷量一般空调都是把上面的数字后面加两个0做为制冷量制冷量达到2500W算1匹那么75的机子就是75后加00 既7500/2500=3匹ZR(T/H/D)36K3/C/F/H(E)-PFJ/TWD-522
ZR全封涡旋+空调;ZF全封涡旋+低温
CR全封活塞+空调;VR新型全封涡旋,仅用于中国
T/H/D-并联机组/卧式/数码
36K或12M-制冷量36//12=3HP 120/12=10PH
E-可使用新工艺制冷剂,无E只能用R22
PFJ-单相,内置保护,220V/50HZ
TWD-三相,模块保护,380V/50HZ。