高支模监控记录汇总表
- 格式:docx
- 大小:46.29 KB
- 文档页数:2
完整版)高支模专项查核表一、项目基本信息项目名称 | 项目编号 | 项目负责人 |二、高支模使用情况2.1 高支模选型高支模型号 | 技术参数。
| 供应商。
| 选用原因。
| 备注。
|2.2 高支模材料使用高支模材料名称 | 材料规格及牌号。
| 供应商。
| 用量/单位。
| 是否合格。
| 备注。
|三、高支模使用质量控制3.1 高支模施工控制高支模的安装是否按照厂家要求进行?高支模的拆除是否同样按照厂家要求进行?高支模的支撑是否稳固可靠?高支模的连接是否牢固?高支模的附加构件是否配套齐全?3.2 高支模质量检验高支模的尺寸是否符合设计要求?高支模的表面是否有明显的油污、裂缝或破损?高支模的焊接是否牢固?高支模的防腐涂层是否完好?高支模的撑撑是否垂直?3.3 高支模使用期间的问题及处理高支模使用过程中出现的问题及处理情况:问题1:处理方法:问题2:处理方法:高支模使用期间的质量问题及处理情况:质量问题1:处理方法:质量问题2:处理方法:四、高支模专项验收4.1 高支模施工验收检查高支模的安装、拆除是否符合要求。
检查高支模的支撑、连接是否牢固可靠。
进行高支模的尺寸、外观检查。
检查高支模的附加构件是否配套齐全。
验收结果:合格 / 不合格。
4.2 高支模质量验收检查高支模的尺寸是否符合设计要求。
检查高支模的表面是否有明显的油污、裂缝或破损。
检查高支模的焊接是否牢固。
检查高支模的防腐涂层是否完好。
检查高支模的撑撑是否垂直。
验收结果:合格 / 不合格。
4.3 高支模整改验收验证高支模使用期间出现的问题是否得到及时处理。
验证高支模使用期间的质量问题是否得到合理处理。
验收结果:合格 / 不合格。
五、其他事项高支模的储存及保养情况:高支模的使用记录:以上为对高支模的专项查核表,详细记录了项目基本信息、高支模使用情况、高支模使用质量控制、高支模专项验收以及其他事项。
请相关人员认真填写,并按照要求进行查核、验收和记录。
高支模安全巡查检查记录表[详细]
高支模安全巡查检查记录表
日期:
巡查人:
巡查内容:
巡查结果:
备注:
1. 工地情况
- 工地环境是否整洁、无垃圾堆积,道路是否畅通无阻。
- 施工场地是否规划合理,设施是否齐全,是否存在安全隐患。
2. 高支模搭设
- 搭设是否符合规范、稳定可靠。
- 支撑杆件是否完好无损,是否有松动或变形现象。
- 钢管连接是否牢固,无脱落、断裂等情况。
- 高支模是否存在倾斜、晃动等异常情况。
3. 安全措施
- 工地是否设置了明显的安全标识,如警示牌、安全宣传标语等。
- 工地周边是否设置了警示线或隔离设施,保证工人和过往人
员安全。
- 工人是否穿戴个人防护用品,如安全帽、安全鞋等。
- 是否设置了紧急逃生通道,消防设备是否齐全。
4. 工作流程
- 施工过程是否按照规范操作,操作人员是否持证上岗。
- 使用的工具、设备是否符合安全要求,是否经过维护和检修。
- 施工现场是否存在违章操作行为,是否有未授权人员进入施
工区域。
结论:
综合以上巡查内容,高支模搭设情况良好,安全措施得到落实,未发现安全隐患。
但仍需保持警惕,及时解决存在的问题,确保施
工安全。
高大模板连续监测记录
为保证架体的安全稳固,满足施工使用要求,避免发生超出规范要求的沉降及坍塌事故发生,须对架体进行有效沉降观测,及时进行调整加固。
一、监测频次:
①在模板支撑架搭设过程中和模板安装完毕,进行一次监测;
②钢筋安装完毕后,进行一次监测;
③分别在砼浇筑到60%、80%、100%后,各进行一次监测;
④砼终凝前,进行一次监测;
⑤浇筑完成后观测三天每天观测一次;
⑥第六天观测一次。
二、预警值:
△1预警值为10mm,△2预警值为5mm,△3预警值为8mm,△4预警值为10mm。
三、监测示意图:
高支模监测记录表
工程名称:************************************* 工程部位:*************高支模架部分
监测人员:。
高支模工程安全巡视检查记录表
1. 背景
高支模工程是一个重要的建筑施工过程,为保障施工安全,需要进行定期的巡视检查,及时发现并处理安全隐患。
2. 目的
本巡视检查记录表旨在记录高支模工程的安全巡视情况,以便进一步跟踪和改善工程安全管理。
3. 巡视内容
巡视人员应根据实际情况,对高支模工程进行全面巡视,重点关注以下内容:
- 高支模的稳定性
- 支模的安装是否符合要求
- 模板的质量和使用情况
- 施工现场的安全措施是否到位
4. 巡视记录
5. 结论
通过对高支模工程的安全巡视检查,我们发现部分存在安全隐患,但及时采取了相应的处理措施,确保了工程的安全性。
我们将继续监督并改进工程安全管理,以保障施工过程的顺利进行。
仅供个人参考For personal use onl y in study and r esearch;not for commer cial useT8商务综合楼等7项(A18地块商务综合体项目)超限模架支撑工程安全监测施工方案编制人:审批人:编制单位:北京城建远东建设投资集团有限公司编制时间:2016年11月T8商务综合楼等7项超限模架支撑工程安全监测施工方案一、概述1.1工程概况本项目整体位于北京市亦庄新城路东片区北部Ⅲ-2街区A18地块,东起经海路西侧绿化带、西至经海四路、南起科创五街北侧绿化带、北至科创四街;共由A18C-1、A18C-2两个规划地块组成。
本公司承包范围为A18C-1地块(一期),总建筑面积:72829.8m2,地上42096.8m2,地下30733m2 ,其中包括T8#、T9#办公综合楼;Q5#、Q6#楼商业裙房;地下车库及设备用房。
T8结构形式为框架—核心筒结构;T9结构形式为框架—剪力墙结构;Q5#、Q6#楼结构形式为框架结构。
±0.000相当于绝对标高28.800m。
地库共地下三层,-1层层高5.950米、-2层层高4.000米、-3层层高4.250米。
南北向轴线为T91轴至Q63轴,东西向轴线为1/T8A轴至T9E轴,地库外围尺寸为110米×86.4米。
因T8A轴与南北向轴线未成正交,与正交有6.86o偏差所以地库呈西侧窄东侧宽的梯形。
筏板顶标高为-14.3米,最深基础部分挖深-19.68米。
地下三层结构层高为4.250米板面标高为-10.050米、地下二层结构层高为4.000米板面标高为-6.050米、地下一层结构层高为5.950米板面标高为-0.10米。
T8#楼地上14层,首层6米、二层4米、标准层4米,建筑高度60.000米。
南北向轴线为T81轴至T86轴,东西向轴线为T8A轴至T8F轴,建筑外围尺寸为36.2米×39.765米。
高支模工程质量安全巡视检查记录表
日期: [填写日期]
巡视人: [填写巡视人员姓名]
项目信息
项目名称: [填写项目名称]
施工单位: [填写施工单位]
监理单位: [填写监理单位]
巡视内容
一、高支模搭设情况
- [ ] 高支模搭设牢固、稳定,无变形、倾斜等情况
- [ ] 高支模连接件完好,无松动、脱落等情况
- [ ] 高支模支撑有效,无断裂、折断等情况
二、模板安装情况
- [ ] 模板安装位置准确,与设计要求相符
- [ ] 模板材料完好,无严重变形、破损等情况
- [ ] 模板接口牢固,无松动、漏水等情况
三、混凝土浇筑情况
- [ ] 混凝土浇筑前支模和模板表面清理完毕
- [ ] 混凝土浇筑均匀,无堆积、流失等情况
- [ ] 混凝土浇筑顺序正确,符合设计要求
四、安全措施
- [ ] 施工人员佩戴安全帽、安全鞋等个人防护用品- [ ] 工地周边设置警示标志牌,明确安全区域
- [ ] 施工现场设有合适的通道、防护栏杆等安全设施备注
[在此填写巡视过程中发现的问题、存在的隐患以及处理措施等补充信息]
请巡视人员在完成巡视后签字确认。
巡视人员签字: _______________ 日期: _______________。
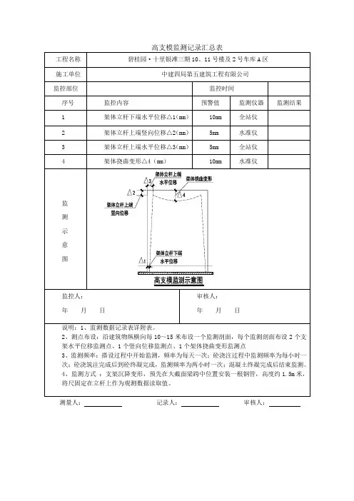
高支模监测记录汇总表
工程名称碧桂园·十里银滩三期10、 11 号楼及2 号车库 A区
施工单位中建四局第五建筑工程有限公司
监控部位监控时间
序号监控内容预警值监测仪器监测结果1架体立杆下端水平位移△1( mm)10mm全站仪
2架体立杆上端竖向位移△2( mm)5mm水准仪
3架体立杆上端水平位移△3( mm)5mm全站仪
4架体挠曲变形△ 4( mm)10mm水准仪
监
测
示
意
图
监控人:审核人:
年月日年月日
说明: 1、监测数据记录表详附表。
2、测点布设:沿建筑物纵横向每 10~ 15 米布设一个监测剖面,每个监测剖面布设 2 个支架水平位
移监测点、 1 个竖向位移监测点、 1 个架体挠曲变形监测点
3、监测频率:搭设过程中开始监测,频率为每天一次;砼浇注过程中监测频率为每小时一次;
砼浇筑注完成后到砼终凝完成,监测频率为两小时一次;混凝土终凝完成后结束监测。
4、监测方式:支架沉降变形,预先在大截面梁跨中位置安装一根钢管,高度约 1.5m 米,
将尺固定在立杆上作为观测数据读取值。
测量人:记录人:审核人:
时间监测值
(mm)监测部位
△1
△2
△3
△4
△1
△2
△3
△4
△1
△2
△3
△4
△1
△2
△3
△4
△1
△2
△3
△4
△1
△2
△3
△4测量人:碧桂园·十里银滩三期10、 11 号楼及 2 号车库 A 区高支模检测记录表天气天气天气天气天气天气天气
记录人:审核人:。