国标热镀锌钢管重量表
- 格式:docx
- 大小:13.54 KB
- 文档页数:1
镀锌管相关资料镀锌钢管尺寸规格表公称口径外径壁厚镀锌管壁黑铁管增加的重量系数MM MM MM 普通钢管加厚钢管6 2 1. 0648 13. 51015202532公称口径外径壁厚镀锌管壁黑铁管增加的重量系数MM MM MM 普通钢管加厚钢管40506580100125150镀锌钢管尺寸规格表说明:W=C×[×(D-S)×S]W--镀锌管每米重量:kg/mC--镀锌管比黑铁管增加的重量系数D--黑铁管的外径S--黑铁管的壁厚镀锌管的分类镀锌钢管分冷镀管、热镀管,前者已被禁用,后者还被国家提倡暂时能用.热镀锌管:热镀锌管是使熔融金属与铁基体反应而产生合金层,从而使基体和镀层二者相结合。
热镀锌是先将钢管进行酸洗,为了去除钢管表面的氧化铁,酸洗后,通过氯化铵或氯化锌水溶液或氯化铵和氯化锌混合水溶液槽中进行清洗,然后送入热浸镀槽中。
热镀锌具有镀层均匀,附着力强,使用寿命长等优点。
冷镀锌管:冷镀锌就是电镀锌,镀锌量很少,只有10-50g/m2,其本身的耐腐蚀性比热镀锌管相差很多。
正规的镀锌管生产厂家,为了保证质量,大多不采用电镀锌(冷镀)。
只有那些规模小、设备陈旧的小企业采用电镀锌,当然他们的价格也相对便宜一些。
目前建设部已正式下文,淘汰技术落后的冷镀锌管,今后不准用冷镀锌管作水、煤气管。
热镀锌钢管:钢管基体与熔融的镀液发生复杂的物理、化学反应,形成耐腐蚀的结构紧密的锌一铁合金层。
合金层与纯锌层、钢管基体融为一体。
故其耐腐蚀能力强。
冷镀锌钢管:锌层是电镀层,锌层与钢管基体独立分层。
锌层较薄,锌层简单附着在钢管基体上,容易脱落。
故其耐腐蚀性能差。
在新建住宅中,禁止使用冷镀锌钢管作为给水管。
镀锌钢管的用途常说的镀锌管,镀锌管的用途现在煤气、暖气用的那种铁管也是镀锌管,镀锌管作为水管,使用几年后,管内产生大量锈垢,流出的黄水不仅污染洁具,而且夹杂着不光滑内壁滋生的细菌,锈蚀造成水中重金属含量过高,严重危害人体的健康。
镀锌管相关资料镀锌钢管尺寸规格表公称口径外径壁厚镀锌管壁黑铁管增加的重量系数MM MMMM普通钢管加厚钢管610.0 21.064 1.059813。
5 2。
751。
056 1.0461017.03.501.0561.04615 21.3 3。
15 1.0471.03920 26。
8 3.40 1.046 1。
03925 33。
54。
25 1.0391。
03232 42.35.151.039 1.032公称口径外径壁厚镀锌管壁黑铁管增加的重量系数MM MMMM 普通钢管加厚钢管40 48.0 4.00 1。
036 1.03050 60。
05.001.036 1.02865 75.55.251.034 1.0288088.54。
25 1.032 1。
027100114。
0 7.001.032 1。
026125 140.0 7.50 1.028 1.023150 165.0 7.50 1.0281.023镀锌钢管尺寸规格表说明:W=C×[0。
02466×(D—S)×S]W-—镀锌管每米重量:kg/mC--镀锌管比黑铁管增加的重量系数D--黑铁管的外径S—-黑铁管的壁厚镀锌管的分类镀锌钢管分冷镀管、热镀管,前者已被禁用,后者还被国家提倡暂时能用.热镀锌管:热镀锌管是使熔融金属与铁基体反应而产生合金层,从而使基体和镀层二者相结合。
热镀锌是先将钢管进行酸洗,为了去除钢管表面的氧化铁,酸洗后,通过氯化铵或氯化锌水溶液或氯化铵和氯化锌混合水溶液槽中进行清洗,然后送入热浸镀槽中。
热镀锌具有镀层均匀,附着力强,使用寿命长等优点。
冷镀锌管:冷镀锌就是电镀锌,镀锌量很少,只有10-50g/m2,其本身的耐腐蚀性比热镀锌管相差很多。
正规的镀锌管生产厂家,为了保证质量,大多不采用电镀锌(冷镀)。
只有那些规模小、设备陈旧的小企业采用电镀锌,当然他们的价格也相对便宜一些。
目前建设部已正式下文,淘汰技术落后的冷镀锌管,今后不准用冷镀锌管作水、煤气管。
镀锌管相关资料(一)镀锌钢管尺寸规格表公称口径外径壁厚镀锌管壁黑铁管增加的重量系数MM MM MM 普通钢管加厚钢管6 10.0 2 1.064 1.0598 13.5 2.75 1.056 1.04610 17.0 3.50 1.0561.04615 21.3 3.15 1.047 1.03920 26.8 3.40 1.046 1.03925 33.5 4.25 1.039 1.03232 42.3 5.15 1.039 1.032公称口径外径壁厚镀锌管壁黑铁管增加的重量系数MM MM MM 普通钢管加厚钢管40 48.0 4.00 1.036 1.03050 60.0 5.00 1.036 1.02865 75.5 5.25 1.034 1.02880 88.5 4.25 1.032 1.027100 114.0 7.00 1.032 1.026125 140.0 7.50 1.028 1.023150 165.0 7.50 1.028 1.023镀锌钢管尺寸规格表说明:W=C×[0.02466×(DS)×S]W镀锌管每米重量:kg/mC镀锌管比黑铁管增加的重量系数D黑铁管的外径S黑铁管的壁厚镀锌管的分类镀锌钢管分冷镀管、热镀管,前者已被禁用,后者还被国家提倡暂时能用. 热镀锌管:热镀锌管是使熔融金属与铁基体反应而产生合金层,从而使基体和镀层二者相结合。
热镀锌是先将钢管进行酸洗,为了去除钢管表面的氧化铁,酸洗后,通过氯化铵或氯化锌水溶液或氯化铵和氯化锌混合水溶液槽中进行清洗,然后送入热浸镀槽中。
热镀锌具有镀层均匀,附着力强,使用寿命长等优点。
冷镀锌管:冷镀锌就是电镀锌,镀锌量很少,只有10-50g/m2,其本身的耐腐蚀性比热镀锌管相差很多。
正规的镀锌管生产厂家,为了保证质量,大多不采用电镀锌(冷镀)。
只有那些规模小、设备陈旧的小企业采用电镀锌,当然他们的价格也相对便宜一些。
镀锌管理论重量表(按GB/T3091—2001标准执行)镀锌管重量计算公式镀锌钢管重量公式:[(外径—壁厚)*壁厚]*0.02466=kg/米(每米的重量)◆焊管普通镀锌焊管1。
2寸重量为3.13kg/m,1。
5寸重量为3。
84kg/m;加厚型镀锌焊管1。
2寸重量为3.78/m,1.5寸重量为4.58kg/m;镀锌钢管理论重量表(标准版)使用说明镀锌钢管理论重量表是一份详尽的技术参考文档,旨在为用户提供镀锌钢管在不同规格下的理论重量信息。
该表格依据GB/T3091—2001标准执行,通过精确的计算公式,确保了数据的准确性和可靠性。
以下是对该表格的详细使用说明。
一、表格结构说明表格主要分为几个关键列,包括规格(公称内径及英寸)、外径(mm)、壁厚(mm)、最小壁厚(mm)以及焊管和镀锌管的米重和根重(kg)。
这些列共同构成了镀锌钢管的详细规格和重量信息。
规格:列出了镀锌钢管的公称内径及其对应的英寸值,这是选择钢管时的重要参考依据。
外径:给出了钢管的实际外径尺寸,单位为毫米(mm)。
壁厚:列出了钢管的标准壁厚和最小壁厚,这也是影响钢管重量和强度的重要因素。
焊管与镀锌管重量:分别列出了焊管和镀锌管在6米定尺长度下的米重和根重,单位为千克(kg)。
这些数据对于采购和施工中的重量计算至关重要。
二、重量计算公式镀锌钢管的重量计算公式为:[(外径—壁厚)*壁厚]*0.02466=kg/米。
这一公式基于钢管的几何特性和材料密度,能够准确计算出每米钢管的重量。
三、使用注意事项规格选择:根据实际需求选择合适的公称内径和壁厚,确保钢管满足使用要求。
重量计算:利用表格中的米重数据或重量计算公式,可以方便地计算出所需钢管的总重量。
标准遵循:本表格依据GB/T3091—2001标准执行,用户在使用过程中应确保所选钢管符合该标准。
数据准确性:表格中的数据经过精确计算,但用户在使用时仍需注意核对,确保数据的准确性。
四、应用场景镀锌钢管理论重量表广泛应用于建筑、水利、交通、石油、化工等领域。
镀锌管相关资料镀锌钢管尺寸规格表公称口径外径壁厚镀锌管壁黑铁管增加的重量系数MM MM MM 普通钢管加厚钢管6 10.0 2 1. 064 1.0598 13. 5 2.75 1.056 1.04610 17.0 3.50 1.056 1.04615 21.3 3.15 1.047 1.03920 26.8 3.40 1.046 1.03925 33.5 4.25 1.039 1.03232 42.3 5.15 1.039 1.032公称口径外径壁厚镀锌管壁黑铁管增加的重量系数MM MM MM 普通钢管加厚钢管40 48.0 4.00 1.036 1.03050 60.0 5.00 1.036 1.02865 75.5 5.25 1.034 1.02880 88.5 4.25 1.032 1.027100 114.0 7.00 1.032 1.026125 140.0 7.50 1.028 1.023150 165.0 7.50 1.028 1.023镀锌钢管尺寸规格表说明:W=C×[0.02466×(D-S)×S]W--镀锌管每米重量:kg/mC--镀锌管比黑铁管增加的重量系数D--黑铁管的外径S--黑铁管的壁厚镀锌管的分类镀锌钢管分冷镀管、热镀管,前者已被禁用,后者还被国家提倡暂时能用.热镀锌管:热镀锌管是使熔融金属与铁基体反应而产生合金层,从而使基体和镀层二者相结合。
热镀锌是先将钢管进行酸洗,为了去除钢管表面的氧化铁,酸洗后,通过氯化铵或氯化锌水溶液或氯化铵和氯化锌混合水溶液槽中进行清洗,然后送入热浸镀槽中。
热镀锌具有镀层均匀,附着力强,使用寿命长等优点。
冷镀锌管:冷镀锌就是电镀锌,镀锌量很少,只有10-50g/m2,其本身的耐腐蚀性比热镀锌管相差很多。
正规的镀锌管生产厂家,为了保证质量,大多不采用电镀锌(冷镀)。
只有那些规模小、设备陈旧的小企业采用电镀锌,当然他们的价格也相对便宜一些。
国标热镀锌钢管规格、尺寸理论重量表(同名11298)镀锌管相关资料6 10.0 2 1. 064 1.0598 13. 5 2.75 1.056 1.04610 17.0 3.50 1.056 1.04615 21.3 3.15 1.047 1.03920 26.8 3.40 1.046 1.03925 33.5 4.25 1.039 1.03232 42.3 5.15 1.039 1.032公称口径外径壁厚镀锌管壁黑铁管增加的重量系数MM MM MM 普通钢管加厚钢管40 48.0 4.00 1.036 1.03050 60.0 5.00 1.036 1.02865 75.5 5.25 1.034 1.02880 88.5 4.25 1.032 1.027 100 114.0 7.00 1.032 1.026 125 140.0 7.50 1.028 1.023 150 165.0 7.50 1.028 1.023镀锌钢管尺寸规格表说明:W=C×[0.02466×(D-S)×S]W--镀锌管每米重量:kg/mC--镀锌管比黑铁管增加的重量系数D--黑铁管的外径S--黑铁管的壁厚镀锌管的分类镀锌钢管分冷镀管、热镀管,前者已被禁用,后者还被国家提倡暂时能用.热镀锌管:热镀锌管是使熔融金属与铁基体反应而产生合金层,从而使基体和镀层二者相结合。
热镀锌是先将钢管进行酸洗,为了去除钢管表面的氧化铁,酸洗后,通过氯化铵或氯化锌水溶液或氯化铵和氯化锌混合水溶液槽中进行清洗,然后送入热浸镀槽中。
热镀锌具有镀层均匀,附着力强,使用寿命长等优点。
冷镀锌管:冷镀锌就是电镀锌,镀锌量很少,只有10-50g/m2,其本身的耐腐蚀性比热镀锌管相差很多。
正规的镀锌管生产厂家,为了保证质量,大多不采用电镀锌(冷镀)。
只有那些规模小、设备陈旧的小企业采用电镀锌,当然他们的价格也相对便宜一些。
目前建设部已正式下文,淘汰技术落后的冷镀锌管,今后不准用冷镀锌管作水、煤气管。
镀锌管相关资料钢管重量计算公式:[(外径-壁厚)*壁厚]*0.02466=kg/米(每米的重量)镀锌钢管尺寸规格表公称口径外径壁厚镀锌管壁黑铁管增加的重量系数MM MM MM 普通钢管加厚钢管6 10.0 2 1. 064 1.0598 13. 5 2.75 1.056 1.04610 17.0 3.50 1.056 1.04615 21.3 3.15 1.047 1.03920 26.8 3.40 1.046 1.03925 33.5 4.25 1.039 1.03232 42.3 5.15 1.039 1.032公称口径外径壁厚镀锌管壁黑铁管增加的重量系数MM MM MM 普通钢管加厚钢管40 48.0 4.00 1.036 1.03050 60.0 5.00 1.036 1.02865 75.5 5.25 1.034 1.02880 88.5 4.25 1.032 1.027100 114.0 7.00 1.032 1.026125 140.0 7.50 1.028 1.023150 165.0 7.50 1.028 1.023镀锌钢管尺寸规格表说明:W=C×[0.02466×(D-S)×S] kg/m镀锌管每米重量: W--C--镀锌管比黑铁管增加的重量系数D--黑铁管的外径S--黑铁管的壁厚镀锌管的分类镀锌钢管分冷镀管、热镀管,前者已被禁用,后者还被国家提倡暂时能用.热镀锌管:热镀锌管是使熔融金属与铁基体反应而产生合金层,从而使基体和镀层二者相结合。
热镀锌是先将钢管进行酸洗,为了去除钢管表面的氧化铁,酸洗后,通过氯化铵或氯化锌水溶液或氯化铵和氯化锌混合水溶液槽中进行清洗,然后送入热浸镀槽中。
热镀锌具有镀层均匀,附着力强,使用寿命长等优点。
冷镀锌管:冷镀锌就是电镀锌,镀锌量很少,只有10-50g/m2,其本身的耐腐蚀性比热镀锌管相差很多。
正规的镀锌管生产厂家,为了保证质量,大多不采用电镀锌(冷镀)。
镀锌管相关资料镀锌钢管尺寸规格表公称口径外径壁厚镀锌管壁黑铁管增加的重量系数MM MM MM 普通钢管加厚钢管6 10.0 2 1. 064 1.0598 13. 5 2.75 1.056 1.04610 17.0 3.50 1.056 1.04615 21.3 3.15 1.047 1.03920 26.8 3.40 1.046 1.03925 33.5 4.25 1.039 1.03232 42.3 5.15 1.039 1.032公称口径外径壁厚镀锌管壁黑铁管增加的重量系数MM MM MM 普通钢管加厚钢管40 48.0 4.00 1.036 1.03050 60.0 5.00 1.036 1.02865 75.5 5.25 1.034 1.02880 88.5 4.25 1.032 1.027100 114.0 7.00 1.032 1.026125 140.0 7.50 1.028 1.023150 165.0 7.50 1.028 1.023镀锌钢管尺寸规格表说明:W=C×[0.02466×(D-S)×S]W--镀锌管每米重量:kg/mC--镀锌管比黑铁管增加的重量系数D--黑铁管的外径S--黑铁管的壁厚镀锌管的分类镀锌钢管分冷镀管、热镀管,前者已被禁用,后者还被国家提倡暂时能用.热镀锌管:热镀锌管是使熔融金属与铁基体反应而产生合金层,从而使基体和镀层二者相结合。
热镀锌是先将钢管进行酸洗,为了去除钢管表面的氧化铁,酸洗后,通过氯化铵或氯化锌水溶液或氯化铵和氯化锌混合水溶液槽中进行清洗,然后送入热浸镀槽中。
热镀锌具有镀层均匀,附着力强,使用寿命长等优点。
冷镀锌管:冷镀锌就是电镀锌,镀锌量很少,只有10-50g/m2,其本身的耐腐蚀性比热镀锌管相差很多。
正规的镀锌管生产厂家,为了保证质量,大多不采用电镀锌(冷镀)。
只有那些规模小、设备旧的小企业采用电镀锌,当然他们的价格也相对便宜一些。
镀锌管相关资料镀锌钢管尺寸规格表公称口径外径壁厚镀锌管壁黑铁管增加得重量系数MMMMMM普通钢管加厚钢管6 10。
0 21、064 1、059 8 13. 5 2。
75 1。
056 1、0461017.03、50 1.056 1、0461521.3 3.15 1.0471、039 2026、8 3。
40 1.046 1.03925 33、5 4。
25 1.039 1.03232 42.35、15 1、0391、032公称口径外径壁厚镀锌管壁黑铁管增加得重量系数MMMMMM 普通钢管加厚钢管4048.04、00 1。
036 1.03050 60、0 5、001、036 1、02865 75。
5 5、25 1.034 1。
02880 88.5 4.25 1.032 1.027100 114。
07.00 1、032 1、026125140、0 7.50 1、0281。
023150165、0 7、50 1。
0281。
023镀锌钢管尺寸规格表说明:W=C×[0。
02466×(D—S)×S]W--镀锌管每米重量:kg/mC--镀锌管比黑铁管增加得重量系数D-—黑铁管得外径S-—黑铁管得壁厚镀锌管得分类镀锌钢管分冷镀管、热镀管,前者已被禁用,后者还被国家提倡暂时能用。
热镀锌管:热镀锌管就是使熔融金属与铁基体反应而产生合金层,从而使基体与镀层二者相结合。
热镀锌就是先将钢管进行酸洗,为了去除钢管表面得氧化铁,酸洗后,通过氯化铵或氯化锌水溶液或氯化铵与氯化锌混合水溶液槽中进行清洗,然后送入热浸镀槽中、热镀锌具有镀层均匀,附着力强,使用寿命长等优点。
冷镀锌管:冷镀锌就就是电镀锌,镀锌量很少,只有10-50g/m2,其本身得耐腐蚀性比热镀锌管相差很多。
正规得镀锌管生产厂家,为了保证质量,大多不采用电镀锌(冷镀)、只有那些规模小、设备陈旧得小企业采用电镀锌,当然她们得价格也相对便宜一些。
目前建设部已正式下文,淘汰技术落后得冷镀锌管,今后不准用冷镀锌管作水、煤气管。
国标热镀锌钢管规格、尺寸、理论重量表英分解释:认为一英寸等于8英分。
其实英制单位里没有英分将1/8英寸叫一分:这其实也源于英分解释1市分约等于3.33毫米Inch:英寸,长度单位,1inch=25.4mm一分=3.33 *1=3.33(一分管约为3.18)四分=3.33*4=13.33 (四分管约为15)六分=3.33*6=20 (六分管约为20)八分=3.33*8=26.6 (一寸管约为25.4)常用镀锌钢管规格表常见PVC塑料管规格表常见pvc塑料管规格表:PVC穿线管 16 20 25 30 40 50 75 90 110PVC排水管 40 50 75 90 110 160 200 250 315 400 500PVC给水管 20 25 32 40 50 63 75 90 110 160 200PVC管(UPVC管)硬聚氯乙烯管,是由聚氯乙烯树脂与稳定剂、润滑剂等配合后用热压法挤压成型,是最早得到开发应用的塑料管材。
UPVC管抗腐蚀能力强、易于粘接、 PVC管PVC管的连接方式主要有密封胶圈、粘接和法兰连接3种。
管径大于等于100毫米的管道一般采用胶圈接口;管径小于100毫米的管道则一般采用粘接接头,也有的采用活接头。
管道在跨越下水道或其他管道时,一般都使用金属管,这时塑料管与金属管采用法兰连接。
阀门前后与管道的连接也都是采用法兰连接。
1.当小口径管道采用溶剂粘接时,须将插口处倒小圆角,以形成坡口,并保证断口平整且垂直轴线,这样才能粘接牢固,避免漏水。
2.一般管径大于等于100毫米的PVC管都采用胶圈接口。
安装前必须安排人员将管子插口部位倒角,还要检查胶圈质量是否合格。
安装时必须将承口、胶圈等擦干净。
3.传统管道安装的管沟开挖只要求能把管道放入管沟和能进行封口即可,在没有松动原有土层时,可不用加压夯实垫层。
4.一般PVC管支管开叉可用三通或立式止水栓开叉。
在施工时可加一个马鞍形配件半个二合三通,并用U形螺栓卡紧,这样就加厚了管壁,然后直接在上面钻孔开牙,再用外螺纹塑料件接出。
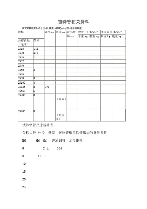
镀锌管相关资料钢管重量计算公式:[(外径-壁厚)*壁厚]*0.02466=kg/米(每米的重量)规格外径mm壁厚mm最小壁厚mm 焊管(6米定尺)镀锌管(6米定尺)米重kg根重kg米重kg根重kg公称内径(毫米)英寸DN151/221.3 2.8 2.45 1.287.68 1.3578.14 DN203/426.9 2.8 2.45 1.669.96 1.7610.56 DN25133.7 3.2 2.8 2.4114.46 2.55415.32 DN32 1.2542.4 3.5 3.06 3.3620.16 3.5621.36 DN40 1.548.3 3.5 3.06 3.8723.22 4.1024.60 DN50260.3 3.8 3.325 5.2931.74 5.60733.64 DN65 2.576.1 4.0 3.57.1142.667.53645.21 DN80388.9 4.08.3850.288.8853.28 DN1004114.3 4.010.8865.2811.5369.18 DN1255140 4.515.0490.2415.94298.65 DN1506168.3 4.518.18109.0819.27115.62 DN2008219.1 6.0(焊管)31.53189.18DN2008219.1 6.5(热镀锌)36.12216.72镀锌钢管尺寸规格表公称口径外径壁厚镀锌管壁黑铁管增加的重量系数MM MM MM普通钢管加厚钢管610.021.064 1.059813.5 2.75 1.056 1.0461017.0 3.50 1.056 1.0461521.3 3.15 1.047 1.0392026.8 3.40 1.046 1.0392533.5 4.25 1.039 1.0323242.3 5.15 1.039 1.032公称口径外径壁厚镀锌管壁黑铁管增加的重量系数MM MM MM普通钢管加厚钢管4048.0 4.00 1.036 1.0305060.0 5.00 1.036 1.0286575.5 5.25 1.034 1.0288088.5 4.25 1.032 1.027100114.07.00 1.032 1.026125140.07.50 1.028 1.023150165.07.50 1.028 1.023镀锌钢管尺寸规格表说明:W=C×[0.02466×(D-S)×S]W--镀锌管每米重量:kg/mC--镀锌管比黑铁管增加的重量系数D--黑铁管的外径S--黑铁管的壁厚镀锌管的分类镀锌钢管分冷镀管、热镀管,前者已被禁用,后者还被国家提倡暂时能用.热镀锌管:热镀锌管是使熔融金属与铁基体反应而产生合金层,从而使基体和镀层二者相结合。
国标热镀锌钢管规格、尺寸理论重量表国标热镀锌钢管规格、尺寸、理论重量表钢管重量计算公式:[(外径-壁厚)*壁厚]*0.02466=kg/米(每米的重量)外径壁厚最小壁厚焊管(6米定尺) 镀锌管(6米定尺)规格mm mm mm 米重kg 根重kg 米重kg 根重kg 公称内径英寸 DN15 1/2 4分21.3 2.8 2.45 1.28 7.68 1.357 8.14 DN20 3/4 6分 26.9 2.8 2.45 1.66 9.96 1.76 10.56 DN25 1 1寸 33.7 3.2 2.8 2.41 14.46 2.554 15.32 DN32 1.25 42.4 3.5 3.06 3.36 20.16 3.56 21.36 DN40 1.5 48.3 3.5 3.06 3.87 23.22 4.1 24.6 DN50 2 60.3 3.8 3.325 5.29 31.74 5.607 33.64 DN65 2.5 76.1 4 3.5 7.11 42.66 7.536 45.21 DN80 3 88.9 4 8.38 50.28 8.88 53.28 DN100 4 114.3 4 10.88 65.28 11.53 69.18 DN125 5 140 4.5 15.04 90.24 15.942 98.65 DN150 6 168.3 4.5 18.18 109.08 19.27 115.62 DN200 8 219.1 6(焊管) 31.53 189.18 DN200 8 219.1 6.5(热镀锌) 36.12 216.72英分解释:认为一英寸等于8英分。
其实英制单位里没有英分将1/8英寸叫一分:这其实也源于英分解释1市分约等于3.33毫米Inch:英寸,长度单位,1inch=25.4mm一分=3.33 *1=3.33(一分管约为3.18)四分=3.33*4=13.33 (四分管约为15)六分=3.33*6=20 (六分管约为20)八分=3.33*8=26.6 (一寸管约为25.4)常用镀锌钢管规格表公称口径外径壁厚镀锌管壁黑铁管、增加的重量系数MM MM MM 普通钢管加厚钢管 6 1分 10.0 2 1.064 1.059 8 2分 13.5 2.75 1.056 1.046 10 3分 17.0 3.50 1.056 1.046 15 4分 21.3 3.15 1.047 1.039 20 6分 26.8 3.40 1.046 1.039 25 1寸 33.5 4.25 1.039 1.032 32 42.3 5.15 1.039 1.032 40 48.0 4.00 1.036 1.030 50 60.0 5.00 1.036 1.028 65 75.5 5.25 1.034 1.028 80 88.5 4.25 1.032 1.027 100 114.0 7.00 1.032 1.026 125 140.0 7.50 1.028 1.023 150 165.0 7.50 1.028 1.023 说明 W=C*[0.02466*(D-S)*S] 镀锌钢管尺寸规格表说明W--镀锌管每米重量:kg/mC--镀锌管比黑铁管增加的重量系数注释D--黑铁管的外径S--黑铁管的壁厚常见PVC塑料管规格表常见pvc塑料管规格表:PVC穿线管 16 20 25 30 40 50 75 90 110PVC排水管 40 50 75 90 110 160 200 250 315 400 500PVC给水管 20 25 32 40 50 63 75 90 110 160 200PVC管(UPVC管) 硬聚氯乙烯管,是由聚氯乙烯树脂与稳定剂、润滑剂等配合后用热压法挤压成型,是最早得到开发应用的塑料管材。
镀锌管相关资料镀锌钢管尺寸规格表公称口径外径壁厚镀锌管壁黑铁管增加的重量系数MM MM MM 普通钢管加厚钢管6 10.0 2 1. 064 1.0598 13. 5 2.75 1.056 1.04610 17.0 3.50 1.056 1.04615 21.3 3.15 1.047 1.03920 26.8 3.40 1.046 1.03925 33.5 4.25 1.039 1.03232 42.3 5.15 1.039 1.032公称口径外径壁厚镀锌管壁黑铁管增加的重量系数MM MM MM 普通钢管加厚钢管40 48.0 4.00 1.036 1.03050 60.0 5.00 1.036 1.02865 75.5 5.25 1.034 1.02880 88.5 4.25 1.032 1.027100 114.0 7.00 1.032 1.026125 140.0 7.50 1.028 1.023150 165.0 7.50 1.028 1.023镀锌钢管尺寸规格表说明:W=C×[0.02466×(D-S)×S]W--镀锌管每米重量:kg/mC--镀锌管比黑铁管增加的重量系数D--黑铁管的外径S--黑铁管的壁厚镀锌管的分类镀锌钢管分冷镀管、热镀管,前者已被禁用,后者还被国家提倡暂时能用.热镀锌管:热镀锌管是使熔融金属与铁基体反应而产生合金层,从而使基体和镀层二者相结合。
热镀锌是先将钢管进行酸洗,为了去除钢管表面的氧化铁,酸洗后,通过氯化铵或氯化锌水溶液或氯化铵和氯化锌混合水溶液槽中进行清洗,然后送入热浸镀槽中。
热镀锌具有镀层均匀,附着力强,使用寿命长等优点。
冷镀锌管:冷镀锌就是电镀锌,镀锌量很少,只有10-50g/m2,其本身的耐腐蚀性比热镀锌管相差很多。
正规的镀锌管生产厂家,为了保证质量,大多不采用电镀锌(冷镀)。
只有那些规模小、设备陈旧的小企业采用电镀锌,当然他们的价格也相对便宜一些。
镀锌管相关资料钢管重量计算公式:[(外径-壁厚)*壁厚]*0.02466=kg/米(每米的重量)镀锌钢管尺寸规格表公称口径外径壁厚镀锌管壁黑铁管增加的重量系数MM MM MM 普通钢管加厚钢管6 10.0 2 1. 064 1.0598 13. 5 2.75 1.056 1.04610 17.0 3.50 1.056 1.04615 21.3 3.15 1.047 1.03920 26.8 3.40 1.046 1.0391.032 1.039 4.25 33.5 2532 42.3 5.15 1.039 1.032公称口径外径壁厚镀锌管壁黑铁管增加的重量系数MM MM MM 普通钢管加厚钢管40 48.0 4.00 1.036 1.03050 60.0 5.00 1.036 1.02865 75.5 5.25 1.034 1.02880 88.5 4.25 1.032 1.027100 114.0 7.00 1.032 1.026125 140.0 7.50 1.028 1.023150 165.0 7.50 1.028 1.023镀锌钢管尺寸规格表说明:W=C×[0.02466×(D-S)×S]W--镀锌管每米重量:kg/mC--镀锌管比黑铁管增加的重量系数D--黑铁管的外径S--黑铁管的壁厚镀锌管的分类镀锌钢管分冷镀管、热镀管,前者已被禁用,后者还被国家提倡暂时能用.热镀锌管:热镀锌管是使熔融金属与铁基体反应而产生合金层,从而使基体和镀层二者相结合。
热镀锌是先将钢管进行酸洗,为了去除钢管表面通过氯化铵或氯化锌水溶液或氯化铵和氯化锌混酸洗后,的氧化铁,合水溶液槽中进行清洗,然后送入热浸镀槽中。
热镀锌具有镀层均匀,附着力强,使用寿命长等优点。
冷镀锌管:冷镀锌就是电镀锌,镀锌量很少,只有10-50g/m2,其本身的耐腐蚀性比热镀锌管相差很多。
正规的镀锌管生产厂家,为了保证质量,大多不采用电镀锌(冷镀)。