材料特性认识.答案
- 格式:ppt
- 大小:467.00 KB
- 文档页数:56
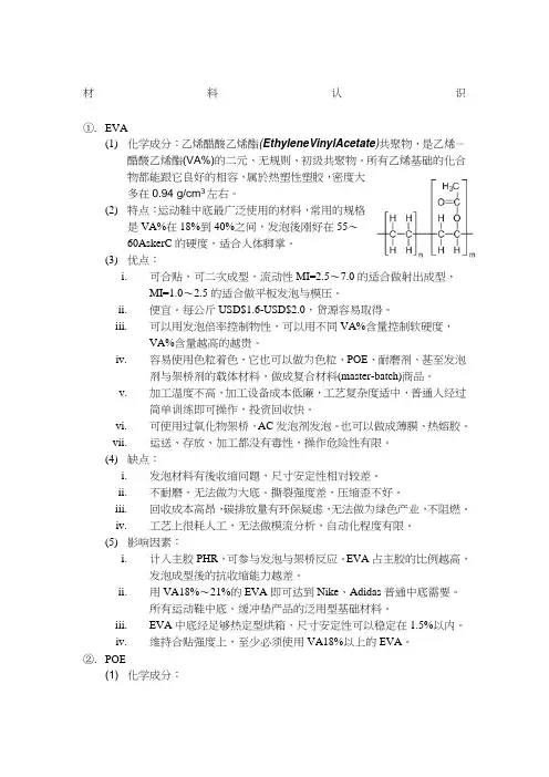
材料认识①.EVA(1)化学成分:乙烯醋酸乙烯酯(EthyleneVinylAcetate)共聚物,是乙烯-醋酸乙烯酯(VA%)的二元、无规则、初级共聚物。
所有乙烯基础的化合物都能跟它良好的相容,属於热塑性塑胶,密度大多在0.94 g/cm3左右。
(2)特点:运动鞋中底最广泛使用的材料,常用的规格是VA%在18%到40%之间,发泡後刚好在55~60AskerC的硬度,适合人体脚掌。
(3)优点:i.可合贴,可二次成型,流动性MI=2.5~7.0的适合做射出成型,MI=1.0~2.5的适合做平板发泡与模压。
ii.便宜。
每公斤USD$1.6-USD$2.0,货源容易取得。
iii.可以用发泡倍率控制物性,可以用不同VA%含量控制软硬度,VA%含量越高的越贵。
iv.容易使用色粒着色,它也可以做为色粒、POE、耐磨剂、甚至发泡剂与架桥剂的载体材料,做成复合材料(master-batch)商品。
v.加工温度不高,加工设备成本低廉,工艺复杂度适中,普通人经过简单训练即可操作,投资回收快。
vi.可使用过氧化物架桥,AC发泡剂发泡。
也可以做成薄膜、热嫆胶。
vii.运送、存放、加工都没有毒性,操作危险性有限。
(4)缺点:i.发泡材料有後收缩问题,尺寸安定性相对较差。
ii.不耐磨,无法做为大底。
撕裂强度差,压缩歪不好。
iii.回收成本高昂,碳排放量有环保疑虑,无法做为绿色产业,不阻燃。
iv.工艺上很耗人工,无法做模流分析,自动化程度有限。
(5)影响因素:i.计入主胶PHR,可参与发泡与架桥反应。
EVA占主胶的比例越高,发泡成型後的抗收缩能力越差。
ii.用VA18%~21%的EVA即可达到Nike、Adidas普通中底需要。
所有运动鞋中底、缓冲垫产品的泛用型基础材料。
iii.EVA中底经足够热定型烘箱,尺寸安定性可以稳定在1.5%以内。
iv.维持合贴强度上,至少必须使用VA18%以上的EVA。
②.POE(1) 化学成分:聚烯烃(PolyOlefin)。
材料表面特性的认识与掌握材料表面特性是指材料表面所呈现出的各种性质和特征。
这些性质和特征对于材料的性能和应用有着非常重要的影响。
因此,认识和掌握材料表面特性是材料科学研究和工程应用中的一项基础工作。
1. 表面形貌特性表面形貌特性是指表面的几何形状和形貌特征。
常用的表征方法有扫描电子显微镜(SEM)观察表面形貌,原子力显微镜(AFM)观察表面纳米级别的形貌。
表面形貌特性对于材料的机械、光学、电学等性能均有着较大的影响。
例如,表面形貌不光整、不平滑,会影响高精密度元件的制造和检测。
2. 表面化学特性表面化学特性是指表面物质所表现出的化学性质和特征。
表征表面化学性质的方法有光电子能谱(XPS)、傅里叶变换红外光谱(FTIR)、表面等离子体共振(SPR)和电化学阻抗谱(EIS)等。
表面化学特性对于材料的化学反应、生物相容性、耐腐蚀性等性能有着很大的影响。
3. 表面机械特性表面机械特性是指表面的硬度、弹性、热膨胀等特性。
表征表面机械特性的方法有纳米压痕、切削力探测等。
表面机械特性对于涉及力学、制造、耐磨性、抗疲劳性等诸多方面性能的材料有着重要影响。
4. 表面粗糙度特性表面粗糙度特性是指表面的平均粗糙度、尺寸分布、粗糙度参数等。
表征表面粗糙度特性的方法有三维形貌检测、干涉仪测量、表面粗糙度分析等。
表面粗糙度特性对于摩擦、磨损、摩擦学、光学等方面的性能有着重要影响。
5. 表面电学特性表面电学特性是指表面的电导率、电阻率、电容率等特性。
表征表面电学特性的方法有阻抗谱、介电谱、电容谱等。
表面电学特性对于电子器件、化学传感器等应用具有重要的影响。
总之,了解和掌握材料表面的形貌、化学、机械、粗糙度、电学等特性,可以为研究和应用提高材料性能、改进工艺和生产提供重要帮助。
因此,加强材料表面特性的研究及其应用将是未来发展的重点。
材料物理性能答案材料的物理性能是指材料在物理方面所表现出来的特性和性能。
它包括了材料的力学性能、热学性能、电学性能、磁学性能等多个方面。
在工程实践中,对材料的物理性能有着非常高的要求,因为这些性能直接关系到材料在使用过程中的稳定性和可靠性。
下面将分别对材料的力学性能、热学性能、电学性能和磁学性能进行详细介绍。
首先,力学性能是材料最基本的性能之一。
它包括了材料的强度、韧性、硬度、塑性等指标。
强度是材料抵抗外部力量破坏的能力,韧性是材料抵抗断裂的能力,硬度是材料抵抗划痕的能力,塑性是材料在外力作用下发生形变的能力。
这些指标直接影响着材料在工程中的使用寿命和安全性。
其次,热学性能是材料在热学方面的表现。
它包括了材料的热膨胀系数、热导率、比热容等指标。
热膨胀系数是材料在温度变化时长度、面积或体积的变化比例,热导率是材料传导热量的能力,比热容是材料单位质量在温度变化时吸收或释放的热量。
这些指标对于材料在高温或低温环境下的稳定性和耐热性有着重要的影响。
再次,电学性能是材料在电学方面的表现。
它包括了材料的导电性、绝缘性、介电常数等指标。
导电性是材料导电的能力,绝缘性是材料阻止电流流动的能力,介电常数是材料在电场中的响应能力。
这些指标对于材料在电子器件、电力设备等方面的应用具有重要的意义。
最后,磁学性能是材料在磁学方面的表现。
它包括了材料的磁化强度、磁导率、矫顽力等指标。
磁化强度是材料在外磁场作用下磁化的能力,磁导率是材料传导磁场的能力,矫顽力是材料磁化和去磁化之间的能量损耗。
这些指标对于材料在电机、变压器等磁性设备中的应用具有重要的作用。
综上所述,材料的物理性能是材料工程中非常重要的一部分。
它直接关系到材料在使用过程中的性能和稳定性,对于材料的选用、设计和应用具有重要的指导意义。
因此,对材料的物理性能进行全面的了解和评价,是材料工程中必不可少的一项工作。
配方法的步骤例题及答案引言在科学研究和工程实践中,我们常常需要进行各种配方法的步骤。
配方法是一种根据一定的条件和限制来确定各种材料或物质之间的适配性和组合性的方法。
在本文中,我们将介绍一个配方法的步骤例题并给出详细的答案。
例题假设我们需要研究一种新材料A和另一种材料B的配方法。
根据已有的条件和限制,我们需要确定两种材料的最佳配方法。
以下是该例题的详细步骤。
步骤一:材料的特性分析在确定配方法之前,首先需要对材料A和材料B的特性进行详细分析。
这包括物理特性、化学特性、机械性能等方面的考虑。
我们可以通过实验和文献研究收集到关于两种材料的特性数据。
步骤二:目标设定根据研究或应用的要求,我们需要设定配方法的具体目标。
在本例中,我们假设目标是寻找材料A和材料B的最佳配比,以获得最优的性能。
步骤三:配方法候选集的确定在这一步骤中,我们将根据材料特性和目标要求,确定可能合适的配方法候选集。
这些候选集可以是基于经验或理论依据得出的,也可以是根据前人的研究或成功案例得出的。
我们需要将这些候选集列举出来,作为进一步筛选和优化的基础。
步骤四:专家意见的获取在确定配方法候选集后,我们可以寻求相关领域的专家意见。
专家可以根据自身的经验和知识,对每个候选集做出评估和建议。
他们的意见将有助于我们排除不合适的配方法,提供优化和改进的方向。
步骤五:数据分析和筛选在前面的步骤中,我们已经收集到了大量的材料特性和专家意见数据。
接下来,我们需要进行数据分析和筛选,以找出最佳的配方法。
通过统计分析、模型评估等方法,我们可以对每个配方法候选集进行量化和比较,从而得出最佳配方法。
步骤六:实验验证和结果评估为了验证最佳配方法的有效性,我们需要进行实验验证。
实验可以通过合成材料、加工制备样品等方式进行。
实验结果将有助于对最佳配方法进行评估和优化。
答案根据上述步骤,我们得出以下答案:1.步骤一:通过实验和文献研究,我们了解到材料A的物理特性包括密度、热导率等,化学特性包括成分、反应性等;材料B的物理特性包括硬度、膨胀系数等,化学特性包括稳定性、溶解性等。
材料科学与工程基础第二章课后习题答案1. 介绍材料科学和工程学的基本概念和发展历程材料科学和工程学是研究材料的组成、结构、性质以及应用的学科。
它涉及了从原子、分子层面到宏观的材料特性的研究和工程应用。
材料科学和工程学的发展历程可以追溯到古代人类使用石器和金属制造工具的时代。
随着时间的推移,人类不断发现并创造出新的材料,例如陶瓷、玻璃和合金等。
工业革命的到来加速了材料科学和工程学的发展,使得煤炭、钢铁和电子材料等新材料得以广泛应用。
2. 分析材料的结构和性能之间的关系材料的结构和性能之间存在着密切的关系。
材料的结构包括原子、晶体和晶界等方面的组成和排列方式。
而材料的性能则反映了材料在特定条件下的机械、热学、电学、光学等方面的性质。
材料的结构直接决定了材料的性能。
例如,金属的结晶结构决定了金属的塑性和导电性。
硬度和导电性等机械和电学性能取决于晶格中原子的排列方式和原子之间的相互作用。
因此,通过对材料的结构进行了解,可以预测和改变材料的性能。
3. 论述材料的性能与应用之间的关系材料的性能决定了材料的应用范围。
不同的材料具有不同的性能特点,在特定的应用领域中会有优势和局限。
例如,金属材料具有良好的导电性和导热性,适用于制造电子器件和散热器件。
聚合物材料具有良好的绝缘性和韧性,适用于制造电线和塑料制品等。
陶瓷材料具有良好的耐高温性和耐腐蚀性,适用于制造航空发动机和化学设备等。
因此,在材料科学和工程学中,对材料性能的研究是为了确定材料的应用和优化材料的性能。
4. 解释与定义材料的特性及其测量方法材料的特性是指材料所具有的特定性质或行为。
它包括了物理、化学、力学、热学、电学等方面的特性。
测量材料的特性需要使用特定的实验方法和设备。
例如,材料的硬度通常可以通过洛氏硬度试验仪或布氏硬度试验仪进行测量。
材料的强度可以通过拉伸试验或压缩试验来测量。
材料的导电性可以通过四探针法或霍尔效应进行测量。
通过测量材料的特性,可以对材料的性能进行评估和比较,并为材料的应用提供参考。
1第二节 金属材料学业要求核心素养对接1.了解合金的含义及特性。
2.认识常见合金的重要应用。
3.掌握物质的量在化学方程式中的应用。
能利用金属的性质、正确选用金属材料,以培养学生创新意识素养水平。
[知 识 梳 理]知识点一 铁合金1.合金(1)定义:由两种或两种以上的金属或金属与非金属熔合而成的具有金属特性的物质。
(2)性质:合金具有许多优良的物理、化学或机械性能,在许多方面不同于各成分金属。
①硬度:合金的硬度一般大于成分金属。
②熔点:合金的熔点多数低于成分金属。
22.铁合金铁碳合金⎩⎪⎨⎪⎧生铁钢合金钢,常见的是不锈钢知识点二 铝和铝合金1.铝与氧化铝的化学性质(1)Al 与O 2的反应:4Al +3O 2===2Al 2O 3。
(2)Al 与盐酸的反应 (实验3-4)2Al +6HCl===2AlCl 3+3H 2↑。
Al 2O 3与盐酸的反应Al 2O 3+6HCl===2AlCl 3+3H 2O(3)Al 与NaOH 溶液的反应 (实验3-5)2Al +2NaOH +2H 2O===2NaAlO 2+3H 2↑。
3Al 2O 3与NaOH 溶液的反应Al 2O 3+2NaOH===2NaAlO 2+H 2O 。
2.两性氧化物像Al 2O 3这类既能与酸反应,生成盐和水,又能与碱反应,生成盐和水的氧化物,叫两性氧化物。
3.铝合金向铝中加入少量合金元素,如Cu 、Mg 、Si 、Mn 、Zn 及稀土元素等,可制成铝合金,例如硬铝。
知识点三 新型合金新型合金⎩⎪⎨⎪⎧储氢合金⎩⎪⎨⎪⎧Ti -Fe 合金La -Ni 合金钛合金耐热合金形状记忆合金知识点四 物质的量在化学方程式计算中的应用1.物质的量与各物理量之间的关系(1)已知物质的质量m :n =mM(2)已知标准状况下气体体积V:n=V V m(3)已知物质的粒子数N:n=NN A(4)已知溶液中的物质的量浓度c:n=cV2.物质的量在化学方程式计算中的应用化学方程式2Na+2H2O===2NaOH+H2↑化学计量数之比2∶2∶2∶1扩大N A倍之后2N A∶2N A∶2N A∶N A物质的量之比2__mol∶2__mol∶2__mol∶1__mol结论化学方程式中各物质的化学计量数之比=各物质的粒子数之比=各物质的物质的量之比(1)合金一定是不同金属熔合而成的具有金属特性的化合物。
青岛版科学五年级上册第五单元《材料的性能》测试卷一、选择题1.下列物品不是由塑料制成的是()。
A.鼠标外壳B.饮料瓶C.易拉罐2.下列是利用材料漂浮能力的物品是()。
A.轮船B.泡沫救生圈C.保温杯3.下列材料中,属于漂浮材料的是()。
A.石头B.铁C.泡沫D.陶瓷4.下列材料中,不能浮在水面的是()。
A.木块B.塑料块C.玻璃块5.下列物品属于导热性比较强的是()。
A.塑料勺B.铁勺C.木勺D.瓷勺6.下面哪些现象是利用了材料的导热性?()A.快递海鲜,加冰块,用泡沫箱密封B.用陶瓷材料制作茶杯C.骑摩托车戴手套D.夏天吹风扇7.下列最容易导热的金属是()。
A.银B.铜C.铝D.铁8.救生圈的材料必须具备下列特点中的()。
A.漂浮能力B.不导电C.不导热D.硬度高9.厨房用的爆炒锅锅体适合选择下列材料中的()。
A.玻璃B.铁C.石头10.有人落水,想要救他,可以扔给他可以利用的东西。
以下哪种可以选择?()A.粗木棍B.衣服C.纸板11.䁔气片运用了材料的什么性能?()A.导热性B.保温性C.漂浮能力12.下面的做法有助于保温的是()。
A.电动机外壳用金属材料制成多片状B.冬季人们穿上棉衣或羽绒服C.电视机的后壳上制有许多小孔13.冬天,园林工人要给树穿上“外衣”是为了()。
A.美观B.舒适C.保温14.下列现象主要运用了材料的保温性的是()。
A.救生圈B.炒勺C.棉被15.下列现象不是运用了材料的导热性的是()。
A.䁔气片B.大棚保温C.烧水壶二、填空题16.自然状态下,有些材料在水中具有滑浮能力,而且它们的漂浮能力与形状无关。
这样的材料是( )。
17.不同材料的导热性是不一样的。
一般( )材料的导热性比较强。
18.保温的原理,其实是利用导热性很差的材料起到阻隔( )的散失。
19.不同的材料,保温效果有差别,金属比木头的保温性( )。
20.棉被和棉衣里有棉花,棉花的导热性差,而且棉花的缝隙里充满了( ),它不容易导热。
材料科学导论单选题1.材料的性质是在元器件或设备实现预期的使用性能而得到利用的。
即材料的使用性能取决于( B )。
A材料的组成B材料的基本性能C材料的结构D材料的合成与加工工艺2. 钢铁、有色金属、玻璃、陶瓷、高分子材料等的原材料多数来自( D )、为矿物资源,形成于亿万年之前,是不可再生的资源。
因此,在材料生产中必须节省资源、节约能源、回收再生。
A. 工业B农业C材料加工行业D采掘工业3. 高分子材料、金属材料和无机非金属材料,不论其形状大小如何,其宏观性能都是由( B )。
A它的化学成分所决定的B其化学组成和组织结构决定的C其加工工艺过程所决定的D其使用环境所决定的4. 腐蚀一旦发生,材料或制品就会( D );所以腐蚀是材料设计和选择时不得不考虑的重要因素。
A大受影响B性能显著下降C服务寿命缩短D以上所有5. 晶体的宏观形貌可以是(D )。
A.一维的B二维的C三维的D上述所有6. 范德华键是永远存在于分子间或分子内非键结合的力,是一种(A )。
A相互吸引的力B相互排斥的力C具有决定性的力D非常强烈的键合方式7. 空间技术的发展对材料提出了愈来愈高的要求,石油化工、能源开发等方面的反应装置、热交换器、核燃料,要求材料的(D )也日益严格。
A.耐高温性B耐腐蚀性C耐磨性C以上所有8. 高性能的材料如果( C )不高就等于低性能。
A材料耐磨性B有用性C可靠性D安全性9. 材料的制备技术和成型加工技术是一个国家经济发达程度的标志之一。
这是因为最终体现材料作用的是其制品的(D ),材料只有经过各种成型加工手段,形成最终产品(制品),才能体现其功能和价值。
A品种B数量C质量D以上所有10. 社会因素主要是( D )。
这些问题与材料有关,有时往往会否决对材料的选择。
这是材料选择的最后阶段应考虑的。
A环境问题B地理条件问题C气候条件D环境问题和政策问题11. 在重视环境因素的潮流中,人们提出了的(B )理念。
题目1.单选题01.在我国,一般建筑工程的材料费用要占到总投资的()A. 50%~60%B. 80%~90%C. 10%~20%D. 20%~30%【答案】:50%~60%题目2.单选题02.材料的孔隙状态应属于材料的()A. 物理性质B. 耐久性C. 力学性质D. 化学性质【答案】:物理性质题目3.单选题03.下列各种材料的构造属于纤维状的是()A. 木材B. 钢材C. 玻璃D. 混凝体【答案】:木材题目4.单选题04.孔隙按其连通性可以分为()A. 连通孔、毛细孔、封闭孔B. 粗大孔、毛细孔、极细微孔C. 连通孔、封闭孔、半连通孔D. 连通孔、粗大孔、毛细孔【答案】:连通孔、封闭孔、半连通孔题目5.单选题05.材料的密实体积V,自然体积V0及堆积体积V1 三者的大小关系是( ) A. V≥V1≥V0B. V0≥V1≥VC. V≥V0≥V1D. V1≥V0≥V【答案】:V1≥V0≥V题目6.单选题06.散粒材料的堆积体积内,颗粒之间的空隙体积所占的比例称为()A. 空隙率B. 填充率C. 孔隙率D. 密实度【答案】:空隙率题目7.单选题07.粉状、颗粒状或纤维状材料在堆积状态下单位体积的质量称为()A. 堆积密度B. 表观密度C. 密实度D. 密度【答案】:堆积密度题目8.单选题08.质量为M的湿砂,吸水率为w,其中水的质量为()A. .B.C.D.【答案】:D.题目9.单选题09.材料在吸水饱和状态下,抵抗多次冻融循环,不破坏、强度也不显著降低的性质指的是()A. 抗冻性B. 抗渗性C. 吸水性D. 耐水性【答案】:抗冻性题目10.单选题10.材料受热时吸收热量,冷却时放出热量的性质称为()A. 热容B. 耐燃性C. 导热性D. 耐火性【答案】:热容题目11.单选题11.在冲击、震动荷载作用下,材料可吸收较大的能量产生一定的变形而不破坏的性质称为()A. 强度B. 耐磨性C. 韧性D. 硬度【答案】:韧性题目12.单选题12.材料的厚度加大则材料的导热系数( )A. 不确定B. 不变C. 加大D. 减小【答案】:不确定题目13.单选题13.按岩石的成因分类,自然界的岩石可以分为()A. 岩浆岩、大理岩、石灰岩B. 岩浆岩、沉积岩、变质岩C. 花岗岩、大理岩、石灰岩D. 石灰岩、沉积岩、花岗岩【答案】:岩浆岩、沉积岩、变质岩题目14.单选题14.花岗岩中的主要矿物成分是()A. 白云母B. 长石C. 方解石D. 石英【答案】:长石题目15.单选题15.下列各组胶凝材料均是气硬性胶凝材料的是()A. 石灰、水泥、石膏B. 石灰、石膏、水玻璃C. 石膏、水泥、水玻璃D. 石灰、水泥、水玻璃【答案】:石灰、石膏、水玻璃题目16.单选题16.石灰浆的硬化包括干燥硬化、结晶硬化、碳酸化硬化,其中,对硬度增长其主导作用的是()A. 以上都不是B. 结晶硬化C. 碳酸化硬化D. 干燥硬化【答案】:结晶硬化题目17.单选题17.建筑石膏的主要成份是()A. 硫酸钙B. 硫酸钠C. 碳酸钙D. 碳酸钠【答案】:硫酸钙题目18.单选题18.建筑石膏凝结硬化时,最主要的特点是()A. 体积收缩大B. 体积膨胀大C. 放出大量的热D. 凝结硬化快【答案】:凝结硬化快题目19.单选题19.水玻璃在空气中与CO2发生反应,生成的物质是()A. 氢氧化钙B. 水化铁酸钙C. 碳酸钙D. 硅胶【答案】:碳酸钙题目20.单选题20.过火石灰产生的原因是()A. 煅烧温度过低、煅烧时间过长B. 煅烧温度过低、煅烧时间过短C. 煅烧温度过高、煅烧时间过短D. 煅烧温度过高、煅烧时间过长【答案】:煅烧温度过高、煅烧时间过长题目21.判断题01..材料化学组成的不同是造成其性能各异的主要原因对错【答案】:对题目22.判断题02..一般来说,材料的亲水性越强,孔隙率越小,连通的毛细孔隙越多,其吸水率越小。
材料的特性有哪些
材料是构成万物的基础,不同的材料具有不同的特性。
材料的特性包括物理特性、化学特性和机械特性等方面。
下面我们将从这几个方面来详细介绍材料的特性。
首先,我们来谈谈材料的物理特性。
物理特性是指材料在不改变其化学成分的
情况下所表现出来的特性。
比如材料的密度、热导率、电导率、磁性等。
不同的材料具有不同的物理特性,这些特性直接影响着材料的使用。
比如金属材料通常具有良好的导电性和导热性,而塑料材料则通常具有较低的密度和绝缘性能。
其次,我们来谈谈材料的化学特性。
化学特性是指材料在与其他物质发生化学
反应时所表现出来的特性。
比如材料的腐蚀性、稳定性、化学惰性等。
不同的材料在不同的环境中会表现出不同的化学特性,这些特性直接影响着材料的耐久性和稳定性。
比如金属材料通常具有较好的耐腐蚀性,而一些有机材料则容易受到化学物质的侵蚀。
最后,我们来谈谈材料的机械特性。
机械特性是指材料在受力作用下所表现出
来的特性。
比如材料的强度、硬度、韧性、塑性等。
不同的材料具有不同的机械特性,这些特性直接影响着材料的承载能力和变形能力。
比如金属材料通常具有较高的强度和硬度,而塑料材料则通常具有较好的韧性和塑性。
综上所述,材料的特性包括物理特性、化学特性和机械特性等多个方面。
这些
特性直接影响着材料的使用性能和适用范围。
因此,在选择材料时,需要充分考虑材料的特性,以确保所选材料能够满足实际需求。
同时,也需要在材料的设计、加工和应用过程中充分考虑材料的特性,以确保材料能够发挥最大的作用。
2014设计材料及加工工艺期末总结第一章概论1.产品造型设计的三个要素及相互关系。
产品设计的三要素:产品的功能、产品的形态、材料与工艺功能与形态建立在材料与工艺基础上,各种材料的的特性因加工特性不同而体现出不同的材质美,从而影响产品造型设计。
2.材料的特性有哪些?固有特性:物理特性:(1)物理性能:密度、硬度(2)(力学)机械性能:强度、弹性和塑性、脆性和韧性、刚度、耐磨性等(3)热性能:导热性、耐热性、热胀性、耐燃性、耐火性(4)电性能:导电性、电绝缘性(5)磁性能:铁磁性、顺磁性、抗磁性(6)光性能:对光的反射、折射、透射化学特性:(1)抗氧化性(2)耐腐蚀性(3)耐候性派生特性:(1)加工特性(2)感觉特性(3)环境特性(4)经济性第二章材料的工艺特性1 什么是材料的工艺性?材料适应各种工艺处理要求的能力。
材料的工艺性包括成型加工工艺、连接工艺、表面处理工艺2 材料成型加工工艺的选择。
(1)去除成形(减法成形)在坯料成形过程中,将多余部分去除而获得所需形态,如车削、铣削、刨削、磨削等。
(2)堆积成形(加法成形)通过原料堆积获得所需形态。
如铸造、焙烧、压制、注射成型。
(3)塑性成形坯料在成形过程中不发生重量变化,只有形状的变化,如弯曲、压制、压延等。
3 材料表面处理的目的、工艺类型及选择。
表面处理的目的:(1)保护产品(2) 赋予产品一定的感觉特性工艺类型及选择A 表面精加工工艺技术:研磨、抛光、喷砂、蚀刻效果:平滑、光亮、肌理B 表面层改质工艺技术:化学处理、阳极氧化效果:特定的色彩、光泽C 表面被覆技术:镀层、涂层(PVD、CVD)、珐琅、表面覆贴效果:覆盖产品材料,表面呈现覆贴材料的效果。
4 快速成型的原理及特点,了解几种快速成型技术。
快速成型的原理:是基于离散、堆积原理而实现快速加工原型或零件的加工技术。
过程:1)利用计算机辅助设计(CAD)技术,建立零件的三维模型;2)对该三维(3D)模型进行分层离散处理,将三维模型数据变成二维(2D)平面数据。
生活中有哪些常见的合金制品?它们含有哪些金属?根据它们的什么特性选择这样应用的呢?(如保险丝是武德合金,含铅、铋、锡、镉,利用了它熔点低的特性)课外拓展:生铁和钢的主要区别是含碳量不同,含碳量越高,钢的硬度越大,含碳量越低,钢的韧性越好。
归纳总结:(1)合金的形成条件:其中任一金属的熔点不能高于另一金属的沸点(当两种金属形成合金时)。
(2)合金具有许多良好的物理、化学或机械性能。
合金的硬度一般比各成分金属大,多数合金的熔点低于组成它的成分的金属。
调整合金的配方和改变合金的形成条件,可以制成性能不同的各种合金。
课堂析疑解难教材习题解答练习与应用(P8)2.(1)不正确。
地壳中含量最高的金属元素是铝。
(2)不正确。
钢是含有少量碳及其他金属或非金属的合金。
(3)正确。
3.1元硬币是用钢芯镀镍制造,5角硬币是用钢芯镀铜合金制造,1角硬币用铝合金或不锈钢制造。
这些合金具有硬度大,耐磨性好,抗腐蚀性好,密度小,熔点较高,色泽美观易加工等性质。
4.(1)不锈钢:硬度大、耐腐蚀。
(2)锰钢:韧性好、硬度大。
(3)铜合金或铁合金:强度高、可塑性强、易加工、耐腐蚀。
(4)锰钢:韧性好、强度大。
6.解:0.013g CO2中C元素质量=0.013 g×12/44×100%≈0.0035g。
此钢样中碳的质量分数=0.0035g/1.1g×100%≈0.32%。
答:此钢样中碳的质量分数约为0.32%。
难题解答【例1】(知识点1)下列是关于“合金”的叙述:①合金中至少含有两种金属;②合金中元素以化合物的形式存在;③合金中一定含有金属元素;④合金一定为混合物;⑤合金依然具有金属特性。
其中正确的是()A.④B.①②③C.③④D.③④⑤【解析】判断合金要抓住四点:①合金中的成分不一定全部是金属元素,也可有非金属元素,但必须含有金属元素,②合金中的元素均以单质形式存在,③合金是含金属的混合物;④合金一定具有金属特性。
第二章材料科学与工程的四个基本要素作业一第一部分填空题(10个空共10分,每空一分)1.材料科学与工程有四个基本要素,它们分别是:使用性能、材料的性质、结构与成份和合成与加工。
2.材料性质的表述包括力学性质、物理性质和化学性质。
3.强度可以用弹性极限、屈服强度和比例极限等来表征。
4.结构材料三类主要的失效形式分别是:断裂、磨损和腐蚀。
5.材料的结构包括键合结构、晶体结构和组织结构。
6.晶体结构有三种形式,它们分别是:晶体、非晶体和准晶体。
7.化学分析、物理分析和谱学分析是材料成分分析的三种基本方法。
8.材料的强韧化手段主要有固溶强化、加工强化、弥散强化、第二相强化和相变增韧。
第二部分判断题(10题共20分,每题2分)1.材料性质是功能特性和效用的描述符,是材料对电、磁、光、热、机械载荷的反应。
(√)2.疲劳强度是材料抵抗交变应力作用下断裂破坏的能力。
(√)3.硬度是指材料在表面上的大体积内抵抗变形或破裂的能力。
(错)4.性能是包括材料在内的整个系统特征的体现;性质则是材料本身特征的体现。
(√)5.晶体是指原子排列短程有序,有周期。
(错)6.材料的热处理是指通过一定的加热、保温、冷却工艺过程,来改变材料的相组成情况,达到改变材料性能的方法。
(√)7.材料表面工程包括表面改性和表面保护两个方面。
(错)8.材料复合的过程就是材料制备、改性、加工的统一过程。
(√)9.材料合成与加工过程是在一个不限定的空间,在给定的条件下进行的。
(错)10.材料中裂纹的形成和扩展的研究是微观断裂力学的核心问题。
(√)第三部分简答题(4题共40分,每题10分)1.材料性能的定义是什么?答:在某种环境或条件作用下,为描述材料的行为或结果,按照特定的规范所获得的表征参量。
2.金属材料的尺寸减小到一定值时,材料的工程强度值不再恒定,而是迅速增大,原因有哪两点?答:1)按统计学原理计算单位面积上的位错缺陷数目,由于截面减小而不能满足大样本空间时,这个数值不再恒定;2)晶体结构越来越接近无缺陷理想晶体,强度值也就越接近于理论强度值。
-、单选题l、材料中的间隙溶质元素含量增加,则材料的韧脆转化温度()。
A. 先降低后升高B. 降低C. 升高D. 不变正确答案:C2、顺丁橡胶的分子链上没有取代基团丁苯胶有庞大的侧苯基所以顺丁橡胶的内耗()丁苯橡胶。
A. 小于B.大于C. 不大于D. 等于正确答案:A3、顺丁橡胶的分子链上没有取代基团丁苯胶有庞大的侧苯基所以顺丁橡胶的内耗()丁苯橡胶。
A. 小于B. 大于D. 不大于正确答案:A4、真应变总是()工程应变。
A. 小于B.不大于C. 大于D. 等于正确答案:A5、对于陶瓷材料而言压缩弹性模量往往()拉伸弹性模量。
A. 小于或等于B. 等于C. 大于D.小于正确答案:C6、在颈缩开始时,真应变在数值上()应变强化指数。
A¥B. <C. >D=正确答案:D7、材料组织越不均匀,滞弹性越明显。
经滓火或塑性变形后,滞弹A. 增大B. 无规则变化C. 先增大后减小D. 减小正确答案:A8、以下材料强化手段中,能提高材料屈服强度同时不降低材料塑性的方法为()。
A. 形变强化B. 细晶强化C. 固溶强化D. 第二相强化正确答案:B9、对于冷成形用材料而言总是希望获得尽量大的均匀塑形变形量,从这个角度来说此时材料的加工硬化指数就应该()。
A. 大B. 小C. 无所谓D. 适中10、桥式起重梁在使用时为避免挠度偏大,在起吊重物时引起振动应该有足够的()。
A. 屈服强度B. 抗拉强度C. 刚度D. 塑性正确答案:C11、材料在工程使用中,随着构件截面尺寸的增加,其断裂韧性逐渐(),最终趋于一个稳定值。
A. 减小B. 先增大后减小C. 先减小后增大D. 增大正确答案:A12、容器纵向裂纹在内压力下的扩展,属于哪种开裂方式()。
A. 撕开型B. 张开型C. 滑开型D. 复合型13、设计或使用机器的原则力求()磨合期()稳定磨损期,()剧烈磨损到来。
A. 缩短、推迟、延长B. 延长、缩短、推迟C. 延长、推迟、缩短D. 缩短、延长、推迟正确答案:D14、sec的宏观形貌包括:脆性断裂,时有少量塑性撕裂痕迹;裂纹)的裂纹源最为危险,是引起sec的原源有多个,其中(因A. 与外加拉应力呈45°角B. 无法判断C. 与外加拉应力方向垂直D. 与外加拉应力方向平行正确答案:C二、多选题l、交流磁场下磁损耗主要包括哪些?A. 涡流损耗B. 磁化损耗C. 磁滞损耗D.剩余损耗正确答案:A、C、D2、以下属千解理断口基本微观特征的是()和()。
工程材料实验报告答案实验目的,通过对不同工程材料的实验研究,掌握材料的基本性能和特点,为工程实践提供科学依据。
一、实验材料。
本次实验选取了金属材料、聚合物材料和复合材料作为研究对象,具体包括铝合金、聚乙烯和玻璃纤维增强复合材料。
二、实验内容。
1. 金属材料实验。
首先对铝合金进行拉伸实验,测量其材料的抗拉强度、屈服强度和延伸率。
实验结果显示,铝合金具有较高的强度和硬度,但延展性较差,适用于对强度要求较高的工程领域。
2. 聚合物材料实验。
接着对聚乙烯进行冲击实验,测试其冲击强度和韧性。
实验结果表明,聚乙烯具有较高的冲击强度和韧性,适用于对冲击负荷较大的工程应用中。
3. 复合材料实验。
最后对玻璃纤维增强复合材料进行热膨胀实验,研究其在高温下的热膨胀性能。
实验结果显示,玻璃纤维增强复合材料具有较低的热膨胀系数,适用于高温环境下的工程应用。
三、实验结论。
通过本次实验,我们得出了以下结论:1. 不同工程材料具有不同的性能特点,适用于不同的工程领域。
2. 金属材料具有较高的强度和硬度,适用于对强度要求较高的工程领域。
3. 聚合物材料具有较高的冲击强度和韧性,适用于对冲击负荷较大的工程应用中。
4. 复合材料具有较低的热膨胀系数,适用于高温环境下的工程应用。
四、实验建议。
根据以上实验结论,我们提出以下建议:1. 在工程设计中,应根据实际需求选择合适的材料,以确保工程质量和安全性。
2. 在材料的使用过程中,应注意合理控制温度和冲击负荷,以避免材料性能的失效。
3. 在工程实践中,应加强对不同材料性能的了解和研究,以不断提高工程材料的应用效率和性能。
五、实验总结。
通过本次实验,我们深入了解了不同工程材料的性能特点和应用范围,为工程实践提供了科学依据。
同时,我们也意识到工程材料的选择和应用对工程质量和安全性具有重要影响,需要在实践中加以重视和研究。
六、参考文献。
[1] 王明. 工程材料学[M]. 北京,高等教育出版社, 2018.[2] 张涛. 材料力学与工程应用[M]. 北京,科学出版社, 2017.[3] 李华. 工程材料实验指南[M]. 上海,上海科学技术出版社, 2019.以上就是本次工程材料实验的报告答案,希望对大家有所帮助。
四、新材料及其应用答案:(1)10-9(2)0.1~100 nm (3)体积(4)环境(5)温度1.纳米材料(1)纳米(nm):纳米是一种长度的单位,1 nm=10-9m,是个非常小的单位,一般分子直径约为0.3~0.4 nm,蛋白质分子约为几十纳米。
纳米尺度一般指0.1~100 nm。
“纳米尺度”与分子、原子尺度相近,即纳米科学可以实现操纵原子、分子,所以不仅可以改变物质的很多性质,也可以制造出微小尺度的设备。
(2)纳米材料纳米材料统指制成材料的基本单元大小限制在1~100 nm范围的材料。
这大约相当于10~100个分子紧密排列在一起的尺度。
此时,它们的物理性质或化学性能与较大尺度时相比,发生了异常的变化。
(3)纳米材料的特性纳米材料除基本单元尺度小以外,在力、热、声、光、电、磁等性质发生了变化,而且有了辐射、吸收、催化、吸附等许多特殊的性能,如可以大大提高材料的强度和硬度,降低烧结温度,提高材料的磁性等。
(4)纳米材料被应用到实际中有着神奇的效果:①洗衣机桶的表面上用纳米尺度的氧化硅微粒和金属离子组合,就具有抑制细菌生长的功能。
②陶瓷易碎,而纳米陶瓷则既刚又韧,可以用来制作发动机零件;纳米纤维既不沾水又不沾油。
③用纳米技术做成的量子磁盘,每平方厘米面积内可以贮存3万部《红楼梦》。
④用纳米材料制成的导线将大大提高计算机的性能,并缩小计算机芯片的体积等。
【例1-1】下列说法中正确的是()A.一般分子的直径大于1 nmB.纳米科学技术是纳米尺度即1 nm的科学技术C.可以用纳米技术武装洗衣机,防止细菌滋生D.纳米技术可以使陶瓷的硬度更大,但无法增大其韧性A×一般分子的直径约为0.3~0.4 nmB×纳米科学技术是指纳米尺度(0.1~100 nm)内的科学技术C√洗衣机桶的表面上用纳米尺度的氧化硅微粒和金属离子组合,就具有抑制细菌生长的功能D×纳米陶瓷既刚又韧,可以用来制作发动机零件辨误区纳米材料与纳米技术纳米是一个长度单位,即1 nm是1 m的十亿分之一,纳米技术是一种科技,而纳米材料是在纳米技术前提下研究出的高科技材料,两者不能混淆。
材料物理性能课后答案材料物理性能是指材料在外部作用下所表现出的物理特性,包括力学性能、热学性能、电学性能、磁学性能等。
了解材料的物理性能对于材料的选用、设计和应用具有重要意义。
下面是一些关于材料物理性能的课后答案,希望能对大家的学习有所帮助。
1. 什么是材料的力学性能?材料的力学性能是指材料在外力作用下所表现出的性能,包括抗拉强度、屈服强度、弹性模量、硬度等。
这些性能直接影响着材料的承载能力和使用寿命。
2. 为什么要了解材料的热学性能?材料的热学性能是指材料在温度变化下的性能表现,包括热膨胀系数、导热系数、比热容等。
了解材料的热学性能可以帮助我们选择合适的材料用于高温或低温环境,确保材料的稳定性和可靠性。
3. 材料的电学性能有哪些重要指标?材料的电学性能包括介电常数、电导率、击穿电压等指标。
这些性能直接影响着材料在电子器件中的应用,对于电子材料的选用和设计具有重要意义。
4. 什么是材料的磁学性能?材料的磁学性能是指材料在外磁场作用下的性能表现,包括磁化强度、磁导率、矫顽力等。
了解材料的磁学性能可以帮助我们选择合适的材料用于磁性材料和磁性器件的制备。
5. 如何评价材料的物理性能综合指标?材料的物理性能综合指标是综合考虑材料的力学性能、热学性能、电学性能、磁学性能等多个方面的性能指标,通过综合评价来确定材料的适用范围和性能等级。
这些综合指标可以帮助我们更好地了解材料的综合性能,为材料的选用和设计提供参考依据。
总结,了解材料的物理性能对于材料的选用、设计和应用具有重要意义,希望以上答案可以帮助大家更好地理解和掌握材料的物理性能知识。
对于材料物理性能的学习,需要多加练习和实践,才能真正掌握其中的精髓。
祝大家学习进步!。