工作闸门安装方法示范文本
- 格式:docx
- 大小:25.13 KB
- 文档页数:5
资料范本本资料为word版本,可以直接编辑和打印,感谢您的下载工作闸门安装施工方案地点:__________________时间:__________________说明:本资料适用于约定双方经过谈判,协商而共同承认,共同遵守的责任与义务,仅供参考,文档可直接下载或修改,不需要的部分可直接删除,使用时请详细阅读内容汉北河新沟二线船闸工作闸门安装施工方案审批:校核:编制:中国水电八局有限公司汉北河新沟二线船闸工程金属结构制作与安装项目部2017年12月目录TOC \* MERGEFORMAT 一、概述 PAGEREF _Toc4518 1二、编制依据 PAGEREF _Toc3926 2三、工作闸门安装方案 PAGEREF _Toc19345 33.1工作闸门安装工艺流程:见如下工艺流程图 PAGEREF _Toc17326 33.2 安装准备 PAGEREF _Toc11998 53.2.1底坎复测及测量放样 PAGEREF _Toc9448 53.2.2底枢、顶枢基础复测及处理 PAGEREF _Toc17768 53.3底枢、顶枢及端柱安装 PAGEREF _Toc8129 53.3.1底枢安装 PAGEREF _Toc21020 53.3.2顶枢安装 PAGEREF _Toc22535 63.3.3端柱安装 PAGEREF _Toc3008 63.3.4顶底枢同心度检查调整 PAGEREF _Toc2773 73.4工作闸门门叶及钢架安装 PAGEREF _Toc16072 73.4.1钢架组拼 PAGEREF _Toc20361 73.4.2底节门叶及钢架安装 PAGEREF _Toc5867 73.4.3中节门叶及支臂安装 PAGEREF _Toc5511 83.4.4顶节门叶安装 PAGEREF _Toc5724 93.5门叶及钢架的焊接及防腐处理 PAGEREF _Toc27918 93.5.1焊接方法与工艺措施 PAGEREF _Toc12244 93.5.2焊接的技术要求 PAGEREF _Toc23457 103.5.3焊接环境与焊接施工安全措施 PAGEREF _Toc25033 113.5.4涂装施工 PAGEREF _Toc16599 123.6水封安装 PAGEREF _Toc25737 12四、工作闸门吊装方案 PAGEREF _Toc13968 124.1底节吊装方案(以下闸首工作门为例) PAGEREF _Toc18967 13 4.1.1底节吊装吊车布置 PAGEREF _Toc28636 134.1.2钢丝绳选用: PAGEREF _Toc9718 154.2下闸首顶节吊装 PAGEREF _Toc29721 174.2.1顶节吊装吊车布置 PAGEREF _Toc17483 174.2.2钢丝绳选用: PAGEREF _Toc16408 18五、计划安排 PAGEREF _Toc29427 19六、资源配置 PAGEREF _Toc25927 206.1施工主要设备、工器具配置 PAGEREF _Toc13453 206.2劳动力配置 PAGEREF _Toc16168 21七、质量保证措施 PAGEREF _Toc13442 227.1质量控制遵循原则 PAGEREF _Toc22952 227.2质量控制点 PAGEREF _Toc19594 22八、安全保证措施 PAGEREF _Toc14100 238.1安全生产保证体系框 PAGEREF _Toc12113 238.2 安全组织机构 PAGEREF _Toc23225 248.3应该遵循原则 PAGEREF _Toc10520 248.4安全工作重点: PAGEREF _Toc25965 258.5一般安全措施 PAGEREF _Toc11911 268.6用电安全措施 PAGEREF _Toc15262 268.7施工机具使用安全措施 PAGEREF _Toc29464 288.8防机械伤害安全措施 PAGEREF _Toc10392 288.9吊装安全措施 PAGEREF _Toc19389 298.10高空作业 PAGEREF _Toc20758 308.11物体打击 PAGEREF _Toc1953 318.12安全应急预案 PAGEREF _Toc5993 328.12.1危险源分析 PAGEREF _Toc30793 328.12.2安全事故应急救援组织机构的职能和职责 PAGEREF _Toc26031 328.12.3施工现场安全事故紧急情况的处理程序和措施 PAGEREF_Toc27483 368.12.4成立由项目经理任队长的应急救援小分队 PAGEREF _Toc14068 378.12.5应急救援通讯联系 PAGEREF _Toc11203 38汉北河新沟二线船闸工程工作闸门(三角门)安装施工方案一、概述船闸上下游工作闸门为对开式两扇三角闸门,闸室通航净宽16米,受双向水头作用。
本工程为某小区电闸门安装工程,包括小区门口的电闸门、地下车库的电闸门以及住宅楼楼道的电闸门。
工程地点位于XX市XX区,工程总造价为XX万元。
本工程由XX建筑公司负责施工,施工期限为XX个月。
二、施工准备1. 施工图纸及资料:熟悉施工图纸,了解工程结构、尺寸、材料、设备等信息。
2. 材料设备:电闸门、电机、控制系统、电缆、配电箱、支架等。
3. 人员配备:项目经理、施工员、电工、焊工、安装工等。
4. 施工工具:扳手、螺丝刀、电焊机、切割机、水平尺、线坠等。
三、施工工艺1. 施工测量:根据设计图纸,进行现场测量,确定电闸门的安装位置。
2. 预埋地脚螺栓:根据测量结果,在电闸门安装位置预埋地脚螺栓,确保地脚螺栓的位置准确。
3. 安装支架:将支架安装在预埋地脚螺栓上,确保支架水平、垂直,并与地脚螺栓连接牢固。
4. 安装电闸门:将电闸门安装在支架上,调整电闸门的位置,使其与地面平行。
5. 连接电机:将电机与电闸门连接,确保连接牢固。
6. 连接控制系统:将控制系统与电机连接,确保控制系统正常工作。
7. 电缆敷设:将电缆从配电箱引出,沿支架敷设至电闸门处,确保电缆敷设整齐、安全。
8. 电线连接:将电缆与电机、控制系统等设备连接,确保连接牢固、可靠。
9. 试运行:对电闸门进行试运行,检查电闸门、电机、控制系统等设备是否正常工作。
四、质量控制1. 施工过程中,严格按照施工图纸和规范要求进行施工。
2. 施工材料、设备必须符合国家相关标准和规定。
3. 施工过程中,严格控制施工质量,确保电闸门安装牢固、可靠。
4. 施工过程中,加强施工人员的质量意识,确保施工质量。
五、安全措施1. 施工现场设置安全警示标志,提醒施工人员注意安全。
2. 施工过程中,严格遵守安全操作规程,确保施工人员的人身安全。
3. 施工现场配备必要的安全防护用品,如安全帽、安全带、防护眼镜等。
4. 施工过程中,加强施工现场的消防管理,确保消防安全。
六、施工进度安排1. 施工准备:第1周。
工作闸门安装方法1、闸门现场拼装应严格控制焊接变形:(1)从事现场安装焊缝的焊工,必须持有有效的合格证书;(2)无损检测人员必须持有国家专业部门签发的资格证书,评定焊缝质量应由Ⅱ级或Ⅱ级以上的检测人员担任;(3)每批焊接材料都必须具有产品质量证明书和使用说明书,并进行抽样检验;(4)所有焊缝的外观检查、无损探伤都要按照《水利水电工程钢闸门制造安装及验收规范》(DL/T5018-94)的规定进行。
焊缝无损探伤的抽查率,除符合上述规范规定外,还必须遵照监理的指定,抽查容易发生缺陷的部位;(5)施工过程中,必须按照监理指示,以有效消除焊接应力。
2、安装支铰座,用葫芦将铰座吊起对准预埋螺栓,先留出四孔螺孔(上、下、左、右各一个)不要拧紧,检查铰底座与底盘之间间隙,调整好铰座的位置,最后再拧紧四孔螺栓,铰座安装后,严格检查两铰座的同轴度,相互调整达到规范要求。
3、门叶下半节吊入门槽,在支臂拼装前用拉链葫芦将下半节固定。
4、将支臂吊入门槽先连接铰轴,再通过连接螺栓与门叶连接,左右两只支臂都安装后,检查安装尺寸,等尺寸合格后再进行焊接。
5、在下半节门叶与支臂安装焊接完毕后,用上方设置的两个临时吊点将上半节吊起,对准下半节落下,用背水面设置的临时吊点,调整前后方向,上吊点调整上下方向,上、下半节完全吻合后,先用分段时的临时螺栓固定,复查安装尺寸,等合格后再进行最后组装焊接,焊接尽量避免仰焊,难于避免时,应由具备相应资格的焊工施焊。
6、闸门安装完毕后,拆除安装用的临时焊件,修整好焊缝,清除埋件表面和门叶上的所有杂物,在各转动部位按施工图纸要求灌注润滑脂。
7、待启闭机安装调试后,对闸门进行调整,在无水条件下,做全行程启闭试验,检查支铰转动情况,做到启闭过程平稳无卡阻、水封胶皮无损伤。
调试过程中,必须对水封橡皮与不锈钢水封底板的接触面采用清水冲淋润滑以防损坏水封橡皮。
在闸门全关位置,水封橡皮无损伤,漏光检查合格,止水严密,有条件时做动水启闭试验。
工作闸门安装方法工作闸门是一种用于限制人员进出的控制设备,广泛应用于工业厂房、商业大楼、办公场所等场合。
正确安装工作闸门不仅可以提高安全性,还能提高工作效率。
本文将详细介绍工作闸门的安装方法。
一、安装前准备1. 确定安装点:首先需要根据实际需求确定工作闸门的安装点,一般建议选择通行量较大的出入口,并确保周围环境空旷。
2. 考虑安装环境:在安装前需要考虑安装环境的特点,例如有无遮挡物、有无附近设备干扰等因素。
同时,还需要考虑工作闸门的通行方向,确保安装位置合理。
3. 测量尺寸:在安装前需要对安装位置进行尺寸测量,确定工作闸门的尺寸大小。
尺寸测量需要考虑通道宽度、高度、深度等因素。
4. 安装准备:安装工作闸门需要准备相关工具和材料,例如螺丝扳手、墙根螺杆、膨胀螺栓、焊接设备等。
同时,还需要按照工作闸门的安装要求,准备好相应的安装零件。
二、安装步骤1. 固定支架:首先需要将工作闸门的支架固定在安装位置上,可以使用螺丝扳手将支架底部的螺丝紧固在地面上。
确保支架固定牢固,不会晃动。
2. 接线连接:将工作闸门的电源线与控制箱连接,确保接线无误。
同时,还需要将控制箱的高低电压开关调节到合适的位置,以适应工作闸门所需的电压。
3. 安装闸门翼板:将工作闸门翼板装在支架上,根据实际需要确定所需的翼板数量。
在安装翼板时需要注意翼板的顺序,确保翼板的安装方向正确。
4. 调整翼板间距:调整翼板之间的间距,以保证通行的顺畅。
翼板之间的间距可以根据实际需求进行调整,一般建议保持适当宽度,以便人员和物品通过。
5. 调试工作:在安装完成后,需要对工作闸门进行调试。
确保工作闸门能够正常运行、开合自如,检查各个部件是否安装正确。
6. 进行维护和保养:安装完成后,需要定期对工作闸门进行维护和保养。
例如清洁闸门内部、检查闸门各个部件是否有松动等情况。
三、注意事项1. 安全措施:在安装工作闸门时,需要遵守相关的安全规范。
例如,对于高度较高的闸门,应使用安全设备,确保安装过程中不会发生意外。
工作闸门安装方法范本工作闸门是现代企事业单位必备的安全设施,它能够有效管理人员出入,确保工作区域的安全性。
工作闸门安装方法的范本如下:第一节:准备工作安装工作闸门前,首先需要进行一些准备工作。
1.确定安装位置:根据实际需要和管理要求,确定工作闸门的安装位置。
一般来说,工作闸门应设置在出入口通道的适当位置,便于人员进出和监控。
2.测量尺寸:在确定好位置后,使用尺子或测量工具进行准确测量,确定工作闸门的长度、宽度和高度等尺寸。
3.准备工具和材料:根据尺寸要求和安装位置,准备好所需的工具和材料,如螺丝刀、螺丝扳手、螺栓、螺母等。
第二节:安装工作闸门主体在完成准备工作后,可以开始安装工作闸门主体。
1.安装门框:根据测量的尺寸,确定好门框的位置,并固定好门框的下部。
门框的固定可以使用螺丝扳手固定螺栓和螺母。
2.安装门扇:将门扇放置在门框上,固定好门扇和门框之间的连接。
可以使用螺丝刀或螺丝扳手固定门扇的螺丝。
3.安装门锁:根据管理要求和安全需要,选择适合的门锁,并将其安装在门扇上。
门锁的安装可以根据具体的锁具说明进行操作。
第三节:安装工作闸门配件安装工作闸门主体后,可以进行配件的安装。
1.安装感应器:根据实际需要,安装相应的感应器,如红外线感应器或指纹识别器等。
感应器的安装可以根据具体的说明进行操作。
2.安装锁具:根据管理要求和安全需要,选择适合的锁具,并将其安装在门扇上。
锁具的安装可以根据具体的锁具说明进行操作。
3.连接电源:如果工作闸门需要连接电源,可以根据电源线的位置和电源插座的要求,连接好电源线,并接通电源。
第四节:调试和测试安装完成后,需要进行调试和测试。
1.检查门扇和门框的连接是否牢固,如果有松动,需要重新固定。
2.测试感应器和锁具是否正常工作,可以用卡片或指纹进行测试。
3.测试工作闸门的开启和关闭速度,调整合适的开启和关闭时间。
第五节:安全注意事项安装工作闸门需要注意以下安全事项。
1.安装时请佩戴安全帽和手套,防止受伤。
工作闸门安装方法工作闸门是一种常用于工业、商业和公共场所的门禁设备,它能够控制人员出入场所,维护安全和秩序。
安装工作闸门时需要根据实际情况进行调整和设置,同时还要考虑到安全性和美观性。
下面将介绍工作闸门的安装方法,帮助您正确安装工作闸门。
一、准备工作1. 首先,需要根据场地的实际情况选择合适的工作闸门。
通常有三种类型的工作闸门,包括三辊闸、翼闸和摆闸。
根据场地的大小和使用需求选择相应的类型。
2. 确定好工作闸门的安装位置和数量。
根据场地规划和人流量,在需要控制的出入口处确定合适的位置,并确定需要安装的闸门数量。
3. 确定好电源供应。
工作闸门需要外部电源供电,所以需要确定好电源位置和电源线的布置。
4. 确保安装所需的工具和材料齐全,包括电钻、螺丝刀、螺丝、电线等。
二、安装固定底座1. 首先,根据工作闸门的尺寸和形状,在安装位置打好预留孔。
2. 使用电钻和螺丝刀,将固定底座固定在预留孔中。
确保底座与地面完全贴合,固定牢固。
三、安装闸门框架1. 将闸门框架的上部分与底座连接。
根据实际情况,选择合适的连接方式,如螺丝、焊接等。
2. 根据闸门框架的设计,将闸门框架的两侧立柱固定在地面或墙壁上。
使用螺丝将立柱固定在底座和墙壁上,确保立柱平稳牢固。
四、连接闸门翼板1. 根据实际需要,连接工作闸门的翼板。
根据闸门框架的设计,将翼板与框架连接。
根据类型和数量选择合适的连接方式,如螺丝、焊接等。
2. 确保翼板与框架的连接紧密无缝,不得有松动和变形。
五、安装感应器和控制器1. 安装感应器和控制器。
感应器用于感应人员的到来和离开,控制器用于控制闸门的开启和关闭。
2. 根据实际需要,选择合适的安装位置和方式,如嵌入墙壁或安装在闸门框架上。
利用电钻在墙壁上打孔或使用螺丝将感应器和控制器固定在合适的位置上。
3. 连接感应器和控制器与工作闸门,确保连接稳固可靠。
六、连接电源1. 将工作闸门的电源线连接到外部电源。
根据实际情况选择合适的供电方式,如直接插座供电或安装配电箱后供电。
钢制闸门的安装和操作使用说明1. 简介钢制闸门是一种用于水利工程、雨水收集与排放等方面的设备,紧要由钢材制成,可以有效防止液体、气体或固体流动。
本文将介绍钢制闸门的安装和操作使用说明,以确保设备的正常运行和安全使用。
2. 安装2.1 准备工作在安装钢制闸门之前,需要进行以下准备工作:•确定钢制闸门的安装位置和数量;•确定安装钢制闸门所需的空间和设备负载;•配置好所需的工具和装备,包括电钻、螺丝刀、扳手等。
2.2 安装步骤1.清理好工作区域并选择合适的支架或支架件,将其安装到所需位置;2.确认钢制闸门的上下游方向并标记;3.将钢制闸门垂直于管道或水槽传送轴安装,固定好;4.确保钢制闸门的开启和关闭操作受到掌控并保持快捷。
2.3 验证在安装好钢制闸门后,需要验证它的运行情况和防止闸门故障。
方法如下:1.检查钢制闸门的安装位置是否合适并防止阀门漏水;2.对钢制闸门进行全面检查,确保器具正确安装,避开异物堵塞和泄漏的情况;3.手动摇摆闸门,并进行细小气力调整。
3. 操作使用说明3.1 常规维护钢制闸门是一种易于维护的设备。
在使用过程中,应适时进行检查和维护和修理。
以下是常规的维护步骤:1.检查钢制闸门的密封性能,是否有泄漏、异物或堵塞的异常现象;2.定期清理钢制闸门,确保杂物未进入、厚度均匀、色泽统一、外观乾净;3.在气候潮湿或受到腐蚀的情况下,应定期进行防腐处理。
3.2 操作流程钢制闸门的操作特别简单。
只需要依照以下步骤来进行使用:1.将闸门推入关闭状态;2.打开管道或水槽的掌控系统;3.将闸门推入开放状态;4.关闭掌控系统,即可完成操作。
特别提示:务必在操作闸门之前,确保掌控系统正常运行。
4. 安全防范在使用钢制闸门时,需要注意一些安全事项。
如下:1.防止触电:在安装和操作时,避开触电,可以在操作时保证安全;2.避开受伤:在安装和操作过程中,加强安全意识,防止受伤;3.防止误操作:在使用过程中,遵守使用规定,防止误操作;4.警示标志:在适当的位置,加添警示标志,提示人们谨慎操作。
(二)闸门安装1、施工工艺流程:施工准备→闸门轨道安装→二期砼浇筑→养护→闸门拼装→闸门安装→调试→验收。
2、安装方法(1)闸门安装闸门拼装好以后,运到施工现场准备吊装,根据现场具体情况采用适当吨位的汽车吊或组立抱杆作为起吊设备,吊装以前清除门槽内的杂物,和清净门轨上的混凝土并用润滑液浸湿门轨和闸门止水橡皮,检查闸门配装件是否牢固,轮子是否机动灵活无卡阻,该加油的地方加好油;注意保护好门体锌层,吊点部位垫上橡皮及木块,用汽车起重机吊起闸门沿门槽缓缓放下,放在底部。
(2)闸门试验1)闸门静平衡试验:将闸门吊离地面100mm通过滚轮或滑道上的中心,测量上、下游与左右方向的倾斜,一般平面闸门的倾斜不应超过门高的 1/1000且不大于8.0mm,当超过规范规定时应予配重。
2)闸门启闭及密封检查,闸门安装好以后应在无水情况下作全行程启闭试验,检查升降是否自如,有无卡阻现象,闸门处于工作状态时用灯光检查。
(3)闸门门体质量要求:止水橡皮顶面平整度不大于2mm。
止水橡皮与滑轮的距离允许偏差+2-1mm。
反向滑块至滚轮距离允许偏差±2 mm。
两侧止水中心距离和顶止水至底止水边缘距离允许偏差±3 mm。
(4)预埋件埋设1)闸门附属设施埋件的埋设安装工作内容包括埋件的短途运输、安装、检验、施工期的维护以及参加设备制造厂的出厂验收工作。
2)闸门埋件的安装方法a、进口检修钢闸门门槽埋件的形式为垂直轨道,安装顺序为先安装底槛,再由下而上逐个安装轨道。
b、混凝土表面凿毛是安装埋件的首道工序,当土建工程具备安装条件时,即安排一、二期混凝土结合面的凿毛处理工作。
c、门槽一期混凝土表面凿毛处理后,把门槽内的杂物清理干净。
根据土建部门提供的门槽中心线和孔口中心线定出底槛中心对门槽中心和孔口中心,根据图纸设计要求,定出底槛高程。
吊入底槛,找正中心、水平后加固,监理验收合格后浇筑二期混凝土。
d、待底槛安装结束后,根据底槛中心与主、反轨和侧轨的关系定出主、反轨和侧轨的垂直中心线,并把已定出的中心线平移一段距离。
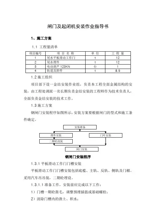
闸门及起闭机安装作业指导书1、施工方案1.1 工程量清单1.2施工组织项目部下设一金结安装作业组,负责本工程全部金属结构的安装,由工程处调派一名长期负责金结安装的工程师作为技术负责人,全面负责金结安装的技术工作。
1.3施工方案钢闸门安装程序如图所示,安装方案要根据闸门的型式和施工条件确定。
钢闸门安装程序1.3.1平板滑动工作门门槽安装平板滑动工作门门槽安装包括底槛、主轨、反轨、侧轨及门楣。
采用汽车吊吊装,二期砼埋设。
1.3.1.1准备工作,安装前应完成以下工作:1)门槽一期砼凿毛,调整预埋插筋或基础螺栓;2)清除门槽内的渣土、积水;3)设置孔口中心、高程及里程测量控制点,用红铅油标示;4)搭设脚手架及安全防护措施;5)清理埋件堆放场地;6)布置电焊机、起吊设施和作业室;7)配合吊装用的锚栓应在一期砼浇筑时预埋;1.3.1.2劳动力及安装工器具配备见表1、表2表1 单位:人注:1、门槽安装人数按两侧主轨(或反轨)同时安装,一般作业考虑。
2、电焊工为执证上岗人员。
表2 单位:台注:空压机和起吊设备利用工地现场已有设备,汽车吊无法吊装时,增加两台卷扬机。
1.3.1.3工期埋件安装工期的主要内容有螺栓调整、埋件就位、调整、固定、检查、验收、接头焊接、磨平、复测等。
其安装工期见表3:表3安装总工期大约为28天。
1.3.1.4对土建的要求1)预留二期混凝土断面尺寸,应使安装后的埋件与一期混凝土之间预留不小于200mm的净空。
2)预留基础锚栓直径应大于φ16mm,伸出混凝土面150~200mm,间距不大于500mm。
3)二期混凝土立模时不得拆除加固钢筋,在加固钢筋上不得任意加焊或支撑。
埋件如有较大碰撞要复测检查。
4)二期混凝土应及时浇筑,浇筑时应分段进料,振捣密实,并及时清理粘接与表面的砂浆。
5)二期混凝土拆模后应检查门槽断面尺寸,割除门槽内所有露出的钢筋,清理门槽内粘接的灰浆及杂物。
1.3.2工作闸门安装1.3.2.1埋件安装A安装前应具备的条件1)门叶组装完成,检查合格,门槽复测合格,记录齐全,门槽内杂物及钢筋头等清理干净。
工作闸门安装方法随着工业化进程的不断推进,许多企业的生产车间需要安装工作闸门来进行区域隔离和人员管理。
在安装工作闸门的过程中,需要注意的问题比较多。
本文将从安装准备、安装步骤、安装注意事项等几个方面进行详细介绍,希望能对您的工作有所帮助。
一、安装准备在进行工作闸门的安装之前,需要准备一些必要的工具和材料,例如电钻、螺丝刀、扳手、螺丝、膨胀螺栓、支架、角铁等。
其次,需要根据实际情况购买相应规格的工作闸门,并对其进行检查,确保没有缺陷或破损。
最后,需要对安装现场进行评估,确定最佳安装方案。
二、安装步骤1.测量位置和大小:首先需要确定工作闸门的尺寸和位置。
一般来说,工作闸门的高度应该在1.8米左右,宽度应根据通行人员和设备的尺寸而定。
在测量位置之前,要对要安装地面的材质进行评估,并确保可以安装支架。
2.固定支架:固定托架或法兰支架(也称U形支架)是安装工作闸门的重要组成部分。
支架的数量应根据工作闸门的尺寸而定。
在固定支架之前,需要用电钻预先钻好所有螺丝孔,并将膨胀螺栓放入孔中。
将支架和角铁一起用螺丝拧紧。
3.安装工作闸门:将工作闸门放置在支架上,并用螺丝固定住,确保工作闸门的位置正确。
在固定螺丝时需要注意力度,确保力度适当,不能太松或太紧。
三、安装注意事项1.安装时要保持水平:工作闸门在固定支架时需要保持水平,如果安装不稳定会影响工作环境和闸门的使用寿命。
2.选择适当的工作闸门:在选择工作闸门时需要考虑通行的人员和设备的尺寸,以及双向或单向的通行要求。
3.避免封闭危险区域:在安装工作闸门时需要避免封闭危险区域,确保人员和设备的安全。
4.维护管理:在使用工作闸门时,要注意定期进行维护和管理,及时修整和更换损坏的零部件。
总之,安装工作闸门需要细致认真,做好安装准备工作,严格按照安装步骤操作,同时遵守安装注意事项。
只有这样才能确保工作闸门的安全、可靠、使用寿命长,为企业提供良好的工作环境和安全保障。
闸门安装方案1.1、安装前准备工作1.安装前应详细。
认真、熟悉地阅读有关技术文件、图纸及相关规范, 对安装尺寸、接合面间隙、允许误差做到心中有数。
1.2、2、考察现场, 充分利用现场有利条件, 对安装顺序有明确的思路。
1.3、3、所有闸门必须整体安装, 不得将闸板与门框解体安装, 首先用汽车吊将闸板吊上平板车, 用平板车将闸板运到指定位置旁边, 然后再用吊车将闸板吊至池上, 地上铺上枕木, 在枕木上铺两条槽钢, 用万向轮将闸板运到安装井;用大型人字架及卷扬机将闸板吊起, 缓慢放下井, 然后在起吊螺杆孔处横放一条长钢管, 挂上钢丝绳, 使用(双吊点两个)手动葫芦, 将闸板逐渐拉到安装位置。
1.4、基本安装过程1.将地脚螺栓孔焊在预埋钢板上, 或打出钢筋头, 或打穿螺栓预留孔, 在对面焊上一条∠80×6角钢, 以固定地脚螺栓。
1.5、2、将闸板框按上述方法吊至安装位置, 确保闸门安装方向正确,用手动葫芦初调闸门框位置, 将地脚螺栓穿入, 并与预埋钢板或钢筋头、角钢加钢筋焊接起来, 并将墙体与闸门用地脚螺栓固定。
1.6、3、固定好地脚螺栓后, 用枕木或简易钢架在下面支撑好闸门,松下手动葫芦, 换上丝吊杆, 连接丝吊杆与闸板狂的销孔。
并装上启闭机。
1.7、安装技术要求1.门框和启闭机的安装精度偏差不得超过下表规定的允许值。
2.闸门密封面应进行泄漏试验, 其渗水量不应大于1.25L/(min.m), 不允许出现泄漏现象。
3、闸门框与土建结合部分不应有渗水现象, 否则需尽心补漏。
4、闸门(闸槽)的安装轴线与土建预留孔口(渠道)轴线同轴, 闸门安装位置相对于设计轴线以及安装高程相对与设计标高的偏差应小于±5mm。
启闭机平台高程相对与设计安装高程的偏差不应大于±3mm, 水平偏差不大于0.5/1000。
门框和启闭机的安装精度偏差允许值5.门框底槽、侧槽的水平度和垂直度不大于1/1000, 启闭机传动螺杆应垂直, 门板吊耳中心应位于同一垂线, 其垂直度偏差在全长内不大于1/1000。
工作闸门安装方法工作闸门是现代化工业安全防范工作场地的必备物品之一。
其安装方法决定了它的安全性和稳定性。
下面将介绍工作闸门的安装方法。
一、安装前的准备工作1.测量门口尺寸,确保选购到尺寸合适的闸门;2.准备好所有安装所需的工具和材料;3.查看电源是否接通并确认工作电压是否正确;4.安装位置周围要有充足的空间,以方便施工;5.注意安装位置地面平整不松动,以确保下方固定牢靠。
二、安装闸门框架1.使用膨胀螺栓固定门框到安装位置;2.将门框底部放平,调整水平状态,并进行角度测量;3.使用固定夹紧螺栓将门框固定在地面。
三、安装移门1.检查闸门是否完好,确认所有配件是否完善;2.将闸门移至门框前,确认移门是否能够与门框完全接触;3.在闸门上标识出中心线,以便确定固定位置。
四、固定闸门1.将两个支撑座固定在地面上,并与移门折叠叉相适应;2.在门框和支撑座上预置好安装位置;3.将闸门的固定耳与支撑座上的安装位置对接,使用螺栓固定贴紧。
五、靠墙固定1.考虑到风的影响对门的稳定,可以使用角铁或托架尽可能靠近固定点;2.使用膨胀螺栓将角铁或托架固定在墙上;3.使用螺栓将移门上的固定位置与角铁或托架上的固定位置相对应,使移门与固定角度相符。
六、进行调试1.关闭闸门并检查是否能够完全封闭关紧;2.打开闸门并检查障碍物是否不受影响地通过移门;3.检查闸门的滑轮是否能顺畅地滚动。
以上是工作闸门的安装方法。
在安装时,需要严格按照操作步骤进行,确保固定稳定,使用安全。
如若需要,建议联系工作闸门的厂家来安装,以确保设备的安全使用和长寿命。
一、工程概况1. 工程名称:XX项目闸井闸门安装工程2. 工程地点:XX市XX区XX路XX号3. 工程规模:XX座闸井,XX扇闸门4. 工程期限:XX天5. 工程质量要求:达到国家相关质量标准二、施工准备1. 人员准备:组织一支专业、经验丰富的施工队伍,包括施工队长、技术员、电工、焊工、起重工等。
2. 材料准备:确保闸门、埋件、螺栓、焊条等材料符合设计要求,并进行质量检验。
3. 设备准备:准备足够的起重设备、电动工具、测量仪器等施工设备。
4. 施工图纸:熟悉施工图纸,明确闸门安装的技术要求和施工工艺。
三、施工工艺1. 闸门及埋件安装(1)在闸井内预埋好螺栓,根据图纸要求调整螺栓位置,确保闸门安装时准确对位。
(2)将闸门吊装至预埋螺栓位置,调整闸门与预埋螺栓的垂直度,使闸门与闸井内壁间隙均匀。
(3)利用螺栓将闸门固定在预埋螺栓上,确保闸门安装牢固。
(4)对闸门安装精度进行复测,如有偏差,进行调整。
2. 闸门启闭机安装(1)将启闭机吊装至闸门上方,调整启闭机与闸门的垂直度。
(2)连接启闭机与闸门的连接杆,确保连接牢固。
(3)检查启闭机运行是否顺畅,如有异常,进行调整。
3. 电气系统安装(1)根据设计要求,安装电缆、控制箱等电气设备。
(2)连接电缆,确保电缆连接牢固、无破损。
(3)对电气系统进行调试,确保启闭机、闸门等设备运行正常。
四、施工质量控制1. 材料质量控制:确保所有材料符合设计要求,并进行质量检验。
2. 施工过程质量控制:严格按照施工工艺进行施工,确保施工质量。
3. 安装精度控制:对闸门安装精度进行复测,如有偏差,进行调整。
4. 电气系统质量控制:对电气系统进行调试,确保设备运行正常。
五、施工安全措施1. 施工现场设置警示标志,确保施工安全。
2. 施工人员必须佩戴安全帽、安全带等防护用品。
3. 起重作业严格按照操作规程进行,确保起重安全。
4. 电气作业严格按照操作规程进行,防止触电事故。
六、施工进度安排1. 施工准备:2天2. 闸门及埋件安装:3天3. 闸门启闭机安装:1天4. 电气系统安装:1天5. 系统调试:1天6. 工程验收:1天总计:10天本施工方案仅供参考,具体施工过程应根据实际情况进行调整。
钢闸门的安装与调试主要施工方法1、闸门埋件安装(1)埋件安装工艺流程:埋件安装工艺流程图(2)底槛和门槽凿毛、清理利用浇筑闸墩时架设的脚手架将底槛和门槽二期砼浇筑部位凿毛并清理干净,凿毛后将插筋调直。
(3)底槛安装底槛安装前,将搭焊筋、连接板底槛腹板、肋板焊接,再与一期砼的预埋插筋按设计要求焊接,焊接后,根据底槛的腹板、肋板的位置相应调整搭焊筋的位置。
安装前,按设计要求将待拼接的底槛焊接部位打坡口。
底槛用人工抬运就位。
底槛焊接后人工进行精确调整底槛安装位置。
底槛的位置调整准确后,用钢筋与底槛肋板和一期预埋插筋焊牢。
(4)底槛二期砼浇筑底槛安装就位后,开始浇筑底槛二期砼。
砼浇筑时,注意振捣棒不要碰到底槛及其它埋件,底槛下的砼从腹板处向两边浇筑,并用钢筋插捣使砼密实。
砼浇筑后,在底槛部位的上方搭设防护设施。
(5)主反轨拼接拼接场地设在上游铺盖上。
拼接前,首先按设计要求将待拼接的主反轨焊接部位打坡口,主、反轨节间焊接时,在满足焊接要求的前提下,尽量将电焊机电流调小,并采用薄层焊,这样可以有效的控制焊接变形。
主、反轨焊接后将焊缝余高磨光。
(6)门槽二期砼浇筑主、反轨加固好后,开始门槽二期砼浇筑。
门槽二期砼浇筑时,模板每75cm高立一次,待该部分的砼浇筑后,继续向上立模板。
砼浇筑每30cm一层,振捣时注意不要碰到主、反轨及其它预埋件。
(7)涂装防腐用细砂纸将焊缝部位及其它磨损部位的污物及铁锈打磨干净。
在打磨干净后,首先将表面做防腐处理,涂装要均匀无杂物,表面光滑,颜色一致,严禁出现漏涂、流挂、皱皮、凹凸不平等缺陷。
做涂装时,空气相对湿度超过85%时不能进行涂装,施工现场环境温度低于10℃不能进行涂装,钢材表面温度未高于大气露点3℃以上不能进行涂装。
2、闸门安装及调试(1)闸门吊装施工流程:闸门吊装施工流程(2)闸门检查整体闸门安装前,对其各项尺寸进行复查,合格后方可进行下一步工序。
止水橡皮表面应光滑平直,胶合接头不得有错位、凹凸不平和疏松现象。
1.工程概况1.1. 概述1.2.导流洞闸井工程量2. 设备旳运送、吊装与寄存2.1运送与吊装设备(1)闸门及启闭机设备旳运送采用载重汽车由生产厂家运送到施工现场旳寄存场。
(2)安装现场吊装设备: 闸门、启闭机用25t吊车进行安装。
(3)吊装方案:根据制造厂家提供旳设备吊点图、设备总成及零部件旳不一样状况和规定, 施工前将制定详细旳运送起吊方案, 其内容包括采用旳起重设备旳选定, 工作位置, 工作半径确实定, 大件起吊吊点旳布置, 车辆旳选用, 设备旳支撑与捆绑, 坡度行驶中旳特殊措施, 保证设备运送过程中不变形以及吊装旳安全。
2.2设备旳保管(1)启闭设备寄存: 启闭设备寄存, 应符合DL/T5019-94中旳有关规定。
对细长零部件旳寄存, 应有两处以上旳多处支撑, 支撑点应受力均匀。
(2)闸门及其埋件寄存:闸门及其埋件采用露天寄存, 为了防止受潮、锈蚀和风沙等, 使用防雨布遮盖, 为防止设备变形, 构造下面用枕木等支撑垫平。
闸门及其埋件旳加工面妥善防护, 以免碰伤或锈蚀。
3.埋件安装3.1 埋件安装规定(1)埋件安装前, 门槽中旳模板等杂物必须清除洁净。
一、二期混凝土旳结合面应所有凿毛, 二期混凝土旳断面尺寸及预埋锚栓和锚板旳位置应符合图纸规定;(2)闸门埋件安装旳容许公差和偏差应符合规范DL/T5018旳规定;(3)埋件就位调整完毕, 应按图纸规定与一期混凝土中旳预埋插筋焊牢。
严禁将加固材料直接焊接在轨道、门楣等旳工作面上或水封座板上。
(4)埋件上所有不锈钢材料旳焊接接头, 必须使用对应旳不锈钢焊条进行焊接。
(5)埋件所有工作表面上旳连接焊缝, 应打磨平整, 并涂上黄油加以保护。
(6)埋件工作面对接接头旳错位均应进行缓坡处理, 过流面及工作面旳焊疤和焊缝余高应铲平磨光, 凹坑应补焊平并磨光;(7)门槽埋件二期混凝土浇注应符合设计规定。
(8)埋件安装完, 经检查合格, 应在5~7d内浇筑二期混凝土。
闸门及启闭机安装施工方案1. 项目背景随着经济的快速发展,大量的灌区、农田、水利工程停工多年,给人们正常的生产和生活带来了不便。
因此,随着国家经济的快速发展和人民生活水平的改善,水利工程得到了重视。
例如,建设大规模的水库、取水工程、灌溉和排水工程等。
其中,闸门和启闭机就是其中非常重要的组成部分。
本文将介绍闸门及启闭机安装施工方案。
2. 项目概述2.1 项目意义闸门及启闭机是水利工程中非常重要的控制设备,它们可以很好地控制水流的流向和水位的高低,从而保证水利工程的正常运行。
本项目是对水利工程的一个重要补充,在保证项目安全运行的前提下,确保了水资源的最大化利用。
2.2 项目范围本项目的范围是安装闸门及启闭机,并能够正常运行,实现对水流的控制。
3. 安装过程3.1 前期准备工作在进行闸门及启闭机安装之前,需要进一步了解闸门及启闭机的属性和形状,以便根据其实际尺寸制作支撑架。
比如,需要考虑设计方案和施工方案等相关信息。
同时,还需要进行必要的土建工程,确保设备底座的平整度,并对所需的支撑架进行加工。
3.2 安装闸门安装闸门要根据实际情况进行,主要可以分为以下几个步骤:1.对闸门进行预安装,确定闸门的实际尺寸和重量,并有计划地进行卸载。
2.在闸门安装位置上设置固定支撑架和定位块,确保安装位置的稳固性。
3.当闸门和定位块精确定位之后,需要对固定支撑架进行合理的调整,并确认所有安装连接处的间隙和紧度。
4.确认闸门连接处的密封和桥头的密封,防止水流泄漏。
3.3 安装启闭机安装启闭机同安装闸门一样可以分为以下几个步骤:1.预装各部分组件,包括减速机、电机、限位传感器等,并完成支架的加工和调整。
2.配合闸门安装的情况,根据需求把各个组件进行有序的安装,安装位置必须精确定位,并记录好各个部件之间的间隙和紧度。
3.安装完毕后需要进行充分的试运行,确保各个部件间的协同工作以及所有连接处的密封性。
4. 安装后的调试及维护闸门及启闭机安装完成后,需要进行调试,相应部件的管路接通后,进一步确认其协调性,并逐步提高设备运行的管理水平。
系列闸门、系列堰门说明书南通华新环保设备工程有限公司一、概述我公司生产的系列闸门包括:铸铁镶铜升杆(暗杆)式(圆形、方形及矩形)闸门、不锈钢(圆形、方形及矩形)闸门、不锈钢渠道闸门等;系列堰门有:垂直升降式铸铁(不锈钢)堰门、不锈钢旋转式堰门。
根据闸门规格的大小及业主的要求配套单吊点(双吊点)手动或手电两用启闭机。
二、安装1、在安装各种型号的闸门、堰门过程中,首先应对闸门、堰门安装处的土建尺寸按图进行验收,如不符合安装及图纸设计要求,则应对土建进行修整,以满足设备安装要求。
2、在安装时先将闸门(堰门)安全起吊放至安装位置上,再进行闸门(堰门)就位校正,要求如下:闸门(垂直升降堰门)门框导轨铅垂线偏差不大于1/1000mm,闸门(垂直升降堰门)水平度偏差不大于1/500mm;旋转堰门的侧板铅垂线偏差不大于1/1000mm,堰板水平度偏差不大于1/500mm。
校正结束后,将基础螺栓与预埋板焊接,焊接焊缝应无虚焊、漏焊、焊缝高度8~10毫米,或采用膨胀螺栓固定。
3、大型闸门(堰门)在安装时:门框上部横向螺栓不得高于门框密封面,当其高于密封面时,必须予以切割,否则会造成闸门门板的铜密封面损坏,及不能提升门板。
连接上部副导轨时,必须保证副导轨上的铜条与门框上的铜条在同一平面上,不得高于或低于门框铜条,侧面导向槽也应与门框导向槽垂直对齐;在连接副导轨时,副导轨下部与门框同宽,上部稍大于下部导向的2~4毫米,两导向不得同向倾斜或者歪斜,以确保闸板上下运行灵活自如。
4、安装丝杆和启闭机时应注意:丝杆与启闭机垂直度偏差不大于1/1000mm。
启闭机底板水平度偏差不大于1/500,确保丝杆与启闭机输出孔同轴度偏差不大于2mm,调整结束后将启闭机底板于平台预埋钢板焊固。
5、以上部件安装结束后,在二次浇筑之前,必须对门框与门板得密封面间隙进行调整。
间隙调整要求按建设部行业标准进行验收。
验收范围在0.08mm~0.10mm范围以内即可。
文件编号:RHD-QB-K1524 (安全管理范本系列)
编辑:XXXXXX
查核:XXXXXX
时间:XXXXXX
工作闸门安装方法示范
文本
工作闸门安装方法示范文本
操作指导:该安全管理文件为日常单位或公司为保证的工作、生产能够安全稳定地有效运转而制定的,并由相关人员在办理业务或操作时进行更好的判断与管理。
,其中条款可根据自己现实基础上调整,请仔细浏览后进行编辑与保存。
1、闸门现场拼装应严格控制焊接变形:
(1)从事现场安装焊缝的焊工,必须持有有效的合格证书;
(2)无损检测人员必须持有国家专业部门签发的资格证书,评定焊缝质量应由Ⅱ级或Ⅱ级以上的检测人员担任;
(3)每批焊接材料都必须具有产品质量证明书和使用说明书,并进行抽样检验;
(4)所有焊缝的外观检查、无损探伤都要按照《水利水电工程钢闸门制造安装及验收规范》(DL/T5018-94)的规定进行。
焊缝无损探伤的抽
查率,除符合上述规范规定外,还必须遵照监理的指定,抽查容易发生缺陷的部位;
(5)施工过程中,必须按照监理指示,以有效消除焊接应力。
2、安装支铰座,用葫芦将铰座吊起对准预埋螺栓,先留出四孔螺孔(上、下、左、右各一个)不要拧紧,检查铰底座与底盘之间间隙,调整好铰座的位置,最后再拧紧四孔螺栓,铰座安装后,严格检查两铰座的同轴度,相互调整达到规范要求。
3、门叶下半节吊入门槽,在支臂拼装前用拉链葫芦将下半节固定。
4、将支臂吊入门槽先连接铰轴,再通过连接螺栓与门叶连接,左右两只支臂都安装后,检查安装尺寸,等尺寸合格后再进行焊接。
5、在下半节门叶与支臂安装焊接完毕后,用上
方设置的两个临时吊点将上半节吊起,对准下半节落下,用背水面设置的临时吊点,调整前后方向,上吊点调整上下方向,上、下半节完全吻合后,先用分段时的临时螺栓固定,复查安装尺寸,等合格后再进行最后组装焊接,焊接尽量避免仰焊,难于避免时,应由具备相应资格的焊工施焊。
6、闸门安装完毕后,拆除安装用的临时焊件,修整好焊缝,清除埋件表面和门叶上的所有杂物,在各转动部位按施工图纸要求灌注润滑脂。
7、待启闭机安装调试后,对闸门进行调整,在无水条件下,做全行程启闭试验,检查支铰转动情况,做到启闭过程平稳无卡阻、水封胶皮无损伤。
调试过程中,必须对水封橡皮与不锈钢水封底板的接触面采用清水冲淋润滑以防损坏水封橡皮。
在闸门全关
位置,水封橡皮无损伤,漏光检查合格,止水严密,有条件时做动水启闭试验。
这里写地址或者组织名称
Write Your Company Address Or Phone Number Here。