现场平面布置图及安全标志平面布置图
- 格式:doc
- 大小:23.50 KB
- 文档页数:1
安全标志、安全平面布置图及操作规程安全平面布置图、安全标志及安全操作规程施工单位: 滁州金和建筑装饰工程公司工程名称: 武警滁州支队机关新营区工程日期: 2009.11.14滁州金和建筑装饰公司武警滁州支队机关新营区工程项目部工人安全技术操作规程滁州金和建筑装饰公司目录一、架子工二、瓦工三、木工四、钢筋工五、油漆工六、电工七、电焊工八、混凝土工九、普通工架子工安全技术操作规程1、认真执行“建筑施工扣件钢管脚手架安全技术规范”做到技术先进、经济合理、安全适用、确保质量。
钢管脚手架应用外径48~51毫米、壁厚3~3.5毫米的钢管,长度以4~6.5米和2.1~2.3米为宜。
有严重锈蚀、弯曲、压扁或裂纹的不得所有。
2、扣件应有出厂合格证明,发现有脆裂、变形、滑丝的禁止使用,钢管上严禁打孔。
3、钢制脚手板应采用2~3毫米的I级钢材,长度为1.5~3.6米,宽度23~25厘米,肋高5厘米为宜,两端应有连续装置,板面应钻有防滑孔。
凡是裂纹、扭曲的不得使用。
4、钢管脚手架的立杆应垂直稳放在金属底座或垫木上。
立杆间距不得大于2米;大横杆间距不得大于1.5米。
钢管立杆、大横杆接头应错开,要用扣件联接拧紧螺栓,不准用铁丝绑扎。
5、脚手架必须设置纵、横向扫地杆。
纵向扫地杆应采用直角扣件固定在距底座上皮不大于200毫米处的立杆上。
横向扫地杆亦应采用直角扣件固定在紧靠纵向扫地杆下方的立杆上。
当立杆基础不在同一高度上时,必须将高处的纵向扫地杆向低处延长两跨与立杆固定,高低差不应大于1米。
靠边坡上方的立杆轴线到边坡的距离不应小于500毫米。
6、立杆接长除顶层顶步可采用搭接外,其余各层各步接头必须采用对接扣件连接。
立杆上的对接扣件应交错布置在同步内,两根相连立杆接头不应设置在同步内,同步内隔一根立杆的两个相隔接头在高度方向错开的距离不宜小于500毫米;各接头中心至主节点的距离不宜大于步距的1/3。
搭接长度不应小于1米,应采用不少于2个旋转扣件固定,端部扣件盖板的边缘至杆端距离不应小于100毫米。
安全警示标志平面布置图
审批人:绘制人:日期:年月日
填写说明
1.安全标志平面布置图必须针对工程项目的作业环境、危险部分,按照禁止标志、警告标志、指令标志、提示标志详细绘制。
当建筑物各层平面不一致时,按各层列表或绘制分层布置图。
安全警示标志悬挂安全标志,不能流于形式将全部标志牌不论该处是否需要并排挂设在一起。
2.施工单位应当在施工现场入口处、施工起重机械、临时用电设施、脚手架、出入通道口、楼梯口、电梯井口、孔洞口、桥梁口、隧道口、基坑边沿、爆破物及有害危险气体和液体存放处等危险部位,设置明显的安全警示标志。
安全警示标志必须符合国家标准。
施工现场安全警示标志平面布置图
1.项目部大门:五牌一图
2.办公室外:安全生产,人人有责;
3.库房:禁止明火、小心防盗;
4.水泥库房:注意防尘
5.施工临时道路路口:进入施工现场必须佩戴安全帽、安全生产,人人有
责、高空作业必须系安全带、当心落物、严禁酒后上岗;
6.钢筋加工棚:小心机械伤人、弯曲机安全操作规程、切断机安全操作规
程、调直机安全操作规程、小心触电;
7.木工加工棚:小心扎脚、小心机械伤人、圆盘锯安全操作规程、小心触
电;
8.塔吊:点心吊物、严禁攀爬、严禁超载、塔吊安全操作规程;
9.配电箱:有电危险,禁止靠近、小心触电、严禁明火
10.临边洞口:小心坠落、禁止抛物、当心坑洞。
安全标志悬挂要求
一、警告标志应设置在基坑、电梯井口、预留洞口、楼梯入口、未砌筑栏板的阳台边、建筑物框架结构现浇砼楼(屋)面外边沿以及各机械周边部位。
二、禁止标志应设置在各开关箱、配电箱、各种机械操作部位及各种易燃、易爆物周边。
三、指令标志应设置在施工场地入口处。
四、提示标志应设置在安全通道。
五、安全标志制作必须符合国家标准、材质坚固耐用。
六、安全标志要设在醒目与安全有关的地方,并安放牢固,使过往的人员有方便的视点和足够的时间来注意它表示的内容。
七、安全标志每季度至少检查一次,发现有变形、破损或图形符号脱落以及掉色等,应及时整修或更换。
施工现场总平面布置一、布置原则现场是工程建设的关键之一,其计划布置的好坏,直接影响工程建设的进度和工程造价,根据长期的工程实践经验,在工程实施前,制定详细的大型机具使用,进退计划,主材及周转材料生产、加工、堆放、运输计划,以及各工种施工队伍退场调整计划。
同时,制定以上计划的具体实施方案,严格依照执行标准、奖罚条例,实施施工平面的科学、文明管理。
我们对场地布置的原则如下:1、考虑当地规划,尽量使用业主提供的红线征地范围,减少临时租地。
2、根据施工的先后次序,利用永久征地或己完工程作未完工程的临时场地。
3、不妨碍施工测量放线,保障运输通道畅通。
各工种的作业不产生干扰。
4、依实际地形布置、修筑施工便道,减少。
5、靠近主体工程,减少工地搬运距离,职工上下班方便。
6、尽量集中,便于管理。
符合环境保护,满足使用卫生、安全。
二、施工平面管理1、平面管理计划的确定施工平面科学管理的关键是科学的规划及周密详细的具体计划,在工程进度网络计划的基础上形成主材、机械、劳动力的进退场,垂直运输,布设网络计划,以确保工程进度,充分、均衡的利用平面为目标,制定出拟合实际情况的平面管理实施计划。
施工时将该计划输入电脑,进行动态调控管理。
2、平面管理计划的实施根据工程进度计划的实施调整情况,分阶段发布平面管理实施计划,包含时间计划表,责任人,执行标准,奖罚标准。
计划执行中,不定期召开调度会,经充分协调研究后,发布计划调整书。
经理部负责组织阶段性的和不定期的检查监督,确保平面计划的实施。
地上结构施工重点保证项目:垂直运输安全管理;料具置场点有序的调整、管理;材料、机械进退场,使用的科学调度;施工作业工人区域化管理。
3、平面管理办法3.1施工平面管理由项目经理总负责,由项目工长、材料部门、机械管理部门、后勤组织部门实施,按平面分片包干管理措施进行管理。
3。
2施工现场设置“七牌一图”.3.3按照总体规划要求做好平面布置,主要包括:现场办公临设布置;材料堆放场地布置;洗车槽则由业主统一布置;现场排水、排污布置。
七牌二图:工程概况牌、安全生产纪律牌、三好六清牌、文明施工管理牌、十项安全技术措施牌、工地消防管理牌、配戴安全帽牌施工现场平面布置图及安全警示标志平面布置图。
1、施工现场“三清六好”三清:下工活底清、料具底数清、工完场地清。
六好:施工准备好、设备管理好、工程质量好、安全生产好、完成进度好、生活管理好。
2、建筑工地安全消防措施一.施工前必须制定消防方案,施工现场必须建立安全消防组织,明确专人负责,配备义务消防人员,并定期进行“四懂四会”的教育培训。
二.建筑物、仓库等危险区域的周围必须设有消防通道,保持道路平整畅通。
三.工地内及易燃易爆等重点危险部位附近,应在明显和便于取用的地点按消防部门的规定要求,设置专用灭火水源、灭火器、消防水桶、砂箱铁铣、火钩等消防器材和灭火工具。
高层建筑必须安装消防通道,设专用电源和专用水泵,每层必须设消防水栓,并经常检测,塔吊顶部操作室必须配备灭火器材。
四.消防器材和灭火工具不准挪做它用,需设专人管理,定期进行检测或更换,确保良好可靠。
五.易燃易爆物品要在设定的区域内堆(存)方,严禁烟火,并符合国家防火防爆要求,要远离火源。
六.施工中产生的各类可燃杂物必须及时清理,定点堆放。
七.施工用电的架设、安装要按建设部和消防部门的规范、要求进行,禁止超负荷和违章使用用电设备、材料及用品,变压器附近及下部严禁搭设临建房和堆放杂物。
八.临建房屋等设施必须安全防火、规范搭建,办公室及宿舍的室内外进出口道路必须畅通,禁止睡通铺和卧床吸烟,室内禁止使用明火和电炉等。
九.乙炔气瓶与氧气瓶及与明火的距离不得小于10米,两瓶必须分离定点安全存放。
明火作业须经审批并派专人监护。
发现火情要立即拨打“119”报告消防部门,并积极组织人员抢救。
3、文明施工管理一.施工现场的主要出入口必须按要求设挂“七牌两图”,出入口及场内道路要平整、坚实、畅通,提倡美化硬化。
二.施工现场四周必须规范围护,做到整洁无损,其高度不得小于1.8米,临街围墙必须压顶、抹灰和粉刷。
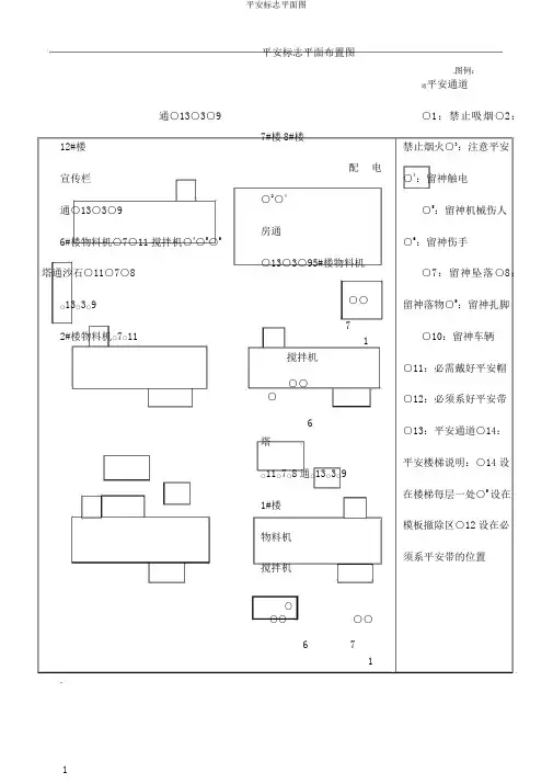
平安标志平面布置图.图例:通平安通道通○13○3○912#楼宣传栏通○13○3○96#楼物料机○7○11搅拌机○4○5○6塔通沙石○11○7○8○13○3○92#楼物料机○7○117#楼8#楼配电○2○4房通○13○3○95#楼物料机○○搅拌机711○○○46塔○11○7○8通○13○3○91#楼物料机搅拌机○○○○○6711○1:禁止吸烟○2:禁止烟火○3:注意平安○4:留神触电○5:留神机械伤人○6:留神伤手○7:留神坠落○8:留神落物○9:留神扎脚○10:留神车辆○11:必需戴好平安帽○12:必须系好平安带○13:平安通道○14:平安楼梯说明:○14设在楼梯每层一处○9设在模板撤除区○12设在必须系平安带的位置.平安标志平面布置图钢筋加工棚○○○○○塔吊2○5○7○1115#楼通○3○8○11通塔吊○○○○塔吊基坑道3871118#楼19#楼20#楼21#楼○3○○○○○○○○○○○72389○钢筋加工棚木工加工8○11○○○5711通道塔塔2 2#楼23#楼.图例:通平安通道○1:禁止吸烟○2:禁止烟火○3:注意平安○4:留神触电○5:留神机械伤人○6:留神伤手○7:留神坠落○8:留神落物○9:留神扎脚○10:留神车辆○11:必需戴好平安帽○12:必须系好平安带○13:平安通道○14:平安楼梯说明:○14设在楼梯每层一处○9设在模板撤除区○12设在必须系平安带的位置.。