施工脚手架计算书
- 格式:doc
- 大小:629.00 KB
- 文档页数:13
脚手架工程施工计算
一、脚手架搭设面积及高度计算
1、搭设面积计算:脚手架搭设面积=总楼层面积×1.2(安全系数)。
2、搭设高度计算:脚手架搭设高度=h1+(n-1)×3.5m
式中:n为层数,h1为首层高度,m为每层高度。
二、立杆、横杆材料数量计算
1、立杆数量计算:立杆数量=2×搭设高度/3.5
2、横杆数量计算:横杆数量=(搭设宽度+0.3)×2/3
式中:搭设宽度=m×层数,m为每层高度,n为层数。
三、斜杆与斜撑的数量计算
根据脚手架搭设面积和搭设高度计算斜杆和斜撑的数量。
四、脚手架横向连接件数量计算
1、脚手架横向连接件数量=(搭设宽度+0.3)×(n-1)
2、脚手架结台数量=(搭设宽度+0.3)/1.5
式中:n为层数,m为每层高度。
五、脚手架脚座数量计算
1、脚手架脚座数量=搭设面积/3。
六、脚手板数量计算
1、脚手架搭设面积大于1000平方米时,脚手板数量=搭设面积/4。
2、脚手架搭设面积小于1000平方米时,脚手板数量=搭设面积/2。
七、安全网及附件数量计算
根据搭设面积计算安全网及其附件的数量。
八、总计
将以上所有材料数量加总得到脚手架工程的全部材料数量。
以上为脚手架工程施工计算的一般性方法,工程实际应根据具体需求及现场情况做出调整。
脚手架荷载计算书一、工程概述本次脚手架搭建工程位于具体工程地点,主要用于具体施工用途,如建筑外墙施工、装修等。
脚手架的搭建高度为具体高度,立杆间距为具体间距,横杆步距为具体步距。
二、荷载分类在进行脚手架荷载计算时,需要考虑以下几种荷载类型:1、恒载(永久荷载)脚手架结构自重,包括立杆、横杆、剪刀撑、扣件等构配件的自重。
脚手板自重,根据所选用的脚手板类型和铺设层数计算。
栏杆、挡脚板自重。
2、活载(可变荷载)施工荷载,按照施工过程中的人员、材料和设备的重量计算。
风荷载,根据当地的气象资料和建筑高度计算。
三、荷载取值1、脚手架结构自重立杆:根据所选钢管的规格和长度,计算每米立杆的自重。
横杆:同样根据钢管规格和长度,计算每米横杆的自重。
剪刀撑:考虑其布置方式和钢管长度,计算自重。
扣件:按每个扣件的重量乘以扣件数量计算。
2、脚手板自重选用具体脚手板类型,如竹笆脚手板、木脚手板等,其自重标准值为具体数值kN/m²。
根据铺设层数和面积计算总自重。
3、栏杆、挡脚板自重栏杆自重标准值为具体数值kN/m,挡脚板自重标准值为具体数值kN/m。
4、施工荷载一般取值为具体数值kN/m²,考虑施工过程中的人员和小型工具、材料的重量。
5、风荷载风荷载标准值按下式计算:ωk =07μzμsω0其中,ω0 为基本风压,根据当地气象资料取值;μz 为风压高度变化系数,根据脚手架所在高度和地面粗糙度确定;μs 为风荷载体型系数,根据脚手架的封闭情况和挡风系数计算。
四、荷载组合在计算脚手架的稳定性和强度时,需要按照不同的工况进行荷载组合。
一般考虑以下两种组合:1、承载能力极限状态组合一:由恒载控制,荷载组合为 135 恒载+ 14×07 活载。
组合二:由活载控制,荷载组合为 12 恒载+ 14 活载。
2、正常使用极限状态组合:恒载+活载五、立杆稳定性计算1、不组合风荷载时计算公式:N/(φA)≤f其中,N 为立杆所受的轴力设计值,根据荷载组合计算;φ 为轴心受压构件的稳定系数,根据立杆的长细比查表得到;A 为立杆的截面面积;f 为钢材的抗压强度设计值。
脚手架计算书一、工程概况首先,我们需要了解工程的基本情况。
包括建筑物的高度、结构形式、施工环境等。
假设我们正在建设的是一座 10 层的办公楼,层高为3 米,总高度约为 30 米。
施工现场地面平坦,风力较小。
二、脚手架的选型根据工程的特点和要求,我们选择了扣件式钢管脚手架。
这种脚手架具有搭设灵活、通用性强等优点。
三、脚手架的参数设计1、立杆间距:纵向间距为 15 米,横向间距为 105 米。
2、步距:18 米。
3、内立杆距建筑物的距离:03 米。
四、荷载计算1、恒载标准值包括脚手架结构自重、构配件自重等。
钢管的自重标准值为0038kN/m,脚手板的自重标准值为 035kN/m²,栏杆、挡脚板的自重标准值为 014kN/m。
2、活载标准值主要考虑施工荷载,按照 2kN/m²取值。
同时,还需要考虑风荷载的作用。
五、纵向水平杆计算1、强度计算根据纵向水平杆的受力情况,计算其最大弯矩,并根据材料的强度进行校核。
2、挠度计算确保纵向水平杆在荷载作用下的挠度满足规范要求。
六、横向水平杆计算同样需要进行强度和挠度的计算,以验证其是否满足安全要求。
七、扣件抗滑力计算扣件在连接横杆和立杆时,需要承受一定的摩擦力。
计算扣件所承受的力,确保其抗滑力满足要求。
八、立杆稳定性计算这是脚手架计算的核心部分。
需要考虑不组合风荷载和组合风荷载两种情况,计算立杆的稳定性。
九、连墙件计算连墙件起到将脚手架与建筑物连接在一起,增强脚手架稳定性的作用。
需要计算连墙件的强度、稳定性和连接强度。
十、地基承载力计算确保脚手架基础的地基承载力能够满足脚手架的荷载要求。
在进行脚手架计算时,需要严格按照相关的规范和标准进行,同时要充分考虑各种不利因素的影响。
只有经过准确计算和合理设计的脚手架,才能在施工过程中为工人提供安全可靠的工作平台。
脚手架计算书一、承载力计算:1.各种荷载:竹脚手板每平米标准自重:0.35KN/m2搭设高度H=36m,步距H1=1.5m,跨距L1=1.5m。
直角扣件自重:13.2N/个,旋转扣件自重14.6N/个,对接扣件自重18.4N/个。
小横杆每个主节点一根取2.2m长。
钢管尺寸:φ48×3.5mm,每米自重:38.4N/m.Q235:A级钢的抗拉、抗压、抗弯强度设计值取205N/mm20.9---结构重要性系数 1.2---恒荷载分项系数1.4---活荷载分项系数0.325---脚手架立面每平米剪刀撑的平均长度N1 :施工均布荷载标准值2000 N/m2N2:架板0.350 N/m2×1.5×1.3=682.5NN3:小横杆38.4N/m×2.2m=84.48N×24=2027.5NN4:大横杆38.4N/m×1.5=57.6N×24=1382.4 NN5: 立杆38.4N/m×1.5=57.6N×24=1382.4 NN6:剪刀撑1.5m×1.5m×0.325×38.4=28N×24=672NN7: 连墙杆二步三跨3×4.5/1.5×1.5=6 2.2÷6=0.37m 0.37m×38.4N/m×12=170.5NN8:扣件对接扣件(36m/6m/个)6个×18.4N/个=110.4N旋转扣件每6步2个扣接点(36/1.5×6)×2=4×2=8个×14.6 N/个=116.8N直角扣件每个主节点处2个 2个×13.2 N/个×36/1.5=633.6N扣件总重:直角扣件+旋转扣件+对接扣件=110.4+116.8+633.6=860.8(N) N =1.2×∑Ni+1.4×N1=1.2×(N2+N3+N4+N5+N6+N7+N8)+1.4×2000=1.2×(682.5+2027.5+1382.4+1382.4+672+170.5+860.8) +1.4×2000=11413.72N2.承载力验算:立杆楼面的平均压力应满足下式要求:P≤f g 垫板长1.5m,宽0.4m.P=N/A=11413.72/1.5×0.4=19022.87 N/m2楼面承载力设计值: f g =k c×f gk=0.4×120000 N/m2所以: P=19022.87 N/m2<f g =28800 N/m2二、卸荷验算:1.各种荷载脚手架每平米均布荷载:N0= N/H.1.5/2.25=11413.72/(3.6×1.5)/2.25=475.57 N/m2脚手架每9米卸荷一次:∑N=9×9×475.57=38521.17Ncosα=3.5/3.77=21.81°卸荷装置L1=√1.42+3.52+0.1=3.9m卸荷装置自重: 3.9×38.4N/M=149.76NL2=√2.72+1.42+0.2=3.2m×38.4N/M=122.88 NL3=√0.752+1.52+0.2=1.9m×38.4N/M=72.96NL4= L3=72.96N合计:418.56N2. 卸荷验算:F1=∑N/cosα=38521.17/21.8=41488.16 N/m2F1≤f×A 41488.16 N/m2<205×489=100245NF2不考虑。
脚手架计算书1-立杆;2-立杆加强杆;3-横杆加强杆;4-横杆脚手架几何尺寸图1.脚手架参数脚手架单间高度为6.5米,门架型号采用MF1219,钢材为Q235。
扣件连接方式:单扣件;搭设尺寸为:门架的宽度b=1.219米,门架的高度h0=1.930米,步距1.950米,跨距1.830米。
门架h1=1.536米,h2=0.100米,b1=0.750米。
门架立杆采用Ø48.0*3.5mm钢管,立杆加强杆采用Ø26.8*2.5mm钢管,脚手架搭设高度6.5m。
2.荷载参数本工程地处上海市,基本风压为0.5kN/m2,风荷载高度变化系数μz为1.25,风荷载体型系数μs为0.8;施工均布荷载为5.00kN/m2,同时施工层数:3层。
3.地基参数地基类型:混凝土地面;砼强度等级C254.荷载计算作用于脚手架的荷载包括静荷载、活荷载和风荷载。
4.1静荷载标准值包括以下内容:(1)脚手架自重产生的轴向力(kN/m)门架的每跨距内,每步架高内的构配件及其重量分别为:MF1219 1榀 0.224 kN交叉支撑 2副 2*0.040=0.080 kN横杆 1步1设 0.08*4/2=0.16 kN连接棒 2个 2*0.006=0.012 kN合计 0.476 kN经计算得到,每米高脚手架自重合计N GK1=0.244 kN/m(2)拉接杆、剪刀撑和附件等产生的轴向力(kN/m)剪刀撑采用Ø26.8*2.5mm钢管,按照1步1跨设置,每米高的钢管重计算:tanα=(1*1.950)/(1*1.830)=1.0662*0.015*(1*1.830)/cosα/(1*1.950)=0.041 kN/m;水平拉接杆采用Ø48.0*3.5mm钢管,按照1步1跨设置,每米高的钢管重为;0.024*(1*1.830)/(1*1.950)=0.023 kN/m;每跨内的直角扣件1个,旋转扣件2个,每米高的钢管重为:(1*0.0135+2*0.0145)/1.950=0.022 kN/m;每米高的附件重量为0.020 kN/m;经计算得到,每米高脚手架拉接杆、剪刀撑和附件等产生的轴向合计N GK2=0.106 kN/m;脚手板0.35 kN/m2;静荷载标准值总计为N G=0.35 kN/m*6.5m+0.35 kN/m2*2.7m2=3.22 kN/m;4.2活荷载计算活荷载为操作平台施工荷载作用于一榀门架产生的轴向力标准值总和;装饰工程荷载查规范取N0=8.923 kN/m;4.3风荷载计算风荷载标准值应按照以下公式计算W K=0.7U Z·U S·W0其中 W0——基本风压(kN/m2),按照《建筑结构荷载规范》(GB50009-2001)的规定采用:W0=0.500;U Z——风荷载高度变化系数,按照《建筑结构荷载规范》(GB50009-2001)的规定采用U Z=1.25;U S——风荷载体型系数:U S=0.8;经计算得到,风荷载标准值:W K=0.5 kN/m2。
脚手架计算书1、脚手架相关力学计算条件根据塔高和施工的需要,搭设脚手架的高度为H=48m(考虑到吸收塔顶局部高处因此均按50m计算)、立杆横距Lb=1.2m、立杆纵距L=1.50m,大横杆步距h=1.8m,横向水平杆靠墙一侧外伸长度=300mm,每层铺5cm厚木板26块,施工荷载按结构施工时取Qk=4KN/M2,钢管为φ48×3.2,计算脚手架的整体稳定。
其它计算参数查《建筑施工扣件式钢管脚手架安全技术规范》及《建筑施工计算手册》知:立杆截面面积A=489mm2(由于使用旧钢管,考虑到磨损,钢管壁厚按3.2mm计算,则截面面积A=458mm2),钢管回转半径i=1.58cm,截面模量W=5.08cm3,钢材抗压强度设计值f=205N/mm2,脚手架钢管重量为0.0384KN/m,扣件自重为0.014KN/个,木板的自重0.35KN/m2,安全网的自重0.005KN/m2,栏杆的自重0.14KN/m。
2、纵向水平杆计算:脚手架属于双排扣件式钢管脚手架,施工荷载由纵向水平杆传至立杆,只对纵向水平杆进行计算,按三跨连续梁计算。
抗弯强度按下式计算σ=≤fM=0.175F•LF—由横向水平杆传给纵向水平杆的集中力设计值,F=0.5qlb(1+ )2 q―作用于横向水平杆的线荷载设计值;q= (1.2Qp+1.4QK)•S1Qp―脚手板自重=0.35 KN/m2;QK―施工均布荷载标准值(装修施工时为2KN/M2)取QK=3KN/M2;f―Q235钢抗弯强度设计值,按规范表5.1.6采用,f=205N/mm2;S1―施工层横向水平杆间距,取S1=1200mm;1.4―可变荷载的荷载分项系数;a1―横向水平杆外伸长度,取a1=300mm-柱距,取 =1050mm-排距,取 =1200mmW-截面模量,按规范附录B表B取值,W=5.08cm3;σ=<f= ,满足要求挠度验算= (与10mm)式中 -由横向水平杆传给纵向水平杆的集中力标准值,=4.16mm< =1200/150= 8mm,满足要求。
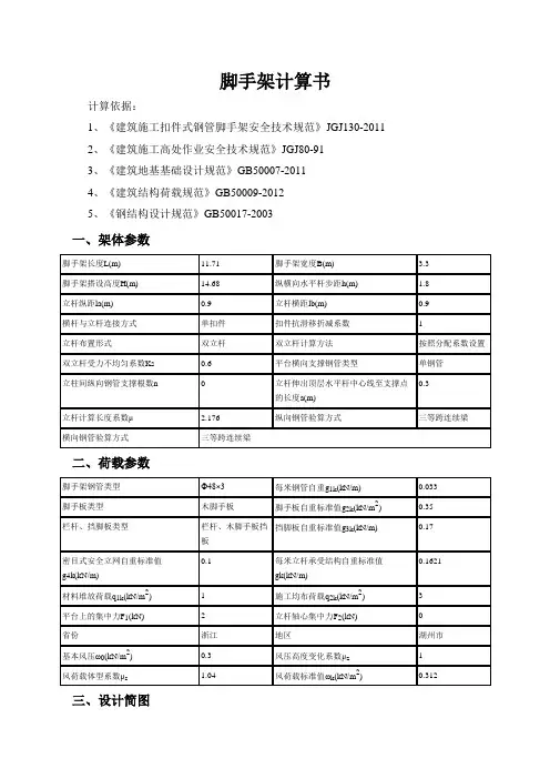
脚手架计算书计算依据:1、《建筑施工扣件式钢管脚手架安全技术规范》JGJ130-20112、《建筑施工高处作业安全技术规范》JGJ80-913、《建筑地基基础设计规范》GB50007-20114、《建筑结构荷载规范》GB50009-20125、《钢结构设计规范》GB50017-2003一、架体参数二、荷载参数脚手架钢管类型Ф48×3每米钢管自重g1k(kN/m) 0.033 脚手板类型木脚手板脚手板自重标准值g2k(kN/m2) 0.35 栏杆、挡脚板类型栏杆、木脚手板挡板挡脚板自重标准值g3k(kN/m) 0.17密目式安全立网自重标准值g4k(kN/m) 0.1 每米立杆承受结构自重标准值gk(kN/m)0.1621材料堆放荷载q1k(kN/m2) 1 施工均布荷载q2k(kN/m2) 3平台上的集中力F1(kN) 2 立杆轴心集中力F2(kN) 0省份浙江地区湖州市基本风压ω0(kN/m2) 0.3 风压高度变化系数μz 1风荷载体型系数μs 1.04 风荷载标准值ωk(kN/m2) 0.312 三、设计简图搭设示意图:平台水平支撑钢管布置图平面图侧立面图四、板底支撑(纵向)钢管验算钢管类型Ф48×3 钢管截面抵抗矩 W(cm 3) 4.49 钢管截面惯性矩I(cm 4)10.78 钢管弹性模量E(N/mm 2) 2.06×105钢管抗压强度设计值 [f](N/mm 2)205纵向钢管验算方式三等跨连续梁G 1k =g 1k =0.033kN/mG 2k =g 2k ×l b /(n+1)=0.35×0.9/(0+1)=0.315kN/m Q 1k =q 1k ×l b /(n+1)=1×0.9/(0+1)=0.9kN/m Q 2k =q 2k ×l b /(n+1)=3×0.9/(0+1)=2.7kN/m 1、强度验算板底支撑钢管按均布荷载作用下的三等跨连续梁计算。
脚手架计算书一、脚手架数据脚手架搭设高度为6m ,立杆的纵距为3.1m ,横距为2m ,步距为1.5m ,脚手架示意图如图1所示。
脚手架需承受4个人同时施工作业,取1个人体重为100kg ,并考虑铺板总重200kg ,铺板横担在AB ,CD 两根水平横杆上,故该脚手架的AB ,CD 两根水平横杆需承受均布线荷载设计值取为0.99kN/m 。
图1 脚手架模型图二、脚手架立杆计算经计算,立杆承受的最大轴力设计值 3.3kN N =。
按《建筑施工扣件式钢管脚手架安全技术规范》(下文简称《扣规》) 立杆计算长度0l k h μ=式中k ——计算长度附加系数,其值取1.155;μ——考虑脚手架整体稳定因素的单杆计算长度系数,取2.0;h ——立杆步距。
0 1.155 2.015003465mm l k h μ==⨯⨯= 长细比03465219.615.78l i λ=== 查表得立杆的稳定系数0.151ϕ=330044.7MPa 215MPa 0.151489.3N f A ϕ==≤=⨯ 立杆的稳定性计算满足设计要求。
三、横向水平杆的计算经计算,横向水平杆承受的最大弯矩设计值出现在AB 杆中部0.2kNm M =。
按《扣规》60.21039.4MPa 215MPa 5077.5M f W σ⨯===≤= 横向水平杆的抗弯承载力满足设计要求。
横向水平杆的最大挠度出现在脚手架第3步横向水平杆的中部445550.0431002mm 384384 2.0610121870ql EI ν⨯⨯===⨯⨯⨯ 横向水平杆的最大挠度小于/150l 与10mm ,挠度满足设计要求。
四、支撑的计算经计算,上部斜撑承受的最大轴力设计值 1.65kN N =,下部斜撑承受的最大轴力设计值0.75kN N =,均按轴心受压构件考虑。
按《扣规》上部斜撑计算长度0 1.021572157mm l =⨯= 长细比02157136.715.78l i λ=== 查表得稳定系数0.362ϕ=31.65109.3MPa 215MPa 0.362489.3N f A ϕ⨯==≤=⨯ 上部斜撑的稳定性计算满足设计要求。
【脚手架计算书】脚手架计算书详细步骤扣件式脚手架计算书计算依据:1、《建筑施工脚手架安全技术统一标准》GB51210-20212、《建筑施工扣件式钢管脚手架安全技术规范》JGJ130- 20__3、《建筑结构荷载规范》GB50009-20—4、《钢结构设计标准》GB50017-20215、《建筑地基基础设计规范》GB50007-206、《建筑结构可靠性设计统一标准》GB50068-2021 一、脚手架参数卸荷设置无结构重要性系数Y0 1可变荷载调整系数 YL 0.9脚手架安全等级II级脚手架搭设排数双排脚手架脚手架钢管类型①48X2.5脚手架架体高度H(m) 14立杆步距h(m) 1.5立杆纵距或跨距la(m) 1.8立杆横距lb(m) 0.9横向水平杆计算外伸长度31(川)0.15内立杆离建筑物距离a(m) 0.2双立杆计算方法不设置双立杆二、荷载设计脚手架设计类型装修脚手架脚手板类型冲压钢脚手板脚手板自重标准值Gkjb(kN/m2) 0.3 脚手板铺设方式 2步1设密目式安全立网自重标准值Gkmw(kN/m2) 0.01 挡脚板类型木挡脚板栏杆与挡脚板自重标准值Gkdb(kN/m) 0.17挡脚板铺设方式2步1设每米立杆承受结构自重标准值gk(kN/m) 0.129装修脚手架作业层数nzj 2装修脚手架荷载标准值Gkzj(kN/m2) 2地区浙江杭州市安全网设置全封闭基本风压30(kN/m2) 0.3风荷载体型系数us 1风压高度变化系数uz(连墙件、单立杆稳定性)0.810.81风荷载标准值 3 k(kN/m2)(连墙件、单立杆稳定性)0.2430.243计算简图:立面图侧面图三、横向水平杆验算纵、横向水平杆布置方式横向水平杆在上纵向水平杆上横向水平杆根数n 0横杆抗弯强度设计值[f](N/mm2) 205横杆截面惯性矩 I(mm4) 92800横杆弹性模量E(N/mm2) 206000横杆截面抵抗矩W(mm3) 3860 纵、横向水平杆布置承载能力极限状态q=1.3X(0.028+GkjbXla/(n+1))+0.9X1.5XGkXla/(n+1) = 1.3X(0.028+0.3X1.8/(0+1))+0.9X1.5X2X1.8/(0+1)=5.598k N/m正常使用极限状态q'=(0.028+GkjbXla/(n+1))=(0.028+0.3X1.8/(0+1))=0.568kN/m 计算简图如下: 1、抗弯验算Mmax=max[qlb2/8qa12/2]=max[5.598X0.92/85.598X0.152/2]=0.567kN・m。
脚手架计算书一、永久荷载1、基本物架杆配件自重:每平米竖向架面的平均自重g k1=1/ah[(2h+a+b)g1+g3(a+2h)/6+4g1]=1/(1.3*1.5)[(2*1.5+1.3+.13)*38.4+(1.3+1.5*2)/6*18.4+4*13.2]=144.12N/m22、整体作用杆件自重:剪刀撑每隔六跨度一道,计算单元按两道算:1)、剪刀撑:G1=2*8.5*38.4=652.8N2)、连墙件:水平向按4米,竖向按4.2米,计算单元按6个计算。
G2=[(2*1.2+2*2)*38.4+4*13.2]*6=1791.36N 3)、全架性安全网:立网:G3=6*6*0.002=0.072N平网:G4=1*3*6*0.002=0.036N4)、整体作用杆件与基本物架连接时,所用的直角扣件与旋转扣件数量:a、剪刀撑固定在与之相交的横向水平杆的伸出端或立柱上所用旋转扣件为5*2=10个: G5=10*14.6=146Nb、整体作用杆件每平米坚向架面的平均自重荷载g k2=∑(1/si)[li(gi+g3/5)+ng K2]=1/(6*7.2)[652.8+179.36+0.072+0.036+146]=60.09N/m2二、可变荷载和作业层荷载1、作业层面上的施工荷载,考虑脚手架主要起围护作用,取为2KN/m22、作业层架面材料荷载脚步手板及非基本构架杆件的支承杆荷载脚手板用220*48*4000 自重为300N/块q K2=g Ka/a1b1+g Kb/s b=300/(0.22*4)+(2*1.3*38.4)/(4*0.8)=372.1N/m2=0.37KN/m23、作业层防护设施材料荷载挡脚板用220*48*4000的松木板,作业层按一层考虑。
g K3=∑q Ki/Li=300/4=75N/m一、风荷载及其计算1、风荷载标准值的计算式:wk=0.7μs*μz*w0查得:大庆市w0=0.30KN/m2风压高度糸数为μz/=1.36风荷载体型变化糸数μs=1.3ψψ=挡风面积/迎风面积取ψ=0.089 μs=0.12 wk=0.7*0.12*1.36*0.3=0.034KN/m2承载能力计算一、小横杆1、强度:M=ql2/8[1+(a1/lb)2]=(4.3*0.82/8)*[1-(0.3/0.8)2]=0.30KN·m=0.36*106N·mm W=π/32D*(D4-d4)=3.14/(32*48)*(484-412)=5.075*103正应力σ=M/W=(0.36*106)/(5.075*103)=59.1N/mm259.1N/mm2<205N/mm2符合要求2、挠度:因q K=(q K2+2)*1.5=3.56KN/m 查资料E=206*103N/mm2I=π/64*(D4-d4)=3.14/64*(484-414)=1.21*105mm2所以:y=q k al3/48EI*(6a2/l2+6a3/l3-1)=(3.56*300*8003)/(4.8*206*103*1.21*105)*[6*(0.3/0.8)2+6*(0.3/0.8 )3-1]=0.073mm<[μ]=l/150=5.3mm<10mm二、纵向水平杆:由于作业面荷载主要通过主节点传给立杆,所以纵向水平杆的强度和挠度不需要验算。
多排脚手架计算书计算依据:1、建筑施工脚手架安全技术统一标准GB51210-20162、建筑施工扣件式钢管脚手架安全技术规范JGJ130-20113、建筑结构荷载规范GB50009-20124、钢结构设计规范GB50017-20035、建筑地基基础设计规范GB50007-2011一、脚手架参数二、荷载设计计算简图:三、横向水平杆验算取多排架中最大横距段作为最不利计算 承载能力极限状态q=1.2×0.04+G kjb ×l a /n+1+1.4×G k ×l a /n+1=1.2×0.04+0.35×1.2/2+1+1.4×3×1.2/2+1=1.896kN/m正常使用极限状态q'=0.04+G kjb ×l a /n+1=0.04+0.35×1.2/2+1=0.18kN/m 计算简图如下:取前后立杆横距最大的那跨计算,并考虑在顶端处有横向水平杆外伸 1、抗弯验算M max =maxql b 2/8,qa 12/2=max1.896×1.22/8,1.896×0.152/2=0.341kN·m σ=γ0M max /W=1×0.341×106/5260=64.87N/mm 2≤f=205N/mm 2 满足要求 2、挠度验算νmax =max5q'l b 4/384EI,q'a 14/8EI=max5×0.18×12004/384×206000×127100,0.18×1504/8×206000×127100=0.185mmνmax =0.185mm≤ν=minl b /150,10=min1200/150,10=8mm 满足要求 3、支座反力计算 承载能力极限状态R max =ql b +a 12/2l b =1.896×1.2+0.152/2×1.2=1.44kN 正常使用极限状态R max '=q'l b +a 12/2l b =0.18×1.2+0.152/2×1.2=0.136kN四、纵向水平杆验算承载能力极限状态 由上节可知F 1=R max =1.44kN q=1.2×0.04=0.048kN/m 正常使用极限状态由上节可知F 1'=R max '=0.136kN q'=0.04kN/m 1、抗弯验算 计算简图如下:弯矩图kN·mσ=γ0M max /W=1×0.467×106/5260=88.875N/mm 2≤f=205N/mm 2 满足要求 2、挠度验算 计算简图如下:变形图mmνmax =0.193mm≤ν=minl a /150,10=min1200/150,10=8mm 满足要求 3、支座反力计算 承载能力极限状态 R max =3.327kN五、扣件抗滑承载力验算扣件抗滑承载力验算:横向水平杆:Rmax =1×1.44kN≤Rc=0.85×12=10.2kN纵向水平杆:Rmax =1×3.327kN≤Rc=0.85×12=10.2kN满足要求六、荷载计算立杆静荷载计算1、立杆承受的结构自重标准值NG1k立杆一:NG1k =gk+lb×n/2×0.04/h×H=0.129+1.2×2/2×0.04/1.23×10.7=1.795kN单立杆NG1k =gk+lb×n/2×0.04/h×H-h1=0.129+1.2×2/2×0.04/1.23×25-14=1.845kN双立杆NGs1k =gk+lb×n/2×0.04/h×h1=0.129+1.2×2/2×0.04/1.23×14=2.348kN立杆三:单立杆NG1k =gk+lb×n/2×0.04/h×H-h1=0.129+1.2×2/2×0.04/1.23×25-14=1.845kN双立杆NGs1k =gk+lb×n/2×0.04/h×h1=0.129+1.2×2/2×0.04/1.23×14=2.348kN立杆四:单立杆NG1k =gk+lb×n/2×0.04/h×H-h1=0.129+1.2×2/2×0.04/1.23×25-14=1.845kN双立杆NGs1k =gk+lb×n/2×0.04/h×h1=0.129+1.2×2/2×0.04/1.23×14=2.348kN立杆五:单立杆NG1k =gk+lb×n/2×0.04/h×H-h1=0.129+1.2×2/2×0.04/1.23×25-14=1.845kN双立杆NGs1k =gk+lb×n/2×0.04/h×h1=0.129+1.2×2/2×0.04/1.23×14=2.348kN立杆六:单立杆NG1k =gk+lb×n/2×0.04/h×H-h1=0.129+1.2×2/2×0.04/1.23×25-14=1.845kN双立杆NGs1k =gk+lb×n/2×0.04/h×h1=0.129+1.2×2/2×0.04/1.23×14=2.348kN立杆七:单立杆NG1k =gk+lb×n/2×0.04/h×H-h1=0.129+1.2×2/2×0.04/1.23×25-14=1.845kN双立杆NGs1k =gk+lb×n/2×0.04/h×h1=0.129+1.2×2/2×0.04/1.23×14=2.348kN立杆八:单立杆NG1k =gk+lb×n/2×0.04/h×H-h1=0.129+1.2×2/2×0.04/1.23×25-14=1.845kN双立杆NGs1k =gk+lb×n/2×0.04/h×h1=0.129+1.2×2/2×0.04/1.23×14=2.348kN单立杆NG1k =gk+lb×n/2×0.04/h×H-h1=0.129+1.2×2/2×0.04/1.23×25-14=1.845kN双立杆NGs1k =gk+lb×n/2×0.04/h×h1=0.129+1.2×2/2×0.04/1.23×14=2.348kN立杆十:单立杆NG1k =gk+lb×n/2×0.04/h×H-h1=0.129+1.2×2/2×0.04/1.23×25-14=1.845kN双立杆NGs1k =gk+lb×n/2×0.04/h×h1=0.129+1.2×2/2×0.04/1.23×14=2.348kN立杆十一:单立杆NG1k =gk+lb×n/2×0.04/h×H-h1=0.129+1.2×2/2×0.04/1.23×25-14=1.845kN双立杆NGs1k =gk+lb×n/2×0.04/h×h1=0.129+1.2×2/2×0.04/1.23×14=2.348kN立杆十二:单立杆NG1k =gk+lb×n/2×0.04/h×H-h1=0.129+1.2×2/2×0.04/1.23×25-14=1.845kN双立杆NGs1k =gk+lb×n/2×0.04/h×h1=0.129+1.2×2/2×0.04/1.23×14=2.348kN立杆十三:单立杆NG1k =gk+lb×n/2×0.04/h×H-h1=0.129+1.2×2/2×0.04/1.23×25-14=1.845kN双立杆NGs1k =gk+lb×n/2×0.04/h×h1=0.129+1.2×2/2×0.04/1.23×14=2.348kN2、脚手板的自重标准值NG2k1立杆一:NG2k1=H/h+1×la×lb×Gkjb×1/2/2=10.7/1.23+1×1.2×1.2×0.35×1/2/2=1.222kN立杆二:单立杆NG2k1=H-h1/h+1×la×lb×Gkjb×1/2/1=25-14/1.23+1×1.2×1.2×0.35×1/2/1=2.506kN 双立杆NGs2k1=h1/h+1×la×lb×Gkjb×1/2/1=14/1.23+1×1.2×1.2×0.35×1/2/1=3.12kN单立杆NG2k1=H-h1/h+1×la×lb×Gkjb×1/2/1=25-14/1.23+1×1.2×1.2×0.35×1/2/1=2.506kN 双立杆NGs2k1=h1/h+1×la×lb×Gkjb×1/2/1=14/1.23+1×1.2×1.2×0.35×1/2/1=3.12kN 立杆四:单立杆NG2k1=H-h1/h+1×la×lb×Gkjb×1/2/1=25-14/1.23+1×1.2×1.2×0.35×1/2/1=2.506kN 双立杆NGs2k1=h1/h+1×la×lb×Gkjb×1/2/1=14/1.23+1×1.2×1.2×0.35×1/2/1=3.12kN 立杆五:单立杆NG2k1=H-h1/h+1×la×lb×Gkjb×1/2/1=25-14/1.23+1×1.2×1.2×0.35×1/2/1=2.506kN 双立杆NGs2k1=h1/h+1×la×lb×Gkjb×1/2/1=14/1.23+1×1.2×1.2×0.35×1/2/1=3.12kN 立杆六:单立杆NG2k1=H-h1/h+1×la×lb×Gkjb×1/2/1=25-14/1.23+1×1.2×1.2×0.35×1/2/1=2.506kN 双立杆NGs2k1=h1/h+1×la×lb×Gkjb×1/2/1=14/1.23+1×1.2×1.2×0.35×1/2/1=3.12kN 立杆七:单立杆NG2k1=H-h1/h+1×la×lb×Gkjb×1/2/1=25-14/1.23+1×1.2×1.2×0.35×1/2/1=2.506kN 双立杆NGs2k1=h1/h+1×la×lb×Gkjb×1/2/1=14/1.23+1×1.2×1.2×0.35×1/2/1=3.12kN 立杆八:单立杆NG2k1=H-h1/h+1×la×lb×Gkjb×1/2/1=25-14/1.23+1×1.2×1.2×0.35×1/2/1=2.506kNNGs2k1=h1/h+1×la×lb×Gkjb×1/2/1=14/1.23+1×1.2×1.2×0.35×1/2/1=3.12kN 立杆九:单立杆NG2k1=H-h1/h+1×la×lb×Gkjb×1/2/1=25-14/1.23+1×1.2×1.2×0.35×1/2/1=2.506kN 双立杆NGs2k1=h1/h+1×la×lb×Gkjb×1/2/1=14/1.23+1×1.2×1.2×0.35×1/2/1=3.12kN 立杆十:单立杆NG2k1=H-h1/h+1×la×lb×Gkjb×1/2/1=25-14/1.23+1×1.2×1.2×0.35×1/2/1=2.506kN 双立杆NGs2k1=h1/h+1×la×lb×Gkjb×1/2/1=14/1.23+1×1.2×1.2×0.35×1/2/1=3.12kN 立杆十一:单立杆NG2k1=H-h1/h+1×la×lb×Gkjb×1/2/1=25-14/1.23+1×1.2×1.2×0.35×1/2/1=2.506kN 双立杆NGs2k1=h1/h+1×la×lb×Gkjb×1/2/1=14/1.23+1×1.2×1.2×0.35×1/2/1=3.12kN 立杆十二:单立杆NG2k1=H-h1/h+1×la×lb×Gkjb×1/2/1=25-14/1.23+1×1.2×1.2×0.35×1/2/1=2.506kN 双立杆NGs2k1=h1/h+1×la×lb×Gkjb×1/2/1=14/1.23+1×1.2×1.2×0.35×1/2/1=3.12kN 立杆十三:单立杆NG2k1=H-h1/h+1×la×lb×Gkjb×1/2/2=25-14/1.23+1×1.2×1.2×0.35×1/2/2=1.253kN 双立杆NGs2k1=h1/h+1×la×lb×Gkjb×1/2/2=14/1.23+1×1.2×1.2×0.35×1/2/2=1.56kN1/2表示脚手板2步1设3、栏杆与挡脚板自重标准值NG2k2立杆十三:单立杆NG2k2=H-h1/h+1×la×Gkdb×1/2=25-14/1.23+1×1.2×0.17×1/2=1.014kN双立杆NGs2k2=h1/h+1×la×Gkdb×1/2=14/1.23+1×1.2×0.17×1/2=1.263kN1/2表示挡脚板2步1设4、围护材料的自重标准值NG2k3立杆十三:单立杆NG2k3=Gkmw×la×H-h1=0.01×1.2×25-14=0.132kN双立杆NGs2k3=Gkmw×la×h1=0.01×1.2×14=0.168kN5、立杆自重标准值NGk总计立杆一:NGk =NG1k+NG2k1=1.795+1.222=3.017kN立杆二:单立杆NGk =NG1k+NG2k1=1.845+2.506=4.351kN双立杆NGsk =NGs1k+NGs2k1=2.348+3.12=5.469kN立杆三:单立杆NGk =NG1k+NG2k1=1.845+2.506=4.351kN双立杆NGsk =NGs1k+NGs2k1=2.348+3.12=5.469kN立杆四:单立杆NGk =NG1k+NG2k1=1.845+2.506=4.351kN双立杆NGsk =NGs1k+NGs2k1=2.348+3.12=5.469kN立杆五:单立杆NGk =NG1k+NG2k1=1.845+2.506=4.351kN双立杆NGsk =NGs1k+NGs2k1=2.348+3.12=5.469kN立杆六:单立杆NGk =NG1k+NG2k1=1.845+2.506=4.351kN双立杆NGsk =NGs1k+NGs2k1=2.348+3.12=5.469kN立杆七:单立杆NGk =NG1k+NG2k1=1.845+2.506=4.351kN双立杆NGsk =NGs1k+NGs2k1=2.348+3.12=5.469kN立杆八:单立杆NGk =NG1k+NG2k1=1.845+2.506=4.351kN双立杆NGsk =NGs1k+NGs2k1=2.348+3.12=5.469kN立杆九:单立杆NGk =NG1k+NG2k1=1.845+2.506=4.351kN双立杆NGsk =NGs1k+NGs2k1=2.348+3.12=5.469kN立杆十:单立杆NGk =NG1k+NG2k1=1.845+2.506=4.351kN双立杆NGsk =NGs1k+NGs2k1=2.348+3.12=5.469kN立杆十一:单立杆NGk =NG1k+NG2k1=1.845+2.506=4.351kN双立杆NGsk =NGs1k+NGs2k1=2.348+3.12=5.469kN立杆十二:单立杆NGk =NG1k+NG2k1=1.845+2.506=4.351kN双立杆NGsk =NGs1k+NGs2k1=2.348+3.12=5.469kN立杆十三:单立杆NGk =NG1k+NG2k1+NG2k2+NG2k3=1.845+1.253+1.014+0.132=4.244kN双立杆NGsk =NGs1k+NGs2k1+NGs2k2+NGs2k3=2.348+1.56+1.263+0.168=5.339kN6、立杆施工活荷载计算立杆一:NQ1k =la×lb×njj×Gkjj/2=1.2×1.2×1×3/2=2.16kN立杆二:NQ1k =la×lb×njj×Gkjj/1=1.2×1.2×1×3/1=4.32kN立杆三:NQ1k =la×lb×njj×Gkjj/1=1.2×1.2×1×3/1=4.32kN立杆四:NQ1k =la×lb×njj×Gkjj/1=1.2×1.2×1×3/1=4.32kN立杆五:NQ1k =la×lb×njj×Gkjj/1=1.2×1.2×1×3/1=4.32kN立杆六:NQ1k =la×lb×njj×Gkjj/1=1.2×1.2×1×3/1=4.32kN立杆七:NQ1k =la×lb×njj×Gkjj/1=1.2×1.2×1×3/1=4.32kN立杆八:NQ1k =la×lb×njj×Gkjj/1=1.2×1.2×1×3/1=4.32kN立杆九:NQ1k =la×lb×njj×Gkjj/1=1.2×1.2×1×3/1=4.32kN立杆十:NQ1k =la×lb×njj×Gkjj/1=1.2×1.2×1×3/1=4.32kN立杆十一:NQ1k =la×lb×njj×Gkjj/1=1.2×1.2×1×3/1=4.32kN立杆十二:NQ1k =la×lb×njj×Gkjj/1=1.2×1.2×1×3/1=4.32kN立杆十三:NQ1k =la×lb×njj×Gkjj/2=1.2×1.2×1×3/2=2.16kN组合风荷载作用下单立杆轴向力:立杆一:N=1.2×NGk +1.4×NQ1k=1.2×3.017+1.4×2.16=6.644kN立杆二:单立杆N单=1.2×NGk+1.4×NQ1k=1.2×4.351+1.4×4.32=11.269kN双立杆N双=1.2×NGk+1.4×NQ1k=1.2×5.469+1.4×4.32=12.61kN立杆三:单立杆N单=1.2×NGk+1.4×NQ1k=1.2×4.351+1.4×4.32=11.269kN双立杆N双=1.2×NGk+1.4×NQ1k=1.2×5.469+1.4×4.32=12.61kN立杆四:单立杆N单=1.2×NGk+1.4×NQ1k=1.2×4.351+1.4×4.32=11.269kN双立杆N双=1.2×NGk+1.4×NQ1k=1.2×5.469+1.4×4.32=12.61kN立杆五:单立杆N单=1.2×NGk+1.4×NQ1k=1.2×4.351+1.4×4.32=11.269kN双立杆N双=1.2×NGk+1.4×NQ1k=1.2×5.469+1.4×4.32=12.61kN立杆六:单立杆N单=1.2×NGk+1.4×NQ1k=1.2×4.351+1.4×4.32=11.269kN双立杆N双=1.2×NGk+1.4×NQ1k=1.2×5.469+1.4×4.32=12.61kN立杆七:单立杆N单=1.2×NGk+1.4×NQ1k=1.2×4.351+1.4×4.32=11.269kN双立杆N双=1.2×NGk+1.4×NQ1k=1.2×5.469+1.4×4.32=12.61kN立杆八:单立杆N单=1.2×NGk+1.4×NQ1k=1.2×4.351+1.4×4.32=11.269kN双立杆N双=1.2×NGk+1.4×NQ1k=1.2×5.469+1.4×4.32=12.61kN立杆九:单立杆N单=1.2×NGk+1.4×NQ1k=1.2×4.351+1.4×4.32=11.269kN双立杆N双=1.2×NGk+1.4×NQ1k=1.2×5.469+1.4×4.32=12.61kN立杆十:单立杆N单=1.2×NGk+1.4×NQ1k=1.2×4.351+1.4×4.32=11.269kN双立杆N双=1.2×NGk+1.4×NQ1k=1.2×5.469+1.4×4.32=12.61kN立杆十一:单立杆N单=1.2×NGk+1.4×NQ1k=1.2×4.351+1.4×4.32=11.269kN双立杆N双=1.2×NGk+1.4×NQ1k=1.2×5.469+1.4×4.32=12.61kN立杆十二:单立杆N单=1.2×NGk+1.4×NQ1k=1.2×4.351+1.4×4.32=11.269kN双立杆N双=1.2×NGk+1.4×NQ1k=1.2×5.469+1.4×4.32=12.61kN立杆十三:单立杆N单=1.2×NGk+1.4×NQ1k=1.2×4.244+1.4×2.16=8.117kN双立杆N双=1.2×NGk+1.4×NQ1k=1.2×5.339+1.4×2.16=9.431kN七、立杆稳定性验算1、立杆长细比验算立杆计算长度l=Kμh=1×1.5×1.23=1.845m长细比λ=l/i=1.845×103/15.9=116.038≤250满足要求轴心受压构件的稳定系数计算:2、立杆稳定性验算组合风荷载作用由上计算可知各排立杆轴向力N立杆一:N=1.2×NGk +1.4×NQ1k=1.2×3.017+1.4×2.16=6.644kNMwd =φwγQMwk=φwγQ0.05ζ1wklaH12=0.6×1.4×0.05×0.6×0.318×1.2×2.462=0.058kN·mσ=γ0N/φA+Mwd/w=1×6644.192/0.376×506+58194.122/5260=45.986N/mm2≤f=205N/mm2满足要求立杆二:单立杆N单=1.2×NGk+1.4×NQ1k=1.2×4.351+1.4×4.32=11.269kNMwd =φwγQMwk=φwγQ0.05ζ1wklaH12=0.6×1.4×0.05×0.6×0.318×1.2×2.462=0.058kN·mσ=γ0N/φA+Mwd/w=1×11268.849/0.357×506+58194.122/5260=73.446N/mm2≤f=205N/mm2满足要求双立杆Ns =1.2×NGk+N单=1.2×5.469+11.269=17.831kNMwd =φwγQMwk=φwγQ0.05ζ1wklaH12=0.6×1.4×0.05×0.6×0.26×1.2×2.462=0.048kN·mσ=γ0KsN/φA+Mwd/w=1×0.6×17831.093/0.357×506+47580.1/5260=64.653N/mm2≤f=205N/mm2满足要求立杆三:单立杆N单=1.2×NGk+1.4×NQ1k=1.2×4.351+1.4×4.32=11.269kNMwd =φwγQMwk=φwγQ0.05ζ1wklaH12=0.6×1.4×0.05×0.6×0.318×1.2×2.462=0.058kN·mσ=γ0N/φA+Mwd/w=1×11268.849/0.357×506+58194.122/5260=73.446N/mm2≤f=205N/mm2满足要求双立杆Ns =1.2×NGk+N单=1.2×5.469+11.269=17.831kNMwd =φwγQMwk=φwγQ0.05ζ1wklaH12=0.6×1.4×0.05×0.6×0.26×1.2×2.462=0.048kN·mσ=γ0KsN/φA+Mwd/w=1×0.6×17831.093/0.357×506+47580.1/5260=64.653N/mm2≤f=205N/mm2满足要求立杆四:单立杆N单=1.2×NGk+1.4×NQ1k=1.2×4.351+1.4×4.32=11.269kNMwd =φwγQMwk=φwγQ0.05ζ1wklaH12=0.6×1.4×0.05×0.6×0.318×1.2×2.462=0.058kN·mσ=γ0N/φA+Mwd/w=1×11268.849/0.357×506+58194.122/5260=73.446N/mm2≤f=205N/mm2满足要求双立杆Ns =1.2×NGk+N单=1.2×5.469+11.269=17.831kNMwd =φwγQMwk=φwγQ0.05ζ1wklaH12=0.6×1.4×0.05×0.6×0.26×1.2×2.462=0.048kN·mσ=γ0KsN/φA+Mwd/w=1×0.6×17831.093/0.357×506+47580.1/5260=64.653N/mm2≤f=205N/mm2满足要求立杆五:单立杆N单=1.2×NGk+1.4×NQ1k=1.2×4.351+1.4×4.32=11.269kNMwd =φwγQMwk=φwγQ0.05ζ1wklaH12=0.6×1.4×0.05×0.6×0.318×1.2×2.462=0.058kN·mσ=γ0N/φA+Mwd/w=1×11268.849/0.357×506+58194.122/5260=73.446N/mm2≤f=205N/mm2满足要求双立杆Ns =1.2×NGk+N单=1.2×5.469+11.269=17.831kNMwd =φwγQMwk=φwγQ0.05ζ1wklaH12=0.6×1.4×0.05×0.6×0.26×1.2×2.462=0.048kN·mσ=γ0KsN/φA+Mwd/w=1×0.6×17831.093/0.357×506+47580.1/5260=64.653N/mm2≤f=205N/mm2满足要求立杆六:单立杆N单=1.2×NGk+1.4×NQ1k=1.2×4.351+1.4×4.32=11.269kNMwd =φwγQMwk=φwγQ0.05ζ1wklaH12=0.6×1.4×0.05×0.6×0.318×1.2×2.462=0.058kN·mσ=γ0N/φA+Mwd/w=1×11268.849/0.357×506+58194.122/5260=73.446N/mm2≤f=205N/mm2满足要求双立杆Ns =1.2×NGk+N单=1.2×5.469+11.269=17.831kNMwd =φwγQMwk=φwγQ0.05ζ1wklaH12=0.6×1.4×0.05×0.6×0.26×1.2×2.462=0.048kN·mσ=γ0KsN/φA+Mwd/w=1×0.6×17831.093/0.357×506+47580.1/5260=64.653N/mm2≤f=205N/mm2满足要求立杆七:单立杆N单=1.2×NGk+1.4×NQ1k=1.2×4.351+1.4×4.32=11.269kNMwd =φwγQMwk=φwγQ0.05ζ1wklaH12=0.6×1.4×0.05×0.6×0.318×1.2×2.462=0.058kN·mσ=γ0N/φA+Mwd/w=1×11268.849/0.357×506+58194.122/5260=73.446N/mm2≤f=205N/mm2满足要求双立杆Ns =1.2×NGk+N单=1.2×5.469+11.269=17.831kNMwd =φwγQMwk=φwγQ0.05ζ1wklaH12=0.6×1.4×0.05×0.6×0.26×1.2×2.462=0.048kN·mσ=γ0KsN/φA+Mwd/w=1×0.6×17831.093/0.357×506+47580.1/5260=64.653N/mm2≤f=205N/mm2满足要求立杆八:单立杆N单=1.2×NGk+1.4×NQ1k=1.2×4.351+1.4×4.32=11.269kNMwd =φwγQMwk=φwγQ0.05ζ1wklaH12=0.6×1.4×0.05×0.6×0.318×1.2×2.462=0.058kN·mσ=γ0N/φA+Mwd/w=1×11268.849/0.357×506+58194.122/5260=73.446N/mm2≤f=205N/mm2满足要求双立杆Ns =1.2×NGk+N单=1.2×5.469+11.269=17.831kNMwd =φwγQMwk=φwγQ0.05ζ1wklaH12=0.6×1.4×0.05×0.6×0.26×1.2×2.462=0.048kN·mσ=γ0KsN/φA+Mwd/w=1×0.6×17831.093/0.357×506+47580.1/5260=64.653N/mm2≤f=205N/mm2满足要求立杆九:单立杆N单=1.2×NGk+1.4×NQ1k=1.2×4.351+1.4×4.32=11.269kNMwd =φwγQMwk=φwγQ0.05ζ1wklaH12=0.6×1.4×0.05×0.6×0.318×1.2×2.462=0.058kN·mσ=γ0N/φA+Mwd/w=1×11268.849/0.357×506+58194.122/5260=73.446N/mm2≤f=205N/mm2满足要求双立杆Ns =1.2×NGk+N单=1.2×5.469+11.269=17.831kNMwd =φwγQMwk=φwγQ0.05ζ1wklaH12=0.6×1.4×0.05×0.6×0.26×1.2×2.462=0.048kN·mσ=γ0KsN/φA+Mwd/w=1×0.6×17831.093/0.357×506+47580.1/5260=64.653N/mm2≤f=205N/mm2满足要求立杆十:单立杆N单=1.2×NGk+1.4×NQ1k=1.2×4.351+1.4×4.32=11.269kNMwd =φwγQMwk=φwγQ0.05ζ1wklaH12=0.6×1.4×0.05×0.6×0.318×1.2×2.462=0.058kN·mσ=γ0N/φA+Mwd/w=1×11268.849/0.357×506+58194.122/5260=73.446N/mm2≤f=205N/mm2满足要求双立杆Ns =1.2×NGk+N单=1.2×5.469+11.269=17.831kNMwd =φwγQMwk=φwγQ0.05ζ1wklaH12=0.6×1.4×0.05×0.6×0.26×1.2×2.462=0.048kN·mσ=γ0KsN/φA+Mwd/w=1×0.6×17831.093/0.357×506+47580.1/5260=64.653N/mm2≤f=205N/mm2满足要求立杆十一:单立杆N单=1.2×NGk+1.4×NQ1k=1.2×4.351+1.4×4.32=11.269kNMwd =φwγQMwk=φwγQ0.05ζ1wklaH12=0.6×1.4×0.05×0.6×0.318×1.2×2.462=0.058kN·mσ=γ0N/φA+Mwd/w=1×11268.849/0.357×506+58194.122/5260=73.446N/mm2≤f=205N/mm2满足要求双立杆Ns =1.2×NGk+N单=1.2×5.469+11.269=17.831kNMwd =φwγQMwk=φwγQ0.05ζ1wklaH12=0.6×1.4×0.05×0.6×0.26×1.2×2.462=0.048kN·mσ=γ0KsN/φA+Mwd/w=1×0.6×17831.093/0.357×506+47580.1/5260=64.653N/mm2≤f=205N/mm2满足要求立杆十二:单立杆N单=1.2×NGk+1.4×NQ1k=1.2×4.351+1.4×4.32=11.269kNMwd =φwγQMwk=φwγQ0.05ζ1wklaH12=0.6×1.4×0.05×0.6×0.318×1.2×2.462=0.058kN·mσ=γ0N/φA+Mwd/w=1×11268.849/0.357×506+58194.122/5260=73.446N/mm2≤f=205N/mm2满足要求双立杆Ns =1.2×NGk+N单=1.2×5.469+11.269=17.831kNMwd =φwγQMwk=φwγQ0.05ζ1wklaH12=0.6×1.4×0.05×0.6×0.26×1.2×2.462=0.048kN·mσ=γ0KsN/φA+Mwd/w=1×0.6×17831.093/0.357×506+47580.1/5260=64.653N/mm2≤f=205N/mm2满足要求立杆十三:单立杆N单=1.2×NGk+1.4×NQ1k=1.2×4.244+1.4×2.16=8.117kNMwd =φwγQMwk=φwγQ0.05ζ1wklaH12=0.6×1.4×0.05×0.6×0.318×1.2×2.462=0.058kN·mσ=γ0N/φA+Mwd/w=1×8116.888/0.357×506+58194.122/5260=55.997N/mm2≤f=205N/mm2满足要求双立杆Ns =1.2×NGk+N单=1.2×5.339+8.117=14.524kNMwd =φwγQMwk=φwγQ0.05ζ1wklaH12=0.6×1.4×0.05×0.6×0.26×1.2×2.462=0.048kN·mσ=γ0KsN/φA+Mwd/w=1×0.6×14524.127/0.357×506+47580.1/5260=53.669N/mm2≤f=205N/mm2满足要求3、立杆底部轴力标准值计算立杆一:恒载标准值FG1=3.017kN,活载标准值FQ1=2.16kN立杆二:恒载标准值FG2=9.819kN,活载标准值FQ2=4.32kN立杆三:恒载标准值FG3=9.819kN,活载标准值FQ3=4.32kN立杆四:恒载标准值FG4=9.819kN,活载标准值FQ4=4.32kN立杆五:恒载标准值FG5=9.819kN,活载标准值FQ5=4.32kN立杆六:恒载标准值FG6=9.819kN,活载标准值FQ6=4.32kN立杆七:恒载标准值FG7=9.819kN,活载标准值FQ7=4.32kN立杆八:恒载标准值FG8=9.819kN,活载标准值FQ8=4.32kN立杆九:恒载标准值FG9=9.819kN,活载标准值FQ9=4.32kN立杆十:恒载标准值FG10=9.819kN,活载标准值FQ10=4.32kN立杆十一:恒载标准值FG11=9.819kN,活载标准值FQ11=4.32kN立杆十二:恒载标准值FG12=9.819kN,活载标准值FQ12=4.32kN立杆十三:恒载标准值FG13=9.583kN,活载标准值FQ13=2.16kN八、连墙件承载力验算Nlw =1.4×ωk×2×h×2×la=1.4×0.424×2×1.23×2×1.2=3.505kN长细比λ=lNlw +N/φAc=3.505+3×103/0.896×506=14.348N/mm2≤0.85×f=0.85×205N/mm2=174.25N/mm2满足要求扣件抗滑承载力验算:Nlw +N=3.505+3=6.505kN≤0.85×12=10.2kN满足要求九、立杆地基承载力验算立柱底垫板的底面平均压力p=N/mf A=17.831/0.4×0.25=178.311kPa≤γufg=1.254×300 =376.2kPa满足要求。
1 24m高施工外脚手架设计计算书一、参数信息:1.脚手架参数双排脚手架搭设高度为 24.0 米,立杆采用单立管;搭设尺寸为:立杆的纵距为 1.50米,立杆的横距为1.05米,大小横杆的步距为1.80 米;内排架距离墙长度为0.30米;大横杆在上,搭接在小横杆上的大横杆根数为 2 根;脚手架沿墙纵向长度为 120 米;采用的钢管类型为Φ48×3.5;横杆与立杆连接方式为单扣件;取扣件抗滑承载力系数为 0.80;连墙件采用两步三跨,竖向间距 3.60 米,水平间距4.50 米,采用扣件连接;连墙件连接方式为单扣件;2.活荷载参数施工均布活荷载标准值:3.000 kN/m2;脚手架用途:结构脚手架;同时施工层数:2 层;3.风荷载参数本工程地处天津省天津市,基本风压为0.50 kN/m2;风荷载高度变化系数μz为0.84,风荷载体型系数μs为0.65;脚手架计算中考虑风荷载作用;4.静荷载参数每米立杆承受的结构自重标准值(kN/m2):0.1248;脚手板自重标准值(kN/m2):0.350;栏杆挡脚板自重标准值(kN/m2):0.140;安全设施与安全网(kN/m2):0.005;脚手板铺设层数:4;脚手板类别:木脚手板;栏杆挡板类别:栏杆、木脚手板挡板;每米脚手架钢管自重标准值(kN/m2):0.038;5.地基参数地基土类型:碎石土;地基承载力标准值(kN/m2):500.00;立杆基础底面面积(m2):0.09;地面广截力调整系数:0.40。
二、大横杆的计算:按照《扣件式钢管脚手架安全技术规范》(JGJ130-2001)第5.2.4条规定,大横杆按照三跨连续梁进行强度和挠度计算,大横杆在小横杆的上面。
将大横杆上面的脚手板自重和施工活荷载作为均布荷载计算大横杆的最大弯矩和变形。
1.均布荷载值计算大横杆的自重标准值:P1=0.038 kN/m ;脚手板的自重标准值:P2=0.350×1.050/(2+1)=0.123 kN/m ;活荷载标准值: Q=3.000×1.050/(2+1)=1.050 kN/m;静荷载的设计值: q1=1.2×0.038+1.2×0.123=0.193 kN/m;活荷载的设计值: q2=1.4×1.050=1.470 kN/m;图1 大横杆设计荷载组合简图(跨中最大弯矩和跨中最大挠度)图2 大横杆设计荷载组合简图(支座最大弯矩)2.强度验算跨中和支座最大弯距分别按图1、图2组合。
脚手架施工计算书一、工程概况本工程为_____建筑工程,总建筑面积为_____平方米,建筑高度为_____米。
结构形式为_____,脚手架主要用于主体结构施工及外墙装修施工。
二、脚手架设计参数1、脚手架类型:采用扣件式钢管脚手架。
2、立杆横距:_____米。
3、立杆纵距:_____米。
4、步距:_____米。
5、内立杆距建筑物距离:_____米。
三、荷载计算1、恒载标准值每米立杆承受的结构自重标准值:_____kN/m。
脚手板自重标准值:_____kN/m²。
栏杆与挡脚板自重标准值:_____kN/m。
安全网自重标准值:_____kN/m²。
2、活载标准值施工均布活荷载标准值:_____kN/m²。
风荷载标准值基本风压:_____kN/m²。
风压高度变化系数:_____。
风荷载体型系数:_____。
四、纵向水平杆计算1、荷载计算恒载:_____kN。
活载:_____kN。
2、强度计算最大弯矩:_____kN·m。
弯曲应力:_____N/mm²< f = 205 N/mm²,满足要求。
3、挠度计算最大挠度:_____mm < v = l/150 与 10mm,满足要求。
五、横向水平杆计算1、荷载计算集中荷载(恒载):_____kN。
集中荷载(活载):_____kN。
2、强度计算最大弯矩:_____kN·m。
弯曲应力:_____N/mm²< f = 205 N/mm²,满足要求。
3、挠度计算最大挠度:_____mm < v = l/150 与 10mm,满足要求。
六、扣件抗滑力计算纵向水平杆通过扣件传给立杆的竖向力设计值:_____kN。
单扣件抗滑承载力设计值:_____kN,满足要求。
七、立杆稳定性计算1、不组合风荷载时轴心受压立杆的稳定系数:_____。
计算立杆段的轴向力设计值:_____kN。
立杆的稳定性:_____N/mm²< f = 205 N/mm²,满足要求。
三、下部双立杆稳定性验算梯号:计算书第 3 页脚手架参数:单立杆高度22M单立杆根数4根双立杆高度30M双立杆根数8根立杆纵距 1.35M立杆横距 1.6M作业层面积 2.16M2步高 1.8M步数29步参考步数28.889步每层钢管长度11M层增加钢管长度0M钢管总长647M每层旋转扣件数量12只增加扣件数量2只旋转扣件总量350只每层增加扣件数0只对接扣件数数102只参考值82只公式: N/ΨA≤K A K H f式中:N:立杆段产生的的轴心压力,按N=1.2(N GK1+N GK2)+1.4N QK计算N GK1:钢管自重产生的轴力N GK2:竹笆及扣件产生的轴力N QK:脚手架活载荷标准值产生的轴力Ψ:整体稳定系数。
根据换算长细比λ=l0/i的值,查附录C表CA:立杆毛截面之和A=3912K A:与立杆截面的调正数,双杆取0,7K A=0.7K H:与高度有关的调整整.根据公式K H=1÷(1+H/100)计算K H=0.6578947f:钢管的抗弯强度设计值。
f=205N/mm21)钢管自重产生的轴力N GK1N GK1=钢管总长×3.84kg/mN GK1=2484.48kg2)N GK2=竹笆自重+扣件自重a)竹笆自重=面积×10kg/M2×步数竹笆自重=626.4kgb)扣件自重=旋转扣件数×1.46kg/只+对接扣件数×1.84kg/只扣件自重=698.68kg所以N GK2=1325.08kg3)N QK=2×面积×250kg/M2N QK=1080kg代入公式N=1.2(N GK1+N GK2)+1.4N QKN= 6083.472kgN=60834.72N公式长细比λ=l0/i=kμh/i式中k:长度附加系数,k=1.155μ:影响脚手架整体稳定因素的单杆计算长度系数,μ=1.5梯号:计算书第 3 页h:步距h= 1.8Mi:回转半径,i=0.0158所以λ=197.3734根据λ的值,查附录C表C得出Ψ=0.186代入公式N/ΨA=83.60644N/mm2代入公式K A K H f=94.40789N/mm2因为 N/ΨA≤K A K H f所以中(下)部双立杆稳定性可靠。
钢管脚手架计算书一:计算依据钢管脚手架的计算参照《建筑施工扣件式钢管脚手架安全技术规范》(JGJ130-2011)、《钢结构设计规范》(GB50017-2003)、《冷弯薄壁型钢结构技术规范》(GB50018-2002)、《建筑地基基础设计规范》(GB 50007-2002)、《建筑结构荷载规范》(2006年版)(GB 50009-2001)等编制。
二、搭设概况:1.1、本工程位陕西浙交商洛建筑石料用灰岩矿长皮带廊道总承包项目施工、安装土建施工标段,转运站建设涉及高空作业的设备必须搭设脚手架,并铺设跳板。
1.2、基础处理:采用夯实、找平。
承载力不足时应有具体强化措施,同时,基础应排水通畅。
1.3、材料及规格选择根据JGJ59-99标准要求,采用钢管搭设,钢管尺寸采用c48X3.5mm,并使用钢扣件。
1.4、搭设安装用脚手架上面主要沉重施工人员的体重,部分设备材料,施工人员的体重与设备材料重量远小于脚手架自重,续编纸专项施工方案报批后搭设,脚手架验收使用。
立杆、横杆、剪刀撑、脚手板等依据规范施工。
1.5、施工要求:(1)、2米以上作业均称为高处作业,高处作业的设备必须搭设脚手架,并铺设跳板。
(2)、搭设脚手架人员必须有持证的架子工搭设。
搭设脚手架人员需要佩戴安全带、安全帽,并正确使用安全带、安全帽。
未经检查验收的架子,除架子工外其它人员严禁攀登。
验收后任何人不得擅自拆改,需作局部修改时须经安全人员同意,由架子工进行实施。
(3)、搭设脚手架的区域以及下方5米范围不容许其他人员行走及作业。
在搭设脚手架的区域拉警戒线,并设立警示牌。
三、参数信息:1. 脚手架参数计算的脚手架为满堂脚手架,横杆与立杆采用双扣件方式连接,搭设高度为约3-10.0米,立杆采用单立管。
搭设尺寸为:立杆的纵距l a = 1.20米,立杆的横距l b = 1.20米,立杆的步距h= 1.50米。
采用的钢管类型为Φ48×3.5。
第1篇一、项目背景随着我国建筑行业的快速发展,脚手架作为建筑施工中的重要临时设施,其安全性和稳定性直接关系到施工人员的人身安全和工程进度。
本计算书针对某建筑工程项目,对脚手架的施工方案进行详细计算,以确保施工过程中的安全与效率。
二、工程概况1. 工程名称:某住宅楼工程2. 建筑地点:XX市XX区3. 建筑结构:框架结构4. 建筑高度:18层(地上)5. 建筑层数:地下1层,地上17层6. 施工周期:预计18个月三、脚手架选型根据工程概况和施工要求,本工程采用双排落地式钢管脚手架。
四、脚手架搭设参数1. 立杆间距:1.5m2. 水平杆步距:1.2m3. 纵横向水平杆步距:0.9m4. 剪刀撑设置间距:4跨设置5. 连墙件设置间距:3跨设置6. 脚手板铺设间距:0.3m五、脚手架材料1. 钢管:Q235钢,φ48.3×3.6mm2. 扣件:国标扣件3. 脚手板:竹笆板或钢笆板4. 安全网:密目式安全网5. 防护栏杆:高度1.2m,间距不大于2m六、脚手架计算1. 立杆稳定性计算根据《建筑施工扣件式钢管脚手架安全技术规范》(JGJ130-2011)的相关要求,立杆的稳定性计算公式如下:\[ K = \frac{F_{\text{允许}}}{F_{\text{实际}}} \]其中,\( F_{\text{允许}} \)为立杆允许承载力,\( F_{\text{实际}} \)为立杆实际受力。
立杆允许承载力计算如下:\[ F_{\text{允许}} = \frac{\pi d^2 S}{4} \]其中,\( d \)为钢管直径,\( S \)为钢管抗弯截面模量。
代入参数计算得:\[ F_{\text{允许}} = \frac{3.14 \times 0.0483^2 \times 0.018}{4} = 1.26 \text{ kN} \]立杆实际受力计算如下:\[ F_{\text{实际}} = \frac{G}{A} \]其中,\( G \)为立杆所受荷载,\( A \)为立杆横截面积。
S1、S2#墩墩身施工脚手架计算书编制:复核:审批:二零一七年二月目录1、计算参数说明 (1)2、小横杆计算 (2)3、大横杆计算 (3)4、扣件抗滑力计算 (4)5、立杆计算 (4)6、连墙件计算 (6)7、牛腿平台计算 (7)1、计算参数说明(1)计算说明引桥S1、S2#墩墩柱采用扣件式钢管脚手架搭设施工平台的方式进行施工,除前19m墩柱采用落地式双排脚手架进行施工外,剩余墩柱利用墩柱四周牛腿平台,在其上搭设双排脚手架进行施工。
牛腿及分配梁均采用工20a型钢。
现以S1#墩剩余墩柱(除前19m外)施工脚手架为例进行计算。
图1 脚手架立面布置图图2 牛腿平台平面布置图(2)脚手架参数脚手架采用φ48×2.8mm钢管,最大搭设高度24m,立杆步距1.5m,横距1.2m,纵距1.2m,内排脚手架距墩柱边缘0.8m。
连墙件按2步3跨布置,最大竖向间距为3m,连墙件利用模板拉杆与双排脚手架采用扣件相连。
小横杆采用直角扣件固定于大横杆上,在小横杆上铺设木脚手板作为施工平台。
脚手板铺设层数按7层考虑,同时施工层数按2层考虑。
(3)钢管截面参数Q235钢抗拉、抗压和抗弯强度设计值f=205N/mm2,弹性模量E=2.06×105N/mm2。
2、小横杆计算(1)荷载值计算小横杆自重标准值:0.0312kN/m;脚手板的荷载标准值:0.35×1.2/2=0.21KN/m;活荷载标准值:3×1.2/2=1.8KN/m;荷载计算值:q=1.2×(0.0312+0.21)+1.4×1.8=2.81KN/m;荷载标准值:q k =0.0312+0.21+1.8=2.04KN/m 。
(2)抗弯强度验算最大弯矩考虑为简支梁均布荷载作用下的弯矩,最大弯矩为: M max =ql 2/8=2.81×1.22/8=0.51KN .m抗弯强度σ=M max /W=0.51×106/4240=120 N/mm 2<f =205 N/mm 2,满足要求。
(3)挠度验算最大挠度为44125455 2.04 1.210 2.62384384 2.061010.1910k q l mm EI ν⨯⨯⨯===⨯⨯⨯⨯,小于[ν]=l/150=8mm 与10mm,满足要求。
3、大横杆计算大横杆按照三跨连续梁进行强度和挠度验算。
(1)荷载值计算小横杆自重标准值:0.0312×1.2=0.037KN ;脚手板的荷载标准值:0.35×1.2×1.2/2=0.252KN ;活荷载标准值:3×1.2×1.2/2=2.16KN ;荷载计算值:P=(1.2×0.037+1.2×0.252+1.4×2.16)/2=1.69KN ;(2)抗弯强度验算最大弯矩考虑为大横杆自重均布荷载与集中荷载的计算值最不利分配的弯矩和,最大弯矩为:22max 2720.0312 1.27 1.69 1.2M =0.3625402540ql Pl KN m ⨯⨯⨯⨯+=+= 抗弯强度σ=M max /W=0.36×106/4240=84.9N/mm 2<f =205N/mm 2,满足要求。
(3)挠度验算最大挠度考虑为大横杆自重均布荷载与集中荷载标准值最不利分配的挠度和。
大横杆自重均布荷载引起的最大挠度为:44121540.6770.6770.0312 1.2100.02100100 2.061010.1910ql mm EI ν⨯⨯⨯===⨯⨯⨯⨯ 集中荷载标准值为P k =0.037+0.252+2.16=2.45KN集中荷载标准值最不利分配引起的最大挠度值为:33122541.146 1.146 2.45 1.210 2.31100100 2.061010.1910k P l mm EI ν⨯⨯⨯===⨯⨯⨯⨯ 故最大挠度和为120.02 2.31 2.33v mm νν=+=+=,小于[ν]=l/150=10mm 与10mm,满足要求。
4、扣件抗滑力计算小横杆自重标准值:0.0312×1.2=0.037KN ;大横杆的自重标准值:0.0312×1.2=0.037KN ;脚手板的荷载标准值:0.35×1.2×1.2/2=0.252KN ;活荷载标准值:3×1.2×1.2/2=2.16KN ;荷载计算值:R=1.2×(0.037+0.037)+1.2×0.252+1.4×2.16=3.42KN <Rc=8kN,满足要求。
5、立杆计算(1)立杆容许长细比验算计算长度附加系数k=1.155考虑脚手架整体稳定因素的立杆计算长度系数μ=1.53立杆步距为 1.5m ,立杆计算长度l 0 =k μh=1.155×1.53×1.5=2.65m立杆长细比λ=l 0 /i= 2650÷16.01=165立杆长细比λ=165<[λ]=210,满足要求。
(2)荷载计算立杆所受荷载包括:脚手架结构自重、构配件自重及活荷载。
其中:1)脚手架结构自重包括:立杆、纵向水平杆、横向水平杆、剪刀撑、横向斜撑和扣件等的自重:g k =0.1291kN/m脚手架结构自重:N G1k =gk*H=0.1291×24=3.1kN2)构配件自重包括:脚手板、栏杆、挡脚板、安全网等到防护设施的自重脚手板自重:0.35×1.2×1.2×7/2=1.76KN安全网自重:1.2×24×0.002=0.06KN则构配件自重:N G2k =1.76+0.06=1.82KN3)活荷载包括:①施工荷载:N Qk =1.2×1.2×2×3/2=4.32KN②风荷载:00.7k z s w w μμ==0.7×1.32×0.84×0.4=0.31KN/m 2由风荷载设计值产生的立杆段弯矩220.85 1.40.85 1.40.31 1.2 1.50.0991010k a w w l h M KN m ⨯⨯⨯⨯⨯===(3)确定轴心受压构件的稳定系数计算长度l 0 =k μh=1.155×1.53×1.5=2.65m长细比λ=l 0 /i= 2650÷16.01=165 查表可得=0.259(4)立杆稳定性验算①不组合风荷载时,N=1.2(N Glk + N G2k )+1.4ΣN Qk =1.2×(3.1+1.82)+1.4×4.32=11.95KN ,N/(A )=11.95×103/(0.259×397)=116.2N/mm 2<f=205N/mm 2,满足要求。
②组合风荷载时,N=1.2(N Glk + N G2k )+0.85×1.4ΣN Qk=1.2×(3.1+1.82)+0.85×1.4×4.32=11.04KN3622311.04100.09910130.7//0.259397 4.2410w M N N mm N mm A W ϕ⨯⨯+=+=⨯⨯<f=205,满足要求。
6、连墙件计算(1)扣件连接抗滑承载力验算连墙件轴力设计值为:001.4 1.40.31 4.53510.862816L LW k w h N N N w A N KN N KN =+=+=⨯⨯⨯+==⨯=<,满足要求。
(2)连墙杆稳定承载力验算连墙杆的计算长度取脚手架内侧立杆距墩身的距离,即l 0=0.8m ,长细比λ=l 0 /i= 800÷16.01=50<[λ]=150,查表可得=0.85232210.861032.1//0.852397L N N mm N mm A ϕ⨯==⨯<f=205,满足要求。
7、牛腿平台计算(1)分配梁验算分配梁均固定于牛腿之上,现取其中最大跨度的一段分配梁进行验算分析,计算简图如下图所示。
图3 分配梁计算简图分配梁受脚手架的集中荷载为:P1=1.2(N Glk + N G2k )+1.4ΣN Qk =1.2×6.21+1.4×7.56=18.04KN ; P2=1.2(N Glk + N G2k )+1.4ΣN Qk =1.2×5.992+1.4×6.6=13.66KN ; 计算模型如下所示:图4 分配梁模型由图可知,分配梁最大应力为,满足要求。
(2)牛腿验算以墩柱四角的斜牛腿为例,牛腿所受脚手架的集中荷载为:P1=1.2(N Glk+ N G2k)+1.4ΣN Qk=1.2×6.8+1.4×8.64=20.26KN;P2=1.2(N Glk+ N G2k)+1.4ΣN Qk=1.2×9.44+1.4×15.12=32.5KN;牛腿计算模型如下图所示。
图5 牛腿计算模型由图可知,分配梁最大应力为,满足要求。
(3)牛腿预埋件验算对牛腿上部预埋件,其同时承受拉力、剪力和弯矩。
由midas 计算可得,V=19.18KN ,N=39.12KN ,M=12.83KN m;v =40.08(40.080.60.7d α-=-⨯=<(, 0.60.25/0.60.2510/200.725b t d α=+=+⨯= 则v 0.8 1.3s r y b y r b y VN M A f f f z ααααα=++=33619.181039.121012.831010.63600.80.725360 1.310.725360140⨯⨯⨯++⨯⨯⨯⨯⨯⨯⨯⨯ =605.8mm 2+0.80.4s b y r b y NM A f f z ααα≥ =3639.121012.8310=457.450.80.725360 1.310.725360140⨯⨯+⨯⨯⨯⨯⨯⨯ mm 2 实际选用4根直径20mm 的钢筋作为锚筋,实际截面积为: 24101256.6s A π=⨯⨯= mm 2>max{605.8,457.45},满足规范要求。
对牛腿下部预埋件,其同时承受压力、剪力和弯矩。
由midas 计算可得,V=46.5KN ,N=39.12KN ,M=10.31KN m;0.4Nz=0.4×39.12×103×140=2.19KN m< M=10.31KN m; 则v 0.30.41.3s r y r b y V N M Nz A f f zαααα--=+ = 33646.5100.339.1210(12.83 2.19)1010.63600.410.725360140⨯-⨯⨯-⨯+⨯⨯⨯⨯⨯⨯ =888.91mm 260.4(12.83 2.19)10727.970.40.410.725360140s r b y M Nz A f z αα--⨯==⨯⨯⨯⨯≥ mm 2实际选用4根直径20mm 的钢筋作为锚筋,实际截面积为: 24101256.6s A π=⨯⨯= mm 2>max{888.91,727.97},满足规范要求。