T型线夹(电力金具)
- 格式:doc
- 大小:793.00 KB
- 文档页数:9
7ශ㓵技术要求1范围本文件规定了T型线夹的术语和定义、型式及分类、技术要求、试验方法及验收规则、标志与包装和型号命名方法。
本文件适用于软导线类T型线夹,不包括硬质母导线,如管母线、槽型和矩型母线。
2规范性引用文件下列文件中的内容通过文中的规范性引用而构成本文件必不可少的条款。
其中,注日期的引用文件,仅该日期对应的版本适用于本文件;不注日期的引用文件,其最新版本(包括所有的修改单)适用于本文件。
GB93标准型弹簧垫圈GB/T95平垫圈C级GB/T699优质碳素结构钢GB/T700碳素结构钢GB/T1173铸造铝合金GB/T1196重熔用铝锭GB/T2314电力金具通用技术条件GB/T2317(全部)电力金具试验方法GB/T3098.2紧固件机械性能螺母GB/T3190变形铝及铝合金化学成分GB/T3880(全部)一般工业用铝及铝合金板、带材GB/T4437.1铝及铝合金热挤压管第1部分:无缝圆管GB/T5780六角头螺栓C级GB/T5781六角头螺栓全螺纹C级GB/T6892一般工业用铝及铝合金挤压型材GB/T6893铝及铝合金拉(轧)制无缝管DL/T683电力金具产品型号命名方法DL/T763架空线路用预绞式金具技术条件DL/T768.5电力金具制造质量铝制件DL/T768.7电力金具制造质量钢铁件热镀锌层3术语和定义本文件没有需要界定的术语和定义。
4型式及分类14.1型式T型线夹是架空电力线路、电厂及变电站装置中母线与引下线的T形连接金具。
连接主导线的型式一般分为螺栓型结构、压缩型结构、螺栓型-压缩型结构、预绞式补强压缩型结构和预绞式结构,前四种型式又可分为单导线结构和双导线结构,预绞式结构为单导线。
引下线通常采用螺栓连接、压缩连接或预绞式型式。
4.2分类4.2.1螺栓型T型线夹螺栓型T型线夹是利用U形螺丝或六角头螺栓的垂直压力,使压板与线夹的线槽对导线产生摩擦力来固定导线的。
螺栓型T型线夹的典型结构如图1所示,其中a)为U型螺栓型T型线夹,b)为六角头螺栓型大截面T型线夹,c)为U型螺栓型水平双导线T型线夹,d)六角头螺栓型大截面双导线T型线夹,e)为U型螺栓型多分裂导线T型线夹。
电力金具的特点及三大标准送电线广泛使用的铁制或铝制金属附件,统称为金具。
金具种类繁多,用途各异,例如,安装导线用的各种线夹,组成绝缘子串的各种挂环,连接导线的各种压接管、补修管,分裂导线上的各种类型的间隔棒等,此外还有杆塔用的各类拉线金具,以及用作保护导线的大小有关,须互相配合。
大部分金具在运行中需要承受较大的拉力,有的还要同时保证电气方面接触良好,它关系着导线或杆塔的安全,即使一只损坏,也可能造成线路故障。
因此,金具的质量、正确使用和安装,对线路的安全送电有一定影响。
分类1、按作用及结构可分为悬垂线夹、耐张线夹、连接金具、接续金具、保护金具、设备线夹、T型线夹、母线金具、拉线金具等类别。
2、按电力金具产品单元划分为可锻铸铁类、锻压类、铝铜铝类和铸铁类,共四个单元。
3、还可分为国标与非标特点及作用电力金具是一个统称,是一个集合名词,电力金具主要是连接和组合电力系统中的各类装置,主要起到一个传递负荷和保护作用,是电力器材的一种,我们在生活中也是常见的。
例如:绝缘体,安全网等等。
电力金具又可以分为很多种,每一种的性能特点和作用都不相同,例如:1. 锚固金具。
是一种紧固金具,这种金具主要是用来紧固导线两端的,有的锚固金具还可以充当导电体。
2. 连接金具。
主要起到一个连接,主要用于绝缘子和金具与金具的连接。
3. 防护金具。
顾名思义就是起到一个防护保护的作用,主要是保护导线和绝缘子等。
4. 固定金具。
就是人们常说的电厂金具,这种金具主要是固定硬母线或者软母线与支柱绝缘子。
大部分的固定金具是不被作为导电体的,主要是起到固定连接作用的。
电力金具三大标准西安鼎凯电力器材有限公司主要生产销售线路金具、线路铁件、可锻铸铁类,锻压件、铜铝、高低压开关、施工及安全工具、钢绞线、钢芯铝绞线、变压器、电缆冷热缩附件、绝缘材料等多种产品。
建立、健全了科学的生产工艺,先进的检侧设备,专业的工程技术人员统一、规范的管理体系。
从原材料进公司、生产、销售、服务的全过程都进行有效的控制,保证了产品的性能和质量,并成为陕西省质最检验协会推荐的重点推广产品,是消费者信得过单位。
电力金具选型手册输电线路金具选型电力线路金具选型手册(2007版)目录:A悬垂线夹1、悬垂线夹(XGU中心回转式)2、悬垂线夹(XGU带碗头挂板)3、悬垂线夹(XGU带U形挂板)4、悬垂线夹(XGU防磨型)5、悬垂线夹(XGT型)6、悬垂线夹(XGT、XGJ)7、悬垂线夹(XGH提包式)本手册主要介绍电力线路金具中的悬垂线夹。
悬垂线夹是一种用于固定电力线路的金具,具有承载能力强、安装方便等优点。
以下是各种型号的详细介绍:1、悬垂线夹(XGU中心回转式)该型号悬垂线夹采用中心回转式设计,可以使电缆得到更好的支撑和固定,适用于各种电力线路。
2、悬垂线夹(XGU带碗头挂板)该型号悬垂线夹带有碗头挂板,可以更好地固定电力线路,适用于各种电力线路。
3、悬垂线夹(XGU带U形挂板)该型号悬垂线夹带有U形挂板,适用于各种电力线路,具有安装方便、承载能力强等优点。
4、悬垂线夹(XGU防磨型)该型号悬垂线夹采用防磨设计,可以有效地延长使用寿命,适用于各种电力线路。
5、悬垂线夹(XGT型)该型号悬垂线夹采用特殊材料制造,具有抗腐蚀、耐磨损等特点,适用于各种电力线路。
6、悬垂线夹(XGT、XGJ)该型号悬垂线夹采用多种材料制造,具有承载能力强、安装方便等优点,适用于各种电力线路。
7、悬垂线夹(XGH提包式)该型号悬垂线夹采用提包式设计,可以更好地固定电力线路,适用于各种电力线路。
总之,本手册介绍的各种型号的悬垂线夹具有各自的特点和优点,可以根据实际需要进行选择和使用。
8、悬垂线夹(XGF 500KV线路用)本款悬垂线夹适用于500KV线路,采用XGF设计,具有良好的悬挂性能和耐腐蚀性能。
该线夹的使用可以有效提高线路的稳定性和安全性。
9、悬垂线夹(XGF下垂式500KV线路用)XGF下垂式500KV线路用悬垂线夹是一种专门为下垂线路设计的线夹,其设计能够有效降低线路的下垂量,提高线路的稳定性和安全性。
该线夹还具有良好的耐腐蚀性能和悬挂性能。
电力金具的分类说明分类1、按作用及结构可分为悬垂线夹、耐张线夹、连接金具、接续金具、保护金具、设备线夹、T型线夹、母线金具、拉线金具等类别;按用途可用为线路金具和变电金具。
2、按电力金具产品单元划分为可锻铸铁类、锻压类、铝铜铝类和铸铁类,共四个单元。
3、还可分为国标与非国标4、按金具的主要性能和用途,金具大致可分为以下几类1)、悬吊金具,又称支持金具或悬垂线夹。
这种金具主要用来悬挂导线绝缘子串上(多用于直线杆塔)及悬挂跳线于绝缘子串上。
2)、锚固金具,又称紧固金具或耐线线夹。
这种金具主要用来紧固导线的终端,使其固定在耐线绝缘子串上,也用于避雷线终端的固定及拉线的锚固。
锚固金具承担导线、避雷线的全部张力,有的锚固金具变作为导电体3)、连接金具,又称挂线零件。
电话,壹三七柒*叁肆(柒肆五柒扒).这种金具用于绝缘子连接成串及金具与金具的连接。
它承受机械载荷。
4)、接续金具。
这种金具专用于接续各种裸导线、避雷线。
接续承担与导线相同的电气负荷,大部分接续金具承担导线或避雷线的全部张力。
5)、防护金具。
这种金具用于保护导线、绝缘子等,如保护绝缘子用的均压环,防止绝缘子串上拔用的重锤及防止导线振动用的防振锤、护线条等6)、接触金具。
这种金具用于硬母线、软母线与电气设备的出线端子相连接,导线的T接及不承力的并线连接等,这些连接处是电气接触。
因此,要求接触金具的较高的导电性能和接触稳定性。
7)、固定金具,亦称电厂金具或大电流母线金具。
这种金具用于配电装置中的各种硬母线或软母线与支柱绝缘子的固定、连接等,大部分固定金具不作为导电体,仅起固定、支持和悬吊的作用。
但由于这些金具是用于大电流,故所有元件均应无磁滞损失。
金具送电线广泛使用的铁制或铝制金属附件,统称为金具。
金具种类繁多,用途各异,例如,安装导线用的各种线夹,组成绝缘子串的各种挂环,连接导线的各种压接管、补修管,分裂导线上的各种类型的间隔棒等,此外还有杆塔用的各类拉线金具,以及用作保护导线的大小有关,须互相配合。
电力金具定义电力金具是连接和组合电力系统中的各类装置,起到传递机械负荷、电气负荷及某种防护作用的金属附件。
分类1、按作用及结构可分为悬垂线夹、耐张线夹、连接金具、接续金具、保护金具、设备线夹、T型线夹、母线金具、拉线金具等类别。
2、按电力金具产品单元划分为可锻铸铁类、锻压类、铝铜铝类和铸铁类,共四个单元。
3、还可分为国标与非标绝缘子简介绝缘子(insulator)长约几百个核苷酸对,是通常位于启动子同正调控元件(增强子)或负调控因子(为异染色质)之间的一种调控序列。
绝缘子本身对基因的表达既没有正效应,也没有负效应,其作用只是不让其他调控元件对基因的活化效应或失活效应发生作用。
绝缘子的作用是有方向性的,这是在果蝇实验中发现的。
果蝇(D.melanogaster)的黄色基因座y上插入转座子gypsy后,会造成有些组织中的y基因失活,但有些组织中y基因仍然有活性,其原因在于转座子gypsy的一端有一个绝缘子序列。
当gypsy在》/基因座的不同位置上插入时,对基因的活性有不同的效应。
这是因为y基因的活性受4个增强子调控,当绝缘子正好插在启动子的上游时,就在翅肩(wing blade)和躯体上皮(body cuticle)组织中阻断基因的活化(来自上游的增强子),但不阻断在刚毛(bristles)和跗足(farsal claws)组织中y基因的表达(来自下游的增强子)。
由于有些增强子位于启动子上游,有些位于下游,所以绝缘子的效应并不取决于绝缘子同启动子的相对位置。
因此,对绝缘子效应的方向性的原因还没有真正弄清楚。
目前已发现有两个基因座以反式活化方式影响绝缘子的功能。
基因S2J(Hw)编码的核蛋白识别绝缘子,绝缘子同其结合后才有绝缘作用。
当该基因突变后,尽管y基因座中插入了绝缘子,但失去了绝缘作用,y在所有组织中都表达。
另一个基因座是mod(mdg 4),该基因发生突变后,其效应正好与Su(Hw)相反,即这些突变型都增强了绝缘作用,使绝缘子的绝缘效应不再有方向性而得到扩展,也就是阻断了上游和下游两侧的增强子的效应。
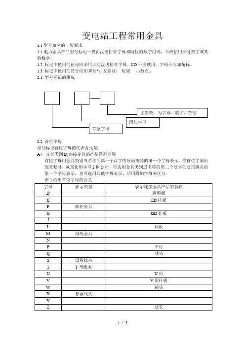
变电站工程常用金具1.1型号命名的一般要求1.1电力金具产品型号标记一般由汉语拼音字母和阿拉伯数字组成,不应使用罗马数字或其他数字。
1.2 标记中使用的祖母应采用大写汉语拼音字母。
I/O不应使用。
字母不应加角标。
1.3 标记中使用的符合应用乘号*,左斜杠/ 短划- 小数点.。
2.1 型号标记的组成2.2 首位字母型号标记首位字母的代表含义是:A)分类类别B)连接金具的产品系列名称首位字母用金具类别或名称的第一个汉字的汉语拼音的第一个字母表示。
当首位字幕出现重复时,或需使用字母I和O时,可选用金具类别或名称的第二个汉字的汉语拼音的第一个字母表示,也可选用其他字母表示,活用附加字母来区分。
表1给出首位字母的含义2.3附加字母附加字母是对首位字母的补充表示,以区别不同型式、结构、特性和用途。
同一字母允许表2.4主参数主参数中的数字用以表述下列一种或多种组合1 表示适用于导线的标称截面面积或直径㎜2 当产品适用于多个标号的导线时,为简化主参数数字,采用组合好以代表相应范围内的导线标称直径,或按不同产品型号单独设组合号,见表33 表示标称破坏载荷标记。
按GB/T2315的规定执行4 表示间距(mm,cm)5 表示母线规格(mm,m㎡)6 表示母线片数及顺序号7 表示导线根数主参数中的字母是补充性的区分标记,字母代表的含义分述如下。
3.1 悬垂线夹悬垂线夹的型号标记为X X X X - X/ X X1 2 3 4 5 6其中:1---悬垂线夹的握力类型,G—固定型。
H---滑动型,W---有限握力型;2---回转轴中心与导线轴线间的相对位置:默认表示下垂式,K—上扛式。
Z---中心回转式;3---表征悬垂线夹防晕性能;A---普级,B---中级,C---高级,D---特级4---悬垂线夹标称破坏载荷,与表征数字的对应关系见表65---悬垂线夹槽直径,mm;耐张线夹的型号标记为:N X - X -X X1 2 3 4其中:1—安装方式;B—爆压型,L—螺栓型。
填空题:1.试验过程中如果有一件试件有一项试验不符合要求,可以在同批产品中抽取原抽样两倍的数量,重做该项试验。
2.软母线金具分为软母线固定金具、软母线间隔棒、软母线组合圆环、软母线终端金具。
3.硬母线金具按适用的母线形状划分为:槽形母线金具、矩形母线金具及管形母线金具。
4.悬垂线夹用于直线杆塔上悬吊导、地线,并对导、地线应有一定的握力。
5.耐张线夹主要用来紧固导线的终端,使其固定在耐线绝缘子串上,也用于避雷线终端的固定及拉线的锚固。
6.接续金具专用于接续各种裸导线、避雷线。
7.接续承担与导线相同的电气负荷、机械荷载。
大部分接续金具承担导线或避雷线的全部张力。
8.接续金具按其承受拉力状况分为承力型和非承力型。
9.连接金具用于联接杆塔与绝缘子、绝缘子与线夹,承受机械载荷。
10.保护金具用于保护导线、绝缘子等,防止导、地线因振动而造成断股;防止绝缘子因电压分布严重不均匀而过早损坏如保护绝缘子用的均压环,防止绝缘子串上拔用的重锤及防止导线振动用的防振锤、护线条等。
11.电力金具是连接和组合电力系统中的各类装置,起到传递机械负荷、电气负荷及某种防护作用的金属附件。
12.机械破坏载荷:在规定的试验条件下,能施加于金具的最大载荷13.标称破坏载荷由需方提出或由供方规定的,金具不发生机械破坏的最小载荷。
(即设计载荷(实际应用的载荷)的2.5倍)14.机械损伤载荷是指在金具不出现永久变形的条件下,金具所承受的最大载荷值。
(即材料屈服点所对应的载荷)15.滑动是指采用任何方式紧固导线的金具,在施加载荷后,导线与金具之间出现相对位移,以致试验载荷不能继续上升的现象。
16.握力是指采用任何方式紧固导线的金具,在不出现滑动现象时所能承受的最大载荷。
17.非破坏性试验时,机械损伤载荷需要保持60 s,未出现永久变形;18.破坏载荷试验时,加荷到标称破坏载荷需要保持60 s,未出现破坏。
19.握力试验时,向试件施加规定握力 20 %的力,作一个参考点,以便测量滑移量。
一、悬垂线夹悬垂线夹 XGU-1 、2、3、4悬垂线夹(带碗头挂板) XGU-5A XGU-6A悬垂线夹(带U型挂板) XGU-5B XGU-6B悬垂线夹(加强型) XGJ-2 XGJ-25悬垂线夹(双线夹垂直排列) XCS-4 XCS-5 XCS-6悬垂线夹(500KV线路用) XGF-5X XGF-5K XGF-300 XGF-1400铝合金悬垂线夹(提包式) XGH-3 XGH-4 XGH-5二、耐张线夹耐张线夹(螺栓型) NLD-1、2、3、4ND-201 ND-202 ND-203 ND-204铝合金耐张线夹(螺栓型) NLL-1 NLL-2 NLL-3 NLL-4 NLL-5耐张线夹(压缩型、避雷线用) NY-35G~NY-135G 系列耐张线夹(液压型、用于GB1179-83钢芯铝绞线) NY-150/20~NY-800/100 系列耐张线夹(爆压型、用于GB1179-83钢芯铝绞线) NB-3OO/40A、B NB-40095/AB三、联接金具球头环 Q-7 QP-7 QP-10 QP-16 QP-21 QP-30 QH-7碗头挂板 W-7A W-7B W1-10 WS-7 WS-10 WS-16 WS-21R WS-30RU 型环 U-7 U-10 U-12 U-16 U-21 U-25 U-30 U-50挂环(延长环) PH-7 PH-10 PH-12 PH-1 PH-21 PH-25 PH-30挂环(直角环) ZH-7拉杆 YL-1040 YL-1243 YL-1643 YL-2543 YL-3043直角挂板(Z型) Z-7 Z-10 Z-12 Z-16 Z-21 Z-25直角挂板(ZS型) ZS-7 ZS-10 ZS-665挂板(PS型) PS-7挂板(P型) P-7 P-10 P-12 P-16?P-21 系列P-30系列P-50 系列挂板(UB型) UB-7 UB-10 UB-12 UB-16 UB-21 UB-30UB-12T UB-16T UB-21T UB-30TU型螺丝 U-1870 U-1880 U-2080 U-2280UJ-1880 UJ-2080 UJ-2280调整板(DB型) BB-7 DB-10 DB-12 DB-16DB-21 DB-25 DB-30 DB-50支撑架 ZCJ-45调整板(PT型) PT-7 PT-10 PT-12 PT-16 PT-21 PT-30牵引板(QY型) QY-7 QY-10 QY-12 QY-16 QY-21 QY-30 QY-50联板(L型) L-1040 L-1240 L-1640 L-2140 L-2540 L-3040L-2160 L-3060 L-2145 L-3045L-1245 L-1645-1 L-2145-1 L-2545-1联板(LF型) LF-2140 L-2540 L-3049 L-3045联板(LV型) LV-0712 LV-1020 LV-1214 LV-2115 LV-3080 联板(SV型) LS-1212 LS-1221 LS-1225 LS-1229 LS-1233 LS-1237L-1255联板(LJ型)LJ-2540LJ-3040LJ-3045/45 LJ-1040LJ-1240 LJ-1640联板(LL型) LL-1645 L-2145 LL-2545联板(LK型) LK-1045 LK-1645 LK-1649/45联板(LX型) LX-1645 LX-2145 LX-3045四、接续金具接续管(钢绞线用) JY-35G JY-55G JY-80G JY-100G JY-50G JY-70G 接续管(钢绞线用、爆压搭接)JBD-35G JBD-55G JBD-80G JBD-100G JBD-50G JBD-70G接续管(铝绞线用) JY-150L JY-185L JY-210L JY-240L JY-300L JY-400L JY-500L JY-630L JY-800L接续管(钢芯铝绞线用、爆压) JYB-300/40 、50、70 JYB-400/50、65、95 JYB-50/065接续管(铝绞线用、钳压) JT-16L JT-25L JT-35L JT-50L JT-70L JT-95L LT-120L JT-150L JT-185L接续管(钢芯铝绞线用、钳压) JT-10/2 JT-16/3 JT-25/4 JT-35/6 JT-50/8 JT-95/15、20 JT-120/7、20 JT-150/8、20、25 JT-185/10、25、30 JT-210/10、25、35 JT-240/30、40接续管(钢芯铝绞线用、爆压搭接)JTB-35/6JTB-50/8JTB-70/10? JBT-95/15、20JTB -120/7、20 JTB-150/8、20、25 JTB-185/10、25、30JBT-210/10、25、35 JTB-240/30/40接续管(钢芯铝绞线用、液压搭接) JYD-240/30、40、55 JYD-300/15、20、25、4-、50、70JYD-400/20、25、35、50、65 JYD-500/35、45、65JYD-630/45、55 JYD-800/55、70接续管(钢芯铝绞线用、液压钢芯对接) JY-240/30、40、55 JY-300/15、20、25、40、50、70JY-400/20、25、35、50、65、95 JY-500/35、45、65JY-630/35、45、65 JY-800/55、70、100补修管 JX-185/10 JX-185 JX-210 JX-240/55 JX-300/15 JX-300JX-300/70 JX-400 JX-400/65JX-400/95JX-500 JX-630JX-800/55JX-800 JX-35G JX-50G JX-70G JX-100铁并沟线夹 JBB-1 JBB-2 JBB-3铝并沟线夹 JB-0 JB-1 JB-2 JB-3 JB-4 JB-5 JB-6异型铝并沟线夹JB-10JB-20JB-21JB-30JB-31JB-32 JB-40 JB-41 JB-42 JB-43异型铜并沟线夹 JBT-11 JBT-21 JBT-22 JBT-31 JBT-32 JBT-33JBT-41 JBT-42 JBT-43 JBT-44异型铜、铝并沟线夹 JB-TL-10 JB-TL-12 JB-TL-21 JB-TL-22 JB-TL-31JB-TL-32 JB-TL-33 JB-TL-41 JB-TL-42 JB-TL-43 JB-TL-44跳线线夹(压缩型) JYT-35/6 JYT-50/8 JYT-70/10 JYT-95/15 JYT-120/7、20JYT-150/8 、20、25JYT-185/10、25、30 JYT-210/10、25、35预绞丝补修条 FYB-95/15、20、55 FYB-120/7、20、25FYB-50/8、20、25、35五、保护金具防振锤 FD-1 FD-2 FD-3 FD-4 FD-5 FD-6 FG-35 FG-50 FG-70 FG-100防振锤(500KV用) FF-5 FF-5G防振锤(铝合金压板) FR-2 FR-3 FR-4 FDZ-1 FDZ-2 FDZ-3 FDZ-4 FDZ-5预绞丝护线条 FYH-95/15、20、55 FYH-120/7、20、25 、70FYH-150/8、20、25、35 FYH-185/10、25、30、45FYH-210/10、25、35、50 FYH-240/30、40、55FYH-300/15、20、25、40、50、70FYH-400/20、25、35、50、65、95FYH-500/35、45、65 FYH-630/45、55FYH-800/55、70、100铝包带 1×10重锤挂板 ZG-1 ZG-2重锤座 ZJ-1重锤片 ZC-1 ZC-18(500KV线路用)间隔棒 FJQ TJ FJZ JZX JZY FJZ JX JZF FJP 系列均压屏蔽环 FJP 各系列 JL 型 PL型六、拉线金具楔型线夹 NX-1 NX-2 NX-3 NX-4UT型线夹(可调式) NUT-1 NUT-2 NUT-3 NUT-4ULY型线夹(压接可调式) NLY-100B NLY-120B NLY-135B NLY-100C NLY-125C NLY-150C拉线用U型环 UL-7 UL-10 UL-12 UL-16 UL-21钢线卡子 JK-1 JK-2 JK-3挂板 PD-7 PD-10 PD-12七、T接金具T型线夹(螺栓型) TL-11 TL-21 TL-22 TL-31 TL-32 TL-33 TL-41 TL-42 TL-43 TL-44T型线夹(压缩型) TY-120/7 TY-150/8、20 TY-185/10、25 TY-210/10、25TY-240/30 TY-300/15、20、25、40 TY-400/20、25、35、50TY-630/45、55 TY-800/55、70、100T型线夹(单导线、压缩型) TY-105 TY-1010T型线夹(双导线、压缩型) TL-2×10/100 TL-2×10/400八、设备线夹设备线夹(压缩型) SY系列 A 型 B型 C型设备线夹(压缩型) SY-10A SY-10B SY-10C SY-10NC SY-10NB SY-10NC设备线夹(双导线、压缩型)SY-10A/400-1 SY-10B/400-1 SY-10C/400/-1SY-10A/400-2 SY-10B/400-2 SY-10C/400/-2设备线夹(螺栓型) SL-1A SL-2A SL-3A SL-4A SL-1B SL-2B SL-3B SL-4B铜铝过渡设备线夹(压缩型、) SYG 系列 A型 B型铜铝过渡设备线夹(压缩型) SYG-10A SYG-10B SYG-10C SYG-10NA SYG-10NB SYG-10NC铜铝过渡设备线夹(双导线、压缩型) SG-1-A/400 SYG-10B-400 SYG-10C/400 铜铝过渡设备线夹(压缩型) SLG-1A SLG-2A SLG-3A SLG-4A SLG-1B SLG-2B SLG-3B SLG-4B铜铝过渡板 G-50×5 MG-60×6.3 MG-60×8 MG-60×10 MG-80×8MG-100×8 MG-100×10 MG-125×8 MG-125×10 MG-125×12.5九、其它设备线夹铜、铝接线夹 JTL-100 JTL-200 JTL-300 JTL-400 JTL-500 JTL-600JTL-800 JTL-1000梅花型紫铜接线夹 WCJB-1 WCJB-2 WCJB-3 WCJB-4 WCJB-5 WCJB-6 WCJB-7 WCJB-8 WCJB-9铜铝跨径接户线夹 JKG-1 JKG-2 JKG-3 JKG-4 JKG-5 JKG-6铜并沟线夹 JBT-11 JBT-21 JBT-22 JTB-31 JBT-32 JBT-33JBT-41 JBT-42 JBT-43 JBT-44铜、铝并沟线夹JB-TL-10 JB-TL-11 JB-TL-21 JB-TL-22 JB-TL-31 JB-TL-32JB-TL-33 JB-TL-41 JB-TL-42 JB-TL-43 JB-TL-44梅花型黄铜接线夹 WCJC-1 WCJC-2 WCJC-3 WCJC-4 WCJC-5 WCJC-6变压器用铜铝线夹 SBG-M12 SBG-M14 SBG-M16 SBG-M18 SBG-M20铜接线端子 DT-10 DT-16 DT-25 DT-35 DT-50 DT-70 DT-95 DT-120 DT-120DT-150 DT-185 DT-240 DT-300 DT-400 DT-500 DT-630铝接线端子 DL-10 DL-16 DL-25 DL-35 DL-50 DL-70 DL-95 DL-120 DL-150 DL-185 DL-240 DL-300DL-400铜、铝接线端子DTL-10 DTL-16 DTL-25 DTL-35 DTL-50 DTL-70 DTL-95 DTL-120DTL-150 DTL-185 DTL-240 DTL-300 DTL-400DTL-500 DTL-630十、电站金具矩形母线平放固定金具(户内一片) MNP-101 ~108矩形母线平放固定金具(户内二片) MNP-201 ~208矩形母线平放固定金具(户内三片) MNP-301 ~308矩形母线平放固定金具(户外一片) MWP-101 ~104矩形母线平放固定金具(户外二片) MWP-201 ~204矩形母线平放固定金具(户外三片) MWP-301 ~304矩形母线立放固定金具(户内一片) MNL-101 ~108矩形母线立放固定金具(户内二片) MNL-201 ~208矩形母线立放固定金具(户内三片) MNL-301 ~308矩形母线立放固定金具(户外一片) MWL-101 ~104矩形母线立放固定金具(户外二片) MWL-201 ~204矩形母线立放固定金具(户外三片) MWL-301 ~304矩形母线间隔垫 MJG-01 MJG-02 MJG-03 MJG-04槽形母线固定金具(户外) MCW-100 MCW-125 MCW-150 MCW-175MCW-200 MCW-225 MCW-250槽形母线固定金具(户内) MCN-100 MCN-125 MCN-150 MCN-175 MCN-200 MCN-225 MCN-250槽形母线固定吊挂 MCD-1 MCD-2 MCD-3槽形母线间隔垫 MCG-1 MCG-2 MCG-3固定金具 MGG-70 MG-G80 MGG-90 MGG-100 MGG-120 MGG-130MGG-150 MGG-170 MGG-200 MGG-250T 接金具 MGT-70 MGT-80 MGT-90 MGT-100 MGT-120MGT-130 MGT-150 MGT-170 MGT-200 MGT-250终端球 MGZ-13 0 MGZ-150 MGZ-17 0 MGZ-200 MGZ-250名称规格型号封头 MGF-70 MGF-80 MGF-90 MGF-100 MGF-120 MGF-130 MGF-150 MGF-170 MGF-250支架 MGJ-104 MGJ-110 MGJ-115软母线固定金具(单母线) MDG-4 MDG-5 MDG-6软母线固定金具(双母线)MSG-4/120 MSG-5/120 MSG-6/400 MDG-4/200 MSG-5/200 MSG-6/200软母线间隔棒MRJ-4/120 MRJ-5/120 MRJ-6/120MRJ-4/200 MRJ-5/200 MRJ-6/200MRJ-10K/200 MRJ-10K/400 MRJ-10N/200 MRJ-10N/400组合母线圆环 YH(2+8)YH(2+12)YH(2+16)YH(2+20)YH(2+24)母线伸缩节(全铝) MS-63×6.3 MS-80×6.3 MS-80×8 MS-100×8MS-100×10 MS-125×8 MS-120×10 MS-125×12.5母线伸缩节(铜、铝) MSS-63×6.3 MSS-80×6.3 MSS-80×8 MS -100×8MSS-100×10 MSS-125×8 MSS -120×10 MSS-125×12.5槽型母线伸缩节 MSC-150-1、2、3、4、5 MSC-200-1、2、3、4、5组合导线终端固定金具 ZD(2+8)ZD(2+12) ZD(2+16) ZD(2+24)十一、架空绝缘线金具NK系列铝合金绝缘耐张线夹 NK-1(NEK-1) NK-2(NEK-2) NK-3(NEK-3)NEK-1T (铜芯) NEK-2T(铜芯)验电接地装置 BYD型绝缘接地线夹 J10DL1 J10DL2接续线夹 JJP-16-160 JJP-50-240 JJP-2/2架空绝缘耐张线夹(1KV) JNL-1-16 JNL-1-25 JNL-1-35 JNL-1-50 JNL-2-70 JNL-2-95 JNL-3-150 JNL-3-185 JNL-3-240架空绝缘耐张线夹(10KV) J10NL-1-16 J10NL-1-25 J10NL-1-35 J10NL-1-50J10NL-2-70 J10NL-2-95 J10NL-3-150 J10NL-3-185 J10NL-3-240绝缘铜、铝分支线夹(10KV)J10FKG-25 J10FKG-35 J10FKG-50 J10FKG-70J10FKG-95 J10FKG-120 J10FKG-150 J10FKG-185J10FKG-240绝缘铝分支线夹(10KV)J10FKL1-25 J10FKL1-35 J10FKL1-50 J10FKLI-70J10FKL1-95 J10FKL1-120 J10FKL1-150 J10FKL1-185J10FKL1-240 绝缘铝分支线夹(10KV)10FKL2-16 J10FKL2-25 J10FKL2-35 J10FKL2-50 J10FKL2-70 J10FKL2-95 J10FKL2-120 J10FKL2-150 J10FKL2-185 J10FKL2-240 绝缘穿刺线夹(10KV)JJC10-240/240 JJC10-240/150 JJC10-150/150 JJC10-150/70绝缘穿刺线夹(1KV) JJC-2 JJC-3 JJC-4绝缘悬挂线夹(四芯) JCG-1S JCG-2S JCG2-1S-×× JCG2-2S-××绝缘悬挂线夹(单根) JCG4-1D JCG4-2D JCG4-3D JC54-1D四芯绝缘耐张线夹(锚定线夹) JNS-1A JNS-2A JNS-1B JNS-3B JNS-3BJNS-1C JNS-2C JNS-3C JNS-4C。
电力金具目录Line Fitting Table of Contents1.悬垂线夹SUSPENSION CLAMP2.耐张线夹STRAIN CLAMP3.联结金具LINK FITTING4.接续金具SPLICIG FITTING5.保护金具PORTECTIVE FITTING6.拉线金具GUY WIRE FITTING1.悬垂线夹SUSPENSION CLAMP悬垂线夹(中心回转式)Suspension Clamps (Trunnion Type)悬垂线夹(带碗头挂板)Suspension Clamps (With socket-clevis)悬垂线夹(带U型挂板)Suspension Clamps (With Clevis)悬垂线夹(耐磨型)Suspension Clamps (Abrasion-proof Type)悬垂线夹(CGT型)Suspension Clamps (Type CGT)悬垂线夹(CGJ型)Suspension Clamps (Type CGJ)悬垂线夹(大跨越用)Suspension Clamps (For Great River-crossing Lines) 悬垂线夹(铝合金、提包式)Suspension Clamps (Envelope Type)悬垂线夹(下垂式)Suspension Clamps (Hang-down Type)悬垂线夹(上扛式)Suspension Clamps (Carried-up)悬垂线夹(500kV 高海拔线用)Suspension Clamps (For 500kV High Height Lines)悬垂线夹(CFZ型)Suspension Clamps (Type CFZ)悬垂线夹(CGZ型)Suspension Clamps (Type CGZ)悬垂线夹(双导线跳线用)Suspension Clamps for Twin Jumper Conductor悬垂线夹(双导线用、节能型)Suspension Clamps for Twin Conductor跳线悬垂线夹Suspension Clamps for Jumper Conductor 跳线悬垂线夹(阻尼式)Suspension Clamps for Jumper Conductor2.耐张线夹STRAIN CLAMP耐张线夹(螺栓型)Strain Clamps(Bolt Type)铝合金耐张线夹(螺栓型)Aluminum Alloy Strain Clamps (Bolt Type)绝缘导线用耐张线夹(10kV线路用)Strain Clamps for Insulated Cable (Wedge Type)耐张线夹(液压型)Strain Clamps(Hydraulic Compression Type)耐张线夹(液压型、钢锚整段)Strain Clamps (Hydraulic Compression Type, anchor Forged)耐张线夹(爆压型)Strain Clamps (Explosive Compression Type)钢绞线用耐张线夹(液压型)Strain Clamps for Steel Wire (Hydraulic Compression Type)铝包钢芯铝绞线用耐张线夹(液压型)Strain Clamps For ACSR/AS Conductor (Hydraulic Compression Type) 铝包钢绞线用耐张线夹(液压型)Strain Clamps for AS.Stranded Wire (Hydraulic Compression Type)钢芯铝合金绞线用耐张线夹(液压型)Strain Clamps for AACSR (Hydraulic Compression Type)耐热铝合金绞线用耐张线夹(液压型)Strain Clamps for HRAAS Conductor (Hydraulic Compression Type) 铝合金绞线用耐张线夹(液压型)Strain Clamps for LHAJ (Hydraulic Compression Type)3.联结金具LINK FITTING球头挂环(Q、QP型)Ball Eyes (Type Q、QP)球头挂环(QH型)Ball Eyes (Type QH)球头挂环(环孔平行型)Ball Eyes (Parallel Type)球头挂环(环孔垂直型)Ball Eyes (Perpendicular Type)球头挂板Ball EyesU型球头U Type Ball EyesY型球头Y Type Ball Eyes球头钩Ball Hooks碗头挂板(W型)Socket Eyes (Type W)碗头挂板(带孔W型)Socket Eyes (With Hole Type W)碗头挂板(WSY型)Socket Clevises (Type WSY)碗头挂板(WS型)Socket Clevises (Type ws)碗头挂板(装均压屏蔽环型)Socket Clevises (Elongated Type WS)U型挂环Shackles加强型U型挂环Strengthened Shackles直角挂环(ZH型)Eye Links (Type ZH)延长环(环体整锻PH型)Extensive Links (Link Boody Whole-forged) 延长拉杆(YLP型)Extension Rods (Type YLP)延长拉杆(YL型)Extension Rods (Type YL)挂板(Z型)Clevis (Type Z)挂板(ZS型)Clevis (Type ZS)挂板(ZBD型)Clevis (Type ZBD)挂板(ZBS型)Clevis (Type ZBS)挂板(P型)Double Straps (Type P)挂板(PS型)Clevis (Type PS)挂板(V、VD、YD型)Clevis Eyes (Type V、VD、YD)挂板(UB型)Clevis Hinges (Type LT、EB)联塔挂板(LT、EB型)Tower-connecting Hinges (Type LT、EB) 联塔挂板(NPT型)Tower-connecting Fittings (Type NPT) 联塔挂板(NPTS型)Tower-connecting Fittings (Type NPTS) 耳轴挂板(GD型)Clevis Hings (Type GD)牵引板Towing Plates调整板(PT型)Adjuster plates (Type PT)调整板(DB型)Adjuster plates (Type DB)联板(L、LT、LZ型)Yoke Plates (Type L、LT、LZ) 联板(LF型)Yoke Plates (Type LF)联板(LJ型)Yoke Plates (Type LJ)联板(LS型)Yoke Plates (Type LS)联板(LL型)Yoke Plates (Type LL)联板(LK型)Yoke Plates (Type LK)联板(LX型)Yoke Plates (Type LX)联板(LXV型)Yoke Plates (Type LXV)联板(500kV 六分裂紧凑型)Yoke Plates (For 500kV Six-Conductor Compact Lines) 调平联板(SP型)Horizon-adjusting Plates (Type SP)调平联板(LTP型)Horizon-adjusting Plates (Type LTP)避雷线悬垂吊架Ground Wire HangersU型螺丝U-bolt支撑架(ZCJ型)Support Brackets (ZCJ)4.接续金具SPLICING FITTING接续管(钢绞线用)Splicing Sleeves for Steel Wire接续管(钢绞线用、爆压塔接)Splicing Sleeves for Wire (Explosive Overlap Joint)接续管(铝绞线用)Splicing Sleeves for Aluminum Conductor接续管(10kV绝缘导线)Splicing Sleeves for Insulated Overhead Cable接续管(钢芯铝绞线用)Splicing Sleeves for ACSR Conductor接续管(钢芯铝绞线用,爆压塔接)Splicing Sleeves for ACSR Conductor (Explosive Overlap Joint)接续管(钢芯铝绞线用,液压塔接)Splicing Sleeves for ACSR Conductor (Hydraulic Overlap Joint)接续管(铝包钢绞线用)Splicing Sleeves for AS.Stranded Wire接续管(耐热导线用,塔接)Splicing Sleeves for HRAAS. Stranded Wire (Overlap Joint)接续管(耐热导线用)Splicing Sleeves for HRAAS. Stranded Wire接续管(铝包钢芯铝绞线用,塔接)Splicing Sleeves for ACSR/AS. Stranded Wire (Overlap Joint)接续管(铝包钢芯铝绞线用)Splicing Sleeves for ACSR/AS. Stranded Wire接续管(铝包钢芯铝绞线用,爆压塔接)Splicing Sleeves for ACSR/AS. Stranded Wire (Overlap Joint)接续管(钢芯铝合金导线用)Splicing Sleeves for ACSR/AS. Stranded Wire接续管(钢芯铝合金导线用,塔接)Splicing Sleeves for ACRS/AS. Stranded Wire (Explosive Overlap Joint) 接续管(铝线用、钳压)Splicing Sleeves for Aluminum Conductor (Compression with Pliers)接续管(钢芯铝合金导线用、钳压)Splicing Sleeves for AACRS conductor (Compression with Pliers)接续管(钢芯铝合金导线用、爆压)Splicing Sleeves for AACRS conductor (Explosive Overlap Joint)补修管(钢芯铝合金导线用)Repair Sleeves for AACRS Conductor补修管(钢绞线用)Repair Sleeves for Steel Wire并沟线夹(钢绞线用)Parallel Clamps for Steel Wire并沟线夹(铝绞线、钢芯铝绞线用)Parallel Clamps for AAC & ACSR Conductor并沟线夹(耐热铝合金导线用)Parallel Clamps for Heat-resistant Aluminum Alloy Conductor 并沟线夹(JBG型)Parallel Clamps (Type JBG)预绞丝补修条Preformed Armour Rods for Conductor Repair)跳线线夹Jumper Connectors四变二线夹Connector for 4-2 Bundle Conductor5.保护金具PORTECTIVE FITTING防振锤(FD、FG型)Dampers (Type FD、FG)防振锤(FF型)Dampers (Type FF)防振锤(FR型)Dampers (Type FR)防振锤(FDZ型)Dampers (Type FDZ)双分裂间隔棒(FJQ型)Spacers (Type FJQ)双分裂间隔棒(FJZ型双导线)Spacers-Dampers (Type FJZ for Double Conductor) 间隔棒(FFJQ型)Spacers (Type FFJQ)间隔棒(500kV跳线型)Spacers for 500kV Line Jumper Conductor间隔棒(三分裂导线用)Spacers-Dampers for Three-Bundle Conductor间隔棒(500kV跳线用)Spacers for Jumper Conductor (For 500kV Lines)十字型阻尼间隔棒(500kV跳线用)Cross Type Spacer-dampers (For 500kV Lines)方框型阻尼间隔棒(500kV跳线用)Spacers Frame Type Spacer-dampers (For 500kV Lines)矩形阻尼间隔棒(500kV跳线用)Rectangular Frame Type Spacer-dampers (For 500kV Lines)防舞间隔棒(500kV跳线用)Spacer-dampers for Preventing Vibration (For 500kV Lines)预绞丝阻尼间隔棒(500kV跳线用)Armor-Grip Spacer (For 500kV Lines)三分裂阻尼间隔棒(330kV紧凑型线路用)Spacers-dampers for Three-bundle Conductor (For 330kV Compact Lines) 四分裂阻尼间隔棒(330kV紧凑型线路用)Spacers-dampers for Four-bundle Conductor (For 330kV Compact Lines) 六分裂间隔棒(500kV紧凑型线路用)Spacers-dampers for Six-bundle Conductor (For 500kV Compact Lines) 六分裂间隔棒(750kV线路用)Spacers-dampers for Six-bundle Conductor (For 750kV Lines)预绞丝护线条Preformed armor rods悬重锤片及其附件Counter Weight Assembles悬重锤(ZX-3)及其附件Counter Weight Pieces重锤片Counter Weight Pieces均压屏蔽环Grading & Shielding Rings均压屏蔽环(330kV线路用)Grading & Shielding Rings for 330kV Lines6.拉线金具GUY WIRE FITTING楔形线夹Wedge ClampsUT型线夹(可调式)UT Wedge Clamps (Adjustable Type)UT型线夹(不可调式)UT Wedge Clamps (Non-adjustable Type)拉线U型挂环(UL型)Shackles平行挂板(PD型)Double Strap (Type PD)钢线卡子Guy Clips双拉线用联板(LV型)Yoke Plates for Double Guy Wires压接式NLY型线夹(可调式)Type NLY Strain Clamps of Compression Joint (Adjustable Type)预绞式电力金具目录Preformed Line Products for Helical Fittings of Overhead Line Table of Contents1.预绞式耐张线夹Preformed Tension Set2.预绞式悬垂线夹Preformed Suspension Set3.预绞式接续金具Preformed Splice Fitting4.预绞式保护金具Preformed Protect Fittings1.预绞式耐张线夹Preformed Tension Set预绞式导线耐张线夹Preformed Conductor Tension Set预绞式地线耐张线夹Preformed Ground Tension Set预绞式拉线耐张线夹Preformed Guys Tension Set2.预绞式悬垂线夹Preformed Suspension Set预绞式导线悬垂线夹Preformed Conductor Suspension Set预绞式地线悬垂线夹Preformed Ground Suspension Set3.预绞式接续金具Preformed Splice Fitting预绞式导线接续条Preformed Conductor Splice预绞式跳线接续条Preformed Jump Conductor Splice预绞式地线接续条Preformed Ground Splice预绞式拉线接续条Preformed Guys Splice4.预绞式保护金具Preformed Protect Fittings预绞式护线条Preformed Armor Rods预绞式护线/修补条Preformed Armor Rod or Repair防振金具Vibration DamperADSS/OPGW预绞式光缆金具目录Preformed Line Products for Helical Fittings of ADSS/OPGW Table of Contents1.ADSS光缆用小张力楔形线夹Wedge Tension Set for Short Span ADSS2.ADSS光缆用小张力耐张线夹Tension Set for Short Span ADSS3.ADSS光缆用中张力及大张力耐张线夹Tension Set for Medium/Long Span ADSS4.ADSS用短档距悬垂线夹Suspension Set for Short Span (≤100m) ADSS ADSS光缆用单层预绞丝悬垂线夹Monolayer Preformed Rods Suspension Set for ADSS5.ADSS光缆用悬垂线夹Suspension Set for ADSS6.ADSS光缆用双悬垂线夹Tension Set for ADSS7.OPGW光缆用耐张线夹Tension Set for OPGW8.OPGW光缆用悬垂、双悬垂线夹Suspension Set 、Double Suspension Set for OPGW9.引下夹具Down Lead Clamp10.螺旋防振器Spiral Vibration Damper11.防震锤、护线条Vibration Damper 、Armor Rod12.接头盒Joint Box13.余缆架Cable Storage Assembly14.终端盒Terminal Box15.紧固金具Immobility Clamp16.配套金具Matched Fitting。
悬垂线夹悬垂线夹主要用于架空电力线路或变电站,通过联结金具将导线避雷线悬挂在绝缘子上或将避雷线悬挂在杆塔上,有可锻铸铁和铝合金两种材质。
联结金具主要用于架空电力线路或变电站,将导线、避雷线夹与绝缘子相连或将绝缘子、避雷线线夹与杆塔相连,按安装条件的不同,分专用联结金具指与绝缘子相连的球头挂环和碗头挂板。
通用联结金具适用各种情况,按荷重吨位分级,荷重相同的金具具有互换性。
共27个系列134种型号。
(点击小图看大图)球头挂环联板U型挂环延长环单联碗头直角挂板U型螺丝双联碗头球头挂环(Q型、QP型、)挂环(延长环)挂环(直角环)挂板(PS型)挂板(P型)调整板(DB型)联板(L型)LF型LS型耐张线夹(螺栓型)型号适用绞线直径范围(mm) 破坏荷重(KN) 重量(KG)NLD-1 5.0-10.0 20 1.3 NLD-2 10.1-14.0 40 2.1 NLD-3 14.1-18.0 70 4.6 NLD-4 18.1-23.0 90 7.0 ND-1 5.0-10.0 20 1.1 ND-2 10.1-14.0 40 1.9 ND-3 14.1-18.0 70 4.2 ND-4 18.1-23.0 90 6.4 NLL-1 5.1-11.4 40 0.5 NLL-2 8.9-18.5 40 1.8 NLL-3 5.0-15.0 70 1.9 NLL-4 12.1-21.8 90 4.1 NLL-5 18.0-30.0 120接续金具主要用于架空电力线路导线,避雷线接续和补修。
按结构形式和安装方法的不同,分为压缩型,螺栓型和与予绞丝式三类:压缩型又分为液压、爆压和钳压三种。
共18个系列,188种型号。
并沟线夹防震锤钢绳卡防震锤预绞丝护线条间隔棒FJQ型FJZ型JZX型JZY型均压屏蔽环FJP-300***型(330KV用)FJP-500***型(500KV用)UT 型挂环(点击小图看大图) 楔形线夹(点击小图看大图)楔形线夹UT 型线夹(可调式)NLY 型线夹(压接、可调式)拉线用U 型挂环T型线夹主要用于架空电力线路或变电站,在母线的干线上以“T”形方式引下分支。
中华人民共和国国家标准T 形 线 夹GB 2340—85T-connector 代替 GB 2340—80国家标准局1985-01-23发布 1985-12-01实施1 适用范围本标准适用于变电所户外配电装置中母线与引下线T 接的T 形线夹。
2 型式尺寸2.1 T 形线夹分为TL 型、TY 型。
2.2 T 形线夹主要尺寸应符合图1~2表1 ~2的规定:图1表1 mm适 用 导 线 型 号型 号 外 径cdl 1l 2φrTY-120/7 LGJ-120/7 14.50 16 26 115 80 16.0 8.0 TY-150/8 TY-150/20LGJ-150/8 LGJ-150/2016.00 16.6718 30 125 9017.5 18.09.0TY-185/10 LGJ-185/10 18.00 21 32 125 90 19.5 10.5TY-185/25LGJ-185/25 18.90 20.5 TY-210/10 TY-210/25 LGJ-210/10 LGJ-210/25 19.00 19.98 22 34 20.521.511.0TY-240/30 LGJ-240/30 21.60 24 36135 100 23.0 12.0TY-300/15 TY-300/20 TY-300/25 TY-300/40 LGJ-300/15 LGJ-300/20 LGJ-300/25 LGJ-300/40 23.01 23.43 23.76 23.94 26 40 145 110 24.5 25.0 25.5 25.5 13.0 TY-400/20 TY-400/25 TY-400/35 TY-400/50 LGJ-400/20 LGJ-400/25 LGJ-400/35 LGJ-400/50 26.91 26.64 26.82 27.63 29 45 155 120 28.5 28.5 28.5 29.5 14.5 TY-500/35 TY-500/45 TY-500/65 LGJ-500/35 LGJ-500/45 LGJ-500/65 30.00 30.00 30.96 32 52 165 130 31.531.532.5 16.0 TY-630/45 TY-630/55 TY-630/80 LGJ-630/45 LGJ-630/55 LGJ-630/80 33.60 34.32 34.82 36 60 185 150 35.536.036.518.0 40 20.0TY-800/55 TY-800/70 TY-800/100LGJ-800/55 LGJ-800/70 LGJ-800/10038.40 38.58 38.9841 65 210 170 40.040.540.520.5图2表2 mm适用导线截面,mm 2 型 号 母线/引下线φ1φ2h lTL-11 35~50/35~50 10 10 102TL-2170~95/35~501410 103180TL-22 70~95/70~9514120 118 TL-31 TL-32 TL-33 120~150/35~50 120~150/70~95 120~150/120~150 171014 17 120118 120 TL-41 TL-42 TL-43 TL-44185~240/35~50 185~240/70~95 185~240/120~150 185~240/185~240221014 17 22117120表中型号中字母及数字意义为:T ——T 接;Y ——压缩,L ——螺栓;数字——适用导线截面,mm 2;分子表示铝截面;分母表示钢截面;21等第一位表示适用母线组合号,第二位表示适用引下线组合号。
电力金具手册文件排版存档编号:[UYTR-OUPT28-KBNTL98-UYNN208]悬吊金具,又称支持金具或悬垂线夹。
这种金具主要用来悬挂导线予绝缘子串上(多用于直线杆塔)及悬挂跳线于绝缘子串上。
锚固金具,又称紧固金具或耐张线夹。
这种金具主要用来紧固导线的终端,使其固定在耐张绝缘子串上,也用于避雷针终端的固定及拉线的锚固,锚固金具承担导线、避雷线的全部张力,有的锚固金具亦作为导电体。
连接金具,又称挂线金具。
这种金具用于绝缘子连接成串及金具与金具的连接。
它承受机械载荷。
接续金具,这种金具专用于接续各种裸导线、避雷线。
接续金具承担与导线相同的电器负荷,大部分接续金具承担导线或避雷线的全部张力。
防护金具,这种金具用于保护导线、绝缘子等,如保护绝缘子用的均压环,防止绝缘子串上拔用的重锤及防止导线振动用的防振锤、护线条等。
接触金具。
这种金具用于硬母线、软母线与电气设备的出线端子相连接,导线的T接及不承受的并线连接等。
这些连接处是电气接触。
因此,要求接触金具有较高的导电性能和接触稳定性。
固定金具,亦称电厂金具或大电流母线金具。
这种金具用于配电装置中的各种硬母线或软母线与支柱绝缘子的固定、连接等,大部分固定金具不作为导电体,仅起固定、支持和悬吊的作用。
但由于这些金具是用于大电流,故所有元件均应无磁滞损失。
电力金具分为架空线路金具和配电装置金具两大体系,共八类:(1)悬垂线夹类,以字母C表示;(2)耐张线夹类,以字母N表示;(3)连接金具类,无分类代表字母,型号首字按产品名称首字,但不与分类代表字母重复;(4)接续金具类,以字母J表示;(5)防护金具类,以字母F表示;(6)T接金具类,以字母T表示;(7)设备线夹类,以字母S表示;(8)母线金具类,以字母M表示。
T接线夹1.T型线夹(TY液压型)型号适用导线主要尺寸参考重量(kg) 型号L1 L2 DTY-120/7 LGJ-120/7 115 80 26 1.2 TY-120/20 LGJ-120/20 115 80 26 1.2 TY-150/8 LGJ-150/8 125 90 30 1.3 TY-150/20 LGJ-150/20 125 90 30 1.3 TY-185/10 LGJ-185/10 125 90 32 1.4 TY-185/25 LGJ-185/25 125 90 32 1.4 TY-185/30 LGJ-185/30 125 90 32 1.4 TY-210/10 LGJ-210/10 135 100 34 1.5 TY-210/25 LGJ-210/25 135 100 34 1.5 TY-240/30 LGJ-240/30 135 100 36 1.6 TY-240/40 LGJ-240/40 135 100 36 1.6 TY-300/15 LGJ-300/15 145 110 40 1.7 TY-300/20 LGJ-300/20 145 110 40 1.7 TY-300/25 LGJ-300/25 145 110 40 1.7 TY-300/40 LGJ-300/40 145 110 40 1.7 TY-400/20 LGJ-400/20 155 120 45 1.9 TY-400/30 LGJ-400/30 155 120 45 1.9 TY-400/35 LGJ-400/35 155 120 45 1.9 TY-400/50 LGJ-400/50 155 120 45 1.9 TY-400/65 LGJ-400/65 155 120 45 1.9 TY-500/35 LGJ-500/35 165 130 52 2.3 TY-500/45 LGJ-500/45 165 130 52 2.3 TY-500/65 LGJ-500/65 165 130 52 2.3 TY-630/45 LGJ-630/45 185 150 60 4.2 TY-630/55 LGJ-630/55 185 150 60 4.2 TY-630/80 LGJ-630/80 185 150 60 4.2 TY-800/55 LGJ-800/55 210 170 65 5.5 TY-800/70 LGJ-800/70 210 170 65 5.5 TY-800/100 LGJ-800/100 210 170 65 5.5 TY-300N NRLH60GJ-300 205 170 50 3.5 TY-400N NAHLGJQ-400 215 180 55 3.9 TY-500/35N NAHLGJQ-500/35 290 180 65 6.2 TY-630/45N NAHLGJQ-630/45 300 200 70 7.0表见上页2.T型线夹(TLY型)型号适用导线主要尺寸参考重量(kg) 母线引下线 D LTLY-600K/300 LGKK-600 LGJ-300 40 110 5.5 TLY-600K/400 LGKK-600 LGJ-400 45 120 5.8 TLY-600K/600K LGKK-600 LGKK-600 76 180 7.2 TLY-1000N/1000N NRLH58GJ-1000 NRLH58GJ-1000 76 210 6.5 TLY-1400/300 LGJQT-1400 LGJ-300 40 110 5.5 TLY-1400/400 LGJQT-1400 LGJ-400 45 120 5.8 TLY-1400/1400 LGJQT-1400 LGJQT-1400 76 180 6.2 TLY-1440N/1440N NALHLGJQ-1440 NALHLGJQ-1440 80 240 11.33.双导线T型线夹(TYS型)型号适用导线主要尺寸参考重量(kg) 型号外径 b S D L aTYS-2×150/120 LGJ-150/25 17.10 30 100 125 12 120 2.3 TYS-2×185/120 LGJ-185/45 19.60 32 100 125 12 120 2.2 TYS-2×240/120 LGJ-240/30 21.60 36 100 125 12 120 2.3 TYS-2×300/120 LGJ-300/40 23.94 40 100 125 12 120 2.8 TYS-2×400/120 LGJ-400/50 27.63 45 125 145 12 120 3.9 TYS-2×500/120 LGJ-500/45 30.00 52 125 145 16 120 5.7 TYS-2×630/120 LGJ-630/45 33.60 60 150 175 16 120 7.1 TYS-2×240/200 LGJ-240/30 21.60 36 100 125 12 200 2.7 TYS-2×300/200 LGJ-300/40 23.94 40 100 125 12 200 3.2 TYS-2×400/200 LGJ-400/50 27.63 45 125 145 12 200 4.2 TYS-2×500/200 LGJ-500/45 30.00 52 125 145 16 200 6.1 TYS-2×630/200 LGJ-630/45 33.60 60 150 175 16 200 7.5 TYS-2×240/400 LGJ-240/30 21.60 36 100 125 12 400 3.8 TYS-2×300/400 LGJ-300/40 23.94 40 100 125 12 400 4.3 TYS-2×400/400 LGJ-400/50 27.63 45 125 145 12 400 5.4 TYS-2×500/400 LGJ-500/45 30.00 52 125 145 16 400 7.1 TYS-2×630/400 LGJ-630/45 33.60 60 150 175 16 400 8.54.T型线夹(TL型)型号适用导线型号主要尺寸参考重量图示L h (kg) TL-11 Ф7.5~9.6/Ф7.5~9.6118 102 0.7 1 TL-21 Ф10.65~13.68/Ф7.5~9.6118 103 0.8 1 TL-22 Ф10.65~13.68/Ф10.65~13.68 120 103 0.8 1 TL-31 Ф14~16.72/Ф7.5~9.6118 117 1.1 1 TL-32 Ф14~16.72/Ф10.65~13.68 120 117 1.1 1 TL-33 Ф14~16.72/Ф14~16.72 120 117 1.1 1 TL-41 Ф17.5~21.28/Ф7.5~9.6 118 117 1.1 1 TL-42 Ф17.5~21.28/Ф10.65~13.68 120 117 1.1 1 TL-43 Ф17.5~21.28/Ф14~16.72 120 117 1.1 1 TL-44 Ф17.5~21.28/Ф17.5~21.28 120 117 1.2 1 TL-54 Ф23~27/Ф17.5~21.28 120 119 1.5 1 TL-55 Ф23~27/Ф23~27 138 194 4.0 2 TL-56 Ф23~27/Ф30~35 138 194 4.2 2 TL-64 Ф30~35/Ф18~22 176 200 4.5 2 TL-65 Ф30~35/Ф23~27 176 200 4.5 2 TL-66 Ф30~35/Ф30~35 176 247 4.8 2 TL-87 Ф46~52/Ф36~42 320 385 14.0 2 TL-88 Ф46~52/Ф46~52 320 395 14.8 2 TL-800.1 Ф34~39/Ф26~30 230 323 7.0 2(图4-1) (图4-2)5.双导线T型线夹(TLS型)型号适用导线主要尺寸参考重量型号Ф1 Ф2 L h (kg) TLS-44 185~240/185~240 22.0 22.0 120 120 3.2 TLS-45 185~240/300~400 22.0 28.0 120 160 3.4 TLS-53 300~400/120~150 28.0 18.0 120 160 3.6 TLS-54 300~400/185~240 28.0 22.0 120 122 3.7 TLS-55 300~400/300~400 28.0 28.0 120 160 3.9 TLS-56 300~400/500~630 28.0 34.5 120 170 4.1 TLS-65 500~630/300~400 34.5 28.0 120 180 4.5 TLS-66 500~630/500~630 34.5 34.5 120 180 4.86.T型线夹(TL型)型号适用导线主要尺寸参考重量(kg) 型号 C H FTL-210N NAHLGJQ-210 63 105 16 4.5 TL-240N NAHLGJQ-240 63 105 16 5.5 TL-300N NAHLGJQ-300 100 100 20 6.6 TL-400N NAHLGJQ-400 100 110 20 6.5 TL-500N NAHLGJQ-500 125 125 22 7.2 TL-630N NAHLGJQ-630 125 125 22 8.6 TL-1400 LGJQT-1400 120 120 22 8.2 TL-1440N NAHLGJQ-1440 150 150 26 8.9 TL-600K LGKK-600 125 130 20 6.0 TL-900K LGKK-900 105 105 22 9.6 TL-300 LGJ~300/15~300/70 63 105 16 3.8 TL-400 LGJ~400/20~400/50 63 105 16 4.2 TL-500 LGJ~500/35~500/65 80 105 22 6.1 TL-630 LGJ~630/35~630/80 100 105 20 6.8 TL-800 LGJ~800/55~800/100 110 110 22 7.57.T型线夹(TL型,配引流)型号适用导线主要尺寸参考重量(kg) 型号L BTL-600K/600K LGKK-600 210 86 6.0TL-900K/900K LGKK-900 210 86 9.6TL-1400/1400 LGJQT-1400/135 210 88 8.2TL-210N/210N NAHLGJQ-210/35 158 59 4.5TL-240N/240N NAHLGJQ-240/40 214 63 5.2TL-300N/300N NAHLGJQ-300/40 250 70 5.8TL-400N/400N NAHLGJQ-400/50 270 72 6.5TL-500N/500N NAHLGJQ-500/45 320 81 7.2TL-600N/600N NAHLGJQ-600/45 320 84 8.3TL-630N/630N NAHLGJQ-630/45 320 84 8.8TL-1440N/1440N NAHLGJQ-1440/120 296 101 9.7如引流线和母线规格不同,订货时请注明,如:母线规格为LGKK-600引流线为LGJ-400/35,则型号为TL-600K/400/358.双导线单引下T型线夹(螺栓型)型号适用导线主要尺寸参考重量(kg) 型号 B C F STLS-185/120 LGJ-185/10~25 80 50 12 120 1.25 TLS-210/120LGJ-210/10~25 80 50 12 120 1.31TLS-240/120LGJ-240/30 80 50 14 120 1.5 TLS-300/120LGJ-300/15~40 100 63 16 120 1.5 TLS-400/120LGJ-400/20~50 100 63 16 120 1.6 TLS-500/120LGJ-500/35~26 100 80 18 120 2.3 TLS-630/120LGJ-630/45~80 100 100 18 120 2.7 TLS-800/120LGJ-800/55~100 125 125 20 120 4.8 TLS-210N/120NAHLGJQ-210 105 63 16 120 1.1 TLS-400N/120NAHLGJQ-400 125 125 20 120 5.0 TLS-600K/120LGKK-600 125 125 20 120 5.5 TLS-900K/120LGKK-900 125 125 20 120 8.2 TLS-1400/120LGJQT-1400 125 125 20 120 5.5 TLS-185/200LGJ-185/10~25 80 50 12 200 1.45 TLS-210/200LGJ-210/10~25 80 50 12 200 1.5 TLS-240/200LGJ-240/30 80 50 14 200 1.5 TLS-300/200LGJ-300/15~40 100 63 16 200 1.6 TLS-300/200-120LGJ-300/15~40 120 120 16 200 3.0 TLS-300/200-100LGJ-300/15~40 100 100 16 200 2.8 TLS-400/200LGJ-400/20~50 100 63 16 200 1.7 TLS-500/200LGJ-500/35~26 100 80 18 200 2.3 TLS-630/200LGJ-630/45~80 100 100 18 200 3.9 TLS-800/200LGJ-800/55~100 125 125 20 200 4.3 TLS-400N/200NAHLGJQ-400 125 125 20 200 6.2 TLS-500N/200NAHLGJQ-500 130 125 22 200 7.0 TLS-630N/200NRLH58GJ-630 150 150 24 200 8.8 TLS-600K/200LGKK-600 125 125 20 200 6.9 TLS-900K/200LGKK-900 125 125 20 200 8.2 TLS-1000N/200NRLH58GJ-1000 150 150 24 200 6.2 TLS-1400/200LGJQT-1400 125 125 20 200 6.9 TLS-1440N/200NAHLGJQ-1440 150 150 24 400 10.7 TLS-240/400LGJ-240 80 50 14 400 6.5 TLS-300/400LGJ-300 100 63 16 400 6.8 TLS-400/400LGJ-400/20~50 100 63 16 400 6.9 TLS-500/400LGJ-500/35~26 100 80 18 4007.1 TLS-630/400LGJ-630/45~80 100 100 18 4007.3 TLS-800/400LGJ-800/55~100 125 125 20 4007.5 TLS-400N/400NAHLGJQ-400 125 125 20 4007.7 TLS-600K/400LGKK-600 125 125 20 4007.2 TLS-900K/400LGKK-900 125 125 20 4007.5 TLS-1400/400 LGJQT-1400 125 125 20 4007.2 TLS-1440N/400 NAHLGJQ-1440 150 150 24 4007.59.双导线双引下T型线夹(螺栓型)型号适用导线主要尺寸参考重量(kg) 型号 B C F STLS-2×600K/200 LGKK-600 325 125 22 200 13.9 TLS-2×900K/200 LGKK-900 325 120 22 200 13.0 TLS-2×1400/200 LGJQT-1400 325 125 22 200 13.9 TLS-2×1400N/200 NAHLGJQ-1440 340 150 22 200 18.8 TLS-2×600K/400 LGKK-600 375 125 22 40023.5 TLS-2×900K/400 LGKK-900 375 120 22 40023.5 TLS-2×1400/400 LGJQT-1400 375 125 22 40023.5 TLS-2×1440N/400 NAHLGJQ-1440 496 150 22 40023.5。
悬垂线夹一、悬垂线夹上海石兰机电设备有限公司型号适用绞线直径范围(包括加包缠物) 破坏荷重不小于(KN)重量(Kg)XGU-1 6.0-7.0 40 1.4XGU-2 7.1-13 40 1.8XGU-3 13.1-21.0 40 2.0XGU-4 21.1-26.0 40 3.0二、悬垂线夹(带碗头挂板)上海石兰机电设备有限公司型号适用绞线直径范围(包括加包缠物) 破坏荷重不小于(KN)重量(Kg)XGU-5A 23.1-33.0 60 5.7XGU-6A 34.0-45.0 60 6.1三、悬垂线夹(带U型板)上海石兰机电设备有限公司型号适用绞线直径范围(包括加包缠物) 破坏荷重不小于(KN)重量(Kg)XGU-5B 23.0-33.0 60 5.4XGU-6B 34.0-45.0 60 5.8四、悬垂线夹(带U型板)上海石兰机电设备有限公司型号适用绞线直径范围(包括加包缠物) 破坏荷重不小于(KN)重量(Kg)XGJ-2 11.0-13.0 90 3.8XGJ-5 23.0-43.0 120 9.0五、悬垂线夹(双线夹垂直排列)上海石兰机电设备有限公司型号适用绞线直径范围(包括加包缠物) 破坏荷重不小于(KN)重量(Kg)XCS-4 21.0-26 70 9.3XCS-5 23.0-33.0 100 14.6XCS-6 34.0-45.0 100 15.0耐张线夹上海石兰机电设备有限公司一、耐张线夹(螺栓型)上海石兰机电设备有限公司型号适用绞线直径范围(mm)(包括加包缠物) 破坏荷重不小于(KN) 重量(Kg)NLD-1 5.0-10.0 20 1.3NLD-2 10.1-14.0 40 2.1NLD-3 14.0-18.0 70 4.6NLD-4 18.1-23.0 90 7.0ND-201 5.0-10.0 20 1.1ND-202 10.1-14.0 40 1.9ND-203 14.0-18.0 70 4.2ND-204 18.1-23.0 90 6.4联结金具上海石兰机电设备有限公司一、球头挂环(Q型、QP型、QH型)上海石兰机电设备有限公司型号Q-7 QP-7 QP-10 QP-16 QP-21QP-30 QH-7二、碗头挂板(W型)上海石兰机电设备有限公司型号W-7A w-7B三、碗头挂板(WS型)上海石兰机电设备有限公司型号WS-7 WS-10 WS-16 WS-21R WS-30R四、U型挂环上海石兰机电设备有限公司型号U-7 U-10 U-12 U-16 U-20U-25 U-30 U-50五、挂环(延长环)上海石兰机电设备有限公司型号PH-7 PH-10 PH-12 PH-16 PH-21PH-25 PH-30六、挂环(直角环)上海石兰机电设备有限公司型号ZH-7七、拉杆(YL型)上海石兰机电设备有限公司型号YL-1040 YL-1243 YL-1643 YL-2543 YL-3043八、挂板(Z型)上海石兰机电设备有限公司型号Z-7 Z-10 Z-12 Z-16 Z-21Z-25九、挂板(ZS型)上海石兰机电设备有限公司型号ZS-7 ZS-10 ZS-665十、挂板(PS型)型号PS-7十一、挂板(P型)上海石兰机电设备有限公司型号P-7 P-10 P-12 P-16 P-21P-2118 P-2124 P-2130 P-2136 P-2142P-2148 P-2154 P-30 P-3018 P-3024P-3030 P-3036 P-3042 P-3048 P-3054十二、挂板(UB型)上海石兰机电设备有限公司型号UB-7 UB-10 UB-12 UB-16 UB-21UB-30 UB-12T UB-16T UB-21T UB-30T十三、U型螺丝上海石兰机电设备有限公司型号UJ-1880 UJ-2080 UJ-2280接续金具上海石兰机电设备有限公司一、接线管(钢绞线用)上海石兰机电设备有限公司型号JY-35G JY-55G JY-80G JY-100G JY-50G JY-70G二、接续管(钢绞线用、爆压搭接)上海石兰机电设备有限公司型号JBD-35G JBD-55G JBD-80G JBD-100G JBD-50G JBD-70G三、接续管(铝绞线用)上海石兰机电设备有限公司型号JY-150L JY-185L JY-210L JY-240L JY-300L JY-400LJY-500L JY-630L JY-800L四、接续管(钢芯铝绞线用、爆压)上海石兰机电设备有限公司型号JYB-300/40 JYB-300/50 JYB-300/70 JYB-400/50 JYB-400/65 JYB-400/95JYB-500/65五、接续管(铝绞线用、钳压)上海石兰机电设备有限公司型号LJ-16L LJ-25L LJ-35L LJ-50L LJ-70L LJ-95LLJ-120L LJ-150L LJ-185L六、接续管(钢芯铝绞线用、钳压)上海石兰机电设备有限公司型号JT-10/2 JT-16/3 JT-25/4 JT-36/6 JT-50/8 JT-70/10JT-95/15 JT-95/20 JT-120/7 JT-120/20 JT-150/8 JT-150/20JT-150/25 JT-185/10 JT-185/25 JT-185/30 JT-210/10 JT-210/25JT-210/35 JT-240/30 JT-240/40七、接续管(钢芯铝绞线用、爆压搭接)上海石兰机电设备有限公司型号JTB-35/6 JTB-50/8 JTB-70/10 JTB-95/15 JTB-95/20 JTB-120/7 JTB-120/20 JTB-150/8 JTB-150/20 JTB-150/25 JTB-185/10 JTB-185/25 JTB-185/30 JTB-210/10 JTB-210/25 JTB-210/35 JTB-240/30 JTB-240/40八、接续管(钢芯铝绞线用、液压搭接)上海石兰机电设备有限公司型号JYD-240/30 JYD-240/30 JYD-240/55 JYD-300/15 JYD-300/20 JYD-300/25 JYD-300/40 JYD-300/50 JYD-300/70 JYD-400/20 JYD-400/25 JYD-400/35 JYD-400/50 JYD-400/65 JYD-500/35 JYD-500/45 JYD-500/65 JYD-630/45JYD-630/55 JYD-800/55 JYD-800/70九、接续管(钢芯铝绞线用、液压搭接)上海石兰机电设备有限公司型号JY-240/30 JY-240/40 JY-240/55 JY-300/15 JY-300/20 JY-300/25 JY-300/40 JY-300/50 JY-300/70 JY-400/20 JY-400/25 JY-400/35JY-400/50 JY-400/65 JY-400/95 JY-500/35 JY-500/45 JY-500/65JY-630/45 JY-630/55 JY-630/80 JY-800/55 JY-800/70 JY-800/100 十、补修管上海石兰机电设备有限公司型号JX-185/10 JX-185 JX-210 JX-240 JX-240/55 JX-300/15 JX-300 JX-300/70 JX-400 JX-400/65 JX-400/95 JX-500JX-630 JX-800/55 JX-800 JX-35G JX-50G JX-70GJX-100G十一、并沟线夹上海石兰机电设备有限公司型号JBB-1 JBB-2 JBB-3 JB-0 JB-1 JB-2JB-3 JB-4十二、跳线线夹(压缩型)上海石兰机电设备有限公司型号JYT-35/6 JYT-50/8 JYT-70/10 JYT-95/15 JYT-120/7 JYT-120/20 JYT-150/8 JYT-150/20 JYT-150/25 JYT-185/10 JYT-185/25 JYT-185/30 JYT-210/10 JYT-210/25 JYT-210/35保护金具上海石兰机电设备有限公司一、防振锤上海石兰机电设备有限公司型号适用绞线外径重量(Kg)钢绞线铝绞线或铜铝绞线FD-1 7.5-9.6 1.5FD-2 10.8-14.0 2.4FD-3 14.5-17.5 4.5FD-4 18.1-22.0 5.6FD-5 23.0-29.0 7.2FD-6 29.0-35.0 8.6FD-35 7.8 1.8FD-50 9.0-9.6 2.4FD-70 11.0-11.5 4.2FD-100 13.0 5.9二、防振锤(500kv线路用)上海石兰机电设备有限公司型号适用绞线直径重量FF-5 23.0-28.0 7.4三、间隔棒(FJQ型)上海石兰机电设备有限公司型号适用导线外径轴向荷重不小于(KN) 重量(Kg)FJQ-404 18.1-22.0 7 1.00FJQ-405 23.0-29.0 10 1.20FJQ-204 18.1-22.0 7 0.85FJQ-205 23.0-29.0 10 1.05FJQ-455 23.0-30.8 10 2.45四、铝包带上海石兰机电设备有限公司规格厚度(mm)宽度(mm)重量(Kg/m)1×10 1.0 10 0.027五、悬重锤及其附件上海石兰机电设备有限公司名称型号重量备注重锤挂板ZG-1 0.28 适用安装在XGU-4悬锤线夹上ZG-2 0.29 适用安装在XGU-5、6悬锤线夹上重锤座ZJ-1 1.50 见联结金具重锤片ZC-1 15平行挂板PS-7 0.53六、重锤片(500KV线路用)上海石兰机电设备有限公司型号重量(Kg)ZC-18 21.8拉线金具上海石兰机电设备有限公司一、楔型线夹型号适用钢绞线破坏荷重不小于(KN)重量(Kg)型号外径(mm)NX-1 GJ-25-35 6.6-7.8 45 1.5NX-2 GJ-50-80 9.0-11.5 88 2.4NX-3 GJ-100-120 13.0-14.0 143 4.5NX-4 GJ-35-150 15.0 164 5.6二、UT型线夹(可调式)上海石兰机电设备有限公司型号适用钢绞线破坏荷重不小于(KN)重量(Kg)型号外径(mm)NUT-1 GJ-25-35 6.6-7.8 45 2.1NUT-2 GJ-50-80 9.0-11.5 88 3.2NUT-3 GJ-100-120 13.0-14.0 143 5.4NUT-4 GJ-35-150 15.0 164 7.2三、NLY型线夹(压接可调式)上海石兰机电设备有限公司型号适用钢绞线握着力不小于(KN)重量(Kg)型号标记NLY-100B GJ1200-75125kg/mm2 1×19-13 120 5.60NLY-120B 1×19-14 140 7.28NLY-135B 1×19-15 155 7.68NLY-100C GB1200-881370N/mm2 1×19-13 130 5.83NLY-125C 1×19-14.5 165 7.87NLY-150C 1×19-16 200 11.84四、拉线用U型挂环上海石兰机电设备有限公司规格破坏荷重不小于(KN)重量(Kg/m)UL-7 70 0.65UL-10 100 0.92UL-12 120 1.40UL-16 160 1.64UL-21 210 2.90五、钢线卡子上海石兰机电设备有限公司型号适用钢绞线外径(mm)重量(Kg/m)JK-7 6.6-7.8 0.20JK-2 9.0-11.5 0.32六、平行挂板(PD型)上海石兰机电设备有限公司型号破坏荷重不小于(KN)重量(Kg/m)PD-7 70 0.45PD-10 100 0.67PD-12 120 0.94T接金具上海石兰机电设备有限公司一、T型线夹(螺栓型)上海石兰机电设备有限公司型号适用导线外径(mm)重量(Kg/m)母线/引下线TL-11 7.5-9.6/7.5-9.6 0.71TL-21 10.8-14.0/7.5-9.6 0.78TL-22 10.8-14.0/10.8-14.0 0.79TL-31 14.5-17.5/7.5-9.6 1.07TL-32 14.5-17.5/10.8-14.0 1.06TL-33 14.5-17.5/14.5-17.5 1.05TL-41 18.1-22.2/7.5-9.6 1.13TL-42 18.1-22.0/10.8-14.0 1.13TL-43 18.1-22.0/14.5-17.5 1.12TL-44 18.1-22.0/18.1-22.0 1.17设备线夹上海石兰机电设备有限公司一、设备线夹(螺栓型、A型)上海石兰机电设备有限公司型号适用导线外径(mm) 螺栓数量重量(Kg)SL-1A 7.5-9.6 4 0.34SL-2A 10.8-14.0 4 0.36SL-3A 14.5-17.5 6 0.48SL-4A 18.1-22.0 6 0.51二、设备线夹(螺栓型、B型)上海石兰机电设备有限公司型号适用导线外径(mm) 螺栓数量重量(Kg)SL-1B 7.5-9.6 4 0.34SL-2B 10.8-14.0 4 0.36SL-3B 14.5-17.5 6 0.48SL-4B 18.1-22.0 6 0.51三、铜铝过渡设备线夹(螺栓型、A型)上海石兰机电设备有限公司型号适用导线外径(mm) 螺栓数量重量(Kg)SLG-1A 7.5-9.6 4 0.37SLG-2A 10.8-14.0 4 0.43SLG-3A 14.5-17.5 6 0.70SLG-4A 18.1-22.0 6 0.73四、铜铝过渡设备线夹(螺栓型、B型)上海石兰机电设备有限公司型号适用导线外径(mm) 螺栓数量重量(Kg)SLG-1B 7.5-9.6 4 0.37SLG-2B 10.8-14.0 4 0.43SLG-3B 14.5-17.5 6 0.70SLG-4B 18.1-22.0 6 0.73五、铜铝过渡板上海石兰机电设备有限公司型号重量(Kg) 型号重量(Kg)MG-50×50.15 MG-80×100.82MG-63×6.30.33 MG-100×8 1.01MG-63×80.42 MG-100×10 1.26MG-63×100.53 MG-125×8 1.54MG-80×6.30.52 MG-125×10 1.92MG-80×80.66 MG-125×12.5 2.4电站金具上海石兰机电设备有限公司一、硬母线固定金具[矩形母线平放固定金具(户内一片)]上海石兰机电设备有限公司型号适用母线宽度(mm) 适用支柱绝缘子螺径重量(Kg)MNP-101 63 M10 0.42MNP-102 80 0.46MNP-103 100 0.58MNP-104 125 0.62MNP-105 63 M16 0.41MNP-106 80 0.45MNP-107 100 0.57MNP-108 125 0.61一、硬母线固定金具[矩形母线平放固定金具(户内二片)]上海石兰机电设备有限公司型号适用母线宽度(mm) 适用支柱绝缘子螺径重量(Kg)MNP-201 63 M10 0.70MNP-202 80 0.75MNP-203 100 0.95MNP-204 125 1.00MNP-205 63 M16 0.70MNP-206 80 0.75MNP-207 100 0.95MNP-208 125 1.00三、矩形母线间隔垫上海石兰机电设备有限公司型号标称规格重量(Kg)MJG-01 M10×1000.12MJG-02 M10×1200.14MJG-03 M10×1400.15MJG-04 M10×1600.16四、软母线间隔棒上海石兰机电设备有限公司型号适用导线外径(mm) 重量(Kg)MRJ-4/120 18.1-22.0 0.94MRJ-5/120 23.0-29.0 1.14MRJ-6/120 29.1-35.0 1.21MRJ-4/200 18.1-22.0 0.85MRJ-5/200 23.0-29.0 0.98MRJ-6/200 29.1-35.0 1.12五、母线伸缩节(母线与母线连接)上海石兰机电设备有限公司型号重量(Kg) 型号重量(Kg)MS-63×6.30.39 MS-100×10 1.31MS-80×6.30.53 MS-125×8 1.37MS-80×80.70 MS-125×10 1.80MS-100×80.99 MS-125×12.5 2.10六、母线伸缩节(母线与设备连接)上海石兰机电设备有限公司型号重量(Kg) 型号重量(Kg)MS-63×6.30.55 MS-100×10 2.01MS-80×6.30.79 MS-125×8 2.22MS-80×8 1.05 MS-125×10 2.87MS-100×8 1.54 MS-125×12.5 3.43一、线路金具上海石兰机电设备有限公司(一)悬垂线夹>>1、悬垂线夹2、悬垂线夹(带碗头挂板)3、悬垂线夹(带U形挂板)4、悬垂线夹(加强形)5、悬垂线夹(双线夹垂直排列)(二)耐张线夹>> 上海石兰机电设备有限公司1、耐张线夹(螺栓型)(三)联结金具>>1、球头挂环(Q、QP、OH型)2、碗头挂板(W型)3、碗头挂板(WS型)4、U形挂环5、挂环(延长环)6、挂环(直角环)7、拉环(YL型)8、挂板(Z型)9、挂板(ZS型)10、挂板(PS型)11、挂板(P型)12、挂板(UB型)13、U型螺丝14、调整板(DB型)15、U形螺丝16、调整板(PT型)17、牵引板(QY型)18、联板(L型)19、联板(LF型)20、联板(LV型)21、联板(LS型)22、联板(LJ型)23、联板(LL型)24、联板(LK型)25、联板(LX型)26、避雷线悬垂吊架(四)接续金具>> 上海石兰机电设备有限公司1、接续管(钢绞线用)2、接续管(钢绞线用、爆压塔)3、接续管(铝绞线用)4、接续管(钢芯铝绞线用、爆压)5、接续管(铝绞线用、钳压)6、接续管(钢芯绞线用、钳压)7、接续管(钢芯铝绞线用、爆压搭接)8、接续管(钢芯铝绞线用、液压搭接)9、接续管(钢芯铝绞线用、液压钢芯对接)10、补修管11、并沟线夹12、跳线线夹(压缩型)(五)保护金具>> 上海石兰机电设备有限公司1、防振锤2、防振锤(500KV线路用)3、间隔棒(FJQ型)4、铝包带5、悬重锤及其附件6、重锤片(500KV路用)(六)拉线金具>> 上海石兰机电设备有限公司1、楔型线夹2、UT型线夹(可调式)3、NLY型线夹(压接、可调式)4、拉线用U型挂环5、钢线卡子6、平行挂板(PD型)二、变电金具上海石兰机电设备有限公司(七)T接金具>>1、T形线平(螺栓型)(八)设备线夹>>1、设备线夹(压缩型、A型)2、设备线夹(压缩型、B型)3、铜铝过渡板4、铜铝过渡设备线夹(螺栓型、A型)5、铜铝过渡设备线夹(螺栓型、B型)三、电站金具(大电流母线金具)上海石兰机电设备有限公司(九)电站金具>>1、硬母线固定金具(矩形母线)(1)矩形母线平放固定金具(户内一片)(2)矩形母线平放固定金具(户内二片)(3)矩形母线间隔垫2、软母线固定金具(1)软母线间隔棒3、母线伸缩节(1)母线伸缩节(母线与母线连接)(2)母线伸缩节(母线与设备连接)双铁头瓷拉棒耐张串材料表GT-35 堵油铜连接管上海石兰电力设备有限公司GT-G-120( 直通铜铝连接管上海石兰电力设备有限公司GL-G-150 直通铜连接管上海石兰电力设备有限公司OT-400A 铜开口上海石兰电力设备有限公司DT-185 铜接线端子上海石兰电力设备有限公司SYG-70 压接型铜铝设备线夹上海石兰电力设备有限公司SY-70 压接型铝设备线夹上海石兰电力设备有限公司SYT-150 压接型铜设备线夹上海石兰电力设备有限公司GTL-120 堵油铜铝连接管上海石兰电力设备有限公司JT-100A 铜接线夹上海石兰电力设备有限公司JB-4 铝并沟线上海石兰电力设备有限公司SLG-1A 铜铝设备线夹上海石兰电力设备有限公司STL-7 铜铝设备线夹上海石兰电力设备有限公司NY-300/50 液压型耐张线夹上海石兰电力设备有限公司SBG-M12 变压器用铜铝线夹上海石兰电力设备有限公司SL-1A 铝设备线夹上海石兰电力设备有限公司JL-200A 铝接线夹上海石兰电力设备有限公司UL-12 接线U型挂环上海石兰电力设备有限公司PS-7 平行挂板上海石兰电力设备有限公司JT-70 接线管上海石兰电力设备有限公司JTB-185 爆压管上海石兰电力设备有限公司DB-7 调整板上海石兰电力设备有限公司SBT-M20 变压器用铜线夹上海石兰电力设备有限公司NUTF-2 防盗型线夹上海石兰电力设备有限公司LV-1020 联板上海石兰电力设备有限公司LV-2015 联板上海石兰电力设备有限公司LV-0712 联板上海石兰电力设备有限公司JK-1 铜丝卡子上海石兰电力设备有限公司JK-2 铜丝卡子上海石兰电力设备有限公司SBG-1-M20 变压器用铜铝线夹上海石兰电力设备有限公司SBT-M12 变压器用铜线夹上海石兰电力设备有限公司SBT-M14 变压器用铜线夹上海石兰电力设备有限公司SBT-M16 变压器用铜线夹上海石兰电力设备有限公司SBT-M18 变压器用铜线夹上海石兰电力设备有限公司SBT-1-M12 变压器用铜线夹上海石兰电力设备有限公司SBT-1-M14 变压器用铜线夹上海石兰电力设备有限公司SBT-1-M16 变压器用铜线夹上海石兰电力设备有限公司SBT-1-M18 变压器用铜线夹上海石兰电力设备有限公司SBT-1-M20 变压器用铜线夹上海石兰电力设备有限公司Q-7 球头挂环上海石兰电力设备有限公司QP-7 球头挂环上海石兰电力设备有限公司QP-10 球头挂环上海石兰电力设备有限公司NUTF-3 防盗型线夹上海石兰电力设备有限公司NX-1 楔型线夹上海石兰电力设备有限公司NX-2 楔型线夹上海石兰电力设备有限公司NX-3 楔型线夹上海石兰电力设备有限公司NLD-1 耐张线夹上海石兰电力设备有限公司NLD-2 耐张线夹上海石兰电力设备有限公司NLD-3 耐张线夹上海石兰电力设备有限公司NLD-4 耐张线夹上海石兰电力设备有限公司JBB-1 铁并沟线夹上海石兰电力设备有限公司JBB-2 铁并沟线夹上海石兰电力设备有限公司JBB-3 铁并沟线夹上海石兰电力设备有限公司TL-11 T型线夹上海石兰电力设备有限公司JT-240 接线管上海石兰电力设备有限公司JTB-16 爆压管上海石兰电力设备有限公司JTB-25 爆压管上海石兰电力设备有限公司JTB-35 爆压管上海石兰电力设备有限公司JTB-50 爆压管上海石兰电力设备有限公司JTB-70 爆压管上海石兰电力设备有限公司JTB-95 爆压管上海石兰电力设备有限公司JTB-120 爆压管上海石兰电力设备有限公司JTB-150 爆压管上海石兰电力设备有限公司TL-22 T型线夹上海石兰电力设备有限公司TL-33 T型线夹上海石兰电力设备有限公司TL-44 T型线夹上海石兰电力设备有限公司XGU-1 悬垂线夹上海石兰电力设备有限公司XGU-2 悬垂线夹上海石兰电力设备有限公司XGU-3 悬垂线夹上海石兰电力设备有限公司XGU-4 悬垂线夹上海石兰电力设备有限公司FD-1 防震垂上海石兰电力设备有限公司FD-2 防震垂上海石兰电力设备有限公司FD-3 防震垂上海石兰电力设备有限公司FD-4 防震垂上海石兰电力设备有限公司FD-35 防震垂上海石兰电力设备有限公司FD-50 防震垂上海石兰电力设备有限公司DB-10 调整板上海石兰电力设备有限公司PT-7 调整板上海石兰电力设备有限公司PT-10 调整板上海石兰电力设备有限公司L-1040 联板上海石兰电力设备有限公司L-1240 联板上海石兰电力设备有限公司L-1640 联板上海石兰电力设备有限公司L-2040 联板上海石兰电力设备有限公司LV-3018 联板上海石兰电力设备有限公司Z-10 直角挂板上海石兰电力设备有限公司ZS-7 直角挂板上海石兰电力设备有限公司ZS-10 直角挂板上海石兰电力设备有限公司PH-7 延长环上海石兰电力设备有限公司PH-10 延长环上海石兰电力设备有限公司PH-12 延长环上海石兰电力设备有限公司PH-16 延长环上海石兰电力设备有限公司PH-20 延长环上海石兰电力设备有限公司P-7 平行挂板上海石兰电力设备有限公司P-10 平行挂板上海石兰电力设备有限公司UB-7 UB型挂板上海石兰电力设备有限公司U-1870 U型螺丝上海石兰电力设备有限公司U-1880 U型螺丝上海石兰电力设备有限公司U-2080 U型螺丝上海石兰电力设备有限公司UJ-1880 U型螺丝上海石兰电力设备有限公司UJ-2080 U型螺丝上海石兰电力设备有限公司W-7A 碗头挂板上海石兰电力设备有限公司W-7B 碗头挂板上海石兰电力设备有限公司WS-7 碗头挂板上海石兰电力设备有限公司WS-10 碗头挂板上海石兰电力设备有限公司NUT-1 U型线夹上海石兰电力设备有限公司NUT-2 U型线夹上海石兰电力设备有限公司NUT-3 U型线夹上海石兰电力设备有限公司NUTF-1 防盗型线夹上海石兰电力设备有限公司JT-35(2) 接线管上海石兰电力设备有限公司JT-50(2) 接线管上海石兰电力设备有限公司JT-95(2) 接线管上海石兰电力设备有限公司JT-120(2) 接线管上海石兰电力设备有限公司JT-150(2) 接线管上海石兰电力设备有限公司SYT-630(2) 压接型铜设备线夹上海石兰电力设备有限公司SL-1B 铝设备线夹上海石兰电力设备有限公司SL-2 铝设备线夹上海石兰电力设备有限公司SL-3 铝设备线夹上海石兰电力设备有限公司SL-4 铝设备线夹上海石兰电力设备有限公司JTL-100A 铜铝接线夹上海石兰电力设备有限公司JTL-200A 铜铝接线夹上海石兰电力设备有限公司JTL-300A 铜铝接线夹上海石兰电力设备有限公司JTL-400A 铜铝接线夹上海石兰电力设备有限公司JTL-500A 铜铝接线夹上海石兰电力设备有限公司JTL-600A 铜铝接线夹上海石兰电力设备有限公司JTL-800A 铜铝接线夹上海石兰电力设备有限公司JTL-1000A 铜铝接线夹上海石兰电力设备有限公司JL-100A 铝接线夹上海石兰电力设备有限公司U-7 U型挂环上海石兰电力设备有限公司U-10 U型挂环上海石兰电力设备有限公司U-12 U型挂环上海石兰电力设备有限公司U-16 U型挂环上海石兰电力设备有限公司U-20 U型挂环上海石兰电力设备有限公司U-25 U型挂环上海石兰电力设备有限公司U-30 U型挂环上海石兰电力设备有限公司ZH-7 直角环上海石兰电力设备有限公司PD-7 挂板上海石兰电力设备有限公司PD-10 挂板上海石兰电力设备有限公司PD-12 挂板上海石兰电力设备有限公司UL-10 接线U型挂环上海石兰电力设备有限公司UL-16 接线U型挂环上海石兰电力设备有限公司UL-20 接线U型挂环上海石兰电力设备有限公司Z-7 直角挂板上海石兰电力设备有限公司JTB-240 爆压管上海石兰电力设备有限公司NY-120 液压型耐张线夹上海石兰电力设备有限公司NY-150 液压型耐张线夹上海石兰电力设备有限公司NY-185 液压型耐张线夹上海石兰电力设备有限公司NY-240/40 液压型耐张线夹上海石兰电力设备有限公司NY-240/55 液压型耐张线夹上海石兰电力设备有限公司NY-300/15 液压型耐张线夹上海石兰电力设备有限公司NY-300/20 液压型耐张线夹上海石兰电力设备有限公司NY-300/25 液压型耐张线夹上海石兰电力设备有限公司NY-300/40 液压型耐张线夹上海石兰电力设备有限公司NY-400/20 液压型耐张线夹上海石兰电力设备有限公司NY-400/25 液压型耐张线夹上海石兰电力设备有限公司NY-400/35 液压型耐张线夹上海石兰电力设备有限公司NY-400/50 液压型耐张线夹上海石兰电力设备有限公司NY-500/35 液压型耐张线夹上海石兰电力设备有限公司NY-500/45 液压型耐张线夹上海石兰电力设备有限公司NY-500/65 液压型耐张线夹上海石兰电力设备有限公司NY-630/45 液压型耐张线夹上海石兰电力设备有限公司SBG-M14 变压器用铜铝线夹上海石兰电力设备有限公司SBG-M16 变压器用铜铝线夹上海石兰电力设备有限公司SBG-M18 变压器用铜铝线夹上海石兰电力设备有限公司SBG-M20 变压器用铜铝线夹上海石兰电力设备有限公司SBG-M22 变压器用铜铝线夹上海石兰电力设备有限公司SBG-1-M12 变压器用铜铝线夹上海石兰电力设备有限公司SBG-1-M14 变压器用铜铝线夹上海石兰电力设备有限公司SBG-1-M16 变压器用铜铝线夹上海石兰电力设备有限公司SBG-1-M18 变压器用铜铝线夹上海石兰电力设备有限公司SYT-400 压接型铜设备线夹上海石兰电力设备有限公司SYT-500 压接型铜设备线夹上海石兰电力设备有限公司JB-2 铝并沟线上海石兰电力设备有限公司JB-3 铝并沟线上海石兰电力设备有限公司NXJ-1 铝合金耐张线夹上海石兰电力设备有限公司NXJ-2 铝合金耐张线夹上海石兰电力设备有限公司NXJ-3 铝合金耐张线夹上海石兰电力设备有限公司NXJ-4 铝合金耐张线夹上海石兰电力设备有限公司NLL-1 铝合金耐张线夹上海石兰电力设备有限公司NLL-2 铝合金耐张线夹上海石兰电力设备有限公司NLL-3 铝合金耐张线夹上海石兰电力设备有限公司NLL-4 铝合金耐张线夹上海石兰电力设备有限公司JT-25(2) 接线管上海石兰电力设备有限公司OT-600A 铜开口上海石兰电力设备有限公司OT-800A 铜开口上海石兰电力设备有限公司OT-1000A 铜开口上海石兰电力设备有限公司SLG-1B 铜铝设备线夹上海石兰电力设备有限公司SLG-2A 铜铝设备线夹上海石兰电力设备有限公司SLG-2B 铜铝设备线夹上海石兰电力设备有限公司SLG-3A 铜铝设备线夹上海石兰电力设备有限公司SLG-3B 铜铝设备线夹上海石兰电力设备有限公司SLG-4A 铜铝设备线夹上海石兰电力设备有限公司SLG-4B 铜铝设备线夹上海石兰电力设备有限公司STL-1 铜铝设备线夹上海石兰电力设备有限公司STL-2 铜铝设备线夹上海石兰电力设备有限公司STL-3 铜铝设备线夹上海石兰电力设备有限公司STL-4 铜铝设备线夹上海石兰电力设备有限公司STL-5 铜铝设备线夹上海石兰电力设备有限公司STL-6 铜铝设备线夹上海石兰电力设备有限公司STL-8 铜铝设备线夹上海石兰电力设备有限公司SYG-35 压接型铜铝设备线夹上海石兰电力设备有限公司GTL-150 堵油铜铝连接管上海石兰电力设备有限公司GTL-185 堵油铜铝连接管上海石兰电力设备有限公司GTL-240 堵油铜铝连接管上海石兰电力设备有限公司GT-G-10 直通铜铝连接管上海石兰电力设备有限公司GT-G-16 直通铜铝连接管上海石兰电力设备有限公司GT-G-25 直通铜铝连接管上海石兰电力设备有限公司GT-G-35 直通铜铝连接管上海石兰电力设备有限公司GT-G-50 直通铜铝连接管上海石兰电力设备有限公司JL-300A 铝接线夹上海石兰电力设备有限公司JL-400A 铝接线夹上海石兰电力设备有限公司JL-600A 铝接线夹上海石兰电力设备有限公司JL-800A 铝接线夹上海石兰电力设备有限公司JL-1000A 铝接线夹上海石兰电力设备有限公司JT-200A 铜接线夹上海石兰电力设备有限公司JT-300A 铜接线夹上海石兰电力设备有限公司JT-400A 铜接线夹上海石兰电力设备有限公司JT-500A 铜接线夹上海石兰电力设备有限公司JT-600A 铜接线夹上海石兰电力设备有限公司JT-800A 铜接线夹上海石兰电力设备有限公司JT-1000A 铜接线夹上海石兰电力设备有限公司142 JBL-16-120 二节铝异型并沟线夹上海石兰电力设备有限公司143 JBL-50-240 二节铝异型并沟线夹上海石兰电力设备有限公司JBL-50-240 三节铝异型并沟线夹上海石兰电力设备有限公司JBT-16-120 铜异型并沟线夹上海石兰电力设备有限公司JBT-16-240 铜异型并沟线夹上海石兰电力设备有限公司JBTL-16-120 铜铝异型并沟线夹上海石兰电力设备有限公司JBTL-50-240 铜铝异型并沟线夹上海石兰电力设备有限公司JB-0 铝并沟线上海石兰电力设备有限公司jB-1 铝并沟线上海石兰电力设备有限公司SY-50压接型铝设备线夹上海石兰电力设备有限公司SY-95 压接型铝设备线夹上海石兰电力设备有限公司SY-120 压接型铝设备线夹上海石兰电力设备有限公司SY-150 压接型铝设备线夹上海石兰电力设备有限公司SY-185压接型铝设备线夹上海石兰电力设备有限公司SY-240 压接型铝设备线夹上海石兰电力设备有限公司SY-300 压接型铝设备线夹上海石兰电力设备有限公司SY-400 压接型铝设备线夹上海石兰电力设备有限公司SY-500 压接型铝设备线夹上海石兰电力设备有限公司SY-630 压接型铝设备线夹上海石兰电力设备有限公司SYT-35压接型铜设备线夹上海石兰电力设备有限公司SYT-50 压接型铜设备线夹上海石兰电力设备有限公司SYT-70 压接型铜设备线夹上海石兰电力设备有限公司SYT-95 压接型铜设备线夹上海石兰电力设备有限公司SYT-120 压接型铜设备线夹上海石兰电力设备有限公司SYT-185 压接型铜设备线夹上海石兰电力设备有限公司SYT-240 压接型铜设备线夹上海石兰电力设备有限公司SYT-300 压接型铜设备线夹上海石兰电力设备有限公司GL-95 堵油铝连接管上海石兰电力设备有限公司GL-120 堵油铝连接管上海石兰电力设备有限公司GL-150 堵油铝连接管上海石兰电力设备有限公司GL-185 堵油铝连接管上海石兰电力设备有限公司GL-240 堵油铝连接管上海石兰电力设备有限公司GTL-10 堵油铜铝连接管上海石兰电力设备有限公司GTL-16 堵油铜铝连接管上海石兰电力设备有限公司GTL-25 堵油铜铝连接管上海石兰电力设备有限公司GTL-35 堵油铜铝连接管上海石兰电力设备有限公司GTL-50 堵油铜铝连接管上海石兰电力设备有限公司GTL-70 堵油铜铝连接管上海石兰电力设备有限公司GTL-95 堵油铜铝连接管上海石兰电力设备有限公司DT-25 铜接线端子上海石兰电力设备有限公司DT-35 铜接线端子上海石兰电力设备有限公司DT-50 铜接线端子上海石兰电力设备有限公司DT-70 铜接线端子上海石兰电力设备有限公司DT-9 铜接线端子上海石兰电力设备有限公司DT-120 铜接线端子上海石兰电力设备有限公司DT-150铜接线端子上海石兰电力设备有限公司DT-240 铜接线端子上海石兰电力设备有限公司DT-300 铜接线端子上海石兰电力设备有限公司。
输电线路T型线夹引起导线断线事故原因分析及处理措施发表时间:2019-09-18T09:35:11.553Z 来源:《电力设备》2019年第7期作者:夏立杰[导读] 摘要:二十一世纪以来,我国电力网络覆盖规模日益增大,如何维护高压输电线路稳定运行,保障好社会经济、民生是一项新的重要课题,针对近年来高压电网中金具磨损导致电力事故日益增多的情况,就输电线路中T型线夹引起导线掉线事故的成因进行重点分析,并提出相应的处理措施,为高压输电线路的安全运行、维护、管理提供参考。
(中国南方电网有限责任公司超高压输电公司柳州局广西柳州市 545006)摘要:二十一世纪以来,我国电力网络覆盖规模日益增大,如何维护高压输电线路稳定运行,保障好社会经济、民生是一项新的重要课题,针对近年来高压电网中金具磨损导致电力事故日益增多的情况,就输电线路中T型线夹引起导线掉线事故的成因进行重点分析,并提出相应的处理措施,为高压输电线路的安全运行、维护、管理提供参考。
关键词:输电线路;T型线夹;分析;措施一、引言高压输电线路是电网的重要组成部分,其连接着变电站,是电力的传输通道,我们经常看到T型的线路连接设计,其是两条同一电压等级交叉处用短接线路将不同空间层次的线路连接起来,实现变电站的同时多向为下游变电站供电,这种供电形式实现了变电站的高利用率,同时还大大降低了变电站的投资成本, 上述即是 T型线夹的作用。
目前,牵引变电所的户外高压设备连接中采用的更多的是钢芯铝绞线,且各设备以及设备间的连接中使用T型线夹的有多处,由于T型线夹的安全性和可靠性决定着传导电流方面,若其在投入使用过程中出现任何问题都会导致供电系统的严重瘫痪,甚至会使相关人员的安全受到危及,损坏供电设备,因此,本文针对输电线路T型线夹引起导线断线事故原因分析,并提出相应的解决对策,以确保T型线夹在投入运行时避免出现安全问题。
二、输电线路T型线夹引起导线断线事故原因分析(一)日常检修不到位由于T型线夹与水平导线之间接触面积小,且通常其并不参与传导电流而只是起到加紧的作用,但T型线夹与引导线以夹紧形式连接时,线夹与引导线的接触面积比线夹水平连接部分的接触面积要大,当其负荷的电流过大时,由于接触面积过小因此两个上压块也会参与到电流的传导当中,当有部分电流从上压块通过U型螺栓传导到T型线夹的水平主体后,再通过T型线夹的主体部分导流到引导线,而U型螺栓的材质是铁因此也容易因为氧化的原因而生锈,且U型螺栓与T型线夹的主体部分和上压块的接触情况也不够好,同时铁材质螺栓与铝导线存在着膨胀系数不同,在户外应用环境下,温差以及冷热变化都会使得螺栓压力松弛使电阻增加。