74HC595移位寄存器
- 格式:doc
- 大小:36.00 KB
- 文档页数:3
595芯片的工作原理(二)595芯片的工作原理什么是595芯片?595芯片,全名为74HC595移位寄存器芯片,是一种集成电路,常被用于扩展数字输出的IO口。
它具有串行输入、并行输出的特点,可用于驱动LED灯、数码管等外部设备。
串行输入与并行输出595芯片的串行输入和并行输出是其最重要的特征。
它可以通过SPI(串行外设接口)协议进行控制。
SPI协议是一种同步的全双工通信协议,利用时钟线(SCK)和数据线(MOSI)进行数据传输。
工作流程使用595芯片时,需要将数据写入串行输入寄存器(SI)中,然后通过时钟线(SCK)的上升沿脉冲,将数据移入移位寄存器(SR)。
当所有数据位都移入移位寄存器后,通过使锁存器时钟线(RCK)的上升沿脉冲,将移位寄存器的数据移入并行输出寄存器(PO)中。
最后,通过将移位寄存器清零,可以开始下一轮数据的传输。
引脚功能595芯片一般有16个引脚,其中重要的引脚包括:•Vcc:芯片供电正极;•GND:芯片地线;•OE:输出使能,控制数据在输出端口显示或关闭;•SRCLR:移位寄存器清零使能,用于将寄存器中的数据清零;•RCK:锁存器时钟,决定数据是否被移入并行输出寄存器。
应用实例595芯片的应用十分广泛,特别是在数字输出驱动方面。
以下是一些常见实例:1.控制LED灯:通过595芯片可以控制多个LED灯的亮灭、亮度等;2.驱动数码管:通过595芯片可以实现对多位数码管的显示控制;3.扩展输出端口:通过级联多个595芯片,可以扩展大量的数字输出端口。
总结595芯片是一种常用的数字输出扩展芯片,具有串行输入、并行输出的特点。
通过SPI协议进行数据的传输和控制,可以实现对LED 灯、数码管等设备的驱动。
其工作原理简单清晰,应用广泛。
74hc595工作原理
74HC595 是一种 8 位带有存储器的移位寄存器。
它有 8 个数据输入端,1 个可选的
数据锁定输入端,1 个位极性输入端,1 个数据平移移位输入端,以及 8 个数据输出端。
它主要由波纹形传输器,触发器和一个移位计数寄存器组成。
数据和控制信号输入 74HC595 部分。
数据信号 DL 和 DS 都接在扩展控制器的 P2
口上,当 DS 低电平时,DL 电平置高,P2 口上的数据即为输出的 8 位的 8 进制数据。
SHCP 信号输入到 STCP(移位时钟端口)口,此时输入的信号接受存储,DS 口上的信号
数据写入移位寄存器中,但是未改变其输出的状态。
当移位时钟端口(STCP)接收到低信号时,传输器中的数据开始从移位寄存器的开始
端到突变到移位寄存器的末端,并且屏蔽式 8 路 4 位传送器由输入端产生一个 0 或 1
的电平变化,八个输出端之后接上相应的电器节点,驱动继电器呈现不同的结果,这样用
户可以实现控制电器的开关,控制水阀、电灯、电动机等节点的输出。
另外,当 STCP 上的低电平结束时,数据也就结束了,如果 DL 上的 8 位数据需要
持续的输出,就必须把 output_enable(OE)信号设置为低电平。
这样做的目的是防止寄
存器输出端的内容不断被改变,从而实现持续输出。
74HC595 可以大大减少电路板中电源和空间的元件使用,而且有出色的稳定性和可靠性,是目前广泛使用的芯片组件之一。
74hc595工作原理
74HC595是一个8位移位寄存器,通过串行输入和并行输出实现数据在多个器件之间的传输。
其工作原理如下:
1. 初始化:将ST_CP(存储器件时钟)和SH_CP(移位寄存器时钟)置为低电平,并将OE(输出使能)置为高电平。
2. 数据输入:将数据通过SER(串行输入)引脚输入到第一个74HC595的串行输入端。
3. 移位寄存器时钟:将SH_CP引脚从低电平变为高电平,数据会从SER引脚移位到移位寄存器中,每一次时钟上升沿移位一位。
4. 存储器件时钟:将ST_CP引脚从低电平变为高电平,在上升沿时,移位寄存器中的数据会被存储到存储器件中。
5. 并行输出:存储器件中的数据可以通过QA-QH引脚并行输出,每个引脚代表一个位,QH为最高有效位。
6. 循环移位:可以通过将OE引脚置为低电平,再进行一次存储器件时钟和移位寄存器时钟的操作,实现数据循环移位的效果。
总的来说,74HC595通过移位寄存器实现数据的串行输入和并行输出,可以通过控制时钟信号的触发来移位、存储和输出
数据。
这使得它可以扩展微控制器的IO口数量,广泛应用于LED显示、数码管显示、驱动继电器等数字控制场景中。
74HC595 Pd=Cpd×VCC×f1+∑(CL×VCC^2×f0) F1=输入频率,CL=输出电容 f0=输出频率(MHz) Vcc=电源电压引脚说明: 符号 引脚 描述 Q0…Q7 第15脚, 1, 7 并行数据输出 GND 第8脚 地 Q7’ 第9脚 串行数据输出 MR 第10脚 主复位(低电平) SHCP 第11脚 移位寄存器时钟输入 STCP 第12脚 存储寄存器时钟输入 OE 第13脚 输出有效(低电平) DS 第14脚 串行数据输入 VCC 第16脚 电源功能表: 输入 输出 功能 SHCP STCP OE MR DS Q7’ Qn × × L ↓ × L NC MR为低电平时仅仅影响移位寄存器 × ↑ L L × L L 空移位寄存器到输出寄存器 × × H L × L Z 清空移位寄存器,并行输出为高阻状态 ↑ × L H H Q6 NC 逻辑高电平移入移位寄存器状态0,包含所有的移位寄存器状态 移入,例如,以前的状态6(内部Q6”)出现在串行输出位。
× ↑ L H × NC Qn’ 移位寄存器的内容到达保持寄存器并从并口输出 ↑ ↑ L H × Q6’ Qn’ 移位寄存器内容移入,先前的移位寄存器的内容到达保持寄存器并出。
注释: H=高电平状态 L=低电平状态 ↑=上升沿 ↓=下降沿 Z=高阻 NC=无变化 ×=无效 当MR为高电平,OE为低电平时,数据在SHCP上升沿进入移位寄存器,在STCP上升沿输出到并行端口。
74hc595寄存器工作原理74HC595是一种串行输入并行输出的移位寄存器,常用于扩展微控制器的输出端口。
它可以将少量的IO口通过串行输入的方式扩展成更多的输出端口,提高了系统的可扩展性和灵活性。
本文将从74HC595寄存器的工作原理、应用场景和使用方法等方面进行介绍。
一、工作原理74HC595寄存器由8个输出端口(Q0-Q7)、三个控制端口(SER、SRCLK、RCLK)和一个串行数据输入端口(SER)组成。
其工作原理如下:1. 初始化:将SRCLK和RCLK置为低电平,将SER和SRCLR(异步清零端)置为高电平。
2. 数据输入:通过SER输入要输出的数据,然后将SRCLK引脚置为高电平,使得SRCLK上升沿时,数据从SER端口输入到寄存器。
重复此操作,直到输入完所有数据。
3. 数据输出:输入完所有数据后,将RCLK引脚置为高电平,使得RCLK上升沿时,数据从寄存器输出到输出端口Q0-Q7。
通过上述过程,可以将串行输入的数据转换为并行输出,从而实现多个输出端口的控制。
二、应用场景74HC595寄存器广泛应用于各种需要扩展输出端口的场景,例如LED数码管显示、驱动数码管显示、控制继电器等。
1. LED数码管显示:通过74HC595寄存器的输出端口控制多个LED数码管的显示。
将LED数码管的阳极连接到电源,将74HC595寄存器的输出端口连接到LED数码管的阴极,通过控制输出端口的高低电平来控制LED的亮暗。
2. 驱动数码管显示:通过74HC595寄存器的输出端口控制多个数码管的显示。
将数码管的段选引脚连接到74HC595寄存器的输出端口,通过控制输出端口的高低电平来控制数码管的显示。
3. 控制继电器:通过74HC595寄存器的输出端口控制多个继电器的开关。
将继电器的控制端口连接到74HC595寄存器的输出端口,通过控制输出端口的高低电平来控制继电器的开关状态。
三、使用方法使用74HC595寄存器需要按照以下步骤进行:1. 初始化:将SRCLK和RCLK置为低电平,将SER和SRCLR置为高电平。
74hc595工作原理
74HC595是一种8位移位寄存器和输出锁存器。
它起到了扩展IO引脚的作用,通过串行输入数据来控制并行输出。
下面我们将介绍其工作原理。
74HC595由三个主要部分组成:串行输入、移位寄存器和并行输出。
它采用了串行输入并行输出的数据传输方式。
数据是逐位地通过串行输入引脚(SER)输入到移位寄存器(SHIFT REGISTER)中。
在上升沿时钟输入引脚(SRCLK)的控制下,数据逐位地从串行输入向移位寄存器移位。
接下来,通过锁存时钟引脚(RCLK)的上升沿,移位寄存器中的数据被并行锁存到输出寄存器中。
这意味着移位寄存器中的数据被“冻结”在输出寄存器中,不受后续的移位操作影响。
输出寄存器的并行输出引脚(Qa-Qh)可以连接到外部设备或其他电路中,用来控制各种不同的功能。
输出寄存器中的数据可以通过更新移位寄存器的内容来改变,并进一步通过移位寄存器的移位操作改变。
这种工作模式允许我们通过控制串行输入来逐步改变并行输出的状态。
总结一下,74HC595通过串行输入控制并行输出。
数据通过移位寄存器实现从串行输入到并行输出的转换,并通过锁存操作将数据冻结在输出寄存器中。
通过更新移位寄存器和移位操作,我们可以改变并行输出的状态,从而实现对外部设备或电路的控制。
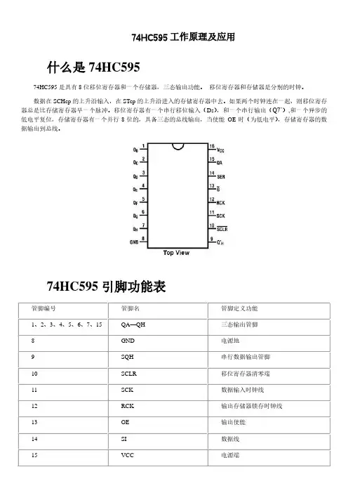
74HC595是具有8位移位寄存器和一个存储器,三态输出功能。
移位寄存器和存储器是分别的时钟。
数据在SCHcp的上升沿输入,在STcp的上升沿进入的存储寄存器中去。
如果两个时钟连在一起,则移位寄存器总是比存储寄存器早一个脉冲。
移位寄存器有一个串行移位输入(Ds),和一个串行输出(Q7’),和一个异步的低电平复位,存储寄存器有一个并行8位的,具备三态的总线输出,当使能 OE时(为低电平),存储寄存器的数据输出到总线。
74HC595各个引脚的功能:Q1~7 是并行数据输出口,即储寄存器的数据输出口Q7' 串行输出口,其应该接SPI总线的MISO接口STcp 存储寄存器的时钟脉冲输入口SHcp 移位寄存器的时钟脉冲输入口OE的非输出使能端MR的非芯片复位端Ds 串行数据输入端程序说明:每当spi_shcp上升沿到来时,spi_ds引脚当前电平值在移位寄存器中左移一位,在下一个上升沿到来时移位寄存器中的所有位都会向左移一位,同时Q7'也会串行输出移位寄存器中高位的值,这样连续进行8次,就可以把数组中每一个数(8位的数)送到移位寄存器;然后当 spi_stcp上升沿到来时,移位寄存器的值将会被锁存到锁存器里,并从Q1~7引脚输出附子程序:void hc595send_data(uint8 data)//要传输的数据,建议用数组的方法来查询{ uint8 i; IO0CLR = spi_stcp; 12脚 for(i=0;i<8;i++) { IO0CLR = spi_shcp; 11脚 if((data&0x80)!=0)IO0SET = spi_ds; elseIO0CLR = spi_ds; data <<= 1; IO0SET =spi_shcp; } IO0SET = spi_stcp;}1 引言单片机应用系统中使用的显示器主要有LED和LCD两种。
近年来也有用CRT显示的。
74hc595的用法-回复74HC595是一种串行输入/并行输出的8位移位寄存器,被广泛应用于数字电路和嵌入式系统设计中。
它是通过串行数据输入的方式将数据存储在内部的8位移位寄存器中,并且可以通过并行输出的方式将数据输出到8个输出引脚上。
本文将一步一步回答有关74HC595的用法。
第一步:了解74HC595的引脚功能74HC595一共有16个引脚,每个引脚都有特定的功能。
以下是74HC595引脚的功能解释:- SER(Serial Data Input):串行数据输入引脚,用于输入要存储的数据。
- SRCLK(Shift Register Clock Input):移位寄存器时钟输入引脚,通过上升沿或下降沿的时钟信号,将串行输入的数据存储到移位寄存器中。
- RCLK(Register Clock Input):寄存器时钟输入引脚,通过上升沿或下降沿的时钟信号,将移位寄存器中的数据并行输出到输出引脚上。
- OE(Output Enable):输出使能引脚,通过控制该引脚的高低电平,可以使输出引脚处于高阻态或工作态。
- STCP(Storage Register Clock Input):存储寄存器时钟输入引脚,通过上升沿或下降沿的时钟信号,将移位寄存器中的数据存储到存储寄存器中。
- SHCP(Shift Register Clock Input):移位寄存器时钟输入引脚,通过上升沿或下降沿的时钟信号,将存储寄存器中的数据并行输出到输出引脚上。
- Q0-Q7(Parallel Data Outputs):并行数据输出引脚,通过并行方式输出存储在移位寄存器中的数据。
第二步:连接74HC595到微控制器为了正确使用74HC595,需要将其连接到微控制器或其他数字电路中。
以下是连接74HC595到微控制器的步骤:1. 将74HC595的VCC引脚连接到微控制器的电源引脚,并确保电压匹配(一般为5V)。
2. 将74HC595的GND引脚连接到微控制器的地引脚。
74hc595 操作方法
74HC595是一种移位寄存器芯片,主要用于扩展输出IO。
以下为74HC595的操作方法:
1. 初始化74HC595芯片:将MR引脚置高,然后将SRCLR引脚置低。
这样可以清空芯片内部的数据,并准备开始向芯片输出数据。
2. 向74HC595芯片输入数据:先将SER引脚置低,然后依次将需要输出的数据位写入到SRCLK引脚上。
当每一位数据都写入完成后,将SRCLK引脚置低。
3. 将输入数据写入到输出寄存器:将RCLK引脚置高,数据就会从SR寄存器中传到输出寄存器中,然后输出到Q0-Q7引脚。
4. 重复以上操作:如需输出更多的数据,可以重复以上步骤,直到所需数据全部输出。
5. 关闭74HC595芯片:当所有数据全部输出后,将SRCLR引脚置高,将输出的数据清空,这样就可以关闭芯片。
需要注意的是,74HC595芯片的工作方式为移位输出,数据在输入时是从高位到低位依次输入的。
因此,在使用时要根据所需输出的数据位数进行相应的控制。
此外,还需要保证输入时序的正确性,以避免在输入时发生错误。
描述74HC59574HC595是硅结构的CMOS器件,兼容低电压TTL电路,遵守JEDEC标准。
74HC595是具有8位移位寄存器和一个存储器,三态输出功能。
移位寄存器和存储器是分别的时钟。
数据在SHcp的上升沿输入,在STcp的上升沿进入的存储寄存器中去。
如果两个时钟连在一起,则移位寄存器总是比存储寄存器早一个脉冲。
移位寄存器有一个串行移位输入(Ds),和一个串行输出(Q7’),和一个异步的低电平复位,存储寄存器有一个并行8位的,具备三态的总线输出,当使能OE时(为低电平),存储寄存器的数据输出到总线。
8位串行输入/输出或者并行输出移位寄存器,具有高阻关断状态。
三态。
[编辑本段]特点8位串行输入/8位串行或并行输出存储状态寄存器,三种状态输出寄存器可以直接清除100MHz的移位频率[编辑本段]输出能力并行输出,总线驱动;串行输出;标准中等规模集成电路595移位寄存器有一个串行移位输入(Ds),和一个串行输出(Q7’),和一个异步的低电平复位,存储寄存器有一个并行8位的,具备三态的总线输出,当使能OE时(为低电平),存储寄存器的数据输出到总线。
[编辑本段]参考数据CPD决定动态的能耗,PD=CPD×VCC×f1+∑(CL×VCC2×f0) F1=输入频率,CL=输出电容f0=输出频率(MHz)Vcc=电源电压[编辑本段]引脚说明符号引脚描述Q0…Q7 15,1,7 并行数据输出GND 8 地Q7’ 9 串行数据输出MR 10 主复位(低电平)SHCP 11 移位寄存器时钟输入STCP 12 存储寄存器时钟输入OE 13 输出有效(低电平)DS 14 串行数据输入VCC 16 电源[编辑本段]功能表输入输出功能SHCP STCP OE MR DS Q7’ Qn × × L ↓ × L NC MR为低电平时仅仅影响移位寄存器× ↑ L L × L L 空移位寄存器到输出寄存器×× H L × L Z 清空移位寄存器,并行输出为高阻状态↑ × L H H Q6 NC 逻辑高电平移入移位寄存器状态0,包含所有的移位寄存器状态移入,例如,以前的状态6(内部Q6”)出现在串行输出位。
74HC595简单工作原理74HC595是具有8位移位寄存器和一个存储器,三态输出功能。
移位寄存器和存储器是分别的时钟。
数据在SHcp的上升沿输入,在STcp的上升沿进入的存储寄存器中去。
如果两个时钟连在一起,则移位寄存器总是比存储寄存器早一个脉冲。
移位寄存器有一个串行移位输入(Ds),和一个串行输出(Q7’),和一个异步的低电平复位,存储寄存器有一个并行8位的,具备三态的总线输出,当使能OE时(为低电平),存储寄存器的数据输出到总线。
74HC595各个引脚的功能:Q1~7是并行数据输出口,即储寄存器的数据输出口Q7'串行输出口,其应该接SPI总线的MISO接口STcp存储寄存器的时钟脉冲输入口SHcp移位寄存器的时钟脉冲输入口OE的非输出使能端MR的非芯片复位端Ds串行数据输入端程序说明:每当spi_shcp上升沿到来时,spi_ds引脚当前电平值在移位寄存器中左移一位,在下一个上升沿到来时移位寄存器中的所有位都会向左移一位,同时Q7'也会串行输出移位寄存器中高位的值,这样连续进行8次,就可以把数组中每一个数(8位的数)送到移位寄存器;然后当spi_stcp上升沿到来时,移位寄存器的值将会被锁存到锁存器里,并从Q1~Q7引脚输出;附子程序:voidhc595send_data(uint8data)//要传输的数据,建议用数组的方法来查询{uint8i;IO0CLR=spi_stcp;12脚for(i=0;i<8;i++){IO0CLR=spi_shcp;11脚if((data&0x80)!=0)IO0SET=spi_ds;elseIO0CLR=spi_ds;data<<=1;IO0SET=spi_shcp;}IO0SET=spi_stcp;}1引言单片机应用系统中使用的显示器主要有LED和LCD两种。
近年来也有用CRT显示的。
前者价格低廉,配置灵活,与单片机接口方便;后者可进行图形显示,但接口较复杂,成本也较高。
74HC595目录[隐藏]描述特点输出能力参考数据引脚说明功能表注释[编辑本段]描述74HC59574HC595是硅结构的CMOS器件,兼容低电压TTL电路,遵守JEDEC标准。
74HC595是具有8位移位寄存器和一个存储器,三态输出功能。
移位寄存器和存储器是分别的时钟。
数据在SCHcp的上升沿输入,在STcp的上升沿进入的存储寄存器中去。
如果两个时钟连在一起,则移位寄存器总是比存储寄存器早一个脉冲。
移位寄存器有一个串行移位输入(Ds),和一个串行输出(Q7’),和一个异步的低电平复位,存储寄存器有一个并行8位的,具备三态的总线输出,当使能OE时(为低电平),存储寄存器的数据输出到总线。
8位串行输入/输出或者并行输出移位寄存器,具有高阻关断状态。
三态。
[编辑本段]特点8位串行输入/8位串行或并行输出存储状态寄存器,三种状态输出寄存器可以直接清除100MHz的移位频率[编辑本段]输出能力并行输出,总线驱动;串行输出;标准中等规模集成电路595移位寄存器有一个串行移位输入(Ds),和一个串行输出(Q7’),和一个异步的低电平复位,存储寄存器有一个并行8位的,具备三态的总线输出,当使能OE 时(为低电平),存储寄存器的数据输出到总线。
[编辑本段]参考数据CPD决定动态的能耗,PD=CPD×VCC×f1+∑(CL×VCC2×f0)F1=输入频率,CL=输出电容f0=输出频率(MHz)Vcc=电源电压[编辑本段]引脚说明符号引脚描述Q0…Q7 15,1,7 并行数据输出GND 8 地Q7’ 9 串行数据输出MR 10 主复位(低电平)SHCP 11 移位寄存器时钟输入STCP 12 存储寄存器时钟输入OE 13 输出有效(低电平)DS 14 串行数据输入VCC 16 电源[编辑本段]功能表输入输出功能SHCP STCP OE MR DS Q7’ Qn× × L ↓ × L NC MR为低电平时仅仅影响移位寄存器× ↑ L L × L L 空移位寄存器到输出寄存器××H L ×L Z 清空移位寄存器,并行输出为高阻状态↑ × L H H Q6 NC 逻辑高电平移入移位寄存器状态0,包含所有的移位寄存器状态移入,例如,以前的状态6(内部Q6”)出现在串行输出位。
概述:74HC595 是一款漏极开路输出的CMOS 移位寄存器,输出端口为可控的三态输出端,亦能串行输出控制下一级级联芯片。
特点:高速移位时钟频率Fmax>25MHz标准串行(SPI)接口CMOS 串行输出,可用于多个设备的级联低功耗:TA =25℃时,Icc=4μA(MAX)图2 74HC595逻辑图真值表:输入管脚输出管脚SI SCK SCLR RCK OEX X X X H QA—QH 输出高阻X X X X L QA—QH 输出有效值X X L X X 移位寄存器清零L 上沿H X X 移位寄存器存储LH 上沿H X X 移位寄存器存储HX 下沿H X X 移位寄存器状态保持X X X 上沿X 输出存储器锁存移位寄存器中的状态值X X X 下沿X 输出存储器状态保持引脚功能表:管脚编号管脚名管脚定义功能1、2、3、4、5、6、7、15QA—QH 三态输出管脚8 GND 电源地9 SQH 串行数据输出管脚10 SCLR 移位寄存器清零端11 SCK 数据输入时钟线12 RCK 输出存储器锁存时钟线13 OE 输出使能14 SI 数据线15 VCC 电源端图1 74HC595引脚图Absolute Maximum Ratings绝对最大额定值参数数值Supply Voltage电源电压(VCC)−0.5 to +7.0VDC Input Voltage 直流输入电压(VIN)−1.5 to VCC +1.5V DC Output Voltage 直流输出电压(VOUT)−0.5 to VCC +0.5V Clamp Diode Current 钳位二极管电流(IIK, IOK)±20mADC Output Current直流输出电流,每个引脚(输出)±35mADC VCC or GND Current,per pin (ICC)±70mAStorage Temperature Range 储存温度范围(TSTG)−65℃ to +150℃Power Dissipation 功耗(PD)(Note 3)600mWS.O. Package only500mWLead Tem perature (TL) (Soldering 10 seconds)260℃Recommended Operating Conditions建议操作条件参数最小最大单位Supply Voltage电源电压(VCC)26v DC Input or Output Voltage(VIN, VOUT)输入输出电压0VCC V Operating Tem perature Range工作温度范围(TA)−40+85℃Input Rise or Fall Times 输入上升或下降时间(tr,tf) VCC = 2.0V-1000ns VCC = 4.5V-500ns VCC = 6.0V-400ns DC SPEC IFICATIONS直流电气规格Symbol 符号Parameter 参数Conditions 条件VCCTA=25℃TA=−40to85℃TA=−55to125℃UNIT单位典型Guaranteed Limits保证界限VIH Minimum HighLevel Input Voltage最大高电平输入电压-2.0V- 1.5 1.5 1.5V4.5V- 3.153.15 3.156.0V- 4.2 4.2 4.2VIL Maximum LOWLevel Input Voltage最大低电平输入电压-2.0V-0.50.50.5V4.5V- 1.351.35 1.356.0V- 1.8 1.8 1.8VOH Minimum HIGHLevel OutputVoltage最大高电平VIN=VIH orVIL|IOUT|≤20μA2.0V2.01.9 1.9 1.9V4.5V4.54.4 4.4 4.46.0V6.05.9 5.9 5.9输出电压Q'H VIN = VIH or VILV |IOUT| ≤4.0mA 4.5V 4.2 3.98 3.84 3.7|IOUT| ≤5.2mA 6.0V5.25.485.34 5.2QA thru QH VIN = VIH or VILV |IOUT| ≤6.0mA 4.5V 4.2 3.98 3.84 3.7IOUT| ≤ 7.8mA 6.0V5.75.485.34 5.2VOL Maximum LOWLevel OutputVoltage最大低电平输出电压VIN=VIH orVIL|IOUT| ≤20μA2.0V00.10.10.1V4.5V00.10.10.16.0V00.10.10.1Q'HVIN = VIH or VILV |IOUT| ≤ 4mA 4.5V 0.2 0.26 0.33 0.4|IOUT| ≤5.2mA 6.0V0.20.260.33 0.4QA thru QHVIN = VIH or VILV |IOUT| ≤6.0mA 4.5V 0.20.26 0.33 0.4|IOUT| ≤7.8mA 6.0V0.20.260.330.4IIN Maximum InputCurrent最大输入电流VIN=VCC orGND6.0V-±0.1±1.0±1.0μAIOZ Maximum 3-STATEOutput Leakage最大3态输出泄漏电流VOUT = VCC orGND G = VIH6.0V-±0.5±5.0±10μAICC MaximumQuiescent SupplyCurrent电源电流VIN=VCC orGND IOUT = 0μA6.0V-8.080160μA交流电气特性:Symbol 符号Parameter 参数Conditions条件典型GuaranteedLimitUNIT单位fMax最高工作频率-5030MHztPHL, tPLH Maximum Propagation Delay,最大传输延迟SCK to Q’ HCL = 45 pF1220nstPHL, tPLH Maximum Propagation Delay, 最大传输延迟RCK to QA thru QHCL = 45 pF1830nstPZH, tPZL Maximum Output Enable Tim e from G to QAthru QH 最大输出启用时间G to QA thru QHRL=1kΩCL=45pF1728nstPHZ, tPLZ Maximum Output Disable Tim e from G to QAthru QH最大输出禁用时间G to QA thru QHRL=1kΩCL=5pF1525nstS Minimum Setup Time from SER to SCK--20nstS Minimum Setup Time from SCLR to SCK--20ns tS Minimum Setup Time from SCK to RCK--40ns tH Minimum Hold Time from SER to SCK--0ns tW Minimum Pulse Width of SCK or RCK--16ns 交流电气特性:(续)Symbol 符号Parameter 参数Conditions条件VCCTA = 25℃TA =−40 to85℃TA =−55 to125℃UNIT单位典型Guaranteed Limits 保证界限fMax Maximum OperatingFrequency最高工作频率CL = 50 pF2.0V106 4.8 4.0MHz4.5V453024206.0V50352824tPHL, tPLH Maximum PropagationDelay from SCK to Q’ H最大传输延迟传播延迟CK to QCL = 50 pF 2.0V 58 210 265 315nsCL = 150 pF 2.0V83294367441CL = 50 pF 4.5V 14 42 53 63CL = 150 pF 4.5V17587488CL = 50 pF 6.0V 10 36 45 54CL = 150 pF 6.0V14506376tPHL, tPLH Maximum PropagationDelay from RCK to QA thruQHCK to QCK to Q最大传输延迟RCK to QA thru QHCKto QCK to QCL = 50 pF 2.0V 70 175 220 265nsCL = 150 pF 2.0V105245306368CL = 50 pF 4.5V 21 3544 53CL = 150 pF 4.5V28496174CL = 50 pF 6.0V 18 30 37 45CL = 150 pF 6.0V26425363tPHL, tPLH Maximum PropagationDelay from SCLR to Q’ H最大传输延迟to Q’ H-2.0V-175221261ns4.5V-3544526.0V-303744tPZH, tPZL Maximum Output Enablefrom G to QA thru QH最大输出启用RL=1kΩCL=50pF2.0V 75 175 220 265nsRL=1kΩCL=150pF2.0V100245306368CL= 50pF 4.5V 15 35 44 53CL = 150pF 4.5V20496174CL = 50 pF 6.0V13303745CL = 150 pF 6.0V17425363CPD Power DissipationCapacitance,G = VCC-90 ---pFG = GND150---OutputsEnabled (Note 6)功耗电容CIN Maximum InputCapacitance最大输入电容--5101010pFCOUT Maximum Output最大输出电容--15202020pF图3 74HC595 时序图图应用电路图:图4 87LPC76x与74HC595单片机构成的键盘显示电路图5。
74hc595 工作原理
74HC595是一种集成电路芯片,它提供了一个8位的移位寄存器和一个串行输入/串行并行输出功能。
该芯片的工作原理如下:
1. 时钟信号:74HC595通过外部提供的时钟信号进行工作。
时钟信号用于同步数据的移位操作。
2. 数据输入:通过串行输入引脚SER输入数据。
当时钟信号的上升沿到达时,输入数据被移入移位寄存器中的第一个位。
之后,每个时钟信号的上升沿,数据将向左依次移位,直到移位寄存器中的最后一个位。
3. 移位寄存器:移位寄存器是由8个触发器组成,每个触发器都可以存储一个位的值(0或1)。
在数据输入完成后,每个触发器存储了相应的数据位。
4. 数据输出:在并行输出模式下,通过并行输出引脚Q0-Q7输出存储在移位寄存器中的数据。
这意味着可以同时输出8个位的数据。
在串行输出模式下,通过引脚Q7'S(又称为Q7'引脚)输出最后一个位的数据。
5. 存储寄存器:存储寄存器用于保存通过移位寄存器移入的数据,以便在输出时能够固定显示。
通过上述过程,74HC595实现了将串行输入的数据移位并以
并行输出的形式存储,从而实现数据的并行输出。
这使得它在需要同时控制多个设备的应用中非常有用,如LED显示、数码管、驱动器等。
74HC595的工作原理2009-06-09 11:3774HC595的工作原理-编程-显示SCH2007-05-24 23:1574HC595是具有8位移位寄存器和一个存储器,三态输出功能。
移位寄存器和存储器是分别的时钟。
数据在SHcp的上升沿输入,在STcp的上升沿进入的存储寄存器中去。
如果两个时钟连在一起,则移位寄存器总是比存储寄存器早一个脉冲。
移位寄存器有一个串行移位输入(Ds),和一个串行输出(Q7’),和一个异步的低电平复位,存储寄存器有一个并行8位的,具备三态的总线输出,当使能 OE时(为低电平),存储寄存器的数据输出到总线。
74HC595各个引脚的功能:Q1~7 是并行数据输出口,即储寄存器的数据输出口Q7' 串行输出口,其应该接SPI总线的MISO接口STcp 存储寄存器的时钟脉冲输入口SHcp 移位寄存器的时钟脉冲输入口OE的非输出使能端MR的非芯片复位端Ds 串行数据输入端程序说明:每当SHcp上升沿到来时,DS引脚当前电平值在移位寄存器中左移一位,在下一个上升沿到来时移位寄存器中的所有位都会向左移一位,同时Q7'也会串行输出移位寄存器中高位的值,这样连续进行8次,就可以把数组中每一个数(8位的数)送到移位寄存器;然后当STcp上升沿到来时,移位寄存器的值将会被锁存到锁存器里,并从Q1~7引脚输出。
//74HC595串行输出数据void outdisp(unsigned char num){unsigned char i;for (i=0;i<8;i++ ){DS=num;SHCP=1;SHCP=0;num<<=1;}}设计显示PCB板(595一为传送位选信号,一为传送代码段信号)CEPARK AVR单片机之HC595驱动数码管显示(2009-09-16 17:30:13)分类:Avr标签:it这里我用的CEPARK的M64 AVR开发板,这一课的重点是学会如何使用74HC595来驱动数码管。
74HC595
描述
74HC595
74HC595是硅结构的CMOS器件,兼容低电压TTL电路,遵守JEDEC标准。
74HC595是具有8位移位寄存器和一个存储器,三态输出功能。
移位寄存器和存储器是分别的时钟。
数据在SHcp的上升沿输入,在STcp的上升沿进入的存储寄存器中去。
如果两个时钟连在一起,则移位寄存器总是比存储寄存器早一个脉冲。
移位寄存器有一个串行移位输入(Ds),和一个串行输出(Q7’),和一个异步的低电平复位,存储寄存器有一个并行8位的,具备三态的总线输出,当使能OE时(为低电平),存储寄存器的数据输出到总线。
8位串行输入/输出或者并行输出移位寄存器,具有高阻关断状态。
三态。
特点
8位串行输入 /8位串行或并行输出存储状态寄存器,三种状态
输出寄存器可以直接清除 100MHz的移位频率
输出能力
并行输出,总线驱动;串行输出;标准中等规模集成电路
595移位寄存器有一个串行移位输入(Ds),和一个串行输出(Q7’),和一个异步的低电平复位,存储寄存器有一个并行8位的,具备三态的总线输出,当使能OE时(为低电平),存储寄存器的数据输出到总线。
参考数据
CPD决定动态的能耗,
PD=CPD×VCC×f1+∑(CL×VCC2×f0)
F1=输入频率,CL=输出电容 f0=输出频率(MHz) Vcc=电源电压
符号引脚描述
Q0…Q7 15, 1, 7 并行数据输出
GND 8 地
Q7’ 9 串行数据输出
MR 10 主复位(低电平)
SHCP 11 移位寄存器时钟输入
STCP 12 存储寄存器时钟输入
OE 13 输出有效(低电平)
DS 14 串行数据输入
VCC 16 电源
输入输出功能
SHCP STCP OE MR DS Q7’ Qn
× × L ↓ × L NC MR为低电平时仅仅影响移位寄存器
× ↑ L L × L L 空移位寄存器到输出寄存器
× × H L × L Z 清空移位寄存器,并行输出为高阻状态
↑ × L H H Q6 NC 逻辑高电平移入移位寄存器状态0,包含所有的移位寄存器状态移入,例如,以前的状态6(内部Q6”)出现在串行输出位。
× ↑ L H × NC Qn’ 移位寄存器的内容到达保持寄存器并从并口输出
↑ ↑ L H × Q6’ Qn’ 移位寄存器内容移入,先前的移位寄存器的内容到达保持寄存器并出。
H=高电平状态
L=低电平状态
↑=上升沿
↓=下降沿
Z=高阻
NC=无变化
×=无效
当MR为高电平,OE为低电平时,数据在SHCP上升沿进入移位寄存器,在STCP上升沿输出到并行端口。