钢筋混凝土简支T梁桥主梁配筋设计
- 格式:pdf
- 大小:562.88 KB
- 文档页数:27
目录T 型梁桥设计书 ................................................................................................................................ 1 一、 基本资料 (1)1.桥梁长度 ............................................................................................................................... 1 2. 桥面铺装 ............................................................................................................................. 1 3.桥面净空 ............................................................................................................................... 1 4.设计荷载 ............................................................................................................................... 1 5.材料....................................................................................................................................... 1 二、设计过程 .. (2)1.基本资料 ............................................................................................................................... 2 2.内力计算 . (3)(1)恒载及内力计算 ..................................................................................................... 3 (2)车辆荷载产生的内力 ............................................................................................. 3 (3)内力组合 ................................................................................................................. 4 (4)行车道板配筋 (5)三.主梁荷载横向分布系数计算 (6)1.用“杠杆法”计算荷载位于支点处各主梁的荷载横向分布系数 ................................... 6 四、用“修正的刚性横梁法”计算荷载位于跨中时各主梁的横向分布系数 (7)(1) 求抗扭修正系数β .......................................................................................................... 8 (2)计算横向影响线竖标值 ................................................................................................. 9 (3)各主梁的横向分布影响线,最不利位置布载 .. (10)(4) 计算荷载横向分布系数c m (10)五、主梁内力计算及内力组合 (10)(一)恒载内力计算 ............................................................................................................. 10 (二)活载内力计算 . (12)1.均布荷载和内力影响线面积计算 ............................................................................. 12 2.公路-Ⅰ集中荷载P k 计算 .......................................................................................... 13 3.计算冲击系数 .. (13)4.各梁的弯矩M 1/2,M 1/4 和剪力Q 1/2 ............................................................................... 145.计算各支点截面的最大剪力0Q (15)(三)内力组合 ..................................................................................................................... 18 (四)内力包络图 ................................................................................................................. 19 六、裂缝及变形验算 (22)1.进行 T 型截面受弯梁最大裂缝宽度计算 ........................................................................ 22 2挠度计算 (23)2.1相关参数 .................................................................................................................. 23 2.2计算抗弯刚度 .......................................................................................................... 24 3.跨中挠度的计算 .. (25)T型梁桥设计书一、基本资料1.桥梁长度桥梁标准跨径:20.00m (墩中心距离)计算跨径:19.50 m (支座中心距离)主梁预制长度:19.96 m2.桥面铺装防水砼厚6.5~17cm,容重25 KN/m33.桥面净空净-14+2×1.5 m4.设计荷载公路—II级荷载,人群3.5kN/m25.材料(1)钢筋,其技术指标见表1;(2)混凝土其技术指标见表2主梁、桥面铺装为C40,栏杆、人行道为C30。
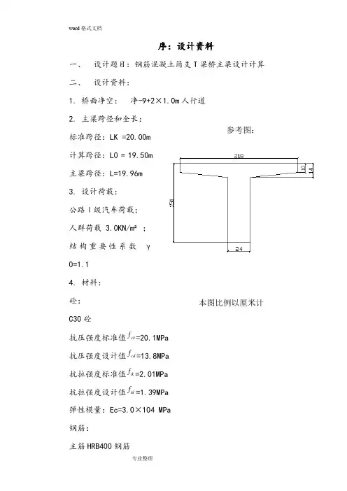
序:设计资料一、 设计题目:钢筋混凝土简支T 梁桥主梁设计计算 二、 设计资料:1. 桥面净空: 净-9+2×1.0m 人行道2. 主梁跨径和全长: 标准跨径:LK =20.00m 计算跨径:L0 = 19.50m 主梁跨径:L=19.96m3. 设计荷载: 公路Ⅰ级汽车荷载; 人群荷载 3.0KN/m ²; 结构重要性系数 γ0=1.14. 材料: 砼: C30砼抗压强度标准值ck f =20.1MPa 抗压强度设计值cd f =13.8MPa 抗拉强度标准值tk f =2.01MPa 抗拉强度设计值td f =1.39MPa 弹性模量:Ec=3.0×104 MPa 钢筋:主筋HRB400钢筋参考图:本图比例以厘米计抗拉强度标准值sk f=400MPa抗拉强度设计值sd f=330MPa箍筋HRB335钢筋抗拉强度标准值sk f=335MPa抗拉强度设计值sd f=280MPa弹性模量:Es=2.0×105 MPa相对界限受压区高度ξb=0.53三、设计内力标准值:荷载内力值恒载车辆荷载人群荷载备注跨中弯矩Md,L/2 816.·58KN·m729.57KN·m 85.44KN·m车辆荷载引起的弯矩已计入冲击系数,1+μ=1.201/4处弯矩Md,L/4 584.48KN·m464.17KN·m 56.26KN·m支点剪力Vd,L 178.01KN 243.17KN 10.61KN跨中剪力Vd,L/2 80.6KN第一篇 T 型梁正截面设计1.钢筋混凝土简支梁标准跨径k L =20.00m ,计算跨径0L =19.50m 。
T 型截面梁尺寸如图1-1,桥梁处于Ⅰ类环境条件,安全等级为一级,b ζ=0.53,0γ=1.1。
作用效应组合:通过设计题目中所给数值,(1)由承载能力极限状态作用效应组合公式)(2j Qj1Q11GiγγγγγSSSSQjkmkQ Gikmi d∑∑==++=ψ得简支梁控制界面的弯矩组合设计值和剪力组合设计值为: 跨中截面 Md,L/2=2306.69KNm Vd,L/2=124.12KN1/4跨界面 Md,L/4=1555.65KNm 支点界面 Vd,0=622.53KN(2)正常使用极限状态计算时作用效应组合: 由作用短期效应组合公式Qjk nj j mi Gik sd S S S ∑∑==+=111ψ跨中截面 Msd,L/2=2306.69KNm Vsd,L/2=124.12KN1/4跨界面 Msd,L/4=1555.65KNm单位cm图1-1支点界面 Vsd,0=622.53KN 由作用长期效应组合公式Qjk nj j mi Gik ld S S S ∑∑==+=121ψ跨中截面 Mld,L/2=2306.69KNm Vld,L/2=124.12KN 1/4跨界面 Mld,L/4=1555.65KNm 支点界面 Vld,0=622.53KN 求翼缘计算宽度f b梁体采用C30混凝土,轴心抗压强度设计值cd f =13.8MPa ,,轴心抗拉强度设计值td f =1.39MPa 。
装配式钢筋砼简支T型梁桥设计一、设计资料1.桥面净空:净7m—2×0.75m人行道。
2.设计荷载:公路I级,人群荷载标准值3.5KN/m2 。
3.主梁跨径和全长:标准跨径:l b=16.00m(墩中心距离);计算跨径:l=16.50m(支座中心线距离);主梁全长:l全=16.96m(主梁预制长度)。
4.材料:钢筋:主钢筋采用HRB335,其他采用钢筋R235,混凝土:C405.裂缝宽度限值:Ⅱ类环境(允许裂缝宽度0.20mm)6.设计依据①《公路桥涵设计通用规范》(JTGD60-2004)②《公路钢筋砼及预应力砼桥涵设计规范》(JTGD62-2004)7.结构尺寸拟定二、行车道板的计算(一)计算图示考虑到主梁翼缘板在接缝处沿纵向全长设置连接钢筋,故行车道板可按两端固定和中间铰接的板计算,见图(二) 永久荷载及其效应 1.每延米板上的横载g沥青混凝土层面:g1=0.02×1.0×23=0.46(KN/m ) C30混凝土垫层:g 2=0.09×1.0×24=2.16(KN/m) T 梁翼缘板自重g 3=0.11×1.0×25=2.75(KN/m) 每延米跨宽板恒载合计:g=∑gi =5.37KN/m 2.每米宽板条的恒载内力 弯矩:M Ah =-21×5.37×(218.060.1-)2=-1.35(KN/m) 剪力:V Ah =2)'(b l g b -=5.37×218.060.1-=3.81(KN) 3.车辆荷载产生的内力公路—I 级:以重车后轮作用于绞缝轴线上为最不利位置,此时两边的悬臂板各承受一半的车轮荷载。
按照《公路桥涵设计通用规范》知后车轮地宽度b 2及长度a 2为a 2=0.2mb 2=0.6m顺行桥向轮压分布宽度:a 1=a 2+2H=0.2+2×0.11=0.42(m) 垂直行车方向轮压分布宽度:b 1=b 2+2H=0.6+2×0.11=0.82(m) 荷载作用于悬臂根部的有效分布宽度: a=a 1+1.4+2l 0=0.42+1.4+2×0.71=3.24(m) 冲击系数:1+μ=1.3作用于每米板宽条上的弯矩为:M Ap =-(1+μ)aP4(l 0-41b )×2=-1.3×24.3235 (0.71-482.0)=-14.18(KN/m) 作用于每米板宽条上的剪力为: V Ap =(1+μ)aP42=1.3×24.370=28.09(KN)4.基本组合 恒+汽:1.2M Ah +1.4M Ap =-1.2×1.35-1.4×14.18=-1.62-19.85=-21.47(KN/m )1.2V Ah +1.4V Ap =1.2×3.81+1.4×28.09=4.57+39.33=43.90(KN) 故行车道板的设计作用效应为:M A =-21.47(KN/m ) V A =43.90(KN)(三)截面设计、配筋与强度验算悬臂板根部高度h=14cm ,净保护层a=2cm 。
装配式钢筋混凝土简支T形梁桥设计一.基本设计资料(一)跨度和桥面宽度标准跨径:16m(墩中心距)。
计算跨径:15.5m。
主梁全长:15.96m。
桥面宽度(桥面净空):净—9m(行车道)+2 2.0(人行道)。
(二)技术标准设计荷载:公路Ⅱ级,人行道和栏杆自重线密度按照单侧6KN/M计算,人群荷载3KN/。
环境标准:Ⅰ类环境。
设计安全等级:二级。
(三)主要材料1.混凝土:混凝土简支T形梁及横梁采用C50混凝土;桥面铺装上层采用0.05m 的沥青混凝土,下层为厚0.06-0.13m的C30混凝土,沥青混凝土重度按23KN/m3计,混凝土重度按26KN/计。
2.钢材:采用R235钢筋,HRB335钢筋。
(四)构造形式及截面尺寸图1 桥梁横断面和主梁纵断面图(单位:cm)如图1所示,全桥共有6片T形梁组成,单片T形梁为1.4m,宽1.8m;桥上横坡;为双向1.5%,坡度由C30混凝土铺装控制;设有5根横梁。
二.主梁的计算(一)主梁的荷载横向分布系数计算1.跨中荷载横向分布系数如前所述,桥跨内设有五根横隔梁,具有可靠的横向联系,且承重结构的宽跨比为:B/l=13/15.5=0.838>0.5,故按G-M 法计算。
(1)计算主梁的抗弯及抗扭惯性矩I 和 :1)球主梁截面的中心位置x (见图2): 翼缘板厚度按平均厚度计算,其平均板后为h 1=(10+16)cm=13cm则:x=2)抗弯惯性矩I 为I=[+]=9069822对于T 形截面梁,抗扭惯性矩可以近似按下式计算:式中 , ——单个矩形截面的宽度和高度; ——矩形截面抗扭刚度系数;m ——梁截面划分成单个矩形截面的个数。
的计算过程及结果见表1。
表1 计算表即得 单位宽度抗弯及抗扭惯矩:(2) 横梁的抗弯及抗扭惯矩翼缘板有效宽度 的计算,计算图示如图3 所示。
横梁长度取两边主梁的轴线间距,即 l=5b=10mc=(3.85-0.16)/2=1.85m h′=110 b ′=16c/l=1.85/10=0.185根据的比值c/l 查表2,可得翼缘板有效工作宽度。
钢筋混凝土简支T梁桥主梁配筋设计1•计算书1.1设计资料1.1.1桥梁跨径及桥宽标准跨径:20.00m ;主梁全长:19.96m ;计算跨径:19.50m ;桥面净宽:净7m+2*0.75m=8.5m 。
1.1.2设计荷载汽车荷载采用公路一B级,人群荷载3kN/m 1.1.3主梁纵横面尺寸图1主梁横断面图(单位:mm支座中心线主梁中线图2 主梁纵断面图(单位:mm1.1.4梁控制截面的作用效应设计值:(1)用于承载能力极限状态计算的作用效应组合设计值跨中截面弯矩组合设计值叽冷1850.2 KN m,其他各截面弯矩可近似按抛物线变化计算。
支点截面剪力组合设计值Vd,0 367.2 KN m,跨中截面剪力组合设计值V df 64.2 KN,其他截面可近似按直线变化计算。
(2 )用于正常使用极限状态计算的作用效用组合设计值(梁跨中截面)恒载标准值产生的弯矩M GK 750 KN不计冲击力的汽车荷载标准值产生的弯矩短期荷载效应组合弯矩计算值为长期荷载效应组合弯矩计算值为人群荷载标准值产生的弯矩值为M Q1 K562.4 KN 1198.68KN m1002.46KN m55 KN mmmM lMQ 2 KM S1.1.5材料要求(1)梁体采用C25混凝土,抗压设计强度fcd 11.5 Mpa |(2)主筋采用HRB335钢筋,抗拉设计强度fsd 280 Mpa1.2截面钢筋计算1.2.1跨中截面的纵向受拉钢筋的计算1、计算T 形截面梁受压翼板的有效宽度:LI180(a)图2跨中截面尺寸图(尺寸单位: mm )为了便于计算,将图 2( a )的实际T 型截面换算成图2( b )所示的计算截面由设计资料查附表得lcd11.5 Mpa f td 1.23 Mpa f sd 280 Mpa0.560 1.0,弯矩计算值M°Md41850.2 KN m1600 (1580)L I (b)1600(1580)取上述三个数据中最小的值,故取 b f 1500mm3、判断T 形梁截面类型判断为I 类T 形截面, 4、受压区高度 6X 1850.2 10611.5 1500x(1179)2 整理后,可得到 x 2 2358x 214516b Vb 24acx2a5、主筋面积计算801402110 mm其余尺寸不变,故有:(1)bf1 3 195006500mm (L 。
钢筋混凝土简支T 形梁桥主梁计算示例1、钢筋混凝土T 形梁桥主梁设计资料⒈某公路钢筋混凝土简支梁桥主梁结构尺寸。
标准跨径:20.00m ;计算跨径:19.5m ;主梁全长:19.96m ; 桥面净宽:净—7+2×0.75;梁的截面尺寸如上图(单位mm ):⒉梁控制截面的作用效应设计值:1) 用于承载能力极限状态计算的作用效应组合设计值 跨中截面弯矩组合设计值,2l d M =1850.2kN ∙m ,其它各截面弯矩可近似按抛物线变化计算。
支点截面剪力组合设计值,0d V =367.2kN ,跨中截面剪力组合设计值,2l d V=64.2kN ,其它截面可近似按直线变化计算。
2)用于正常使用极限状态计算的作用效应组合设计值(梁跨中截面) 恒载标准值产生的弯矩K G M =750 kN ∙m不计冲击力的汽车荷载标准值产生的弯矩Q1K M =562.4kN ∙m 短期荷载效应组合弯矩计算值为s M =1198.68kN ∙m长期荷载效应组合弯矩计算值为l M =1002.46kN ∙m人群荷载标准值产生的弯矩值为Q2K M =55kN ∙m3)材料:梁体采用C25混凝土,抗压设计强度cd f =11.5MPa ;主筋采用HRB335钢筋,抗拉设计强度sd f =280MPa 2、主梁正截面设计计算§2.1 跨中截面纵向受拉钢筋的计算根据给定的截面尺寸和跨中截面弯矩,按承载能力极限状态计算所需钢筋面积,⑴翼缘板的计算宽度b ′f根据《公路钢筋混凝土及预应力混凝土桥涵设计规范》(JTG D62—2004)第4·2·2条规定:T 形截面受弯构件位于受压区的翼缘计算宽度,应按下列三者中最小值取用。
翼缘板的平均厚度h ′f =(80+140)/2=110mm①对于简支梁为计算跨径的1/3。
b ′f =L/3=19500/3=6500mm②相邻两梁轴线间的距离。
b ′f =S=1600mm③b+2b h +12h ′f ,此处b 为梁的腹板宽,b h 为承托长度,h ′f 为不计承托的翼缘厚度。
装配式钢筋混凝土简支T梁桥计算基本设计资料1.标准跨径:20m2.计算跨径:19.5m3.主梁全长:19.96m4.桥面宽度(桥面净空):净9m(行车道)+20.5m(防撞栏)。
技术标准设计荷载:公路—Ⅰ级,人群荷载采用主要材料钢筋:主筋用HRB335级钢筋,其他用R235级钢筋。
混凝土:C50 ,容重;桥面铺装采用沥青混凝土:容重。
设计依据《公路桥涵设计通用规范》(JTJ D60—2004)《公路钢筋混凝土及预应力混凝土桥涵设计规范》(JTJ D62—2004)构造形式及截面尺寸(桥梁横断面和主梁纵断面图)全桥共由5片梁组成,单片梁高1.3m,宽2.0m;设5根横梁。
一:主梁的计算一)主梁荷载横向分布系数B=9+2×0.5=10m l=19.5m b/l=0.0.513>0.51.跨中荷载弯矩横向分布系数(按G-M法)二)主梁的弯矩及抗扭惯矩Ix和ITx求主梁界面的重心位置 (如图):平均板厚:h1===36.5cmIx==0.07254主梁抗扭惯矩按 I T x = ,()对于翼板:对于梁肋:故,主梁的抗扭惯矩为:I T x=单位板宽的弯矩及抗扭惯矩:三)横梁的抗弯及抗扭惯矩翼板的有效宽度的计算,计算如图:横梁的长度取两边主梁轴线之间的距离求横梁截面重心位置:=18cm由于连续桥面板的单宽抗扭惯矩只有独立宽扁板的一半,所以可取单位抗弯及抗扭惯矩:=四)计算参数:===0.387其中B为主梁全宽的一半 L为计算跨径故:五)计算荷载弯矩横向分布影响线已知影响系数b 3b/4b/2b/40-b/4-b/2-3b/4-b 0################ 1.15 1.100.980.910.80 b/4################ 1.130.900.660.350.12 b/2################ 1.100.530.12#####-0.66 3b/4################0.900.39##########-1.40 b ################0.800.12##########-1.640################ 1.09 1.06 1.000.960.92 b/4################ 1.060.980.900.820.75 b/2################ 1.000.910.810.730.67 3b/4################0.940.810.730.630.57 b################0.910.800.680.600.50k荷载荷载位置k1用内插法求梁位处横向分布影响线坐标值,如下图:1号梁和5号梁:2号梁和4号梁:3号梁 :=列表计算各梁的横向分布影响线坐标值,表如下:梁号 算式荷载位置b-b1.6081.066 1.248 1.438 0.934 0.808 0.72 0.624 0.5561号3.5281.5042.162 2.92 0.88 0.336 -0.254 -0.676 -1.448-1.92 -0.438 -0.914 -1.482 0.054 0.472 0.974 1.3 2.004-0.321-0.073 -0.153 -0.247 0.009 0.079 0.163 0.217 0.3353.2071.4312.009 2.673 0.889 0.415 -0.091 -0.459 -1.1130.641 0.286 0.402 0.535 0.178 0.083 -0.018 -0.092 -0.2232号1.1881.114 1.164 1.22 1.024 0.938 0.846 0.766 0.7022.0721.342 1.552 1.86 1.112 0.678 0.336 -0.022 -0.348-0.884 -0.228 -0.388 -0.64 -0.088 0.26 0.51 0.788 1.05-0.148-0.038 -0.065 -0.107 -0.015 0.043 0.085 0.132 0.1751.9241.304 1.487 1.753 1.097 0.721 0.421 0.11 -0.1730.3850.261 0.297 0.351 0.219 0.144 0.084 0.022 -0.035 3号0.921.06 1.0 0.96 1.09 1.06 1.0 0.96 0.920.81.10 0.98 0.91 1.15 1.10 0.98 0.91 0.80.12-0.004 0.02 0.05 -0.006 -0.004 0.02 0.05 0.120.02-0.007 0.003 0.008 -0.01 -0.007 0.003 0.008 0.020.821.093 0.983 0.918 1.14 1.093 0.983 0.918 0.820.1640.2190.1970.1840.2280.2190.1970.1840.164绘制横向分布影响线图如下,求横向分布系数按《桥规》4.3.11条和4.3.5条规定汽车荷载距人行道边缘距离不小于0.5m。
钢筋混凝土简支T梁桥主梁设计计算序:设计资料一、 设计题目:钢筋混凝土简支T 梁桥主梁设计计算 二、 设计资料:1. 桥面净空: 净-9+2×1.0m 人行道2. 主梁跨径和全长: 标准跨径:LK =20.00m 计算跨径:L0 = 19.50m 主梁跨径:L=19.96m3. 设计荷载: 公路Ⅰ级汽车荷载; 人群荷载 3.0KN/m ²; 结构重要性系数 γ0=1.14. 材料: 砼: C30砼抗压强度标准值ck f =20.1MPa 抗压强度设计值cd f =13.8MPa 抗拉强度标准值tk f =2.01MPa 抗拉强度设计值td f =1.39MPa 弹性模量:Ec=3.0×104 MPa 钢筋:主筋HRB400钢筋参考图:本图比例以厘米计抗拉强度标准值sk f=400MPa抗拉强度设计值sd f=330MPa箍筋HRB335钢筋抗拉强度标准值sk f=335MPa抗拉强度设计值sd f=280MPa弹性模量:Es=2.0×105 MPa 相对界限受压区高度ξb=0.53 三、设计内力标准值:第一篇 T 型梁正截面设计1.钢筋混凝土简支梁标准跨径k L =20.00m ,计算跨径0L =19.50m 。
T 型截面梁尺寸如图1-1,桥梁处于Ⅰ类环境条件,安全等级为一级,b ζ=0.53,0γ=1.1。
作用效应组合:通过设计题目中所给数值,(1)由承载能力极限状态作用效应组合公式)(2j Qj1Q11GiγγγγγSSSSQjkmkQ Gikmi d∑∑==++=ψ得简支梁控制界面的弯矩组合设计值和剪力组合设计值为: 跨中截面 Md,L/2=2306.69KNm Vd,L/2=124.12KN1/4跨界面 Md,L/4=1555.65KNm 支点界面 Vd,0=622.53KN(2)正常使用极限状态计算时作用效应组合: 由作用短期效应组合公式Qjk nj j mi Gik sd S S S ∑∑==+=111ψ跨中截面 Msd,L/2=2306.69KNm Vsd,L/2=124.12KN1/4跨界面 Msd,L/4=1555.65KNm单位图支点界面 Vsd,0=622.53KN 由作用长期效应组合公式Qjk nj j mi Gik ld S S S ∑∑==+=121ψ跨中截面 Mld,L/2=2306.69KNm Vld,L/2=124.12KN1/4跨界面 Mld,L/4=1555.65KNm 支点界面 Vld,0=622.53KN 求翼缘计算宽度f b梁体采用C30混凝土,轴心抗压强度设计值cd f =13.8MPa ,,轴心抗拉强度设计值td f =1.39MPa 。
钢筋混凝土简支T型梁桥设计1.设计资料与结构布置1.1设计资料1.1.1 跨径标准跨径:错误!未找到引用源。
l b=16m计算跨径:错误!未找到引用源。
l=15.5m主梁全长:L=15.96m1.1.2 桥面净宽净7m(行车道)+2×0.75(人行道)。
1.1.3设计荷载公路-Ⅱ级,人群荷载3.0kN/m2,结构重要性系数01.0r 。
1.1.4 桥面铺装4cm厚沥青混凝土面层,其下为C25的混凝土垫层,设双向横坡,坡度为1.5%。
两侧人行道外侧桥面铺装厚10cm(4cm厚沥青面层和6cm厚混凝土垫层)。
1.1.5 材料混凝土:主梁C40,钢筋混凝土重度为25kN/m3;沥青混凝土面层,重度为23kN/m3;C25混凝土垫层,重度为24kN/m31.1.6 主梁数及横隔梁数主梁数:4;横隔梁数:5。
1.2结构布置根据设计资料及装配式简支梁桥的构造要求,现拟定结构尺寸如下:主梁高1.3m,主梁间距为2.1m,梁肋宽为20cm,T形梁翼缘板与腹板交接处厚16cm,翼缘悬臂端厚10cm。
设置五根横隔梁,横隔梁上缘16cm,下缘14cm。
图1-1 主梁横截面布置图图1-2 横隔梁布置图2.主梁恒载内力计算:2.1恒载集度计算:主梁:g 1=[0.2×1.3+(0.1+0.16)2(2.1-0.2)]×25=12.675kN/m 横隔梁: 对于边主梁:g 2=[1-(0.1+0.16)2 ]×(2.1-0.2)2 ×(0.14+0.16)2×5×2515.5=1.00kN/m对于中主梁:g 21=2g 2=2×1.00=2.00kN/m桥面铺装层:g3=[0.04×7×23+(0.06+0.015×3.5+0.06)2×7×24]/4=5.2325kN/m 栏杆和人行道:g4=5×2/4=2.5kN/m合计:对于边主梁:g=∑g i=12.675+1.00+5.2325+2.5=21.41kN/m对于中主梁:g=∑g i=12.675+2.00+5.2325+2.5=22.41kN/m 2.2、恒载内力计算计算内梁与边梁的恒载内力。
华北理工大学轻工学院 QINGGONG COLLEGE, HEBEI UNITED UNIVERSITY结构设计原理课程设计姓 名: 柳永超 班 级: 12q 交通工程 学 号: 指导教师: 丁幼松日 期:课程设计任务书(一)设计资料已知标准跨径为20m 的公路装配式钢筋混凝土简支T 形梁,计算跨径为19.5m ,混凝土强度等级为C30,主梁主筋采用HRB335级焊接钢筋骨架,箍筋采用R235钢筋。
跨中弯矩 m KN M dm ⋅=3500,其中m KN M GK ⋅=900,m KN M K Q ⋅=17.16601 ,m KN M K Q ⋅=5.852,19.1)1(=+μ,支点弯矩00=d M ,其余截面的弯矩按照二次抛物线变化。
支点剪力KN V d 7500=,跨中剪力KN V dm 115=。
本桥处于一类环境条件下,结构安全等级二级。
单位:mm(二)设计依据1.交通部部标准《公路钢筋混凝土及预应力混凝土桥涵设计规范》(JTG D62-2004)2.交通部部标准《公路桥涵设计通用规范》(JTG D60-2004)3.《工程结构》(白淑毅编)人民交通出版社 2005(三)设计内容1.计算跨中截面受拉钢筋面积,并进行承载力复核。
2.设计主梁的腹筋。
3.验算主梁跨中挠度和裂缝宽度。
4.绘制主梁的钢筋构造图。
三设计指导1.计算跨中截面受拉钢筋的面积,并进行承载力复核。
①化标准T形梁,②判断真假 T形,③计算并选择、配置受拉主钢筋,④复核承载力。
2.设计主梁的腹筋①截面尺寸验算,②检查是否需要根据计算配置箍筋,③分配剪力,④箍筋设计,⑤弯起筋及斜筋设计,⑥检验各排弯起钢筋的弯起点是否符合构造要求,⑦全梁承载力复核,⑧配纵向防裂筋,⑨绘制主梁剪力分配及全梁弯矩包络图。
3.验算主梁跨中挠度和裂缝宽度①计算跨中挠度,确定是否需要预拱度及大小。
②计算裂缝宽度,确定梁是否能正常使用。
4.绘制主梁的钢筋构造图根据所配主梁的五种钢筋给出一个工程数量表。
第一部分:主梁尺寸拟定与作用效应计算1.1设计资料1.11桥梁跨径及桥宽某钢筋混凝土公路桥梁的主梁构造如图1和图2所示,标准跨径l k =16m ,主梁全长l =15.96m ,计算跨径l 0=15.5m 。
相邻的主梁之间在l /2、l /4和支点处共设置5道横隔梁,间距为3.85m ,主梁间距为1.6m 。
采用装配式简支T 形梁结构形式,钢筋骨架采用焊接骨架。
图1 主梁纵断面(尺寸单位:mm) 图2 桥梁横断面(尺寸单位:mm)1.12设计荷载永久作用(结构重力)按钢筋混凝土的重力密度γ=25kN/m 3计算;主梁上的可变作用(汽车+人群荷载)标准值按均布荷载q k =12.63kN/m 计算(已计入汽车荷载的冲击系数);计算桥面板(T 梁悬臂板)时,除承受结构重力外,局部在翼缘板端部再作用一个集中荷载(车轮荷载)P =13kN (按1m 板宽计),其冲击系数采用1+μ=1.3。
结构重要性系数γ0=1.1。
1.13材料规格混凝土强度等级采用C30f cd =13.8N/mm 2;f ck =20.1N/mm 2;f td =1.39N/mm 2; f tk =2.01N/mm 2;E c =3.00×104N/mm 2。
主筋用HRB335级钢筋f sd =280N/mm 2;f sk =335N/mm 2;E s =2.0×105N/mm 2。
箍筋用R235级钢筋f sd =195N/mm 2;f sk =235N/mm 2;E s =2.1×105N/mm 2。
主梁主筋采用HRB335级钢筋,直径12mm 以下者采用R235级钢筋; 桥面板主筋采用R235级钢筋,采用焊接平面钢筋骨架。
1.14设计规范《公路桥涵设计通用规范》(JTG D60—2004)(简称《公通规》);《公路钢筋混凝土及预应力混凝土桥涵设计规范》(JTG D62—2004)(简称《公桥规》)。
钢筋混凝土简支T梁桥主梁配筋设计1.计算书1.1 设计资料1.1.1桥梁跨径及桥宽标准跨径:20.00m;主梁全长:19.96m;计算跨径:19.50m;桥面净宽:净—7m+2*0.75m=8.5m。
1.1.2设计荷载汽车荷载采用公路—B级,人群荷载3kN/m2。
1.1.3 主梁纵横面尺寸图1主梁横断面图(单位:mm)图 2 主 梁 纵 断 面 图 (单位:mm)主 梁 中 线支 座 中 心 线1.1.4梁控制截面的作用效应设计值:(1)用于承载能力极限状态计算的作用效应组合设计值 跨中截面弯矩组合设计值1,21850.2d MKN m=⋅,其他各截面弯矩可近似按抛物线变化计算。
支点截面剪力组合设计值,0367.2d V KN m=⋅,跨中截面剪力组合设计值1,264.2d VKN=,其他截面可近似按直线变化计算。
(2)用于正常使用极限状态计算的作用效用组合设计值(梁跨中截面) 恒载标准值产生的弯矩750GK M KN m =⋅ 不计冲击力的汽车荷载标准值产生的弯矩1562.4Q K M KN m=⋅短期荷载效应组合弯矩计算值为 1198.68S M KN m =⋅ 长期荷载效应组合弯矩计算值为 1002.46l M KN m =⋅ 人群荷载标准值产生的弯矩值为 255Q K M KN m=⋅1.1.5材料要求(1)梁体采用C25混凝土,抗压设计强度11.5cd f Mpa=;(2)主筋采用HRB335钢筋,抗拉设计强度280sd f Mpa =。
1.2 截面钢筋计算1.2.1跨中截面的纵向受拉钢筋的计算由设计资料查附表得11.5cd f Mpa =, 1.23td f Mpa =280sd f Mpa =,0.56b ξ=,0 1.0γ=,弯矩计算值01,21850.2d M MKN mγ==⋅1、计算T 形截面梁受压翼板的有效宽度:18080180(a)(b)图2 跨中截面尺寸图(尺寸单位:mm )为了便于计算,将图2(a )的实际T 型截面换算成图2(b )所示的计算截面801401102f h mm'=+= 其余尺寸不变,故有: (1)01119500650033fb L mm '==⨯= (0L 为主梁计算跨径)(2)21218020121101500f h f b b b h mm ''=++=+⨯+⨯= (3)1600f b mm '=(等于相邻两梁轴线间的距离) 取上述三个数据中最小的值,故取1500f b mm '=2、因采用的是焊接钢筋骨架,设钢筋重心至梁底的距离300.07300.071300121s a h mm =+=+⨯=,则梁的有效高度即可得到,013001211179s h h a mm =-=-=。
钢筋混凝土简支T梁桥主梁配筋设计课程设计班级1090学号120090850姓名指导教师成绩三江学院土木工程学院2011年12月~2012年1月钢筋混凝土T形梁桥主梁设计资料⒈某公路钢筋混凝土简支梁桥主梁结构尺寸。
标准跨径:20.00m;计算跨径:19.50m;主梁全长:19.96m;梁的截面尺寸如下图(单位mm):⒉计算内力⑴使用阶段的内力跨中截面计算弯矩(标准值)=878.72KN·m;结构重力弯矩:M1/2恒=6057.28KN·m(未计入冲击系数);汽车荷载弯矩:M1/2汽人群荷载弯矩:M1/2=75.08KN·m;人1/4跨截面计算弯矩(设计值)M d,1/4=1867.00KN·m;(已考虑荷载安全系数)支点截面弯矩M d0=0,支点截面计算剪力(标准值)=230.75KN;结构重力剪力:V0恒=197.80KN(未计入冲击系数);汽车荷载剪力:V0汽=18.60KN;人群荷载剪力:V0人跨中截面计算剪力(设计值)=76.50KN(已考虑荷载安全系数);跨中设计剪力:V d,1/2主梁使用阶段处于一般大气条件的环境中。
结构安全等级为二级。
汽车冲击系数,汽车冲击系数1+μ=1.292。
⑵施工阶段的内力简支梁在吊装时,其吊点设在距梁端a=400mm处,而梁自重在跨中截面的弯矩=585.90KN·m,吊点的剪力标准值V0=110.75KN·m。
标准值M k,1/2⒊材料主筋用HRB335级钢筋f sd=280N/mm2;f sk=335N/mm2;E s=2.0×105N/mm2。
箍筋用R235级钢筋f sd=195N/mm2;f sk=235N/mm2;E s=2.1×105N/mm2。
采用焊接平面钢筋骨架混凝土为C30f cd=13.8N/mm2;f ck=20.1N/mm2;f td=1.39N/mm2;f tk=2.01N/mm2;E c=3.00×104N/mm2。
作用效应组合主梁正截面承载力计算主梁斜截面承载力计算全梁承载力校核施工阶段的应力验算使用阶段裂缝宽度和变形验算纵向构造钢筋、架立钢筋及骨架构造钢筋长度计算钢筋明细表及钢筋总表第1章作用效应组合§1.1承载力极限状态计算时作用效应组合根据《公路桥涵设计通用规范》(JTG D60—2004)4·1·6条规定:按承载力极限状态计算时采用的基本组合为永久作用的设计值效应与可变作用设计值效应相组合,其效应组合表达式为:)(211100∑∑==++=nj QjK Qj C K Q Q m i GiK Gi ud S S S S γψγγγγ跨中截面设计弯矩M d =γG M 恒+γq M 汽+γq M 人=1.0×(1.2×878.72+1.4×6057.28×1.292+0.8×1.4×75.08)=2237.00KN ·m 支点截面设计剪力V d =γG V 恒+γG1V 汽+γG2V 人=1.2×230.75+1.4×197.80×1.292+0.8×18.60×1.4=655.51KN§1.2正常使用极限状态设计时作用效应组合根据《公路桥涵设计通用规范》(JTG D60—2004)4·1·7条规定:公路桥涵结构按正常使用极限状态设计时,应根据不同的设计要求,分别采用不同效应组合,⑴作用效应短期组合作用效应短期组合为永久作用标准值效应与可变作用频遇值效应相组合,其效应组合表达式为:∑∑==+=nj Qjkj mi Gik sd S S S 111ψM sd =M gk +ψ11M 11+ψ12M 12=8768.72+0.7×607.28+1.0×75.08=1378.90KN ·m ⑵作用长期效应组合作用长期效应组合为永久作用标准值效应与可变作用准永久值效应相组合,其效应组合表达式为:∑∑==+=nj Qjkj mi Gik ld S S S 1211ψM ld =M gk +ψ21M 11+ψ22M 12=878.72+0.4×607.28+0.4×75.08=1151.66KN ·m第2章主梁正截面承载力计算§2.1配筋计算⑴翼缘板的计算宽度b′f根据《公路钢筋混凝土及预应力混凝土桥涵设计规范》(JTG D62—2004)第4·2·2条规定:T 形截面受弯构件位于受压区的翼缘计算宽度,应按下列三者中最小值取用。
翼缘板的平均厚度h′f =(150+90)/2=120mm ①对于简支梁为计算跨径的1/3。
b′f =L/3=19500/3=6500mm②相邻两梁轴线间的距离。
b′f =S=1600mm③b+2b h +12h′f ,此处b 为梁的腹板宽,b h 为承托长度,h′f 为不计承托的翼缘厚度。
b′f =b+12h′f =200+12×120=1640mm 故取b′f =1600mm ⑵判断T 形截面的类型设a s =30+0.07h=30+0.07×1500=135mm ,h 0=h -a s =1500-135=1365mm ;'''()01201381600120(1365)3457.732237.0022f cd f f h f b h h KN m M KN m-=⨯⨯⨯-=∙>=∙故属于第一类T 形截面。
根据《公路钢筋混凝土及预应力混凝土桥涵设计规范》(JTG D62—2004)第5·2·3条规定:翼缘位于受压区的T 形截面受弯构件,其正截面抗弯承载力按下列规定计算。
⑶求受拉钢筋的面积A s00'(276'120cd d f f x M f b x h x mm h mmγ=-=<=根据方程:解得:cd f s sdf b x A f '==13.8160076280⨯⨯=5993mm 2拟采用832的钢筋,A s =6434mm 2主筋布置如图1所示,主筋为两片焊接平面骨架。
每片骨架主筋的叠高为:35+4×35.8=178mm <0.15h =225mm ,满足多层钢筋骨架的叠高一般不宜超过0.15h~0.20h 的要求。
梁底混凝土净保护层取35mm ,侧混凝土净保护层取58mm ,两片焊接平面骨架间距为:40 200235235.8=58mm 1.2540mmmmd >⎧⨯⨯⎨>=⎩--§2.2正截面抗弯承载力复核2⑴跨中截面含筋率验算s a =352×35.8=107mmh 0=h -a s =1500-107=1393mmmin 00.2%6434 =2.31%0.45/0.22%2001393s td sd A f f bh ρρ>⎧==>=⎨>=⨯⎩⑵判断T 形截面的类型13.816001202649.628064341801.52cd f f sd s f b h KN m f A KN m ''=⨯⨯=⋅>=⨯=⋅根据《公路钢筋混凝土及预应力混凝土桥涵设计规范》(JTG D62—2004)第5·2·3条:翼缘位于受压区的T 形截面受弯构件,当符合:f f cd s sd h b f A f ''≤时,则按宽度为b′f 的矩形截面计算。
⑶求受压区的高度x2806434 =82mm 12013.81600sd s f cd f f A x h mmf b ⨯'==<='⨯⑷正截面抗弯承载力M u82(13.8160082(1393)2447.882237.0022u cd f d x M f b x h KN m M KN m '=-=⨯⨯⨯-=⋅>=⋅说明跨中正截面抗弯承载力满足要求。
第3章主梁斜截面承载力计算§3.1截面尺寸复核根据《公路钢筋混凝土及预应力混凝土桥涵设计规范》(JTG D62—2004)第9·3·10条规定:在钢筋混凝土梁的支点处,应至少有两根并不少于总数1/5的下层受拉的主筋通过。
初步拟定梁底232的主筋伸入支座。
受拉钢筋面积为1608mm 2>20%×6434=1287mm 2;支点截面的有效高度h 0=h -a s =1447mm ;根据《公路钢筋混凝土及预应力混凝土桥涵设计规范》(JTG D62—2004)第5·2·9条:矩形、T 形和工字形截面受弯构件,其抗剪截面应符合0,301051.0bh f V k cu d -⨯≤γ要求。
3000.51100.51102001447808.41655.51KNd KN V γ--⨯=⨯⨯=>=说明截面尺寸符合要求。
§3.2检查是否需要按计算设置腹筋根据《公路钢筋混凝土及预应力混凝土桥涵设计规范》(JTG D62—2004)第5·2·10条:矩形、T 形和工字形截面受弯构件,符合下列条件时)(1050.00230kN bh f V td d αγ-⨯≤要求时则不需要进行斜截面抗剪承载力计算,而仅按构造要求配置箍筋。
跨中:0.50×10-3f td bh 0=0.50×10-3×1.39×200×1393=196.63KN >V dm =76.50KN 支点:0.50×10-3f td bh 0=0.50×10-3×1.39×200×1447=201.13KN <V d0=655.51KN 故跨中截面部分可按构造配置箍筋,其余区段按计算配置腹筋。
§3.3最大设计剪力及设计剪力分配⑴确定构造配置箍筋长度1019500193.6376.50=1972mm22655.5176.50x L V l V =⨯=⨯-l 2-l 2V -V -在距跨中l 1范围内可按构造配置最低数量的箍筋。
⑵计算最大剪力和剪力分配根据《公路钢筋混凝土及预应力混凝土桥涵设计规范》(JTG D62—2004)第5·2·11条:最大剪力取用距支座中心h/2处截面的数值,并按混凝土和箍筋共同承担不少于60%;弯起钢筋承担不超过40%,并且用水平线将剪力设计值包络图分割为两部分。