创维电视工厂菜单模式进入方法
- 格式:docx
- 大小:20.52 KB
- 文档页数:10
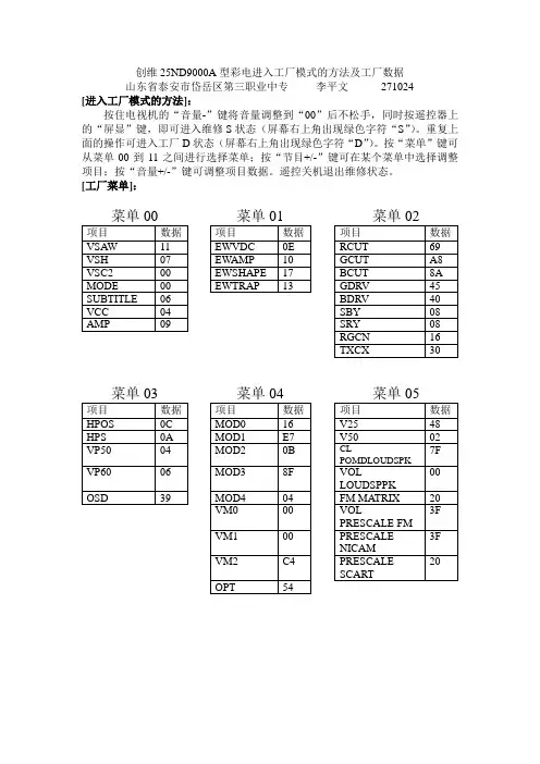
创维25ND9000A型彩电进入工厂模式的方法及工厂数据
山东省泰安市岱岳区第三职业中专李平文271024
[进入工厂模式的方法]:
按住电视机的“音量-”键将音量调整到“00”后不松手,同时按遥控器上的“屏显”键,即可进入维修S状态(屏幕右上角出现绿色字符“S”)。
重复上面的操作可进入工厂D状态(屏幕右上角出现绿色字符“D”)。
按“菜单”键可从菜单00到11之间进行选择菜单;按“节目+/-”键可在某个菜单中选择调整项目;按“音量+/-”键可调整项目数据。
遥控关机退出维修状态。
[工厂菜单]:
菜单00 菜单01 菜单02
菜单03 菜单04 菜单05
菜单06 菜单07 菜单08
菜单09 菜单10 菜单11。
等离子8PG0机芯工厂菜单调试说明一.进出工厂菜单方法:连续按两次“静音”,四次“信息”即可进入工厂调试模式,此时屏幕显示“M”“频道▽”可入”键即可退出工厂菜单模式。
附注:1.前100台试产机器(43PCAPV)为按4次“静音”,4次“信息”键进入 工厂调试模式,在屏幕显示为“M”状态下,按“电源”键可退出工厂模式。
2.正式生产的小部分机约500台,进工厂模式为2次“静音”2次“信息”,退工厂模式仍为按“进入”键。
二.工厂菜单内容及调试说明。
第一页 显示“BARCODE”,条形码目前空缺,用遥控器不可调。
第二页 显示 厂商 创维版本 P0000051213AA日期 2004年7月19日此页选项也不可更改,版本中的“2005 12 13”数字表示软件日期。
第三页 显示 PALTV/AV position水平位置 53V position 47行场的位置(相位)数值范围为“0~100”可调。
第四页 显示 白平衡值R-DRV/G-DRV/B-DRV/R-CUT/G-CUT/B-CUT的值均为0~255可调,出厂时已调整好,如无必要请尽量不要更改。
第五页 显示 Video-Bri-MAX 145Video-Bri-MID 120Video-Bri-MIN 100Video-Con-MAX 245Video-Con-MID 200Video-Con-MIN 60YPbPr-Bri-MAX 150YPbPr-Bri-MID 125YPbPr-Bri-MIN 105YPbPr-Con-MAX 230YPbPr-Con-MID 190YPbPr-Con-MIN 60PC-Bri-MAX 145PC-Bri-MID 125PC-Bri-MIN 100PC-Con-MAX 210PC-Con-MID 170PC-Con-MIN 50“Bri”指亮度,“Con”指对比度,“MAX”为最大值,“MID”为中间值,“MIN”为最小值,本页中所有选项均为“0~255”可调,但以上数值已精确设定,请轻易不要更改,否则影响图像显示效果。
,也可断电
开机后,将电视机的音量减到0,同时按住面板的“音量-”键不放,同时依次按下遥控器7、8、9键,即可进入。
按镜像键切换菜单翻页,按频道的加减键选择调试项目,接音量加减键改变参数please ”键进入方法
3D10、3D11、4D10机芯
:按第一页的EXIT -音量加确定
978,
6D35、
6”、“9”、“9”,即可进
16:9CRT
1
Service功
6”、“9”、“9”,即可进
16:9CRT
7
7
,则会退出此
为红色),2:关掉总电
功能.调整方
Service状态,状态,电视机
)
03后交流关机即可始化已经完成,
工厂模式。
按下遥控器7、8、9键,即可进入。
上数字键中的“0707
)ROM
ROM
de off!”
控器上数字键中的“
)
“0”键调TDA9112。
),说明已经存储。
法:按频道加/”,“6”、“9遥控器上的数字键“3的数字键“3”、“6选项,“左/:9”键不放,输入“”键,接着按“频道整项目,按“音量示。
B )
放,输入978“6”、“9遥控器上的数字键“3的数字键“3”、“6选项,“左/:9)
)。
SSWORD
2
SSWORD
RESET
到YES
,按“屏显”键恢复
)
,以方便工厂调试。
/-键”改变参数。
9,将会启动本机的
到:╳
ervice状态;退出。
创维彩电各种机芯进入与退出工厂模式汇总创维彩电各种机芯进入与退出工厂模式汇总一.D系列5D01机芯:进入:在遥控器屏显键的下方,加装一个按键(SERVICE“工厂”键),按该键即可进入工厂模式。
退出:按遥控器上的TV/AV键即可。
5D20机芯:进入:按遥控器上的“工厂键”(在电脑键的正上方加装一具按键),进入工厂调试模式。
反复按几下“菜单键”直到进入SERVICEFACTORY调整菜单:按“频道+/-”键选择想要进行初始化的项目:按“音量+/-”键执行初始化选定项。
退出:按“工厂键”即可退出调试菜单。
5D26机芯:进入:同时按面板上的“频道+/-”键,开机即可:按“菜单”键切换菜单,“频道+/-”键选择项目,“音量+/-”键改变参数。
退出:交流关机即可退出。
5D28机芯:进入:首先按一下遥控的“—/——(多位)”.键,屏幕上将显示“囗囗囗”,然后将百位数设为“2”(其它两位不用设置),接着按“菜单”键,在声音菜单中,选中“重低音”项,最后输入“6879”,即可进入工厂模式。
退出:按一下“待机”键,即可退出工厂模式。
说明:在工厂调试时,遥控器听数字键可作为快捷方式,其中,1对应白平衡2应OSD,3 对应EFPROM,4对应旋转设定,5 对应DPTV1,6对应DPTV2,7 对应DPTV,8 对应TA1316,9 对应TDA9859,0对应TDA9112..5D30机芯:进入:按遥控器上的“屏显键”使屏幕 右上角出现OSD字符显示:同时按下面板上的“频道+”和“视频键”进入维修菜单。
退出:按屏显键即可退出。
说明:在工厂调试时,按“菜单”键翻页。
5D60/5D66机芯:进入:按遥控器上多位键“-/――”使屏幕显示“――”字样:同时按住机器面板上的“菜单键”“待机键”不松手,再按遥控器上的数字键“7”使屏幕显示“777”字样:此时屏膜下方会出现软件设置日期“――――――”;按遥控器上的“菜单键”,再按“频道+”键就进入工厂模式,按“频道+/-”键选择项目,“音量+/-”键改变参数。
18TG3/8TG5机芯进入;连续按遥控器的静音键4下【屏幕上出现M】即可进入工厂模式。
退出;交流关机,即可退出工厂模式。
说明;搜台的初始密码‘0000’如不能进入可用‘4759’进入,然后交流关机,再开机,密码28TP2机芯进入;首先将音量减到‘00’。
然后快讯输入‘781215’屏幕左上角出现一个蓝色菜单,即表退出;先遥控关机,后交流关机,即可退出工厂模式。
说明;本机芯在调试时,需要按‘菜单’键切换菜单。
38TT1,8TT3机芯进入;首先将音量减到00,然后按住电视机的‘音量-’键,接着按一下遥控的‘屏显’键,退出;按一下遥控器的‘屏显’键,即可退出工厂模式。
48TT6机芯方法1;进入;首先按住电视机的‘菜单’键,并按下交流开关开机,开机后,打开菜单选择退出;按住电视机的’音量-’键,当音量减的‘00’时,同时按一下遥控器的静音键,即可方法2;进入;首先将音量减到‘00’,然后按住电视机的‘音量-’键,接着按一下遥控器的退出;按住电视机的‘音量-’键,紧接着按一下遥控器的‘静音’键。
即可退出工厂模式。
说明;本机芯的部分电视出现版本号时,按照退出工厂模式的方法操作即可消除。
阿明家电维修部。
2009,05,25。
编辑。
,再开机,密码将恢复为‘0000’。
现一个蓝色菜单,即表示进入工厂模式。
下遥控的‘屏显’键,即可进入屏显模式。
开机后,打开菜单选择‘FACTORY'即可进入工厂模式。
遥控器的静音键,即可退出工厂模式。
,接着按一下遥控器的‘静音’键。
即可进入快捷工厂菜单。
即可退出工厂模式。
即可消除。
适用机型:创维数码8000Y(4Y机芯)系列彩电维修方式的进入、退出先按遥控器的菜单(MENU)键,进入图像菜单,再依次按退出(Q.VIEW)键及静音(MUTE)键即可进入维修状态。
该机心有5种菜单,用遥控器上的定时键来切换5种菜单,用频道+、-键来选项,用音量+、-键来修改项目参数。
退出维修状态:按遥控器的菜单键。
适用机型:创维数码5000~8259或8000N~8259型(4N、5N机芯)、创维25NF8800(5N10、3N10、4N10机芯)、29SF8800。
(AN5199)维修方式的进入1、先关掉电视机的电源开关,同时按住本机的“音量”+、—键,再打开电视机的电源开关,即可进入维修状态。
2、先关掉电视机的电源开关,同时按住本机的“频道”+、—键,再打开电视机的电源开关,即可进入设置状态。
退出维修状态:按遥控器的“待机”键关机适用机型创维数码8000S~2588型(5S 机芯)进入维修方式的进入先关掉电视机的电源开关,同时按住本机按键上的TV/AV键和菜单(MENU)键,再打开电视机的电源开关,即可进入维修状态。
退出维修状态:按遥控器的“图像模式”键关机适用机型:创维数码3008~2108型(4S机芯)彩电维修方式的进入按住遥控器的“消除(CLEAR)”键的“音量—”键及“返回”键,即可进入维修状态。
按遥控器的“图像模式(PIC)”键关机适用机型:创维8000T-2199、8000A-2582、29ST880(4T/5T/5T10机芯)CPU:MN18P73284DP维修方式的进入及退出先按下电视机的本机音量“-”键到零,此时不要放手,再按下遥控器上的屏幕显示键“+”,即可进入维修状态的S模式。
或同时按住电视机面板音量“-、+”键,再打开电视机的电源开关。
如果要进入D模式,则先放开音量“-”键和屏显键,再按下屏显键,使之暂时退出S状态(并非真正退出S状态),再按下音量“-”键不要放手,再按屏显键,即可由S 状态进入D状态。
创维彩电各种机芯进入与退出工厂模式汇总一.D系列5D01机芯:进入:在遥控器屏显键的下方,加装一个按键(SERVICE“工厂”键),按该键即可进入工厂模式。
退出:按遥控器上的TV/A V键即可。
5D20机芯:进入:按遥控器上的“工厂键”(在电脑键的正上方加装一具按键),进入工厂调试模式。
反复按几下“菜单键”直到进入SERVICEFACTORY调整菜单:按“频道+/-”键选择想要进行初始化的项目:按“音量+/-”键执行初始化选定项。
退出:按“工厂键”即可退出调试菜单。
5D26机芯:进入:同时按面板上的“频道+/-”键,开机即可:按“菜单”键切换菜单,“频道+/-”键选择项目,“音量+/-”键改变参数。
退出:交流关机即可退出。
5D28机芯:进入:首先按一下遥控的“—/——(多位)”.键,屏幕上将显示“囗囗囗”,然后将百位数设为“2”(其它两位不用设置),接着按“菜单”键,在声音菜单中,选中“重低音”项,最后输入“6879”,即可进入工厂模式。
退出:按一下“待机”键,即可退出工厂模式。
说明:在工厂调试时,遥控器听数字键可作为快捷方式,其中,1对应白平衡2应OSD,3 对应EFPROM,4对应旋转设定,5 对应DPTV1,6对应DPTV2,7 对应DPTV,8 对应TA1316,9 对应TDA9859,0对应TDA9112.. 5D30机芯:进入:按遥控器上的“屏显键”使屏幕右上角出现OSD字符显示:同时按下面板上的“频道+”和“视频键”进入维修菜单。
退出:按屏显键即可退出。
说明:在工厂调试时,按“菜单”键翻页。
5D60/5D66机芯:进入:按遥控器上多位键“-/――”使屏幕显示“――”字样:同时按住机器面板上的“菜单键”“待机键”不松手,再按遥控器上的数字键“7”使屏幕显示“777”字样:此时屏膜下方会出现软件设置日期“――――――”;按遥控器上的“菜单键”,再按“频道+”键就进入工厂模式,按“频道+/-”键选择项目,“音量+/-”键改变参数。
创维29d98ht1、进入工厂模式方法:按遥控器上的“-/--键”切换到三键输入状态(---),按住键控板上的菜单键不放,输入978,将会启动本机的Service 功能,并将一直处于Service状态;在Service状态下,按一次“菜单”键,接着按“频道加”键,即可进入调试菜单。
2、调整方法:按频道加/减键选择需调整项目,按音量加/减键改变所选项目的值或状态;按菜单键可以返回调整项目菜单;3、退出工厂模式方法:选择adjust 菜单中的Shipment项目(出厂设定);老化状态:自动关机均打到:关(存储器已处于Service 状态,并已把自动关机均打到:关,建议在所有调试工作完成后,再退出Service状态;退出Service状态,电视机会自动把自动关机打到:开,并返回到0 频道。
创维29d98ht 遥控器yk-63da 怎么进总线>>按遥控器上的“-/--键”切换到三键输入状态(---),按住键控板上的“菜单”键不放,输入“978”,将会启动>>本机的service功能,并将一直处于service状态。
在service状态下,按一次“菜单”键,接着按“频道+”键,>>即可进入工厂调试菜单;按“频道+/-”键选择需调整项目,按“音量+/-”键改变所选项目的值或状态;按菜单>>键可以返回调整项目菜单。
>>在工厂模式下,选择adjust菜单中的shipment项目即可退出工厂模式。
>6D50 29D98HT一,按遥控多位键出现"_ _ _",再按电视机面板"菜单",紧接着输入数字978.二1、进入工厂模式<BR>按遥控器上的“-/--键”切换到三键输入状态(---),按住电视机上的“菜单”键不放,输入遥控器“978”,将会启动本机的Service功能,并将一直处于Service状态。
适用机型:创维数码8000Y(4Y机芯)系列彩电维修方式的进入、退出先按遥控器的菜单(MENU)键,进入图像菜单,再依次按退出(Q.VIEW)键及静音(MUTE)键即可进入维修状态。
该机心有5种菜单,用遥控器上的定时键来切换5种菜单,用频道+、-键来选项,用音量+、-键来修改项目参数。
退出维修状态:按遥控器的菜单键。
适用机型:创维数码5000~8259或8000N~8259型(4N、5N机芯)、创维25NF8800(5N10、3N10、4N10机芯)、29SF8800。
(AN5199)维修方式的进入1、先关掉电视机的电源开关,同时按住本机的“音量”+、—键,再打开电视机的电源开关,即可进入维修状态。
2、先关掉电视机的电源开关,同时按住本机的“频道”+、—键,再打开电视机的电源开关,即可进入设置状态。
退出维修状态:按遥控器的“待机”键关机适用机型创维数码8000S~2588型(5S 机芯)进入维修方式的进入先关掉电视机的电源开关,同时按住本机按键上的TV/AV键和菜单(MENU)键,再打开电视机的电源开关,即可进入维修状态。
退出维修状态:按遥控器的“图像模式”键关机适用机型:创维数码3008~2108型(4S机芯)彩电维修方式的进入按住遥控器的“消除(CLEAR)”键的“音量—”键及“返回”键,即可进入维修状态。
按遥控器的“图像模式(PIC)”键关机适用机型:创维8000T-2199、8000A-2582、29ST880(4T/5T/5T10机芯)CPU:MN18P73284DP维修方式的进入及退出先按下电视机的本机音量“-”键到零,此时不要放手,再按下遥控器上的屏幕显示键“+”,即可进入维修状态的S模式。
或同时按住电视机面板音量“-、+”键,再打开电视机的电源开关。
如果要进入D模式,则先放开音量“-”键和屏显键,再按下屏显键,使之暂时退出S状态(并非真正退出S状态),再按下音量“-”键不要放手,再按屏显键,即可由S状态进入D 状态。
退出维修状态按下遥控器“待机”功能键关机适用机型:创维数码6000系列彩电2922、2522和2122等机型,黄河T3系列产品2588和2188等机型(3T01机芯)1、以专用遥控器进入D-MODE维修状态按下工厂调节器试遥控器上的D-MODE ON/OFF键,即可进入维修调整状态。
此时在屏幕的右上角会显示字符“D”,在左上部分显示可调整的项目和数据。
进入维修调试状态后,按↑或↓可选择调整项目。
按动←或→可调整该项目的数据。
2、以用户遥控器进入S-MODE维修状态用手按住电视机上的音量“-”键,直至屏幕显示到音量为00,不要松手,同时按下遥控器上的+键。
此时屏幕右上角会显示“S”字符,即进入S-MODE维修状态。
退出维修状态按下遥控器“待机”功能键关机适用机型:创维数码8000系列(ST01、ST03、5T10机芯)彩电进入调整模式(1)进入S模式的方法将本机键控板“音量减”键按住至零后不松手,再按遥控器“屏显”键,即进入S模式,此时屏幕显示字母“S”,在“S”的下面显示第一项参数调整项RCVT80。
遥控关机,退出“S”模式。
(2)进入D模式的方法进入S模式后,按遥控器上的屏显键退出,重复一次进入S模式的步骤即进入D模式,此时在屏幕右上角有一“D”字母,高速的方法以及退出后方法与S模式一样。
(注:在S模式下按遥控器“-/- -”键或本机键“AV/TV”屏幕,即成水平亮线,再按下该键屏幕恢复光栅)。
适用机型:4S02机芯维修方式(工厂模式)的进入顺序按动遥控器上的“跳台”(SKIF)键“音量减”(-)键,“AFT”键即进入工厂操作状态。
维修方式(工厂模式)的退出按遥控器的“模拟量”(PIC)键适用机型:4N机芯维护方式(工厂模式的进入)先关掉电视机总电源,然后同时压下面板上VOL-/+两按键,在保持压下VOL-/+两按键的同时打开电视机总电源开关,电视机即可进入工厂设置模式,这时屏幕显示ADJUST MENU。
维修方式(工厂模式)的退出按下遥控器“待机”功能键关机5P10机芯维修方式的进入同时按遥控器上“工厂”键与“静音”键,(“工厂”键在用户的遥控器上,实际并未按装,打开遥控器,在印板上找出有按钮没导电胶的地方,即是“工厂”按键)。
维修方式的退出按“消除”键退出维修状态。
数码100机芯按遥控器上“工厂”键,(“工厂”键在用户的遥控器上,实际并未按装,打开遥控器,在印板上找出有按钮没导电胶的地方,即是“工厂”按键)。
维修方式的退出按“消除”键退出维修状态。
适用机型:创维21NL9000CPU:TMP87CK38N-3628维修方式的进入先按下电视机的本机音量“-”键到零,此时不要放手,再按下遥控器上的屏幕显示键“+”,即可进入维修状态的S模式。
或同时按住电视机面板音量“-、+”键,再打开电视机的电源开关。
如果要进入D模式,则先放开音量“-”键和屏显键,再按下屏显键,使之暂时退出S状态(并非真正退出S状态),再按下音量“-”键不要放手,再按屏显键,即可由S状态进入D 状态。
退出维修状态创维S系列机型工厂模式进入5s01机型: 进入:同时按面板上的tv/av键和菜单键再开机。
进入后按“选择”键进行子菜单的选择,按节目+/-选择子项目,按音量+/-调整项目参数。
退出:按遥控器上的“图象模式”键即可。
5s10机型: 进入:依次按“菜单”键,“av”键,“选择”键。
即可进入。
退出:按“选择”键即可。
3s28/5s28机型: 进入:同时按遥控器上的“工厂”键和“选择”键,屏幕显示“:”输入“0115”进入“m1”调试菜单,输入“1104”进入m2调试菜单。
退出:关机即可。
创维3P30、5P30机芯的调试说明3P30、5P30机芯的调试说明工厂模式和PE功能菜单进入方法:将音量减为0,按住伴音减键,同时按屏显键(或直接按工厂键),进入工厂菜单。
按数字键“6”,进入密码项,输入密码:“789”后,再按菜单键翻页,则可进入PE功能菜。
其分为PE-1,PE-2两页。
一、键进入工厂调试状态后,快捷键定义如下:(注:3P30机芯无枕形校正调整等)参数项 对应快捷键H-AMP(行幅) 图象模式V-SLP (场线性) 声音模式V-POS (场中心) 彩色制式V-AMP (场幅) 声音制式V-SC (场S校正) 单独听EWPA (枕形) 视频TRAP (梯形) 0 PARA (平行四边 -/--UCP (上边角) 7BCP (下边角) 8 BOW (弓形) 9地磁 环绕声RFAGC 人机对话VG2 (帘栅) 屏显WPR (红激励) 1WPG (绿激励) 2WPB (蓝激励) 3RED (红截止) 4GREEN(绿截止) 5P-MOD (进PE模式密 6 AGING (老化模式) 自动搜台S-BRI (付亮度) 数码工作站PE-1: 位 定义 设置(以29TI为例) 备注 一、OP1 : 0xDC 0 BG制伴音 0(无) 根据订单 1 肤色校正 0(关) 固定 2 AV2输入 1(有) 根据订单 3 S端子输入 1(有) 根据订单 4 DVD输入 1(有) 根据订单 5 搜台灵敏度增强 0(关) 非标时用6 人机对话 1(有) 根据订单7 屏保功能 1(有) 根据订单 二、OP2 : 0xE80 M制伴音 0(无) 根据订单1 搜台声音检测(Ver1.30) 0 (关) 固定2 伴音锁相环捕捉宽度 0(关) 非标时用 3 16:9功能 1(有) 根据订单4 场同步范围增强 0(关) 非标时用 5 关机屏外放电 1(开) 按市场要求6 半透明菜单 1(有) 根据订单7 数码工作站 1(有) 根据订单注: Ver 1.31 版本时OP2 的bit 1 为 RAM刷新功能选择。