高级工技能要求——数控车工国家职业标准
- 格式:doc
- 大小:39.50 KB
- 文档页数:2
数控车工国家职业标准数控车工是一项重要的职业,随着工业的发展,数控车工的需求也在不断增加。
为了规范数控车工的职业标准,提高其技能水平和职业素质,国家制定了《数控车工国家职业标准》,以下将对该标准进行详细介绍。
首先,数控车工国家职业标准明确了数控车工的职业技能要求。
数控车工需要具备精密加工和数控编程的能力,能够熟练操作数控车床进行加工,能够根据工程图纸和加工工艺要求进行加工操作,并具备一定的质量检验和故障排除能力。
此外,数控车工还需要具备安全操作和环境保护意识,保证生产过程的安全和环保。
其次,数控车工国家职业标准规定了数控车工的职业素质要求。
数控车工需要具备良好的职业道德和职业素养,遵守职业规范和职业操守,具有团队合作精神和良好的沟通能力,能够适应工作需要并具备不断学习和提高的能力。
另外,数控车工国家职业标准还对数控车工的岗位职责进行了详细的规定。
数控车工需要负责数控车床的日常操作和维护,保证设备的正常运行和生产效率。
同时,数控车工需要按照工艺要求进行加工操作,保证产品的质量和精度。
在生产过程中,数控车工需要遵守相关的安全操作规程,保证生产过程的安全和环保。
此外,数控车工国家职业标准还对数控车工的培训和评价进行了规定。
为了提高数控车工的技能水平,国家规定数控车工需要接受相关的职业培训,并通过职业资格认证。
同时,国家还规定了对数控车工的职业技能和职业素质进行定期评价,以保证数控车工的职业水平和素质。
总的来说,数控车工国家职业标准的制定对提高数控车工的职业素质和技能水平具有重要意义。
通过规范数控车工的职业标准,可以提高数控车工的整体水平,促进数控车工行业的健康发展,满足社会对高素质数控车工的需求。
希望广大数控车工能够严格遵守国家职业标准,不断提高自身的职业素质和技能水平,为工业发展做出更大的贡献。
数控车工国家职业标准1.1 职业名称数控车工。
1.2职业定义从事编制数控加工程序并操作数控车床进行零件车削加工的人员。
1.3 职业等级本职业共设四个等级,分别为:中级(国家职业资格四级)、高级(国家职业资格三级)、技师(国家职业资格二级)、高级技师(国家职业资格一级)。
1.8.2 申报条件──中级(具备以下条件之一者)(1)经本职业中级正规培训达规定标准学时数,并取得结业证书。
(2)连续从事本职业工作5年以上。
(3)取得经劳动保障行政部门审核认定的,以中级技能为培训目标的中等以上职业学校本职业或相关专业毕业证书。
(4)取得相关职业中级职业资格证书后,连续从事本职业工作2年以上。
──高级(具备以下条件之一者)(1)取得本职业中级职业资格证书后,连续从事本职业工作2年以上,经本职业高级正规培训达规定标准学时数,并取得结业证书。
(2)取得本职业中级职业资格证书后,连续从事本职业工作4年以上。
(3)取得经劳动保障行政部门审核认定的、以高级技能为培养目标的职业学校本职业或相关专业毕业证书。
(4)大专以上本专业或相关专业毕业生,经本职业高级正规培训达规定标准学时数,并取得结业证书。
──技师(具备以下条件之一者)(1)取得本职业高级职业资格证书后,连续从事本职业工作4年以上,经本职业技师正规培训达规定标准学时数,并取得结业证书。
(2)取得本职业高级职业资格证书的职业学校本职业(专业)毕业生,连续从事本职业工作2年以上,经本职业技师正规培训达规定标准学时数,并取得结业证书。
(3)取得本职业高级职业资格证书的本科(含本科)以上本专业或相关专业毕业生,连续从事本职业工作2年以上,经本职业技师正规培训达规定标准学时数,并取得结业证书。
──高级技师取得本职业技师职业资格证书后,连续从事本职业工作4年以上,经本职业高级技师正规培训达规定标准学时数,并取得结业证书。
3.工作要求本标准对中级、高级、技师和高级技师的技能要求依次递进,高级别涵盖低级别的要求。
数控车工国家职业标准一、职业概况1 职业名称:数控车工2 职业定义:从事编制数控加工程序并操作数控车床进行零件车削加工的人员。
3 职业等级:本职业共设四个等级,分别为:中级(国家职业资格四级)、高级(国家职业资格三级)、技师(国家职业资格二级)、高级技师(国家职业资格一级)。
4 职业环境:室内,常温。
5 职业能力特征:具有较强的计算能力和空间感,形体知觉及色感正常,手指、手臂灵活,动作协调。
6 基本文化程度:高中毕业(或同等学历)。
7 培训要求1)、全日制职业学校教育,根据其培养目标和教学计划确定。
晋级培训期限:中级不少于 400 学时;高级不少于 300 学时;技师不少于 200 学时;高级技师不少于 200 标准学时。
2)、培训教师培训中级、高级的教师应取得本专业技师及以上职业资格证书或相关专业中级及以上专业技术职务任职资格;培训技师的教师应取得本职业高级技师职业资格证书或相关专业高级专业技术职务任职资格;培训高级技师的教师应取得本专业职业高级技师职业资格证书 2 年以上或取得相关专业高级专业技术职务任职资格。
3)、培训场地设备满足教学要求的标准教室、计算机机房及配套的软件、数控车床及必要的刀具、夹具、量具和辅助设备等。
8 鉴定要求1)、适用对象:从事或准备从事本职业的人员。
2)、申报条件中级(具备以下条件之一者)•经本职业中级正规培训达规定标准学时数,并取得结业证书。
•连续从事本专业工作 5 年以上。
•取得经劳动保障行政部门审核认定的,以中级技能为培训目标的中等以上职业学校本职业或相关专业证书。
•取得相关职业中级职业资格证书后,连续从事本职业工作 2 年以上。
3)、鉴定方式为理论知识考试和技能操作考核。
理论知识考试采用闭卷方式,技能操作(含软件应用)考核采用现场操作和计算机软件操作方式。
理论知识考试和技能操作(含软件应用)考核均采用百分制,成绩皆达 60 分及以上者为合格。
技师和高级技师还须进行综合评审。
数控车工中、高级国家职业标准1.1 职业名称数控车工。
1.2职业定义从事编制数控加工程序并操作数控车床进行零件车削加工的人员。
1.3 职业等级本职业共设四个等级,分别为:中级(国家职业资格四级)、高级(国家职业资格三级)、技师(国家职业资格二级)、高级技师(国家职业资格一级)。
2. 申报条件──中级(具备以下条件之一者)(1)经本职业中级正规培训达规定标准学时数,并取得结业证书。
(2)连续从事本职业工作5年以上。
(3)取得经劳动保障行政部门审核认定的,以中级技能为培训目标的中等以上职业学校本职业或相关专业毕业证书。
(4)取得相关职业中级职业资格证书后,连续从事本职业工作2年以上。
──高级(具备以下条件之一者)(1)取得本职业中级职业资格证书后,连续从事本职业工作2年以上,经本职业高级正规培训达规定标准学时数,并取得结业证书。
(2)取得本职业中级职业资格证书后,连续从事本职业工作4年以上。
(3)取得经劳动保障行政部门审核认定的、以高级技能为培养目标的职业学校本职业或相关专业毕业证书。
(4)大专以上本专业或相关专业毕业生,经本职业高级正规培训达规定标准学时数,并取得结业证书。
3.工作要求本标准对中级、高级的技能要求依次递进,高级别涵盖低级别的要求。
3.1 中级职业功能工作内容技能要求相关知识一、加工准备(一)读图与绘图1.能读懂中等复杂程度(如:曲轴)的零件图2.能绘制简单的轴、盘类零件图3.能读懂进给机构、主轴系统的装配图1.复杂零件的表达方法2.简单零件图的画法3.零件三视图、局部视图和剖视图的画法4.装配图的画法(二)制定加工工艺1.能读懂复杂零件的数控车床加工工艺文件2.能编制简单(轴盘)零件的数控车床加工工艺文件数控车床加工工艺文件的制定(三)零件定位与装夹能使用通用夹具(如三爪自定心卡盘、四爪单动卡盘)进行零件装夹与定位1.数控车床常用夹具的使用方法2.零件定位、装夹的原理和方法(四)刀具准备1.能根据数控车床加工工艺文件选择、安装和调整数控车床常用刀具2.能刃磨常用车削刀具1.金属切削与刀具磨损知识2.数控车床常用刀具的种类、结构和特点3.数控车床、零件材料、加工精度和工作效率对刀具的要求二、数控编程(一)手工编程1.能编制由直线、圆弧组成的二维轮廓数控加工程序2.能编制螺纹加工程序3.能运用固定循环、子程序进行零件的加工程序编制1.数控编程知识2.直线插补和圆弧插补的原理3.坐标点的计算方法(二)计算机辅助编程1.能使用计算机绘图设计软件绘制简单(轴、盘、套)零件图2.能利用计算机绘图软件计算节点计算机绘图软件(二维)的使用方法职业功能工作内容技能要求相关知识三、数控车床操作(一)操作面板1.能按照操作规程启动及停止机床2.能使用操作面板上的常用功能键(如回零、手动、MDI、修调等)1.熟悉数控车床操作说明书2.数控车床操作面板的使用方法(二)程序输入与编辑1.能通过各种途径(如DNC、网络等)输入加工程序2.能通过操作面板编辑加工程序1.数控加工程序的输入方法2.数控加工程序的编辑方法3.网络知识(三)对刀1.能进行对刀并确定相关坐标系2.能设置刀具参数1.对刀的方法2.坐标系的知识3.刀具偏置补偿、半径补偿与刀具参数的输入方法(四)程序调试与运行能够对程序进行校验、单步执行、空运行并完成零件试切程序调试的方法四、零件加工(一)轮廓加工1.能进行轴、套类零件加工,并达到以下要求:(1)尺寸公差等级:IT6(2)形位公差等级:IT8(3)表面粗糙度:RA1.62.能进行盘类、支架类零件加工,并达到以下要求:(1)轴径公差等级:IT6(2)孔径公差等级:IT7(3)形位公差等级:IT8(4)表面粗糙度:RA1.61.内外径的车削加工方法、测量方法2.形位公差的测量方法3.表面粗糙度的测量方法(二)螺纹加工能进行单线等节距普通三角螺纹、锥螺纹的加工,并达到以下要求:(1)尺寸公差等级:IT6-IT7(2)形位公差等级:IT8(3)表面粗糙度:R1.61.常用螺纹的车削加工方法2.螺纹加工中的参数计算职业功能工作内容技能要求相关知识(三)槽类加工能进行内径槽、外径槽和端面槽的加工,并达到以下要求:(1)尺寸公差等级:IT8(2)形位公差等级:IT8(3)表面粗糙度:R3.2内径槽、外径槽和端槽的加工方法四、零件加工(四)孔加工能进行孔加工,并达到以下要求:(1)尺寸公差等级:IT7(2)形位公差等级:IT8(3)表面粗糙度:R3.2孔的加工方法(五)零件精度检验能进行零件的长度、内径、外径、螺纹、角度精度检验1.通用量具的使用方法2.零件精度检验及测量方法五、数控车床维护和故障诊断(一)数控车床日常维护能根据说明书完成数控车床的定期及不定期维护保养,包括:机械、电、气、液压、冷却数控系统检查和日常保养等1.数控车床说明书2.数控车床日常保养方法3.数控车床操作规程4.数控系统(进口与国产数控系统)使用说明书(二)数控车床故障诊断1.能读懂数控系统的报警信息2.能发现并排除由数控程序引起的数控车床的一般故障1.使用数控系统报警信息表的方法2.数控机床的编程和操作故障诊断方法(三)数控车床精度检查能进行数控车床水平的检查1.水平仪的使用方法2.机床垫铁的调整方法职业功能工作内容技能要求相关知识一、加工准备(一) 读图与绘图1.能读懂中等复杂程度(如:刀架)的装配图2.能根据装配图拆画零件图3.能测绘零件1.根据装配图拆画零件图的方法2.零件的测绘方法职业功能工作内容技能要求相关知识(二)制定加工工艺能编制复杂零件的数控车床加工工艺文件复杂零件数控车床的加工工艺文件的制定(三)零件定位与装夹1.能选择和使用数控车床组合夹具和专用夹具2.能分析并计算车床夹具的定位误差3.能设计与自制装夹辅具(如心轴、轴套、定位件等)1.数控车床组合夹具和专用夹具的使用、调整方法2.专用夹具的使用方法3.夹具定位误差的分析与计算方法(四)刀具准备1.能选择各种刀具及刀具附件2.能根据难加工材料的特点,选择刀具的材料、结构和几何参数3.能刃磨特殊车削刀具1.专用刀具的种类、用途、特点和刃磨方法2.切削难加工材料时的刀具材料和几何参数的确定方法二、数控编程(一)手工编程能运用变量编程编制含有公式曲线的零件数控加工程序1.固定循环和子程序的编程方法2.变量编程的规则和方法(二)计算机辅助编程能用计算机绘图软件绘制装配图计算机绘图软件的使用方法(三)数控加工仿真能利用数控加工仿真软件实施加工过程仿真以及加工代码检查、干涉检查、工时估算数控加工仿真软件的使用方法三、零件加工(一)轮廓加工能进行细长、薄壁零件加工,并达到以下要求:(1)轴径公差等级:IT6(2)孔径公差等级:IT7(3)形位公差等级:IT8(4)表面粗糙度:R1.6细长、薄壁零件加工的特点及装夹、车削方法职业功能工作内容技能要求相关知识(二)螺纹加工1.能进行单线和多线等节距的T形螺纹、锥螺纹加工,并达到以下要求:(1)尺寸公差等级:IT6(2)形位公差等级:IT8(3)表面粗糙度:R1.62.能进行变节距螺纹的加工,并达到以下要求:(1)尺寸公差等级:IT6(2)形位公差等级:IT7(3)表面粗糙度:R1.61.T形螺纹、锥螺纹加工中的参数计算2.变节距螺纹的车削加工方法(三)孔加工能进行深孔加工,并达到以下要求:(1)尺寸公差等级:IT6(2)形位公差等级:IT8(3)表面粗糙度:R1.6深孔的加工方法(四)配合件加工能按装配图上的技术要求对套件进行零件加工和组装,配合全差达到IT7级套件的加工方法(五)零件精度检验1.能在加工过程中使用百分表、千分表等进行在线测量,并进行加工技术参数的调整2.能够进行多线螺纹的检验3.能进行加工误差分析1.百分表、千分表的使用方法2.多线螺纹的精度检验方法3.误差分析的方法四、数控车床维护与精度检验(一)数控车床日常维护1.能制定数控车床的日常维护规程2.能监督检查数控车床的日常维护状况1.数控车诃维护管理基本知识2.数控机床维护操作规程的制定方法(二)数控车床故障诊断1.能判断数控车床机械、液压、气压和冷却系统的一般故障2.能判断数控车床控制与电器系统的一般故障3.能够判断数控车床刀架的一般故障1.数控车床机械故障的诊断方法2.数控车床液压、气压元器件的基本原理3.数控机床电器元件的基本原理4.数控车床刀架结构职业功能工作内容技能要求相关知识(三)机床精度检验1.能利用量具、量规对机床主轴的垂直平等度、机床水平等一般机床几何精度进行检验2.能进行机床切削精度检验1.机床几何精度检验内容及方法2.机床切削精度检验内容及方法。
数控车工国家职业标准1.职业概况1.1 职业名称数控车工。
1.2 职业定义从事编制数控加工程序并操作数控工车床进行零件车削加工的人员。
1.3 职业等级本职业共设四个等级,分别为:中级(国家职业资格四级)、高级(国家职业资格三级)、技师(国家职业资格二级)、高级技师(国家职业资格一级)。
1.4 职业环境室内,常温.1.5 职业能力特征具有较强的计算能力和空间感,形体知觉及色觉正常,手指、手臂灵活,动作协调。
1.6 基本文化程度高中毕业(或同等学历)。
1.7 培训要求1.7.1 培训期限全日制职业学校教育,根据其培养目标和教学计划确定.晋级培训期限:中级不少于400标准学时;高级不少于300标准学时;技师不少于200标准学时;高级技师不少于200标准学时.1.7.2 培训教师培训中级、高级的教师应取得本职业技师及以上职业资格证书或相关专业中级别及以上专业技术职务任职资格;培训技师的教师应取得本职业高级技师职业资格证书或相关专业高级专业技术职务任职资格;培训高级技师的教师应取得本职业高级技师职业资格证书2年以上或取得相关专业高级专业技术职务任职资格。
1.7.3 培训场地设备满足教学要求的标准教室、计算机机房及配套的软件、数控车床及必要的刀具、夹具、量具和辅助设备等。
1.8 鉴定要求1.8.1 适用对象从事或准备从事本职业的人员。
1.8.2 申报条件——中级(具备以下条件之一者)(1)经本职业中级正规培训达规定标准学时数,并取得结业证书。
(2)连续从事本职业工作5年以上。
(3)取得经劳动保障行政部门审核认定的,以中级技能为培养目标的中等以上职业学校本职业或相关专业毕业证书.(4)取得相关职业中级职业资格证书后,连续从事本职业工作2年以上。
——高级(具备以下条件之一者)(1)取得本职业中级职业资格证书后,连续从事本职业工作2年以上,经本职业高级正规培训达规定标准学时数,并取得结业证书。
(2)取得本职业中级职业资格证书后,连续从事本职业工作4年以上。
131A 数控车工国家职业技能鉴定标准表 A-1 中级车工(数控车工)国家职业技能鉴定标准附录B 数控铣工国家职业标准1.职业概况1.1 职业名称数控铣工。
1.2、职业定义从事编制数控加工程序并操作数控铣床进行零件铣削加工的人员。
1.3职业等级本职业共设四个等级,分别为:中级(国家职业资格四级)、高级(国家职业资格三级)、技师(国家职业资格二级)、高级技师(国家职业资格一级)。
1.4职业环境室内、常温。
1.5职业能力特征具有较强的计算能力和空间感,形体知觉及色觉正常,手指、手臂灵活,作协调。
1.6基本文化程度高中毕业(或同等学历)。
1.7培训要求1.7.1培训期限全日制职业学校教育,根据其培养目标和教学计划确定。
晋级培训期限:中级不少于400标准学时;高级不少于300标准学时;技师不少于300标准学时;高级技师不少于300标准学时。
1.7.2培训教师培训中、高级人员的教师应取得本职业技师及以上职业资格证书或相关专业中级及以上专业技术职称任职资格;培训技师的教师应取得本职业高级技师职业资格证书或相关专业高级专业技术职称任职资格;培训高级技师的教师应取得本职业高级技师职业资格证书2年以上或取得相关专业高级专业技术职称任职资格。
1.7.3培训场地设备满足教学要求的标准教室、计算机机房及配套的软件、数控铣床及必要的刀具、夹具、量具和辅助设备等。
1.8鉴定要求1.8.1 适用对象从事或准备从事本职业的人员。
1.8.2申报条件——中级:(具备以下条件之一者)(1)经本职业中级正规培训达规定标准学时数,并取得结业证书。
(2)连续从事本职业工作不少于5年。
(3)取得经劳动保障行政部门审核认定的,以中级技能为培养目标的中等以上职业学校本职业(或相关专业)毕业证书。
(4)取得相关职业中级《职业资格证书》后,连续从事相关职业不少于2年,经正规培训并取得毕业证书。
——高级:(具备以下条件之一者)(1)取得本职业中级职业资格证书后,连续从事本职业工作不少于2年,经本职业高级正规培训,达到规定标准学时数,并取得结业证书。
数控车工国家职业标准 This model paper was revised by the Standardization Office on December 10, 2020数控车工国家职业标准职业名称数控车工。
1.2职业定义从事编制数控加工程序并操作数控车床进行零件车削加工的人员。
职业等级本职业共设四个等级,分别为:中级(国家职业资格四级)、高级(国家职业资格三级)、技师(国家职业资格二级)、高级技师(国家职业资格一级)。
申报条件──中级(具备以下条件之一者)(1)经本职业中级正规培训达规定标准学时数,并取得结业证书。
(2)连续从事本职业工作5年以上。
(3)取得经劳动保障行政部门审核认定的,以中级技能为培训目标的中等以上职业学校本职业或相关专业毕业证书。
(4)取得相关职业中级职业资格证书后,连续从事本职业工作2年以上。
──高级(具备以下条件之一者)(1)取得本职业中级职业资格证书后,连续从事本职业工作2年以上,经本职业高级正规培训达规定标准学时数,并取得结业证书。
(2)取得本职业中级职业资格证书后,连续从事本职业工作4年以上。
(3)取得经劳动保障行政部门审核认定的、以高级技能为培养目标的职业学校本职业或相关专业毕业证书。
(4)大专以上本专业或相关专业毕业生,经本职业高级正规培训达规定标准学时数,并取得结业证书。
──技师(具备以下条件之一者)(1)取得本职业高级职业资格证书后,连续从事本职业工作4年以上,经本职业技师正规培训达规定标准学时数,并取得结业证书。
(2)取得本职业高级职业资格证书的职业学校本职业(专业)毕业生,连续从事本职业工作2年以上,经本职业技师正规培训达规定标准学时数,并取得结业证书。
(3)取得本职业高级职业资格证书的本科(含本科)以上本专业或相关专业毕业生,连续从事本职业工作2年以上,经本职业技师正规培训达规定标准学时数,并取得结业证书。
──高级技师取得本职业技师职业资格证书后,连续从事本职业工作4年以上,经本职业高级技师正规培训达规定标准学时数,并取得结业证书。
数控车工国家职业标准1.职业概况1.1职业名称数控车工。
1.2职业定义从事编制数控加工程序并操作数控车床进行零件车削加工的人员。
1.3职业等级本职业共设四个等级,分别为:中级(国家职业资格四级)、高级(国家职业资格三级)、技师(国家职业资格二级)、高级技师(国家职业资格一级)。
1.4职业环境室内、常温。
1.5职业能力特征具有较强的计算能力和空间感,形体知觉及色觉正常,手指、手臂灵活,动作协调。
1.6基本文化程度高中毕业(或同等学历)。
1.7培训要求1.7.1培训期限全日制职业学校教育,根据其培养目标和教学计划确定。
晋级培训期限:中级不少于400 标准学时;高级不少于300 标准学时;技师不少于200 标准学时;高级技师不少于200 标准学时。
1.7.2培训教师培训中、高级人员的教师应取得本职业技师及以上职业资格证书或相关专业中级及以上专业技术职称任职资格;培训技师的教师应取得本职业高级技师职业资格证书或相关专业高级专业技术职称任职资格;培训高级技师的教师应取得本职业高级技师职业资格证书2年以上或取得相关专业高级专业技术职称任职资格2年以上。
1.7.3培训场地设备满足教学要求的标准教室、计算机机房及配套的软件、数控车床及必要的刀具、夹具、量具和辅助设备等。
1.8鉴定要求1.8.1适用对象从事或准备从事本职业的人员。
1.8.2申报条件——中级:(具备以下条件之一者)(1)经本职业中级正规培训达规定标准学时数,并取得结业证书。
(2)连续从事本职业工作5年以上。
(3)取得经劳动保障行政部门审核认定的,以中级技能为培养目标的中等以上职业学校本职业(或相关专业)毕业证书。
(4)取得相关职业中级《职业资格证书》后,连续从事本职业2年以上。
——高级:(具备以下条件之一者)(1)取得本职业中级职业资格证书后,连续从事本职业工作2年以上,经本职业高级正规培训,达到规定标准学时数,并取得结业证书。
(2)取得本职业中级职业资格证书后,连续从事本职业工作4年以上。
数控车高级工职业技能鉴定标准介绍数控车高级工是现代制造业中非常重要的一种职业,他们的主要任务是设计、设置和操作数控机床,将原材料加工成零部件或产品。
数控车高级工的工作需要高超的技能和丰富的经验,因此职业技能鉴定对于数控车高级工的学习和发展非常重要。
以下是数控车高级工职业技能鉴定标准的介绍:一、职业描述数控车高级工是一种高级技工,他们能够独立完成较高难度和复杂性能的数控车床加工任务,对加工工艺有深入的了解,能够根据零部件的要求制定加工工艺方案,并负责加工过程中的各项操作。
二、职业技能鉴定标准1. 基本知识和技能:掌握基本机械加工原理,熟悉数控车床的结构和工作原理,能够进行数控编程和模拟仿真。
2. 零件加工技能:能够独立分析和解决复杂零件的加工工艺问题,熟练掌握铣、钻、攻丝等加工技术,能够根据图纸要求选择合适的加工方案和刀具,并进行加工和加工后处理。
3. 机床维护和保养:能够进行数控车床的维护和保养,具备日常机床保养和紧急维修的能力,能够识别机床故障,并采取有效的措施解决。
4. 质量控制:能够独立完成零部件的质量检测和评估,了解零部件的加工要求和工艺标准,能够根据产品质量要求进行工艺控制和检验。
5. 安全生产:具备安全生产意识和技能,能够进行机床操作前的安全检查,熟悉机床安全操作规范,能够正确使用各种个人防护装备,保证生产过程的安全。
三、职业技能鉴定方法数控车高级工的职业技能鉴定一般采用实际操作和面试相结合的方法。
具体评估过程包括以下几个环节:1. 考核标准和要求的介绍:考官向被评估人员介绍职业技能鉴定标准和要求,明确评估的内容和标准。
2. 实际操作:考官根据职业技能鉴定标准的要求,选择合适的机床和模拟工件进行实际操作,考察被评估人员的实际技能和操作水平。
3. 面试:考官向被评估人员提问,考察其对加工工艺、机床操作和质量控制等方面的理解和掌握程度。
四、职业技能鉴定的意义数控车高级工是制造业中非常重要的一种职业,他们的工作质量和技能水平直接关系到产品质量和企业的生产效率。
数控车工中、高级国家职业标准1.1 职业名称数控车工。
1.2职业定义从事编制数控加工程序并操作数控车床进行零件车削加工的人员。
1.3 职业等级本职业共设四个等级,分别为:中级(国家职业资格四级)、高级(国家职业资格三级)、技师(国家职业资格二级)、高级技师(国家职业资格一级)。
2. 申报条件──中级(具备以下条件之一者)(1)经本职业中级正规培训达规定标准学时数,并取得结业证书。
(2)连续从事本职业工作5年以上。
(3)取得经劳动保障行政部门审核认定的,以中级技能为培训目标的中等以上职业学校本职业或相关专业毕业证书。
(4)取得相关职业中级职业资格证书后,连续从事本职业工作2年以上。
──高级(具备以下条件之一者)(1)取得本职业中级职业资格证书后,连续从事本职业工作2年以上,经本职业高级正规培训达规定标准学时数,并取得结业证书。
(2)取得本职业中级职业资格证书后,连续从事本职业工作4年以上。
(3)取得经劳动保障行政部门审核认定的、以高级技能为培养目标的职业学校本职业或相关专业毕业证书。
(4)大专以上本专业或相关专业毕业生,经本职业高级正规培训达规定标准学时数,并取得结业证书。
3.工作要求本标准对中级、高级的技能要求依次递进,高级别涵盖低级别的要求。
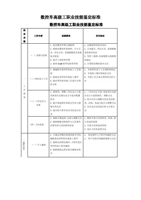
3.1 中级职业功能工作内容技能要求相关知识一、加工准备(一)读图与绘图1.能读懂中等复杂程度(如:曲轴)的零件图2.能绘制简单的轴、盘类零件图3.能读懂进给机构、主轴系统的装配图1.复杂零件的表达方法2.简单零件图的画法3.零件三视图、局部视图和剖视图的画法4.装配图的画法(二)制定加工工艺1.能读懂复杂零件的数控车床加工工艺文件2.能编制简单(轴盘)零件的数控车床加工工艺文件数控车床加工工艺文件的制定(三)零件定位与装夹能使用通用夹具(如三爪自定心卡盘、四爪单动卡盘)进行零件装夹与定位1.数控车床常用夹具的使用方法2.零件定位、装夹的原理和方法(四)刀具准备1.能根据数控车床加工工艺文件选择、安装和调整数控车床常用刀具2.能刃磨常用车削刀具1.金属切削与刀具磨损知识2.数控车床常用刀具的种类、结构和特点3.数控车床、零件材料、加工精度和工作效率对刀具的要求二、数控编程(一)手工编程1.能编制由直线、圆弧组成的二维轮廓数控加工程序2.能编制螺纹加工程序3.能运用固定循环、子程序进行零件的加工程序编制1.数控编程知识2.直线插补和圆弧插补的原理3.坐标点的计算方法(二)计算机辅助编程1.能使用计算机绘图设计软件绘制简单(轴、盘、套)零件图2.能利用计算机绘图软件计算节点计算机绘图软件(二维)的使用方法职业功能工作内容技能要求相关知识三、数控车床操作(一)操作面板1.能按照操作规程启动及停止机床2.能使用操作面板上的常用功能键(如回零、手动、MDI、修调等)1.熟悉数控车床操作说明书2.数控车床操作面板的使用方法(二)程序输入与编辑1.能通过各种途径(如DNC、网络等)输入加工程序2.能通过操作面板编辑加工程序1.数控加工程序的输入方法2.数控加工程序的编辑方法3.网络知识(三)对刀1.能进行对刀并确定相关坐标系2.能设置刀具参数1.对刀的方法2.坐标系的知识3.刀具偏置补偿、半径补偿与刀具参数的输入方法(四)程序调试与运行能够对程序进行校验、单步执行、空运行并完成零件试切程序调试的方法四、零件加工(一)轮廓加工1.能进行轴、套类零件加工,并达到以下要求:(1)尺寸公差等级:IT6(2)形位公差等级:IT8(3)表面粗糙度:RA1.62.能进行盘类、支架类零件加工,并达到以下要求:(1)轴径公差等级:IT6(2)孔径公差等级:IT7(3)形位公差等级:IT8(4)表面粗糙度:RA1.61.内外径的车削加工方法、测量方法2.形位公差的测量方法3.表面粗糙度的测量方法(二)螺纹加工能进行单线等节距普通三角螺纹、锥螺纹的加工,并达到以下要求:(1)尺寸公差等级:IT6-IT7(2)形位公差等级:IT8(3)表面粗糙度:R1.61.常用螺纹的车削加工方法2.螺纹加工中的参数计算职业功能工作内容技能要求相关知识(三)槽类加工能进行内径槽、外径槽和端面槽的加工,并达到以下要求:(1)尺寸公差等级:IT8(2)形位公差等级:IT8(3)表面粗糙度:R3.2内径槽、外径槽和端槽的加工方法四、零件加工(四)孔加工能进行孔加工,并达到以下要求:(1)尺寸公差等级:IT7(2)形位公差等级:IT8(3)表面粗糙度:R3.2孔的加工方法(五)零件精度检验能进行零件的长度、内径、外径、螺纹、角度精度检验1.通用量具的使用方法2.零件精度检验及测量方法五、数控车床维护和故障诊断(一)数控车床日常维护能根据说明书完成数控车床的定期及不定期维护保养,包括:机械、电、气、液压、冷却数控系统检查和日常保养等1.数控车床说明书2.数控车床日常保养方法3.数控车床操作规程4.数控系统(进口与国产数控系统)使用说明书(二)数控车床故障诊断1.能读懂数控系统的报警信息2.能发现并排除由数控程序引起的数控车床的一般故障1.使用数控系统报警信息表的方法2.数控机床的编程和操作故障诊断方法(三)数控车床精度检查能进行数控车床水平的检查1.水平仪的使用方法2.机床垫铁的调整方法职业功能工作内容技能要求相关知识一、加工准备(一) 读图与绘图1.能读懂中等复杂程度(如:刀架)的装配图2.能根据装配图拆画零件图3.能测绘零件1.根据装配图拆画零件图的方法2.零件的测绘方法职业功能工作内容技能要求相关知识(二)制定加工工艺能编制复杂零件的数控车床加工工艺文件复杂零件数控车床的加工工艺文件的制定(三)零件定位与装夹1.能选择和使用数控车床组合夹具和专用夹具2.能分析并计算车床夹具的定位误差3.能设计与自制装夹辅具(如心轴、轴套、定位件等)1.数控车床组合夹具和专用夹具的使用、调整方法2.专用夹具的使用方法3.夹具定位误差的分析与计算方法(四)刀具准备1.能选择各种刀具及刀具附件2.能根据难加工材料的特点,选择刀具的材料、结构和几何参数3.能刃磨特殊车削刀具1.专用刀具的种类、用途、特点和刃磨方法2.切削难加工材料时的刀具材料和几何参数的确定方法二、数控编程(一)手工编程能运用变量编程编制含有公式曲线的零件数控加工程序1.固定循环和子程序的编程方法2.变量编程的规则和方法(二)计算机辅助编程能用计算机绘图软件绘制装配图计算机绘图软件的使用方法(三)数控加工仿真能利用数控加工仿真软件实施加工过程仿真以及加工代码检查、干涉检查、工时估算数控加工仿真软件的使用方法三、零件加工(一)轮廓加工能进行细长、薄壁零件加工,并达到以下要求:(1)轴径公差等级:IT6(2)孔径公差等级:IT7(3)形位公差等级:IT8(4)表面粗糙度:R1.6细长、薄壁零件加工的特点及装夹、车削方法职业功能工作内容技能要求相关知识(二)螺纹加工1.能进行单线和多线等节距的T形螺纹、锥螺纹加工,并达到以下要求:(1)尺寸公差等级:IT6(2)形位公差等级:IT8(3)表面粗糙度:R1.62.能进行变节距螺纹的加工,并达到以下要求:(1)尺寸公差等级:IT6(2)形位公差等级:IT7(3)表面粗糙度:R1.61.T形螺纹、锥螺纹加工中的参数计算2.变节距螺纹的车削加工方法(三)孔加工能进行深孔加工,并达到以下要求:(1)尺寸公差等级:IT6(2)形位公差等级:IT8(3)表面粗糙度:R1.6深孔的加工方法(四)配合件加工能按装配图上的技术要求对套件进行零件加工和组装,配合全差达到IT7级套件的加工方法(五)零件精度检验1.能在加工过程中使用百分表、千分表等进行在线测量,并进行加工技术参数的调整2.能够进行多线螺纹的检验3.能进行加工误差分析1.百分表、千分表的使用方法2.多线螺纹的精度检验方法3.误差分析的方法四、数控车床维护与精度检验(一)数控车床日常维护1.能制定数控车床的日常维护规程2.能监督检查数控车床的日常维护状况1.数控车诃维护管理基本知识2.数控机床维护操作规程的制定方法(二)数控车床故障诊断1.能判断数控车床机械、液压、气压和冷却系统的一般故障2.能判断数控车床控制与电器系统的一般故障3.能够判断数控车床刀架的一般故障1.数控车床机械故障的诊断方法2.数控车床液压、气压元器件的基本原理3.数控机床电器元件的基本原理4.数控车床刀架结构职业功能工作内容技能要求相关知识(三)机床精度检验1.能利用量具、量规对机床主轴的垂直平等度、机床水平等一般机床几何精度进行检验2.能进行机床切削精度检验1.机床几何精度检验内容及方法2.机床切削精度检验内容及方法。
二编程技术(一)手工编程1. 正确运用数控系统的指令代码,编制复杂零件的车削加工程序2. 能够运用固定循环、子程序进行零件的加工程序编制3. 能够熟练运用宏指令编制宏程序1. 固定循环和子程序的编程方法2. 用户宏程序的编程规则和方法(二)自动编程用CAD/CAM软件编制复杂混合轮廓类零件程序。
包括粗车、精车、螺纹车削、打孔、换刀等混合程序。
1. CAD线框造型和编辑2. 刀具定义3. CAM粗精、螺纹、切槽、打孔编程4. 能够解读及修改软件的后置配置,并生成代码5. 代码反读仿真、校核、编辑(三)数控加工仿真1. 数控仿真软件基本操作和显示操作2. 仿真软件模拟装夹、刀具准备、输入加工代码、加工参数设置3. 模拟数控系统面板的操作4. 模拟机床面板操作5. 实施仿真加工过程以及加工代码检查6. 利用仿真软件手工编程1.常见数控系统面板操作和使用知识2.常见机床面板操作方法和使用知识3.三维图形软件的显示操作技术数控加工手工编程三工件加工(一)盘、轴类零件能加工盘、轴类,并达到以下要求:1. 尺寸公差等级:IT62. 形位公差等级:IT83. 表面粗糙度:Ra1.6μm1. 内外径的车削加工方法、测量方法2. 孔加工方法(二)等节距螺纹加工能加工单线和多线等节距的普通三角螺纹、T型螺纹、锥螺纹,达到以下要求:1. 尺寸公差等级:IT62. 形位公差等级:IT83. 表面粗糙度:Ra1.6μm1. 常用螺纹的车削加工方法2. 螺纹加工中的参数计算(三)沟、槽加工能加工内径槽、外径槽和端面槽,并达到以下要求:1. 尺寸公差等级:IT72. 形位公差等级:IT83. 表面粗糙度:Ra3.2μm内、外径槽和端槽的加工方法(四)偏心与薄壁零件加工1. 偏心距公差等级:IT92. 轴径公差等级:IT63. 孔径公差等级:IT74. 形位公差等级:IT85. 表面粗糙度:Ra1.6μm1. 薄壁孔加工的特点及装卡、车削方法2 . 偏心件的加工特点及车削加工方法(五)组合零件的加工能对3件以上的复杂套件进行零件加工和组装、并保证装配图上的技术要求复杂套件的加工方法四精度检验工件精度1. 能够利用测量工具进行零件的精度检验2. 能够根据测量结果分析产生误差的原因3. 能够通过修正刀具补偿值和修正程序来减少加工误差1.工件精度检验项目及测量方法2.产生加工误差的主要原因及其消除方法3.了解机床精度检验方法五基本操作与维护(一)基本操作1. 能够按照操作规程起动及停止机床2. 正确使用操作面板上的各功能键3. 能够操作面板手动输入加工程序及有关参数,并能够通过RS232进行程序的传输4. 能够进行程序的编辑、修改5. 能够正确对刀,确定工件坐标系6. 能够正确操作机床完成零件加工1. 熟悉数控车床操作说明书2. 操作面板上的使用方法(二)日常维护能够根据说明书内容完成机床定期及不定期维护保养附件2:数控铣/加工中心高级工职业技能鉴定标准职业功能工作内容技能要求相关知识一、工艺准备(一)读图绘图1. 能够读懂复杂零件的三视图、局部视图、剖视图展开图、局部视图、旋转视图2. 能够读懂零件的材料、加工部位、尺寸公差及技术要求3. 能够读懂装配图4. 能够根据复杂装配图拆画满足数控加工要求的零件图5. 能够掌握标准件和常用件的表示法6. 能够绘制适合数控加工的工装简图7. 能够测绘零件并绘制零件图8. 能够用计算机绘图1. 机械制图国家标准2. 标准件和常用件的规定画法3.零件三视图、局部视图和剖视图的表达方法4.装配图的画法5.零件图、轴侧图的画法6.零件展开图、局部视图等视图的画法7.公差配合的基本概念8.形状、位置公差与表面粗糙度的基本概念9.金属材料的基本知识10. 零件的测绘方法11. 计算机辅助绘图方法(二)数控加工工艺的制定1. 能够制定数控铣床和加工中心的加工工艺2.能够合理选择切削用量3.能够填写数控铣床和加工中心的工艺卡4.能够对零件的加工工艺方案进行合理分析5.能够制定零件数控加工工艺规程6.能够熟练进行零件加工节点计算1. 机械制造工艺知识2.数控加工工艺的基本概念3.数控机床工艺的制定方法4.钻、铣、扩、铰、镗、攻丝等工艺特点5.切削用量的选择原则6.加工余量的选择方法7.典型零件加工方法8.影响机械加工精度的有关因素(三)工件的定位和装夹1. 能够正确使用台钳、压板、夹钳等通用夹具2.能够正确安装调整夹具3.能够正确选择工件的定位基准4.能够用量表找正工件5.能够正确夹紧工件6.能够合理选择组合夹具和专用夹具7.能够设计并制作简单专用夹具8.能够正确使用气动、液压等专用夹具并掌握其原理1. 定位夹紧原理2.台钳、压板等通用夹具的调整及使用方法3.量表的使用方法4.夹具在交换工作台上的正确安装5.组合夹具、专用夹具的特点及应用6.夹具设计原理(四)刀具使用1. 能够依据加工工艺卡或依据加工需要选用刀具2.能够依据切削条件估算刀具使用寿命3.能够在主轴或刀库上正确装卸刀具4.能够用刀具预调仪或在机内测量刀具的半径及长度5.能够准确输入刀具有关参数6.能够合理选用新型刀具7.根据刀具寿命设置有关参数8.根据不同的被加工材料合理选择刀具切削加工参数1. 刀具的种类及用途2.刀具的几何角度、功用及刀具材料的切削性能3.刀具系统的种类及结构4.刀具预调仪的使用方法5.自动换刀装置及刀库的使用方法6.刀具长度补偿值及刀号等参数的输入方法7.刀具使用寿命的影响因素8.刀具使用寿命参数的设定方法9.刀具新材料、新技术知识10. 目前数控加工的新技术,如:高速加工、干切法、硬面切削和细微切削二、编制程序(一)手工编程孔类加工1. 能够手工编制钻、扩、铰、镗、攻丝等孔类加工程序2.能够使用固定循环及子程序1. 数控指令(G代码、M代码)的含义2.S指令、T指令和F指令的含义3.数控指令的结构与格式4.固定循环指令的含义、结构与格式5.子程序的嵌套面加工1.能够手工编制平面铣削程序2.能够手工编制含直线插补、圆弧插补二维轮廓的加工程序1.几何图形中直线与直线、直线与圆弧、圆弧与圆弧交点的计算方法2.刀具半径补偿和长度补偿的作用轮廓加工1.能够手工编制较复杂的二维轮廓铣削程序2.能够根据加工要求手工编制简单曲面的铣削程序1.较复杂二维节点的计算2.球、锥、台等几何体外轮廓节点计算宏程序的应用能够利用已有宏程序指令编制加工程序用户宏程序的使用方法和编制方法(二)计算机辅助编程1. 能够利用计算机高级语言编制特殊曲线轮廓的铣削程序2. 能够利用计算机CAD/CAM软件对复杂零件进行实体或曲线曲面造型3.能够生成平面轮廓、平面区域、三维曲面、曲面轮廓、曲面区域、曲线的刀具轨迹并生成加工程序4.各种加工参数的设置5.CAD/CAM软件中刀具参数的设定6.刀具的各种切入切出轨迹的选择7.能够根据不同的数控系统设置后置处理程序,生成G代码并能够对轨迹进行修正和编辑8.会利用数控系统验证数控程序1. 计算机基础知识2. CAD/CAM软件的使用方法3. 实体造型的方法4.曲面造型的方法5.刀具参数的设置方法6.刀具轨迹生成的方法7.各种材料切削用量的数据8.有关刀具切入切出的方法对加工质量影响的知识9. 后置处理程序的设置和使用方法(三)数控加工仿真1. 数控仿真软件基本操作和显示操作2. 仿真软件模拟装夹、刀具准备、输入加工代码、加工参数设置3. 模拟数控系统面板的操作4. 模拟机床面板操作5.实施仿真加工过程以及加工代码检查6.利用仿真软件手工编程1.常见数控系统面板操作和使用知识2.常见机床面板操作方法和使用知识3.三维图形软件的显示操作技术4.数控加工手工编程三、日常维护(一)日常维护1.能够进行加工前电、气、液开关等的常规检查2. 能够在加工完毕后,清理机床及周围环境3. 能够根据说明书内容完成机床定期及不定期维护保养1. 加工中心操作规程2. 机床日常维护保养知识3. 液压油、润滑油的使用知识4. 液压、气动元件的结构及其工作原理(二)故障排除1. 能够了解数控系统各类报警信息的内容2. 能够排除编程错误、超程、欠压、缺油、急停等一般故障3. 能够分析气路、液路、电机及机械故障1. 各类报警提示内容及其解除方法2. 机床常用电器及电机的工作原理3. 机械传动及常用机构的工作原理4. 液压、气动回路的工作原理四、基本操作基本操作1. 能够按照操作规程启动及停止机床2. 正确使用操作面板上的各种功能键3. 能够通过操作面板手动输入加工程序及有关参数4. 能够通过计算机输入加工程序5. 能够进行程序的编辑、修改6. 能够设定工件坐标系7. 能够正确调入调出所选刀具8. 能够正确进行机内对刀9. 能够进行程序单步运行、空运行10. 能够进行加工程序试切削并做出正确判断11. 能完成单件数控加工或多工位多工序复合数控加工1. 加工中心机床操作方法2. 操作面板的使用方法3. 各种输入装置的使用方法4. 机床坐标系与工件坐标系的含义及关系5. 相对坐标输入、绝对坐标输入的含义6. 找正器(寻边器)的使用方法7. 机内对刀方法8. 程序试运行的操作方法五、工件加工(一)孔加工1. 能够对孔系进行钻、扩、镗、铰等切削加工,尺寸精度公差等级达IT8,表面粗糙度达Ra3.2 μm2. 能够完成孔的调头镗削1. 麻花钻、扩孔钻及铰刀的功用2. 镗刀种类及其应用3. 高精度孔的镗削方法4. 切削液的正确选择和使用(二)攻丝加工能够用丝锥加工螺纹丝锥夹头的构造及使用(三)平面铣削能够铣削平面、垂直面、斜面、阶梯面等,尺寸公差等级达IT9,表面粗糙度达Ra6.3μm1.刀的种类及功用2.精度加工的影响因素3.常用金属材料的切削性能(四)平面内外轮廓铣削1. 能够有效利用刀具补偿功能铣削二维直线、圆弧轮廓的工件。
数控车工国家职业标准1.职业概况1.1职业名称数控车工.1.2职业定义从事编制数控加工程序并操作数控车床进行零件车削加工的人员。
1.3职业等级本职业共设四个等级,分别为:中级(国家职业资格四级)、高级(国家职业资格三级)、技师(国家职业资格二级)、高级技师(国家职业资格一级)。
1.4职业环境室内、常温.5职业能力特征具有较强的计算能力和空间感,形体知觉及色觉正常,手指、手臂灵活,动作协调。
6基本文化程度高中毕业(或同等学历).1.7培训要求1.7.1培训期限全日制职业学校教育,根据其培养目标和教学计划确定。
晋级培训期限:中级不少于400 标准学时;高级不少于300 标准学时;技师不少于200 标准学时;高级技师不少于200 标准学时。
1.7.2培训教师培训中、高级人员的教师应取得本职业技师及以上职业资格证书或相关专业中级及以上专业技术职称任职资格;培训技师的教师应取得本职业高级技师职业资格证书或相关专业高级专业技术职称任职资格;培训高级技师的教师应取得本职业高级技师职业资格证书2年以上或取得相关专业高级专业技术职称任职资格2年以上。
1.7.3培训场地设备满足教学要求的标准教室、计算机机房及配套的软件、数控车床及必要的刀具、夹具、量具和辅助设备等。
1.8鉴定要求1.8.1适用对象从事或准备从事本职业的人员.1.8.2申报条件——中级:(具备以下条件之一者)(1)经本职业中级正规培训达规定标准学时数,并取得结业证书.(2)连续从事本职业工作5年以上。
(3)取得经劳动保障行政部门审核认定的,以中级技能为培养目标的中等以上职业学校本职业(或相关专业)毕业证书.(4)取得相关职业中级《职业资格证书》后,连续从事本职业2年以上。
—-高级:(具备以下条件之一者)(1)取得本职业中级职业资格证书后,连续从事本职业工作2年以上,经本职业高级正规培训,达到规定标准学时数,并取得结业证书。
(2)取得本职业中级职业资格证书后,连续从事本职业工作4年以上.(3)取得劳动保障行政部门审核认定的,以高级技能为培养目标的职业学校本职业(或相关专业)毕业证书。
数控车工国家职业标准 HEN system office room 【HEN16H-HENS2AHENS8Q8-HENH1688】数控车工国家职业标准????1.职业概况????1.1职业名称???? 数控车工。
????1.2职业定义???? 从事编制数控加工程序并操作数控工车床进行零件车削加工的人员。
????1.3职业等级???? 本职业共设四个等级,分别为:中级(国家职业资格四级)、高级(国家职业资格三级)、技师(国家职业资格二级)、高级技师(国家职业资格一级)。
????1.4职业环境???? 室内,常温。
????1.5职业能力特征???? 具有较强的计算能力和空间感,形体知觉及色觉正常,手指、手臂灵活,动作协调。
????1.6基本文化程度???? 高中毕业(或同等学历)。
????1.7培训要求????1.7.1培训期限???? 全日制职业学校教育,根据其培养目标和教学计划确定。
晋级培训期限:中级不少于400标准学时;高级不少于300标准学时;技师不少于200标准学时;高级技师不少于200标准学时。
????1.7.2培训教师???? 培训中级、高级的教师应取得本职业技师及以上职业资格证书或相关专业中级别及以上专业技术职务任职资格;培训技师的教师应取得本职业高级技师职业资格证书或相关专业高级专业技术职务任职资格;培训高级技师的教师应取得本职业高级技师职业资格证书2年以上或取得相关专业高级专业技术职务任职资格。
????1.7.3培训场地设备???? 满足教学要求的标准教室、计算机机房及配套的软件、数控车床及必要的刀具、夹具、量具和辅助设备等。
????1.8鉴定要求????1.8.1适用对象???? 从事或准备从事本职业的人员。
????1.8.2申报条件???? ——中级(具备以下条件之一者)???? (1)经本职业中级正规培训达规定标准学时数,并取得结业证书。
???? (2)连续从事本职业工作5年以上。