齿轮及蜗轮蜗杆的测绘方法
- 格式:pdf
- 大小:247.62 KB
- 文档页数:16
圆柱齿轮的测绘步骤
圆柱齿轮是机械传动装置中常用的部件,因其传动精度及传动比值比较稳定而
广泛用于传动机构中。
为了保证圆柱齿轮的传动性能,测绘工序至关重要,以下将阐述圆柱齿轮的测绘步骤:
1、测量齿轮外形尺寸:先检验齿轮的中心距、齿顶高度、齿顶斜面宽度、齿
面宽度、螺旋角、压力角以及基圆直径等尺寸,确定齿轮的外形尺寸;
2、测量啮合形式:用测角仪校正齿面间隙,检测每组螺旋线、齿廓曲线长度,记录齿廓垂直度、水平度,以此决定齿轮的啮合形式;
3、修正和调整齿面几何形状:基于上面测量结果,运用计算机技术对齿轮的
几何形状选择合适的修正参数和调整方案,确保位置精度和形状参数的精度;
4、确定径向和轴向调整参数:根据上述步骤,测量确定齿轮的轴向运动和支
承尺寸,确定径向和轴向调整参数;
5、安装完成后的检查:安装完成之后,要检查齿轮的转动平衡、运转噪声、
行星位置和耐久性能等。
总而言之,圆柱齿轮测绘是一个比较复杂的过程,需要通过上述步骤循序渐进,历经精密测量、修正和调整,再经过安装检查,才能保证齿轮的正确性和运转效果。
因此,圆柱齿轮的测绘是建立机械传动系统的前提,是质量控制中非常重要的环节。
蜗轮蜗杆设计步骤第一步:确定传动比蜗轮蜗杆传动是一种非常特殊的传动方式,它的传动比取决于蜗杆的头数、蜗轮的齿数、蜗杆的导程角以及蜗轮与蜗杆轴线的交角等因素。
设计蜗轮蜗杆传动时,要根据传动要求和传动动力参数来计算传动比。
第二步:选择材料在选择蜗轮和蜗杆的材料时,考虑到它们的载荷、传动功率和工作环境温度等因素。
通常,蜗轮和蜗杆都可以采用高强度的合金钢材料。
第三步:确定齿轮参数蜗轮的齿数和模数都是通过计算得到。
注意,蜗轮的轴向厚度越小,蜗杆的导程角越小,那么蜗轮和蜗杆的接触线就会越靠近齿面根部。
在选择齿轮参数时需要进行综合考虑,以保证蜗轮蜗杆传动的良好性能。
第四步:计算蜗杆的导程和展角根据蜗杆轴线与垂直轴线的夹角以及螺旋线的参数,可以计算出蜗杆的导程和展角。
展角的计算对于蜗轮蜗杆传动来说非常重要,因为它直接影响到传动效率和噪声。
一般来说,展角越大,传动效率越高,但噪声也会增加。
第五步:计算蜗轮蜗杆的几何参数根据蜗杆的导程、蜗轮的模数和齿数,可以计算出蜗轮和蜗杆的几何参数,包括齿顶直径、节圆直径、齿根直径、齿顶高度、齿根高度和重要齿廓参数。
这些参数决定了蜗轮蜗杆传动的传动效率、运行平稳性和噪声等关键性能指标。
第六步:进行蜗轮蜗杆的装配在进行蜗轮蜗杆的装配之前,需要对蜗轮齿形进行测量,以保证齿形质量。
然后,将蜗轮和蜗杆进行配合,精确控制配合间隙大小。
还要注意蜗轮和蜗杆的对中度和平行度等装配要求,以保证传动系统的稳定性和性能。
总结:1. 传动效率的优化:传动效率是蜗轮蜗杆传动系统的重要性能指标,也是设计过程中需要优化的关键因素之一。
通常情况下,使用高质量的蜗轮和蜗杆、采用适当的润滑方式、控制装配精度、优化齿轮参数以及合理设计蜗杆展角等方法,可以大大提高传动效率。
2. 噪声的控制:蜗轮蜗杆传动在工作时容易产生噪声,主要是由于蜗轮和蜗杆的接触面积较小,表面接触压力较大,同时还会在传动过程中产生震动和共振。
为了降低噪声,可以优化设计参数、采用低噪声等级的蜗轮和蜗杆材料、选用合适的蜗杆展角、进行制造精度控制以及采用降噪材料等方式。
蜗轮蜗杆-齿轮-齿条的计算及参数汇总蜗轮蜗杆-齿轮-齿条的计算及参数汇总渐开线齿轮有五个基本参数,它们分别是:标准齿轮:模数、压⼒⾓、齿顶⾼系数、顶隙系数为标准值,且分度圆上的齿厚等于齿槽宽的渐开线齿轮。
我国规定的标准模数系列表注:选⽤模数时,应优先采⽤第⼀系列,其次是第⼆系列,括号内的模数尽可能不⽤.系列(1)渐开线圆柱齿轮模数(GB/T 1357-1987)第⼀系列0.1 0.12 0.15 0.2 0.25 0.3 0.4 0.5 0.6 0.8 11.25 1.5 22.5 3 4 5 6 8 10 12 16 20 25 32 40 50第⼆系列0.35 0.7 0.9 0.75 2.25 2.75 (3.25)3.5 (3.75) 4.55.5 (6.5)7 9 (11)14 18 22 28 (30)36 45(2)锥齿轮模数(GB/T 12368-1990)0.4 0.5 0.6 0.7 0.8 0.9 1 1.125 1.25 1.375 1.5 1.75 2 2.25 2.5 2.75 3 3.25 3.5 3.75 4 4.5 5 5.5 6 6.5 7 8 910 11 12 14 16 18 20 22 25 28 30 32 36 40 45 50注: 1.对于渐开线圆柱斜齿轮是指法向模数。
2.优先选⽤第⼀系列,括号内的模数尽可能不⽤。
3.模数代号是m,单位是mm名称含有蜗轮的标准SH/T 0094-91 (1998年确认)蜗轮蜗杆油94KBSJ 1824-81 ⼩模数蜗轮蜗杆优选结构尺⼨206KBJB/T 8809-1998 SWL 蜗轮螺杆升降机型式、参数与尺⼨520KBJB/T 8361.2-1996 ⾼精度蜗轮滚齿机技术条件206KBJB/T 8361.1-1996 ⾼精度蜗轮滚齿机精度261KB名称含有蜗杆的标准SH/T 0094-91 (1998年确认)蜗轮蜗杆油94KBQC/T 620-1999 A型蜗杆传动式软管夹⼦347KBQC/T 619-1999 B型和C型蜗杆传动式软管夹⼦83KBGB/T 19935-2005蜗杆传动蜗杆的⼏何参数-蜗杆装置的铭牌、中⼼距、⽤户提供给制造者的参数121KB SJ 1824-81 ⼩模数蜗轮蜗杆优选结构尺⼨206KBJB/T 9925.2-1999 蜗杆磨床技术条件160KBJB/T 9925.1-1999 蜗杆磨床精度检验244KBJB/T 9051-1999 平⾯包络环⾯蜗杆减速器922KBJB/T 8373-1996 普通磨具蜗杆砂轮250KBJB/T 7936-1999 直廓环⾯蜗杆减速器731KBJB/T 7935-1999 圆弧圆柱蜗杆减速器467KBJB/T 7848-1995 ⽴式圆弧圆柱蜗杆减速器175KBJB/T 7847-1995 ⽴式锥⾯包铬圆柱蜗杆减速器203KBJB/T 7008-1993 ZC1型双级蜗杆及齿轮蜗杆减速器548KBJB/T 6387-1992 轴装式圆弧圆柱蜗杆减速器679KBJB/T 5559-1991 锥⾯包络圆柱蜗杆减速器524KBJB/T 5558-1991 蜗杆减速器加载试验⽅法96KBJB/T 53662-1999 圆弧圆柱蜗杆减速器产品质量分等274KBJB/T 3993-1999 蜗杆砂轮磨齿机精度检验287KBJB/T 10008-1999 测量蜗杆267KBHG/T 3139.8-2001 釜⽤⽴式减速机CW系列圆柱齿轮、圆弧圆柱蜗杆减速机646KBHG/T 2738-1995 轮胎定型硫化机⽤平⾯⼆次包络环⾯蜗杆减速机系列与基本参数182KB齿轮的基本参数2009-11-15 16:3610.1.2直齿圆柱齿轮的基本参数、各部分的名称和尺⼨关系当圆柱齿轮的轮齿⽅向与圆柱的素线⽅向⼀致时,称为直齿圆柱齿轮。
蜗轮蜗杆的测绘一、蜗轮、蜗杆齿轮的功用与结构蜗轮、蜗杆的功用主要用于传递交错轴间运动和动力,通常,轴交角∑=90°。
其优点是传动比大,工作较平稳,噪声低,结构紧凑,可以自锁;缺点是当蜗杆头数较少时,传动效率低,常需要采用贵重的减摩有色金属材料,制造成本高。
蜗轮是回转形零件,蜗轮的结构特点和齿轮基本相似,直径一般大于长度,通常由外圆柱面、内环面、内孔、键槽(花键槽)、轮齿、齿槽等组成。
根据结构形式的不同,齿轮上常常还有轮缘、轮毂、腹板(孔板)、轮辐等结构。
按结构不同蜗轮可分为实心式、腹板式、孔板式、轮辐式等多种型式。
蜗杆的结构和轴相似,其结构特点是长度一般大于直径,通常由外圆柱面、圆锥面、螺纹及阶梯端面等所组成。
蜗杆上啮合部分的轮齿呈螺旋状,有单头和多头之分,单头蜗杆的自锁性能好、易加工,但传动效率低。
由于圆柱蜗杆工艺性好,尤其是阿基米德圆杆蜗杆,因此,圆柱蜗杆获得了广泛应用。
二、普通圆柱蜗轮、蜗杆的测绘步骤蜗轮、蜗杆的测绘比较复杂,要想获得准确的测绘数据,就必须具备较全面的蜗杆传动方面的知识。
同时应合理选择测量工具及必要的检测仪器,掌握正确的测量方法,并对所测量的数据进行合理的分析处理,提出接近或替代原设计的方案,直接为生产服务。
测绘蜗轮、蜗杆时,主要是确定蜗杆轴向模数m a(即蜗轮端面模数m t),蜗杆的直径系数q和导程角γ(即蜗轮的螺旋角β)。
下面以普通圆柱蜗轮蜗杆测绘为例,说明标准蜗轮蜗杆的基本测绘步骤。
1. 首先对要测绘的蜗轮、蜗杆进行结构和工艺分析。
2. 画出蜗轮、蜗杆的结构草图和必须的参数表,并画出所需标注尺寸的尺寸界线及尺寸线。
3. 数出蜗杆头数z1和蜗轮齿数z2。
4. 测量出蜗杆齿顶圆直径d a l、蜗轮喉径d a i和蜗轮齿顶外圆直径d ae。
5. 在箱体上测量出中心距a。
6. 确定蜗杆轴向模数m a (即涡轮端面模数m t)7. 确定蜗杆的导程角γ(蜗轮的螺旋角β),并判定γ及β的方向。
蜗轮蜗杆-齿轮-齿条的计算及参数汇总渐开线齿轮有五个基本参数,它们分别是:名称符号意义标准化数值齿数(teeth number)Z 在齿轮整个圆周上轮齿的总数称为齿数模数(module)m齿距分度圆齿距p与π的比值模数决定了齿轮的大小及齿轮的承载能力。
我国规定标准化模数压力角(特指分度圆压力角)(pressure angle)决定渐开线齿形和齿轮啮合性能的重要参数我国规定标准化压力角为20度齿顶高系数齿顶高计算系数:我国规定标准化齿顶高系数为1顶隙系数顶隙(clearance)计算系数我国规定标准化顶隙系数为0.25标准齿轮:模数、压力角、齿顶高系数、顶隙系数为标准值,且分度圆上的齿厚等于齿槽宽的渐开线齿轮。
我国规定的标准模数系列表第一系列0.10.120.150.20.250.30.40.50.60.81 1.25 1.52 2.534568 10121620253240 50第二系列0.350.70.9 1.75 2.25 2.75(3.25) 3.5(3.75) 4.5 5.5 (6.5)78(11)14182228(30)3645注:选用模数时,应优先采用第一系列,其次是第二系列,括号内的模数尽可能不用.系列(1)渐开线圆柱齿轮模数(GB/T 1357-1987)第一系列0.1 0.12 0.15 0.2 0.25 0.3 0.4 0.5 0.6 0.8 11.25 1.5 22.5 3 4 5 6 8 10 12 16 20 25 32 40 50第二系列0.35 0.7 0.9 0.75 2.25 2.75 (3.25)3.5 (3.75) 4.55.5 (6.5)7 9 (11)14 18 22 28 (30)36 45(2)锥齿轮模数(GB/T 12368-1990)0.4 0.5 0.6 0.7 0.8 0.9 1 1.125 1.25 1.375 1.5 1.75 2 2.25 2.5 2.75 3 3.25 3.5 3.75 4 4.5 5 5.5 6 6.5 7 8 910 11 12 14 16 18 20 22 25 28 30 32 36 40 45 50注: 1.对于渐开线圆柱斜齿轮是指法向模数。
直齿圆柱齿轮的测绘方法一、齿轮尺寸测量1.外径测量:使用外径测微仪或卡尺沿着齿轮外径的切线方向进行测量,记录读数。
需要注意的是,由于齿轮齿顶和齿底的曲率半径并不相同,因此建议将测量读数分为两个部分,分别测量齿顶和齿底的外径。
2.齿宽测量:使用外径测微仪或齿宽仪测量齿轮齿面两侧的最大距离,即齿宽。
在测量过程中要保持测量仪器与齿轮齿面平行,避免测量误差。
3.齿数测量:使用齿数测量仪、齿数计或触针测量仪对齿轮齿数进行测量。
将测量仪器与齿轮啮合,记录读数。
二、齿形测量1.齿距测量:使用齿距测量仪进行测量,将测量仪的触针放置在齿槽底部,固定测量仪的基座,将齿轮沿轴向旋转,通过观察仪器指针的移动,可以测量到齿距。
重复测量多个齿槽,求平均值。
2.齿顶高测量:使用齿顶高测量仪对齿顶高进行测量。
将测量仪的触针放置在齿顶上,固定测量仪的基座,将齿轮沿轴向旋转,通过观察仪器指针的移动,可以测量到齿顶高。
重复测量多个齿槽,求平均值。
3.齿底高测量:使用齿底高测量仪对齿底高进行测量。
将测量仪的触针放置在齿底上,固定测量仪的基座,将齿轮沿轴向旋转,通过观察仪器指针的移动,可以测量到齿底高。
重复测量多个齿槽,求平均值。
齿形测量的确过程较为繁琐,可以使用齿形测量仪来简化操作。
三、测量计算及评估1.齿轮模数m的计算:根据齿数和齿轮外径计算齿轮模数。
公式为m=D/n,其中D为齿轮外径,n为齿数。
2.计算齿数偏差:根据测得的齿数,与齿轮设计齿数进行对比,计算齿数偏差。
3.齿高系数的计算:计算齿良之和,乘以系数k(一般取1.25),得到齿高系数。
4.齿顶间隙的计算:根据齿高系数和模数计算齿顶间隙。
5.齿轮精度等级的评估:根据测得的齿数偏差和齿高系数的结果与标准进行比较,评估齿轮的精度等级。
以上是直齿圆柱齿轮的测绘方法。
通过对齿轮尺寸和齿形的测量以及计算和评估,可以有效地判断齿轮的制造精度和传动效率,为齿轮的生产和使用提供依据。
齿轮及蜗轮蜗杆的测绘齿轮和蜗轮蜗杆结构较为复杂,因而此类零件的测绘较一般常见零件更为繁琐,是一项细致的工作。
本章主要讨论我国最常用的标准直齿圆柱齿轮、标准斜齿圆柱齿轮和标准直齿圆锥齿轮以及蜗轮蜗杆的功用与结构、测绘步骤、几何参数的测量和基本参数的确定等内容。
1 齿轮测绘概述1.1 齿轮的功用与结构齿轮是组成机器的重要传动零件,其主要功用是通过平键或花键和轴类零件连接起来形成一体,再和另一个或多个齿轮相啮合,将动力和运动从一根轴上传递到另一根轴上。
齿轮是回转零件,其结构特点是直径一般大于长度,通常由外圆柱面(圆锥面)、内孔、键槽(花键槽)、轮齿、齿槽及阶梯端面等组成,根据结构形式的不同,齿轮上常常还有轮缘、轮毂、腹板、孔板、轮辐等结构。
按结构不同齿轮可分为实心式、腹板式、孔板式、轮辐式等多种型式,如果齿轮和轴做在一起,则形成齿轮轴。
按轮齿齿形和分布形式不同,齿轮又有多种型式,常用的标准齿轮可分为直齿圆柱齿轮、斜齿圆柱齿轮、圆锥齿轮等。
1.2 齿轮的测绘步骤齿轮测绘是机械零部件测绘的重要组成部分,测绘前,首先要了解被测齿轮的应用场合、负荷大小、速度高低、润滑方式、材料与热处理工艺和齿面强化工艺等。
因为齿轮是配对使用的,因而配对齿轮要同时测量。
特别是当测绘的齿轮严重损坏时,一些参数无法直接测量得到,需要根据其啮合中心距a和齿数z,重新设计齿形及相关参数,从这个意义上讲,齿轮测绘也是齿轮设计。
齿轮测绘主要是根据齿轮及齿轮副实物进行几何要素的测量,如齿数z,齿顶圆直径da,齿根圆直径df、齿全高h、公法线长度W k、中心距a、齿宽b、分度圆弦齿厚s及固定弦齿厚sc、齿轮副法向侧隙n及螺旋角β、分锥角δ、锥距R等,经过计算和分析,推测出原设计的基本参数,如模数m、齿形角α、齿顶高系数h a*、顶隙系数C*等,并据此计算出齿轮的几何尺寸,如齿顶圆直径d a、分度圆直径d及齿根圆直径d f等,齿轮的其它部分结构尺寸按一般测绘原则进行,以达到准确地恢复齿轮原设计的目的。
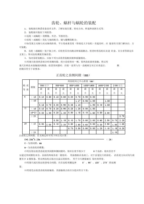
齿轮、蜗杆与蜗轮的装配1、装配前应熟悉设备技术文件,了解安装位置、转动方向、转速和润滑方式等。
2、装配前应做好下列检查:⑴齿轮(或蜗轮)的模数、外径、节圆直径;⑵齿轮(或蜗轮)的孔与轴的配合,键与键槽的配合;⑶如发现主动轴与从动轴的距离、平行度或垂直度(特别是人字齿轮)有超差时,应提请有关部门解决后,方可装配;3、齿轮(或蜗轮)装于轴上时,应检查其径向跳动和端面跳动。
检查时将齿轮以及划针盘、百分表等固定在支架上,转动齿轮测量其偏差值。
4、每对齿轮装配后,应按下列方法检查装配间隙和接触情况。
⑴用塞尺检查两齿啮合时的侧间隙,将小齿轮转向一侧,使两齿轮紧密接触,然后用塞尺在两齿未接触面间测量;检查顶间隙时,应使一齿顶与另一齿根相互对正后再进行。
侧间隙应符合下表要求:正齿轮之齿侧间隙(mm)C=0.20m~0.25m ---------------------------------------------------- (26)C—为顶间隙,mmm—为该齿轮的模数。
⑵用压铅法检查齿轮的顶间隙和侧间隙时,铅丝长度不得少于5个齿距,铅丝直径不宜超过顶间隙的3倍,齿面的两端各放一根铅丝,用油脂贴在齿面上,对于齿宽较大的齿轮,沿齿宽方向应均匀放置至少2根铅条,转动两齿轮后取出压扁后的铅丝,用千分尺测量被压铅丝的厚度。
⑶用塞尺或压铅法检查啮合间隙,应在齿轮周圈选择0°、90°、180°、270°四处测量。
⑷用着色法检查齿轮的接触面,其接触斑点的百分值应符合下表:接触斑点百分值、蜗轮与蜗杆装配前应做检查,二者的压力角应一致,转动应灵活。
蜗轮蜗杆一般出厂时都已装在轴上,如需现装配,蜗轮与轴,蜗杆与轴的配合都为过盈制,即轴比孔大0.10~0.04mm。
6、蜗轮与蜗杆的纵向中心应相互垂直,其转动中心距的允许偏差,应按设计或设备技术文件规定执行,无规定时按下表检查。
蜗轮副转动中心距偏差(u m)7、蜗轮与蜗杆的侧间隙一般为0.30~0.65mm ,顶间隙应随蜗轮与蜗杆的位置而定;如蜗杆在上,蜗轮在下,其顶间隙不得小于1mm;如蜗杆在下,蜗轮在上,其顶间隙不得小于轴瓦间隙。
蜗轮蜗杆- 齿轮-齿条的计算及参数汇总渐开线齿轮有五个基本参数,它们分别是:标准齿轮:模数、压力角、齿顶高系数、顶隙系数为标准值,且分度圆上的齿厚等于齿槽宽的渐开线齿轮。
我国规定的标准模数系列表注:选用模数时,应优先采用第一系列, 其次是第二系列,括号内的模数尽可能不用系列(1)渐开线圆柱齿轮模数(GB/T 1357-1987)第一系列0.1 0.12 0.15 0.2 0.25 0.3 0.4 0.5 0.6 0.8 11.25 1.5 22.5 3 4 5 6 8 10 12 16 20 25 32 40 50第二系列0.35 0.7 0.9 0.75 2.25 2.75 (3.25 )3.5 ( 3.75 )4.55.5 (6.5 )7 9 (11)14 18 22 28 (30)36 45(2)锥齿轮模数(GB/T 12368-1990)0.4 0.5 0.6 0.7 0.8 0.9 1 1.125 1.25 1.375 1.5 1.75 22.25 2.5 2.75 33.25 3.5 3.75 44.5 55.5 66.5 7 8 910 11 12 14 16 18 20 22 25 28 30 32 36 40 45 50注: 1. 对于渐开线圆柱斜齿轮是指法向模数。
2. 优先选用第一系列,括号内的模数尽可能不用3. 模数代号是m,单位是mm名称含有蜗轮的标准SH/T 0094-91 (1998 年确认)蜗轮蜗杆油94KBSJ 1824-81 小模数蜗轮蜗杆优选结构尺寸206KBJB/T 8809-1998 SWL 蜗轮螺杆升降机型式、参数与尺寸520KBJB/T 8361.2-1996 高精度蜗轮滚齿机技术条件206KBJB/T 8361.1-1996 高精度蜗轮滚齿机精度261KB名称含有蜗杆的标准SH/T 0094-91 (1998 年确认)蜗轮蜗杆油94KBQC/T 620-1999 A 型蜗杆传动式软管夹子347KBQC/T 619-1999 B 型和 C 型蜗杆传动式软管夹子83KBGB/T 19935-2005 蜗杆传动蜗杆的几何参数-蜗杆装置的铭牌、中心距、用户提供给制造者的参数121KBSJ 1824-81 小模数蜗轮蜗杆优选结构尺寸206KB蜗杆磨床 技术条件 160KB 蜗杆磨床 精度检验 244KB 平面包络环面蜗杆减速器 922KB 普通磨具 蜗杆砂轮 250KB 直廓环面蜗杆减速器 731KB 圆弧圆柱蜗杆减速器 467KB 立式圆弧圆柱蜗杆减速器 175KB 立式锥面包铬圆柱蜗杆减速器 203KB ZC1 型双级蜗杆及齿轮蜗杆减速器 548KB 轴装式圆弧圆柱蜗杆减速器 679KB 锥面包络圆柱蜗杆减速器 524KB 蜗杆减速器 加载试验方法 96KB圆弧圆柱蜗杆减速器 产品质量分等 274KB 蜗杆砂轮磨齿机 精度检验 287KBJB/T 9925.2-1999JB/T 9925.1-1999JB/T 9051-1999 JB/T 8373-1996 JB/T 7936-1999 JB/T 7935-1999 JB/T 7848-1995 JB/T 7847-1995 JB/T 7008-1993 JB/T 6387-1992 JB/T 5559-1991 JB/T 5558-1991JB/T 10008-1999 测量蜗杆267KBHG/T 3139.8-2001 釜用立式减速机CW 系列圆柱齿轮、圆弧圆柱蜗杆减速机646KBHG/T 2738-1995 轮胎定型硫化机用平面二次包络环面蜗杆减速机系列与基本参数182KB齿轮的基本参数2009-11-15 16:3610.1.2 直齿圆柱齿轮的基本参数、各部分的名称和尺寸关系当圆柱齿轮的轮齿方向与圆柱的素线方向一致时,称为直齿圆柱齿轮。
一、如何判断齿轮的旋向
斜齿轮,蜗轮蜗杆,都可以用此方法判断旋向。
(如图所示摆放齿轮,轴线竖着正对着自己,齿轮线往
左就左旋,往右则为右旋)
二、斜齿轮与直齿锥齿轮联合传动
1、直齿圆锥齿轮的轴向力a F 一定指向齿轮分度圆方向(如下图),径向力r F 指向轴心,周向力t F 根据主反从同的原则,(如下图,齿轮向外转出,周向力的方向则为向里面)。
从动轮根据力的相互性,得出受力情况.
2、斜齿轮轴向力根据左右手法则:比如右旋齿轮,就用右手,四指按齿轮旋转方向握,大拇指所指方向就是轴向力的方向,被动轮与主动轮的相反。
(可以通过轴向力、旋向、转向其中的两个推出第三个)周向力的方向根据主反从同的原则得出。
(左图的旋向为自左向右)
PS :(如下图减速箱二级齿轮,3号齿轮按照主动轮判断力的方向)
三、蜗轮蜗杆传动
1、蜗轮蜗杆轮齿旋向相同:蜗轮右旋、蜗杆右旋;
2、用手势确定蜗轮的转向:
右旋蜗杆:伸出左手,四指顺蜗杆转向,则蜗轮的切向速度的方向与拇指指向相同.
左旋蜗杆:用右手判断,方法一样。
3、蜗轮蜗杆的周向力也遵守主反从同的规律;。
northwese2009-12-04 17:30 蜗轮、蜗杆的计算公式:
1,传动比=蜗轮齿数÷蜗杆头数
2,中心距=(蜗轮节径+蜗杆节径)÷2
3,蜗轮吼径=(齿数+2)×模数
4,蜗轮节径=模数×齿数
5,蜗杆节径=蜗杆外径-2×模数
6,蜗杆导程=π×模数×头数
7,螺旋角(导程角)tgB=(模数×头数)÷蜗杆节径
chenjj03302010-08-24 13:00 蜗轮、蜗杆的计算公式:
1,传动比=蜗轮齿数÷蜗杆头数
2,中心距=(蜗轮节径+蜗杆节径)÷2
3,蜗轮吼径=(齿数+2)×模数
4,蜗轮节径=模数×齿数
5,蜗杆节径=蜗杆外径-2×模数
6,蜗杆导程=π×模数×头数
7,螺旋角(导程角)tgB=(模数×头数)÷蜗杆节
怎么实际测量蜗轮蜗杆?用什么测量工具
浏览次数:1044次悬赏分:0|解决时间:2009-4-18 10:30 |提问者:342053790。
齿轮测绘方法初涉齿轮测绘工作,看完这篇文章获益匪浅,大家一块分享!圆柱斜齿轮的测绘,难点就在测绘其分度圆螺旋角,对于变位圆柱斜齿轮而言,就更为复杂些,因为螺旋角与变位系数可以互相起补偿作用,若两轮同时更换就给测绘者带来了灵活性,但很多情况下都要求单配,这就给测绘工作带来了许多不便。
本人结合多年的实践经验,总结了一套用公法线长度来算其法向模数,再用公法线长度及齿顶圆直径互推法来估算分度圆螺旋角及变位系数,最后再用滚齿机校验分度圆螺旋角,从而算出准确的参数的测绘方法,所得各种误差很小,满足斜齿轮单配的精度要求。
1 测绘原理要精确测量圆柱斜齿轮,首先必须了解需要单配的原斜齿轮的制造国家或地区,从而确定齿轮的标准是模数制还是径节制,并确定分度圆压力角α等。
本文介绍的方法是根据模数制来进行计算和测量的,其步骤如下:(1 )数出原斜齿轮的齿数z。
(2 )设法测出其齿顶圆直径da 和齿根圆直径df,再按下式计算出齿全高。
h =(da-df) / 2(3)了解生产厂地,初步估计齿顶高系数h an、径向间隙系数c n 、分度圆法向压力角αn、齿轮侧隙种类及制造精度等级。
(4)测公法线长,计算出跨齿数k。
k=αnz/ 1 80°+0 5 (1 )取大于或等于k的跨齿数试测其公法线,选择合适的跨齿数k,精确测出其公法线长,再测出跨齿数为k+1或k- 1的公法线长,算出极为迫近的法向模数。
mn=(Wk + 1-Wk) /πcosαn 或mn=(Wk-Wk-1) /πcosαn (2 )因法向模数是标准值,从而可查表确定法向模数。
(5)初定齿顶变位系数,由齿全高公式算出Δyn。
h=(2h an+c n -Δyn)mn (3)(6)估算螺旋角β假设变位系数x1=0 ,算出螺旋角β1。
da=mnz/cosβ+2 (h an+x -Δyn)mn (4)(7)估算端面压力角αt 算出αt1tanαt=tanαn/cosβ (5)(8)推算变位系数x由公法线长度公式再推算出变位系数x2 ,但因公法线长度有制造公差(包括保证侧隙) ,所以公法线长度应是按公式(7)进行补偿计算后的值。
蜗杆蜗轮及传动的公差或极限偏差下载提示:该文档是本店铺精心编制而成的,希望大家下载后,能够帮助大家解决实际问题。
文档下载后可定制修改,请根据实际需要进行调整和使用,谢谢!本店铺为大家提供各种类型的实用资料,如教育随笔、日记赏析、句子摘抄、古诗大全、经典美文、话题作文、工作总结、词语解析、文案摘录、其他资料等等,想了解不同资料格式和写法,敬请关注!Download tips: This document is carefully compiled by this editor. I hope that after you download it, it can help you solve practical problems. The document can be customized and modified after downloading, please adjust and use it according to actual needs, thank you! In addition, this shop provides you with various types of practical materials, such as educational essays, diary appreciation, sentence excerpts, ancient poems, classic articles, topic composition, work summary, word parsing, copy excerpts, other materials and so on, want to know different data formats and writing methods, please pay attention!蜗杆蜗轮及传动的公差或极限偏差介绍蜗杆蜗轮传动是一种常见的机械传动方式,广泛应用于各种工业领域。