安全生产重大风险管控责任清单(模板)
- 格式:xlsx
- 大小:14.61 KB
- 文档页数:22
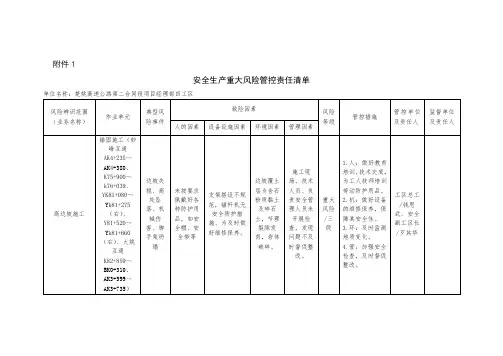
安全生产重大风险管控责任清单单位名称:楚姚高速公路第二合同段项目经理部三工区安全生产重大风险管控责任清单单位名称:楚姚高速公路第二合同段项目经理部三工区工。
安全生产重大风险管控责任清单单位名称:楚姚高速公路第二合同段项目经理部三工区安全生产重大风险管控责任清单单位名称:楚姚高速公路第二合同段项目经理部三工区安全生产重大风险管控责任清单单位名称:楚姚高速公路第二合同段项目经理部三工区安全生产重大风险管控责任清单单位名称:楚姚高速公路第二合同段项目经理部三工区安全生产重大风险管控责任清单单位名称:楚姚高速公路第二合同段项目经理部三工区安全生产重大风险管控责任清单单位名称:楚姚高速公路第二合同段项目经理部三工区(王小冲中桥、皮麦地中桥、三道箐大桥、曹安全生产重大风险管控责任清单单位名称:楚姚高速公路第二合同段项目经理部三工区中桥、小团山大桥、孙家大桥、观音寺大桥、荞麦冲大桥、余湾大桥、呼家湾中桥)安全生产重大风险管控责任清单单位名称:楚姚高速公路第二合同段项目经理部三工区(王小冲中桥、皮麦地中桥、三道安全生产重大风险管控责任清单单位名称:楚姚高速公路第二合同段项目经理部三工区家大桥、观音寺大桥、荞麦冲大桥、余湾大桥、呼家湾中桥)梁安全生产重大风险管控责任清单单位名称:楚姚高速公路第二合同段项目经理部三工区安全生产重大风险管控责任清单梁单位名称:楚姚高速公路第二合同段项目经理部三工区安全生产重大风险管控责任清单单位名称:楚姚高速公路第二合同段项目经理部三工区安全生产重大风险管控责任清单单位名称:楚姚高速公路第二合同段项目经理部三工区机、塔吊安全生产重大风险管控责任清单单位名称:楚姚高速公路第二合同段项目经理部三工区安全生产重大风险管控责任清单单位名称:楚姚高速公路第二合同段项目经理部三工区安全生产重大风险管控责任清单单位名称:楚姚高速公路第二合同段项目经理部三工区安全生产重大风险管控责任清单单位名称:楚姚高速公路第二合同段项目经理部三工区安全生产重大风险管控责任清单单位名称:楚姚高速公路第二合同段项目经理部三工区安全生产重大风险管控责任清单单位名称:楚姚高速公路第二合同段项目经理部三工区。
重大安全风险管控清单(参考模板1.0版)
3-1烟花爆竹生产企业重大安全风险管控汇总清单(模板)
注1:企业应根据相关要求至少每半年进行一次风险辨识、评估,并更新风险管控清单。
当出现下列情形时(不仅限于)应及时开展风险辨识、评估,更新风险管控信息:1.法律法规、技术标准发生变化;2.生产工艺或主要设备设施发生变化;3.新建、改建、扩建项目;4.事故或事件发生后;5.组织机构和人员发生重大调整;6.周边环境发生较大变化。
注2:表中风险描述栏为风险点的具体情况及发生事故时可能的影响范围、人员数量、财产损失、环境影响、社会影响等关键数据。
事故类型参考《企业职工伤亡事故分类标准》GB6441-1986中的20类事故类型填写;管控层级为该项风险的最高管控层级,其所下属的各层级均应参与对风险点的管控。
3-2烟火药机械混药风险管控清单
3-7 1.3级成品库风险管控清单。
生产经营单位安全生产风险管控清单生产经营单位安全生产风险管控清单单位:日期:序号辨识部位存在风险风险可能发生等级事故类型管控措施责任部门1 冲压设备(冲床/液压机/拉弯机)未按安全操作规程操作;安全装置失灵、无防护设施机械伤害 1 应配置一种或多种安全装置;作业时应正确佩戴劳保防护用具,避免造成砸伤、划伤等;设备维护检修时应按照操作规程,停机稳定后进行作业,并应使用安全防护装置进行作业。
部门12 剪板机未按安全操作规程操作;安全装置失灵、无防护设施机械伤害 1 应配置安全防护装置、防护栏等;作业时应正确佩戴劳保防护用具的等;按照操作规程进行作业。
部门13 辊压线未正确佩戴防护用具,无防护措施机械伤害 2应配置安全防护装置,防护罩;正确佩戴防护用具并按照操作规程进行作业。
部门14 焊接设备未正确佩戴防护用具及无防护设施机械伤害 2 应配置安全防护装置、防护罩;正确佩戴防护用具并按照操作规程进行作业。
部门15 焊接设备未设置防护屏板,飞溅火花引燃易燃物质发生火灾。
火灾 2 应将焊接设备和其屏罩隔开,以形成焊接隔离间;及时消除作业周边及其他事故下方的易燃易爆物质;定期清扫焊接通风除尘管道中的积碳等杂物。
部门16 焊接设备设备存在不安全因素,设备接地不好,触电事故电气伤害 2 一次线绝缘无破损,二次回路宜直接与被焊工件直接连接或压接。
二次回路接点应紧固,无电气裸露,接头宜采用电缆耦合器,且不超过3个。
禁止搭载或利用厂房金属结构、管道、轨道、设备可移动部位,以及PE线等作为焊接二次回路。
做好接地。
部门17 气瓶安全装置失效、未按照安全操作进行操作等爆炸伤害 1 严格执行安全操作规程,氧气瓶与乙炔瓶与明火距离不少于10m,不得靠近热源;乙炔瓶应配置回火防止器。
减压器在气瓶上应安装牢固,采用螺纹连接时应拧足五个螺扣以上,采用专门的夹具压紧时应平整牢固。
软管材质应符合要求,且无泄漏、磨损、老化。
瓶帽、防震圈等安全附件齐全、完好。
尾矿库重大安全风险管控责任清单介绍尾矿库是指采矿业务中产生的尾矿进行储存、处理和回收的设施。
由于尾矿中含有大量的有害物质,尾矿库的安全风险是非常严重的。
为了确保尾矿库的安全运营,企业需要建立一套完善的安全风险管控责任清单。
本文将介绍尾矿库重大安全风险管控责任清单的内容和要求。
1. 管控责任清单的目的和背景尾矿库重大安全风险管控责任清单的目的是明确各个相关部门和岗位在尾矿库安全风险管控中的责任和要求,确保风险得到有效识别、评估和控制,提高尾矿库的安全性和运营效率。
2. 管控责任清单的内容和要求2.1 安全风险识别和评估•预先制订尾矿库安全风险识别和评估计划;•按照计划进行尾矿库的安全风险识别和评估;•及时更新尾矿库安全风险识别和评估结果。
2.2 安全管理制度建立和执行•建立尾矿库安全管理制度,并对相关人员进行培训;•监督尾矿库安全管理制度的执行情况;•定期评估和完善尾矿库安全管理制度。
2.3 安全设施和设备管理•定期检查尾矿库的安全设施和设备,并制定相应的维护和修复计划;•确保尾矿库的安全设施和设备运行正常;•及时处理安全设施和设备的故障和事故。
2.4 应急措施和应急演练•制定尾矿库的应急预案,并对相关人员进行培训;•定期组织应急演练,提高应急响应能力;•及时总结应急演练的经验和教训,完善应急预案。
2.5 监测和监控•安装合适的监测设备,并定期检查和校准;•监测尾矿库的安全指标和环境指标,及时预警和采取相应措施;•对监测数据进行分析和报告,确保尾矿库的安全运营。
2.6 安全培训和教育•对尾矿库相关人员进行安全培训和教育,提高他们的安全意识和技能;•定期组织安全培训和教育活动,更新知识和技术;•定期检查员工的安全培训和教育情况,确保培训的效果。
2.7 安全监督和验收•建立定期的安全监督和验收机制,对尾矿库的安全管理进行监督和评估;•监督和评估尾矿库的安全风险管控措施的有效性;•及时处理安全监督和验收中的问题和意见。
安全生产风险管控清单安全生产风险管控清单一、建立完善的安全生产管理制度1. 编制和修订公司安全生产管理制度,规范各项安全操作流程。
2. 设立安全生产管理部门,明确责任分工,建立健全安全生产管理制度。
3. 开展安全教育培训,确保员工具备必要的安全知识和技能。
二、加强对安全设施的维护和检修1. 定期检查维护生产设备和安全设施的功能性和完整性。
2. 制定紧急事故应急预案,教育员工掌握应急处置措施和设备操作方法。
3. 安装和维护消防设施,实施火灾防控措施,确保紧急疏散通道畅通。
三、加强对现场作业操作的监督和管理1. 制定详细的作业操作规程,明确各类作业的操作流程和安全措施。
2. 加强对高风险作业的监督,确保操作人员具备相关技能和经验。
3. 加强对特殊作业人员的资质认证,确保其具备相应的操作能力。
四、加强安全风险评估和控制1. 定期开展安全生产风险评估,识别和评估可能存在的安全风险。
2. 制定相应的安全风险控制方案,采取有效的控制措施控制安全风险。
3. 加强对危险化学品和有害物质的管理,确保其储存和使用符合相关规定。
五、加强对员工的健康管理1. 严格遵守劳动保护法律法规,确保员工的劳动安全和身体健康。
2. 加强职业病防治工作,定期对员工进行体检和职业病危害评估。
3. 健全员工健康档案,记录员工的健康状况,及时发现和解决健康问题。
六、加强安全生产监督和整改1. 定期组织安全生产检查,发现并整改存在的安全隐患。
2. 加强对外部承包单位的监督管理,确保其安全生产达到要求。
3. 建立和完善安全事故报告和调查制度,对发生的安全事故进行调查和处理。
七、加强安全生产宣传教育1. 制定安全生产宣传计划,组织各类安全培训和宣传活动。
2. 制作和发放安全宣传资料,提高员工安全意识和责任心。
3. 建立安全生产宣传教育档案,及时更新宣传教育内容。
以上是安全生产风险管控的清单,通过落实以上要点,可以有效预防和控制生产过程中的各类安全风险,确保员工的生命安全和身体健康。
工贸行业企业重大安全风险管控责任清单(参考模板 1.0 版)编制说明企业需选用工作危害分析法( JHA )、安全检查表法( SCL)、作业过程风险分析法( LEC )、风险矩阵法( RS)等适当的手段,开展全面的危险源辨识及风险排查、评价、分级过程,根据分级结果落实管控责任人。
风险点:可能是设备设施、部位、场所、区域,如液氨储罐、螺杆压缩机等;也可能是操作及作业活动,如制冷作业、液氨卸车作业、动火作业、受限空间作业、盲板抽堵作业等。
可能导致的事故后果:根据《企业职工伤亡事故分类》( GB 6441-86 )。
管控措施:可从工程技术、管理、培训教育、个体防护、应急救援等方面列举防范事故发生的措施。
责任人:根据风险分级结果和公司人员(部门)层级设置,明确风险与管控责任人的一一对应。
(一)金属冶炼可能导致风险序号风险点风险因素的后果等级1煤气柜冶炼中煤火灾、中毒和窒息、其红色气泄漏他爆炸管控措施责任人1.柜顶防雷装置、防静电设施完好。
2.电气设施必须符合防爆要求。
3.CO 气体检测报警仪显示正常。
4.气柜无泄露、无变形、无腐蚀。
分管安全副总(姓名)5.气柜区域设置隔离围栏和安全警示标志。
安全管理部(处、科)长(姓6.安装在线监控设备,专人值守。
名)7.气柜压力现场指示、远传、报警正常。
XX 车间主任(姓名)8.气柜出、入口管道上设隔断装置。
XX 班组组长(姓名)9.放散管、水封、排水器正常有效。
XX 一线岗位(姓名)10.进口氧含量监测正常。
11.气柜容积指示装置正常,柜位到达上限时,自动关闭煤气入口阀,并设有放散设施,柜位降到下线时,自动停止向外输送煤气或自动冲压的装置。
1.起重机选型符合冶金行业法规标准规范的要求。
2.办理作业票、持证上岗。
安全管理部(处、科)长(姓吊装作吊具、罐体起重伤害、3.专人指挥、专人监护。
名)2橙色作业现场设置安全警戒标志或警戒线。
XX车间主任(姓名)业侧翻灼烫、火灾 4.5.定期对吊运、盛装熔融金属的吊具、罐体等XX 班组组长(姓名)进行安全检查和探伤检测。
安全生产风险管控清单安全生产风险管控清单主要包括以下内容:1. 安全生产责任制度:明确各级管理人员、职工和各生产部门的安全生产责任,建立健全相关制度和流程。
2. 安全规章制度:制定和完善各类安全操作规程、作业指导书、应急预案等,确保员工遵守操作规范。
3. 安全生产培训:组织员工进行安全生产培训,包括安全操作技能培训、应急处理培训等。
4. 安全设备维护:定期检查和维护各类安全设备,确保设备正常运行。
5. 安全隐患排查:定期开展安全隐患排查,做到发现一起、整改一起。
6. 安全生产检查:建立定期巡查制度,检查现场作业环境,发现问题及时处理。
7. 事故隐患整改:对发现的事故隐患,及时采取措施整改,并报告上级主管部门。
8. 应急救援演练:定期组织应急救援演练,提高员工的应急处理能力和应变能力。
9. 安全生产宣传:加强安全生产宣传,增强员工的安全意识,提高安全生产意识。
10. 员工参与管理:鼓励员工参与安全生产管理,发挥员工的主观能动性。
11. 安全生产奖惩制度:建立健全安全生产奖惩机制,对安全工作突出的个人或单位给予表彰和奖励。
12. 高风险作业管理:对高风险作业进行专门的管理和监督,确保高风险作业的安全进行。
13. 外部协作单位管理:与外部协作单位建立安全生产合作协议,确保外部协作单位的安全生产。
14. 违规行为处理:对违规行为进行严肃处理,起到震慑作用,防止违规行为的发生。
15. 安全生产控制措施:根据风险评估结果,制定相应的安全生产控制措施,确保生产过程中的安全。
以上是安全生产风险管控清单的主要内容,企业可以根据实际情况适当进行调整和补充,确保安全生产工作的有效开展。
安全生产风险管控清单及填写说明安全生产风险点危险源排查管控清单填报单位(盖章):填报日期:年月日第 1 页共 6 页《安全生产风险点危险源排查管控清单》填表说明1.【序号】请按照“一源一号”方式,顺序填写。
2.【上报单位】请填写行业主管单位名称。
3.【分类名称】详见附件1。
4.【具体名称】请填写具体风险点、危险源名称,如:“**渣土受纳场”,请注意名称的唯一性。
5.【潜在风险】请填写:(1)风险点、危险源的具体参数。
(2)发生事故时可能的影响范围、影响人员数量、可能的财产损失、环境影响、社会影响等关键数据。
6.【单位名称】:请填写风险点、危险源的主体责任单位营业执照名称或法定名称。
7.【负责人】:法定代表人或企业实际控制人。
8.【联系电话】:法定代表人或企业实际控制人的联系电话。
9.【风险等级】:详见附件2,表2-3。
第 2 页共 6 页附件1风险点、危险源分类参考目录1.单位类:包括各类生产经营单位。
2.建设项目类:建筑工程、城市交通设施、水利工程、电力工程、市政工程、地下空间等大型建设项目;3.设施设备类:轨道交通、电力设施、隧道桥梁(含高架桥)、管线管廊(燃气、石油、天然气、水、电等)、通信、建筑用升降机、电梯及游乐设施、煤气瓶、玻璃幕墙、户外广告牌、城市旧挡土墙等重点设备设施;商船、游船、渡船、渔业船舶、客运班车、旅游包车、重型货车和汽车列车、建设施工单位散装物料车等重点交通运输设备设施。
4.其他类:上述分类中未能涉及但确实存在风险隐患的其他风险点和危险源。
第 3 页共 6 页附件2风险分析、风险评级结果的表达表2-1 事故发生的可能性分析表2-2 事故发生的后果严重性分析第 4 页共 6 页第 5 页共 6 页表2-3 风险评级(风险矩阵)第 6 页共 6 页。
重大安全风险管控清单(参考模板1.0版)
3-1烟花爆竹生产企业重大安全风险管控汇总清单(模板)
注1:企业应根据相关要求至少每半年进行一次风险辨识、评估,并更新风险管控清单。
当出现下列情形时(不仅限于)应及时开展风险辨识、评估,更新风险管控信息:1.法律法规、技术标准发生变化;2.生产工艺或主要设备设施发生变化;3.新建、改建、扩建项目;4.事故或事件发生后;5.组织机构和人员发生重大调整;6.周边环境发生较大变化。
注2:表中风险描述栏为风险点的具体情况及发生事故时可能的影响范围、人员数量、财产损失、环境影响、社会影响等关键数据。
事故类型参考《企业职工伤亡事故分类标准》GB6441-1986中的20类事故类型填写;管控层级为该项风险的最高管控层级,其所下属的各层级均应参与对风险点的管控。
3-2烟火药机械混药风险管控清单
3-7 1.3级成品库风险管控清单。
安全生产重大风险管控责任清单单位名称:楚姚高速公路第二合同段项目经理部三工区
安全生产重大风险管控责任清单单位名称:楚姚高速公路第二合同段项目经理部三工区
安全生产重大风险管控责任清单单位名称:楚姚高速公路第二合同段项目经理部三工区
工。
安全生产重大风险管控责任清单单位名称:楚姚高速公路第二合同段项目经理部三工区
安全生产重大风险管控责任清单单位名称:楚姚高速公路第二合同段项目经理部三工区
安全生产重大风险管控责任清单单位名称:楚姚高速公路第二合同段项目经理部三工区
安全生产重大风险管控责任清单单位名称:楚姚高速公路第二合同段项目经理部三工区
安全生产重大风险管控责任清单单位名称:楚姚高速公路第二合同段项目经理部三工区
安全生产重大风险管控责任清单单位名称:楚姚高速公路第二合同段项目经理部三工区
(王小冲中
桥、皮麦地
中桥、三道
箐大桥、曹
安全生产重大风险管控责任清单单位名称:楚姚高速公路第二合同段项目经理部三工区
中桥、小团
山大桥、孙
家大桥、观
音寺大桥、
荞麦冲大桥
、余湾大桥
、呼家湾中
桥)
安全生产重大风险管控责任清单
单位名称:楚姚高速公路第二合同段项目经理部三工区(王小冲中桥、皮麦地
中桥、三道
安全生产重大风险管控责任清单
单位名称:楚姚高速公路第二合同段项目经理部三工区家大桥、观音寺大桥、荞麦冲大桥、余湾大桥、呼家湾中
桥)
梁
安全生产重大风险管控责任清单单位名称:楚姚高速公路第二合同段项目经理部三工区
安全生产重大风险管控责任清单梁
单位名称:楚姚高速公路第二合同段项目经理部三工区
安全生产重大风险管控责任清单单位名称:楚姚高速公路第二合同段项目经理部三工区
安全生产重大风险管控责任清单单位名称:楚姚高速公路第二合同段项目经理部三工区
机、塔
吊
安全生产重大风险管控责任清单单位名称:楚姚高速公路第二合同段项目经理部三工区
安全生产重大风险管控责任清单单位名称:楚姚高速公路第二合同段项目经理部三工区
安全生产重大风险管控责任清单单位名称:楚姚高速公路第二合同段项目经理部三工区
安全生产重大风险管控责任清单单位名称:楚姚高速公路第二合同段项目经理部三工区
安全生产重大风险管控责任清单单位名称:楚姚高速公路第二合同段项目经理部三工区
安全生产重大风险管控责任清单单位名称:楚姚高速公路第二合同段项目经理部三工区。