玻璃幕墙隐框半隐框工程检验批质量验收记录
- 格式:docx
- 大小:527.84 KB
- 文档页数:7
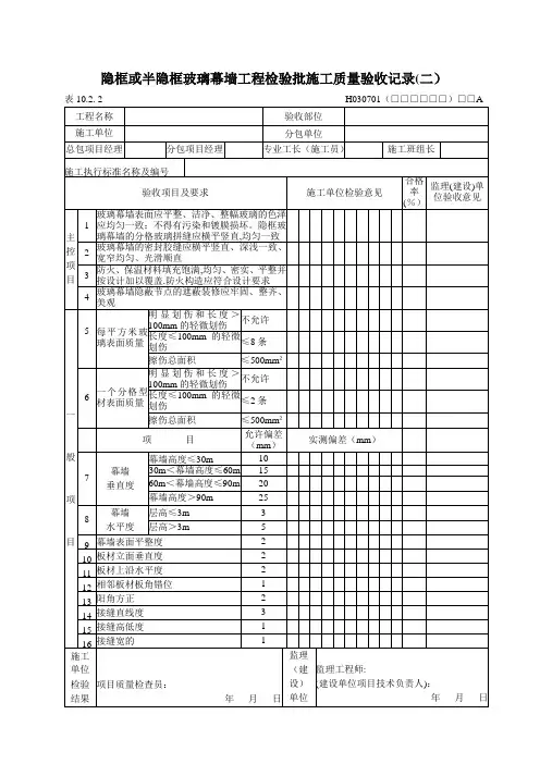
玻璃幕墙工程检验批质量验收记录表(一般项目)工程名称:施工质量验收规范规定第三方验收记录一般项目1玻璃幕墙表面应平整、洁净、整幅玻璃的色泽均匀一致、不得有污染和镀膜损坏。
2 每平方米玻璃的表面质量和检验方法应符合下表规定3 一个分格铝合金材料的表面质量和检验方法应符合下表规定4明框玻璃幕墙的外露框或压条应横平竖直,颜色、规格应符合设计要求,压条安装应牢固。
单元玻璃幕墙的单位拼缝或隐框玻璃幕墙的分格玻璃拼缝应横平竖直、均匀一致。
5 玻璃幕墙的密封胶缝应横平竖直、深浅一致、宽窄均匀、光滑顺直。
6 防火、保温材料填充应饱满、均匀,表面应密实、平整。
7 玻璃幕墙隐蔽节点的遮封装修牢固、整齐、美观。
8明框玻璃幕墙安装允许偏差(mm)幕墙垂直度幕墙高度≤30m 1030m<幕墙高度≤60m 1560m<幕墙高度≤90m 20幕墙高度>90m 25幕墙水平度幕墙幅宽≤35m 5幕墙幅宽>35m 7构件直线度 2构件水平度构件长度≤2m 2构件长度>2m 3相邻构件错位 1分格框对角线长度差对角线长度≤2m 3对角线长度>2m 49隐框、半隐框玻璃幕墙允许偏差(mm)幕墙垂直度幕墙高度≤30m1030m<幕墙高度≤60m1560m<幕墙高度≤90m20幕墙高度>90m25幕墙水平度层高≤3m 3层高>3m 5幕墙表面平整度 2板材立面垂直度 2板材上沿水平度 2相邻板材板角错位 1阳角方正 2接缝直线度 3接缝高低差 1接缝宽度 1第三方验收结论:验房师:年月日说明一般项目:1、观察。
2、每平方米玻璃的表面质量和检查方法及结果:项次项目质量要求检验方法1 明显划伤和长度>100mm的轻微划伤不允许观察2 长度≤100mm的轻微划伤≤8条用钢尺检查3 擦伤总面积≤500mm2用钢尺检查3、一个分格铝合金型材的表面质量和检验方法及结果:项次项目质量要求检验方法1 明显划伤和长度<100mm的轻微划伤不允许观察2 长度≤100mm的轻微划伤≤2条用钢尺检查3 擦伤总面积≤500mm2用钢尺检查4、观察、手扳检查、检查进场验收记录。
玻璃幕墙工程检验批质量验收记录项目概况
项目名称:玻璃幕墙工程
施工单位:XXX建筑有限公司
验收日期:20XX年XX月XX日
检验内容
1. 玻璃幕墙安装质量检验
2. 玻璃幕墙密封性能检验
3. 玻璃幕墙防水性能检验
4. 玻璃幕墙抗风压性能检验
检验结果
1. 玻璃幕墙安装质量检验结果:合格
- 安装工艺符合相关标准和规范要求
- 幕墙结构牢固,无明显变形或破损
- 玻璃安装位置准确,与设计要求一致
2. 玻璃幕墙密封性能检验结果:合格
- 幕墙密封胶密封性良好,无渗漏现象
- 玻璃幕墙与建筑结构之间无渗漏
3. 玻璃幕墙防水性能检验结果:合格
- 幕墙材料具有良好的防水性能
- 细部处理合理,无渗漏现象
4. 玻璃幕墙抗风压性能检验结果:合格
- 幕墙结构稳固,具有良好的抗风压性能
- 玻璃幕墙材料具有适当的强度和刚度
验收结论
根据以上检验结果,玻璃幕墙工程经检验合格,质量达到验收标准和要求。
施工单位提供的玻璃幕墙工程质量满足设计要求,可以正常使用和交付使用方。
玻璃幕墙工程检验批质量验收记录项目信息
- 项目名称:玻璃幕墙工程检验批
- 项目位置:[填写具体地址]
- 项目编号:[填写项目编号]
- 建设单位:[填写建设单位名称]
- 施工单位:[填写施工单位名称]
- 检验单位:[填写检验单位名称]
- 检验日期:[填写检验日期]
检验内容
1. 玻璃幕墙安装质量检验
检验要点
- 确保玻璃幕墙安装符合设计要求
- 检查幕墙结构是否牢固稳定
- 检验幕墙密封是否严密
检验结果
- 玻璃幕墙安装符合设计要求
- 幕墙结构牢固稳定
- 幕墙密封严密
2. 玻璃幕墙材料验收
检验要点
- 检查玻璃质量及规格是否符合要求- 检查铝材质量及规格是否符合要求- 检查密封胶质量及规格是否符合要求
检验结果
- 玻璃质量及规格符合要求
- 铝材质量及规格符合要求
- 密封胶质量及规格符合要求
3. 玻璃幕墙外观质量验收
检验要点
- 检查玻璃幕墙外观是否整洁、光滑
- 检查幕墙表面是否有破损或划伤
- 检查幕墙颜色是否与设计一致
检验结果
- 玻璃幕墙外观整洁、光滑
- 幕墙表面无破损或划伤
- 幕墙颜色与设计一致
总结及意见
根据上述检验结果,玻璃幕墙工程检验批质量验收合格,符合设计要求。
建议施工单位继续保持施工质量,确保后续工程的顺利进行。
检验员签名:[填写检验员姓名]
日期:[填写日期]。
玻璃幕墙施工检验批质量验收记录(最新版)玻璃幕墙施工检验批质量验收记录日期:项目名称:监理单位:施工单位:建设单位:检验人员:一、前期准备工作- 核对施工单位提供的施工图纸和技术资料,确保符合规范要求。
- 检查施工现场是否符合安全生产要求,是否设置了必要的警示标识。
- 检查玻璃幕墙施工所需材料的进场情况,包括玻璃、铝型材等。
- 检查施工人员的证件情况,确保具备相应资质和技能。
二、施工过程检验1. 玻璃安装检验- 检查玻璃是否符合质量要求,如有划痕、碰损等缺陷及时返工更换。
- 检查玻璃安装位置是否准确,是否与设计图纸一致。
- 检查玻璃与铝型材之间的密封胶条是否安装完整、紧实。
2. 铝型材安装检验- 检查铝型材的尺寸是否符合要求,是否有严重变形情况。
- 检查铝型材的表面处理情况,如有划痕、氧化等问题及时处理。
- 检查铝型材的连接方式是否牢固可靠,是否符合设计要求。
3. 行线及水平检验- 使用激光仪测量行线的垂直度和水平度是否满足要求。
- 检查幕墙与建筑主体之间的间隙是否均匀一致。
- 检查幕墙的垂直度和水平度是否符合设计要求。
三、验收结果记录- 本次检验合格项目:1. 玻璃安装符合质量要求,位置准确,与设计图纸一致。
2. 铝型材尺寸符合要求,表面处理完好,连接方式牢固可靠。
3. 行线的垂直度和水平度满足要求,幕墙与建筑主体间隙均匀一致。
- 本次检验不合格项目:1. 无。
四、备注- 对本次检验结果无异议,同意进行下一步施工工作。
玻璃幕墙安装工程检验批质量验收记录项目概况- 项目名称:玻璃幕墙安装工程- 承包商:XXXXXXXX公司- 监理单位:XXXXXXXX公司- 检验单位:XXXXXXXX公司- 施工日期:XXXX年XX月XX日至XXXX年XX月XX日质量验收记录检验批次1- 检验日期:XXXX年XX月XX日- 检验人员:XXX- 安装工艺及材料合格情况:- 玻璃幕墙安装工艺符合设计要求。
- 使用的玻璃、铝合金及密封胶等材料质量合格。
- 安装质量验收结果:- 玻璃幕墙安装质量符合要求,无明显缺陷。
- 接头处密封胶固化良好,无渗漏。
检验批次2- 检验日期:XXXX年XX月XX日- 检验人员:XXX- 安装工艺及材料合格情况:- 玻璃幕墙安装工艺符合设计要求。
- 使用的玻璃、铝合金及密封胶等材料质量合格。
- 安装质量验收结果:- 玻璃幕墙安装质量符合要求,无明显缺陷。
- 接头处密封胶固化良好,无渗漏。
检验批次3- 检验日期:XXXX年XX月XX日- 检验人员:XXX- 安装工艺及材料合格情况:- 玻璃幕墙安装工艺符合设计要求。
- 使用的玻璃、铝合金及密封胶等材料质量合格。
- 安装质量验收结果:- 玻璃幕墙安装质量符合要求,无明显缺陷。
- 接头处密封胶固化良好,无渗漏。
结论根据对玻璃幕墙安装工程的质量验收记录分析,该工程的安装质量符合设计要求,技术指标达到了预期目标。
各检验批次均无明显缺陷和质量问题,适用于正常使用和运行。
建议承包商妥善保管施工记录和相关资料,并按照合同要求完成后续工作。
以上为玻璃幕墙安装工程检验批质量验收记录。
玻璃幕墙(隐框、半隐框)工程检验批质量验收记录(GB50210-2001)表9.2-2 编030701□□□(2)说明强制性条文9.1.8 隐框、半隐框幕墙所采用的结构粘结材料必须是中性硅酮结构密封胶,其性能必须符合《建筑用硅酮结构密封胶》(GB16776)的规定;硅酮结构密封胶必须在有效期内使用。
9.1.13 主体结构与幕墙连接的各种预埋件,其数量、规格、位置和防腐处理必须符合设计要求。
9.1.14幕墙的金属框架与主体结构预埋件的连接、立柱与横梁的连接及幕墙面板的安装必须符合设计要求,安装必须牢固。
主控项目9.2.2 玻璃幕墙工程所使用的各种材料、构件和组件的质量,应符合设计要求及国家现行产品标准和工程技术规范的规定。
检验方法:检查材料、构件、组件的产品合格证书、进场验收记录、性能检测报告和材料的复验报告。
9.2.3 玻璃幕墙的造型和立面分格应符合设计要求。
检验方法:观察;尺量检查。
9.2.4 玻璃幕墙使用的玻璃应符合下列规定:1、幕墙应使用安全玻璃,玻璃的品种、规格、颜色、光学性能及安装方向应符合设计要求。
2、幕墙玻璃的厚度不应小于6.0mm。
全玻幕墙肋玻璃的厚度不应小于12mm。
3、幕墙的中空玻璃应采用双道密封。
明框幕墙的中空玻璃应采用聚硫密封胶及丁基密封胶;隐框和半隐框幕墙的中空玻璃应采用硅酮结构密封胶及丁基密封胶;镀膜面应在中空玻璃的第2或第3面上。
4、幕墙的夹层玻璃应采用聚乙烯醇缩丁醛(PVB)胶片干法加工合成的夹层玻璃。
点支承玻璃幕墙夹层玻璃的夹层胶片(PVB)厚度不应小于0.76mm。
5、钢化玻璃表面不得有损伤;8.0mm以下的钢化玻璃应进行引爆处理。
6、有幕墙玻璃均应进行边缘处理。
检验方法:观察;尺量检查;检查施工记录。
9.2.5 玻璃幕墙与主体结构连接的各种预埋件、连接件、紧固件必须安装牢固,其数量、规格、位置、连接方法和防腐处理应符合设计要求。
检验方法:观察;检查隐蔽工程验收记录和施工记录。
玻璃幕墙工程检验批质量验收记录编号:
填表说明:
1、检验批容量填写:写出该检验批的面积。
1.1 相同设计、材料、工艺和施工条件的玻璃幕墙工程每 500~1000m2为一个检验批,不足500m2应划分为一个检验批。
1.2 同一单位工程的不连续的幕墙工程应单独划分检验批;
1.3 对于异形或有特殊要求的幕墙,检验批的划分应根据幕墙的结构、工艺特点及幕墙工程的规模,宜由监理单位、建设单位和施工单位协商确定。
2、最小/实际检查数量栏中,实际检查数量:按实填写,最小数量填写:每个检验批每100m2应至少抽查一处,每处不得少于10m2;
3、表头中“施工依据”栏目应依照实际的施工操作依据填写,如施工企业的操作规程、工法、施工工艺标准等。
玻璃幕墙隐框半隐框工程检验批质量验收记录集团标准化工作小组 [Q8QX9QT-X8QQB8Q8-NQ8QJ8-M8QMN]
玻璃幕墙(隐框、半隐框)工程检验批质量验收记录
(GB50210-2001)表编号:
030701□□□(2)说明强制性条文
9.1.8 隐框、半隐框幕墙所采用的结构粘结材料必须是中性硅酮结构密封胶,
其性能必须符合《建筑用硅酮结构密封胶》(GB16776)的规定;硅酮结构密封胶必须在有效期内使用。
9.1.13 主体结构与幕墙连接的各种预埋件,其数量、规格、位置和防腐处理必
须符合设计要求。
9.1.14幕墙的金属框架与主体结构预埋件的连接、立柱与横梁的连接及幕墙面
板的安装必须符合设计要求,安装必须牢固。
主控项目
9.2.2 玻璃幕墙工程所使用的各种材料、构件和组件的质量,应符合设计要求
及国家现行产品标准和工程技术规范的规定。
检验方法:检查材料、构件、组件的产品合格证书、进场验收记录、性
能检测报告和材料的复验报告。
9.2.3 玻璃幕墙的造型和立面分格应符合设计要求。
检验方法:观察;尺量检查。
9.2.4 玻璃幕墙使用的玻璃应符合下列规定:
1、幕墙应使用安全玻璃,玻璃的品种、规格、颜色、光学性能及安装方向
应符合设计要求。
2、幕墙玻璃的厚度不应小于6.0mm。
全玻幕墙肋玻璃的厚度不应小于
12mm。
3、幕墙的中空玻璃应采用双道密封。
明框幕墙的中空玻璃应采用聚硫密封
胶及丁基密封胶;隐框和半隐框幕墙的中空玻璃应采用硅酮结构密封胶
及丁基密封胶;镀膜面应在中空玻璃的第2或第3面上。
4、幕墙的夹层玻璃应采用聚乙烯醇缩丁醛(PVB)胶片干法加工合成的夹
层玻璃。
点支承玻璃幕墙夹层玻璃的夹层胶片(PVB)厚度不应小于
0.76mm。
5、钢化玻璃表面不得有损伤;8.0mm以下的钢化玻璃应进行引爆处理。
6、有幕墙玻璃均应进行边缘处理。
检验方法:观察;尺量检查;检查施工记录。
9.2.5 玻璃幕墙与主体结构连接的各种预埋件、连接件、紧固件必须安装牢
固,其数量、规格、位置、连接方法和防腐处理应符合设计要求。
检验方法:观察;检查隐蔽工程验收记录和施工记录。
9.2.6 各种连接件、紧固件的螺栓应有防松动措施;焊接连接应符合设计要求
和焊接规范的规定。
检验方法:观察;检查隐蔽工程验收记录和施工记录。
9.2.7 隐框或半隐框玻璃幕墙,每块玻璃下端应设置两个铝合金或不锈钢托
条,其长度不应小于100mm,厚度不应小于2mm,托条外端应低于玻璃外表面2mm。
检验方法:观察;检查施工记录。
9.2.9 高度超过4m的全玻幕墙应吊挂在主体结构上,吊夹具应符合设计要
求,玻璃与玻璃、玻璃与玻璃肋之间的缝隙,应采用硅酮结构密封胶填
嵌严密。
检验方法:观察;检查隐蔽工程验收记录和施工记录。
9.2.10 点支承玻璃幕墙应采用带万向头的活动不锈钢爪,其钢爪间的中心距离应大于250mm。
检验方法:观察;尺量检查。
9.2.11玻璃幕墙四周、玻璃幕墙内表面与主体结构之间的连接节点、各种变形
缝、墙角的连接节点应符合设计要求和技术标准的规定。
检验方法:观察;检查隐蔽工程验收记录和施工记录。
9.2.12 玻璃幕墙应无渗漏。
检验方法:在易渗漏部位进行淋水检查。
9.2.13玻璃幕墙结构胶和密封胶的打注应饱满、密实、连续、均匀、无气泡,
宽度和厚度应符合设计要求和技术标准的规定。
检验方法:观察;尺量检查;检查施工记录。
9.2.14 玻璃幕墙开启窗的配件应齐全,安装应牢固,安装位置和开启方向、角度应正确;开启应灵活,
关闭应严密。
检验方法:观察;手扳检查;开启和关闭检查。
9.2.15 玻璃幕墙的防雷装置必须与主体结构的防雷装置可靠连接。
检验方法:观察;检查隐蔽工程验收记录和施工记录。
(GB50210-2001)表
30701□□□(2)说明一般项目
9.2.16 玻璃幕墙表面应平整、洁净;整幅玻璃的色泽应均匀一致;不得有污染和镀膜损坏。
检验方法:观察。
9.2.17 每平方米玻璃的表面质量和检验方法应符合表的规定。
每平方米玻璃的表面质量和检验方法表9.2.17
9.2.18 一个分格铝合金型材的表面质量和检验方法应符合表的规定。
一个分格铝合金型材的表面质量和检验方法表9.2.18
[9.2.20 玻璃幕墙的密封胶缝应横平竖直、深浅一致、宽窄均匀、光滑顺直。
检验方法:观察;手扳检查。
9.2.21 防火、保温材料填充应饱满、均匀,表面应密实、平整。
检验方法:检查隐蔽工程验收记录。
9.2.22 玻璃幕墙隐蔽节点的遮封装修应牢固、整齐、美观。
检验方法:观察;手扳检查。
9.2.24 隐框、半隐框玻璃幕墙安装的允许偏差和检验方法应符合表的规定。
隐框、半隐框玻璃幕墙安装的允许偏差和检验方法表9.2.24
注:本表由施工项目专业质量检查员填写,专业监理工程师(建设单位项目专业技术负责人)组织项目专业质量(技术)负责人等进行验收。