施2015-20a原材料、试块、试件见证取样送检委托书
- 格式:xls
- 大小:21.50 KB
- 文档页数:1
原材料试件送检委托书模板尊敬的检测机构:兹有我单位(以下简称“委托方”)因工程需要,现委托贵检测机构(以下简称“受托方”)对我单位所提供的原材料试件进行质量检测。
为明确双方的权利和义务,特制定本委托书如下:一、委托方信息单位名称:_____________________地址:_________________________联系人:_______________________联系电话:_____________________电子邮箱:_____________________二、受托方信息单位名称:_____________________地址:_________________________联系人:_______________________联系电话:_____________________电子邮箱:_____________________三、委托检测项目1. 原材料名称:_________________2. 检测项目:___________________3. 检测标准:___________________4. 检测数量:___________________5. 检测目的:___________________6. 其他要求:___________________(如有)四、送检材料1. 送检材料名称:_______________2. 规格型号:__________________3. 生产批次:___________________4. 送检数量:___________________5. 送检时间:___________________6. 送检方式:___________________7. 送检材料的包装和标识应符合相关标准和规定。
五、检测费用及支付方式1. 检测费用:___________________2. 支付方式:___________________3. 支付时间:___________________4. 其他费用:___________________5. 发票开具:___________________(如需开具发票,请注明发票类型及相关信息)六、检测报告1. 报告形式:___________________2. 报告内容:___________________3. 报告出具时间:_______________4. 报告领取方式:_______________5. 报告的保密性:_______________6. 报告的法律效力:______________七、双方权利与义务1. 委托方负责提供符合检测要求的原材料试件,并确保所提供材料的真实性和合法性。
见证检测授权委托书尊敬的XXX检测机构:我单位(或个人)因业务需要,特此授权委托贵机构对我单位(或个人)的XXX项目进行检测。
现将有关事宜明确如下:一、授权范围1. 我单位(或个人)授权贵机构对XXX项目进行全面检测,包括但不限于材料检测、结构检测、环境检测等。
2. 授权贵机构在检测过程中,有权采取必要的取样、试验、分析、检测等措施,以确保检测结果的真实、准确和公正。
3. 授权贵机构在检测过程中,有权要求我单位(或个人)提供必要的资料、文件和技术支持,以确保检测工作的顺利进行。
二、检测内容1. 检测项目:根据我国相关法规、标准和规范,对XXX项目进行全面检测,包括但不限于材料性能、结构安全、环境质量等方面。
2. 检测标准:严格按照国家、行业和地方的相关法规、标准和规范进行检测,确保检测结果具有权威性和可靠性。
3. 检测报告:贵机构应向我单位(或个人)提供书面检测报告,报告应包含检测项目、检测方法、检测结果、结论等内容。
三、检测费用1. 检测费用:根据贵机构提供的检测报价单,我单位(或个人)将按时支付检测费用。
2. 费用支付:检测费用为人民币XX元整,我单位(或个人)将以转账方式支付至贵机构指定的银行账户。
四、保密条款1. 贵机构在检测过程中所获取的我单位(或个人)的技术秘密、商业秘密和其他敏感信息,应予以严格保密。
2. 贵机构不得将检测过程中获取的任何信息透露给第三方,除非法律法规另有规定。
五、其他事项1. 检测周期:贵机构应在我单位(或个人)要求的时间内完成检测工作,并出具检测报告。
2. 争议解决:如在检测过程中出现争议,双方应友好协商解决;如协商无果,可提交相关仲裁机构仲裁。
3. 法律效力:本授权委托书自双方签字盖章之日起生效,有效期为一年。
特此授权委托!授权单位(或个人):________________单位地址:________________联系人:________________联系电话:________________授权日期:________________受托单位:________________单位地址:________________联系人:________________联系电话:________________受托单位(或个人)签收:________________见证检测授权委托书范本(2)授权单位(或个人):________________地址:________________联系人:________________联系电话:________________授权日期:________________一、授权范围:1. 授权贵机构对授权单位(或个人)的XXX项目进行相关检测工作。
见证取样送检委托书范本砼委托单位:×××工程有限公司工程名称:×××砼结构工程见证单位:×××监理有限公司见证人:×××取样人:×××一、委托事项根据《建设工程质量检测管理规范》和《建设工程质量检测规定》的要求,特委托贵单位对我校×××教学楼砼结构工程进行见证取样送检。
具体委托事项如下:1. 对工程所用砼原材料(水泥、砂、石子、外加剂等)进行见证取样送检;2. 对工程所涉及砼试块、试件进行见证取样送检;3. 对工程所用砼施工工艺和施工质量进行监督和检查。
二、取样要求1. 取样应按照《建设工程质量检测管理规范》和《建设工程质量检测规定》的要求进行,确保取样的代表性和真实性;2. 取样人应具备相应的专业技术资格,并对取样的真实性和代表性负责;3. 取样过程中,见证人应全程参与,对取样过程进行监督,确保取样的公正、客观、科学;4. 取样人应在取样后及时将样品送至贵单位,并由贵单位负责将样品送检。
三、送检要求1. 贵单位应按照《建设工程质量检测管理规范》和《建设工程质量检测规定》的要求,对取样后的样品进行送检;2. 送检时,应填写完整的送检单,并注明委托单位、工程名称、取样人、见证人等信息;3. 贵单位应对送检样品进行妥善保管,确保样品的完整性和真实性;4. 贵单位应将检测报告及时送达委托单位,并对其内容的真实性和准确性负责。
四、质量要求1. 委托单位应按照《建设工程质量检测管理规范》和《建设工程质量检测规定》的要求,对工程所用原材料、砼试块、试件进行检测;2. 委托单位应对检测结果的真实性和准确性负责,并对检测过程中发现的问题及时通知施工单位进行整改;3. 委托单位应定期对工程质量进行监督检查,确保工程质量符合设计和规范要求。
见证取样送检委托书见证取样送检委托书是一种重要的法律文档,主要用于确认某一物品的质量或构成,并在必要时提供法律证据。
它通常由客户或委托人发送给一家第三方检验机构或服务提供商,以确认物品是否符合特定的质量标准或法律规定。
本文将介绍见证取样送检委托书的重要性、建议的格式和内容,以及它与其他相关法律文档的区别。
首先,见证取样送检委托书非常重要,因为它可以为客户提供法律保护,并确保所购买的物品符合要求。
如果客户发现所购买的产品质量不符合或不合法,他们可以使用这份委托书来提供证据,并获得相应的赔偿或修理。
此外,他们还可以使用委托书来保护自己不受欺诈或诈骗。
接下来,建议见证取样送检委托书应使用正式的商务格式和正确的条款和条文,以确保双方的权益得到保障。
在委托书上,应确保明确的描述涉及的产品或样品,包括产品名称、规格、制造商、批次号和数量。
此外,还应包括检验的目的和标准,以及检验所需要的所有细节和步骤。
为了避免误解或争议,建议在委托书中明确说明检验的时间和地点,并要求检验机构在完成检验后提供正式的报告。
在见证取样送检委托书的内容中,应当涵盖检验机构或服务提供商的责任和义务。
检验机构必须确保其工作的完整性和独立性,并保持检验过程的公正和透明。
客户应该被授权先前提供样品,并允许在检验过程中出席或指派代表出席。
除了检测结果外,检验报告还应包括生产或供应商的符合性,以及任何可用的证明文件。
如果产品不符合要求或有缺陷,检验机构应立即通知客户,并提供建议的解决方案。
最后,要注意与其他文件的区别,例如合同或条款和条件。
合同和条款和条件通常涉及产品的交付和支付条款,而见证取样送检委托书主要涉及产品或样品的质量和型号检查。
所有文件都应澄清双方的权益和义务,避免误解或争议。
综上所述,见证取样送检委托书是一份非常重要的商业文件,对于确认产品的质量和完整性至关重要。
使用正确的格式和内容将有助于确保检验过程和结果的透明度和公正性,并保护客户权益。
工程材料见证委托书范本一、前言为了确保工程质量,规范工程建设过程中的材料检验行为,根据《建设工程质量管理条例》和相关法律法规,特制定本见证委托书。
本委托书是建设单位(或监理单位)对施工单位在工程建设过程中材料取样、送检行为的委托证明,具有法律效力。
二、工程概况1. 工程名称:____________________2. 工程地址:____________________3. 建设单位:____________________4. 监理单位:____________________5. 施工单位:____________________6. 工程规模:____________________7. 工程总投资:__________________8. 工程开工日期:________________9. 工程竣工日期:________________三、见证取样送检人员授权委托1. 建设单位(或监理单位)授权见证人员:(1)姓名:____________________(2)本人签名:________________(3)上岗证号:________________(4)联系电话:________________2. 施工单位授权取样人员:(1)姓名:____________________(2)本人签名:________________(3)上岗证号:________________(4)联系电话:________________四、材料见证取样送检范围1. 水泥:____________________2. 沙子:____________________3. 石头:____________________4. 钢筋:____________________5. 混凝土:__________________6. 砂浆:____________________7. 木材:____________________8. 防水材料:________________9. 保温材料:________________10. 其他材料:________________五、见证取样送检流程1. 施工单位取样人员按照取样标准和方法,对工程所需材料进行取样。
4.方茴说:"可能人总有点什么事,是想忘也忘不了的。
"
5.方茴说:"那时候我们不说爱,爱是多么遥远、多么沉重的字眼啊。
我们只说喜欢,就算喜欢也是偷
偷摸摸的。
"
6.方茴说:"我觉得之所以说相见不如怀念,是因为相见只能让人在现实面前无奈地哀悼伤痛,而怀念
却可以把已经注定的谎言变成童话。
"
见证取样送检人员授权委托书
1."噢,居然有土龙肉,给我一块!"
2.老人们都笑了,自巨石上起身。
而那些身材健壮如虎的成年人则是一阵笑骂,数落着自己的孩子,拎着骨棒与阔剑也快步向自家中走去。
4.方茴说:"可能人总有点什么事,是想忘也忘不了的。
"
5.方茴说:"那时候我们不说爱,爱是多么遥远、多么沉重的字眼啊。
我们只说喜欢,就算喜欢也是偷
偷摸摸的。
"
6.方茴说:"我觉得之所以说相见不如怀念,是因为相见只能让人在现实面前无奈地哀悼伤痛,而怀念
却可以把已经注定的谎言变成童话。
"
1."噢,居然有土龙肉,给我一块!"
2.老人们都笑了,自巨石上起身。
而那些身材健壮如虎的成年人则是一阵笑骂,数落着自己的孩子,拎着骨棒与阔剑也快步向自家中走去。
见证/取样人员授权委托书
(建设工程质量监督站):
(检测机构):
我单位决定委托下列人员担任工程项目见证取样送检的见证/取样人员:
见证/取样单位地址:邮编:
见证/取样单位法定代表人姓名:联系电话:
见证/取样员单位公章
年月日
取样人员授权委托书
(建设工程质量监督站):
(检测机构):
我单位决定委托下列人员担任工程项目见证取样送检的见证/取样人员:
见证/取样单位地址:邮编:
见证/取样单位法定代表人姓名:联系电话:
取样单位公章
年月日
欢迎您的下载,
资料仅供参考!
致力为企业和个人提供合同协议,策划案计划书,学习资料等等
打造全网一站式需求。
尊敬的[检验机构名称]:我方[甲方名称],为[工程名称]项目(以下简称“本项目”)的建设单位,根据国家有关法律法规和工程建设的实际情况,特向贵机构申请进行见证送检。
为确保检验工作的公正、公平、公开,现授权[见证人姓名]作为本项目的见证人,具体授权内容如下:一、授权范围1. [见证人姓名]作为本项目的见证人,有权对项目中的原材料、半成品、成品等进行见证取样。
2. [见证人姓名]有权对检验机构的工作进行监督,确保检验工作的规范性和准确性。
3. [见证人姓名]有权在检验过程中提出意见和建议,以保证检验结果的客观公正。
二、授权期限本授权书自签订之日起生效,至[授权期限]止。
在授权期限内,[见证人姓名]有权行使本授权书规定的权利。
三、见证人职责1. [见证人姓名]应遵守国家法律法规和检验机构的规定,认真履行见证职责。
2. [见证人姓名]应保证见证取样的真实性和代表性,不得伪造、篡改取样过程和结果。
3. [见证人姓名]应积极配合检验机构的工作,按时参加检验活动。
4. [见证人姓名]应保守检验机构的商业秘密和项目技术秘密。
四、责任与义务1. [甲方名称]对[见证人姓名]的见证行为承担法律责任。
2. [见证人姓名]应保证其见证行为符合国家法律法规和检验机构的规定,如因[见证人姓名]的过错导致检验结果不准确,[甲方名称]将依法追究[见证人姓名]的法律责任。
3. [甲方名称]对[见证人姓名]在履行见证职责过程中的人身安全负责。
五、其他事项1. 本授权书一式两份,[甲方名称]和[检验机构名称]各执一份。
2. 本授权书未尽事宜,双方可另行协商解决。
特此授权。
授权单位:[甲方名称]授权日期:[授权日期]见证人姓名:[见证人姓名]联系电话:[见证人联系电话]身份证号码:[见证人身份证号码]单位地址:[见证人单位地址]邮政编码:[见证人单位邮政编码]附件:见证人身份证复印件。
见证取样单位授权委托书
尊敬的________先生/女士:
我代表我单位________(单位名称),特此授权您作为我单位的见证取样代表,对我单位在________项目(项目名称)中的取样工作进行监督和见证。
我单位在此明确指出,您作为见证取样代表,拥有我单位在________项目(项目名称)中取样环节的完全授权。
您将负责对取样过程进行监督,确保取样过程的公正性、客观性和准确性。
您将有权对取样现场进行实地查看,对取样人员进行询问,并要求其提供相关证件和取样依据。
您将有权对取样结果进行审核,并对我单位的取样工作进行评价和建议。
您将负责向我单位提供取样过程的详细报告,并对取样结果的公正性和准确性负责。
在此,我单位郑重承诺,我们将严格按照相关法律法规和标准的要求,进行取样工作。
我们将保证取样过程的公正性、客观性和准确性,并提供一切必要的配合和支持。
同时,我们也期待您的专业监督和建议,以进一步提高我单位的取样工作质量。
授权期限为自签署之日起至________项目(项目名称)取样工作结束之日止。
特此证明,以兹信守。
单位名称:________
单位地址:________
联系人:________
联系电话:________
授权日期:________
注:本授权委托书仅为示例,具体内容需根据实际情况进行修改和完善。
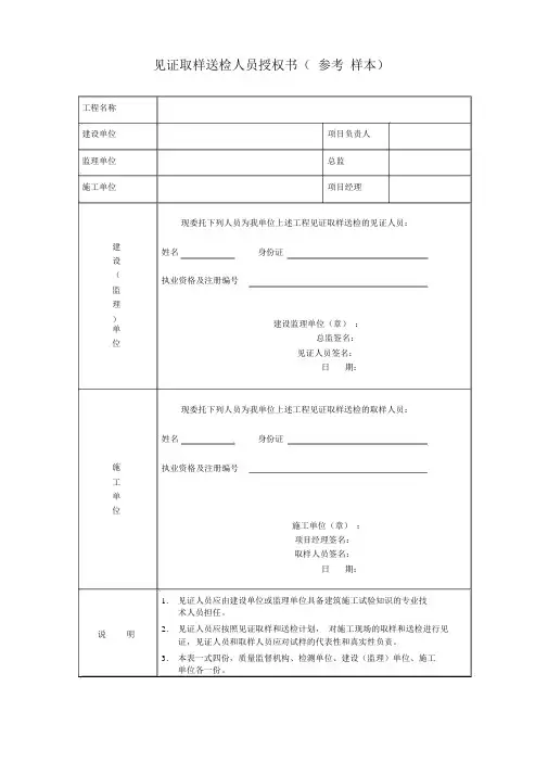
见证取样送检人员授权书(参考样本)工程名称
建设单位
监理单位
施工单位
建
设
(
监
理
)
单
位
施
工
单
位
说明
项目负责人
总监
项目经理
现委托下列人员为我单位上述工程见证取样送检的见证人员:
姓名身份证
执业资格及注册编号
建设监理单位(章):
总监签名:
见证人员签名:
日期:
现委托下列人员为我单位上述工程见证取样送检的取样人员:
姓名身份证
执业资格及注册编号
施工单位(章):
项目经理签名:
取样人员签名:
日期:
1.见证人员应由建设单位或监理单位具备建筑施工试验知识的专业技
术人员担任。
2.见证人员应按照见证取样和送检计划,对施工现场的取样和送检进行见
证,见证人员和取样人员应对试样的代表性和真实性负责。
3.本表一式四份,质量监督机构、检测单位、建设(监理)单位、施工
单位各一份。
4.。
见证/取样人员授权委托书
(建设工程质量监督站):
(检测机构):
我单位决定委托下列人员担任工程项目见证取样送检的见证/取样人员:
见证/取样单位地址:邮编:
见证/取样单位法定代表人姓名:联系电话:
见证/取样员单位公章
年月日
取样人员授权委托书
(建设工程质量监督站):
(检测机构):
我单位决定委托下列人员担任工程项目见证取样送检的见证/取样人员:
见证/取样单位地址:邮编:
见证/取样单位法定代表人姓名:联系电话:
取样单位公章
年月日
欢迎您的下载,
资料仅供参考!
致力为企业和个人提供合同协议,策划案计划书,学习资料等等
打造全网一站式需求。
建材取样见证授权委托书授权方(委托人):_______地址:_______法定代表人:_______联系电话:_______受托方(见证人):_______地址:_______法定代表人:_______联系电话:_______鉴于委托人在建材采购过程中需要进行取样检测,为确保取样过程的公正性、客观性和真实性,现委托受托方作为见证人,对取样过程进行监督和记录。
根据《中华人民共和国合同法》等相关法律法规的规定,双方本着平等、自愿、公正、诚信的原则,经友好协商,达成如下授权委托事项:一、授权事项1. 委托人授权受托方作为见证人,在建材取样过程中进行监督和记录;2. 受托方应当按照相关法律法规和行业标准,对取样过程进行严格的监督和记录,确保取样结果的客观性和真实性;3. 受托方应当在取样完成后,向委托人提供详细的取样记录报告,并对取样结果的准确性负责。
二、受托方义务1. 受托方应当在接到委托人的通知后,及时安排见证人员前往取样现场;2. 见证人员应当具备相关的专业知识和实践经验,能够熟练掌握取样技术和操作规范;3. 见证人员应当对取样过程进行全程监督和记录,确保取样过程符合相关规定;4. 见证人员应当对取样结果进行认真核对和分析,并在取样记录报告中准确反映取样情况。
三、保密条款双方同意对本次取样过程中的所有信息予以保密,未经对方书面同意,不得向任何第三方透露或泄露。
四、争议解决如双方在执行本授权委托书过程中发生争议,应首先通过友好协商解决;协商不成的,可以向有管辖权的人民法院提起诉讼。
五、其他事项1. 本授权委托书一式两份,双方各执一份,具有同等法律效力;2. 本授权委托书自双方签字(或盖章)之日起生效,有效期至取样完成并出具取样记录报告为止;3. 本授权委托书未尽事宜,可由双方另行协商补充。
授权方(委托人):_______日期:XXXX年XX月XX日受托方(见证人):_______日期:XXXX年XX月XX日注:本委托书仅作为建材取样见证的授权依据,不涉及其他法律关系的确认或调整。
第1篇委托单位(以下简称“委托方”):地址:____________________联系人:____________________联系电话:____________________一、委托事项1. 委托方因(具体事项,如:产品质量检验、工程材料检测、环境监测等)需要,特委托【受托方名称】(以下简称“受托方”)对以下样品进行检测。
2. 检测样品信息如下:(1)样品名称:____________________(2)样品编号:____________________(3)样品规格:____________________(4)样品数量:____________________(5)样品来源:____________________(6)样品生产日期:____________________(7)样品保存条件:____________________二、检测要求1. 受托方应严格按照国家相关法律法规、标准及委托方的要求,对样品进行检测。
2. 检测过程中,受托方应保证检测数据的真实、准确、完整。
3. 检测报告应包括以下内容:(1)检测依据:国家标准、行业标准、企业标准等。
(2)检测项目:____________________(3)检测方法:____________________(4)检测仪器:____________________(5)检测人员:____________________(6)检测日期:____________________(7)检测结果:____________________(8)检测结论:____________________三、费用及支付方式1. 检测费用:人民币【大写】【金额】元整。
2. 支付方式:委托方应在收到受托方出具的检测报告后【天数】日内支付检测费用。
3. 付款方式:银行转账或现金支付。
四、样品处理1. 检测结束后,受托方应将剩余样品退回委托方,或根据委托方的要求进行处理。
见证取样人员委托书模板见证取样人员委托书模板(一)见证取样人员委托书委托单位(甲方):[甲方单位全称]受托单位(乙方):[乙方检测机构全称]工程名称:[具体工程名称]工程地点:[工程详细地址]委托日期:[具体日期,如20XX年XX月XX日]鉴于甲方负责施工的[具体工程名称]项目已进入关键阶段,为确保工程材料的质量符合相关标准和设计要求,根据《建设工程质量检测管理办法》及地方相关法规,甲方特委托乙方进行工程材料的见证取样检测工作。
现就具体事宜达成如下协议:一、委托内容1.检测范围:本委托书所涵盖的检测范围包括但不限于混凝土试块、砂浆试块、钢材、水泥、防水材料等各类需见证取样检测的材料。
2.取样及送检要求:取样工作由甲方指定的取样员负责,乙方派遣见证员进行现场见证。
取样员和见证员需具备相应资质,并在取样过程中严格遵守国家及地方的相关标准和规范。
二、双方责任与义务1、甲方责任与义务:提供信息:甲方应向乙方提供详细的工程项目设计任务书、施工图纸及材料清单,明确检测项目的具体要求和标准。
组织取样:甲方负责按照工程进度和施工组织设计,组织取样员按规范进行取样,并确保样品的真实性和代表性。
现场配合:甲方应协调好施工现场,为乙方的见证工作提供必要的便利条件。
2、乙方责任与义务:资质保证:乙方应确保具备相应的检测资质,并通过计量认证,保证检测结果的准确性和公正性。
见证取样:乙方派遣的见证员需具备相应资格,对取样过程进行全程见证,并填写见证记录。
及时检测:乙方收到样品后,应在约定时间内完成检测工作,并出具具有法律效力的检测报告。
三、检测费用与支付方式1.检测费用:根据双方协商确定的检测项目及收费标准,甲方应向乙方支付相应的检测费用。
具体费用明细及支付方式见附件。
2.支付方式:甲方应在检测报告出具前,按照约定方式向乙方支付全部检测费用。
四、违约责任1.如任何一方违反本委托书约定,应承担相应的违约责任,并赔偿对方因此遭受的损失。
施2015-20 原材料、试块、试件见证取样送检委托单(同养) 工程名称:永定城区大桥路澧水大桥重建工程抗震等级:丙类2015 年月日编号:注:1、本委托书一式三份,监理(建设)、施工、检测各一份;2、施工单位应将本委托及其检测试验报告一并归档;3、见证人签名处应加盖见证单位章。
施2015-20 原材料、试块、试件见证取样送检委托单(同养) 工程名称:永定城区大桥路澧水大桥重建工程抗震等级:丙类2015 年月日编号:注:1、本委托书一式三份,监理(建设)、施工、检测各一份;2、施工单位应将本委托及其检测试验报告一并归档;3、见证人签名处应加盖见证单位章。
施2015-20 原材料、试块、试件见证取样送检委托单(同养) 工程名称:永定城区大桥路澧水大桥重建工程抗震等级:丙类2015 年月日编号:注:1、本委托书一式三份,监理(建设)、施工、检测各一份;2、施工单位应将本委托及其检测试验报告一并归档;3、见证人签名处应加盖见证单位章。
施2015-20 原材料、试块、试件见证取样送检委托单(同养) 工程名称:永定城区大桥路澧水大桥重建工程抗震等级:丙类2015 年月日编号:注:1、本委托书一式三份,监理(建设)、施工、检测各一份;2、施工单位应将本委托及其检测试验报告一并归档;3、见证人签名处应加盖见证单位章。
施2015-20 原材料、试块、试件见证取样送检委托单(同养) 工程名称:永定城区大桥路澧水大桥重建工程抗震等级:丙类2015 年月日编号:注:1、本委托书一式三份,监理(建设)、施工、检测各一份;2、施工单位应将本委托及其检测试验报告一并归档;3、见证人签名处应加盖见证单位章。
施2015-20 原材料、试块、试件见证取样送检委托单(同养) 工程名称:永定城区大桥路澧水大桥重建工程抗震等级:丙类2015 年月日编号:注:1、本委托书一式三份,监理(建设)、施工、检测各一份;2、施工单位应将本委托及其检测试验报告一并归档;3、见证人签名处应加盖见证单位章。
取样送检委托书甲方):_____________________地址:______________________________联系人:___________________________电话:______________________________传真:______________________________邮箱:______________________________受托方(乙方):_____________________地址:______________________________联系人:___________________________电话:______________________________传真:______________________________邮箱:______________________________鉴于甲方需要对特定产品或材料进行质量检验,特此委托乙方进行取样及送检工作。
双方根据平等互利的原则,经协商一致,订立本委托书。
一、委托内容1. 甲方委托乙方对甲方指定的产品或材料进行取样。
2. 乙方负责将取得的样品送至甲方指定的检验机构进行检验。
3. 乙方应保证样品的真实性、代表性,并确保取样过程符合相关标准和规定。
二、委托范围1. 取样地点:_______________________2. 取样数量:_______________________3. 取样时间:_______________________4. 送检机构:_______________________三、委托期限本委托书自签订之日起生效,有效期至样品检验结果出具之日止。
四、费用及支付方式1. 取样及送检费用总计为:____________2. 支付方式:________________________3. 支付时间:_______________________五、双方权利与义务1. 甲方应提供必要的信息和资料,确保乙方顺利进行取样工作。