高清视频会议系统巡检报告精版
- 格式:doc
- 大小:117.00 KB
- 文档页数:10
一巡检基本信息表
二项目组织架构
三运行环境检查
四巡检记录
1设备巡检确认单
正常异常
正常异常
正常异常
正常异常
正常异常
正常异常
正常异常
正常异常
正常异常
正常异常
正常异常
正常异常
正常异常
正常异常
正常异常
正常异常
正常异常
正常异常
正常异常
正常异常
正常异常
正常异常
正常异常
正常异常
正常异常
正常异常
正常异常
正常异常
2会议功能检测
是否
是否
是否
3设备功能检查
正常异常
正常异常
正常异常
正常异常
正常异常
正常异常
正常异常正常异常正常异常正常异常
正常异常正常异常
正常异常正常异常
正常异常正常异常
正常异常正常异常正常异常正常异常正常异常
正常异常正常异常
正常异常
正常异常
正常异常
正常异常
正常异常
正常异常
正常异常
正常异常
正常异常4巡检故障汇总
5巡检遗留问题汇总
五系统优化及安全建议
六巡检总结
七满意度及建议
尊敬的用户,本次服务已经完成,未处理完成的故障待备件/配件准备后,将及时修复。
请您对本次服务进行评价,您的意见对我们非常重要,
谢谢您的合作。
您对本次服务:
很满意满意一般不满意很不满意。
视频会议系统巡检记录报告一、背景介绍视频会议系统作为企业沟通协作的重要工具,对于企业的运营和效率提升起着关键作用。
为了保障视频会议的顺利进行,保证系统的稳定性和安全性,定期进行巡检是必要的。
本报告将对最近一次巡检的情况进行详细记录和总结。
二、巡检情况1.系统硬件设备巡检:对视频会议系统的服务器、摄像头、麦克风、音响等硬件设备进行了全面巡检,包括检查设备的运行状态、硬件连接是否正常以及设备是否存在故障现象。
2.网络连接巡检:对视频会议系统所依赖的网络进行了检查。
首先测试了服务器的网络连接,确保服务器能够正常访问互联网。
同时,检查了视频流传输的带宽情况,确认网络带宽能满足视频会议的需求。
此外,还检查了视频会议系统与其他设备的连接,包括触摸屏、电视、投影仪等设备的网络连接是否正常。
3.软件系统巡检:对视频会议系统的软件进行了全面巡检。
首先,检查操作系统的版本和更新情况,确保操作系统的安全稳定。
其次,检查视频会议软件的升级情况,保证系统使用的是最新版本的视频会议软件,以提供更好的用户体验和功能支持。
最后,检查系统的配置和参数设置,确保符合公司的要求和需求。
4.安全性巡检:对视频会议系统的安全性进行了检查。
首先,检查系统的用户权限设置,以确保只有授权的用户能够访问系统。
其次,检查系统的防火墙和安全设置,保证系统能够抵御网络攻击和恶意软件的侵入。
最后,对系统的日志进行了审核,及时发现和处理安全事件。
5.功能测试巡检:对视频会议系统的各项功能进行了测试。
测试包括视频会议的呼叫、接听、共享、录制等功能,以及系统的音视频质量和稳定性。
同时,还测试了系统与其他办公设备的兼容性和互通性,以确保各设备能够正常连接和协作。
三、结果分析对视频会议系统的巡检显示,系统硬件设备状态正常,网络连接稳定,软件系统配置正确,安全性得到了保障,各项功能正常运行。
系统整体的稳定性和可靠性良好。
然而在巡检过程中,发现了一些问题,需要进一步处理和优化。
引言概述:视频会议系统是一种通过互联网连接远程参与者并实现高清视频与音频通信的技术。
它在商业和教育领域得到广泛应用,可以帮助企业提高协作效率,降低沟通成本。
本报告是对视频会议系统的调研结果的进一步分析和总结。
通过对市场上不同系统的功能、性能、稳定性、安全性等方面的考虑,以及对用户的需求和反馈进行综合评估,旨在为企业和组织选择合适的视频会议系统提供参考。
正文内容:一、系统功能1. 支持多方视频通话:系统应具备同时支持多方视频通话的能力,能够连接和管理多个参与者,确保会议的顺利进行。
2. 屏幕共享和远程控制:用户能够通过系统共享自己的屏幕内容,并进行远程控制,提高会议的互动性和效果。
4. 录制和回放功能:系统应具备录制会议内容并进行回放的功能,便于参会者在后续回顾会议内容或与未能参会的人员分享会议记录。
5. 多种会议模式:系统应支持不同的会议模式,例如会议、教育、培训等,以满足用户的各种需求。
二、系统性能1. 视频和音频质量:系统应具备高清视频和音频的传输能力,确保与会者之间的通信质量。
2. 带宽要求:系统应对网络带宽要求较低,能够在较低带宽环境下依然保持稳定的通信连接。
3. 系统延迟:系统的延迟应尽量降低,以确保与会者之间的实时交流,避免视频和音频不同步的问题。
4. 系统稳定性:系统应具备较高的稳定性,不易出现故障和崩溃,能够长时间运行并保持良好的性能。
5. 平台兼容性:系统应支持跨平台的使用,能够在不同的操作系统和设备上运行,方便用户的接入和使用。
三、系统安全性1. 数据加密:系统应具备对传输的数据进行加密的能力,确保会议内容的安全和保密。
2. 用户认证:系统应提供用户认证功能,确保只有合法的用户才能参与会议,防止非法侵入和信息泄露。
3. 网络防火墙:系统应具备网络防火墙功能,能够阻止未经授权的访问和攻击,保护系统和用户信息的安全。
4. 安全审计和监控:系统应具备安全审计和监控功能,能够记录会议过程中的操作和行为,定期检查和分析会议的安全性。
视频监控巡查情况汇报
一、监控点巡查情况。
1. A区域监控点,经过本月的巡查发现,A区域监控点的设备运行正常,画面
清晰,无故障记录。
巡查人员按时到岗,认真履行巡查任务,未发现漏巡情况。
2. B区域监控点,B区域监控点设备运行正常,但在巡查过程中发现有一处死
角画面模糊,需要及时调整监控角度。
巡查人员在巡查过程中存在一次漏巡情况,已对相关人员进行了警告和督促。
3. C区域监控点,C区域监控点设备正常运行,画面清晰,无死角。
巡查人员
认真履行巡查任务,未发现任何漏巡情况。
二、巡查情况分析。
根据以上监控点的巡查情况汇报,我们可以看出大部分监控点设备运行正常,
画面清晰,但仍然存在一些细节问题需要及时调整和解决。
同时,巡查人员在履行巡查任务中也存在个别漏巡情况,需要进一步加强对巡查人员的培训和管理。
三、下一步工作计划。
1. 对B区域监控点的死角画面模糊问题进行及时调整,确保监控画面清晰完整。
2. 对巡查人员进行再次培训,强调巡查任务的重要性和严谨性,避免漏巡情况
的发生。
3. 继续加强对监控设备的定期维护和保养工作,确保设备长期稳定运行。
四、结语。
通过本次视频监控巡查情况的汇报,我们对各监控点的运行情况有了清晰的了解,并制定了下一步的工作计划。
希望各部门能够密切配合,共同努力,确保视频监控系统的正常运行,为公司的安全稳定提供有力保障。
以上就是本次视频监控巡查情况的汇报,请相关部门领导和同事们认真阅读并落实相关工作。
感谢大家的配合和努力!。
高清视频会议系统巡检报告XXXX信息技术有限公司XXXX年X月XXXXX公司应急指挥中心维保巡检报告目录一巡检基本信息表................................................................................................. (3)二项目组织架构................................................................................................. . (3)三运行环境检查................................................................................................. . (3)四巡检记录................................................................................................. (4)1 设备巡检确认单................................................................................................. (4)2 会议功能检测................................................................................................. . (5)3 设备功能检查................................................................................................. . (6)4 巡检故障汇总................................................................................................. . (8)5 巡检遗留问题汇总................................................................................................. .. (9)五系统优化及安全建议................................................................................................. . (9)六巡检总结................................................................................................. (9)七满意度及建议................................................................................................. .. (10)第二版2XXXXX公司应急指挥中心维保巡检报告一巡检基本信息表二项目组织架构三运行环境检查第二版3XXXXX公司应急指挥中心维保巡检报告四巡检记录1 设备巡检确认单第二版4XXXXX公司应急指挥中心维保巡检报告2 会议功能检测第二版5XXXXX公司应急指挥中心维保巡检报告3 设备功能检查6 第二版XXXXX公司应急指挥中心维保巡检报告第二版7XXXXX公司应急指挥中心维保巡检报告4 巡检故障汇总第二版8XXXXX公司应急指挥中心维保巡检报告5 巡检遗留问题汇总五系统优化及安全建议六巡检总结第二版9XXXXX公司应急指挥中心维保巡检报告七满意度及建议第二版10第二篇:高清视频会议系统的实现论文2800字高清视频会议系统的实现摘要:本文针对目前要求高清图像显示系统的会议室进行分析,探讨高清显示的实现过程。
视频会议系统调研报告根据对视频会议系统的调研,以下是相关报告的主要发现和总结。
1. 需求和目标分析- 便利性:用户对于视频会议系统提出了高度便利的要求,希望能够轻松地安排和加入会议,无需复杂的设置和操作。
- 功能需求:用户需要视频会议系统具备多方通话、屏幕共享、实时聊天和文件传输等基本功能。
同时需要支持高清视频和音频传输。
- 高度安全:用户对于会议内容和隐私的保护非常重视,要求视频会议系统具备强大的加密和认证功能,以保证会议的安全性和机密性。
- 跨平台支持:用户希望能够在不同的操作系统和设备上使用视频会议系统,包括Windows、Mac、iOS和Android等。
2. 市场调研- Zoom: Zoom是目前市场上最受欢迎的视频会议系统之一,它具备强大的功能和易用性,并且支持多方视频通话和屏幕共享。
- Microsoft Teams: Microsoft Teams是一款综合性的团队协作软件,其中包含了视频会议系统,可以与其他Office 365工具进行无缝集成。
- Cisco Webex: Cisco Webex是一款功能完备的企业级视频会议系统,提供了高度安全的通信和协作功能,并支持大规模的在线会议。
- Google Meet: Google Meet是谷歌的视频会议系统,适用于个人和商业用户,拥有可靠的音视频质量和简洁直观的界面。
3. 技术比较- 视频质量:在视频会议系统中,Zoom和Webex表现最佳,它们提供了高清的视频质量和稳定的连接,适用于大规模的会议。
- 屏幕共享:Zoom和Teams对屏幕共享功能的支持最为出色,用户可以轻松地共享自己的屏幕或任何应用程序。
- 安全性:Webex和Teams具备较高的安全性,提供了端到端的加密和身份认证功能,以确保会议内容的安全和保密。
- 用户体验:Zoom和Meet在用户体验方面表现良好,它们具备直观的界面和简单的操作,适合新手和不熟悉技术的用户。
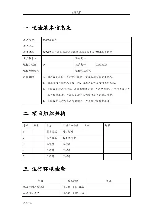
一巡检基本信息表用户名称XXXXXX公司用户地址项目名称XXXXXX公司应急指挥中心高清视频会议系统2014 年度维保用户联系人联系电话巡检工程师XX联系电话XXXXXXXX巡检开始时间巡检完成时间巡检目的1、通过设备巡检,及时发现缺陷,使设备运行在最佳状态。
2、通过对用户维护人员的培训,使用户能够更好的使用系统。
3、了解设备的运行情况、故障和维修记录,为用户维护、产品研发改进等工作提供参考。
为设备更新等工作提供历史记录和参考。
4、了解各单位对系统运行的意见,为系统升级提供参考。
二项目组织架构序号姓名职务本项目中职责电话邮箱1副总经理项目经理2技术总监技术总负责3工程师工程师4工程师工程师5工程师工程师三运行环境检查项目检查结果备注机房空调运行情况□合格□不合格机房清洁情况□合格□不合格保护地□合格□不合格供电系统□合格□不合格防静电措施□合格□不合格设备除尘线缆整理标识标签□完成□未完成□完成□未完成□完成□未完成四巡检记录1设备巡检确认单设备巡检状态序号设备名称数量检查结果备注1ZXV10 T6001正常异常2Kramer VS-88HDXL1正常异常3KramerSierraPro1616V5R-XL1正常异常4HV-9100 实物展台1正常异常5SONY BDP S485蓝光播放器1正常异常6MJ-190 高清监视器2正常异常7Sony Z3301正常异常8松下 TH-65PF30C2正常异常9声艺1正常异常10PolyCom Soundstation21正常异常11KPS-12N/D 时序电源1正常异常12DBX PRO 641M音频处理器1正常异常13ES915ML铁三角话筒6正常异常14CUE GEAR主音箱功放1正常异常15CUE GEAR吸顶音箱功放1正常异常16漫步者 R1000TC 监听音箱1正常异常17AT-MX341a自动混音器2正常异常18HK Audio E435 主音箱2正常异常19HK Audio IL60-CTC 吸顶音箱8正常异常20山特 5KVA UPS 电源1正常异常21AR2240 路由器1正常异常22S3700 华为交换机4正常异常23UPS电池电压16正常异常24CRESTRON中控主机1正常异常25Ipad 触摸屏1正常异常26液晶升降器(会议桌内)4正常异常27VGA分配器4正常异常28联想启天 M43004正常异常2会议功能检测序号项目测试方法是否满足备注1设备硬件部分试运行是否运行测试是否稳定将DVD信号能通过 RGB视频终端可将DVD信号传2矩阵切换至终端分量接是否输至其它会场口能通过中兴终端VGA输各会场 VGA 图像可传输至3出进行广播,点对点观是否其它会场看巡检工程师:日期:用户:日期:备注:3设备功能检查序号检查项目测试方法是否正常备注视频终端功能检查1运行状态设备指示灯无告警、日志无告警正常异常2视频输入HD-SDI1/2 、 YPbPr、RGB端口视频输正常异常入正常3视频输出HD-SDI、YPbPr 视频输出正常正常异常4音频输入音频输入正常正常异常5音频输出音频输出正常正常异常6会议功能可正常加入会议正常异常会议室摄像机功能检查1视频输出: HD-SDI/ 模拟视频输出正常( HD-SDI、 YPbPr)正常异常分量( YPbPr);2支持云台手动控制面板。
XXXX信息技术有限公司2016年1月目录一巡检基本信息表 (3)二项目组织架构 (3)三运行环境检查 (3)四巡检记录 (4)1 设备巡检确认单 (4)2 会议功能检测 (5)3 设备功能检查 (6)4 巡检故障汇总 (8)5 巡检遗留问题汇总 (9)五系统优化及安全建议 (9)六巡检总结 (9)七满意度及建议 (10)巡检基本信息表一项目组织架构二运行环境检查三巡检记录1 设备巡检确认单正常异常正常异常正常异常正常异常正常异常正常异常正常异常正常异常正常异常正常异常正常异常正常异常正常异常正常异常正常异常正常异常正常异常正常异常正常异常正常异常正常异常正常异常正常异常正常异常正常异常正常异常正常异常正常异常2 会议功能检测是否是否是否3 设备功能检查正常异常正常异常正常异常正常异常正常异常正常异常正常异常正常异常正常异常正常异常正常异常正常异常正常异常正常异常正常异常正常异常正常异常正常异常正常异常正常异常正常异常正常异常正常异常正常异常正常异常正常异常正常异常正常异常正常异常正常异常正常异常正常异常4 巡检故障汇总5 巡检遗留问题汇总四系统优化及安全建议五巡检总结六满意度及建议尊敬的用户,本次服务已经完成,未处理完成的故障待备件/配件准备后,将及时修复。
请您对本次服务进行评价,您的意见对我们非常重要,谢谢您的合作。
您对本次服务:很满意满意一般不满意很不满意感谢您的支持与配合,我们会努力把内容做得更好!。
视频会议验收报告
高清视频会议系统
验
收
报
告
河北正博瑞恒电子科技有限公司
1、工程项目名称
******高清视频会议系统
2、验收时间
__2012__年_ 月_日
3、验收内容
以系统运行状况的可靠性、系统性能及功能的全面性和合理性、数据采集的准确性和正确性以及文档资料是否齐全作为验收的主要内容。
4、项目目的
本项目实施后,公司内部三个会场可以相互呼叫,建立点到点的连接,或不少于三方的会议建立。
两点之间可以通过ISDN、ip方式互相视频通信,任意一点都具备内置4个点MCU,支持四方会场同时开会。
视频语音清晰、图像流畅,无图像迟缓、语音断断续续现象。
支持会场会议内容和汇报资料分屏显示,支持双流,可以传递word、execl、ppt等文件内容;支持图像内容双屏显示效果,多方通话、多方视频可以同时显示。
5、功能测试
6、移交资料(1)设备签收表
(2)各设备产品说明书、售后卡。
(3)各设备遥控器
(4)设备接线图
7、验收结论
系统运行状况稳定,系统功能与设计相符。
系统总体方案及施工设计方案合理,施工工艺优良,系统人及界面清晰、友好,操作维护简便,实时性、扩容性强,技术资料完整,经验收小组评议,通过验收,统一投入运行,进入系统维护阶段。
8、验收签字
使用方:东风模具冲压技术有限公司承建方:武汉旭京商贸有限公司代表确认:代表确认:
年月日年月日
系统测试
Polycom终端设备设备验收测试表格
测试人员(签字):
******技术有限公司:
河北正博瑞恒电子科技有限公司:
测试时间:2012年月日。