水上锤击沉桩施工方案
- 格式:docx
- 大小:17.29 KB
- 文档页数:3
一、方案背景为了确保水上工程项目的顺利进行,提高施工质量和效率,针对水面打桩施工的特点,特制定本专项施工方案。
二、施工准备1. 工程概况:了解工程地质、水文、气象等基本情况,明确工程规模、施工要求及进度安排。
2. 施工组织:成立水面打桩施工小组,明确各成员职责,确保施工过程中的协调与沟通。
3. 施工材料:根据工程需要,准备足够的打桩材料,如桩基、护筒、钢筋、混凝土等。
4. 施工设备:选用适合水面打桩的设备,如打桩船、振动打桩机、吊车、测量仪器等。
5. 施工人员:对施工人员进行专业培训,提高其技术水平,确保施工安全。
三、施工工艺1. 测量定位:根据设计图纸,使用经纬仪、全站仪等测量仪器,确定桩位,并做好标记。
2. 桩基制作:根据设计要求,制作混凝土桩基,确保桩基质量符合规范。
3. 护筒施工:在桩位处安装护筒,护筒应与桩基紧密连接,防止泥沙进入。
4. 打桩施工:(1)桩基就位:使用打桩船将桩基吊至指定位置,确保桩基垂直度符合要求。
(2)振动打桩:启动振动打桩机,使桩基在振动作用下逐渐下沉,直至达到设计深度。
(3)贯入度控制:在打桩过程中,密切关注贯入度,确保桩基贯入度符合要求。
5. 施工监控:使用经纬仪、全站仪等测量仪器,对施工过程进行实时监控,确保施工质量。
四、施工安全措施1. 施工人员必须穿戴安全帽、安全带等个人防护用品。
2. 严格按照操作规程进行施工,确保施工安全。
3. 定期对施工设备进行检查、维护,确保设备正常运行。
4. 施工现场设置安全警示标志,提醒施工人员注意安全。
5. 施工过程中,密切关注水位变化,确保施工安全。
五、施工进度安排根据工程实际情况,制定合理的施工进度计划,确保工程按期完成。
六、施工验收1. 施工完成后,对施工质量进行验收,确保符合设计要求。
2. 对施工过程中产生的资料进行整理、归档,为工程后期维护提供依据。
3. 验收合格后,将工程移交业主使用。
本专项施工方案旨在指导水面打桩施工,确保施工质量和安全。
第1篇一、工程概况本工程位于我国某沿海地区,地质条件复杂,水文地质条件较差。
工程基础采用桩基础,共计桩基数量500根,桩径为Φ600mm,桩长为20m。
由于施工区域位于水上,受潮汐、水流等自然条件影响较大,施工难度较高。
为确保工程质量和安全,特制定本施工方案。
二、施工准备1. 施工组织(1)项目经理部:负责整个工程的施工组织和管理。
(2)工程技术部:负责施工方案编制、技术交底、施工质量控制等。
(3)质量保证部:负责工程质量检查、验收及整改。
(4)安全环保部:负责施工现场安全、环保管理工作。
2. 施工设备(1)桩基施工船:用于水上桩基施工,具备起吊、打桩、运输等功能。
(2)桩锤:用于锤击桩基,选用合适的桩锤,确保桩基质量。
(3)桩基测量仪器:用于桩基定位、检测及质量控制。
(4)其他辅助设备:如挖掘机、吊车、混凝土搅拌车等。
3. 施工材料(1)桩基材料:选用优质预应力混凝土桩,符合设计要求。
(2)焊接材料:选用合适的焊接材料,确保焊接质量。
(3)防腐材料:选用合适的防腐材料,延长桩基使用寿命。
4. 施工技术文件(1)施工图纸:包括桩基设计图纸、地质勘察报告等。
(2)施工方案:包括施工工艺、施工步骤、质量控制等。
(3)施工组织设计:包括施工组织结构、施工进度计划等。
三、施工工艺1. 施工流程(1)施工准备:完成施工组织、设备、材料、技术文件的准备工作。
(2)桩基定位:根据设计图纸,使用桩基测量仪器进行桩基定位。
(3)桩基施工:采用锤击法进行桩基施工,包括桩基起吊、打桩、检测等。
(4)桩基验收:对完成的桩基进行验收,确保桩基质量。
2. 施工步骤(1)桩基定位:根据设计图纸,使用桩基测量仪器确定桩位,并设置桩位标记。
(2)桩基起吊:使用桩基施工船将预应力混凝土桩起吊至桩位。
(3)打桩:采用锤击法将桩基打入土中,确保桩基垂直度。
(4)检测:使用桩基测量仪器检测桩基垂直度、桩长等参数。
(5)桩基验收:对完成的桩基进行验收,确保桩基质量。
水上桩施工方案1. 引言水上桩是一种在水体中安装和固定桥梁、码头、船坞等结构的方法。
在水上施工中,由于受到水流、浪涌等因素的影响,桩的施工相对复杂,需要合理的施工方案来确保施工质量和安全性。
本文将介绍一种水上桩的施工方案,包括施工前准备工作、桩的类型选择、施工方法和施工安全注意事项等。
2. 施工前准备工作在进行水上桩施工之前,需要进行以下准备工作:2.1 环境调查和勘察在选择施工地点和确定桩的类型之前,需要进行环境调查和勘察工作。
通过调查水体的流速、水深、波浪情况等,了解水下地质状况和水下设施情况,以便选择合适的桩类型和施工方法。
2.2 设计施工方案根据环境调查和勘察结果,结合实际需求,制定水上桩的施工方案。
包括桩的数量、类型、尺寸等参数的确定,以及施工过程中的操作流程和安全措施的规划。
2.3 准备施工材料和设备根据设计方案,准备施工所需的桩材、桩头、连接件等材料,并配备必要的施工设备,如起重机、吊篮等。
2.4 建立安全防护措施制定并执行相关的安全管理措施,包括施工现场的安全警示标识、施工人员的安全防护用具和培训等,确保施工过程中的安全性。
3. 桩的类型选择根据施工需求和环境条件,选择合适的桩类型。
常见的水上桩类型包括:3.1 钢管桩钢管桩具有强度高、耐久性好的特点,适用于水流较大、波浪较大的环境。
可以通过打桩机将钢管桩打入水底,或者采用钢管打桩机将钢管桩插入水底泥中。
3.2 混凝土桩混凝土桩可以通过灌注混凝土或者打入预制的混凝土桩来固定结构物。
在水上施工中,需要使用浮动设备将混凝土输送到施工现场,并在水下进行灌注或打桩作业。
3.3 桥墩在桥梁施工中,常常使用桥墩来支撑桥梁结构。
桥墩可以通过在水底打桩或使用浮筒等方式安装。
4. 施工方法根据选择的桩类型和施工环境,进行相应的施工方法。
4.1 钢管桩施工方法钢管桩可以采用打桩机将钢管桩打入水下。
在施工过程中,需要注意控制打桩速度和施力,以避免对桩的损坏。
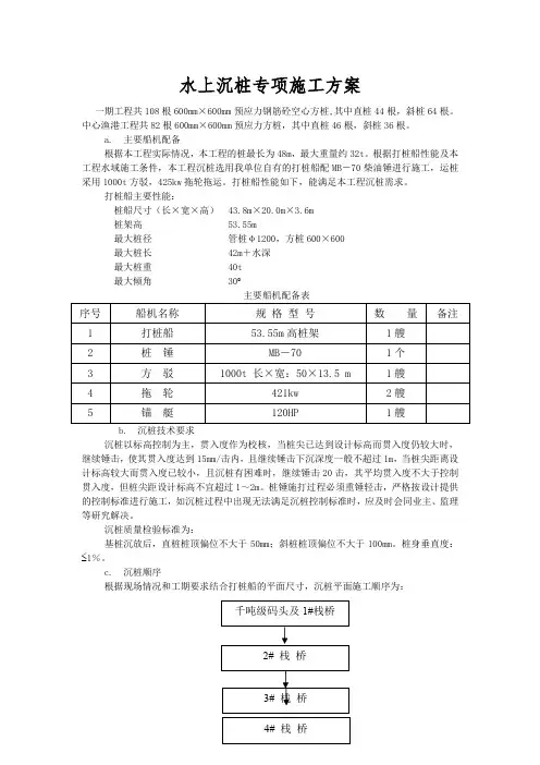
水上沉桩专项施工方案一期工程共108根600mm×600mm预应力钢筋砼空心方桩,其中直桩44根,斜桩64根。
中心渔港工程共82根600mm×600mm预应力方桩,其中直桩46根,斜桩36根。
a. 主要船机配备根据本工程实际情况,本工程的桩最长为48m,最大重量约32t。
根据打桩船性能及本工程水域施工条件,本工程沉桩选用我单位自有的打桩船配MB-70柴油锤进行施工,运桩采用1000t方驳,425kw拖轮拖运。
打桩船性能如下,能满足本工程沉桩需求。
打桩船主要性能:桩船尺寸(长×宽×高) 43.8m×20.0m×3.6m桩架高 53.55m最大桩径管桩φ1200,方桩600×600最大桩长 42m+水深最大桩重 40t最大倾角 30︒主要船机配备表b. 沉桩技术要求沉桩以标高控制为主,贯入度作为校核,当桩尖已达到设计标高而贯入度仍较大时,继续锤击,使其贯入度达到15mm/击内,且继续锤击下沉深度一般不超过1m,当桩尖距离设计标高较大而贯入度已较小,且沉桩有困难时,继续锤击20击,其平均贯入度不大于控制贯入度,但桩尖距设计标高不宜超过1~2m。
桩锤施打过程必须重锤轻击,严格按设计提供的控制标准进行施工,如沉桩过程中出现无法满足沉桩控制标准时,应及时会同业主、监理等研究解决。
沉桩质量检验标准为:基桩沉放后,直桩桩顶偏位不大于50mm;斜桩桩顶偏位不大于100mm。
桩身垂直度:≤1%。
c. 沉桩顺序根据现场情况和工期要求结合打桩船的平面尺寸,沉桩平面施工顺序为:其中结构沉桩顺序为:最后施打码头栈桥及撑墩基桩沉放顺序沉桩前,应先将编制好的沉桩顺序报监理工程师审批。
d. 船位布置桩船沉桩时,抛八字锚,带缆控制船横向移位,首尾抛锚带缆,控制前后移位,装桩方驳与打桩船两船纵轴线成T 型布置。
e. 测量控制利用设置在陆侧平行码头前沿线的基线进行打桩测量控制,采用经纬仪前方任意角交会控制。
水上打桩专项施工方案1. 引言水上打桩是水下桩基础的施工方法之一,适用于需要在湖泊、河流或海洋中进行桩基础施工的项目。
本文档旨在详细阐述水上打桩专项施工方案,包括施工前准备、施工工序、安全措施等内容。
2. 施工前准备2.1 桩基础设计根据工程要求进行完成,并获得相关审批文件。
2.2 施工现场勘察,了解地质地貌情况,确定施工方案。
2.3 采购所需设备和材料,包括打桩机械、桩材料等。
2.4 制定施工计划和进度表,明确施工工序和时间节点。
3. 施工工序3.1 清理施工现场:清理水面上的杂物和障碍物,确保施工平整无障碍。
3.2 安装桩机:将打桩机械搬运至施工现场,按照相关工艺要求进行安装和调试。
3.3 安装桩材:根据设计要求,将预制的桩材依次安装到桩机上。
3.4 打桩:通过桩机的力量,将桩材沉入水下,直到达到设计要求的桩长。
3.5 检测桩长和垂直度:使用测量工具检测各个桩基的桩长和垂直度,确保施工质量。
3.6 施工记录:记录每个桩基的打桩情况,包括桩长、打桩时间以及可能遇到的问题。
4. 安全措施4.1 确保施工人员具备相关的打桩工作证书和操作经验,严禁未经培训和未掌握技巧的人员进行操作。
4.2 戴好安全帽、防护手套等个人防护装备。
4.3 注意施工现场的安全标识和警示牌,设置警戒线,禁止无关人员靠近。
4.4 桩机设备使用前,必须经过检查和维护,确保设备正常运行。
4.5 施工过程中,严格按照操作规程进行,避免操作失误和事故发生。
5. 环境保护5.1 打桩施工过程中产生的废水和废料需按照相关法规进行处理,严禁随意排放。
5.2 施工现场周边的环境保护工作,如噪音控制、尘埃防治等,必须符合相关法规标准。
5.3 遵守当地环境保护要求,保护水域生态环境,不得对水生生物造成损害。
6. 施工质量控制6.1 施工过程中,严格按照设计要求和施工规程进行操作,确保打桩质量。
6.2 检测桩长和垂直度,对不符合要求的进行及时处理和整改。
水上锤击沉桩施工方案一、前言水上锤击沉桩施工是一种常用于桥梁、码头等水下工程中的基础施工方法。
通过水上锤击的方式,将桩体逐渐打入水底,以确保基础稳固。
本文将介绍水上锤击沉桩施工方案的具体步骤和注意事项。
二、施工准备工作1. 桩基设计在进行水上锤击沉桩前,需要事先进行桩基设计,确定桩的尺寸、长度和材质。
设计合理的桩基是保证工程质量的关键。
2. 设备准备准备好水上锤、振动锤、测量仪器等施工所需设备,并进行必要的检查和维护,确保设备运转正常。
3. 施工人员安排经验丰富的施工人员参与施工,确保他们对整个施工流程和安全注意事项有充分的了解。
三、施工步骤1. 定位桩位利用测量仪器在水下准确定位桩位,确保桩的位置准确无误。
2. 预备沉桩将要沉桩的桩体吊装到水面上,并将水上锤卸载到桩体上,在确保稳固的情况下进行沉桩准备工作。
3. 水上锤击桩利用水上锤对桩体进行逐步击打,通过冲击力将桩体逐渐沉入水底。
在整个施工过程中需要注意水上锤的运行轨迹和频率,避免出现问题。
4. 检测沉桩效果在桩沉入一定深度后,通过测量仪器对桩体的位置和垂直度进行检测,确保桩的沉入效果符合设计要求。
5. 完成桩基沉桩根据设计要求将桩体逐步击打至设计要求的深度,完成整个桩基的沉桩工作。
四、注意事项1. 安全第一施工过程中要保证施工人员的安全,严格遵守安全操作规程,确保施工现场秩序良好。
2. 控制振动在施工过程中需要合理控制振动范围,避免对周围环境和结构造成影响。
3. 质量控制在沉桩施工过程中要保证沉桩效果符合设计要求,确保工程质量。
五、总结水上锤击沉桩施工是一种常用的水下施工方法,通过合理的施工方案和严格的施工流程可以确保桩基的稳固性和工程质量。
在进行水上锤击沉桩施工时,需要注意安全、质量和环境保护等方面的问题,做到科学施工、规范操作,保障工程顺利完成。
一、方案背景随着我国经济的快速发展,基础设施建设需求日益增加,水上打桩工程在桥梁、码头、港口等工程建设中扮演着重要角色。
为提高水上打桩施工的安全性和效率,确保工程质量,特制定本专项方案。
二、施工内容1. 施工地点:根据工程实际情况确定。
2. 施工内容:水上打桩、桩基检测、桩基加固等。
三、施工工艺1. 水上打桩(1)浮箱制作:采用6m×2.4m×1.2m(长×宽×高)的浮箱,用6个浮箱组成大型浮体。
浮箱连接件应确保强度、刚度和连接可靠性,连接方法为纵向接头搭接单销,横向接头搭接单销。
(2)浮箱承载力及浮体计算:单个浮箱自重约3.3t,承载力90KN,相当于9.8t 力。
6个浮箱组成1个浮体,浮力为69.858.8t,满足打桩施工要求。
(3)打桩浮箱就位及打桩:在测量仪器控制下就位,收放缆绳调整打桩浮箱位置,收紧绞缆,稳定打桩浮箱。
沉桩过程用经纬仪跟踪观察桩身状态,发现偏斜立即调整校正,使误差控制在许可范围内。
2. 桩基检测(1)桩基质量检测:采用超声波检测、低应变检测等方法,确保桩基质量符合设计要求。
(2)桩基承载力检测:采用静载试验、动力触探等方法,确定桩基承载力。
3. 桩基加固(1)桩基加固方法:根据实际情况,可选择注浆加固、锚杆加固、预应力加固等方法。
(2)加固材料:选用高性能水泥浆、锚杆、预应力钢筋等。
四、施工安全措施1. 人员安全:加强安全教育,提高施工人员安全意识;严格执行操作规程,确保施工安全。
2. 设备安全:定期检查设备,确保设备运行正常;操作人员应熟悉设备性能,防止误操作。
3. 施工环境安全:做好水上施工的防滑、防坠落、防触电等措施;加强施工现场的排水、防风、防浪等工作。
4. 应急预案:制定应急预案,确保发生突发事件时能够迅速、有效地进行处置。
五、施工进度安排根据工程实际情况,制定详细的施工进度计划,确保工程按期完成。
六、质量保证措施1. 严格施工工艺,确保施工质量。
精心整理
水上锤击沉桩施工方案
一、施工准备
沉桩作业前,必须对沉桩区域水下地形进行探摸,清除沉桩域内所有障碍物,需要挖泥的必须挖泥,有桩位靠近岸边,水深不能满足桩船施工的,必须进行开挖,开挖后水深不得小于2.5m,宽度应满足桩船有足够的活动范围。
桩7
42m
重30
1
确保施工所需数据万无一失。
2、平面定位测量以打桩船上GPS定位测量为主,岸上全站仪测量为辅,全站仪测量起校核作用。
3、桩顶高程的控制以全站仪测量为主,锤击沉桩至设计桩顶高程时,项目部测量人员及时将停锤信号传递给打桩队,打桩队应及时熄火停锤。
根据桩顶高程宁可偏高
不能偏低的原则,我们的测量人员最好提前10cm,将停锤信号传递给打桩队。
四、施工顺序
码头沉桩顺序按由江岸侧向江心侧,由下游向上游呈阶梯形进行施工。
五、施工步骤
对每根桩的施工步骤为:捆桩—吊桩—移船—竖桩—稳桩—就位—压桩—锤击
1
2、
3
4
桩架进行调整,绝对满足设计规范要求。
5、在沉桩过程中,要及时做好锤击数记录,随时反应出贯入度。
锤击沉桩是以桩顶高程和贯入度双向控制的。
当桩顶高程锤击至设计高程,贯入度过大,未达到设计规范要求的贯入度时,应立即停止施工,经与监理、设计、业主共同研究处理方可正常施工。
当贯入度达到设计规范要求,桩顶高程远远高于设计高程时,也应停锤,
报监理工程师研究决定,定出方案,以防止因锤击数过高,将桩身震裂,而影响桩的使用质量。
七、施工安全
1、施工前必须对所有职工进行安全教育,使每位职工都要高度注意安全,时刻牢记安全。
2
3、
4。
第1篇一、工程概况本工程位于我国某城市,主要工程内容包括:道路、桥梁、排水、给水、供电等基础设施的建设。
在道路工程中,需进行桩基础施工,以保证道路的稳定性。
根据工程地质勘察报告,本工程地质条件较为复杂,地下水位较浅,桩基础施工难度较大。
为确保桩基础施工质量,特制定本锤击沉桩试桩施工方案。
二、施工方案1. 施工准备(1)施工图纸、规范及标准:熟悉施工图纸,掌握施工规范及标准,确保施工过程符合要求。
(2)施工人员:组织具备相关资质的施工队伍,包括施工技术员、测量员、施工员等。
(3)施工设备:准备桩基施工所需的机械设备,如桩锤、打桩机、振动锤、钻机等。
(4)材料:备足桩基施工所需的材料,如桩、钢筋、混凝土、水泥等。
2. 施工工艺(1)桩基施工工艺:采用锤击沉桩法进行桩基础施工。
(2)试桩施工工艺:在桩基施工前,进行试桩施工,以检验桩基施工质量。
3. 施工步骤(1)桩位放样:根据设计图纸,确定桩位,并做好桩位标记。
(2)桩基施工:1)桩基钻孔:采用钻机进行钻孔,确保孔径、孔深符合设计要求。
2)桩基清孔:钻孔完成后,进行清孔,清除孔内泥浆及杂物。
3)桩基下桩:将预制桩或现场制作的桩,采用打桩机进行锤击沉桩。
4)桩基连接:桩基连接采用焊接或机械连接,确保连接牢固。
5)桩基验收:桩基施工完成后,进行验收,包括桩基长度、垂直度、桩顶标高等。
(3)试桩施工:1)试桩定位:根据试桩设计要求,确定试桩位置。
2)试桩钻孔:采用钻机进行钻孔,确保孔径、孔深符合设计要求。
3)试桩清孔:钻孔完成后,进行清孔,清除孔内泥浆及杂物。
4)试桩加载:在试桩孔内安装加载装置,进行加载试验。
5)试桩卸载:加载完成后,进行卸载,记录试桩沉降量。
6)试桩结果分析:根据试桩沉降量,分析桩基承载能力。
4. 施工质量控制(1)桩基施工质量控制:1)桩基材料:严格控制桩基材料的质量,确保材料符合设计要求。
2)桩基施工过程:严格控制桩基施工过程,确保施工质量。
一、工程概况本工程位于某地区,需在水域进行桩基施工。
水域面积约为XX平方米,水深约为XX米。
根据设计要求,桩基础采用预制混凝土桩,桩径为XX米,桩长为XX米。
本方案旨在确保水上桩基施工的安全、高效和质量。
二、施工准备1. 施工材料:预制混凝土桩、桩基施工设备、吊装设备、混凝土、钢筋、水泥、砂石等。
2. 施工设备:打桩船、吊车、混凝土搅拌车、运输车、测量仪器等。
3. 施工人员:施工队伍、技术人员、管理人员等。
三、施工工艺1. 施工前准备(1)根据设计图纸,对桩位进行测量放样,确保桩位准确无误。
(2)检查施工设备,确保其正常运行。
(3)对施工人员进行技术交底和安全教育。
2. 桩基施工(1)预制混凝土桩:按照设计要求,制作预制混凝土桩,确保桩的质量。
(2)打桩船定位:将打桩船驶至桩位,通过测量仪器进行精确定位。
(3)桩基打设:采用锤击法进行桩基打设,确保桩基垂直度和平整度。
(4)桩基验收:对桩基进行质量验收,确保桩基满足设计要求。
3. 吊装施工(1)桩基吊装:使用吊车将预制混凝土桩吊至打桩船,确保桩基吊装平稳。
(2)桩基插入:将预制混凝土桩插入桩孔,确保桩基垂直度。
(3)桩基固定:使用钢筋和水泥对桩基进行固定,确保桩基稳定。
4. 混凝土浇筑(1)桩基填充:在桩基周围填充混凝土,确保桩基与周围土体紧密结合。
(2)混凝土浇筑:采用混凝土搅拌车运输混凝土,使用吊车将混凝土浇筑至桩基周围。
四、施工质量控制1. 桩基质量:确保预制混凝土桩的质量,严格控制桩基的垂直度、平整度和桩长。
2. 施工过程:严格控制施工过程,确保桩基施工质量。
3. 桩基验收:严格按照设计要求对桩基进行验收,确保桩基质量。
五、施工安全措施1. 施工人员:加强施工人员的安全教育,提高安全意识。
2. 施工设备:定期检查施工设备,确保设备安全可靠。
3. 施工现场:设置警示标志,确保施工现场安全。
4. 应急预案:制定应急预案,确保在发生突发事件时能够及时应对。
精心整理
水上锤击沉桩施工方案
一、施工准备
沉桩作业前,必须对沉桩区域水下地形进行探摸,清除沉桩域内所有障碍物,需要挖泥的必须挖泥,有桩位靠近岸边,水深不能满足桩船施工的,必须进行开挖,开挖后水深不得小于2.5m,宽度应满足桩船有足够的活动范围。
桩7
42m
重30
1
确保施工所需数据万无一失。
2、平面定位测量以打桩船上GPS定位测量为主,岸上全站仪测量为辅,全站仪测量起校核作用。
3、桩顶高程的控制以全站仪测量为主,锤击沉桩至设计桩顶高程时,项目部测量人员及时将停锤信号传递给打桩队,打桩队应及时熄火停锤。
根据桩顶高程宁可偏高
不能偏低的原则,我们的测量人员最好提前10cm,将停锤信号传递给打桩队。
四、施工顺序
码头沉桩顺序按由江岸侧向江心侧,由下游向上游呈阶梯形进行施工。
五、施工步骤
对每根桩的施工步骤为:捆桩—吊桩—移船—竖桩—稳桩—就位—压桩—锤击
1
2、
3
4
桩架进行调整,绝对满足设计规范要求。
5、在沉桩过程中,要及时做好锤击数记录,随时反应出贯入度。
锤击沉桩是以桩顶高程和贯入度双向控制的。
当桩顶高程锤击至设计高程,贯入度过大,未达到设计规范要求的贯入度时,应立即停止施工,经与监理、设计、业主共同研究处理方可正常施工。
当贯入度达到设计规范要求,桩顶高程远远高于设计高程时,也应停锤,
报监理工程师研究决定,定出方案,以防止因锤击数过高,将桩身震裂,而影响桩的使用质量。
七、施工安全
1、施工前必须对所有职工进行安全教育,使每位职工都要高度注意安全,时刻牢记安全。
2
3、
4。
水上桩基施工方案目录一、前言 (2)1.1 编制依据 (2)1.2 工程概况 (4)二、施工准备 (5)2.1 施工材料准备 (6)2.2 施工设备选择 (7)2.3 施工队伍组织 (8)三、水上桩基施工工艺 (9)3.1 桩基定位 (10)3.2 桩基施工 (11)3.3 桩基检测与验收 (12)四、安全与环保措施 (13)4.1 安全生产保证措施 (14)4.2 环保要求与措施 (15)五、施工进度计划与资源配置 (16)5.1 施工进度计划 (18)5.2 施工人员及物资资源配置 (18)六、风险管理与应急预案 (19)6.1 风险因素识别与评估 (20)6.2 风险应对措施 (21)6.3 应急预案制定 (22)一、前言随着我国经济的快速发展,城市化进程不断加速,桥梁建设作为城市基础设施的重要组成部分,越来越受到人们的关注。
水上桩基作为桥梁建设中不可或缺的一部分,其施工质量直接影响到桥梁的安全和使用寿命。
制定一套科学合理的水上桩基施工方案至关重要。
本施工方案以国家相关规范和行业标准为依据,结合工程实际情况,详细阐述了水上桩基施工的各项准备工作、施工方法、质量控制措施以及安全保障措施等内容。
通过本方案的实施,我们期望能够确保水上桩基施工的质量、安全和进度,为桥梁工程的顺利实施提供有力保障。
本方案注重理论与实践相结合,既充分考虑了工程施工的实际需要,又兼顾了技术创新和环境保护的要求。
在编制过程中,我们充分吸收了国内外的先进经验和技术成果,力求使方案具有先进性、实用性和可操作性。
1.1 编制依据国家及地方相关法规和标准:本方案遵循国家和地方现行的相关法律法规、技术标准及规范,包括但不限于建筑法、环境保护法、安全生产法等。
确保施工过程中的安全、环保和质量要求符合国家标准。
项目设计要求:根据工程项目的设计图纸和技术说明,详细分析了桩基施工的实际情况,结合本工程特点编制而成。
项目设计要求包括建筑结构设计要求、地质勘察报告以及工程特点分析等内容。
水上锤击沉桩施工方案一、施工准备工作1.安全保障措施:明确工地的安全管理责任制度,制定安全操作规程并进行人员培训,确保施工期间的安全。
2.桩料准备:购买符合设计要求的合格桩料,并检验合格后运至施工现场,进行分类、编号和储存。
3.施工设备准备:采购或租赁水上锤和驳船等施工设备,确保施工所需的设备齐备、完好。
4.桩位标志:根据设计要求,在施工区域内设置桩位标志,确保桩位的准确性。
5.补给物资:准备油料、燃料、清洁用具等施工所需的各类物资。
二、水上锤击沉桩工艺流程1.准备工作a.设置施工区域安全标志,阻止其他船只和人员进入施工区域。
b.将驳船停靠在施工区域附近,便于运输和装卸桩料。
c.安装水上锤在驳船上,并进行必要的调试和预热。
2.桩料准备a.将桩料从储存区域运输至驳船上,并进行分类、编号。
b.根据施工顺序,将需要使用的桩料运至锤击区域。
3.桩位定位a.根据设计要求,在水中采用浮标或其他标志物标明桩位。
b.根据施工计划,通过测量和定位确认桩位的准确性。
4.锤击施工a.将需要锤击的桩料放置在水上锤下方,保持水平。
b.指挥驳船将水上锤慢慢提升至适当的高度,使锤头与桩料接触。
c.控制驳船位置,使桩料垂直于水面,并调整锤击的高度和力度。
d.指挥水上锤操作员启动锤击设备,按照设计要求进行锤击。
5.桩头完成a.锤击到设计要求的沉桩深度后,进行静压回复和静置时间。
b.使用测量仪器检测桩头的垂直性和沉入深度是否符合要求。
c.如需要,进行桩帽和桩身的连接和修整。
6.清理工作a.完成桩击沉后,清理锤击区域,将锤击设备和桩料运离施工现场。
b.清理工地并检查施工区域,确保没有遗留工具和危险物。
三、施工注意事项1.锤击施工前应注意桩料的准备和摆放,确保桩料的水平和垂直度。
2.锤头与桩料的接触面应保持平稳,以免导致不均匀的锤击力度。
3.在锤击施工过程中,要根据桩料的情况和实际的情况调整锤击的高度和力度。
4.锤击施工结束后,要进行桩头的检测和修整,确保桩头的垂直性和沉入深度符合要求。
水上打桩专项施工方案方案一、背景和目的水上打桩是一种特殊的施工方式,适用于水下基础设施建设和桥梁、码头等项目的施工。
本文档旨在制定水上打桩专项施工方案,确保施工过程安全、高效和顺利进行。
二、施工准备1. 安全措施在施工前,必须制定详细的安全措施,确保施工人员的安全。
•所有施工人员必须进行安全培训,了解施工过程中的潜在危险和应急处理方法。
•施工现场必须设置明显的警示标识和安全警示牌,提醒周围人员注意安全。
•施工人员必须佩戴符合要求的个人防护装备,如安全帽、防护服、安全鞋等。
•水下施工人员必须配备专业的潜水员,确保潜水作业的安全进行。
2. 施工设备水上打桩施工需要使用特殊的施工设备,包括打桩机、吊车等。
•打桩机必须符合国家标准,并经过专业人员的检查和维护。
•吊车必须具备足够的承载能力,以确保安全吊装和搬运桩材。
3. 施工材料水上打桩施工所需的材料包括桩材、砂浆、螺栓等。
•桩材必须符合设计要求,并经过质量检测。
•砂浆必须按照比例配制,确保施工质量。
•螺栓必须符合相关标准,确保连接牢固。
三、施工过程1. 桩基位置确认在施工前,必须进行桩基位置的确认工作,确保施工的准确性和一致性。
•根据设计图纸确定桩基的布置位置。
•使用定位设备和测量工具,准确测量桩基位置。
•在桩基位置设置合适的标志,以方便施工人员进行定位。
2. 桩基预处理在水上打桩前,必须对桩基进行预处理,以确保桩基的稳固和牢固。
•清理桩基底部的杂物和泥沙,保持基底平整。
•将预制的桩材准确安装在桩基上。
3. 水上打桩施工水上打桩的施工过程需要严格按照技术要求进行,以确保施工质量。
•根据设计要求,选择合适的打桩机进行施工。
•使用打桩机将桩材逐渐打入桩基中,直至达到设计要求的深度。
•检测每个桩的打入情况,确保符合要求。
4. 桩顶处理打桩完成后,必须对桩顶进行处理,以满足后续工程的要求。
•对桩顶进行修整,确保桩顶平整、垂直。
•桩顶可以根据需要进行加固,以增加桩基的承载能力。
水上打桩专项施工方案方案一、项目背景水上打桩专项施工是在水体中进行桩基施工的一种特殊工程,应用于水上工程、海洋工程等领域。
该方案旨在介绍水上打桩施工的策划、准备、施工工艺及安全措施,以确保施工质量和安全。
二、项目目标本文档的目标是制定一份水上打桩专项施工方案方案,明确施工过程中的工艺流程和安全措施,以提供给相关工作人员参考。
三、施工策划1.施工前准备–制定施工计划和进度表,明确施工时间和任务安排。
–需要准备的设备和材料,包括打桩机、支撑材料等。
–分析水体的深度、地质条件等,确定适宜的施工工艺和方案。
–检查相关文件和许可证,确保施工符合法律法规要求。
2.施工工艺–确定桩基的位置和数量,根据设计要求进行布置。
–根据水体深度选择适当的打桩机和打桩方法。
–控制桩基的沉入深度和水平度,保证施工质量。
3.安全措施–按照安全生产要求,提供必要的安全设施和装备,如救生设备、防护设施等。
–建立安全管理制度,制定相应的安全操作规程。
–提供必要的培训和指导,确保施工人员了解相关安全规定。
–定期检查和维护设备,确保施工过程中的安全性。
四、施工工艺1.施工准备–将打桩机和相关设备运送至施工现场,进行检查和调试。
–搭建工地临时设施,如施工平台、支撑材料等。
–安装和调整打桩机,确保其正常运转。
2.定位和布置桩位–根据设计要求,在水体中确定桩位的位置和数量。
–使用测量仪器进行测量,确保桩位的精准度。
–根据桩位的布置,安装临时支撑材料,以确保施工过程中的稳定性。
3.打桩过程–根据水体的深度和地质条件选择适合的打桩方法,如振动打桩、冲击打桩等。
–操作打桩机将桩基沉入水中,控制沉入的深度和水平度。
–检查桩基的质量,如桩身的坚固性和垂直度等。
4.施工结束–拆除临时支撑材料和设施,清理施工现场。
–对施工过程进行总结,记录关键问题和经验教训。
–提交施工报告,包括施工过程的记录和结果分析。
五、安全措施1.安全设施–在施工现场设置明显的安全警示牌和标志,警示施工区域。
机床厂防汛墙抢险工程水上平台沉桩施工方案江龙建设工程二OO九年四月水上平台沉桩施工方案本工程防汛墙结构为桩基承台式结构,前排为0.25m*0.50m*12m钢筋砼板桩,后排为0.30m*0.40m*12m钢筋砼方桩。
工程总长158.42m。
分A、B两段,其中A段长92.05米,B段长66.37米。
一、沉桩前的准备工作1、打桩支架搭设,采用260kg的小型打桩机,支架排架桩采用6Mへ8M长φ200的圆木桩,将桩位放出后,距板桩外侧2.5M处,打一排圆木排架桩。
2、整个打桩排架向外1.5M再打一排安全保护桩。
排架圆木桩之间的间距为1.5M,每排圆木桩顶上各上下交叉枕放2根200×250的方木(统长布置,接头处必须交叉),安全保护桩的间距为1M,顶部枕一根200×250的方木(统长布置),中间横放一根200×250的方木(统长布置),防止船只碰撞排架引起事故,起到隔离和保护排架的作用。
3、排架所有的圆木为小头φ200,单根长度为6M~8M的落叶松圆木,禁止使用腐朽、枯败的圆木,每排圆木桩必须在同一轴线上,不得扭曲歪斜,高程控制在4.0M标高。
排架上堆放方板桩不得超过二层高度,不得集中堆放,须分散堆放。
二、沉桩的技术措施工艺流程:定桩位→运桩→吊桩→试桩→施打→送桩→测贯入度。
1、桩定位方桩比较容易定位,只要根据桩身断面尺寸,人工将测放出的桩位处的土方预先挖深0.3m,沉桩时将方桩对准桩位处插入即可。
板桩施工采用龙门定位,龙门由二根方木利用角钢拼装而成,龙门的宽度同板桩厚度。
施工时将龙门抬放至桩位处,使龙门轴线与桩位轴线重合,然后利用支撑将龙门牢固固定。
沉桩时在龙门上根据板桩宽度,钉上小方木形成井架,将板桩对准井口插入即可完成桩身定位。
2、运桩、吊桩运桩采用汽车式起重机将桩吊放在桩机前的支架上。
沉桩起吊前,在桩的侧面画上标尺,以便做打桩记录。
然后利用打桩机机身吊索,采用二点起吊,吊点离桩顶端距离为0.207L(L为桩长)。
水上沉桩施工方案水上沉桩施工,是个技术活儿,讲究精细、严谨。
下面,我就结合自己十多年的经验,给大家详细梳理一下水上沉桩施工的全过程。
一、施工前的准备工作1.要对施工区域进行详细勘察,了解地形地貌、水文地质、气象条件等,确保施工顺利进行。
2.根据勘察结果,编制施工方案,明确施工方法、工艺流程、施工顺序等。
3.准备施工所需的各种设备、材料,如桩基、桩锤、桩架、船舶等。
4.对施工人员进行技术培训,确保他们熟悉施工工艺、操作规程和安全要求。
5.设置施工现场安全防护设施,确保施工安全。
二、施工过程1.桩位定位:根据设计图纸,准确测量桩位,并在施工现场设立明显的标志。
2.桩基制作:根据设计要求,制作相应规格的桩基。
制作过程中,要保证桩基的质量,确保桩基的强度、刚度、稳定性等。
3.桩架搭建:根据施工方案,搭建桩架。
桩架要牢固、稳定,能承受施工过程中的各种荷载。
4.桩锤选择:根据桩基的类型、长度、直径等,选择合适的桩锤。
桩锤要具有足够的冲击力,确保桩基顺利沉入水下。
5.沉桩施工:将桩基吊装入桩架,对准桩位,启动桩锤,进行沉桩施工。
施工过程中,要密切关注桩基的沉降情况,确保桩基垂直度。
6.接桩:当桩基沉入水下一定深度后,需要进行接桩。
接桩时,要保证桩基的连接强度,确保桩基的整体稳定性。
7.桩基检测:施工完成后,对桩基进行质量检测,确保桩基满足设计要求。
三、施工注意事项1.施工过程中,要严格遵守安全规程,确保施工安全。
2.加强施工人员的技能培训,提高施工质量。
3.注意环境保护,减少施工过程中的环境污染。
4.施工过程中,要密切关注施工现场的气象、水文变化,及时调整施工方案。
5.加强与相关部门的沟通协调,确保施工顺利进行。
四、施工后期工作1.施工完成后,对施工现场进行清理,恢复施工前的状态。
2.对施工过程中的资料进行整理、归档,为工程验收提供依据。
4.根据施工过程中的实际情况,对施工方案进行修订完善,为今后的施工提供参考。
水上锤击沉桩施工方案
一、施工准备
沉桩作业前,必须对沉桩区域水下地形进行探摸,清除沉桩域内所有障碍物,需要挖泥的必须挖泥,有桩位靠近岸边,水深不能满足桩船施工的,必须进行开挖,开挖后水深不得小于2.5m,宽度应满足桩船有足够的活动范围。
根据桩位和吊桩的需要,在桩船的前后左右,按照各自所需的角度,用抛锚艇抛下锚缆,岸侧因无法抛锚或因抛锚无法使用,必须埋设地笼,系上前抽芯缆绳,确保桩船行走和定位稳固。
桩运至现场,在沉桩作业前,须在桩身上用深色墨笔画上刻度,刻度在下半节可以画稀点,上半节需要画密点。
以便沉桩时桩顶标高和贯入度控制。
二、施工设备
根据本工程地质情况和桩型特点,本工程水上沉桩设备选用本单位专业的皖工桩7打桩船进行沉桩,此打桩船具有悠久的沉桩历史和丰富的沉桩经验。
该船型长42m,型宽16.8m,型深3.2m,桩架高60m,桩锤为国产H138型柴油打桩锤,桩锤总重30吨,锤芯重13.8吨。
完全能够满足本工程沉桩作业要求。
三、施工测量
1、每根桩位坐标和测量角度必须有2人进行计算,然后采用比对的方式进行校核,确保施工所需数据万无一失。
2、平面定位测量以打桩船上GPS定位测量为主,岸上全站仪测量为辅,全站仪测量起校核作用。
3、桩顶高程的控制以全站仪测量为主,锤击沉桩至设计桩顶高程时,项目部测量人员及时将停锤信号传递给打桩队,打桩队应及时熄火停锤。
根据桩顶高程宁可偏
高不能偏低的原则,我们的测量人员最好提前10cm,将停锤信号传递给打桩队。
四、施工顺序
码头沉桩顺序按由江岸侧向江心侧,由下游向上游呈阶梯形进行施工。
五、施工步骤
对每根桩的施工步骤为:捆桩—吊桩—移船—竖桩—稳桩—就位—压桩—锤击沉桩—桩顶至设计桩顶高程或满足设计规范要求的贯入度而结束。
六、施工质量控制
1、桩运至现场及时根据预制厂提供的检验评定资料进行复检,做好复检记录,并报请监理工程师验收。
2、为减少沉桩时锤击应力峰值,防止桩顶破碎,在戴桩帽之前在桩顶上垫两层纸垫,每层厚度10cm,在桩预制厂配套购买。
3、为减小桩位偏差,将桩位偏差控制在设计规范要求的范围内,我单位特地安装了最先进的测量设备GPS和沉桩软件,通过计算机来精确定位。
因计算机能随时反应桩位偏差情况,在下桩沉桩过程中,若桩位产生了偏差,我们还可以通过缆绳和桩架进行适当调整。
4、在下桩沉桩过程中,认真控制桩身垂直度,保证桩锤、桩帽、桩身始终在同一直线上,避免产生偏心锤击。
为确保桩的垂直度偏差不超过1%,下桩时我们将桩的垂直度偏差控制在0.5%以内,在下桩沉桩过程中,若垂直度偏差过大,我们及时通过桩架进行调整,绝对满足设计规范要求。
5、在沉桩过程中,要及时做好锤击数记录,随时反应出贯入度。
锤击沉桩是以桩顶高程和贯入度双向控制的。
当桩顶高程锤击至设计高程,贯入度过大,未达到设计规范要求的贯入度时,应立即停止施工,经与监理、设计、业主共同研究处理方可正常施工。
当贯入度达到设计规范要求,桩顶高程远远高于设计高程时,也应停锤,
报监理工程师研究决定,定出方案,以防止因锤击数过高,将桩身震裂,而影响桩的使用质量。
七、施工安全
1、施工前必须对所有职工进行安全教育,使每位职工都要高度注意安全,时刻牢记安全。
2、在施工区域外侧即江心侧上下游各设立一个航标警示灯,以防止过往船只和施工船只相撞。
特别是夜间要确保警示灯明亮。
施工船上夜间也须亮上一至两盏灯。
3、在移船、压桩、锤击沉桩过程中,应密切注意锚缆状态,安排抛锚艇在现场值班,任何一个锚缆发生异常都应停止下来,处理好后再继续施工。
4、在压桩锤击沉桩时特别注意,防止溜桩。
溜桩产生的原因,主要是因桩尖下障碍物较大,障碍物下又是淤泥层。
压桩时仅凭桩和锤的自身重量无法压下,锤击时障碍物一旦被震碎,桩尖立即进入淤泥层而迅速下滑,其速度几乎接近自由落体,是非常危险的。
桩尖下是否有障碍物,主要是通过压桩时桩被压入的深度进行判断,桩未压入足够的深度即桩尖未压入到持力层,便判断为其下有障碍物。
我们的处理方法是,压至桩不再下沉为止,提起桩锤减小桩尖下的作用力,防止在操作时障碍物被压碎,这时操作人员上架进行解钩作业,待操作人员撤离到安全位置后,开锤沉桩。