《项目管理》第四章
- 格式:ppt
- 大小:3.40 MB
- 文档页数:136
四、项目进度管理1.简述时间管理包括哪些内容。
答:项目时间管理(也称进度管理)管理包括进度管理规划、活动定义、活动排序、活动资源估算、活动历时估算、制定进度计划和进度控制等管理过程。
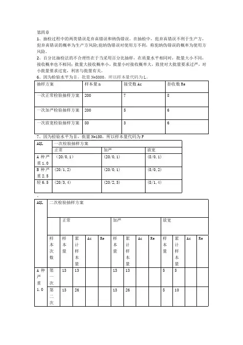
在某些小的软件项目中,定义活动、排列活动顺序、估算活动资源、估算活动历时及制定进度计划等过程之间的联系非常密切,以至于可视为一个过程,由一个人在较短时间内完成。
2.如何理解项目进度管理的重要性,以及其他管理过程对进度管理的影响。
答:按时、保质完成项目是对项目的基本要求,但软件项目工期拖延的情况却时常发生,因而合理地安排项目时间是项目管理中的一项关键内容。
项目进度管理就是采用科学的方法确定项目进度,编制进度计划和资源供应计划,进行进度控制,在与质量、费用目标协调的基础上,实现项目的进度目标。
(1)范围、质量因素对进度的影响软件开发项目比其他任何建设项目都会有更经常的变更,大概是因为软件程序是一种“看不见”又“很容易修改”的东西吧,用户是想改就改,造成需求的蔓延,项目经理有时还不知如何拒绝,加上要说“我能”的心理因素,一般都会答应修改。
这样集少成多,逐渐影响了项目进度。
如果某项工作在进度上表面上达到目标了,但经检验其质量没有达到要求,则必然要通过返工等手段,增加人力资源的投入,增加时间的投入,实际上是拖延了进度。
不管是从横向或纵向来看,部分任务的质量会影响总体项目的进度,前面的一些任务质量中会影响到后面的一些任务质量。
(2)资源、预算变更对进度的影响资源,最主要的还是人力资源,有时某方面的人员不够到位,或者在多个项目的情况下某方面的人员中途被抽到其他项目、或身兼多个项目、或在别的项目不能自拔无法投入本项目。
还有一个很重要的资源,就是信息资源,如某些国家标准、行业标准,用户可能提供不了,而是需要去收集或购买,如果不能按时得到,就会影响需求分析、设计或编码的工作。
其他资源,如开发设备或软件没有到货,也会对进度造成影响。
预算其实就是一种资源,它的变更会影响某些资源的变更,从而对进度造成影响。
一建项目管理知识点第四章第四章是一建项目管理的核心章节,探讨了项目管理的基本原则和技巧。
本章主要包括项目管理计划的制定、项目启动和项目执行等内容。
一、项目管理计划的制定项目管理计划是项目管理的重要基础,它涵盖了项目的目标、范围、时间、成本、质量、风险等各个方面的计划。
项目管理计划的制定需要考虑到项目的整体目标和可行性,同时需要与相关方进行沟通和协商。
在项目管理计划的制定中,需要明确项目的目标和范围。
项目的目标应该具体、可量化,并与组织的战略目标相一致。
项目的范围包括项目的工作内容、交付物和排除项等,需要明确界定,以避免范围的不确定性导致的项目风险。
此外,项目管理计划还需要制定项目的时间计划和成本计划。
时间计划中需要确定项目各个阶段的工作内容和时间安排,以确保项目按时完成。
成本计划中需要确定项目的预算和资源使用计划,以确保项目在预算范围内完成。
二、项目启动项目启动是项目管理的第一个重要环节,它包括项目目标的明确、项目组织的建立和项目沟通的开展。
项目的目标应该明确、具体,并能够被项目团队和相关方所理解和接受。
只有明确的目标,才能够为项目的实施提供明确的方向和指导。
项目组织的建立是项目管理的基础,它包括项目团队的组建、角色的明确和权责的分配等。
项目团队的组建需要根据项目的需求,确定组成团队的成员和其相应的技能和职责。
项目沟通的开展是项目启动的另一个重要环节,它包括项目团队内的沟通和项目团队与相关方之间的沟通。
项目团队内的沟通需要保证团队成员之间的信息共享和沟通畅通,从而能够有效地合作开展项目工作;项目团队与相关方之间的沟通需要保证项目目标的传达和相关方对项目进展的了解。
三、项目执行项目执行是项目管理的核心环节,它包括项目计划的执行、项目控制和项目变更的管理等。
项目计划的执行需要保证项目团队按照事先制定的计划和标准开展工作,并及时处理项目实施中的问题和风险。
项目控制是对项目实施情况的监控和评估,需要根据预定的绩效指标进行项目的监控,并根据检测到的问题进行相应的调整和改进。
第四章项目整体管理进行的各种过程和活动。
是一个全局性、综合性的管理◆项目章程是正式批准项目的文件,授权项目经理,项目章程是由项目实施组织外部签发的,由发起人签字,不是项目经理发布的。
项目经理任何时候都应在规划开始之前被委派,最好是在制定项目章程之时。
项目章程的批准标志着项目的正式启动,应尽早确认并任命项目经理,项目经理应该参与制定项目章程。
项目章程不是项目经理签发的项目章程包括:(1)项目目的或批准项目的原因(2)可测量的项目目标和相关的成功标准(3)项目的总体要求(4)概括性的项目描述(5)项目的主要风险(6)总体里程碑进度计划(7)总体预算(8)项目审批要求(用生命标准评价项目成功,由谁对项目成功下结论,由谁来签署项目结束)(9)委派的项目经理及其职责和职权(10)发起人或其他批准项目章程的人员的姓名和职权◆制定项目章程过程:项目章程的批准,标志着项目的正式启动。
在项目中,应尽早确认并任命项目经理,由于项目章程将授权项目经理在项目活动中使用组织资源,项目经理应该参与制定项目章程。
项目由项目以外的人员批准,如发起人、项目管理办公室或项目组合指导委员会。
项目启动者或发起人应该具有一定的职权,能为项目提供资金。
他们亲自编制项目章程,或授权项目经理代为编制,项目章程经启动者签字,即标志着项目获得批准。
(1)协议:定义启动项目的初衷(2)工作说明书是对应由项目提供的产品或服务的文字说明,包括(1)业务需求(2)产品范围说明书(3)战略计划(3)商业论证:从商业角度提供必要的信息,决定项目是否值得投资(4)事业环境因素是指项目团队不能控制的,客观存在的、外部的、将对项目产生影响、限制或指令作用的各种条件。
包括(1)组织或公司的文化与组成结构(2)政府或行业标准(如管理部门的规章制度、产品标准、质量标准与工艺标准)(3)基础设施(如现有的软件与硬件基础设施)(4)现有的人力资源(如技能、专业与知识;例如设计、开发、法律、合同发包与采购)(5)人事管理(如雇佣与解雇指导方针、员工业绩评价与培训记录)(6)公司工作核准制度(7)市场情况(8)商业数据库(如标准的成本估算数据、行业风险研究信息与风险数据库)(9)项目管理信息系统(5)组织过程资产反映了组织从以前项目中吸取的教训和学习到的知识,如完成的进度表、风险数据和实现价值数据。
项目采购管理吴守荣第四章1. 引言项目采购管理是项目管理中至关重要的一个方面。
在项目生命周期中,需要采购各种资源、设备和服务来满足项目目标和需求。
本文将介绍吴守荣在其著作《项目管理》中第四章的内容,详细阐述了项目采购管理的重要性、过程以及相关的技术和工具。
2. 项目采购管理的目标项目采购管理的目标是确保项目能够按时、按质地获取所需的资源和服务,以达到项目的目标和要求。
一个成功的项目采购管理过程可以帮助项目团队避免风险、控制成本,并确保项目的可交付成果能够满足客户的期望。
3. 项目采购管理的过程吴守荣在第四章中详细介绍了项目采购管理的五个过程,包括:3.1 规划采购管理在项目启动阶段,需要制定相应的采购管理计划。
这个计划将统筹项目的采购需求、规模、时间和预算等方面的要求,以指导后续的采购活动。
3.2 实施采购在采购过程中,项目团队需要根据规划好的采购管理计划,执行采购活动。
这包括制定采购文件、发布采购公告、评审供应商提供的报价和合同等。
3.3 控制采购在采购过程中,项目团队需要始终掌控项目采购的进展情况。
这包括监督供应商的履约情况、审查采购合同的变更请求,并及时处理采购过程中的问题和风险。
3.4 采购关闭采购过程关闭阶段需要与供应商完成最后的交付和结算,确保所有采购活动的收尾工作得以完成。
同时还需要对采购过程进行总结和评估,为今后的项目采购活动提供经验教训。
3.5 与其他过程的整合吴守荣还强调了项目采购管理与其他项目管理过程的紧密联系。
在项目规划、风险管理、变更管理等过程中,需要与项目采购管理过程进行有效的整合和协调,以确保项目能够按时、按质地获取所需的资源。
4. 项目采购管理的技术和工具在项目采购管理中,有许多常用的技术和工具可以帮助项目团队有效地进行采购活动。
吴守荣在第四章中介绍了以下几种技术和工具:4.1 采购需求分析在规划采购管理过程中,需要对采购的需求进行详细分析。
这包括确定采购的物品、数量、质量要求等方面的要求,以便为后续的采购活动提供指导。
工程项目管理第4章项目执行阶段项目执行阶段是项目生命周期中的关键阶段,该阶段的主要目标是根据项目计划开展项目工作。
在这个阶段,项目团队需要实现项目计划中确定的各项任务,完成项目的具体工作。
在项目执行阶段,项目团队需要根据计划开展各项工作,并通过沟通和协作来解决和避免各种可能出现的问题。
项目经理需要不断调整和更新计划,并管理好资源以确保项目顺利进行。
项目执行阶段需要完成以下工作:1.完成项目任务在项目执行阶段,项目团队需要根据项目计划完成各项任务。
所有的任务都必须按时、按质量、按预算完成。
如果有任务延迟或者质量不达标,必须及时进行调整和协商,并寻找解决方案。
2.管理团队和资源在项目执行阶段,项目经理需要不断管理团队和资源,确保项目的顺利进行。
在这个阶段,项目经理需要分配任务,管理人员的工作进度和质量,确保队员能够配合工作。
同时,项目经理还需要管理资源,特别是预算和时间,避免资源的浪费。
3.管理项目风险在项目执行阶段,项目经理需要在团队中监测项目风险的出现,并及时识别和解决问题。
如果发现了风险,项目经理需要制定应对措施并调整项目计划。
4.监控项目进度和质量在项目执行阶段,必须监控项目进度和质量。
定期评估进度和质量,根据评估结果来确定是否需要对项目计划进行调整,并及时进行纠正。
项目执行阶段关键问题在项目执行阶段,项目团队需要面对各种问题和挑战。
以下是项目执行阶段可能会遭遇的关键问题:1.任务分解和分配在项目执行阶段,将项目计划中的任务分解和分配给每个团队成员是至关重要的。
项目团队必须设置清晰的任务目标以及合理的实现方案。
任务分配的不当将会影响项目进度和质量。
2.沟通和协调在项目执行阶段,必须保持良好的沟通和协调。
项目经理需要不断与团队成员沟通,协调工作进度和额外的任务。
团队成员之间的沟通协调也十分关键。
3.时间和预算在项目执行阶段,时间和预算是最重要的资源之一。
项目经理需要时刻监测项目花费的情况,并根据需要调整预算。
2017一建《项目管理》第四章知识点(3) 施工准备工作的质量控制一、施工技术准备工作的质量控制施工技术准备是指在正式开展施工作业活动前进行的技术准备工作。
这类工作内容繁多,主要在室内进行,例如:熟悉施工图纸,组织设计交底和图纸审查;进行工程项目检查验收的项目划分和编号;审核相关质量文件,细化施工技术方案和施工人员、机具的配置方案,编制施工作业技术指导书,绘制各种施工详图(如测量放线图、大样图及配筋、配板、配线图表等),进行必要的技术交底和技术培训。
技术准备工作的质量控制,包括对上述技术准备工作成果的复核审查,检查这些成果是否符合设计图纸和相关技术规范、规程的要求;依据经过审批的质量计划审查、完善施工质量控制措施;针对质量控制点,明确质量控制的重点对象和控制方法;尽可能地提高上述工作成果对施工质量的保证程度等。
举例:2013年真题第17题在施工准备阶段,绘制模板配板图属于( )的质量控制工作。
A.计量控制准备B.施工技术准备C.测量控制准备D.施工平面控制【试题答案】B举例:2011年真题第10题下列质量控制工作中,属于施工技术准备工作的是(A.做好施工现场的质量检查记录B.审核复查各种施工详图C.复核测量控制点D.按规定维修和校验计量器具【试题答案】B二、现场施工准备工作的质量控制(一)计量控制施工过程中的计量,包括施工生产时的投料计量、施工测量、监测计量以及对项目、产品或过程的测试、检验、分析计量等。
(二)测量控制工程测量放线是建设工程产品由设计转化为实物的第一步。
施工单位在开工前应编制测量控制方案,经项目技术负责人批准后实施。
对建设单位提供的原始坐标点、基准线和水准点等测量控制点进行复核,并将复测结果上报监理工程师审核,批准后施工单位才能建立施工测量控制网,进行工程定位和标高基准的控 制。
举例:2012年真题第 14题1 4.施工承包企业应对建设单位提供的原始坐标点.基准线和水准点等测量控制点进行复核,并将复测结果上报( )审批,批准后才能建立施工测量控制网,进行工程定位和标高基准的控制。