(完整版)实验四三角形组成问题程序的白盒测试
- 格式:doc
- 大小:228.35 KB
- 文档页数:4
三角形白盒测试要求要求:,其他1 ) 自备 C 语言程序(可从 C 语言程序设计的教科书上摘录若干典型程序C++ 、C# 、Java 程序均可);#include <stdio.h>#include <stdlib.h>#include <math.h>int main(){int a,b,c;printf(" 输入三角形的三个边 :");scanf("%d %d %d",&a,&b,&c);if(a<=0||b<=0||c<=0)printf(" 不符合条件,请重新输入 a,b,c\n");else if(a+b<=c||abs(a-b)>=c)printf("不是三角形\n");else if(a==b&&a==c&&b==c)printf("这个图为等边三角形\n");else if(a==b||a==c||b==c)printf("这个图为等腰三角形\n");elseprintf("这个图为一般三角形\n");2)根据该程序绘制对应的程序流程图;/ 幟沖迈〃軾已等堆卄琳::矗歴# 输山养赠〃诚日等山/ / 输出水呈/3)分别根据程序流程图给出符合语句覆盖、判定覆盖、条件覆盖、路径覆盖以及判定/条件覆盖和条件组合覆盖的的测试用例以及预期的运行结果;语句覆盖判断覆盖条件覆盖判定1 : 1-1(a<=0) 1-2(b<=0) 1-3(c<=0)判定2: 2-1(a+b<=c) 2-2(|a-b|>=c) 判定3: 3-1(a==b)判定4: 4-1(a==c)判定5: 5-1(a==c)判定 6: 6-1(b==c)判定/条件覆盖、条件组合覆盖、路径覆盖4)根据程序流程图画出流图,并确定线性独立路径的基本集合,然后给出符合各集合的测试用例;路径1: 1-2-3路径2: 1-2-4-5-7-9-12-13路径3: 1-2-4-5-7-9-10-13路径4: 1-2-4-5-7-10-13 路径5: 1-2-4-5-8-10-13。
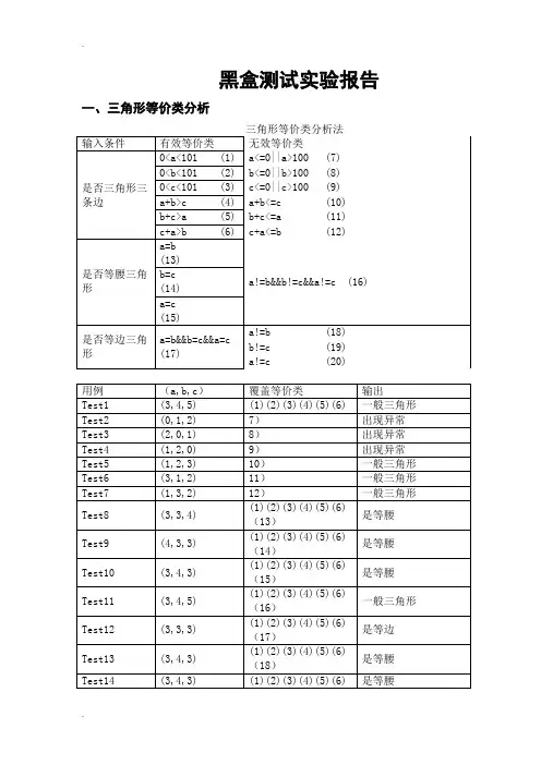
黑盒测试实验报告一、三角形等价类分析二、实验源代码import java.io.*;class Trigon{static private double a,b,c;static public void main(String[] sss){try{InputStream in=System.in;InputStreamReader inRead=new InputStreamReader(in); BufferedReader read=new BufferedReader(inRead); System.out.println("输入三边值,每个值输入后回车"); a=Double.valueOf(read.readLine());b=Double.valueOf(read.readLine());c=Double.valueOf(read.readLine());}catch(IOException e){System.out.println("出现异常!");System.exit(0);}if(a<1 || a>100 || b<1 || b>100||c<1 ||c>100){System.out.println("出现异常!");}else{if(a+b<c || a+c<b || b+c<a){System.out.println("你输入的不能构成三角形");}else if(a==b || a==c || b==c){if(a==b && b==c) System.out.println("是等边");else System.out.println("是等腰");}else System.out.println("一般的三角形");}}}三、实验测试用例截图(1)(2)(3)(4)(5)(6)(7)(8)(9)(10)(11)(12)(13)(14)(15)注:所用软件JavaApplicationl-NetBeans白盒测试实验报告一、流程图二、设计测试用例(1)语句覆盖Test 1 2 1 5 OACI 你的输入不能构成三角形Test 2 3 4 5 OADEI 一般的三角形Test 3 3 3 4 OADFGI 是等腰Test 4 3 3 3 OADFHI 是等边Test 5 0 1 2 OBI 出现异常(2)判定覆盖(分支覆盖)a b c 路径输出结果Test 1 2 1 5 OACI 你的输入不能构成三角形Test 2 3 4 5 OADEI 一般的三角形Test 3 3 3 4 OADFGI 是等腰Test 4 3 3 3 OADFHI 是等边Test 5 0 1 2 OBI 出现异常(3)条件覆盖Test 1 2 1 5 OACI 你的输入不能构成三角形Test 2 3 4 5 OADEI 一般的三角形Test 3 3 3 4 OADFGI 是等腰Test 4 3 3 3 OADFHI 是等边Test 5 0 0 0 OBI 出现异常(4)判定/条件覆盖a b c 路径输出结果Test 1 2 1 5 OACI 你的输入不能构成三角形Test2 5 2 1 OACI 你的输入不能构成三角形Test 3 2 5 1 OACI 你的输入不能构成三角形Test 4 3 4 5 OADEI 一般的三角形Test 5 3 3 4 OADFGI 是等腰Test 6 4 3 3 OADFGI 是等腰Test 7 3 4 3 OADFGI 是等腰Test 8 3 3 3 OADFHI 是等边Test 9 0 1 2 OBI 出现异常Test 10 2 0 1 OBI 出现异常Test11 1 2 0 OBI 出现异常(5)路径覆盖a b c 路径输出结果Test 1 2 1 5 OACI 你的输入不能构成三角形Test 2 3 4 5 OADEI 一般的三角形Test 3 3 3 4 OADFGI 是等腰Test 4 3 3 3 OADFHI 是等边Test 5 0 1 2 OBI 出现异常。
黑盒白盒测试学院:计算机科学与工程专业:软件工程姓名:张子晗学号: 152210702236软件测试计划测试目的1. 练习并掌握软件测试管理的一般过程与步骤2. 掌握测试管理的人工过程和能通过相关管理软件实现以下操作:1) 创建和管理多个测试组和用户2) 配置测试环境,编写详细测试计划,安排测试进度3) 实施测试,执行测试4) 对测试进行评估测试题目关于三角形问题的测试测试方法1. 对于主题进行黑盒测试,测试内容包括等价类划分测试,边界值分析测试,决策表方法使用。
2. 对于主题进行白盒测试,测试内容包括语句覆盖测试,分支覆盖测试,条件覆盖测试,分支/ 条件覆盖测试,条件组合覆盖测试以及基本路径测试。
测试资料1. 黑盒测试:黑盒测试也称功能测试,它是通过测试来检测每个功能是否都能正常使用。
在测试中,把程序看作一个不能打开的黑盒子,在完全不考虑程序内部结构和内部特性的情况下,在程序接口进行测试,它只检查程序功能是否按照需求规格说明书的规定正常使用,程序是否能适当地接收输入数据而产生正确的输出信息。
黑盒测试着眼于程序外部结构,不考虑内部逻辑结构,主要针对软件界面和软件功能进行测试。
黑盒测试是以用户的角度,从输入数据与输出数据的对应关系出发进行测试的。
很明显,如果外部特性本身设计有问题或规格说明的规定有误,用黑盒测试方法是发现不了的。
2. 白盒测试:白盒测试又称结构测试、透明盒测试、逻辑驱动测试或基于代码的测试。
白盒测试是一种测试用例设计方法,盒子指的是被测试的软件,白盒指的是盒子是可视的,你清楚盒子内部的东西以及里面是如何运作的。
"白盒 "法全面了解程序内部逻辑结构、对所有逻辑路径进行测试。
"白盒 "法是穷举路径测试。
在使用这一方案时,测试者必须检查程序的内部结构,从检查程序的逻辑着手,得出测试数据。
贯穿程序的独立路径数是天文数字。
采用什么方法对软件进行测试呢 ?常用的软件测试方法有两大类 :静态测试方法和动态测试方法。
辽宁工程技术大学上机实验报告实验分析续开始(a+b>c)&&(a+c>b)&&(b+c>a)a==b || a==c || b==cYa==c && a==b && b==cY不是三角形N普通三角形N等腰三角形N等边三角形Y结束abcdefg12345678图1-1 三角形组成问题程序流程图一.判定覆盖法1.判定覆盖:设计足够多的测试用例,使得程序中的每一个判断至少获得一次“真”和一次“假”,即使得程序流程图中的每一个真假分支至少被执行一次。
(1)测试用例表1-1 判定覆盖测试用例测试用例 a b c 判断语句1 判断语句2 判断语句3 执行路径测试用例1 5 5 5 真(T)真(T)真(T)abcd 测试用例2 2 4 1 假(F)——ag 测试用例3 2 4 5 真(T)假(F)—abe 测试用例4 6 6 2 真(T)真(T)假(F)abcf (2)测试用例运行结果截图测试用例1图1-2测试用例1实验分析续测试用例2图1-3测试用例2测试用例3图1-4测试用例3测试用例4图1-5测试用例4二.利用路径覆盖分析三角形组成问题基本路径测试方法(1)控制流图12654378图2-1 三角形组成的控制流图(2)环形复杂度方法一:V(G)=3(封闭区域)+1=4方法二:V(G)=10(边数)—8(节点)+2=4方法三:V(G)=3(判定节点1、2、3)+1=4实验分析续(3)独立路径根据上面的计算结果,可导出基本路径集,列出程序的独立路径,可得出程序段的的基本路径集中有4条独立路径,每条独立路径为一个独立的测试用例。
路径如下。
路径1:①→②→③→⑤→⑧路径2:①→②→③→⑥→⑧路径3:①→②→④→⑧路径4:①→⑦→⑧(4)设计测试用例根据(3)中的独立路径,设计测试用例输入数据和预期输出。
设计的测试用例如表2-1所示表2-1 设计的测试用例用例名称输入数据预期输出测试用例1 a=6 b=6 c=6 等边三角形测试用例2 a=8 b=8 c=3 等腰三角形测试用例3 a=2 b=3 c=4 普通三角形测试用例4 a=3 b=5 c=1 不是三角形(5)测试用例运行结果截图测试用例1图2-2测试用例1测试用例2图2-3测试用例2测试用例3图2-4测试用例3测试用例4图2-5测试用例4教师评语。
实验4 三角形问题的白盒测试一、实验目的:通过实验掌握白盒测试技术,能够使用语句覆盖、判定覆盖、条件覆盖、条件/判定覆盖和条件组合覆盖设计测试用例。
二、实验内容及要求1、根据实验一的三角形问题编写程序;2、画出程序流程图,分析并确定程序分支;3、设计分别满足语句覆盖、判定覆盖、条件覆盖、条件/判定覆盖和条件组合覆盖的测试用例;4、用测试用例对程序进行测试,记录测试结果,并对结果进行分析,如果存在缺陷则修改程序,继续测试;1、根据实验一的三角形问题编写程序;using System;using System.Collections.Generic;using ponentModel;using System.Data;using System.Drawing;using System.Linq;using System.Text;using System.Windows.Forms;using System.Text.RegularExpressions;namespace三{public partial class Form1 : Form{public Form1(){InitializeComponent();}private class TT{public bool b(string s){string pattern = "^[0-9]*$";Regex rx = new Regex(pattern);return rx.IsMatch(s);}}private void button1_Click_1(object sender, EventArgs e){if (textBox1.Text == "" || textBox2.Text == "" || textBox3.Text == ""){MessageBox.Show("边长不能为空!!", "警告");}else{TT t = new TT();string a = textBox1.Text;string b = textBox2.Text;string c = textBox3.Text;if (!t.b(a) || !t.b(b) || !t.b(c)){MessageBox.Show("只能输入1到100间的数字!!", "警告");textBox1.Text = "";textBox2.Text = "";textBox3.Text = "";textBox1.Focus();}else{int a1 = int.Parse(a);int b1 = int.Parse(b);int c1 = int.Parse(c);if (a1 > 100 || a1 <= 0 || b1 > 100 || b1 <= 0 || c1 > 100 || c1 <= 0) {MessageBox.Show("只能输入1到100间的数字!!", "警告");textBox1.Text = "";textBox2.Text = "";textBox3.Text = "";textBox1.Focus();}else{if (a1 >= b1 + c1 || b1 >= a1 + c1 || c1 >= a1 + b1){label4.Text = "不是三角形";}else{if ((a1 * a1 == b1 * b1 + c1 * c1) || (b1 * b1 == a1 * a1 + c1 * c1) || (c1 * c1 == a1 * a1 + b1 * b1)){label4.Text = "直角三角形";}else{if (a1 == b1 && b1 == c1 && a1 == c1){label4.Text = "等边三角形";}else if (a1 == b1 || b1 == c1 || a1 == c1) {label4.Text = "等腰三角形";}else{label4.Text = "普通三角形";}}}}}}}}}2、画出程序流程图,分析并确定程序分支;3、设计分别满足语句覆盖、判定覆盖、条件覆盖、条件/判定覆盖和条件组合覆盖的测试用例。
辽宁工程技术大学上机实验报告成绩实验名称实验四三角形组成问题程序的白盒测试3开始a1(a+b>c)&&(a+c>b)&&(b+c>a)Y2bNa==b || a==c || b==c ge Y c N3a==c && a==b && b==c f N实验4567Y d分析续不是三角形等边三角形普通三角形等腰三角形8结束图1-1 三角形组成问题程序流程图一. 判定覆盖法1.判定覆盖:设计足够多的测试用例,使得程序中的每一个判断至少获得一次“真”和一次“假”,即使得程序流程图中的每一个真假分支至少被执行一次。
(1)测试用例表1-1 判定覆盖测试用例测试用例a b c 判断语句1 判断语句2 判断语句3 执行路径abcd 测试用例1 5 真(T真(T真())T)5 5 测试用例2 2 F假()——ag 4 1测试用例3 2 4 T真()F假()—abe 5测试用例4 6 abcf6 2)T真(T真()F假()(2)测试用例运行结果截图测试用例1图1-2测试用例1测试用例2图1-3测试用例2图1-4测试用例3测试用例 4图1-5测试用例4二.利用路径覆盖分析三角形组成问题基本路径测试方法实验(分析1)控制流图续12345678三角形组成的控制流图图2-1)环形复杂度(2+1=4=3(封闭区域)V (G)方法一:+2=4 (节点)(边数)—8)方法二:V(G=10+1=4 )3、2、1(判定节点=3)G(V方法三:续图2-2测试用例1 测试用例2图2-3测试用例2测试用例3图2-4测试用例3测试用例4图2-5测试用例4教师评语。
实验报告黑龙江大学教务处测试计划(GB8567——88)1引言1.1编写目的掌握软件测试技术中白盒测试方法;掌握如何进行单元测试。
1.2背景说明:a.Window s XP,VC++;b.阅读客户的需求说明文档;1.3定义a:三角型的第一条边b:三角型的第二条边c:三角型的第三条边普通三角形:三边都不相等的三角形等腰三角形:有任意两边相等的三角形等边三角形:三边相等的三角形1.4参考资料1.《软件测试教程》.宫云战.机械工业出版社2008年9月2.《软件测试技术》.曲朝阳.中国水利水电出版社2006年8月2计划2.1软件说明输入三个整数 a , b , c 分别作为三边的边长构成三角形.通过程序判定所构成的三角形的类型,当此三角形为一般三角形,等腰三角形及等边三角形时,分别作计算:(1)整数(2)三个数(3)非零数(4)正数(5)两边之和大于第三边(6)等腰(7)等边如果 a , b , c 满足条件( 1 ) ~ ( 4 ),则输出下列四种情况之一:如果不满足条件(5),则程序输出为" 非三角形" .如果三条边相等即满足条件(7),则程序输出为" 等边三角形" .如果只有两条边相等,即满足条件(6),则程序输出为" 等腰三角形" .如果三条边都不相等,则程序输出为"一般三角形"2.2测试内容测试内容:1.import java.util.Scanne r;2.public classabc {3. public static void main(String args[]) {4. String str1 = "";5. String str2 = "";6. String str3 = "";7. int a, b, c;8. Scanne r input= new Scanne r(System.in);9. System.out.printf("请输入三角形的三条边,以空格换行:\n");10 str1 = input.next();11. str2 = input.next();12 str3 = input.next();13. if (str1.matche s("\\d+") && str2.matche s("\\d+")14 && str3.matche s("\\d+")) {15 a = Intege r.parseI nt(str1);16 b = Intege r.parseI nt(str2);17 c = Intege r.parseI nt(str3);18 if (a + b > c && a + c > b && b + c > a) {19 if (a == b || a == c || b == c) {20 if (b == c && a == c)21 System.out.printf("等边三角形\n");22 else23 System.out.printf("等腰三角形\n");24 } else25 System.out.printf("一般三角形\n");26 } else {27 System.out.printf("不构成三角形\n");28 }29 } else {30 System.out.print("请输入整型数字");31 }32 }33 }2.3测试12.3.1进度安排预计3天测试完毕;2.3.2条件Window s XP,VC++;2.3.3测试资料a.《软件测试教程》.宫云战.机械工业出版社2008年9月b.《软件测试技术》.曲朝阳.中国水利水电出版社2006年8月2.3.4测试培训《软件测试》第4章白盒测试及其用例的设计3测试设计说明3.1测试1此项测试采用白盒测试方法来测试该功能3.1.1控制程序流程图如下:数据流图如下:环域复杂度:5(4个判定条件)路径1:13,18,19,20,21,33;路径2:13,18,19,20,23,33;路径3:13,18,19,25,33;路径4:13,18,27,33;路径5:13,30,333.1.2输入测试用例:编号输入的a,b,c值预期输出1 a=3,b=3,c=3; 等边三角形2 a=3,b=3,c=4; 等腰三角形3 a=3,b=4,c=5; 一般三角形4 a=1,b=2,c=3 不构成三角形5 a=asb,b=2,b=4 类型不是数字3.1.3过程此程序经过编译链接后无错误提示,即可运行,手动输入上面各组数据,观察结果4评价准则4.1范围此次测试利用白盒测试中的路径测试方法建立了测试用例,虽然覆盖了所有的独立路径,但是没有覆盖所有的语句。
一.三角形问题:1.import java.util.Scanner;2. public class test3.{4. public static void main(String[] args)5. {6. Scanner input=new Scanner(System.in);7. System.out.print("Enter 3 integers which are sides of a triangle:");8. double a=input.nextDouble();9. double b=input.nextDouble();10. double c=input.nextDouble();11 int sign1=0,sign2=0;12 if(a>0&&b>0&&c>0&&a<200&&b<200&&c<200){13 if(a+b>c&&a+c>b&&b+c>a){14 if(a==b&&a==c) //F1115. System.out.print("是等边三角形");16. else{17 if(a==b||b==c||a==c) //1418 sign1=1;19 if(a*a+b*b==c*c||a*a==b*b+c*c||b*b==c*c+a*a) //1720 sign2=1;21 if(sign1==1&&sign2==1)22 System.out.print("是等腰直角三角形");23 else if(sign1==0&&sign2==1)24 System.out.print("是直角三角形");25 else if(sign1==1&&sign2==0)26 System.out.print("是等腰三角形");27 else System.out.print("是一般三角形");}}28 else System.out.print("not a Triangle");}29 else System.out.print("input is error!");}30.}1.语句覆盖:条件1:a>0 2:b>0 3:c>04: a< 200 5: b<200 6:c<2007:a+b>c 8:a+c>b 9:b+c>a10:a=b 11:a=c 12:a=b13:b=c 14:a=c 15: a*a+b*b==c*c 16:a*a==b*b+c*c 17:b*b==c*c+a*a 18: sign1=1 19:sign2=1 20:sign1=0 21:sign2=122:sign1=1 23:sign2=02.判定覆盖:3.条件覆盖:4.路径覆盖:5.条件判定覆盖:6.条件组合覆盖:数据流测试基路径:ABDABCFABCEH ABCEIJKLMN ABCEIJKLMOP ABCEIJKLMOQR ABCEIJKLMOQS圈复杂度:6+1=7下一天问题:package z;import java.util.Scanner;import javax.swing.JOptionPane;public class NextDate{public static void main(String[] args){int tomDay ,tomMonth ,tomYear ;int day,month,year;System.out.println("Enter today's date in the form MM DD YYYY");Scanner input=new Scanner(System.in);1 month=input.nextInt();2 day=input.nextInt();3 year=input.nextInt();4 if(day<1||day>31||month<1||month>12||year<1812||year>2012){5 System.out.println("输入错误");}6 else{7 switch(month){8 case 1:9 case 3:10 case 5:11 case 7:12 case 8:13 case 10:14 if(day<31){15 tomDay=day+1;16 tomMonth=month;17 tomYear=year;18 System.out.println(month+":"+day+":"+year+"的下一天是"+tomMonth+":"+tomDay+":"+tomYear);}19 else{20 tomDay=1;21 tomMonth=month+1;22 tomYear=year;23 System.out.println(month+":"+day+":"+year+"的下一天是"+tomMonth+":"+tomDay+":"+tomYear);}24 break;25 case 4:26 case 6:27 case 9:28 case 11:29 if(day<30){30 tomDay=day+1;31 tomMonth=month;32 tomYear=year;33 System.out.println(month+":"+day+":"+year+"的下一天是"+tomMonth+":"+tomDay+":"+tomYear);}34 else if(day==30){35 tomDay=1;36 tomMonth=month+1;37 tomYear=year;38 System.out.println(month+":"+day+":"+year+"的下一天是"+tomMonth+":"+tomDay+":"+tomYear);}39 else{40 System.out.println("输入错误");}41 break;42 case 12:43 if(day<31){44 tomDay=day+1;45 tomMonth=month;46 tomYear=year;47 System.out.println(month+":"+day+":"+year+"的下一天是"+tomMonth+":"+tomDay+":"+tomYear);}48 else{49 tomDay=1;50 tomMonth=1;51 tomYear=year+1;52 System.out.println(month+":"+day+":"+year+"的下一天是"+tomMonth+":"+tomDay+":"+tomYear);}53 break;54 case 2:55 if(day<28){56 tomDay=day+1;57 tomMonth=month;58 tomYear=year;59 System.out.println(month+":"+day+":"+year+"的下一天是"+tomMonth+":"+tomDay+":"+tomYear);}60 else if(day==28){61 if((year%4==0&&year%100!=0)||(year%400==0)){62 tomDay=29;63 tomMonth=month;64 tomYear=year;65 System.out.println(month+":"+day+":"+year+"的下一天是"+tomMonth+":"+tomDay+":"+tomYear);}66 else{67 tomDay=1;68 tomMonth=month+1;69 tomYear=year;70 System.out.println(month+":"+day+":"+year+"的下一天是"+tomMonth+":"+tomDay+":"+tomYear);}}71 else if(day==29){72 if((year%4==0&&year%100!=0)||(year%400==0)){73 tomDay=1;73.5 tomMonth=month+1;74 tomYear=year;74.5 System.out.println(month+":"+day+":"+year+"的下一天是"+tomMonth+":"+tomDay+":"+tomYear);}75 else76 System.out.println("输入错误");}77 else{78 System.out.println("输入错误");}79 break;}}}80 }DD路径图路径覆盖:用例等同于语句覆盖条件覆盖:条件1:day<1 2:day>31 3:month<1 4:month>12 5:year<1812 6:year>20127:month=1 8:month=3 9:month=5 10:month=7 11:month=8 12:month=10 13:day<31 14:month=4 15:month=6 16:month=9 17:month=11 18:day<30 19:day=30 20:month=12 21 :day<31 22:month=2 23:day<28 24:day=2825:year%4=0 26:year%100!=0 27:year%400=0 28:day=29 29: year%4=0 30: year%100!=0 31: year%400=0程序设计问题:导致不能覆盖F22判定覆盖:条件组合覆盖数据流测试基路径:ABACDFU ABCDGU ACEHKV ACEHLOV ACEHLPV ACEIMQW ACEIMQW ACEIJNSX6 ACEIJNTXZX6 ACEIJNTXX1X6 ACEIJNTYX2X4X6 ACEIJNTYX2X5X6 ACEIJNTYX3X6定义使用路径佣金问题#include <iostream>using namespace std;int main(){1 int a = 45, b = 30, c = 25;//变量a,b,c分别为枪机枪托枪管的价格2 int locks, stocks , barrels ;3 double sum;4 cout<<"请输入已销售的枪机的数量,1-70个之间:"<<endl;5 cin>>locks;6 if (locks > 70 || locks < 1)7 cout<<"输入枪机数不合法,请输入1-70之间的个数!"<<endl;8 else{9 cout<<"请输入枪托的数量,1-80个之间:"<<endl;10 cin>>stocks;11 if (stocks > 80 || stocks < 1)12 cout<<"输入枪托数不合法,请输入1-80之间的个数!"<<endl;13 else{14 cout<<"请输入枪管的数量,1-90个之间:"<<endl;15 cin>>barrels;16 if (barrels > 90 || barrels < 1)17 cout<<"输入枪管数不合法,请输入1-90之间的个数!"<<endl;18 else{19 if ((locks * a + stocks * b + barrels * c) <= 1000){20 sum = (locks * a + stocks * b + barrels * c) * 0.1;}21 else if ((locks * a + stocks * b + barrels * c) > 1000 && (locks * a+ stocks * b + barrels * c) <= 1800)//大于1000不超过1800的部分{22 sum = 100 + ((locks * a + stocks * b + barrels * c) - 1000) *0.15;}23 else24 sum = 220 + ((locks * a + stocks * b + barrels * c) - 1800) *0.2;25 cout<<"枪机" << locks <<"个"<<endl;26 cout<<"枪托" << stocks << "个"<<endl;27 cout<<"枪管" << barrels << "个"<<endl;28 cout<<"销售总额" << (locks * a + stocks * b + barrels * c) << "个"<<endl;29 cout<<"佣金" << sum << "元"<<endl;}}}30 return 0;31 }判定覆盖条件locks > 70|| locks < 1为真简称T1,假为F1;条件stocks > 80 ||stocks < 1为真简称T2,假为F2;条件barrels > 90|| barrels < 1为真简称T3,假为F3;条件(locks * a + stocks * b + barrels * c) <= 1000为真简称T4,假为F4;条件(locks * a + stocks * b + barrels * c) > 1000 && (locks * a + stocks * b + barrels条件覆盖条件:locks > 70 真为T1,假为F1;条件locks < 1 真为T2,假为F2;条件stocks > 80 真为T3,假为F3;条件stocks < 1 真为T4,假为F4;条件barrels > 90 真为T5,假为F5;条件 barrels < 1 真为T6,假为F6;条件(locks * a + stocks * b + barrels * c) <= 1000 真为T7,假为F7;条件(locks * a + stocks * b + barrels * c) > 1000 真为T8,假为F8;条件(locks * a + stocks * b + barrels * c) <= 1800 真为T9,假为F9;判定/条件覆盖组合覆盖路径覆盖总用例设计为基路径:ABCDEFGOALOABMOABCNOABCDHGOABCDEIGO圈复杂度;n=DD路径图圈数+1=5+1=6。
白盒测试实例之一——需求说明三角形的问题在很多软件测试的书籍中都出现过,问题虽小,五脏俱全,是个很不错的软件测试的教学例子。
本文借助这个例子结合教学经验,从更高的视角来探讨需求分析、软件设计、软件开发与软件测试之间的关系与作用。
题目:根据下面给出的三角形的需求完成程序并完成测试:一、输入条件:1、条件1:a+b>c2、条件2:a+c>b3、条件3:b+c>a4、条件4:0<a<2005、条件5:0<b<2006、条件6:0<c<2007、条件7:a==b8、条件8:a==c9、条件9:b==c10、条件10:a2+b2==c211、条件11:a2+ c2== b212、条件12:c2+b2== a2二、输出结果:1、不能组成三角形2、等边三角形3、等腰三角形4、直角三角形5、一般三角形6、某些边不满足限制白盒测试实例之二——答案很多初学者一看到这个需求,都觉得很简单,然后立刻就开始动手写代码了,这并不是一个很好的习惯。
如果你的第一直觉也是这样的,不妨耐心看到文章的最后。
大部分人的思路:1、首先建立一个main函数,main函数第一件事是提示用户输入三角形的三边,然后获取用户的输入(假设用户的输入都是整数的情况),用C语言来写,这一步基本上不是问题(printf和scanf),但是要求用java来写的话,很多学生就马上遇到问题了,java5.0及之前的版本不容易获取用户的输入。
点评:这样的思路做出来的程序只能通过手工方式来测试所有业务逻辑,而且这个程序只能是DOS 界面版本了,要是想使用图形化界面来做输入,就得全部写过代码。
2、业务处理流程的思路用流程图表示如下:3、15. else16. {17. if(a==b || b==c || a==c)18. {19. printf("2是等腰三角形");20. }21. else22. {23. if(a*a+b*b==c*c || a*a+c*c==b*b || b*b+c*c==a*a)24. {25. printf("3是直角三角形");26. }27. else28. {29. printf("4是一般三角形");30. }31. }32. }33. }34. else35. {36. printf("5不能组成三角形");37. }38. }39. else40. {41. printf("6某些边不满足限制");42. }43. }白盒测试实例之三——需求分析需求分析是后续工作的基石,如果分析思路有问题,后续工作可能就会走向不正确的方向,比如:代码重用性差、难于测试、难于扩展和难于维护等。
三角形程序白盒测试三角形判断问题白盒测试一、问题描述针对三角形的形状判定程序设计测试用例,进行白盒测试。
假定这里构成三角形的边取值只能为整数。
程序判定的类型有:1、输入不能构成整数边的三角形输入数据不是数字输入不为整数输入数据不能构成三角形2、等边三角形3、等腰三角形4、普通三角形二、实验目的(1)掌握白盒测试的原理;(2)掌握使用逻辑覆盖和基路径测试等设计测试用例的方法;(3)掌握单元测试的方法步骤;(4)掌握控制流图的画法和通过控制流图找出基路径的方法。
三、实验环境平台:win10 64位环境:Eclipse(neon版本)四、实验过程(一)编写判定三角形类别的程序:if ((a+b>c)&&(b+c>a)&&(a+c>b)){//判断可以构成三角形if((b==c)&&(a==b)){return 1;//等边三角形}if((a==b)||(b==c)||(c==a)){return 2;//等腰三角形}return 3;//普通三角形}return 0;//非三角形}主函数调用代码:shape = DefiniteShape(a,b,c);if(shape==0){System.out.println("输入数据不能构成三角形!"); }elseif(shape==1){System.out.println("等边三角形!");}elseif(shape==2){System.out.println("等腰三角形!");}elseif(shape==3){System.out.println("普通三角形!");}(二)画出程序流程图:(三)画出控制流图:(四)逻辑覆盖测试:1)a为数字2)b为数字3)c为数字4)a为整数5)b为整数6)c为整数7)a+b>c8)b+c>a9)a+c>b10)a==b11)b==c12)a==c所有测试用例(覆盖率达到100%)五、编写测试代码基本思路:将测试用例存入txt文件→读文件→判断→输出。
辽宁工程技术大学上机实验报告
实验分析续
开始
(a+b>c)&&(a+c>b)&&(b+c>a)
a==b || a==c || b==c
Y
a==c && a==b && b==c
Y
不是三角形
N
普通三角形
N
等腰三角形
N
等边三角形
Y
结束
a
b
c
d
e
f
g
1
2
3
4567
8
图1-1 三角形组成问题程序流程图
一.判定覆盖法
1.判定覆盖:设计足够多的测试用例,使得程序中的每一个判断至少获得一次“真”和一次“假”,即使得程序流程图中的每一个真假分支至少被执行一次。
(1)测试用例
表1-1 判定覆盖测试用例
测试用例 a b c 判断语句1 判断语句2 判断语句3 执行路径测试用例1 5 5 5 真(T)真(T)真(T)abcd
测试用例2 2 4 1 假(F)——ag
测试用例3 2 4 5 真(T)假(F)—abe
测试用例4 6 6 2 真(T)真(T)假(F)abcf (2)测试用例运行结果截图
测试用例1
图1-2测试用例1
实验分析续测试用例2
图1-3测试用例2
测试用例3
图1-4测试用例3
测试用例4
图1-5测试用例4
二.利用路径覆盖分析三角形组成问题
基本路径测试方法
(1)控制流图
1
2
6
5
4
3
7
8
图2-1 三角形组成的控制流图
(2)环形复杂度
方法一:V(G)=3(封闭区域)+1=4
方法二:V(G)=10(边数)—8(节点)+2=4
方法三:V(G)=3(判定节点1、2、3)+1=4
用例名称输入数据预期输出测试用例1 a=6 b=6 c=6 等边三角形测试用例2 a=8 b=8 c=3 等腰三角形测试用例3 a=2 b=3 c=4 普通三角形测试用例4 a=3 b=5 c=1 不是三角形。