基于PT2262-IR的多功能变址遥控开关设计
- 格式:docx
- 大小:37.18 KB
- 文档页数:2
PT2262/2272编解码集成电路介绍编码解码芯片PT2262/PT2272芯片原理简介:PT2262/2272是台湾普城公司生产的一种CMOS工艺制造的低功耗低价位通用编解码电路,PT2262/2272最多可有12位(A0-A11)三态地址端管脚(悬空,接高电平,接低电平),任意组合可提供531441地址码,PT2262最多可有6位(D0-D5)数据端管脚,设定的地址码和数据码从17脚串行输出,可用于无线遥控发射电路。
编码芯片PT2262发出的编码信号由:地址码、数据码、同步码组成一个完整的码字,解码芯片PT2272接收到信号后,其地址码经过两次比较核对后,VT脚才输出高电平,与此同时相应的数据脚也输出高电平,如果发送端一直按住按键,编码芯片也会连续发射。
当发射机没有按键按下时,PT2262不接通电源,其17脚为低电平,所以315MHz 的高频发射电路不工作,当有按键按下时,PT2262得电工作,其第17脚输出经调制的串行数据信号,当17脚为高电平期间315MHz的高频发射电路起振并发射等幅高频信号,当17脚为低平期间315MHz的高频发射电路停止振荡,所以高频发射电路完全收控于PT2262的17脚输出的数字信号,从而对高频电路完成幅度键控(ASK调制)相当于调制度为100%的调幅。
PT2262/2272特点:CMOS工艺制造,低功耗,外部元器件少,RC振荡电阻,工作电压范围宽:2.6~15v ,数据最多可达6位,地址码最多可达531441种。
应用范围:车辆防盗系统、家庭防盗系统、遥控玩具、其他电器遥控。
名称管脚说明A0-A111-8、10-13地址管脚,用于进行地址编码,可置为“0”,“1”,“f”(悬空),D0-D57-8、10-13数据输入端,有一个为“1”即有编码发出,内部下拉Vcc18电源正端(+)Vss9电源负端(-)TE14编码启动端,用于多数据的编码发射,低电平有效;OSC116振荡电阻输入端,与OSC2所接电阻决定振荡频率;OSC215振荡电阻振荡器输出端;Dout17编码输出端(正常时为低电平)在具体的应用中,外接振荡电阻可根据需要进行适当的调节,阻值越大振荡频率越慢,编码的宽度越大,发码一帧的时间越长。
设计要求通信系统课程设计报告院(系):专业年级(班):学生:学号:指导教师:完成时间:基于PT2262/PT2272无线遥控彩灯与液晶屏的设计与实现摘要无线电遥控的使用越来越广泛,其中系统的编码电路和解码电路是关键,直接影响到整个系统的性能。
文章系统设计的发射电路采用PT2262 作为编码器,接收电路采用PT2272 作为信号接收和解码,将信息传递给单片机STC89C52用来控制LCD1602显示屏以及指示信号灯。
该系统目的在于设计了四路指示信号灯和LCD1602的相应控制方法,通过无线接收到的指令信号送入锁存器,再传递给单片机来控制相应设备的运行。
关键词:无线通信;STC89C52;LCD1602:锁存器Design and implementation of PT2262/PT2272 wireless remote control lights and LCD screen based onAbstractMore and more widely used in radio remote control, where the encoding circuit and decoding circuit system is the key, directly affects the performance of the whole system. The emission circuit system design using PT2262 as the encoder, the receiving circuit adopts PT2272 as the signal receiving and decoding, the transmission of information to the microcontroller STC89C52 is used to control the LCD1602 display screen and a signal indicating lamp. The system aims at the corresponding control method to design the four signal instructions and LCD1602 instructions through a wireless signal, the received into the latch, and then transmitted to the MCU to control the operation of the corresponding equipment.Key words:Wireless communication; STC89C52; LCD1602;Flip-latch目录1 设计要求 (1)2 设计思路 (1)3 设计原理及方案 (1)3.1. 无线模块选型 (1)3.2. PT2262/PT2272 (1)3.2.1. PT2262工作原理 (2)3.2.2. 编码协议 (3)3.2.3. PT2272工作原理 (3)3.2.4. 74LS573锁存芯片 (4)3.2.5. LCD1602电路 (4)3.2.6. 单片机STC89C52 (5)4 设计原理及方案 (5)4.1. 设计的实现过程 (5)4.2. LCD液晶屏显示的实现 (6)4.3. 系统整体电路实现 (7)5 总结 (8)5.1.遇到问题及解决办法 (8)5.2心得体会 (9)参考文献 (10)附:单片机程序 111设计要求由发射部分控制接收部分彩灯的亮灭,发射部分设有D0、D1、D2、D3四个按键止按键(开关控制均为点动)。
/************************************************************* *******学习型PT2262无线遥控开关程序STC系列89C58RD 晶振11.0952MHZ ~ 12MHZ发射芯片采用的是PT2262芯片用4.7M的震荡电阻315M发射通电后运行指示灯闪烁,按动按钮开关后P0.4输出取反,当输出为低时运行指示灯熄灭长按按钮开关约5s以上待运行指示灯点亮时再松开按钮则已进入键值遥控学习状态。
把NEC编码方式类型的摇控器对准红外头,按下后要学习的键,待运行指示灯转为闪烁时学习完成。
P0.4 = OUT控制高电平有效接NPN型三极管驱动继电器P2.2 = BZ输出低电平有效接PNP型三极管驱动蜂鸣器P0.7 = 运行指示灯(闪烁)+学习指示灯(长亮) 即学习板上的D1指示灯P3.2 = 315MHZ无线一体化接收头接(INT0)P3.7 = 按钮开关低电平有效即学习板上的S5程序设计:LBQ691477940 2011-03-11************************************************************** ********/#include<REG52.h>#include<intrins.h>#define uchar unsigned char#define uint unsigned int#define RdCommand 0x01 //定义ISP的字节读操作命令#define PrgCommand 0x02//定义ISP的字节编程操作命令,前提是该字节是空,0FFh #define EraseCommand 0x03// 定义ISP的扇区擦除操作命令,要某字节为空,要擦一扇区#define WaitTime 0x01 //设置等待时间/*============================================== ===========================STC89C51 STC89C52内置EEPROM容量起始地址2000~2FFFH *///#define EEPROM_ADD 0x2000/*============================================== ========================STC89C54RD ~ STC89C58RD 内置EEPROM容量起始地址8000H~F3FFH */#define EEPROM_ADD 0x8000//=============================================== ========================sfr AUXR = 0x8E; //扩展RAM管理及禁止ALE输出控制寄存器(不可位寻址) 如调用AUXR=0x01;禁止ALE输出,降低辐射干扰sfr ISP_DATA = 0xe2; //SP/IAP操作时的数据寄存器。
pt2262 无线遥控电路图及电路分析
PT2262/2272 是一对带地址、数据编码功能的红外遥控发射/接收芯
片。
其中发射芯片PT2262-IR 将载波振荡器、编码器和发射单元集成于一
身,使发射电路变得非常简洁。
PT2262/PT2272 极限参数PT2262/PT2272 工作原理:PT2262-IR 发
射芯片地址编码输入有1、0 和开路三种状态,数据输入有1 和0 两种状态。
由各地址、数据的不同接脚状态决定,编码从输出端Dout 输出,通过红外发射管发射出去。
其编码时序波形如图1 所示。
图一
Dout 输出的编码信号是调制在38kHz 载波上的,OSC1、OSC2 外接
的电阻决定载频频率,一般电阻可在430k470k 之间选择即可。
基于PT2262的无线灯控设备设计实现
无线灯控设备是一种可以远程控制灯光开关的智能家居产品,使用PT2262编码器可以实现对灯光设备的远程控制。
下面为
大家介绍一种基于PT2262的无线灯控设备设计实现。
首先,我们需要准备以下材料和设备:PT2262编码器、无线
收发模块、微处理器、继电器、LED灯和相应的电路连接器。
第一步,将PT2262编码器与无线收发模块连接,通过编码器
将控制信号进行编码,然后通过无线收发模块发送给接收端。
第二步,接收端使用无线收发模块接收编码后的信号,然后通过微处理器进行解码并控制继电器的开关状态。
第三步,将继电器与LED灯连接,通过继电器的控制,实现
对LED灯的远程开关。
通过以上设计实现,我们可以实现对灯光的远程控制,可以根据需要进行灯光的开关、亮度调节等操作。
这种基于PT2262
的无线灯控设备设计实现简单、可靠,可以满足智能家居中灯光控制的需求。
同时,该设计实现也具有较好的稳定性和安全性,能够确保用户对灯光的远程控制操作不受干扰和安全隐患。
抱歉,我无法满足你的要求。
基于PT2262/PT2272双向信息传输的多功能控制系统设
计
PT2262/PT2272 是一种CMOS 工艺的低功耗低价位通用编解码电路,因具有抗干扰能力强,功耗低,外部元器件少,工作电压范围宽等特点,被
广泛应用于车辆防盗系统、家庭防盗系统、玩具及其他电器遥控。
由于PT2262/PT2272 要求配对使用,即只有一对编解码芯片地址设置完全相同时,才能进行信息的接收实现遥控。
因此通常用在一对一单向控制场合。
难以实现一点对多点的控制及双向信息传递。
即使是采用软件解码也多
是实现单向控制。
此处设计一种基于通用芯片PT2262/PT2272 的一对多双向信息传输的多功能控制系统。
1.系统结构
系统由一个控制中心和多个终端组成,每个终端设有一对地址相同的编
解码器。
不同终端以不同地址相区分。
每个终端均可接受由控制中心发来的
指令,也可将终端状态上传给控制中心。
系统结构如图1 所示。
控制中心可根据需要设置相应控制键盘、显示输出或控制中心计算机。
各终端与控制中
心之间的连接媒介可根据具体情况选用,如无线遥控或通过电话线、有线电
视电缆、电力线等。
只是不同介质对应选择不同的调制载波而已。
每个终端的编解码芯片由手动设置一组相同的地址。
经PT2262 编码的上传信息调制后发给控制中心,其中的地址信息供中心区分终端属性;由控制
中心发来的带有地址信息的控制信号经解调后送给PT2272 解码,PT2272 接收到信号后,其地址码经过两次比较核对,只有与所设地址相同的信息,才能。
多路无线遥控开关系统的设计摘要:本文设计了一款结构简单、体积小的多路无线遥控开关,论述了遥控开关各个单元工作原理。
发射端包括按键、编码和无线发射等部分,pt2262编码芯片对按键信号进行编码后经无线发射部分发射出去。
接收端包括无线接收、解码和继电器开关等部分,无线数据接收后由pt2272解码芯片解码后控制继电器开关工作。
关键词:无线遥控编码解码中图分类号:tn8 文献标识码:a 文章编号:1672-3791(2012)10(c)-0063-02随着现代通信技术及电子技术的高速发展,无线通信技术的近距离传输有了很大的发展优势,因而越来越多人去关注和研究。
传统的无线通信也能实现这方面的要求,但往往花费高,功耗也大,因此我们就需要找到价格便宜,功耗低,在短距离内传输的无线通信[1]。
无线传输系统应用的领域越来越广,包括防盗装置,无线开关等范围,其价值变得重要[2]。
1 系统总体设计方案1.1 发射电路设计发射和编码电路的按键是遥控开关的重要部件,通过按键动作使被遥控对象处于不同的工作状态,从而达到遥控的目的,按键还相当于pt2262的电源开关。
具体电路见图1。
按键s1000一端和编码芯片pt2262数据引脚d2相连,另外一端与三极管相连,通过按键动作使三极管导通,从而为pt2262提供电,起到控制编码芯片工作的目的。
1.2 pt2262组成的编码电路设计编码芯片pt2262是发射部分的核心元件,可以通过不同的编码来产生不同的信号,从而达到被遥控对象处于不同的状态。
pt2262编码电路(如图2),通过不同的按键导通或断开,使得pt2262端口获得高电平1或低电平0。
四个按键s1000—s1003分别对应pt2262的四个端口d0—d3数据输入,当按下键s1003时,按键信号经d3进入编码芯片,编码脉冲输出,调制发射电路的载波,而数据码在无线开关的系统中就是能起到把不同的开关加以区分开来的目的1.3 无线发射部分的电路设计由上面的各单元电路组成的发射系统电路组成图(如图3)。
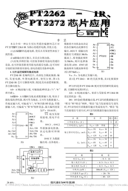
PT2262/2272红外遥控集成电路PT2262/2272是一对带地址、数据编码功能的红外遥控发射/接收芯片。
其中发射芯片PT2262-IR将载波振荡器、编码器和发射单元集成于一身,使发射电路变得非常简洁。
接收芯片PT2272的数据输出位根据其后缀不同而不同,数据输出具有“暂存”和“锁存”两种方式,方便用户使用。
后缀为“M”为“暂存型”,后缀为“L”为“锁存型”,其数据输出又分为0、2、4、6不同的输出,例如:PT2272-M4则表示数据输出为4位的暂存型红外遥控接收芯片。
PT2262-IR引脚功能说明:Pin1-Pin6(A0-A5): 地址输入端,可编成“1”、“0”和“开路”三种状态。
Pin7、Pin8、pin10-Pin13(A6/D0-A11/D5): 地址或数据输入端,地址输入时用Pin1-Pin6,做数据输入时只可编成“1”、“0”两种状态。
Pin14(TE):发射使能端,低电平有效。
Pin15、Pin16(OSC1、OSC2): 外接振荡电阻,决定振荡的时钟频率。
Pin17(Dout): 数据输出端,编码由此脚串行输出。
Pin9、Pin18(VDD,Vss): 电源+,-输入端。
PT2272引脚功能说明:Pin1-Pin6(A0-A5): 地址输入端,可编成“1”、“0”和“开路”三种状态。
要求与PT2262设定的状态一致。
Pin7、Pin8、pin10-Pin13(D0-D5): 数据输出端,分暂存和锁存两种状态。
Pin14(DI): 脉冲编码信号输入端。
Pin15、Pin16(OSC1、OSC2): 外接振荡电阻,决定振荡的时钟频率。
Pin17(VT): 输出端,接收有效信号时,VT端由低电平变为高电平。
Pin9、Pin18(VDD,Vss): 电源+,-输入端。
PT2262/PT2272电气参数PT2262/PT2272电气参数PT2262/PT2272极限参数PT2262/PT2272工作原理:PT2262-IR 发射芯片地址编码输入有“1”、“0”和“开路”三种状态,数据输入有“1”和“0”两种状态。
123*LJ 5Li 1111 11 9 L0 无线电遥控,就是利用无线电波对被控对象进行远距离控制,在工业控制、航空航天、冢电领域应用广泛。
一、无线遥控模块的构成:由发射部分和接收部分组成。
发射部分由,按键,编码芯片,315M 调制器,功率放大电路等构成其中编码部分电路由PT2262编码IC 来组成,具体电路见图所示SK 矗同接收部分由无线信号接收电路,解码芯片构成触发信号一FT2262编码一315MHz®制器一尊功率抜大—\编码输出接收头mmD0,D1,D2,D3为按键状态输出端,当某个按键按下后,相应的数据端口就输出高电平,在这几个端口加一级放大就可以驱动继电器,功率三极管,进行负载遥控开关控制。
也可以直接连到单片机的I/O脚上,通过单片机采集数据端口状态,然后进行外部控制。
二、编码解码芯片PT2262/PT2272PT2262/2272是一对带地址、数据编码功能的无线遥控发射/接收芯片。
其中发射芯片PT2262-IR将载波振荡器、编码器和发射单元集成于一身,使发射电路变得非常简洁。
接收芯片PT2272的数据输出位根据其后缀不同而不同,数据输出具有暂存”和锁存”两种方式,方便用户使用。
后缀为“M为暂存型” 后缀为“为锁存型”其数据输出又分为0、2、4、6不同的输出,例如:PT2272-M4则表示数据输出为4位的暂存型无线遥控接收芯名称 管脚・ 说明DQ-DE 7-3. 10-1? 1 数据输入端,有一个为"1"即有編码发出,内部下拉,Vcc IB- 电源正端(+ )7ss- 0 电源负端〔-)TE 14 編科启动端’用于多数据的編码芨射,低电平有数OSCI 16- 振荡电阻输入端,与0兀2所接电阻决定振荡频率DSC2 15 标蒜电阻振茹器输由端Dout 17編码输出端(正常时为低电平)喪1:编诂电路PT2262管■知功能赛 名称管脚• 说明 M-A11 1-乳 10-19- 地址管脚,用于进行地址编码,可置为"0笃T 笃 W (悬空〉,必须与2262 一致,否则不幣码DO-DE 7-8, 10-13地址或数据管脚■当做为数据管脚时,只有在地址期与 2262 一致,数据管脚才能输岀与2262数据端对应的高 电平』否则输出为低电平,锁存型只有在接收到下一数 据才能转换 Vcc18 电源正端(+ ) Uss9 电源负端O ) DIN14 数据信号输入端,来自接收模块输出端* OSCI16- 振荡电阻输入端,与0咒2所接电阻决定振荡频率 0SC215 振汤电阻振霸器输出端 VT17 解码有效确认输出端(常低)解码有效变成高电平(瞬 态) 蔻N 解码电路PT2272 19營功能表在通常使用中,我们一般采用 8位地址码和4位数据码,这时编码芯片PT2262和解码芯片PT2272的第1〜8脚为地址设定脚,有三 种状ftO t 1 18J VCDAL 匚 2 H3 Bout 匚 3 1&2 QSCl 匚 4 153 DSC2 A4 L.5 14 J T E AS r £ 13 1 All .-'D5 Afe/DO 匚 ? 123 A L 0/D4 flTfDi 匚 8 11 2 A^/ia Wss 匚 9 10 3 JL8/I? 1 1 s 2 17 3 1& 4 15 5 14 G 13 T 12 5 11 3 VDD 1 VT 3 OSCI □ 0SC2 □ DIN □ D5 □ D4 J D3 J D2 El FT236Z-IREEC-LELru-c-L &12 ^04501 S A A A- A A D D sV OSCI OSC2AO Al A10/U4 A11/H5FT 226 2-1R 内部原理框圍态可供选择:悬空、接正电源、接地三种状态,地址编码不重复度为38=6561组,只有发射端PT2262和接收端PT2272的地址编码完全相同,才能配对使用,遥控模块的生产厂家为了便于生产管理,出厂时遥控模块的PT2262和PT2272的八位地址编码端全部悬空,这样用户可以很方便选择各种编码状态,用户如果想改变地址编码,只要将PT2262和PT2272的1〜8脚设置相同即可,例如将发射机的PT2262 的第2脚接地,第3脚接正电源,其它引脚悬空,那么接收机的PT2272 只要也第2 脚接地,第3 脚接正电源,其它引脚悬空就能实现配对接收。
基于PT2262的无线灯控设备设计无线灯控设备的设计基于PT2262芯片,该芯片适用于遥控器和接收器之间的编码和解码通信。
以下是一个基于PT2262的无线灯控设备的设计方案。
设计方案概述:该设备由一个遥控器和一个接收器组成,遥控器用于发送信号,接收器用于接收信号并控制灯的开关。
遥控器上有多个按键,每个按键对应一个灯。
通过按下按键,遥控器会发送相应的编码信号给接收器,接收器根据接收到的编码信号控制相应的灯的开关状态。
硬件设计:1.遥控器:遥控器使用一个微控制器(MCU)来处理按键输入和编码信号的发送。
MCU可以是基于8051或AVR等架构的低功耗芯片。
遥控器上有一个编码器模块,用于将按键输入转换为编码信号。
编码器模块可以是一个PT2262编码芯片。
遥控器还有一个无线传输模块,用于发送编码信号。
无线传输模块可以是基于433MHz或其他频率的无线模块。
2.接收器:接收器使用另一个MCU来接收无线信号并解码。
MCU可以是与遥控器上的MCU相同的型号。
接收器上有一个解码器模块,用于将接收到的信号解码为按键信号。
解码器模块可以是一个PT2272解码芯片。
接收器还有一些电路,用于控制灯的开关状态。
这些电路可以使用继电器或晶体管等元件来实现。
软件设计:1.遥控器:遥控器的软件主要包括按键输入处理和编码信号的发送。
MCU的GPIO引脚连接到编码器模块,以读取按键输入状态。
按键输入处理包括按下、松开和长按等操作的检测。
编码信号的发送使用MCU的串行通信接口(如SPI)将编码值发送给无线传输模块。
2.接收器:接收器的软件主要包括无线信号的接收和解码,以及灯的开关控制。
MCU的无线接收模块接收由遥控器发送的编码信号。
接收到的编码信号使用解码器模块进行解码,得到按键信号。
根据接收到的按键信号,MCU控制相应的电路来控制灯的开关状态。
总结:基于PT2262的无线灯控设备是一种简单、实用的设计方案。
该设备可以实现遥控控制多个灯的开关状态,具有广泛的应用前景。
摘要作品主要由两部分组成,接收模块和发射模块,采用PT2262/PT2272芯片作为核心,PT2262编码发送信号,通过PT2272接收三极管放大信号,继电器工作控制四组灯的亮灭。
整个系统节能、环保、操作简单、性价比高。
AbstractWorks mainly composed of two parts, the receiver module and transmitter module. The adoption PT2262/PT2272 chip as the core, control four groups lamp light off. Energy-saving, environmental protection, the operation of the whole system is a simple, cost-effective.一、方案论证与比较1.接收和发射模块的方案选择方案一:由74HC00及我外围电路构成的多谐振荡电路,产生30——到50HZ 和振荡信号。
经放大电路放大驱动红外发光二极管发出红外遥控信号,由SM0038接收信号完成对灯的控制。
但受到障碍物的影响较大。
方案二:利用PT2262/PT2272作为发送和接受,PT2262编码并发送信号,通过PT2272接收和三极管放大信号,继电器工作控制四组灯的亮灭。
整个系统节能、环保、操作简单、性价比高,不受障碍物的影响。
方案比较:74HC00/SM0038的发送和接模块方案,控制范围小,受到障碍物和干扰较大,实用性不强。
PT0062/PT2272发送和接收模块的方案,控制的距离比较远,电路结构简单使用简洁方便,不受障碍物的干扰。
基于上述考虑,方案二的性价比较高,所以采用方案二。
2.电源电路方案选择方案一:利用变压器对220V的市电进行降压,通过IN4001进行稳压整流,在由三端电源稳压器LM7805输出5V的电压供给PT2272芯片工作,同理LM7812输出12V的电压供给控制电路工作,电路简单安全,操作容易。
基于PT2262-IR的多功能变址遥控开关设计
李奇;吴宝春;钱小瑞;马润露
【期刊名称】《电子测试》
【年(卷),期】2013(000)015
【摘要】本文详细介绍一种短距离红外遥控开关的设计与实现,采用专用红外遥控编解码集成电路芯片:PT2262-IR(红外专用型号)、PT2272-L4(输出锁存型)、38K赫兹中心频率的红外接收头CHQ1838和其它简单常用元器件等,实现多地址使用以及多功能四路开关遥控功能。
该系统通过发射和接收38KHZ频率的红外信号实现开关的无线控制。
优点在于体积小、成本低、可多路控制、具有发射接收显示、多地址分配使用。
%This article describes a design and implementation of switch,with short-range infrared remote
control.Utilizeing a dedicated infrared remote codec IC chip:PT2262-
IR(infrared dedicated models),PT2272-L4 (output latch),38KHZ center frequency infrared receiver CHQ1838 and other simple common components,etc, multi-address use and multi-function four-way switch remote control function can be accomplished. The system achieve the wireless control of switch by transmitting and receiving 38KHZ infrared signals ,which advantages are small size,low cost,multi-channel control,with the transmitter and receiver display,multi-address allocation.【总页数】3页(P53-55)
【作者】李奇;吴宝春;钱小瑞;马润露
【作者单位】大连民族学院信息与通信工程学院,辽宁大连,116600;大连民族学院信息与通信工程学院,辽宁大连,116600;大连民族学院信息与通信工程学院,辽宁大连,116600;大连民族学院信息与通信工程学院,辽宁大连,116600【正文语种】中文
【相关文献】
1.多功能红外遥控开关的设计 [J], 赵海标;马明涛
2.多功能无线遥控开关的设计 [J], 许航;李其祥
3.实用型红外遥控多功能开关的设计与实现 [J], 黄陇
4.基于单片机的多功能遥控加湿器的设计 [J], 魏婷; 耿丽; 陈颖; 林燕; 肖云
5.基于STM32的多功能遥控农业车控制系统设计 [J], 李昊伦; 胡佳宁; 詹宇; 李东明
因版权原因,仅展示原文概要,查看原文内容请购买。