深基坑支护验收记录表
- 格式:doc
- 大小:59.00 KB
- 文档页数:4
建筑工程深基坑工程土方开挖安全验收表
注:1.土方开挖工程验收应根据施工方案要求进行开挖后分段验收。
2.超规模危大工程应经专家验收。
高大模板支撑安全验收表
注:1.高支模工程工程分段搭设时,应根据施工方案要求进行分段验收。
2. 超规模危大工程应经专家验收。
落地式钢管扣件脚手架搭设验收表(危大工程)
注:1.落地脚手架应按搭设次数分段逐次验收。
2.超规模危大工程应经专家验收。
悬挑式脚手架验收表表7.3.4-2
注:1.悬挑脚手架应按搭设次数分段逐次验收。
2.超规模危大工程应经专家验收。
门式脚手架验收表(危大工程)表7.3.4-3
注:1.门式脚手架应按搭设次数分段逐次验收。
2.超规模危大工程应经专家验收。
悬挑式卸料平台验收表表7.3.4-4
注:l、悬挑式钢平台,每移位一次须重新验收。
落地操作平台搭设验收单表7.3.4-5
注:1.移动式操作平台面积不应超过10 m2,高度不超5 m。
建筑施工起重机械(塔式起重机)安装验收记录表
(续表)。
深基坑支护工程验收表深基坑支护工程验收表工程名称:建设单位:设计单位:监理单位:基坑面积、深度:基坑开挖时间:检查验收项目:1.设计文件与施工方案的专家论证审查情况质保资料检查在此项目中,我们检查了设计文件与施工方案的专家论证审查情况,以及质保资料。
这些文件都符合标准要求,并经过了审查。
2.施工方案的公司审批、监理审查情况我们还检查了施工方案的公司审批和监理审查情况。
这些文件也符合标准要求,并经过了审查。
3.原材出厂合格证、检验报告、砼配合、试块我们检查了钢筋、水泥、砂石、锚杆、护壁桩等原材出厂合格证、检验报告、砼配合、试块等资料。
所有资料都符合标准要求。
4.护壁桩、预应力锚索(杆)的检测报告我们还检查了护壁桩、预应力锚索(杆)的检测报告。
这些报告也符合标准要求。
5.基坑、周围建(构)筑物、道路及设施监测情况我们对基坑、周围建(构)筑物、道路及设施进行了监测。
监测结果显示,所有情况均符合标准要求。
6.原始施工记录、隐蔽工程验收记录我们还检查了原始施工记录、隐蔽工程验收记录。
这些记录符合标准要求。
7.边坡放坡坡率、护坡措施我们检查了边坡放坡坡率、护坡措施。
这些措施符合标准要求。
8.土钉安装位置、长度、挂网、砼喷射厚度我们还检查了土钉安装位置、长度、挂网、砼喷射厚度。
这些措施符合标准要求。
9.预应力锚索(杆)的安装、张拉、锁定现场实物检查我们对预应力锚索(杆)的安装、张拉、锁定现场进行了实物检查。
所有情况均符合标准要求。
10.护壁桩桩位、桩径、桩长、钢筋布置我们还检查了护壁桩桩位、桩径、桩长、钢筋布置。
这些措施符合标准要求。
11.内撑支撑立柱、连接焊缝、锚固长度我们检查了内撑支撑立柱、连接焊缝、锚固长度。
这些措施符合标准要求。
12.地下连续墙尺寸雨荷、垂直度、钢筋笼我们还检查了地下连续墙尺寸雨荷、垂直度、钢筋笼。
这些措施符合标准要求。
13.排水沟尺寸、坡度与降水井垂直度、间距我们检查了排水沟尺寸、坡度与降水井垂直度、间距。
危大工程验收表1.建筑工程深基坑工程土方开挖条件验收记录项目名称:(填写具体项目名称)建设单位:(填写具体建设单位名称)施工单位:(填写具体施工单位名称)监理单位:(填写具体监理单位名称)设计单位:(填写具体设计单位名称)勘察单位:(填写具体勘察单位名称)计划开工时间:(填写具体计划开工时间)计划完工时间:(填写具体计划完工时间)验收项目:1.基坑支护、基底加固是否按照设计及规范要求完成,强度是否达到设计要求。
2.基坑周边建筑物、构造物是否已得到保护。
3.降水井是否已完成且降水深度达到要求。
4.管线是否按照设计及规范要求完成,基坑及周边环境监测点是否已按监测方案布置完成,是否符合设计及规范要求且取得初始值。
5.各项应急工作的准备是否就绪。
6.法律、法规、规章制度规定的其他条件。
验收内容及自评意见:1.基坑支护及周边环境应按照设计文件、监测方案和规范要求进行监测并做好记录,对临近建筑和重要管线、道路也应进行监测。
2.坑壁荷载、降排水措施、积土、机具设备、临建设施等荷载与槽边距离应大于设计规定。
3.基坑施工应设置有效的降排水和防止坑外的水流入基坑的措施,护临近建筑物、管线、道路等措施,基坑应有护壁措施。
4.施工机械进场应经验收合格,司机操作应接受交底,持证上岗,机械作业应符合安全操作规程,开挖程序、分层开挖的深度应符合方案要求。
5.超过2m深的基坑四周要有二道防护栏杆,并自上而下用安全立网封闭或设置严密的高度不小于18cm的挡脚板或40cm的挡脚板,作业人员上下基坑应搭设专用通道。
验收意见:(在“□符合开挖条件”或“□不符合开挖条件”中打钩)监理单位:施工总承包单位:分包单位:企业技术负责人或授权委派的专业技术人员:监测单位:专业监理工程师:项目技术负责人:项目负责人:方案编制人员:项目专职安全员:项目___工程师:验收单位其他相关人员:勘察单位:建设单位:专家论证组组长:设计单位:项目技术负责人:项目负责人:项目技术负责人:项目技术负责人:项目技术负责人:项目技术负责人:专业资料:2.建筑工程深基坑工程土方开挖安全验收表项目名称:(填写具体项目名称)验收时间:年月日建设单位:(填写具体建设单位名称)设计单位:(填写具体设计单位名称)施工单位:(填写具体施工单位名称)监理单位:(填写具体监理单位名称)分包单位:(填写具体分包单位名称)验收部位:序号项目支护、土方、降水、监测方案验收要求验收结果1 方案应有针对性的,应按方案实施。
基坑工程验收记录表示范表格
一、工程概况
工程名称:
工程位置:
建设单位:
施工单位:
二、基坑工程信息
基坑位置:
基坑规模:
基坑深度:
开挖日期:
封闭日期:
三、工程验收记录
序号检查项目验收要求验收结果备注
1 基坑开挖按设计要求进行开挖符合要求无异常情况
2 基坑支护支护结构牢固、稳定符合要求支护结构完好
3 排水系统有效排水,保持基坑干燥符合要求排水畅通
4 基坑安全安全措施到位,无安全隐患符合要求无安全隐患
5 基坑环境符合环保要求,无污染符合要求无污染情况
6 其他根据实际情况补充符合要求无
四、验收结论
经对基坑工程进行检查验收,各项工程符合设计要求和相关规范标准,达到了验收要求。
现予以验收通过。
五、附件
(可根据需要添加附件,如图纸、照片、报告等)
备注:请在验收过程中,注明存在的问题、解决办法及实施结果,并签字确认。
基坑支护检查验收表(可以直接使用,可编辑实用优秀文档,欢迎下载)
基坑支护检查验收表
注:本表一式三份,作业班组、监理单位各一份,归档一份。
甘肃省建设安全监督总站编制(不准翻印)
基坑开挖及支护验收表
单位工程名称:验收月:年月
基坑支护安全技术要求验收表
基坑支护变形监测记录表
基坑毗邻建筑物沉降观测记录表
模板工程安全技术要求和验收表统计表
模板工程搭拆技术要求验收表施工单位:工程名称:验收部位:
支模架检查验收记录表
注:对集团公司审批方案的支模架分公司质安和技术部门必须参加验收。
模板拆除申请审批表汇总
模板拆除申请审批表
“三宝四口五临边”安全技术要求验收表
施工用电安全技术要求和验收表
接地电阻测试记录表
电气设备试、检验凭单和调试记录表
塔吊安全技术要求验收表
施工单位:工程名称:编号型号:
平刨安全技术要求和验收表施工单位:工程名称:设备编号:
园盘机安全技术要求和验收表施工单位:工程名称:
钢筋机械安全技术要求和验收表施工单位:工程名称
施工单位:工程名称:
施工单位:工程名称:
桩机安全技术要求和验收表施工单位:工程名称:
挖土机械安全技术要求和验收表施工单位:工程名称:。
危大工程验收记录表模板范文一、工程基本信息。
1. 工程名称:[具体工程名称,比如“酷炫大厦建设项目”]2. 危大工程名称及部位:名称:[例如“深基坑工程(地下室部分)”]部位:[写清楚在工程中的具体位置,像“大楼南侧地下室区域”]3. 验收日期:[具体年月日]二、验收内容。
1. 工程实体质量。
深基坑(以深基坑工程为例)坑壁稳定性:这坑壁看起来可稳当了。
咱检查了坑壁的土体,没有发现明显的裂缝或者塌方迹象。
就像一个坚强的卫士,稳稳地站在那里守护着咱们的工程。
坑壁的坡度也符合设计要求,设计说要多少度,它就规规矩矩地保持着那个角度,一点都不调皮。
支护结构:那支护结构可真是个得力助手。
咱们仔细看了支护桩,桩身完整,没有什么破损或者弯曲的情况。
就像一排排整齐的士兵,笔直地挺立着。
锚杆的拉力也足够,经过测试,拉力值都在安全范围内,感觉这些锚杆就像大力水手的手臂一样有力,紧紧地拉住坑壁,防止它乱动。
高支模(如果有高支模工程的话)支架稳定性:支架就像大楼的骨架一样重要。
咱们看这支架的立杆间距,那是相当标准,就像阅兵仪式上士兵们的队列间距一样整齐。
横杆和剪刀撑的设置也很合理,整个支架体系连接牢固,没有松动的地方。
在上面跳一跳(当然只是开玩笑,可不能真跳),感觉它都纹丝不动,稳得很呢。
模板平整度:模板表面平得就像溜冰场一样。
检查的时候,用靠尺量了量,误差都在允许范围内。
这样等混凝土浇上去的时候,就不会出现坑坑洼洼的情况,保证了混凝土表面的质量。
2. 施工安全措施。
安全防护设施。
深基坑周边防护栏:深基坑周边的防护栏就像一个贴心的保镖。
栏杆高度足够,而且牢固得很,咱们用力推了推,它都岿然不动。
防护栏的颜色也很醒目,黄色的栏杆在阳光下特别耀眼,就像在对周围的人说“这里危险,离远点哦”。
高支模作业区警示标识:在高支模作业区,那些警示标识可醒目了。
大大的红色牌子上写着“危险,请勿靠近”之类的话。
就像一个严肃的老师,时刻提醒着大家这里有危险,要小心。
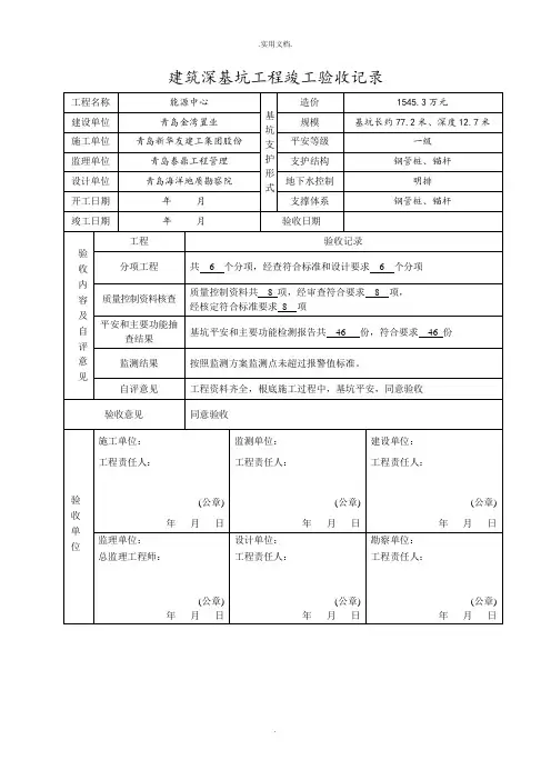
深基坑支护验收记录表建筑深基坑工程土方开挖条件验收记录工程名称:未说明建设单位:未说明施工单位:未说明监理单位:未说明设计单位:未说明开工日期:未说明完工日期:未说明项目:未说明质量控制资料核查:经核查符合要求项,经核定符合规范要求项。
造价:未说明基坑长×XXX×XXX:未说明坑安全等级:未说明支护结构形式:未说明地下水控制方式:未说明支撑体系:未说明验收日期:未说明验收记录:经审查,符合要求的质量控制资料共项有灌注桩、地下连续墙、水泥土墙、土钉墙、锚杆等。
其中不符合要求的设计已经处理。
监测点包括桩墙顶水平位移、垂直沉降、支撑轴力、立柱变形、围护结构深层水平位移、相邻房屋沉降、倾斜、裂缝、地下管线沉降与水平位移、坑外地下水位、坑内地下水及基坑渗漏状况监测点。
其中有监测项目超过报警值,但监测点的埋设经监理验收符合要求。
支护结构形式包括截水、降水、排水措施。
水平支撑和垂直支撑的形式未说明。
基坑开挖条件的验收日期和验收内容未说明。
建筑深基坑工程开挖至设计标高时的中间验收记录工程名称:未说明建设单位:未说明施工单位:未说明监理单位:未说明设计单位:未说明开挖日期:未说明挖完日期:未说明XXX开挖的日期和结束日期未说明。
项目:未说明开挖情况:按专家论证的开挖方案进行开挖,并有相关的验收记录及平行检验记录。
造价:未说明基坑长×XXX×XXX:未说明坑安全等级:未说明支护结构形式:未说明地下水控制方式:未说明支撑体系:未说明验收日期:未说明验收记录:按专家论证的开挖方案进行开挖,实测最大值的变形设计值、内力设计值、围护结构深层水平位移设计值、水位设计值、水土压力设计值、裂缝设计值均符合设计要求。
XXX: XXXProject Name:n Unit:n Unit:n Unit:Design Unit:Start Date:XXX Date:Start Date of n Pit:Date of n n to ±0.000 or the n Date of Support Structure: Project Cost:Size of n Pit (Length x Width x Depth):Safety Level of Support:Support Structure:Groundwater Control:Support System:XXX Date:XXX:There are a total of X sub-items。
危大工程验收记录表模板范文一、工程基本信息。
1. 工程名称:[具体工程名称,比如XX大厦建设工程]2. 危大工程名称:[例如深基坑工程]3. 工程地点:[详细地点,XX街XX号之类的]4. 施工单位:[施工方公司名称]5. 项目经理:[姓名]6. 验收日期:[具体年月日]二、验收内容及标准。
# (一)深基坑工程(假设是深基坑危大工程)1. 基坑支护结构。
验收内容。
支护桩的桩径、桩长和桩身完整性。
看那支护桩啊,就像一个个忠诚的卫士,得保证它们的尺寸合格,桩身没有裂缝之类的毛病。
锚杆(索)的拉力值。
这锚杆(索)的拉力要是不够,就像拔河时突然松了手,那可不得了,得达到设计要求的拉力值才行。
验收标准及结果。
桩径设计要求为[X]米,实测平均桩径为[X]米,桩长设计为[X]米,实测桩长均在[具体合格范围]内,桩身完整性经检测无明显缺陷,符合要求,验收通过。
锚杆(索)拉力值经检测,最小值为[X]kN,设计要求拉力值不低于[X]kN,满足设计要求,验收合格。
2. 基坑降水与排水。
验收内容。
降水井的数量和深度。
这降水井少一个或者浅一点,基坑里可能就变成小水塘了,所以数量和深度都得对。
排水系统的畅通性。
排水要是不畅通,那基坑就成了积水坑,各种问题都会冒出来。
验收标准及结果。
降水井数量设计为[X]口,实际施工[X]口,深度设计为[X]米,实测深度均在[合格深度范围],符合要求。
经现场检查,排水系统运行正常,没有堵塞的地方,水都能乖乖地流出去,验收通过。
3. 基坑周边防护。
验收内容。
防护栏杆的高度、牢固程度。
这栏杆要是太矮或者摇摇晃晃的,就像纸糊的防线,起不到保护作用。
防护网的设置情况。
防护网就像一张安全的大网,不能有漏洞。
验收标准及结果。
防护栏杆高度为[X]米,符合不低于[规定高度]米的设计要求,栏杆安装牢固,用力推都纹丝不动,验收合格。
防护网完整地安装在栏杆上,没有破损的地方,像个严实的保护罩,验收通过。
# (二)高大模板工程(如果是高大模板危大工程)1. 模板支架体系。
基础挖土验槽隐蔽工程检查验收记录
工程名称:建设单位:图号:
隐蔽部位:施工单位:隐蔽日期:年月日
专业技术负责人:质量检查员:填表人:
注:本表适用于基础挖土验槽隐蔽工程。
说明
基础挖土验槽隐蔽工程验收内容:
1.基坑内地下水以及地表水情况及其处理情况。
2.基坑(槽)开挖尺寸(长、上下口宽、深)、有无加宽、加深、换土等情况。
3.基土遇有坑、井、人工土、障碍物等的数量、位置及清除情况。
4.地下遇有电缆、旧的管道、旧房基等位置、数量及处理情况。
5.遇有流砂等不良地基的处理。
基坑工程检查验收表正式版
基坑工程检查验收表
基坑开挖、支护及降水工程验收表
深基坑工程(超危工程)安全管理检查记录表
附表B:深基坑工程(超危工程)监理专项巡视检查记录表
项目名称:编号:
基坑支护分部工程质量验收记录
注:1、此表一式四份,监督站、建设、施工及档案馆各存一份;
附表二附件穗建中验—3
基坑支护分部工程质量验收纪要
(桩基础、天然地基、地基处理等)
2、此表为基坑支护分部(子分部)工程质量验收记录的附件。
基坑支护验收表。